组合逻辑电路分析
- 格式:ppt
- 大小:1.11 MB
- 文档页数:3
一、实验目的1. 掌握组合逻辑电路的基本概念和特点。
2. 学会分析组合逻辑电路的逻辑功能。
3. 熟悉逻辑门电路的原理和应用。
4. 提高实验操作能力和分析问题能力。
二、实验原理组合逻辑电路是由逻辑门电路组成的,其输出仅与当前输入有关,而与电路历史状态无关。
本实验主要涉及以下几种基本逻辑门电路:1. 与门(AND Gate):当所有输入都为1时,输出才为1。
2. 或门(OR Gate):当至少一个输入为1时,输出为1。
3. 非门(NOT Gate):将输入信号取反。
4. 异或门(XOR Gate):当输入信号不同时,输出为1。
三、实验仪器与器材1. 74LS00(四2输入与门)2. 74LS02(四2输入或门)3. 74LS04(六反相器)4. 74LS86(四2输入异或门)5. 数字逻辑实验箱6. 万用表7. 导线若干四、实验内容与步骤1. 实验一:验证与门、或门、非门、异或门的功能(1)按照实验指导书连接电路图,并检查无误。
(2)按照表1要求输入信号,观察并记录输出信号。
(3)根据观察到的输出信号,分析各门电路的逻辑功能。
表1:验证与门、或门、非门、异或门的功能| 输入信号 | 与门输出 | 或门输出 | 非门输出 | 异或门输出 || :-------: | :-------: | :-------: | :-------: | :-------: || A | B | A | A | A || 0 | 0 | 0 | 1 | 0 || 1 | 1 | 1 | 0 | 1 |2. 实验二:设计组合逻辑电路(1)设计一个组合逻辑电路,实现以下功能:当输入A为1,B为0时,输出Y为1,否则Y为0。
(2)根据设计要求,选择合适的逻辑门电路,并画出电路图。
(3)按照电路图连接实验电路,并检查无误。
(4)按照表2要求输入信号,观察并记录输出信号。
表2:设计组合逻辑电路| 输入信号 | 输出信号 || :-------: | :-------: || A | B | Y || 0 | 0 | 0 || 0 | 1 | 0 || 1 | 0 | 1 || 1 | 1 | 0 |3. 实验三:分析组合逻辑电路(1)分析实验二所设计的组合逻辑电路,确定其逻辑功能。
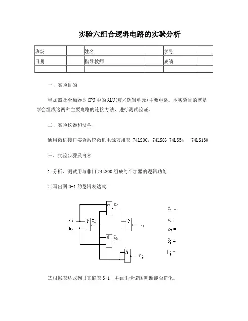
实验六组合逻辑电路的实验分析班级姓名学号日期指导教师成绩一、实验目的半加器及全加器是CPU中的ALU(算术逻辑单元)主要电路。
本实验目的就是学会组成这两种主要电路的连接方法,进行测试验证。
二、实验仪器和设备通用微机接口实验系统微机电源万用表 74LS00,74LS86 74LS54 74LS138三、实验步骤及内容1.分析、测试用与非门74LS00组成的半加器的逻辑功能⑴写出图3-1的逻辑表达式⑵根据表达式列出真值表3-1,并画出卡诺图判断能否简化。
表3-1⑶按图3-1连线,将及分别接至逻辑电平开关及,及分别接至LED电平显示电路及。
⑷给及以不同的电平,观察及的电平并记于表3-2中,同时与上表3-1比较,看两者是否一致.2.分析用一个与门(实验系统中)及一异或门(74LS86)组成半加器电路,电路如图3-2。
(1)查阅本书附录B,记下74LS86的结构和引线的排列,按图连线,测试方法同1.(3)项,将测试结果填入自拟的表格中,并验证逻辑功能。
3.分析测试用异或门、与非门和或门组成的全加器逻辑电路。
根据全加器的逻辑表达式全加和进位可知一位全加器可以用两个异或门和两个与门及一个或门组成。
1 出用上述门电路实现的全加器逻辑电路。
2 所画的原理图,选择器件,并接线。
3 进行逻辑功能测试,将测试结果填入自拟表格,判断测试是否正确。
Ai Bi Ci-1 Ci Si0 0 00 0 10 1 00 1 11 0 01 0 11 1 01 1 1四、实验报告要求1、整理实验数据、图表并对实验结果进行分析讨论。
2、总结组合电路的分析与测试方法。
实验名称组合逻辑电路分析、设计与测试一、实验目的1.掌握组合逻辑电路的分析与测试方法;2.掌握用门电路设计组合逻辑电路的方法。
二、实验原理1.组合逻辑电路的分析与测试组合逻辑电路是最常见的逻辑电路,即通过基本的门电路(比如与门,与非门,或门,或非门等)来组合成具有一定功能的逻辑电路。
组合逻辑电路的分析,就是根据给定的逻辑电路,写出其输入与输出之间的逻辑函数表达式,或者列出真值表,从而确定该电路的逻辑功能。
组合逻辑电路的测试,就运用实验设备和仪器,搭建出实验电路,测试输入信号和输出信号是否符合理论分析出来的逻辑关系,从而验证该电路的逻辑功能。
组合逻辑电路的分析与测试的步骤通常是:(1)根据给定的组合逻辑电路图,列出输入量和中间量、输出量的逻辑表达式;(2)根据所得的逻辑式列出相应的真值表或者卡诺图;(3)根据真值表分析出组合逻辑电路的逻辑功能;(4)运用实验设备和器件搭建出该电路,测试其逻辑功能。
2.组合逻辑电路的设计与测试组合逻辑电路的设计与测试,就是根据设计的功能要求,列出输入量与输出量之间的真值表,通过化简获得输入量与输出量之间的逻辑表达式,然后根据逻辑表达式用相应的门电路设计该组合逻辑电路,然后运用实验设备与器件搭建实验电路,测试该电路是否符合设计要求。
组合逻辑电路的设计与测试的步骤通常是:(1)根据设计的功能要求,列出真值表或者卡诺图;(2)化简逻辑函数,得到最简的逻辑表达式;(3)根据最简的逻辑表达式,画出逻辑电路;(4)搭建实验电路,测试所设计的电路是否满足要求。
三、预习要求1.阅读理论教材上有关组合逻辑电路的分析与综合以及半加器等章节内容,以达到明确实验内容的目的。
2.查阅附录有关芯片管脚定义和相关的预备材料。
四、实验设备与仪器1.数字电路实验箱;2.芯片74LS00;74LS20。
五、实验内容1.半加器逻辑电路的分析与测试SC图5.5.1 半加器的逻辑电路(1) 根据图5.5.1写出中间量(1Z 、2Z 和3Z )和输出量(S 和C )关于输入量(A 和B )的逻辑表达式。
组合逻辑电路的分析在分析组合逻辑电路时,我们可以使用真值表、卡诺图或布尔代数等方法。
下面将分别介绍这些方法的基本原理和应用。
1.真值表分析法真值表是列出电路的所有可能输入和对应输出的表格。
通过逐行检查真值表的输出列,可以确定电路的功能。
真值表分析法适用于较小规模的电路,但对于较复杂的电路可能不够实用。
2.卡诺图分析法卡诺图是一种图形表示方法,用于描述逻辑函数之间的关系。
它将所有可能的输入组合表示为一个方格矩阵,每个方格代表一个状态。
相邻的方格表示输入之间只有一个位不同。
通过合并相邻的方格,我们可以找到简化逻辑函数的最小项或最小项组合。
卡诺图分析法可以用来优化逻辑电路,减少门的数量和延迟。
3.布尔代数分析法布尔代数是一种用符号和运算规则描述逻辑函数的代数系统。
我们可以使用布尔代数的运算规则来简化和优化逻辑电路。
常见的布尔代数运算包括与运算、或运算、非运算和异或运算等。
通过应用这些运算规则,我们可以将复杂的逻辑函数简化为最小项或最小项组合,从而简化电路。
在进行组合逻辑电路的分析时,我们首先需要确定电路的输入和输出。
然后,我们可以根据电路的功能和输出要求,绘制真值表或卡诺图。
通过分析真值表或卡诺图,我们可以找到逻辑函数的最小项或最小项组合。
接下来,我们可以将这些最小项或最小项组合转化为逻辑门的输入方式。
最后,我们可以使用布尔代数的运算规则来简化逻辑函数和电路。
组合逻辑电路的分析是电路设计和优化的重要一步。
通过应用不同的分析方法,我们可以更好地理解电路的功能和性质,从而更好地设计和优化电路。
在分析组合逻辑电路时,我们需要注意电路的输入和输出要求,合理选择和配置逻辑门,以及优化电路的延迟和开销。
第三章组合逻辑电路基本要求:熟练掌握组合逻辑电路的分析方法;掌握组合逻辑电路的设计方法;理解全加器、译码器、编码器、数据选择器、数据比较器的概念和功能,并掌握它们的分析与实现方法;了解组合逻辑电路中的险象本章主要内容:组合逻辑电路的分析方法和设计方法。
本章重点:组合逻辑电路的分析方法组合逻辑电路的设计方法常用逻辑部件的功能本章难点:组合逻辑电路的设计一、组合逻辑电路的特点若一个逻辑电路,在任一时刻的输出仅取决于该时刻输入变量取值组合,而与电路以前的状态无关,则电路称为组合逻辑电路(简称组合电路)。
可用一组逻辑函数描述。
组合电路根据输出变量分为单输出组合逻辑电路和多输出组合逻辑电路。
注意:1.电路中不存在输出端到输入端的反馈通路。
2.电路不包含记忆元件。
3.电路的输出状态只由输入状态决定。
二、组合逻辑电路的分析方法分析的含义:给出一个组合逻辑电路,分析它的逻辑功能。
分析的步骤: 1.根据给出的逻辑电路图,逐级推导,得到输出变量相对于输入变量的逻辑函数。
2.对逻辑函数化简。
3.由逻辑函数列出对应的真值表。
4.由真值表判断组合电路的逻辑功能。
三、组合电路的分析举例1、试分析图3-1所示的单输出组合逻辑电路的功能解:(1)由G1、G2、G3各个门电路的输入输出关系,推出整个电路的表达式:Z1=ABCF=Z1+Z2 (2)对该逻辑表达式进行化简:(3)根据化简后的函数表达式,列出真值表3-1。
(4)从真值表中可以看出:当A、B、C三个输入一致时(或者全为“0”、或者全为“1”),输出才为“1”,否则输出为“0”。
所以,这个组合逻辑电路具有检测“输入不一致”的功能,也称为“不一致电路”。
2.试分析图3-2所示的输出组合逻辑电路的功能解:(1)由G1、G2、G3、G4、G5各个门电路的输入、输出关系,推出整个组合逻辑电路的表达式:(2)对该逻辑表达式进行化简:(3)根据化简后的函数表达式,列出真值表3-2。
(4)若设A、B各为一位二进制加数,则从真值表中可以看出,S为两加数相加后的一位和、C为两加数相加后的进位值。
实验二组合逻辑电路分析与设计一、实验目的1.掌握组合逻辑电路的分析方法与测试方法;2.掌握组合逻辑电路的设计方法。
二、实验预习要求1.熟悉门电路工作原理及相应的逻辑表达式;2.熟悉数字集成电路的引脚位置及引脚用途;3.预习组合逻辑电路的分析与设计步骤。
三、实验原理通常, 逻辑电路可分为组合逻辑电路和时序逻辑电路两大类。
电路在任何时刻, 输出状态只决定于同一时刻各输入状态的组合, 而与先前的状态无关的逻辑电路称为组合逻辑电路。
1.组合逻辑电路的分析过程, 一般分为如下三步进行:(1)由逻辑图写出输出端的逻辑表达式;(2)画出真值表;(3)根据对真值表进行分析, 确定电路功能。
2. 组合逻辑电路的一般设计过程为图实验2.1所示。
设计过程中, “最简”是指电路所用器件最少, 器件的种类最少, 而且器件之间的连线也最少.四、实验仪器设备1. TPE-ADⅡ实验箱(+5V电源, 单脉冲源, 连续脉冲源, 逻辑电平开关, LED显示, 面包板数码管等)1台;2. 四两输入集成与非门74LS00 2片;3. 四两输入集成异或门74LS86 1片;4. 两四输入集成与非门74LS20 3片。
五、实验内容及方法1. 分析、测试74LS00组成的半加器的逻辑功能。
(1)用74LS00组成半加器, 如图实验2.2所示电路, 写出逻辑表达式并化简, 验证逻辑关系。
Z1=AB;Z2= Z1A = ABA;Z3= Z1B = ABB;Si= Z2Z3 = ABA ABB = ABA+ABB = AB+ AB = A + B;Ci = Z1A = AB;(2)列出真值表。
(3)分析、测试用异或门74LS86与74LS00组成的半加器的逻辑功能, 自己画出电路, 将测试结果填入自拟表格中, 并验证逻辑关系。
评价: 通过这种方法获得测试结果和上述电路完全相同, 并且在有异或门的情况下实现较为简单, 所以我们应当在设计的时候在条件允许的情况实现最简。
组合逻辑电路的分析与设计实验报告实验名称:组合逻辑电路的分析与设计实验目的:通过实验了解组合逻辑电路的基本原理,掌握组合逻辑电路的分析与设计方法。
实验原理:1.组合逻辑电路:由与门、或门、非门等逻辑门电路按一定连接方式组成的电路。
2.逻辑门:与门、或门、非门是组合逻辑电路的基本构建模块,能实现逻辑运算。
-与门:只有所有输入信号都为1时,输出为1;否则输出为0。
-或门:只要任一输入信号为1时,输出为1;否则输出为0。
-非门:输入信号为1时,输出为0;输入信号为0时,输出为1实验步骤:1.分析给定的组合逻辑电路图,理清输入和输出的关系。
2.根据电路图,根据所学的逻辑门原理,推导出真值表。
3.根据真值表,使用卡诺图简化逻辑表达式,并进行逻辑代数运算,得出最简化的逻辑表达式。
4.使用逻辑表达式进行电路设计,画出电路图。
5. 使用工具软件(如LogicWorks等)进行电路模拟分析,验证电路的正确性。
6.根据实际需求,对电路进行优化设计。
实验结果与分析:1.根据给定的组合逻辑电路图,进行逻辑分析和设计,得出最简化的逻辑表达式和电路设计图。
2. 使用LogicWorks等工具软件进行模拟分析,验证电路的正确性。
3.根据分析结果,可进行电路优化设计,提高电路的性能和可靠性。
实验结论:通过本次实验,我们深入了解了组合逻辑电路的基本原理和设计方法。
通过逻辑分析和设计,我们能够得到最简化的逻辑表达式和电路设计图,并能使用工具软件进行模拟分析验证。
实验结果表明,组合逻辑电路能够实现所需的逻辑功能,并能根据实际需求进行优化设计。
组合逻辑电路的分析与设计是数字电路领域的重要工作,对于实际应用中的系统设计和实现具有重要意义。