脱硫系统常用计算公式
- 格式:doc
- 大小:21.00 KB
- 文档页数:1
脱硫相关工艺了解及计算公式详解钠碱法脱硫工艺:采用氢氧化钠(NaOH,又名烧碱,片碱)或碳酸钠(Na2CO3又名纯碱,块碱)。
1.1.NaOH 反应方程式:2NaOH+SO2=Na2SO3(亚硫酸钠)+H2O (PH 值大于9)Na2SO3+H2O+SO2=2NaHSO3(亚硫酸氢钠) (5当PH 值在5-9 时,亚硫酸钠和SO2反应生成亚硫酸氢钠。
>>>>1.2.Na2CO3反应方程式:Na2CO3+SO2=Na2SO3(亚硫酸钠)+CO2↑(PH 值大于9)Na2SO3+H2O+SO2=2NaHSO3(亚硫酸氢钠) (5当PH 值在5-9 时,亚硫酸钠和SO2反应生成亚硫酸氢钠。
2双碱法脱硫工艺:>>>>2.1.脱硫过程:Na2CO3+SO2=Na2SO3+CO2↑2NaOH+SO2=Na2SO3+H2O用碳酸钠启动用氢氧化钠启动2 种碱和SO2反应都生成亚硫酸钠Na2SO3+SO2+H2O=2NaHSO3 (5当PH 值在5-9 时,亚硫酸钠和SO2反应生成亚硫酸氢钠。
>>>>2.2.再生过程:CaO(生石灰)+H2O=Ca(OH)2(氢氧化钙)Ca(OH)2+2NaHSO3(亚硫酸氢钠)=Na2SO3+CaSO3↓ (亚硫酸钙)+2H2OCa(OH)2+Na2SO3=2NaOH+CaSO3↓氢氧化钙和亚硫酸钠反应生成氢氧化钠。
3煤初始排放浓度:按耗煤量按500kg/h,煤含硫量按1%,煤灰份按20%,锅炉出口烟气温度按150℃。
>>>>3.1.烟气量:按1kg 煤产生16~20m3/h 烟气量,=500×20= 10000m3/h>>>>3.2.SO2初始排放量:=耗煤量t/h×煤含硫量%×1600(系数)=0.5×0.01×1600= 8kg/h也可以计算:= 2×含硫量×耗煤量×硫转化率80%= 2×0.01×500×0.8=8kg/h>>>>3.3.计算标态烟气量:=工况烟气量×【273÷(273+150 烟气温度)】=10000×0.645=6450Nm3/h已知标况烟气量和烟气温度,计算其工况烟气量:=标况烟气量×【(273+150 烟气温度)÷273】=6450×1.55=10000 m3/h>>>>3.4.SO2初始排放浓度:=SO2初始排放量×106÷标态烟气量=8×106÷6450=8000000÷6450=1240mg/Nm3>>>>3.5.粉尘初始排放量:=耗煤量t/h×煤灰份%×膛系数20%=500×0.2×0.2=20kg/h>>>>3.6.粉尘初始排放浓度:=粉尘初始排放量×106÷标态烟气量= 20×106÷6450=20000000÷6450=3100mg/Nm34运行成本计算:需先计算出SO2初始排放量kg/h,然后按化学方程式计算。
1) 由于烟气设计资料,常常会以不同的基准重复出现多次,(如:干基湿基,标态实际态,实际O2 等),开始计算前一定要核算统一,如出现矛盾,必须找出正确的一组数据,避免原始数据代错。
常用折算公式如下:烟气量(dry)=烟气量(wet) >(1-烟气含水量%)实际态烟气量=标态烟气量>气压修正系数x温度修正系数烟气量(6%02) = ( 21-烟气含氧量)/ ( 21 -6%)S02 浓度(6%02 ) = ( 21 - 6%) / (21 -烟气含氧量)S02 浓度( mg/Nm3 ) =S02 浓度( ppm) x2.857物料平衡计算1 )吸收塔出口烟气量G2G2= (G1 x (1 - mw1) X(P2/(P2-Pw2)) (X —mw2 )+ G3X (1- 0.21/K) ) >(P2/(P2-Pw2))G1: 吸收塔入口烟气流量mw1: 入口烟气含湿率P2:烟气压力Pw2 :饱和烟气的水蒸气分压说明: Pw2 为绝热饱和温度下的水蒸气分压,该值是根据热平衡计算的反应温度,由烟气湿度表查得。
(计算步骤见热平衡计算)2) 氧化空气量的计算根据经验,当烟气中含氧量为6%以上时,在吸收塔喷淋区域的氧化率为50 - 60 %。
采用氧枪式氧化分布技术,在浆池中氧化空气利用率n 02=25-30%,因此,浆池内的需要的理论氧气量为:S=(G1 x q1-G2 x q2) x(1-0.6)/2/22.41所需空气流量QreqQreq=S x22.4/(0.21 0.x3)G3= Qreq >KG3:实际空气供应量K :根据浆液溶解盐的多少根据经验来确定,一般在 2.0-3左右。
3) 石灰石消耗量计算W1=100x qs xnsW1: 石灰石消耗量qs: :入口S02 流量n S兑硫效率4) 吸收塔排出的石膏浆液量计算W2=172xx qs xn s/SsW2:石膏浆液量Ss石膏浆液固含量5) 脱水石膏产量的计算W3=172xx qs xn s/SgW3: 石膏浆液量Sg:脱水石膏固含量(1-石膏含水量)6) 滤液水量的计算W4=W3-W2W3: 滤液水量7) 工艺水消耗量的计算W5=18x (G4-G1-G3 x(1-0.21/K))+W3 (1x-Sg)+36x qs x n+W s WT蒸发水量石膏表面水石膏结晶水排放废水。
脱硫剂氢氧化钠(NaOH)和碳酸钠Na2CO3耗量理论计算一、计算公式1、氢氧化钠主反应S + O2=SO232kg 32kg 64kgS=锅炉的燃煤量×煤中含硫量×85%SO2=(64÷32)×S2NaOH + SO2=Na2SO3+H2O80kg 64kgNaOH=(80÷64)×SO2÷脱硫剂纯度空气过量的情况下将Na2SO3氧化成Na2SO42、碳酸钠主反应S + O2=SO232kg 32kg 64kgS=锅炉的燃煤量×煤中含硫量×85%SO2=(64÷32)×SNa2CO3 + SO2=Na2SO3+CO2106kg 64kg 44kgNaOH=(106÷64)×SO2÷脱硫剂纯度空气过量的情况下将Na2SO3氧化成Na2SO4二、2×40T锅、1、基础参数:单台锅炉烟气量100000mg/Nm³;单台锅炉燃煤量:170kg×40T=6800kg/h;煤的含硫量:1%;运行时间:20h/天;脱硫剂(NaOH)纯度:96%;2、脱硫剂(NaOH和Na2CO3)耗量计算:S(单台炉)=锅炉的燃煤量×煤中含硫量×85%=6800×1%×85%=57.8kg/h;SO2(单台炉)=(64÷32)×S=(64÷32)×57.8=115.6kg/h;SO2初始排放浓度(单台炉)=115.6×106÷100000=1156mg/m³;SO2达标排放去除量(单台炉)=(1156-300)×100000÷106=85.6kg/h;脱硫剂NaOH耗量(单台炉)=(80÷64)×SO2÷脱硫剂纯度=(80÷64)×85.6÷96%=111.5kg/h;脱硫剂NaOH耗量(两台炉)= 2×111.5kg/h×20h=4460kg/天;3、脱硫剂(Na2CO3)耗量计算:S(单台炉)=锅炉的燃煤量×煤中含硫量×85%=6800×1%×85%=57.8kg/h;SO2(单台炉)=(64÷32)×S=(64÷32)×57.8=115.6kg/h;SO2初始排放浓度(单台炉)=115.6×106÷100000=1156mg/m³;SO2达标排放去除量(单台炉)=(1156-300)×100000÷106=85.6kg/h;脱硫剂Na2CO3耗量(单台炉)=(106÷64)×SO2÷脱硫剂纯度=(106÷64)×85.6÷96%=147.74kg/h;脱硫剂Na2CO3耗量(两台炉)= 2×147.74kg/h×20h=5910kg/天;4、因浆液中的钠离子浓度饱和后脱硫剂的利用率将降低,这样势必增加脱硫剂的消耗量,为确保出口能满足达标排放的要求,必须降低浆液中的钠离子浓度(每天必须排出适量的浆液后补充清水),故实际的耗量将增加5-10%。
双碱液法脱硫计算公式
双碱液法脱硫是一种常用的大气污染控制技术,可以将燃煤电厂等工业设施的二氧化硫排放量减少到国家和地方排放标准以下,从而保护环境和人民健康。
双碱液法脱硫的原理是利用碱性溶液(主要包括氢氧化钠和碳酸钙)与二氧化硫发生反应,形成硫酸钙和水,从而达到脱硫的目的。
在反应过程中,必须要控制溶液的浓度和温度才能保证脱硫效果。
具体的计算公式如下:
1. 双碱液法脱硫反应方程式
反应式:NaOH + SO2 + H2O → Na2SO3 + 2H2O
化学方程式:2NaOH + SO2 + 2CO2 → Na2SO3 + Na2CO3 +
2H2O
2. 双碱液法脱硫的常数及限制因素
常数:k1、k2、k3、k4、k5
限制因素:SO2、NaOH、Ca(OH)2的摩尔比、气相速度、溶液浓度、温度、气体分子量、溶液分子量以及反应釜的构造设计等。
3. 双碱液法脱硫效率的计算公式
SO2去除率=1- (Cout/Cin)*100%
其中,Cout为脱除后气流中的SO2浓度(mg/m3),Cin为控制前气流中的SO2浓度(mg/m3)。
4. 双碱液法脱硫量的计算公式
SO2去除量= V*I*(Cin-Cout)
其中,V表示气流体积(m3/s),I表示反应器中溶液的稀释倍数,Cin-Cout表示SO2的浓度差(mg/m3)。
5. 双碱液法脱硫方案比较
在双碱液法脱硫方案中,不同的方案对应着不同的反应器构造、气体流量、溶液循环量、溶液配比等。
需要进行全面比较才能选择
适宜的方案。
以上就是双碱液法脱硫计算公式的相关内容,具体的计算需要
根据实际情况进行调整。
1校核煤质换算成干燥无灰基的元素含量Q daf,net =34.43447MJ/kgQ ar,net =26.144MJ/kg取Q ar,net =25.8MJ/kg 38%含硫量为0.4%燃烧计算m coal =2Q ’=6.804325m³/kg3Q s ’==7.345681m³/kg4α=1.3Q ==9.42264m³/kg5d sh =16%C==0.002723kg/m³标准状况下烟气含尘浓度排烟中飞灰占煤中不可燃组分的比例339C daf +1030H daf -109(O daf -S daf )=换算成低位收到基发热量Q daf,net *76/100=全厂效率为标准状况下理论空气量1.867(C Y +0.375S Y )+11.2H Y +1.24W Y +0.016Q a '+0.79Q a '+0.8N Y标准状况下实际烟气量空气过剩系数石灰石/石膏湿法脱硫Y Y Y Y 标准状况下理论烟气量(空气含湿量为12.93g/m³)Q ’+1.016(α-1)Q '6C SO2,at6%=218.6667mg/m³取C SO2,at6%=219mg/m³76.52582%7m SO2==0.5872t/h 取m SO2=0.59t/hm=0.4543t/h 8ρ=0.778501kg/Nm³取ρ=0.78kg/Nm³9689960Nm³/h取690000Nm³/h632730Nm³/h取633000Nm³/h标准状况下SO 2燃烧产量SO 2的脱除量烟气中水蒸气密度标准状况下烟气中浓度由理想气体状态方程得V fluegas,wet =m coal .V fluegas V fluegas,wet =V fluegas,dry =V fluegas,wet .(1-0.083)=PV water =n water RTV fluegas,dry =除硫效率为烟气体积流量V fluegas,wet =10 1.34kg/m³848220kg/h取848000kg/hm water =44460kg/h892460kg/h11135°C 108°Cx 1=0.052429取x 1=0.052248kJ/kgT=48°Cx 2=0.07721200kg/h1284000Nm³/h 717000Nm³/h13V wet =690000Nm³/h V dry =633000Nm³/h m wet =892000kg/h m dry =848000kg/h烟气质量流量假定电除尘器出口温度为沿等焓线到饱和线可得到饱和温度T m water,vapourised =(x water,outlet -x water,inlet ).m fluegas,drym water,vapourised =m fluegas,dry =V dry .ρfluegas,dry烟气密度(标准状态):ρ=m fluegas,dry =m fluegas,dry =m fluegas,wet =m fluegas,dry +m waterm fluegas,wet =V cleangas,wet =吸收塔烟气计算结果汇总13.1 吸收塔入口:GGH出口温度为干烟气水含量在h,x图上,108°C和0.052的交点的焓h=吸收塔出口净烟气的计算V water,vapourised,cleangas =V water +V water,saturation V water,vapourised,cleangas =V cleangas,wet =V inlet,dry +V water,vapourised,cleangas 吸收塔饱和温度计算m watewr 44460kg/h T 1=108°C O 2=6%(dry)SO 2=852mg/m³SO 2,6%O2=932mg/m³V wet =717000Nm³/h V dry =633000Nm³/h m wet =913200kg/h m dry =848000kg/h V water 84000Nm³/h m watewr 65520kg/h T 1=48°C O 2=%(dry)SO 2=200mg/m³SO 2,6%O2=219mg/m³1446mg/Nm³98%15g/Lm=28.53564kg/h m water =1900kg/h150.709844t/h 取0.7t/h 石膏产量16m water =23484.5kg/h 取m water =23484kg/h V =23.484m³/h假定13.2 吸收塔出口:废水流量的计算m water =m water,vapourised +m washwater +m crystalwater +m gypsum,moisture 石灰石消耗量/石膏产量SO 2+CaCO 3+2H 2O+1/2O 2→CaSO 4.2H 2O+CO 2石灰石耗量假定烟气中HCl的浓度C HCl,fluegas =HCl的去除率为废水中Cl-含量保持m Cl-=0.98.C HCl,fluegas V dry 工艺水消耗量ρ= 1.079305kg/l 1.393939kg/l1.017249kg/l取1.017kg/lm beltfilter =2400kg/h11280kg/hm gypsum =1466.4kg/h取m gypsum =1466kg/h9814kg/h=10.45412m³/h 取10.45m³/hm water =m from,absorbor -m gypsum =V from,absorbor =V from,absorbor =m from,absorbor =m gypsum =m from,absorbor .C gypsum 17.5 吸收塔来石膏浆液计算m from,absorbor =m hydrocyclone,underflow +m hydeocyclone,overfloem from,absorbor .C gypsum =m hydrocyclone,underflow .C gypsum,underflow +m hydeocyclone,overfloe .C gypsum,overflow 联立以上方程组解得17.4 脱水石膏产量m ρs,hydrocyclone,overflow =17.1 石膏浆液密度计算17.2 旋流器底流密度计算ρs,hydrocyclone,underflow =ρs,hydrocyclone,overflow =17.3 旋流器顶流密度计算180.7t/h1.238938kg/l取1.24kg/l192h3.76m³1.495751m 取D=1.5m2.25m205t/h以50%5.6t/h 5.6m³/h1h5.6m³1.70815m 取D=1.7m20.2 滤液箱容积假定滤液箱停留时间△t=V tank =V water,filtrate .△t=滤池箱尺寸计算D=(0.89.Vtank)1/3=m water,filtrate =18.2 石灰石浆液密度假定滤布冲洗水量m water,beltfilter =的石膏质量流量作为石膏冲洗水量20.1 滤液量m water,filtrate =m water,beltfilter +m water,wash V water,filtrate ≈浆液罐体积V tank =V suspension .△t=H=1.5×D=石灰石浆液供给石灰石耗量m CaCO3=18.1 石灰石浆液质量流量ρsuspension =ρsuspension =18.3 石灰石浆液体积流量浆液池尺寸D=(0.89.Vtank)1/3=假定浆液停留时间△t=2.55m21690000Nm³/h 932mg/m³二氧化硫脱除率77%12l/Nm³48°C842996.7Nm³/h取843000Nm³/h=234.1667Nm³/s取234Nm³/s10116Nm³/h 3Q 单循=3372Nm³/h=0.936667Nm³/s4.3min724.98m³H1=11.39628m取H 1=11.4m0.5m取H 1=12m21.3 吸收塔循环区体积假定循环浆液停留时间t=V absorbersump =21.4 吸收塔总高浆液池位高度另外考虑到因注入氧化空气引起的吸收塔浆液液位波动,浆液液位高度增V wet,actual =V wet,actual =V wet,actual =循环浆液流量设计喷淋塔层数为每层循环浆液流量21.2 吸收塔直径V wet,actual =H=1.5×D=吸收塔尺寸的设计21.1 循环浆液流量烟气流量V wet =二氧化硫浓度C SO2=假定液气比L/G=吸收塔出口净烟气温度T 2=H 2取1.2m4m2.5m2m喷淋层数3层H 5=4m4m 3m30.7m223372Nm³/h =937L/s5L/s n=Q 单循/5=187.4取整为1880.06m 15m/s 42.4115L/s 取Q max =42.4L/s239090100m 20.8m180.9557%24d=喷射扩散角α=除雾器有效流通面积A=冲洗喷嘴距除雾器表面垂直距离冲洗覆盖率=烟道尺寸设计24.1 净烟气烟道直径设计喷嘴数量n=单层喷淋层浆液流量Q 单循=假定喷嘴流量为假定单管可选最大直径D max =喷淋管内最大流速V max =单喷管最大流量Q max,s =π/4.D max 2.V max =单喷淋层主喷管数除雾器冲洗覆盖率喷淋层设计底部有些降温影响,加之该区间需接近料管,H 2一般定位800mm~1300mm范围为宜,此处进口烟道高度H 3=进口烟道顶部距底层喷淋层高度H 4=喷淋层区域高度H 5设计喷淋层之间的间隔为除雾区高度H 6=出口烟道高度H 7=吸收塔总高H=H 1+H 2+H 3+H 4+H 5+H 6+H 7=考虑到浆液鼓入氧化空气和搅拌时液位有所波动,入口烟气温度较高、浆液温度较低可对浆液液面距入口烟道高度H 2V actual =286.3948Nm³/s 取d=4.497817m25135°CQ fan,in =690000Nm³/hQ fan,in,act =Nm³/s 2610mbar GGH压损12mbar烟道压损7mbar 考虑20%的裕量△P=34.8mbar2728H pump,1=20m H pump,2=22m H pump,3=24mP e,1=227.7285kW 取P e,1=228kW P e,2=250.5013kW P e,2=251kW P e,3=273.2742kWP e,3=273kWη=80%假定循环泵的总效率增压风机总压损假定吸收塔压损电机功率P f,d28.2 循环泵的轴功率P 增压风机烟气设计流量计算假定风机入口烟气温度T fan,in =100%BMCR工况下风机入口处湿烟气流量28.1 有效功率三台浆液循环泵的扬程分别为三台循环泵轴功率计算24.2 原烟气烟道直径2930氧化风机空气流量ηO =60%S=8.059446kg.mol/h 取S=8.06kg.mol/h 30%O rep =O rep =1433.529Nm³/h 取O rep =1434Nm³/h2943.428Nm³/h取为2943Nm³/h 12943Nm³/h所需空气流量根据经验,考虑溶解盐12.1%,则空气流量为O rep ×2.0526=此处设计选用台风机,因此风机空气流量为电机参数λ假定吸收塔喷淋区域的氧化率为浆池内氧化量假定通氧效率η02=。
脱硫各项计算公式脱硫是指通过化学或物理方法去除燃煤、燃油等燃料中的硫化物,以减少大气中的二氧化硫排放,保护环境。
在脱硫工程中,需要进行各项计算来确定设备的尺寸、操作参数等。
下面将介绍脱硫各项计算公式及其应用。
1. 脱硫效率计算公式。
脱硫效率是衡量脱硫设备去除硫化物的能力的重要指标。
脱硫效率的计算公式如下:脱硫效率 = (进口SO2浓度出口SO2浓度) / 进口SO2浓度× 100%。
其中,进口SO2浓度和出口SO2浓度分别表示进入脱硫设备的烟气中的二氧化硫浓度和离开脱硫设备后的二氧化硫浓度。
通过这个公式可以计算出脱硫设备的去除效果,为后续工艺设计和操作提供重要参考。
2. 石灰用量计算公式。
在石灰-石膏法脱硫工艺中,需要计算石灰的用量来保证脱硫效果。
石灰用量的计算公式如下:石灰用量 = (SO2排放浓度×烟气流量× 3600) / (100 × CaO含量×石灰利用系数)。
其中,SO2排放浓度表示烟气中的二氧化硫浓度,烟气流量表示单位时间内烟气的流量,CaO含量表示石灰中氧化钙的含量,石灰利用系数表示石灰的利用率。
通过这个公式可以计算出石灰的用量,为脱硫设备的运行提供指导。
3. 石膏产量计算公式。
在石灰-石膏法脱硫工艺中,石膏是脱硫产生的主要副产品,需要计算石膏的产量来合理处理。
石膏产量的计算公式如下:石膏产量 = SO2排放浓度×烟气流量× 3600 / 100。
通过这个公式可以计算出单位时间内产生的石膏量,为后续的石膏处理提供依据。
4. 脱硫塔液气比计算公式。
在湿法脱硫工艺中,需要计算脱硫塔的液气比来保证脱硫效果。
脱硫塔液气比的计算公式如下:液气比 = (进口SO2浓度×烟气流量) / (脱硫液循环速率× 3600)。
其中,进口SO2浓度和烟气流量表示进入脱硫塔的烟气中的二氧化硫浓度和烟气流量,脱硫液循环速率表示单位时间内脱硫液的循环速率。
1)由于烟气设计资料,常常会以不同的基准重复出现多次,(如:干基\湿基,标态\实际态,6%O2\实际O2等),开始计算前一定要核算统一,如出现矛盾,必须找出正确的一组数据,避免原始数据代错。
常用折算公式如下:烟气量(dry)=烟气量(wet)×(1-烟气含水量%)实际态烟气量=标态烟气量×气压修正系数×温度修正系数烟气量(6%O2)=(21-烟气含氧量)/(21-6%)SO2浓度(6%O2)=(21-6%)/(21-烟气含氧量)SO2浓度(mg/Nm3)=SO2浓度(ppm)×2.857物料平衡计算1)吸收塔出口烟气量G2G2=(G1×(1-mw1)×(P2/(P2-Pw2))×(1-mw2)+G3×(1-0.21/K))×(P2/(P2-Pw2))G1:吸收塔入口烟气流量mw1:入口烟气含湿率P2:烟气压力Pw2:饱和烟气的水蒸气分压说明:Pw2为绝热饱和温度下的水蒸气分压,该值是根据热平衡计算的反应温度,由烟气湿度表查得。
(计算步骤见热平衡计算)2)氧化空气量的计算根据经验,当烟气中含氧量为6%以上时,在吸收塔喷淋区域的氧化率为50-60%。
采用氧枪式氧化分布技术,在浆池中氧化空气利用率ηo2=25-30%,因此,浆池内的需要的理论氧气量为:S=(G1×q1-G2×q2)×(1-0.6)/2/22.41所需空气流量QreqQreq=S×22.4/(0.21×0.3)G3=Qreq×KG3:实际空气供应量K:根据浆液溶解盐的多少根据经验来确定,一般在2.0-3左右。
3)石灰石消耗量计算W1=100×qs×ηsW1:石灰石消耗量qs::入口SO2流量ηs:脱硫效率4)吸收塔排出的石膏浆液量计算W2=172××qs×ηs/SsW2:石膏浆液量Ss:石膏浆液固含量5)脱水石膏产量的计算W3=172××qs×ηs/SgW3:石膏浆液量Sg:脱水石膏固含量(1-石膏含水量)6)滤液水量的计算W4=W3-W2W3:滤液水量7)工艺水消耗量的计算W5=18×(G4-G1-G3×(1-0.21/K))+W3×(1-Sg)+36×qs×ηs +WWT蒸发水量石膏表面水石膏结晶水排放废水。
脱硫工艺及其计算公式全解析脱硫工艺是指将燃煤产生的二氧化硫(SO2)转化为无害的化合物或直接去除其SO2的工艺,主要应用于电力、冶金、化工等行业中。
常见的脱硫工艺包括湿法脱硫和干法脱硫。
湿法脱硫是通过将煤中的SO2与吸收剂接触反应,将SO2转化为硫酸或硫酸盐。
干法脱硫是通过使用吸附剂或催化剂直接吸附或催化氧化SO2,使其转化为硫酸或硫酸盐。
下面给出了湿法脱硫工艺中常见的石灰石-石膏脱硫工艺的计算公式:1.石灰石的消耗量计算公式:石灰石消耗量=SO2排放量/石灰石中CaO的质量分数*石灰石的可用率其中,SO2排放量为燃煤所产生的SO2排放量,石灰石中CaO的质量分数为石灰石中CaO的含量,石灰石的可用率为石灰石转化为CaO的效率。
2.石灰石浆液制备量计算公式:石灰石浆液制备量=SO2排放量/[石灰石中CaO的质量分数*石灰石的可用率*石灰石的浆液中CaO的浓度]其中,石灰石中CaO的质量分数、石灰石的可用率同上述公式,石灰石的浆液中CaO的浓度为石灰石浆液中CaO的含量。
3.石灰石浆液的回收量计算公式:石灰石浆液的回收量=石灰石浆液制备量-石灰石溶液中CaO的消耗量其中,石灰石溶液中CaO的消耗量为CaO在反应过程中的消耗量。
4.石膏产量计算公式:石膏产量=SO2排放量/[石膏中CaSO4的质量分数*石膏中CaSO4的可用率]其中,石膏中CaSO4的质量分数为石膏中CaSO4的含量,石膏中CaSO4的可用率为石膏转化为CaSO4的效率。
需要注意的是,以上公式中的各项参数需要实际运行的数据进行计算,并且不同的脱硫工艺可能存在不同的计算公式。
此外,脱硫工艺还涉及到反应温度、压力、吸收剂浓度等因素的影响,这些因素也需要考虑在内。
因此,在实际应用中,需要结合具体情况和工艺要求进行合理计算和调整。
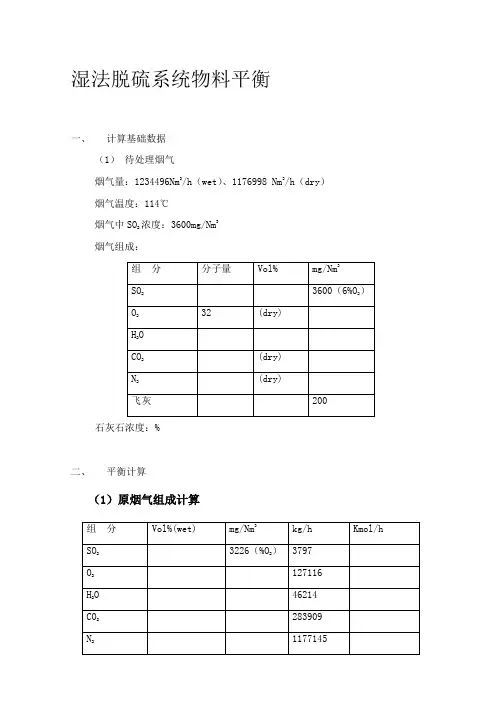
湿法脱硫系统物料平衡一、计算基础数据(1)待处理烟气烟气量:1234496Nm3/h(wet)、1176998 Nm3/h(dry)烟气温度:114℃浓度:3600mg/Nm3烟气中SO2烟气组成:石灰石浓度:%二、平衡计算(1)原烟气组成计算(2)烟气量计算1、①→②(增压风机出口→ GGH出口):取GGH的泄漏率为%,则GGH出口总烟气量为1234496 Nm3/h×(%)=1228324Nm3/h=1629634kg/h泄漏后烟气组分不变,但其质量分别减少了%,见下表。
温度为70℃。
2、⑥→⑦(氧化空气):假设脱硫塔设计脱硫率为%,即脱硫塔出口二氧化硫流量为3778×(%)=163 kg/h,二氧化硫脱除量=(3778-163)/=h。
取O/S=4需空气量=×4/2/=h×(空气分子量)=h,约12000Nm3/h。
其中氧气量为 kmol/h×= kmol/h×32=h氮气量为 kmol/h×= kmol/h×=h。
氧化空气进口温度为20℃,进塔温度为80℃。
3、②→③(GGH出口→脱硫塔出口):烟气蒸发水量计算:1)假设烟气进塔温度为70℃,在塔内得到充分换热,出口温度为40℃。
由物性数据及烟气中的组分,可计算出进口烟气的比热约为kg.℃,Cp(40℃)= kcal/kg.℃。
Cp烟气=(+)/2= kcal/kg.℃氧化空气进口温度为80℃,其比热约为kcal/kg.℃,Cp(40℃)=kg.℃。
Cp空气=(+)/2= kcal/kg.℃Cp水(20~40℃)=kg.℃r水(20)=586kcal/kgr水(40)=575kcal/kg烟气蒸发水量=[×(70-40)×1630224+××(80-40)]/[×(40-20)+(586+575)/2]=20841kg/h=h水蒸汽含量=(+)/(+)=%40℃水蒸汽饱和蒸汽压=。
脱硫有关计算公式一、锅炉每小时产生的SO2量:锅炉产生的SO2量(mg/Nm3)= 耗煤量(t/h)×含硫量(%)×2×燃烧率×109100×干烟气体积(N m3/h)我厂锅炉设计的干烟气体积为277920Nm3/h,如锅炉每小时耗煤量为35吨,煤的含硫量为1%,锅炉的燃烧率为95%,那么每台锅炉每小时产生的SO2量则为2393mg/Nm3。
二、每台吸收塔每小时脱除的SO2量:脱除的SO2量(t)=耗煤量(t/h)×含硫量(%)×2×燃烧率×脱硫率如锅炉每小时耗煤量为35吨,煤的含硫量为1%,锅炉的燃烧率为95%,设计脱硫率量则为0.6吨。
为90%,那么一台塔脱除的SO2三、脱硫系统每小时消耗的电石渣量:量(t)×56 脱硫系统消耗的电石渣(t/塔)= 脱除的SO264×0.65如锅炉每小时耗煤量为35吨,煤的含硫量为1%,那么一台吸收塔运行,每小时消耗的电石渣为0.8吨。
可以用下式对电石渣耗量进行估算:脱硫系统消耗的电石渣量(t/h)=80×锅炉(脱硫塔)运行台数×含硫量(%)四、脱硫系统每小时补充的钠碱量:脱硫系统补充的钠碱量(kg/塔)= 脱除的SO2量(t)×1000×0.05×4064×0.3如锅炉每小时耗煤量为35吨,煤的含硫量为1%,那么一台吸收塔运行,每小时补充的钠碱为62. 34kg。
可以用下式对钠碱量的补充量进行估算:脱硫系统补充的钠碱时(kg/h)=6234×锅炉(脱硫塔)运行台数×含硫量(%)。
工程计算双碱法 计算过程入口烟气量:4.5×105Nm 3/h ;SO2浓度:2090mg/Nm 3;烟气入口温度:T=160℃、常压标态:h Nm Q /105.4350⨯=160℃:h m Q /713736105.4273160273351=⨯⨯+=脱硫塔(1)塔径及底面积计算:塔内流速:取s m v /2.3=m v Q r r v vs Q 44.42.314.33600/713736121=⨯==⇒⋅⋅==ππ D=2r=8.88m 即塔径为8.88米。
底面积S=∏r 2=61.9 m 2塔径设定为一个整数,如4.5m(2)脱硫塔高度计算:液气比取L/G= 4 烟气中水气含量设为8%SO2如果2090mg/m3,液气比2.5即可,当SO2在2090mg/m3时,选4①循环水泵流量:h m m l HG Q GL Q /28321000)08.01(7137364)/(100033=-⨯⨯=⨯⨯= 取每台循环泵流量=Q 191m 。
选100LZ A -360型渣浆泵,流量194m 3/h ,扬程122.8米, 功率130KW ,3台②计算循环浆液区的高度:取循环泵8min的流量H1=349.735÷61.9=5.65m如此小炉子,不建议采用塔内循环,塔内循环自控要求高,还要测液位等,投资相应大一点。
采用塔外循环,泵的杨程选35m,管道采用碳钢即可。
③计算洗涤反应区高度停留时间取3秒洗涤反应区高度H2=3.2×3=9.6m④除雾区高度取6米H3=6m⑤脱硫塔总高度H=H1+H2+H3=5.65+9.6+6=21.3m塔体直径和高度可综合考虑,直径大一点,高度可矮一点,从施工的方便程度、场地情况,周围建筑物配套情况综合考虑,可适当进行小的修正。
如采用塔内循环,底部不考虑持液槽,进口管路中心线高度可设在2.5m,塔排出口设为溢流槽,自流到循环水池。
塔的高度可设定在16~18m物料恒算每小时消耗99%的NaOH1.075Kg。
经济性分析计算公式
1、基本概念
(1)煤中硫的氧化反应机理:S + O2=SO2
(2)二氧化硫排放量: D1=B×S×
其中:
D1……SO2产生量(kg/h)
S……燃煤全硫份含量(%)
B……耗煤量(kg/h)
……可燃硫转化二氧化硫的转换系数。
2、脱硫效率
以耗煤量15t/h、烟气量100000Nm3/h、燃煤全硫份含量为%计算:
脱硫前二氧化硫排放量=
D1=B×S× =15t/h×%×=153kg/h
标准状况下的烟气量为100000Nm3/h(压强近似为标准大气压),则转换成工况烟气量为:
(200℃+273K)×100000Nm3/h/273K=173260m3/h
脱硫前每立方米烟气中的二氧化硫含量=
153kg/h×106÷173260m3/h=m3
满足脱硫后SO2排放浓度≤300 mg/m3要求,则最低脱硫效率
η= 1-( 300/)=67%
3、计算氨消耗量(费用)
计算依据
NH3·H2O +SO2→N H4H SO3
根据SO2原始排放量为153kg/h,脱硫效率67%计算得每小时消耗纯氨(100%浓度)h。
折合浓度为5%氨水
a、需5%浓度的氨水÷5%=544kg/h
b、需加水=h
c、折合成20%浓度的氨水质量136kg。
配成5%浓度加水408 kg(每小时流量)
d、按市场价20%浓度氨水元/吨、自来水元/吨计算:
(1)*136*10-3=元/h
(2)*408*10-3=元/h。
湿法脱硫系统物料平衡计算基础数据(1)待处理烟气烟气量:1234496Nm3/h(wet)、1176998 Nm3/h(dry)烟气温度:114C烟气中S02浓度:3600mg/Nm3烟气组成:组分分子量Vol% mg/Nm3SO2 64.06 0.113 3600 (6%O2)O2 32 7.56(dry)H2O 18.02 4.66CO2 44.01 12.28(dry)N2 28.02 80.01(dry)飞灰200 石灰石浓度:96.05%(1)原烟气组成计算组分Vol%(wet) mg/Nm3kg/h Kmol/hSO2 0.1083226(7.56%O2)3797 59.33O2 7.208 127116 3972.38 H2O 4.66 46214 2564.59 CO2 11.708 283909 6452.48 N2 76.283 1177145 42042.89 飞灰200 (dry)235合计1638416 55091.67平均分子量(0.108 64.06+7.208 32+4.66 >18.02+11.708 44.01+76.283 28.02) /100=29.74平均密度 1.327kg/m3(2)烟气量计算1①一②(增压风机出口 - GGH出口):平衡计算取GGH的泄漏率为0.5%,则GGH出口总烟气量为1234496 Nm3/h Q-0.5%)3=1228324Nm3/h=1629634kg/h泄漏后烟气组分不变,但其质量分别减少了0.5%,见下表。
温度为70 C。
2、假设脱硫塔设计脱硫率为95.7%,即脱硫塔出口二氧化硫流量为3778 X (1-95.7%)=163 kg/h,二氧化硫脱除量=(3778-163)/64.06=56.43kmol/h。
取O/S=4需空气量=56.43 X2/0.2仁537.14kmol/h 28X6 (空气分子量)3=15499.60kg/h,约12000Nm/h。
序名称符单位计算公式或数值来源号号一烟气量计算1理论空气量03(C ar ++ V Nm/kg燃烧产物理论体积V030+V00Nm/kg V+Vy N2RO2H2O 1)氮气V03+Nm/kgN22)二氧化物03(C ar + V RO2Nm/kg3)水蒸汽03++ V H2O Nm/kg3燃烧产物实际体积V y'30'-1)V+(a lfa '-1)V0 Nm/kg V y +(a lfa4干烟气量V gy'300'-1)V0 Nm/kg V RO2+V N2+(a lfa烟气含氧量和含湿量计算1)烟气中的水分V 'H2O 2)烟气中的氧量V 'O23)干烟气中含氧量n go2'4)湿烟气中含氧量n sho2'5)湿烟气中含湿量n H2O'6)湿烟气中 CO2含量 n shCO2'7)干烟气中 CO2含量 n gCO2'8)湿烟气中 SO2含量 n shSO2'9)干烟气中 SO2含量 n gSO2'10)湿烟气中 N 含量n '2shN2 11)干烟气中 N2含量n gN2'6总燃烧产物实际湿Vt shy 体积7总燃烧产物实际干Vt gy30'-1)V0Nm/kg V +(alfaH2O3(a lfa'-1)V0 Nm/kg%V O2'/V gy'%V O2'/V y'%V H20'/V y'%V y'%V gy'%*V y'%*V gy'%'V 0+/V y'%'V 0+/V gy'3V y'*B j *1000 Nm/h3V gy'*B j *1000 Nm/h总燃烧产物6%O2干3')/(21-6)8Vt gy-O2 Nm/h V tgy *(21-n go2体积烟气含硫量及脱硫量计算1脱硫进口 SO2量M kg/h Bj*1000*Sy/100**64/kmol/h M/642脱硫进口 SO2实际C3M/Vt(标态,干基, 6%O)mg/Nmshyso22浓度ppm C so2*643要求脱硫量M kg/h M*η*n/100skmol/h M s/64吸收剂消耗量计算石灰石 (CaCO3) 理论1M kmol/h M/64*(Ca/S)3s消耗量kg/h M*M31石灰石 (CaCO3)实际2M3'kg/h M3*M1/(P/100)消耗量t/h脱硫产物计算1生成量M4t/h M s/64*M 10/10003脱硫产物中飞灰含M5t/h m2*2/3引风机出口飞灰总量m2t/h V tgy-o2 *m h4未反应的 CaCO M t/h M/(ca/s)*((ca/s)-1))3635CaCO带入的杂质M t/h M'*(1-P/100)3736脱硫产物总量M t/h M+M+M+M845677皮带机出口石膏产M9t/h M8/量8石膏纯度n1%M/M849总的脱硫产物量M8't/h M810皮带机出口的石膏M't/h M99总产量11年石膏生成量t/ 年M'*H91kg 水蒸发需要热1)m sh kj/kg(50-10)*+2510量:脱硫反应热蒸发水量 (CaCO3+SO2+1/2O2++339kJ/mol)m t/h Ms/64*339/mshsh12)烟气降温蒸发水量 ( 未计放热损失 )热交换器放热端 : 126------t吸热端 : 50----85kcal/Nm 3.烟气比热100℃℃kcal/Nm 3.200℃℃i 1kcal/Nm 3. 插值法 : tpyi 2ti 3塔内烟气放热量Q1塔内烟气放热蒸发m sh2水量3)单塔蒸发水量M we单塔蒸发水汽体积V we 2脱硫耗水量1)脱硫结晶水M gyc2)石膏表面水M gys3)FGD废水M ww ℃插值法求 85℃比热℃t=126-i 2*(85-50)/i1kcal/Nm 3.插值法 : t℃kJ/h V ' * i3**(t-50)t/h Q1/m sht/h m sh1+m sh236Nm/h M we/18*10 *1000t/h M4/M10*(2*18)t/h M9*t/h(B j *%*1000+(M gyc +M gys+M we)*1000****1000*%)/10004)脱硫蒸发水量M t/hwe5)清洁冲洗水M t/h估计gyw6)泵与风机冷却用水M t/h估计wq7)单套脱硫装置耗水M w t/h M gyc +M gys+M ww+M we+M gyw+M wq 量8)总的脱硫装置耗水M't/h n*Mw w 量氧化空气量计算1需氧量V o2kg/h SO2---1/2O 2kmol/h Vo2/322需空气量3V k Nm/hV o2/32*七主要参数汇总四台炉的数据1吸收塔进口烟气量V'3 Nm/h2吸收塔出口烟气量V"3Vt+V -V+V -VNm/hshy o2so2k we3脱水机出口石膏M t/h含水 10%94旋流站出口石膏浆M11t/h M8/( 含水 50%)液量5石膏旋流站出口回M12t/h M13-M11-Mww(不包括废水 )流量6吸收塔排出浆液量M13t/h M8/( 含水 85%)7石灰石粉耗量M3't/h8工艺水量M t/h包括冷却水等w9FGD废水M t/hww八主要设备选择1吸收塔烟气流速νm/s取值烟气量Q3/h V"*(273+50)/273 m计算直径D m(4*Q/ ν/3600)液气接触时间S s取值吸收塔高度H mν*S液气比L/G取值浆液循环量Qc3(L/G)*V"/1000 m/h浆液停留时间T min取值吸收塔浆池容积3Qc*T/60 V1m2石灰石粉仓容积3按 7天储量: M3' ×7×24/ m3石灰石浆池容积3按 4小时储量: M' ×4/m3。
1)由于烟气设计资料,常常会以不同的基准重复出现多次,(如:干基\湿基,标态\实际态,6%O2\实际O2等),开始计算前一定要核算统一,如出现矛盾,必须找出正确的一组数据,避免原始数据代错。
常用折算公式如下:
烟气量(dry)=烟气量(wet)×(1-烟气含水量%)
实际态烟气量=标态烟气量×气压修正系数×温度修正系数
烟气量(6%O2)=(21-烟气含氧量)/(21-6%)
SO2浓度(6%O2)=(21-6%)/(21-烟气含氧量)
SO2浓度(mg/Nm3)=SO2浓度(ppm)×2.857
物料平衡计算
1)吸收塔出口烟气量G2
G2=(G1×(1-mw1)×(P2/(P2-Pw2))×(1-mw2)+G3×(1-0.21/K))×(P2/(P2-Pw2))
G1:吸收塔入口烟气流量
mw1:入口烟气含湿率
P2:烟气压力
Pw2:饱和烟气的水蒸气分压
说明:Pw2为绝热饱和温度下的水蒸气分压,该值是根据热平衡计算的反应温度,由烟气湿度表查得。
(计算步骤见热平衡计算)
2)氧化空气量的计算
根据经验,当烟气中含氧量为6%以上时,在吸收塔喷淋区域的氧化率为50-60%。
采用氧枪式氧化分布技术,在浆池中氧化空气利用率ηo2=25-30%,因此,浆池内的需要的理论氧气量为:
S=(G1×q1-G2×q2)×(1-0.6)/2/22.41
所需空气流量Qreq
Qreq=S×22.4/(0.21×0.3)
G3=Qreq×K
G3:实际空气供应量
K:根据浆液溶解盐的多少根据经验来确定,一般在2.0-3左右。
3)石灰石消耗量计算
W1=100×qs×ηs
W1:石灰石消耗量
qs::入口SO2流量
ηs:脱硫效率
4)吸收塔排出的石膏浆液量计算
W2=172××qs×ηs/Ss
W2:石膏浆液量
Ss:石膏浆液固含量
5)脱水石膏产量的计算
W3=172××qs×ηs/Sg
W3:石膏浆液量
Sg:脱水石膏固含量(1-石膏含水量)
6)滤液水量的计算
W4=W3-W2
W3:滤液水量
7)工艺水消耗量的计算
W5=18×(G4-G1-G3×(1-0.21/K))+W3×(1-Sg)+36×qs×ηs +WWT
蒸发水量石膏表面水石膏结晶水排放废水。