住宅设计规范强条整理
- 格式:docx
- 大小:23.63 KB
- 文档页数:10
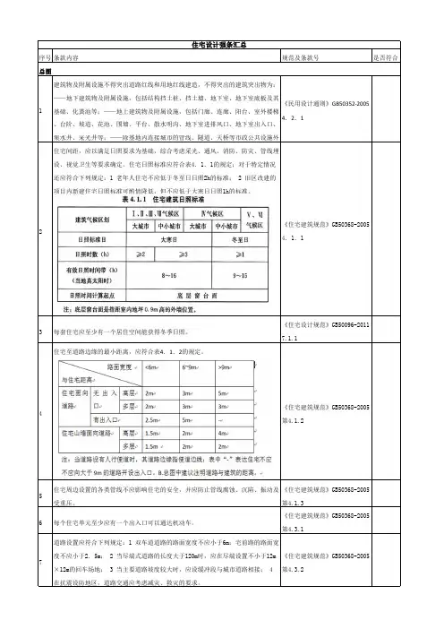
序号条款内容规范及条款号是否符合1建筑物及附属设施不得突出道路红线和用地红线建造,不得突出的建筑突出物为:——地下建筑物及附属设施,包括结构挡土桩、挡土墙、地下室、地下室底板及其基础、化粪池等;——地上建筑物及附属设施,包括门廊、连廊、阳台、室外楼梯、台阶、坡道、花池、围墙、平台、散水明沟、地下室进排风口、地下室出入口、集水井、采光井等;——除基地内连接城市的管线、隧道、天桥等市政公共设施外《民用设计通则》GB50352‐20054.2.12住宅间距,应以满足日照要求为基础,综合考虑采光、通风、消防、防灾、管线埋设、视觉卫生等要求确定。
住宅日照标准应符合表4.1.1的规定;对于特定情况还应符合下列规定:1 老年人住宅不应低于冬至日日照2h的标准; 2 旧区改建的项目内新建住宅日照标准可酌情降低,但不应低于大寒日日照1h的标准。
《住宅建筑规范》GB50368-20054.1.13每套住宅应至少有一个居住空间能获得冬季日照。
《住宅设计规范》GB50096-20117.1.14住宅至道路边缘的最小距离,应符合表4.1.2的规定。
《住宅建筑规范》GB50368-2005第4.1.25住宅周边设置的各类管线不应影响住宅的安全,并应防止管线腐蚀、沉陷、振动及受重压。
《住宅建筑规范》GB50368-2005第4.1.36每个住宅单元至少应有一个出入口可以通达机动车。
《住宅建筑规范》GB50368-2005第4.3.17道路设置应符合下列规定:1 双车道道路的路面宽度不应小于6m;宅前路的路面宽度不应小于2.5m; 2 当尽端式道路的长度大于120m时,应在尽端设置不小于12m×12m的回车场地; 3 当主要道路坡度较大时,应设缓冲段与城市道路相接; 4在抗震设防地区,道路交通应考虑减灾、救灾的要求。
《住宅建筑规范》GB50368-2005第4.3.2住宅设计强条汇总总图8地面水的排水系统,应根据地形特点设计,地面排水坡度不应小于0.2%。
一、屋面工程相关强制性条文1、屋面工程所采用的防水、保温隔热材料应有产品合格证书和性能检测报告,材料的品种、规格、性能等应符合现行国家产品标准和设计要求。
(《屋面工程质量验收规范》GB50207-2002--3.0.6 条)2、屋面(含天沟、檐沟)找平层的排水坡度,必须符合设计要求。
(《屋面工程质量验收规范》GB50207-2002--4.1.8 条)3、屋面防水层不得有渗漏或积水现象。
(《屋面工程质量验收规范》GB50207-2002-- 4.3.16 条、5.3.10 条、6.1.8 条)4、密封材料嵌填必须密实、连续、饱满,粘结牢固,无气泡、开裂、脱落等缺陷。
(《屋面工程质量验收规范》GB50207-2002--6.2.7 条)5、平瓦必须铺置牢固。
地震设防地区或坡度大于50%的屋面,应采取固定加强措施。
(《屋面工程质量验收规范》GB50207-2002--7.1.5 条)6、架空隔热制品的质量必须符合设计要求,严禁有断裂和露筋等缺陷。
(《屋面工程质量验收规范》GB50207-2002--8.1.4 条)7、天沟、檐沟、檐口、水落口、泛水、变形缝和伸出屋面管道的防水构造,必须符合设计要求。
(《屋面工程质量验收规范》GB50207-2002--9.0.11 条)8、栏杆凡阳台、外廊、室内回廊、内天井、上人屋面及室外楼梯等临空处应设置防护栏杆,并应符合下列规定:(《民用建筑设计通则》JGJ37-87--4.2.4 条)(1)栏杆应以坚固、耐久的材料制作,并能承受荷载规范所规定的水平荷载;(2)栏杆咼度不应小于1.05m,咼层建筑的栏杆咼度应再适当提咼,但不宜超过1.2m ;(3)栏杆高地面或屋面0.10m 高度内不应留空;(4)有儿童活动的场所,栏杆应采用不易攀登的构造;9、托儿所、幼儿园屋顶平台的护栏净高不应小于1.20m,内侧不应设有支撑。
(《托儿所、幼儿园建筑设计规范》JGJ39-87--3.7.4 条)第二章楼地面工程一、楼地面工程相关强制性条文1、厕浴间等有防滑要求的建筑地面的板材应符合设计要求。
《住宅设计规范》GB50096-专题论证汇报、答疑专题介绍:1、名词定义—住宅、公寓等2、和“强制性条文”及《住宅建筑规范》关系3、小套型和低限面积4、住宅设置凸窗相关问题5、窗台和阳台防护高度6、从“可踏面”要求看和《民用建筑设计通则》关系7、相关高层住宅配置可容纳担架电梯8、日照计算和住宅套型设计经典问题答案:1、底层公建(商住楼)适用标准?2、净尺寸及窗地比指标计算方法?3、住宅无障碍设计和无障碍住宅设计?4、电线回路截面和负荷匹配?(相关标准改版)5、开敞式厨房和燃气安装技术条件?6、本规范“实施时间”问题?1、名词定义—住宅、公寓等住宅:供家庭居住使用建筑。
住宅两个关键概念“房子”和“家庭”。
《住宅设计规范》定义说明:规范关键是根据家庭居住使用要求来要求。
未成家前或离散后单身男女和孤寡老人作为家庭特殊形式,居住在一般住宅中时,其居住使用要求和一般家庭一致。
作为特殊人群,居住在单身公寓或老年公寓时,应另行考虑其特殊居住使用要求,在《住宅设计规范》中不尤其考虑。
公寓:为特定人群提供独立或半独立居住使用建筑。
通常以栋为单位配套对应公共服务设施。
公寓常常以其居住者性质冠名。
学生公寓;运动员公寓;教授公寓;外交人员公寓;青年公寓;老年公寓。
公寓中居住者人员结构相对住宅中家庭结构简单,而且在使用周期中较少发生改变。
住宅设施配套标准是以家庭为单位配套,而公寓通常以栋为单位甚至能够以楼群为单位配套。
比如,无须每套公寓设厨房、卫生间、客厅等空间,而且能够采取共用空调、热水供给等计量系统。
不一样公寓之间一些标准比公寓和住宅之间差异还大。
如老年公寓在电梯配置、无障碍设计、医疗和看护系统等方面要求,比运动员公寓要高多。
所以,不应编制通用公寓设计标准,必需时可分别制订对应专用公寓设计标准。
实际上没有所谓公寓标准,一些设计项目假如准备不实施《住宅设计规范》要求,则应实施相关公建设计标准要求。
如:酒店公寓应实施《旅馆建筑设计规范》。
住宅设计规范强条整理第一篇:住宅设计规范强条整理《住宅设计规范》实施住宅建设量大面广,关系到广大城镇居民的居住水平和切身利益,为进一步保证住宅设计质量,促进城镇住宅建设健康发展,落实好国家建设节能省地型住宅的要求,贯彻高度重视民生与住房保障问题的精神,住建部组织了《住宅设计规范》GB50096-1999的修编工作,近日予以发布公告。
编号为GB50096-2011,自2012年8月1日起实施。
其中,第5.1.1、5.3.3、5.4.4、5.5.2、5.5.3、5.6.2、5.6.3、5.8.1、6.1.1、6.1.2、6.1.3、6.2.1、6.2.2、6.2.3、6.2.4、6.2.5、6.3.1、6.3.2、6.3.5、6.4.1、6.4.7、6.5.2、6.6.1、6.6.2、6.6.3、6.6.4、6.7.1、6.9.1、6.9.6、6.10.1、6.10.4、7.1.1、7.1.3、7.1.5、7.2.1、7.2.3、7.3.1、7.3.2、7.4.1、7.4.2、7.5.3、8.1.1、8.1.2、8.1.3、8.1.4、8.1.7、8.2.1、8.2.2、8.2.6、8.2.10、8.2.11、8.2.12、8.3.2、8.3.3、8.3.4、8.3.6、8.3.12、8.4.1、8.4.3、8.4.4、8.5.3、8.7.3、8.7.4、8.7.5、8.7.9条为强制性条文,必须严格执行。
原《住宅设计规范》GB50096-1999(2003年版)同时废止。
现将强制性条文摘录如下:5.1.1 住宅应按套型设计,每套住宅应设卧室、起居室(厅)、厨房和卫生间等基本功能空间。
5.3.3 厨房应设置洗涤池、案台、炉灶及排油烟机、热水器等设施或为其预留位置。
5.4.4 卫生间不应直接布置在下层住户的卧室、起居室(厅)、厨房和餐厅的上层。
5.5.2 卧室、起居室(厅)的室内净高不应低于2.40 m,局部净高不应低于2.10m,且其面积不应大于室内使用面积的1/3。
住宅设计规范
住宅设计规范是为了保证住宅建筑的安全、舒适和适用性而制定的一系列规定和要求。
以下是关于住宅设计规范的一些内容。
一、住宅设计规范要求住宅建筑必须符合相关的建筑法规和标准,包括建筑设计规范、防火阻燃规范、抗震规范等。
住宅建筑的结构、电气、给排水、通风、采光等系统必须按照规范进行设计,以确保建筑的安全性和可靠性。
二、住宅设计规范要求住宅建筑必须考虑用户的实际需求和生活习惯,例如在空间布局上要合理安排各个功能区域,确保每个房间的采光和通风条件良好;在室内装饰方面要注意使用环保材料,避免对人体健康产生负面影响。
三、住宅设计规范要求住宅建筑必须考虑到可持续发展的原则,包括节能、资源利用、环境保护等方面。
建筑的隔热、保温、通风等方面必须达到一定的标准,以提高能源利用效率。
同时,住宅建筑的水、电、气等资源的使用也要节约合理。
四、住宅设计规范要求住宅建筑的外立面设计要统一美观,与周围的环境相协调。
建筑的造型、材料和颜色等方面要与周围的建筑风格相契合,以增加城市的整体美感。
五、住宅设计规范要求住宅建筑必须考虑到特殊人群的需求,例如老年人、残疾人等。
建筑的设计要考虑到他们的行动不便和生活需求,给予相应的便利和支持。
六、住宅设计规范要求住宅建筑必须考虑到紧急情况下的人员疏散和安全问题。
建筑的通道、楼梯、消防设施等方面要满足相应的要求,以确保人员在紧急情况下的顺利疏散和安全。
总之,住宅设计规范是为了保证住宅建筑的安全、舒适和适用性而制定的一系列规定和要求。
遵循住宅设计规范可以确保住宅建筑的质量和使用效果,并使之与周围环境相协调,符合用户的实际需求和生活习惯。
住宅设计规范条文说明篇一:住宅设计规范及条文说明住宅建筑设计规范1 总则1.0.1为保障城市居民基本的住房条件,提高城市住宅功能质量,使住宅符合适用、安全、卫生、经济等要求,制定本规范。
1.0.2本规范适用于全国城市新建、扩建的住宅设计。
1.0.3住宅按层数划分如下:一、低层住宅为一层至三层;二、多层住宅为四层至六层;三、中高层住宅为七层至九层;四、高层住宅为十层及以上。
1.0.4住宅设计必须执行国家的方针政策和法规,遵守安全卫生、环境保护、节约用地、节约能源、节约用材、节约用水等用关规定。
1.0.5住宅设计应符合城市规划及居住区规划的要求,使建筑与周围环境相协调,创造方便、舒适、优美的生活空间。
1.0.6住宅设计应推行标准化、多样化,积极采用新技术、新材料、新产品,促进住宅产业现代化。
1.0.7住宅设计应在满足近期使用要求的同时,兼顾今后改造的可能。
1.0.8住宅设计应以人为核心,除满足一般居住使用要求外,根据需要应满足老年人、残疾人的特殊使用要求。
1.0.9住宅设计除应符合本规范外,尚应符合国家现行的有关强制性标准的规定。
2.术语2.0.1住宅residential buildings供家庭居住使用的建筑。
2.0.2套型 dwelling size按不同使用面积、居住空间组成的成套住宅类型。
2.0.3居住空间 habitable space系指卧室、起居室(厅)的使用空间。
2.0.4卧室 bed room供居住者睡眠、休息的空间。
2.0.5 起居室(厅)living room供居住者会客、娱乐、团聚等活动的空间。
2.0.6 厨房 kitchen供居住者进行炊事活动的空间。
2.0.7 卫生间bathroom供居住者进行便溺、洗浴、盥洗等活动的空间。
2.0.8 使用面积usable area房间实际能使用的面积,不包括墙、柱等结构构造和保温层的面积。
2.0.9 标准层typical floor平面布置相同的住宅楼层。
住宅设计规范强制性条文2010版住宅设计规范强制性条文2010版第一章设计总则住宅建设应符合城市规划要求,保障居民的基本生活条件和环境,经济、合理、有效地使用土地和空间。
住宅选址时应考虑噪声、有害物质、电磁辐射和工程地质灾害、水文地质灾害等的不利影响。
住宅应具有与其居住人口规模相适应的公共服务设施、道路和公共绿地。
住宅的设计与建造应与地区气候相适应,充分利用自然通风和太阳能等可再生资源。
住宅结构在规定的设计使用年限内必须具有足够的可靠性。
住宅应具有防火安全性能。
住宅应具备在紧急事态时人员从建筑中安全撤出的功能。
住宅应满足人体健康所需的通风、日照、自然采光和隔声要求。
住宅建设的选材应避免造成环境污染。
住宅建筑中设有管理人员室时,应设管理人员使用的卫生间。
住宅应按套型设计,套内空间和设施应能满足安全、舒适、卫生等生活起居的基本要求。
住宅应按套型设计,每套住宅应设卧室、起居室、厨房、卫生间等基本空间。
每套住宅应设卧室、起居室(厅)、厨房和卫生间等基本空间。
电梯不应与卧室、起居室紧邻布置,受条件限制需要紧邻布置时,必须采取有效的隔声和减振措施。
厨房应有直接采光、自然通风。
厨房应配置洗涤池、操作台、灶台及排油烟机等设施或预留位置。
卫生间应设置便器、洗浴器、洗面器等设施或预留位置;布置便器的卫生间的门不应该直接开在厨房内。
卫生间不应直接布置在下层住户的卧室、起居室、厨房、餐厅的上层,并应有防水、隔声和便于检修的措施。
卫生间不应直接布置在下层住户的卧室、起居室和厨房的上层。
可布置在本套内的卧室、起居室和厨房的上层;并均应有防水、隔声和便于检修的措施。
住宅建筑内严禁布置存放和使用火灾危险性为甲、乙类物品的商店、车间和仓库,并不应布置产生噪声、振动和污染环境卫生的商店、车间和娱乐设施。
住宅地下室应采取有效防水措施。
住宅不应布置在地下室内。
当布置在半地下室时,必须对采光、通风、日照、防潮、排水及安全防护采取措施。
住宅的卧室、起居室(厅)、厨房不应布置在地下室。
住宅设计规范强制性条文2010 版第一章设计总则3.1.1住宅建设应符合城市规划要求,保障居民的基本生活条件和环境,经济、合理、有效地使用土地和空间。
(住宅建筑规范)3.1.2住宅选址时应考虑噪声、有害物质、电磁辐射和工程地质灾害、水文地质灾害等的不利影响。
(住宅建筑规范)3.1.3住宅应具有与其居住人口规模相适应的公共服务设施、道路和公共绿地。
(住宅建筑规范)6.1.4住宅的设计与建造应与地区气候相适应,充分利用自然通风和太阳能等可再生资源。
(省住宅设计标准)3.1.5住宅结构在规定的设计使用年限内必须具有足够的可靠性。
(住宅建筑规范)3.1.6住宅应具有防火安全性能。
(住宅建筑规范)3.1.7住宅应具备在紧急事态时人员从建筑中安全撤出的功能。
(住宅建筑规范)3.1.8住宅应满足人体健康所需的通风、日照、自然采光和隔声要求。
(住宅建筑规范)3.1.9住宅建设的选材应避免造成环境污染。
(住宅建筑规范)5.2.6住宅建筑中设有管理人员室时,应设管理人员使用的卫生间。
(住宅建筑规范)3.1.4住宅应按套型设计,套内空间和设施应能满足安全、舒适、卫生等生活起居的基本要求。
(住宅建筑规范)3.1.1住宅应按套型设计,每套住宅应设卧室、起居室(厅)、厨房、卫生间等基本空间。
(省住宅设计标准)(住宅设计规范)5.1.1每套住宅应设卧室、起居室(厅)、厨房和卫生间等基本空间。
(住宅建筑规范)5.4.5电梯不应与卧室、起居室(厅)紧邻布置,受条件限制需要紧邻布置时,必须采取有效的隔声和减振措施。
(省住宅设计标准)4.3.1厨房应有直接采光、自然通风。
(省住宅设计标准)(住宅设计规范)4.3.2厨房应配置洗涤池、操作台、灶台及排油烟机等设施或预留位置。
(省住宅设计标准)(住宅设计规范)(住宅建筑规范)4.4.2卫生间应设置便器、洗浴器、洗面器等设施或预留位置;布置便器的卫生间的门不应该直接开在厨房内。
(省住宅设计标准)(住宅建筑规范)4.4.4卫生间不应直接布置在下层住户的卧室、起居室(厅)、厨房、餐厅的上层,并应有防水、隔声和便于检修的措施。
《住宅设计规范》GB 50096-2011学习要点新版《住宅设计规范》GB50096-2011 已于2011 年7月发布,2012 年8月1日正式施行。
本次修编共形成条文218条,其中强制性条文65条,占29.8%。
强制性条文较2003年版增加了41条,其中有多处增加、修改的条文,将对住宅施工图设计产生重大影响,设计和审查人员应特别注意以下几点:1.新增的几个基本概念【凸窗】凸出建筑外墙面的窗户。
指安装在外墙体之外与窗洞口的上下挑板结合,突出主墙面的外凸形窗体,通常也叫飘窗。
凸窗既作为窗,在设计和使用时就应有别于地板(楼板)的延伸,也就是说不能把地板延伸出去而仍称之为凸窗。
凸窗的窗台应只是墙面的一部分且距地面应有一定高度。
凸窗的窗台防护高度要求与普通窗台一样,应按本规范的相关规定进行设计。
【住宅单元】由多套住宅组成的建筑部分,该部分内的住户可通过共用楼梯和安全出口进行疏散。
【联系廊】联系两个相邻住宅单元的楼、电梯间的水平通道。
【附建公共用房】附于住宅主体建筑的公共用房,包括物业管理用房、符合噪声标准的设备用房、中小型商业用房、不产生油烟的餐饮用房等。
【设备层】建筑物中专为设置暖通、空调、给水排水和电气的设备和管道施工人员进入操作的空间层。
2.被取消了的几个基本概念取消了“单元式高层住宅”、“塔式高层住宅”“通廊式高层住宅”等用语。
3.规范适用范围的变化2003年版规范适用范围是“全国城市新建、扩建的住宅设计”,新规范修改为“全国城镇新建、改建和扩建住宅的建筑设计”。
4.强制性条文新旧规范变化情况室内环境 - 19 10 41 10 22 一般规定 - 5 2 24 2 19 给排水 - 7 7 暖通空调 5 9 4 电气 - 6 6 24 65 415.电梯选用6.4.2条:≥12层住宅,每栋楼设置电梯不应少于两台,其中应设置一台可容纳担架的电梯(原规范:宜配置一台可容纳担架的电梯)。
分析:该条文与现行的 2003 年版《住宅设计规范》第 4.1.7 条“……其中宜配置一台可容纳担架的电梯”比较,明确了担架电梯应设置。
住宅设计规范强制性条文2010版第一章设计总则3.1.1 住宅建设应符合城市规划要求,保障居民的基本生活条件和环境,经济、合理、有效地使用土地和空间。
(住宅建筑规范)3.1.2 住宅选址时应考虑噪声、有害物质、电磁辐射和工程地质灾害、水文地质灾害等的不利影响。
(住宅建筑规范)3.1.3 住宅应具有与其居住人口规模相适应的公共服务设施、道路和公共绿地。
(住宅建筑规范)6.1.4 住宅的设计与建造应与地区气候相适应,充分利用自然通风和太阳能等可再生资源。
(省住宅设计标准)3.1.5 住宅结构在规定的设计使用年限内必须具有足够的可靠性。
(住宅建筑规范)3.1.6 住宅应具有防火安全性能。
(住宅建筑规范)3.1.7 住宅应具备在紧急事态时人员从建筑中安全撤出的功能。
(住宅建筑规范)3.1.8 住宅应满足人体健康所需的通风、日照、自然采光和隔声要求。
(住宅建筑规范)3.1.9 住宅建设的选材应避免造成环境污染。
(住宅建筑规范)5.2.6 住宅建筑中设有管理人员室时,应设管理人员使用的卫生间。
(住宅建筑规范)3.1.4 住宅应按套型设计,套内空间和设施应能满足安全、舒适、卫生等生活起居的基本要求。
(住宅建筑规范)3.1.1 住宅应按套型设计,每套住宅应设卧室、起居室(厅)、厨房、卫生间等基本空间。
(省住宅设计标准)(住宅设计规范)5.1.1 每套住宅应设卧室、起居室( 厅) 、厨房和卫生间等基本空间。
(住宅建筑规范)5.4.5 电梯不应与卧室、起居室(厅)紧邻布置,受条件限制需要紧邻布置时,必须采取有效的隔声和减振措施。
(省住宅设计标准)4.3.1 厨房应有直接采光、自然通风。
(省住宅设计标准)(住宅设计规范)4.3.2 厨房应配置洗涤池、操作台、灶台及排油烟机等设施或预留位置。
(省住宅设计标准)(住宅设计规范)(住宅建筑规范)4.4.2 卫生间应设置便器、洗浴器、洗面器等设施或预留位置;布置便器的卫生间的门不应该直接开在厨房内。
《住宅设计规范》GB 50096-2011学习要点新版《住宅设计规范》GB50096-2011 已于2011 年7月发布,2012 年8月1日正式施行。
本次修编共形成条文218条,其中强制性条文65条,占29.8%。
强制性条文较2003年版增加了41条,其中有多处增加、修改的条文,将对住宅施工图设计产生重大影响,设计和审查人员应特别注意以下几点:1.新增的几个基本概念【凸窗】凸出建筑外墙面的窗户。
指安装在外墙体之外与窗洞口的上下挑板结合,突出主墙面的外凸形窗体,通常也叫飘窗。
凸窗既作为窗,在设计和使用时就应有别于地板(楼板)的延伸,也就是说不能把地板延伸出去而仍称之为凸窗。
凸窗的窗台应只是墙面的一部分且距地面应有一定高度。
凸窗的窗台防护高度要求与普通窗台一样,应按本规范的相关规定进行设计。
【住宅单元】由多套住宅组成的建筑部分,该部分内的住户可通过共用楼梯和安全出口进行疏散。
【联系廊】联系两个相邻住宅单元的楼、电梯间的水平通道。
【附建公共用房】附于住宅主体建筑的公共用房,包括物业管理用房、符合噪声标准的设备用房、中小型商业用房、不产生油烟的餐饮用房等。
【设备层】建筑物中专为设置暖通、空调、给水排水和电气的设备和管道施工人员进入操作的空间层。
2.被取消了的几个基本概念取消了“单元式高层住宅”、“塔式高层住宅”“通廊式高层住宅”等用语。
3.规范适用范围的变化2003年版规范适用范围是“全国城市新建、扩建的住宅设计”,新规范修改为“全国城镇新建、改建和扩建住宅的建筑设计”。
4.强制性条文新旧规范变化情况室内环境 - 19 10 41 10 22 一般规定 - 5 2 24 2 19 给排水 - 7 7 暖通空调 5 9 4 电气 - 6 6 24 65 415.电梯选用6.4.2条:≥12层住宅,每栋楼设置电梯不应少于两台,其中应设置一台可容纳担架的电梯(原规范:宜配置一台可容纳担架的电梯)。
分析:该条文与现行的 2003 年版《住宅设计规范》第 4.1.7 条“……其中宜配置一台可容纳担架的电梯”比较,明确了担架电梯应设置。
序号条款内容规范及条款号是否符合1住宅应按套型设计,每套住宅应设卧室、起居室(厅)、厨房和卫生间等基本功能空间。
《住宅设计规范》GB50096‐2011 5.1.12厨房应设置洗涤池、案台、炉灶及排油烟机、热水器等设施或为其预留位置。
《住宅设计规范》GB50096‐2011 5.3.33卫生间不应直接布置在下层住户的卧室、起居室(厅)、厨房和餐厅的上层。
《住宅设计规范》GB50096-2011 5.4.44卧室、起居室(厅)的室内净高不应低于2.40m,局部净高不应低于2.10m,且局部净高的室内面积不应大于室内使用面积的1/3。
《住宅设计规范》GB50096-2011 5.5.25利用坡屋顶内空间作卧室、起居室(厅)时,至少有1/2的使用面积的室内净高不应低于2.10m。
《住宅设计规范》GB50096‐2011 5.5.36新建住宅应每套配套设置信报箱。
《住宅设计规范》GB50096-2011 6.7.17住宅建筑内严禁布置存放和使用甲、乙类火灾危险性物品的商店、车间和仓库,以及产生噪声、振动和污染环境卫生的商店、车间和娱乐设施。
《住宅设计规范》GB50096-2011 6.10.18住户的公共出入口与附建公共用房的出入口应分开布置。
《住宅设计规范》GB50096-2011 6.10.49卫生间应设置便器、洗浴器、洗面器等设施或预留位置;布置便器的卫生间的门不应直接开在厨房内。
《住宅建筑规范》GB50368-2005 5.1.410走廊和公共部位通道的净宽不应小于1.20m,局部净高不应低于2.00m。
《住宅建筑规范》GB50368-2005 5.2.111七层以及七层以上的住宅或住户入口层楼面距室外设计地面的高度超过16m以上的住宅必须设置电梯。
《住宅建筑规范》GB50368-2005 5.2.512住宅建筑中设有管理人员室时,应设管理人员使用的卫生间。
《住宅建筑规范》GB50368-2005 5.2.613建筑内设有电梯时,至少应设置1部无障碍电梯。
建筑工程质量监督站审查(建筑)常见强条20131、地下室、半地下室的防火等级应为一级。
《建规》5.1.62、商场疏散宽度要列出计算3、值班室卫生间无外窗应设排气管及预留排气机位置。
《住设》6.4.34、值班室开向门厅的门窗应为乙级防火门窗。
《建防》7.2.3.45、办公楼平面应设无障碍厕所。
《无障碍规》5.1.16、中部的开敞式楼梯应设防火卷帘。
《民用建筑设计防火规范》5.1.97、入口处无障坡道坡度应该为1:12.《无障规》7.2.68、残疾人卫生间应该标注回弯半径。
《残规》7.10.19、水泵房面积约70㎡,应有两个疏散门。
《建规》5.3.12.310、屋面檐沟排水坡度不应小于1%。
《屋面技规》4.2.411、十二单元楼梯间窗口距餐厅窗口水平距离不应小于1.0m。
《住建规》9.4.212、水泵房柴油发电机房、配电房的门不应直接开在防烟前室内。
《高规》6.2.5.113、汽车坡道两侧应用防水墙与停车位隔开。
《汽车库防火规》5.3.314、商场的安全出口不应开向办公用楼梯间内。
《商规》4.1.415、负一层面积约2100㎡应作防火分区,且不超过1000㎡.每个分区应有一个直通室外的安全出口。
《建规》3.3.1,3.7.316、缺无障碍住房。
《残规》5.2.117、一层地下室与地上层不应共用楼梯间,必须共用时应防火墙分隔。
《高规》6.2.818、住宅的公共出入口位于阳台下部时,应采取设置雨罩等安全措施。
《住设规》4.2.319、公共厕所内通道小于1.5m,不满足规范要求。
《残规》7.8.120、总平面图中本建筑与周围道路及室外环境均存在着较大的高差,设计中需加设防护措施。
《通则》6.6.321、由于A2栋住宅单元平面中,电梯井毗邻起居室,设计中需采取有效地隔音减振措施。
《住宅建筑规范》22、栏杆:请自行校审是否符合学校安全要求。
如2-2剖面所示是不行的,本说明中,只选了扶手,没有选栏杆做法。
《通则》6.7.923、住宅总出入口两侧设有阳台,雨棚挑出大小,未能防止阳台侧面物体坠落伤人。
***住宅设计规范强制性条文2010 版第一章设计总则3.1.1 住宅建设应符合城市规划要求,保障居民的基本生活条件和环境,经济、合理、有效地使用土地和空间。
(住宅建筑规范)3.1.2 住宅选址时应考虑噪声、有害物质、电磁辐射和工程地质灾害、水文地质灾害等的不利影响。
(住宅建筑规范)3.1.3 住宅应具有与其居住人口规模相适应的公共服务设施、道路和公共绿地。
(住宅建筑规范)6.1.4住宅的设计与建造应与地区气候相适应,充分利用自然通风和太阳能等可再生资源。
(省住宅设计标准)3.1.5 住宅结构在规定的设计使用年限内必须具有足够的可靠性。
(住宅建筑规范)3.1.6 住宅应具有防火安全性能。
(住宅建筑规范)3.1.7 住宅应具备在紧急事态时人员从建筑中安全撤出的功能。
(住宅建筑规范)3.1.8 住宅应满足人体健康所需的通风、日照、自然采光和隔声要求。
(住宅建筑规范)3.1.9 住宅建设的选材应避免造成环境污染。
(住宅建筑规范)5.2.6 住宅建筑中设有管理人员室时,应设管理人员使用的卫生间。
(住宅建筑规范)3.1.4住宅应按套型设计,套内空间和设施应能满足安全、舒适、卫生等生活起居的基本要求。
(住宅建筑规范)3.1.1 住宅应按套型设计,每套住宅应设卧室、起居室(厅)、厨房、卫生间等基本空间。
(省住宅设计标准)(住宅设计规范)5.1.1 每套住宅应设卧室、起居室 ( 厅) 、厨房和卫生间等基本空间。
(住宅建筑规范)5.4.5 电梯不应与卧室、起居室(厅)紧邻布置,受条件限制需要紧邻布置时,必须采取有效的隔声和减振措施。
(省住宅设计标准)4.3.1 厨房应有直接采光、自然通风。
(省住宅设计标准)(住宅设计规范)4.3.2 厨房应配置洗涤池、操作台、灶台及排油烟机等设施或预留位置。
(省住宅设计标准)(住宅设计规范)(住宅建筑规范)4.4.2 卫生间应设置便器、洗浴器、洗面器等设施或预留位置;布置便器的卫生间的门不应该直接开在厨房内。
序号条款内容规范及条款号是否符合1卧室、起居室(厅)、厨房不应布置在地下室;当布置在半地下室时,必须对采光、通风、日照、防潮、排水及安全防护采取措施,并不得降低各项指标要求。
《住宅设计规范》GB50096-2011 6.9.12住宅地下机动车库应符合下列规定: 1 库内坡道严禁将宽的单车道兼作双车道。
2 库内不应设置修理车位,并不应设置使用或存放易燃、易爆物品的房间。
3库内车道净高不应低于2.20m。
车位净高不应低于2.00m。
4 库内直通住宅单元的楼(电)梯间应设门,严禁利用楼(电)梯间进行自然通风。
《住宅建筑规范》GB50368-2005 5.4.23直通住宅单元的地下楼、电梯间入口处应设置乙级防火门,严禁利用楼、电梯间为地下车库进行自然通风。
《住宅设计规范》GB50096-2011 6.9.6 4住宅地下自行车库净高不应低于2.00m。
《住宅建筑规范》GB50368-2005 5.4.35防火墙应直接设置在建筑的基础或框架、梁等承重结构上,框架、梁等承重结构的耐火极限不应低于防火墙的耐火极限。
《建筑设计防火规范》GB50016-2014 6.1.16防火墙上不应开设门、窗、洞口,确需开设时,应设置不可开启或火灾时能自动关闭的甲级防火门、窗。
可燃气体和甲、乙、丙类液体的管道严禁穿过防火墙。
防火墙内不应设置排气道。
《建筑设计防火规范》GB50016-20146.1.57建筑内的防火隔墙应从楼地面基层隔断至梁、楼板或屋面板的底面基层。
住宅分户墙和单元之间的墙应隔断至梁、楼板或屋面板的底面基层,屋面板的耐火极限不应低于0.50h。
《建筑设计防火规范》GB50016-20146.2.48除住宅建筑套内的自用楼梯外,地下或半地下建筑(室)的疏散楼梯间,应符合下列规定:1 室内地面与室外出入口地坪高差大于10m或3层及以上的地下、半地下建筑(室),其疏散楼梯应采用防烟楼梯间;其他地下或半地下建筑(室),其疏散楼梯应采用封闭楼梯间。
《住宅设计规范》实施住宅建设量大面广,关系到广大城镇居民的居住水平和切身利益,为进一步保证住宅设计质量,促进城镇住宅建设健康发展,落实好国家建设节能省地型住宅的要求,贯彻高度重视民生与住房保障问题的精神,住建部组织了《住宅设计规范》GB50096-1999的修编工作,近日予以发布公告。
编号为GB50096-2011,自2012年8月1日起实施。
其中,第5.1.1、5.3.3、5.4.4、5.5.2、5.5.3、5.6.2、5.6.3、5.8.1、6.1.1、6.1.2、6.1.3、6.2.1、6.2.2、6.2 .3、6.2.4、6.2.5、6.3.1、6.3.2、6.3.5、6.4.1、6 .4.7、6.5.2、6.6.1、6.6.2、6.6.3、6.6.4、6.7.1、6.9.1、6.9.6、6.10.1、6.10.4、7.1.1、7.1.3、7 .1.5、7.2.1、7.2.3、7.3.1、7.3.2、7.4.1、7.4.2、7.5.3、8.1.1、8.1.2、8.1.3、8.1.4、8.1.7、8.2 .1、8.2.2、8.2.6、8.2.10、8.2.11、8.2.12、8.3.2、8.3.3、8.3.4、8.3.6、8.3.12、8.4.1、8.4.3、8.4.4、8.5.3、8.7.3、8.7.4、8.7.5、8.7.9条为强制性条文,必须严格执行。
原《住宅设计规范》GB50096-1999(2003年版)同时废止。
现将强制性条文摘录如下:5.1.1住宅应按套型设计,每套住宅应设卧室、起居室(厅)、厨房和卫生间等基本功能空间。
5.3.3厨房应设置洗涤池、案台、炉灶及排油烟机、热水器等设施或为其预留位置。
15.4.4卫生间不应直接布置在下层住户的卧室、起居室(厅)、厨房和餐厅的上层。
5.5.2卧室、起居室(厅)的室内净高不应低于2.40m,局部净高不应低于2.10m,且其面积不应大于室内使用面积的1/3。
5.5.3利用坡屋顶内空间作卧室、起居室(厅)时,其1/2面积的室内净高不应低于2.10m。
5.6.2阳台栏杆设计应采用防止儿童攀登的构造,栏杆的垂直杆件间净距不应大于0.11m,放置花盆处必须采取防坠落措施。
5.6.3住宅的阳台栏板或栏杆净高,六层及六层以下的不应低于1.05m;七层及七层以上的不应低于1.10m。
5.8.1外窗窗台距楼面、地面的净高低于0.90m时,应有防护设施。
6.1.1楼梯间、电梯厅等共用部分的外窗窗台距楼面、地面的净高小于0.90m时,应有防护设施。
注:窗外有阳台或平台时可不受此限制。
窗台的净高或防护栏杆的高度均应从可踏面起算,保证净高达到0.90m。
6.1.2住宅的公共出入口台阶高度超过0.70m并侧面临空时,应设防护设施,防护设施净高不应低于1.05m。
6.1.3住宅的外廊、内天井及上人屋面等临空处的栏杆净高,六层及六层以下不应低于1.05m,七层及七层以上不应低于1.10m。
防护栏杆必须采用防止少年儿童攀登的构造,当采用垂直杆件做栏杆时,其杆件净距不应大于0.11m。
26.2.1十层以下的住宅建筑,当住宅单元任一层的建筑面积大于650m2,或任一套房的户门至安全出口的距离大于15m时,该住宅单元每层的安全出口不应少于2个。
6.2.2十层及十层以上但不超过十八层的住宅建筑,当住宅单元任一层的建筑面积大于650m2,或任一套房的户门至安全出口的距离大于10m时,该住宅单元每层的安全出口不应少于2个。
6.2.3十九层及十九层以上的住宅建筑,每层住宅单元的安全出口不应少于2个。
6.2.4安全出口应分散布置,两个安全出口的距离不应小于5m。
6.2.5楼梯间及前室的门应向疏散方向开启。
6.3.1楼梯梯段净宽不应小于1.10m,不超过六层的住宅,一边设有栏杆的梯段净宽不应小于1.00m。
注:楼梯梯段净宽系指墙面装饰面至扶手中心之间的水平距离。
6.3.2楼梯踏步宽度不应小于0.26m,踏步高度不应大于0.175m。
扶手高度不应小于0.90m。
楼梯水平段栏杆长度大于0.50m时,其扶手高度不应小于1.05m。
楼梯栏杆垂直杆件间净空不应大于0.11m。
6.3.5楼梯井净宽大于0.11m时,必须采取防止儿童攀滑的措施。
6.4.1七层及七层以上住宅或住户入口层楼面距室外设计地面的高度超过16m的住宅必须设置电梯。
6.4.7电梯不应紧邻卧室布置。
6.5.1外廊、内天井及上人屋面等临空处的栏杆净高,六层及六层以下住宅不应低于1.05m,七层及七层以上3住宅不应低于1.10m。
栏杆设计应防止儿童攀登,垂直杆件间净空不应大于0.11m。
6.5.3住宅的公共出入口位于阳台、外廊及开敞楼梯平台的下部时,应采取防止物体坠落伤人的安全措施。
6.6.1七层及七层以上的住宅,应对下列部位进行无障碍设计。
1.建筑入口;2.入口平台;3.候梯厅;4.公共走道6.6.2建筑入口及入口平台的无障碍设计应符合下列规定:1.建筑入口设台阶时,应同时设有轮椅坡道和扶手;2.坡道的坡度应符合表6.6.2的规定。
表6.6.2坡道的坡度坡度1:201:161:121:101:8最大高度 1.50 1.000.750.600.35(m)3.供轮椅通行的门净宽不应小于0.8m;4.供轮椅通行的推拉门和平开门,在门把手一侧的墙面,应留有不小于0.5m的墙面宽度;5.供轮椅通行的门扇,应安装视线观察玻璃、横执把手和关门拉手,在门扇的下方应安装高0.35m的护门板;6.门槛高度及门内外地面高差不应大于0.15m,并应以斜坡过渡。
46.6.3七层及七层以上住宅建筑入口平台宽度不应小于2.00m,七层以下住宅建筑入口平台宽度不应小于1.50m。
6.6.4供轮椅通行的走道和通道净宽不应小于1.20m。
6.7.1新建住宅应每套配套设置信报箱。
6.9.1住宅的卧室、起居室(厅)、厨房不应布置在地下室;当布置在半地下室时,必须对采光、通风、日照、防潮、排水及安全防护采取措施。
6.9.6地下室、半地下室应采取防水、防潮及通风措施,采光井应采取排水措施。
6.10.1住宅建筑内严禁布置存放和使用火灾危险性甲、乙类物品的商店、车间和仓库,并不应布置产生噪声、振动和污染环境卫生的商店、车间和娱乐设施。
6.10.4住户的公共出入口与附建公共用房的出入口应分开布置。
7.1.1每套住宅至少应有一个居住空间能获得冬季日照。
7.1.3卧室、起居室(厅)、厨房应有天然采光。
7.1.5卧室、起居室(厅)、厨房的采光窗洞口的窗地面积比不应低于1/7。
7.2.1卧室、起居室(厅)、厨房应有自然通风。
7.2.3每套住宅的自然通风开口面积不应小于地面面积的5%。
7.3.1住宅卧室、起居室(厅)内噪声级,应满足下列要求:1.昼间卧室内的等效连续A声级不应大于45dB;2.夜间卧室内的等效连续A声级不应大于37dB;3.起居室(厅)的等效连续A声级不应大于45dB。
57.3.2分户墙和分户楼板的空气声隔声性能应满足下列要求:1.分隔卧室、起居室(厅)的分户墙和分户楼板,空气声隔声评价量(RW+C)应大于45dB;2.分隔住宅和非居住用途空间的楼板,空气声隔声评价量(RW+Ctr)应大于51dB。
7.4.1住宅的屋面、地面、外墙、外窗应能防止雨水和冰雪融化水侵入室内。
7.4.2住宅的屋面和外墙的内表面在室内温度、湿度设计条件下不应出现结露。
7.5.3住宅室内空气污染物的活度和浓度应符合表7.5.3的规定。
表7.5.3住宅室内空气污染物限值污染物名称活度、浓度限值氡≤200(Bq/m3)游离甲醛≤0.08(mg/m3)苯≤0.09(mg/m3)氨≤0.2(mg/m3)TVOC≤0.5(mg/m3)8.1.1住宅应设室内给水排水系统。
8.1.2严寒和寒冷地区的住宅应设置采暖设施。
8.1.3住宅应设照明供电系统。
8.1.4每套住宅应在下列系统设置如下计量装置:1.各类生活供水系统的水表;2.设有集中采暖(集中空调)系统时的分户热计量装置;3.设有燃气系统时的燃气表;4.供电系统的电能表。
8.1.7下列设施不应布置在住宅套内,应设在共用空间内:1.公共功能的管道,包括给水总立管、消防立管、雨水立管、采暖(空调)供回水总立管和配电和弱电干线(管)等,布置在开敞式阳台的雨水立管除外;2.公共的管道阀门、电气设备和用于总体调节和检修的部件,户内排水立管检修口除外;3.采暖管沟和电缆沟的检查孔。
8.1.1住宅应设室内给水排水系统。
8.1.2严寒和寒冷地区的住宅应设置采暖设施。
8.1.3住宅应设照明供电系统。
8.1.4每套住宅应在下列系统设置如下计量装置:1.各类生活供水系统的水表;2.设有集中采暖(集中空调)系统时的分户热计量装置;3.设有燃气系统时的燃气表;4.供电系统的电能表。
8.1.7下列设施不应布置在住宅套内,应设在共用空间内:1.公共功能的管道,包括给水总立管、消防立管、雨水立管、采暖(空调)供回水总立管和配电和弱电干线(管)等,布置在开敞式阳台的雨水立管除外;2.公共的管道阀门、电气设备和用于总体调节和检修的部件,户内排水立管检修口除外;3.采暖管沟和电缆沟的检查孔。
8.2.1住宅各类生活供水水质应符合国家现行标准的相关规定。
78.2.2入户管的供水压力不应大于0.35MPa。
8.2.6住宅厨房和卫生间的排水立管应分别设置。
排水管道不得穿越卧室。
8.2.10无存水弯的卫生器具和无水封的地漏与生活排水管道连接时,在排水口以下应设存水弯;存水弯和有水封地漏的水封高度不应小于50mm。
8.2.11地下室、半地下室中低于室外地面的卫生器具和地漏的排水管,不应与上部排水管连接,应设置集水设施用污水泵排出。
8.3.2除电力充足和供电政策支持,或者建筑所在地无法利用其他形式的能源外,严寒和寒冷地区、夏热冬冷地区的住宅不应设计直接电热作为室内采暖主体热源。
8.3.3住宅采暖系统应采用不高于95℃的热水作为热媒,并应有可靠的水质保证措施。
热水温度和系统压力应根据管材、室内散热设备等因素确定。
8.3.4住宅集中采暖的设计,应进行每一个房间的热负荷计算。
8.3.6设置采暖系统的普通住宅的室内采暖计算温度,不应低于表8.3.6的规定。
表8.3.6室内采暖计算温度用房温度(℃)卧室、起居室(厅)和卫生18间厨房15设采暖的楼梯间和走廊148.3.12设计采用户式燃气采暖热水炉作为采暖热源时,其热效率应符合国家现行有关标准中节能等级的规定8值。
8.4.1住宅管道燃气的供气压力不应高于0.2MPa。
住宅内各类用气设备应使用低压燃气,其入口压力应在0.75~1.5倍燃具额定范围内。
8.4.3燃气设备的设置应符合下列规定:1.燃气设备严禁设置在卧室内;2.严禁在浴室内安装直接排气式、半密闭式燃气热水器等在使用空间内积聚有害气体的加热设备;3.户内燃气灶应安装在通风良好的厨房、阳台内;4.燃气热水器等燃气设备应安装在通风良好的厨房、阳台内或其他非居住房间。