小升初数学总复习专题分类训练卷 圆柱与圆锥
- 格式:doc
- 大小:286.50 KB
- 文档页数:7
圆柱与圆锥的应用题一、单选题1.一个棱长4分米的正方体木块削成一个最大的圆柱体,体积是()立方分米.A. 50.24B. 100.48C. 642.把一段重9千克的圆钢车成一个和它等底等高的圆锥体零件,车去的部分重()A. 9千克B. 6千克C. 3千克D. 2千克3.一个棱长4分米的正方体木块削成一个最大的圆柱体,体积是()立方分米.A. 50.24B. 100.48C. 644.一个圆锥和一个圆柱体积相等,底面积也相等,圆锥的高是12厘米,圆柱的高是()厘米.A. 4B. 12C. 365.用一半径为10厘米的半圆围成一个圆锥,则此圆锥的底面半径为()A. 3cmB. 4cmC. 5cmD. 6cm二、填空题6.一个圆锥体的麦堆,底面周长是12.56米,高是1.2米.已知每立方米的小麦重0.75吨,小麦的出粉率是81%.这些小麦能磨出面粉________吨?(得数保留整数)7.学校食堂运进一堆煤,堆放成一个近似的圆锥.它的底面直径是6米,高是1.3米.如果每立方米煤重1.8吨,这堆煤重________8.一个长方体的钢材,长5分米,横截面是边长2分米的正方形.把这根钢材切削成一个体积尽可能大的圆柱,圆柱的体积是________如果切削成一个与圆柱等底等高的圆锥,那么圆锥的体积是________ (得数保留一位小数)9.一个棱长为6分米的正方体木块的表面积是________平方分米,把它削成一个最大的圆锥,这个圆锥的体积是________立方分米。
10.一个高为10厘米的圆柱体,如果它的高增加2厘米,那么它的表面积就增加125.6平方厘米,求原来这个圆柱体的体积是________11.有一个圆锥形麦堆,底面周长是15.7米,高是1.8米,把这些小麦装在一个圆柱形的粮囤中,正好装满.囤内高是2.5米,粮囤内的底面积有________平方米.12.一个圆锥体的帐篷(如图),它的底面半径是2米,高1.8米.(1)这个帐篷的占地面积是________平方米?(2)这个帐篷内的空间有________立方米?(3)如果每个人至少占1.2平方米的地方,这个帐篷大约可以安排________人住?13.一个圆锥形碎石料堆,底面积是22.5平方米,高是1.8米,用这堆碎石在6米宽的公路上铺0.05米厚的路面,能铺________米?14.把一个底面直径为6厘米,高和底面半径相等的圆柱体木块,削成一个最大的圆锥,木块的体积减少了________立方厘米.15.一个圆锥的体积是7.4立方米.与它等底等高的圆柱的体积是________立方米.三、应用题16.一圆锥形小麦堆底面周长是31.4米,高是2米,如每立方米小麦重750千克,这堆小麦重多少吨?17.(2015•长沙)晒谷场上有9堆同样大小的圆锥形小麦,每堆底面周长6.28米,高0.6米,把它运进仓库,用一张长6.78米,宽2米的长方形芦苇围成一个直圆柱粮囤,接头处重叠0.5米,这些小麦能否都可以装进这粮囤?18.一个圆锥形钢锭,底面直径6分米,高5分米,体积多少?如果每立方分米重3千克,这个钢锭重几千克?19.有一个近似与圆锥形的玉米堆,底面周长是62.8米,高是3米,若每立方米玉米重0.75吨,这堆玉米重多少吨?20.一个底面积1.5平方分米的玻璃缸里有一块石头,如图所示.水深18厘米,拿出石块后水面下降到15厘米,这块石头体积是多少?21.一个圆锥形谷堆地面周长12.56米高1.5米。
小学数学-有答案-小升初数学专项复习:圆柱和圆锥一、选一选.(将正确答案的序号填在括号里)1. 下面物体中,()的形状是圆柱。
A. B. C. D.2. 一个圆锥的体积是36dm3,它的底面积是18dm2,它的高是()dm.B.2C.6D.18A.233. 下面()图形是圆柱的展开图。
(单位:cm)A.B.C.4. 下面()杯中的饮料最多。
A. B. C.5. 一个圆锥有________条高,一个圆柱有________条高。
A.一B.二C.三D.无数条。
6. 如图,这个杯子()装下3000ml牛奶。
A.能B.不能C.无法判断二、判断对错.圆柱的体积一般比它的表面积大。
________.(判断对错)底面积相等的两个圆锥,体积也相等。
________.(判断对错)一个圆柱体的体积等于和它等底等高的圆锥体体积的3倍________.“做圆柱形通风管需要多少铁皮”是求这个圆柱的侧面积。
________.(判断对错)把圆锥的侧面展开,得到的是一个长方形。
________.(判断对错)三、想一想,连一连.四、填一填.2.8立方米=________立方分米6000毫升=________升3060立方厘米=________立方分米5平方米40平方分米=________平方米。
一个圆柱的底面半径是5cm,高是10cm,它的底面积是78.5cm2,侧面积是314 cm2,体积是785cm3.用一张长4.5分米,宽1.2分米的长方形铁皮制成一个圆柱,这个圆柱的侧面积最多是________平方分米。
(接口处不计)一个圆锥和一个圆柱等底等高,圆锥的体积是76cm3,圆柱的体积是________cm3.一个圆锥的底面直径和高都是6cm,它的体积是56.52cm3.五、求下面图形的体积.(单位:厘米)求下列立体图形的体积:(单位:分米)(1)(2)(3)(4)六、解决问题.(1)制作这个薯片筒的侧面标签,需要多大面积的纸?(2)这个薯片筒的体积是多少?在建筑工地上有一个近似于圆锥形状的沙堆,测得底面直径4米,高1.5米。
小升初圆柱圆锥(常考题)1.一个圆柱的侧面展开是一个正方形,这个圆柱的底面半径和高的比是( )A .1:πB .1:2πC .π:1D .2π:12.圆柱体的侧面展开,将得不到( )A .平行四边形B .梯形C .正方形D .长方形4.下面图( )恰好可以围成圆柱体.(接头忽略不计,单位:厘米)A .B .C .D .7.圆锥的体积是6立方分米,与它等底等高圆柱的体积是( )A .3立方分米B .2立方分米C .18立方分米14.一个圆锥的体积是25.12立方厘米,底面积是12.56平方厘米,它的高是( )A .2厘米B .5厘米C .6厘米31.等底等高的圆柱和圆锥体积相差12.56立方厘米,那么圆锥的体积是( )A .6.28立方厘米B .12.56立方厘米C .18.84立方厘米比、倍数关系9.两个体积相等的等底面积的圆锥和圆柱,圆锥的高一定是圆柱高的( )A .3倍B .32 C .31 D .2倍 11.把一个圆柱削成一个最大的圆锥体,削去部分是这个圆锥体积的( )A .3倍B .2倍C .1倍D .相等15.下列说法正确的是( )A .圆锥的体积等于圆柱体积的31 B .最小的合数与最小的质数之和是3 C .一个数的倒数不一定比这个数小 D .平行四边形是轴对称图形16.甲﹑乙两个圆柱体等底等高,如果把甲柱体的底面半径扩大2倍,乙圆柱体的高扩大2倍,这时它们的体积的大小是( )A .甲大B .乙大C .相等D .不能确定20.圆锥和圆柱半径的比为3:2,体积的比为3:4,那么圆锥和圆柱高的比是( )A .9:8B .9:16C .4:3D .1:121.一个圆柱的底面半径扩大到原来的2倍,高不变,那么它的体积扩大到原来的( )倍.A .2B .4C .6D .822.如果圆柱底面半径扩大三倍,高不变,圆柱体积就扩大( )倍.A .3B .6C .929.一个圆柱和一个圆锥的底面半径之比是2:3,体积之比是3:2,它们高的比是( )A .1:3B .3:4C .9:830.把一个圆柱体木块削制成一个圆锥体,需要削去的部分一定是圆柱体木块的( )A .31B .32 C .2倍 D .不能确定 40.一个圆柱的侧面积展开是一个正方形,这个圆柱的高与直径的比是( )A .π:1B .1:3.14C .50:15747.一个圆柱和一个圆锥体积相等,圆锥的底面积是圆柱的4倍,圆锥的高是6分米,圆柱的高是( )A .18分米B .8分米C .2分米D .4分米50.圆锥的底面半径扩大3倍,它的体就扩大( )A .3倍 B .9倍 C .6倍25.把一个圆锥的底面半径和高都扩大3倍,则它的体积扩大( )A .3 倍B .6倍C .9倍D .27倍分段、切割型5.把一根长2米的圆柱形木料截成3段小圆柱,3个小圆柱的表面积之和比原来增加了0.6平方米,原来这根木料的体积是( )立方米A .1.2B .0.4C .0.3D .0.251223.把一个棱长为20厘米的正方体木块削成一个最大的圆柱体,这个圆柱体的体积是( )立方厘米.A .8000 B .6280 C .188480.一根圆柱形钢条,长2米,把它横截成两段,表面积增加了6平方分米,这根钢条的体积是 立方米.87.把一个圆柱形状的木头削成一个最大的圆锥,已知削去的体积是24立方厘米,削成的圆锥体积是立方厘米。
小升初分班考重点专题:圆柱与圆锥-2023-2024学年数学六年级下册人教版一、单选题1.把一个底面直径6cm 高4cm 的圆柱体木块加工成一个等底等高的圆锥。
下面说法正确的是()A.去掉的体积是圆锥体积的2倍B.圆锥的底面积是36πcm2C.去掉的体积是圆柱体积的D.圆锥和圆柱体积的比是1:22.《九章算术》中记载圆柱的体积计算方法是“周自乘,以高乘之,十二而一”,也就是“底面周长的平方乘高,再除以12”。
这种计算方法与现在的算法是一致的,只不过圆周率的近似值为3。
一个圆柱体水桶底面周长为4分米,高为6分米。
请用这种方法算出这个水桶最多可盛水()升。
(水桶的厚度忽略不计)A.4B.6C.8D.123.把1m长的圆柱形钢材锯成3段,分成3个小圆柱,表面积增加了120cm2,原来钢材的体积是()m3。
A.0.3B.30C.3000D.0.0034.劳动课做手工。
陈红用一张长6.28dm、宽3dm的长方形纸,卷成一个圆柱(忽略接口损耗),给它配上一个底面,这个圆柱底面的直径可能是____dm。
()A.6.28B.4C.3D.25.下图中的圆柱形杯子与圆锥形杯子的底面积相等,把圆锥形杯子装满水后倒进圆柱形杯子中,至少要倒()杯才能把圆柱形杯子装满。
A.3B.6C.9D.126.如下图,一个长方形的长为a,宽为b,分别以长,宽为轴旋转一周,产生了甲、乙两个圆柱。
判断甲,乙两个圆柱侧面积的大小关系,()。
A.甲>乙B.甲<乙C.甲=乙D.无法比较7.把一根圆柱形木料削成一个最大的圆锥,削去部分体积是圆锥的()。
A.2倍B.C.D.8.圆柱的底面半径扩大3倍,高不变,它的体积扩大()。
A.3倍B.6倍C.9倍D.不变二、判断题9.求做一个圆柱形油桶要用多少铁皮,是要计算油桶的表面积。
()10.圆锥的体积是圆柱体积的。
()11.两个圆柱的体积相等,它们的底面积和高不一定相等。
()12.两个圆柱的侧面积相等,高就一定相等。
圆柱和圆锥的特性一、单选题1.把一段圆柱木料锯成三段,增加()个底面积.A. 3B. 4C. 6D. 22.用一个长18.84厘米,宽9.42厘米的长方形纸片当做侧面积围成一个尽可能长的圆柱(不考虑接头处),下面哪个圆可以配上这个圆柱当底面.()A. d=4厘米B. d=5厘米C. r=1.5厘米D. r=6厘米3.一个圆锥与一个圆柱的底面积与体积分别相等,圆柱的高是9厘米,圆锥的高是()A. 3厘米B. 27厘米C. 18厘米4.一个圆柱的侧面积是125.6平方米,高是10分米,它的体积是()立方分米.A. 125.6B. 1256C. 12560D. 12560005.一个圆柱体,高是底面直径的π倍,将它的侧面沿高展开后是()A. 长方形B. 正方形C. 平行四边形6.一张长方形纸,长6.28分米,宽3.14分米,如果以它为侧面,那么以下()的圆形纸片能和它配成圆柱体.A. 直径1厘米B. 半径1分米C. 周长9.42分米D. 面积18.5平方厘米7.把一段圆柱形的木材,削成一个体积最大的圆锥,削去部分的体积是圆锥体积的()A. 3倍B. 13C. 23D. 2倍8.把一个圆柱的侧面展开,不可能得到的是( )。
A. 长方形B. 三角形C. 平行四边形D. 正方形9.把一根圆柱体木料锯成三段,增加的底面有个.()A. 2B. 3C. 410.把底面半径是3厘米的圆柱的侧面,沿着一条高展开后是一个正方形.这个圆柱的高是()厘米.A. 3B. 6C. 18.84D. 28.1211.一个圆柱的侧面展开后是一个正方形,这个圆柱的底面半径和高的比是( )。
A. 1:πB. 1:2 πC. π:1D. 2 π:112.如图中的正方体、圆柱和圆锥底面积相等,高也相等.下面哪句话是正确的?()A. 圆柱的体积比正方体的体积小一些B. 圆锥的体积是正方体的13C. 圆柱体积与圆锥体积相等13.把一个圆柱体纸盒的侧面展开得到一个正方形.如果这个圆柱体纸盒的底面半径5厘米,那么它的高是()厘米.A. 31.4B. 78.5C. 15.714.下图中()是圆柱.A. B. C.15.用一块长25.12厘米,宽18.84厘米的长方形铁皮,配上下面()圆形铁片正好可以做成圆柱形容器.(单位;厘米)A. r=1B. d=3C. d=6二、判断题16.圆锥的侧面展开后是一个等腰三角形.(判断对错)17.圆柱的侧面展开图不是长方形就是正方形.18.把圆柱的侧面展开,可以得到一个等腰梯形.()19.一个圆柱的底面半径是8厘米,它的侧面展开正好是一个正方形,这个圆柱的高是16厘米。
2024年人教版六年级下册数学小升初专题训练:圆柱与圆锥一、单选题1.一个圆柱的侧面展开图是正方形,这个圆柱的底面直径的长度和高的比()。
A.2π:1B.π:1C.2:1D.1:π2.有两个底面积相等的圆柱,一个圆柱的高是24cm,体积是1200cm3;另一个圆柱的高是35cm,它的体积是()cm3。
A.50B.1200C.1750D.29503.一个圆柱和一个圆锥的高相等,体积之比是4:3,已知圆柱的底面积是16cm2,那么圆锥的底面积是()cm2。
A.48B.12C.24D.364.等底等体积的圆柱和圆锥,如果圆锥的高是18cm,那么圆柱的高是()cm。
A.6B.18C.54D.35.图中,瓶底的面积和锥形杯口的面积相等,将瓶子中的液体倒入锥形杯子,能倒满()怀。
A.2B.3C.4D.66.用四个同样大小的圆柱拼成一个高为40厘米的大圆柱时,表面积减少了72平方厘米,原来每个小圆柱的体积是()立方厘米。
A.120B.240C.360D.480二、判断题7.等底等高的正方体、长方体,圆柱和圆锥的体积都相等。
()8.长方体、正方体、圆柱、圆锥体的体积都等于它们的底面积乘高。
()9.圆柱和圆锥的高相等,体积也相等,圆锥底面积是圆柱底面积的3倍。
()10.把一根圆柱形木料削成一个最大的圆锥,削去部分是圆锥体积的3倍。
()11.用两张同样的长方形纸卷成两个不同的圆柱,它们的体积相等。
(接缝处忽不计)。
() 12.两个圆柱的侧面积相等,它们的底面周长也一定相等。
三、填空题13.一个圆柱形灯箱的侧面贴着海报纸,圆柱的底面直径是6 dm,高是12 dm,这张海报纸展开后是一个长方形,长方形的长是dm,宽是dm。
14.一个圆柱的侧面展开图是一个正方形,这个圆柱的高是25.12 dm,那么圆柱的底面周长是dm,底面直径是dm。
15.一个圆柱的侧面沿高剪开得到一个正方形,这个圆柱的底面半径是6 dm,圆柱的高是。
2024年人教版六年级下册数学小升初专题训练:圆柱与圆锥姓名:___________班级:___________考号:___________一、选择题1.一个圆柱和一个圆锥底面积相等,体积比是,则圆柱和圆锥的高的比是( )。
A .B .C .D .无法确定2.一个圆柱和一个圆锥等底等高,它们的体积相差18cm 3,这个圆柱的体积是( )cm 3。
A .6B .9C .18D .3.请你用转化的数学思想方法解决下面的数学问题。
一个瓶子里装有一些水,如图,根据图中所给的信息,请计算出瓶中水的体积所占瓶子的容积的( )。
A.B .C .D .4.关于下面四个图形的体积之间的关系,下面的选项中,正确的是( )。
①V 甲=V 乙×3 ②V 乙=V 丙③V 乙=V 丁×2 ④V 甲=V 丁×12A .①③B .①②③C .③④D .①②④5.将一个高是2dm 的圆柱截成体积比是2∶3的两个小圆柱,表面积增加50.24cm 2,则较小的小圆柱的体积是( )cm 3。
A .50.24B .200.96C .301.44D .28.266.有一块正方体木料,它的棱长是6分米,把它加工成一个最大的圆柱,这个圆柱的体积是( )立方分米。
A .23.12B .12.56C .28.26D .169.563:11:33:11:127234757914二、填空题7.将一个底面直径是6cm,高是8cm的圆柱削成一个最大的圆锥,这个圆锥的体积是( )cm3,削去部分的体积与圆锥的体积的比是( )。
8.一个圆柱的底面直径和高都是4dm,把它的侧面沿高展开得到一个长( )dm、宽( )dm的长方形,这个圆柱的表面积是( )dm2,体积是( )dm3。
9.一个圆锥的体积是4.2立方分米,底面积是6平方分米,它的高是( )分米。
10.有3个相同的圆柱,拼成一个长15厘米的大圆柱,表面积减少了75.36平方厘米,拼成的大圆柱的底面积是( )平方厘米,体积是( )立方厘米。
小升初小学六年级数学复习总结·知识点专项练习题+答案(32)圆柱与圆锥知识要点:1、圆柱的侧面积:圆柱的侧面积=底面周长×高2、圆柱的表面积:圆柱的表面积=侧面积+底面积×23、圆柱体体积:圆柱体的体积=圆柱体的底面积×高,用字母表示:V Sh=4、四锥的体积:四锥的体积=13×底面积×高,用字母表示:13V Sh=习题精选:1. 把一个圆柱体的侧面沿一条线剪开,不能得到的图形是()。
A.长方形B.正方形C.平行四边形D.梯形2. 下面()图形是圆柱的展开图。
(单位:cm)A. B. C.3. 用塑料绳捆扎一个圆柱形的蛋糕盒(如图),打结处正好是底面圆心,打结用去绳长10厘米。
扎这个盒子至少用去塑料绳()厘米。
A.200B.250C.300D.3504. 四个同样大小的圆柱拼成一个高为40厘米的大圆柱时,表面积减少了72平方厘米,原来小圆柱的体积是()立方厘米。
A.60B.80C.100D.1205. 一个圆柱侧面展开后是一个正方形,这个圆柱的底面半径与高的比是()。
A.1∶9B.1∶2πC.π∶1D.2π∶16. 一个盖着瓶盖的瓶子里面装着一些水,瓶底面积为10平方厘米,(如下图所示),请你根据图中标明的数据,计算瓶子的容积是()毫升。
A.40B.50C.60D.727. 一个圆柱和一个圆锥的体积相等,它们的高的比是2∶3,那么它们的底面积的比是()。
A.3∶2B.2∶9C.2∶1D.1∶28. 一个高30厘米的圆锥容器,盛满水倒入和它等底等高的圆柱体容器内,容器口到水面距离是()厘米。
A.10B.15C.20D.309. 等底等体积的圆锥和圆柱,如果圆锥的高是9分米,圆柱的高是()米。
A.3B.12C.6D.0.310. 如图,圆锥形容器中装有水50升,水面高度是圆锥高度的一半,这个容器最多能装水多()升。
A.100B.150C.200D.40011. 有一个底面直径为20厘米的圆柱形容器里,盛有一些水。
小升初专题复习—圆柱圆锥(答题时间:90分钟)一、选择题。
(选择合适的答案填在括号里。
每题2分,共20分) 1、长方体、正方体、圆柱体的体积计算,都可以归纳为( )。
A 、长×宽×高B 、底面积×高C 、棱长×棱长×棱长D 、底面周长×高 2、有两个底面积、高都相等的圆柱和圆锥形的容器,将4.8升酒精全部倒入这两个容器,恰好都倒满。
那么圆柱的容积是( )升。
A 、1.6B 、2.4C 、1.2D 、3.23、一根圆柱形木料,底面半径是4dm ,高是8dm 。
把这根木料沿高锯成相等的两部分后,表面积比原来增加( )dm ²。
A 、8B 、17C 、32D 、64 4、下图中圆锥的体积与圆柱( )的体积相等。
5、底面直径和高相等的圆柱,侧面沿高展开后得到一个( )。
A 、正方形 B 、长方形 C 、平行四边形 D 、梯形6、把一支新的圆柱形铅笔削尖,笔尖(圆锥部分)的体积是削去部分的( )。
A、13 B 、23 C 、12 D 、2倍7、超市里一种香皂“买三送一”,李阿姨买了四块,每块香皂的价钱相当于是按( )销售的。
A 、二折B 、八折C 、七五折D 、六六折8、某公司去年全年营业额共850万元,如果按营业额的3%上缴营业税,那么税后营业额是多少万元?下面列式正确的是( )。
A 、850×3%B 、850÷3%C 、850×(1-3%)D 、850×(1+3%) 9、把一团圆柱体橡皮泥揉成与它等底的圆锥体,高将( )。
A 、扩大3倍 B 、缩小3倍 C 、扩大6倍 D 、缩小6倍10、把长7cm 、宽6cm 、高4cm 的长方体木块削成一个体积最大的圆柱,求圆柱的体积是多少立方厘米,正确的算式是( )。
A 、3.14×3×3×4B 、3.14×3.5×3.5×6C 、3.14×2××2×7D 、3.14×3×3×7二、判断。
小升初专项练习圆柱与圆锥一.选择题1.把一个棱长4分米的正方体木块削成一个最大的圆柱体,圆柱的体积是()立方分米。
A.50.24B.100.48C.12.56D.642.下面的图形以虚线为轴旋转后能形成圆锥的是()。
A.B.C.D.3.一个圆柱和一个圆锥的底面直径相等,圆锥的高是圆柱的3倍。
如果圆锥的体积是15立方分米,那么圆柱的体积是()立方分米。
A.454.如图:一个装满水的瓶子,内直径8cm。
乐乐喝了一些后,水的高度还有12cm,把瓶盖拧紧后倒置平放,无水部分高10cm。
乐乐喝了()cm3水。
A.251.2B.502.4C.678.24D.2009.65.妈妈榨了一大杯果汁招待客人(如图1),如果倒入图2所示的杯子中,那么可以倒满()杯。
(两个杯子的杯口内直径相同)A.3B.6C.9D.12二.判断题6.一个圆柱的底面半径扩大3倍,高不变,体积扩大6倍。
()7.圆锥的体积扩大到原来的3倍,它就变成了圆柱。
()8.把一个圆柱削成一个最大的圆锥,圆锥的体积与削去部分的比是1:2。
()9.一个圆柱的体积是21立方分米,那么圆锥的体积是7立方分米。
()10.一个圆柱体的高增加2厘米,它的表面积就比原来增加12.56平方厘米,则这个圆柱体的底面积是3.14平方厘米。
()三.填空题11.如图,把一个圆柱切成若干等份后,拼成一个近似的长方体,长方体的表面积比圆柱的表面积增加了20cm2,圆柱的底面周长是 6.28cm,那么圆柱的体积是cm3。
12.如下图,将一个圆柱的侧面沿高剪开。
这个圆柱的侧面积是cm2,底面积是cm2,表面积是cm2。
13.一块圆柱形橡皮泥,底面积是3.14cm2,高是4cm。
把它捏成一个圆锥,若底面积不变,则高是cm;把它捏成两个底面积相等、高都是6cm的圆锥,其中一个圆锥的底面积为cm2。
14.下图是某糖厂制蔗糖后剩下的一堆甘蔗渣,糖厂运走这堆渣子的上半部分(圆锥形部分),运了15车,那么剩下的部分(圆柱形部分)大约要运车。
小学数学总复习专题讲解及训练(五)模拟试题一、圆柱体积1、求下面各圆柱的体积。
(1)底面积0.6平方米,高0.5米(2)底面半径是3厘米,高是5厘米。
(3)底面直径是8米,高是10米。
(4)底面周长是25.12分米,高是2分米。
2、有两个底面积相等的圆柱,第一个圆柱的高是第二个圆柱的4/7。
第一个圆柱的体积是24立方厘米,第二个圆柱的的体积比第一个圆柱多多少立方厘米?3、在直径0.8米的水管中,水流速度是每秒2米,那么1分钟流过的水有多少立方米?4、牙膏出口处直径为5毫米,小红每次刷牙都挤出1厘米长的牙膏。
这支牙膏可用36次。
该品牌牙膏推出的新包装只是将出口处直径改为6毫米,小红还是按习惯每次挤出1厘米长的牙膏。
这样,这一支牙膏只能用多少次?5、一根圆柱形钢材,截下1.5米,量得它的横截面的直径是4厘米。
如果每立方厘米钢重7.8克,截下的这段钢材重多少千克?(得数保留整千克数。
)6、把一个棱长6分米的正方体木块,削成一个最大的一圆柱体,这个圆柱的体积是多少立方分米?7、右图是一个圆柱体,如果把它的高截短3厘米,它的表面积减少94.2平方厘米。
这个圆柱体积减少多少立方厘米?二、圆锥体积1、选择题。
(1)一个圆锥体的体积是a 立方米,和它等底等高的圆柱体体积是( ) ①31a 立方米 ② 3a 立方米 ③ 9立方米 (2)把一段圆钢切削成一个最大的圆锥体,圆柱体体积是6立方米,圆锥体体积是( )立方米① 6立方米 ② 3立方米 ③ 2立方米2、判断对错。
(1)圆柱的体积相当于圆锥体积的3倍 ………( )(2)一个圆柱体木料,把它加工成最大的圆锥体,削去的部分的体积和圆锥的体积比是2 :1 ………( )(3)一个圆柱和圆锥等底等高,体积相差21立方厘米,圆锥的体积是7立方厘米………( )3、填空(1)一个圆柱体积是18立方厘米,与它等底等高的圆锥的体积是( )立方厘米。
(2)一个圆锥的体积是18立方厘米,与它等底等高的圆柱的体积是()立方厘米。
小升初数学归类复习题:圆柱和圆锥孩子的教育始终是家长关心的头等大事,所有的家长都希望自己的孩子能够接受最好的教育,有更好的未来。
为此查字典数学网小升初频道为大家提供小升初数学归类复习题。
希望对广大家长和小学生们都有所帮助!小升初数学归类复习题:圆柱和圆锥一、填空:1,把一根圆柱形木料截成3段,表面积增加了45.12平方厘米,这根木料的底面积是( )平方厘米。
2,一个圆锥体的底面半径是6厘米,高是1分米,体积是( )立方厘米。
3,等底等高的圆柱体和圆锥体的体积比是( ),圆柱的体积比圆锥的体积多( )%,圆锥的体积比圆柱的体积少( )。
4,把一个圆柱体钢坯削成一个最大的圆锥体,要削去1.8立方厘米,未削前圆柱的体积是( )立方厘米。
5,一个圆柱体的侧面展开后,正好得到一个边长25.12厘米的正方形,圆柱体的高是( )厘米。
6,用一个底面积为94.2平方厘米,高为30厘米的圆锥形容器盛满水,然后把水倒入底面积为31.4平方厘米的圆柱形容器内,水的高为( )。
7,等底等高的一个圆柱和一个圆锥,体积的和是72立方分米,圆柱的体积是( ),圆锥的体积是( )。
8,底面直径和高都是10厘米的圆柱,侧面展开后得到一个( )面积是( )平方厘米,体积是( )立方厘米。
9,把一根长是2米,底面直径是4分米的圆柱形木料锯成4段后,表面积增加了( )。
10,底面半径2分米,高9分米的圆锥形容器,容积是( )毫升。
11,已知圆柱的底面半径为r,高为h,圆柱的体积的计算公式是( )。
12,容器的容积和它的体积比较,容积( )体积。
二、判断:1,圆柱体的体积与圆锥体的体积比是3 ∶1。
( )2,圆柱体的高扩大2倍,体积就扩大2倍。
( )3,等底等高的圆柱和圆锥,圆柱的体积比圆锥的体积大2倍.( )4,圆柱体的侧面积等于底面积乘以高。
( )5,圆柱体的底面直径是3厘米,高是9.42厘米,它的侧面展开后是一个正方形。
( )三、选择:(填序号)1,圆柱体的底面半径扩大3倍,高不变,体积扩大( )A、3倍B、9倍C、6倍2,把一个棱长4分米的正方体木块削成一个最大的圆柱体,体积是( )立方分米。
人教版六年级下册数学小升初专项复习圆柱与圆锥一.单选题1.一个圆柱形水杯中装满水正好是 2.7升,将它倒入一个与它等底等高的圆锥形铁容器中,圆柱形水杯中还剩()升水。
A.0.9 B.1.8 C.2 D.1.22.在下图中,以直线为轴旋转一周,可以得到圆锥的是( )。
A.B.C.D.3.把一个圆柱体的侧面展开得到一个长4分米,宽为3分米的长方形,这个圆柱体的侧面积是()平方分米.A.12 B.50.24 C.150.72 D.12.564.两个大小相同的量杯中都盛有200mL水。
现将两个等底等高的圆柱和圆锥零件分别放入两个量杯中,甲量杯中水面刻度是320mL,则乙量杯中水面刻度是()mL。
(零件均完全淹没水中)A.40 B.120 C.240 D.2805.雪糕厂制作了底面积相同的三种模具(如下图),倒入同一种雪糕原浆,三种模具装的原浆相比较,( )。
A.正方体多B.长方体多C.圆柱多D.一样多二.判断题6.圆锥的底面积不变,高扩大2倍,体积就扩大2倍。
()7.圆锥的底面积越大,它的体积一定就越大.()8.一个圆柱的直径和高相等,则圆柱体的侧面展开图是正方形。
()9.以边长是4cm的正方形的一条边为轴,旋转一周得到的圆柱体的侧面积是200.96cm2。
()10.一个长方形的长为4米,宽为2米,以它的一条边为轴旋转出来的图形是一个圆柱,圆柱的体积一定为50.24立方米。
()三.填空题11.一个圆柱形蓄水池,它的容积是28.26立方米,已知蓄水池的内直径是6米,蓄水池的深是米.12.一个圆柱体的底面直径是3cm,高10cm,这个圆柱的侧面积是cm2.。
13.一个高是3分米的圆柱,将它侧面展开是一个长6.28分米的长方形.这个圆柱体的体积是立方分米14.一块棱长是5分米的正方体石块,从这块石块正中央挖去一个直径4分米的圆柱(如图),剩下部分的体积。
15.把一个底面直径是20厘米的圆柱锯成3个小圆柱,需要锯次,表面积比原来增加了。
圆柱与圆锥测试题(时间:90分钟,满分:100分)题号一二三四五总分得分一、填空百花园。
(每空1分,共19分)1.将右图的圆柱体(单位:cm)表面展开,可能得到()个半径()厘米的圆和一个长()厘米,宽()厘米的长方形。
2.一个圆柱的底面半径是4厘米,高是5厘米,它的侧面积是()平方厘米,表面积是()平方厘米,体积是()立方厘米。
3.一个圆锥的底面周长是31.4分米,高是12分米,它的体积是()立方分米,与它等底等高的圆柱的体积是()立方分米。
4.一个圆锥和一个圆柱等底等高,如果它们的体积和是160立方厘米,那么圆锥的体积是()立方厘米,圆柱的体积是()立方厘米。
5.用铁皮做圆柱形通风管20节,每节长6米,底面直径是15厘米,至少需要铁皮()平方米。
6.在一个高为15厘米的圆锥形量杯里装满水,将这些水倒入与它底面积相等的圆柱形量杯中,水面高为()厘米。
7.把一个棱长4厘米的正方体木块削成一个最大的圆柱体,削成的圆柱体的体积是()立方厘米。
第7题图第8题图第10题图8.如图,把直角三角形以直角边为轴快速旋转一周,得到的立体图形是()体。
它的体积最大是()立方厘米。
9.一个圆柱的底面半径是5厘米,高是12厘米,如果把它的高减少2厘米,则表面积减少()平方厘米。
10.如图,把底面半径3厘米、高10厘米的圆柱切成若干等份,可拼成一个近似的长方体。
拼成的长方体的表面积是()平方厘米,体积是()立方厘米。
二、对错小法庭。
(对的画“√”,错的画“×”)(每题2分,共10分)1.等底等高的圆柱体、长方体和圆锥的体积相等。
()2.把一段圆柱体木料削成一个最大的圆锥,削去的部分是圆锥体的2倍。
()3.圆柱的底面半径扩大3倍,高缩小3倍,侧面积不变。
()4.从圆锥的顶点向底面垂直切割成两部分,所得到的横截面是个等腰三角形。
()5.一个长方体与一个圆柱体的底面周长相等,高也相等,则它们的体积也一定相等。
()三、选择小天地。
小升初数学《圆柱和圆锥》专项试题一、选择题1.将一个底面直径为4厘米,高5厘米的圆柱切成两个完全相等的部分,()切法表面积增加的大.A.B.2.求圆柱形水桶能够盛多少水,就是求圆柱的()。
A.表面积B.体积C.容积3.把一个棱长是6cm的正方体木块削成一个最大的圆柱,圆柱的体积是()cm3。
A.75.36 B.169.56 C.301.44 D.678.244.一个圆柱,如果它的底面直径扩大2倍,高不变,那么它的体积扩大()倍。
A.2B.4C.6D.85.如图是两个立体圆形,从不同方向会看到不同图形,从右面看到的图形是()。
A.B.C.二、解答题6.做一根长1米,底面周长是2分米的圆柱形通风管,需要铁皮多少平方分米?(管壁厚度忽略不计)7.一种圆柱形铅笔,底面直径是0.8cm,长18cm。
这支铅笔刷漆的面积是多少平方厘米?(两底面不刷)8.压路机的滚筒是个圆柱,它的宽是3米,滚筒横截面半径是1米,那么滚筒转一周可压路面多少平方米?如果压路机的滚筒每分钟转10周,那么5分钟可以行驶多少米?9.一个圆柱形儿童游泳池底面半径是4米,深0.5米.在它的四周和池底抹上水泥,每平方米需要水泥10千克,一共用水泥多少千克?10.一个无盖的圆柱形铁皮水桶, 高50厘米, 底面直径30厘米, 做这个水桶大约需用多少铁皮? (得数保留整数)11.一个圆柱形木料长16分米,半径是3分米,把它锯成两段后,表面积增加了多少平方分米?12.把一个高是4dm的圆柱截成两个小圆柱后,表面积增加了18平方厘米,圆柱原来的体积是多少?13.把一个底面直径为5厘米,高为12厘米的圆柱体沿直径切割成两个半圆柱,表面积增加多少平方厘米?14.有一根长2米的圆柱形钢材,如果把它截成3段同样的圆柱,表面积比原来增加40平方厘米,这根圆柱的体积是多少立方厘米?15.把3个长6厘米,底面积相等的圆柱体拼成一个大圆柱,表面积减少了18.84平方厘米,拼成的大圆柱的体积是多少立方厘米?16.一个棱长5分米的正方体油箱装满油,倒入底面积为10平方分米的圆柱形油桶,正好倒满,这个圆柱形油桶的高是多少分米?17.有一个圆柱形储粮桶, 容积是3.14立方米, 桶深2米, 把这个桶装满稻谷后再在上面把稻谷堆成一个高0.3米的圆锥.这个储粮桶装的稻谷体积是多少立方米? (保留两位小数)18.一个圆柱体和一个圆锥体等底等高,它们的体积相差50.24立方厘米。
小升初专项练习圆柱与圆锥一.选择题1.一个高为14cm的圆柱形橡皮泥截去5cm后,圆柱的表面积减少了31.4cm2,原来圆柱的侧面积是()A.81.64cm2B.87.92cm2C.75.36cm2D.56.52cm22.下面图形以较粗的直线为轴,快速旋转后可以形成圆锥的是()。
A.B.C.D.3.用一张长方形纸卷成一个圆柱的侧面,在下面圆片中能够作为圆柱底面的是()。
A.①②B.②③C.①③D.①②③4.如图所示,在密闭的玻璃容器(圆柱部分的高大于10厘米)中装有一些水,水面到底部的高度是10)厘米。
A.4B.6C.8D.105.下图中圆柱内的沙子占圆柱的23。
这些沙子倒入()圆锥形容器内正好倒满。
A.B.C.D.二.判断题6.底面半径越大的圆锥,底面积就越大,体积也就越大。
()7.因为电线杆的上、下两个底面都是圆形的,所以电线杆是圆柱。
()8.如果圆锥的高扩大到原来的3倍,底面半径缩小到原来的13,那么圆锥的体积不变。
()9.当圆柱、正方体、长方体的底面周长相等,高也相等时,圆柱的体积最大。
()10.容积是100mL的圆柱形油桶,它的体积一定是100立方分米。
()三.填空题11.一个圆锥的体积是24cm3,底面积是12cm2,这个圆锥的高是cm。
12.一个直角三角形,两条直角边分别是3cm和4cm,以它的短边为轴,形成的立体图形的体积是cm3.13.一根长2m的圆柱形木料,截去2dm,表面积减少了12.56dm2,这根木料的横截面积是dm2,原来木料体积是dm3。
14.一个圆柱削去6立方分米,正好削成一个与它等底等高的圆锥,这个圆柱的体积是立方分米。
15.把下图所示的长方形铁皮卷成一个高2分米的圆柱形铁桶,铁桶的底面直径大约是分米,加上底面后,铁桶的表面积约是平方分米,容积大约是升。
(铁皮的厚度忽略不计)四.计算题16.计算下列图形的体积。
(单位:dm)17.计算圆柱的表面积和体积(单位:cm)五.解答题18.一个高50厘米,底面半径4厘米的圆柱形容器,里面水深15厘米,把一个底面半径是2厘米的圆锥形铁块完全浸没在这个圆柱形水中,水面上升了6厘米。
圆柱与圆锥
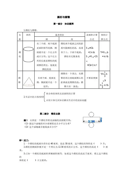
第一部分 知识梳理
1.圆柱与圆锥: 名称 图形
基本特征
表面积计算公式
体积计算公式
面
高
圆柱
有三个面,两个底面是面积相等的圆,侧面展开是一个长方形或正方形。
这个长方形的长就是圆柱的底面圆的周长,宽就是圆柱的高
圆柱两个底面之间的距离叫做圆柱的高,高垂直于上、下两个底面。
圆柱
有无数条高
S 侧=Ch =2πrh S 表=S 侧+2S
底
=Ch+2πr 2
V=S 底h =πr 2h
圆锥
有两个面,底面是圆,
侧面展开是一个扇形。
圆锥有一个顶点,从圆锥的顶点到底面圆心的距离就是圆锥的高。
圆锥只
有一条高。
不要求掌握
V=
3
1
S 底h
=3
1πr 2
h
组合体的体积及表面积的计算 2.生活中的立体图形
应用立体几何知识解决生活中的实际问题
第二部分 精讲点拨
例1 右图是一个圆柱形铁皮油桶的表面展开图。
(1)做这个油桶的至少需要铁皮多少平方分米? (2)这个油桶最多能装油多少升?
举一反三:
1.一个圆柱的底面内直径是40厘米,高是50厘米,这个圆柱的容积是( )升。
2.圆柱的侧面积展开是一个周长为12.56厘米的正方形,这个圆柱的高是( )厘米。
3.已知一个圆柱的底面积和侧面积相等,如果这个圆柱的高是5厘米,那么这个圆柱的 体积是( )立方厘米。
小结:
例2 一个圆柱的高增加3.5厘米,体积增加了49立方厘米。
这个圆柱的底面积是( )平方厘米。
举一反三:
1.圆柱的底面半径扩大为原来的2倍,高不变,侧面积扩大为原来的( )倍,体积扩大( )倍。
2.圆柱的高扩大2倍,底面半径缩小2倍,它的体积( )。
3.一个圆柱的底面直径缩小到原来的2
1
,高增加了,体积就是原来的( )。
小结:
例3 一个圆柱的高增加3.5厘米,体积增加了49立方厘米。
这个圆柱的底面积是( )平方厘米。
举一反三:
1.一个高是10厘米的圆柱形木块,如果沿着它的直径切去高为2厘米的一段,表面积就减少18.84平方厘米,原来圆柱的体积是多少立方厘米?
2.将一个圆柱形的木桩沿着直径切开,截面是一个正方形,切成的一块中半圆形的底面周长是25.7厘米,求圆柱的体积是多少立方厘米?
3.一个底面直径是18厘米的圆锥形木块,沿着它的直径和高将其切割成形状大小相同的两个木块后,表面积比原来增加了54平方厘米,求这个圆锥的体积是多少? 小结:
例4 一个边长为10厘米的正方形,以它的一条边为轴旋转一周,得到什么立体图形?求出这个立体图形的表面积与体积。
举一反三:
1.如图所示,一个三角形ABC ,线段AB 长15厘米,线段CD 是这个三角形的高,CD 长4厘米,如果以AB 为轴,旋转一周得到一个立体图形,求这个立体图形的体积是多少?
2.下图ABCD 是直角梯形,以AB 为轴并将梯形绕这个轴旋转一周,得到一个立体图形,它的体积是多少?(单位:cm)
3.一个直角三角形的三边分别为6cm 、8cm 、10cm,以斜边为轴将三角形旋转一周,试求出旋转后得到的立体图形的体积是多少cm 3?
小结:
例5 将一块长为15.7厘米、宽为8厘米、高为5厘米的长方体铁块和一块底面直径为6厘米、高为24厘米的圆柱形铁块,熔铸成一个底面半径为8厘米的圆锥形铁块,求这个圆锥形铁块的高是多少厘米?
1.在一只底面半径为30厘米的圆柱形蓄水桶里,有一段半径为10厘米的圆柱形钢材完全浸没在水中,当钢材从蓄水桶中取出时,桶里的水面下降了5厘米。
这段钢材的高是多少厘米?
3 5 6 A
D C B
2.一个底面直径是20厘米的圆柱形玻璃杯中装着水,水下放着一个底面直径为6厘米,高20厘米的圆锥形铅锤,当铅锤从水中取出后,杯里的水面会下降多少厘米?
3.一个饮料瓶里面深30厘米,底面内直径是10厘米,瓶里饮料深22厘米。
把饮料瓶塞紧后向下倒立,这时饮料深25厘米。
问饮料瓶容积是多少升?
小结:
例6 等底等高的圆柱和圆锥的体积和是96立方分米,圆柱的体积是( )立方分米,圆锥的体积是( )立方分米。
举一反三:
1.已知一个圆柱的底面积是圆锥的底面积的2
3
,高之比是4:1。
如果圆柱的体积是4立方厘米,则圆锥的体积是多少立方厘米?
2.已知一个圆柱与圆锥的体积之比为2:3,圆柱的底面积是圆锥底面积的4倍,如果圆锥的高是4厘米,则圆柱的高是多少厘米?
3.已知一个圆柱的体积是圆锥体积的2倍,圆柱的高是圆锥的高的3
4
,如果圆锥的底面积是6平方厘米,则圆柱的底面积是多少平方厘米?
小结:
22
30
10
25
第三部分 过关检测
一、填空题
1.(09年)一个棱长为6分米的正方体木块的表面积是( )平方分米,把它切割成一个最大的圆锥体这个圆锥体的体积是( )立方分米。
2.(11年嘉信模拟)一个圆柱体的底面周长是12.56厘米,高是10厘米,它的体积是( )立方厘米。
3.一个圆柱与圆锥等底等高,它们的体积和是100立方厘米,圆柱的体积是( )立方厘米,圆锥的体积是( )立方厘米。
4.一个圆柱与圆锥等底,圆柱的高是圆锥高的3
2
,圆锥的体积是48立方厘米,圆柱的体积是( )立方厘米。
5.一个圆柱,如果把它的高截短3厘米,它的表面积就减少18.84平方厘米。
这个圆柱的体积就减少( )立方厘米。
二、选择题
1.(11年嘉信模拟)一个圆锥的高缩小到原来的2
1
,底面周长扩大6倍,它的体积扩大( )。
A.4倍
B.3倍
C.18倍
D.6倍
2.一个圆柱与圆锥等底等体积,那么圆柱的高是圆锥的高的( )。
A.
31 B.3倍 C.3
2
D.2倍 3.底面积相等的圆柱与圆锥,它们的体积比是2:1,圆锥的高是9厘米,圆柱额高是( )厘米。
A.3
B.6
C.9
D.18
4.一个圆柱的体积与一个圆锥的体积相等,已知圆柱的高是圆锥高的3
2
,那么圆柱与圆锥的底面积的比是( )。
A.3:2
B.2:1
C.2:3
D.1:2 三、判断题
1.(09年)如果圆柱的底面半径扩大2倍,那么它的体积就扩大4倍。
( )
2.圆锥的体积等于圆柱体积的
3
1。
( ) 3.一个圆柱的体积是一个圆锥体积的3倍,这个圆柱与圆锥一定等底等高。
( ) 4.圆锥的高扩大到原来的2倍,底面半径缩小到原来的
2
1
,它的体积不变。
( ) 5.一个圆柱和一个圆锥的体积比是3:2,它们的底面积比是2:3,那么它们的高的比是1:3。
( )
四、计算题
1.如图所示,是一个高为2厘米,底面半径为5厘米的
4
1
圆柱,求它的表面积和体积。
五、解答题
1.(10年)一个玻璃容器装有一部分水,水中浸没着一个高6厘米的圆锥形铅锤。
当铅锤从水中取出后,水面下降了0.5厘米,已知容器的底面直径为1.2分米,求这个圆锥形铅锤的底面积是多少平方厘米?
2.(11年嘉信模拟)一个圆柱形水桶,底面内直径是6厘米,水深是8厘米。
现将一个圆锥形物体完全浸没到水中,水面上升2厘米,这个圆锥形物体的体积是多少立方厘米?
3.(11年)沿着圆锥的顶点和底面直径把它平均分成完全相同的两部分,表面积比原来增加了120平方厘米。
圆锥的高是6厘米,圆锥的体积是多少立方厘米?
4.(11年)甲圆柱形容器有水6升,乙圆柱形是空的。
现在同时用每分钟1.5升的速度往两个容器注水,8分钟后水面一样高。
已知乙容器底面直径是2分米,求甲容器的底面积。
(π取3计算)
5.在一个圆柱形水桶里,放进一段截面半径是5厘米的圆柱形钢铁,如果钢铁全部浸没在水中,桶里的水面上升10厘米,如果把钢铁从水中露出6厘米时,桶里的水面就下降2厘米。
这段钢铁的体积是多少立方厘米?
6.如下图所示,圆锥形容器中装有5升水,水面高度正好是圆锥高度的一半,这个容器还能装多少升水?。