预应力筋用锚具、夹具和连接器质量检验批验收记录表
- 格式:xlsx
- 大小:12.45 KB
- 文档页数:1
使用说明(使用时删除):
1、该表格主要用途包含不局限于学校、公司企业、事业单位、政府机构,主要针对对象为白领、学生、教师、律师、公务员、医生、工厂办公人员、单位行政人员等。
2、表格应当根据时机用途及需要进行适当的调整,该表格作为使用模板参考使用。
3、表格的行列、文字叙述、表头、表尾均应当根据实际情况进
《合同
条件》
是根据
《中华
人民共
和国合
同法
》,对
双方权
利义务
作出的
约定,
除双方
协商同
意对其
中的某
些条款
作出修
改、补
《协
议条款
》是按
《合同
条件》
的顺序
拟定
的,主
要是为
《合同
条件》
的修改
、补充
提供一
个协议
的格式。
双方
针对工
实际情
况,把
对《合
同条件
》的修
改、补
充和对
某些条
款不予
采用的
一致意
见按《
协议条
款》的
格式形
模板1模板2模板3模板4模板5模板6模板7模板8模板9模板10模板11模板12模板13模板14
模板15模板16模板17模板18模板19模板20模板21模板22模板23模板24模板25模板26模板27模板28模板29模板30模板31模板32模板33模板34模板35模板36模板37模板38模板39模板40模板41模板42。
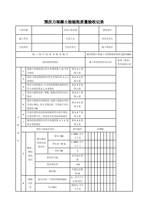
说 明(Ⅰ)GD2402008主控项目:一. 锚具1. 外观质量:⑴ 检查数量:从每批中抽10%的锚具且不应少于10套。
⑵ 锚具外形尺寸应符合产品质量保证书的要求。
所抽全部样品均不得有裂纹出现,当有一套表面有裂纹时,则本批应逐套检查,合格者方可进入后续检验组批。
⑶ 划分进场验收批时,只有在同种材料和同一生产工艺条件下生产的产品才可列为同一批量。
锚固多根预应力钢材的锚具应以不超过1000套为一个验收批;锚固单根预应力钢材的锚具,每个验收批可扩大为2000套。
2. 硬度检查⑴ 对硬度有严格要求的锚具零件,应进行硬度检查。
从每批中抽取5%的样品且不应少于5套,按产品设计规定的表面位置和硬度范围(该表面位置和硬度范围是品质保证条件,由供货商在供货合同中注明)作硬度检验。
检查检验报告。
3. 静载锚固性能试验⑴ 在通过外观检查和硬度检查的锚具中抽取6套样品,与符合试验要求的预应力筋组装成3个预应力筋-锚具组装件。
⑶ 对于锚具用量不多的工程,如由供货方提供有效试验合格证明文件,经工程负责单位审议认可并正式备案,可不进行静载验收试验。
⑷ 用于主要承受动荷载的锚具,应按规定进行疲劳荷载试验。
⑸ 检查检验报告。
二. 夹具夹具进场验收时,应进行外观质量检查、硬度检验和静载锚固性能试验。
检验和试验方法与锚三. 连接器后张法连接器的进场验收规定应与锚具相同。
先张法连接器的进场验收规定应与夹具相同。
一般项目:锚具、夹具、连接器外观应无污物、锈蚀、机械损伤等现象。
全数检查。
公路桥梁施工预应力筋锚具、夹具和连接器一、预应力筋锚具、夹具和连接器须符合国家现行标准《预应力筋锚具、夹具和连接器》同时应满足以下要求:1 预应力筋内缩及锚具变形量平均值应不大于6mm;2 摩阻损失均值应不大于6%;3 张拉锚固工艺应达到以下要求:1)具有分级张拉或因张拉设备倒换行程需要时的临时锚固;2)经过多次张拉锚固后,预应力筋内各根预应力钢材受力仍是均匀的;3)在张拉发生故障时,预应力筋具有全部放松的措施;4)单根垫板连体式锚具,预应力筋应能在锥形夹片孔中自由对中和不顶压锚固。
2预应力筋锚具应按设计要求使用。
用于后张的锚具或其附件上应设置压浆孔或排气孔,压浆孔应有足够的截面面积,以保证浆液的畅通。
3 夹具应具有良好的自锚性能、松锚性能和重复使用性能。
需敲击才能松开的夹具,必须保证其对预应力筋的锚固没有影响,且对操作人员的安全不造成危险。
4 用于后张法的连接器,必须符合锚具的性能要求;用于先张法的连接器,必须符合夹具的性能要求。
5锚具、夹具和连接器进场时,除应按出厂合格证和质量证明书核查其锚固性能类别、型号、规格及数量外,还应委托有相应资质的公路工程试验检测机构进行检验。
1 锚具、夹具、连接器检验项目、检验频次、取样数量与质量要求见下表3。
表3 锚具、夹具、连接器检验项目、频次、取样数量与质量要求2 检验结果判定外观:表面无裂纹,影响锚固性能的尺寸符合设计要求,应判为合格;如此尺寸有一项超过允许偏差,则应取双倍数量重做检验;如仍有一套不合格,则应逐套检查,合格者方可使用。
硬度:每个零件测试3点,其硬度应在设计要求的范围内;如有一个零件不合格,则应取双倍数量的零件重做试验;如仍有一个零件不合格,则应逐个检查,合格者方可使用。
静载锚固性能试验:抽取6套锚具(夹具或连接器)组成3个预应力筋锚具组装件进行静载锚固性能试验,确保锚具效率系数、总应变等技术指标满足要求,如有一个试件不符合要求,则应另取双倍数量重做试验;如仍有一个试件不符合要求,则该批产品为不合格。