手工镀锡作业指导
- 格式:docx
- 大小:948.45 KB
- 文档页数:4
执锡作业指导书一、任务背景执锡作业是指在金属加工行业中,对于金属制品进行锡焊作业的一种技术。
锡焊是一种常见的金属连接方法,通过将锡焊丝加热熔化后涂敷在待连接的金属表面,通过冷却后形成牢固的连接。
执锡作业是金属加工行业中常见的一项技术操作,对于保证产品质量和生产效率具有重要意义。
二、作业环境要求1. 工作场所应保持通风良好,确保操作人员的健康和安全。
2. 工作区域应保持整洁,避免杂物堆积,以免影响操作。
3. 作业区域应设有明显的警示标识,提醒他人注意作业进行中。
三、作业准备1. 检查所需工具和设备是否齐全,并确保其正常工作状态。
2. 根据作业要求,准备所需的锡焊丝、焊接烙铁、焊接剂等材料。
3. 检查焊接烙铁的温度是否适宜,确保焊接质量。
四、作业步骤1. 清洁金属表面:使用金属刷等工具清洁待焊接的金属表面,去除表面的氧化物和污垢,以保证焊接质量。
2. 涂抹焊接剂:将适量的焊接剂涂抹在金属表面,焊接剂可以提高焊接的润湿性和连接强度。
3. 加热焊接烙铁:将焊接烙铁加热至适宜的温度,一般为250℃-300℃。
4. 熔化锡焊丝:用加热后的焊接烙铁接触锡焊丝,使其熔化,并涂抹在待焊接的金属表面上。
5. 连接金属件:将待连接的金属件放置在焊接烙铁涂抹的锡焊丝上,使其与锡焊丝充分接触。
6. 冷却固化:等待焊接处冷却,锡焊丝会在冷却过程中固化,形成牢固的连接。
五、注意事项1. 操作人员应佩戴防护手套和护目镜,以保护自身安全。
2. 在进行焊接作业时,应注意周围人员的安全,避免造成意外伤害。
3. 焊接烙铁使用完毕后,应及时断电并放置在安全位置,避免发生火灾或其他安全事故。
4. 作业完成后,应清理工作区域,归还工具和设备,并妥善存放。
六、常见问题及解决方法1. 焊接质量不理想:可能是焊接烙铁温度不适宜或焊接剂使用不当,可调整焊接烙铁温度或更换适宜的焊接剂。
2. 焊接处出现气泡:可能是焊接表面未清洁干净或焊接烙铁接触时间过长,可加强清洁工作或控制焊接时间。
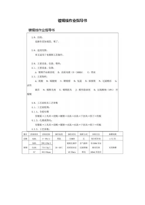
镀锡线作业指导书镀锡线作业指导书硫酸溶液浸泡30min以上;5.4.2.8、将浸泡的阳极袋取出、滴干、套上钛蓝,并把磷铜球装入挂入镀槽内,加纯水至标准水位;5.4.2.9、取样分析并调整药水成分至控制范围,用拖缸板以2.0A/dm2电解处理2小时,再以0.5A/ dm2电解3—4小时,用赫氏槽调整光剂含量至正常即可试镀。
6.0、作业细则:6.1作业时必须双手戴胶手套或双手至少三指(拇指、食指、中指)戴手指套,避免裸手与板面直接接触;6.2、上夹具时要对角拿板轻拿轻放,特别小心,防止产品皱折,上好夹具的板尽量保持平直;6.3、夹好板后按工艺流程图及工艺参数表操作,注意板件下槽时带电下槽,即预先将电流调至3-5A再挂板下槽,电流计算方法如下:(以1PNL全板电镀铜为例):长×宽×2×100%×电流密度=需打电流(A)式中长、宽均以分米为长度单位“2”代表双面,如单面板则以“1”代100%代表实际电镀面积占待镀板面积的百分比率电流密度选择1.2—2.5ASD6.4每缸板所耗用安培时计算方法:总电流(A)×电镀时间(min)÷60=安培时(AH)7.0、作业注意事项;7.1、注意产品出入各槽液面时速度要放慢,防止皱折;7.2、从各槽中取出产品时注意滴水时间用控制在5到10秒,以防交叉污染;7.3、产品应带电下槽,即先设定一个3-5A的电流,再挂板入槽7.4、补料必须按工艺参数表要求操作,且所有分析添加需在化验室人员监控下补料;时须用干净的钛蓝袋装着挂入槽中待其慢慢溶解,缸内有板作业时,不7.5、添加CuSO4允许添加药液,添加HCL时,一定要用纯水稀释到20%再加入槽中;7.6、铜光亮剂的补充应按每500AH添加100ML.8.0、镀槽的维护8.1、每次停产达8H以上于再生产之前,必须用3—5ASF电流对镀铜槽进行电解20—30分钟;8.2、每两周对镀铜槽进行碳芯处理4—6小时,再以3—5AF弱电解4—8小时;8.3、每月需对镀铜槽进行一次小保养;8.3.1、将镀铜槽药水抽到干净的备用槽内,并将阳极取出;8.3.2、将缸壁清洁干净,排走残液,及缸底残渣,打磨阳极架上的阳极膜;8.3.3、将磷铜球从钛蓝中取出,并清洗干净最后用3—5%的硫酸溶液浸泡待用,同时将阳极袋里外都清洗干净,用3—5%的硫酸溶液浸泡;8.3.4、将过滤泵中的棉芯取出换上过滤碳芯,把药水抽到已经清洗干净的铜缸中;8.3.5、将浸泡的阳极袋取出,滴干,套上钛蓝,并把磷铜球装入挂入镀槽内;8.3.6、将过滤泵中的旧碳芯取出,换上新碳芯用25ASF电流电解30—60分钟,然后把碳芯换成棉芯,再以3—5ASF电流电解4—8小时,做哈氏槽实验分析调整药水光剂的含量即可试镀;8.4、每年对镀铜槽进行一次大保养:8.4.1、按8.3.1—8.3.1步骤处理好阳极待用;8.4.2、边搅拌槽液边加入2—3ml/的H2O2,充分搅拌1—2小时;8.4.3、升温至50—60℃,继续搅拌1—2小时;8.4.4、按3—5g/l比例加入活性碳粉,搅拌1小时以上;8.4.5、停止加温,关闭空气搅拌,让槽液静置4小时以上;8.4.6、将处理好阳极袋取出,滴干套上钛蓝,并把磷铜球装入,挂回槽内;将澄清的溶液转入工作槽中,8.4.7、将过滤泵内棉芯取出,清洗干净过滤泵,装上新棉芯;8.4.8、取样分析并调整使药水各成分合乎工艺要求后试镀;9.0、附表:9.1 《电镀铜线维护保养记录表》。
电镀铅锡作业指导书一、背景介绍电镀铅锡是一种常见的表面处理技术,用于保护金属表面、改善外观和增强耐腐蚀性能。
本指导书旨在提供详细的操作步骤和注意事项,以确保电镀铅锡作业的安全性和效果。
二、操作步骤1. 准备工作a. 确保操作场所通风良好,以防止有害气体积聚。
b. 穿戴个人防护装备,包括防护眼镜、化学防护手套和防护服。
c. 检查电镀设备和工具的完好性,确保其正常工作。
d. 准备所需的化学药品和材料,如铅锡电镀液、电极等。
2. 表面处理a. 清洗金属表面,去除油脂、灰尘和其他污染物。
b. 使用酸性溶液或者碱性溶液进行脱脂和除锈处理,以确保表面光洁。
c. 冲洗金属表面,去除残留的化学药品。
3. 镀液准备a. 按照铅锡电镀液的配方准确称取化学药品。
b. 将化学药品逐步加入适量的去离子水中,并搅拌均匀。
c. 检查铅锡电镀液的pH值和温度,确保其在合适的范围内。
4. 电镀操作a. 将待镀件固定在电极上,并确保其与电极接触良好。
b. 将电极和待镀件浸入铅锡电镀液中,确保彻底覆盖。
c. 设置电镀设备的电流密度和电镀时间,根据需要进行调整。
d. 启动电镀设备,开始电镀过程。
e. 定期检查电镀液的温度和pH值,根据需要进行调整。
f. 完成电镀后,将待镀件从铅锡电镀液中取出,并将其冲洗干净。
5. 后处理a. 对电镀件进行清洗,去除残留的电镀液和其他污染物。
b. 对电镀件进行干燥处理,确保其表面无水分残留。
c. 检查电镀件的质量和外观,如有问题可进行修复或者重新电镀。
三、注意事项1. 严格遵守操作规程和安全操作要求,确保人身安全。
2. 避免铅锡电镀液的接触皮肤和眼睛,如不慎接触,应即将用清水冲洗,并寻求医疗匡助。
3. 注意电镀设备和工具的正常运行,如有故障应及时修理或者更换。
4. 铅锡电镀液应存放在密闭容器中,远离火源和易燃物。
5. 定期检查电镀液的pH值和温度,根据需要进行调整,以确保电镀效果稳定。
6. 注意电镀件的固定和浸泡时间,避免电镀不均匀或者过度电镀。
执锡作业指导书一、任务背景执锡作业是指在金属制品加工过程中,使用锡锅将锡融化后,将金属制品浸入锡液中进行镀锡处理的工艺。
镀锡可以提高金属制品的耐腐蚀性和导电性,广泛应用于电子、电器、食品包装等行业。
为了确保执锡作业的安全和质量,制定本指导书,明确执锡作业的要求和操作流程。
二、任务目的本指导书的目的是为了规范执锡作业的操作流程,确保操作人员的安全和产品的质量。
通过严格按照指导书的要求进行执锡作业,可以降低事故风险,提高工作效率,保证产品的一致性和稳定性。
三、任务内容1. 执锡作业前的准备工作a. 确保操作区域的通风良好,排除可燃物和易燃物。
b. 检查锡锅、锡液和相关设备是否完好无损。
c. 穿戴个人防护装备,包括防火服、防护眼镜、防护手套等。
d. 进行设备的预热和调试,确保设备正常运行。
2. 执锡作业的操作流程a. 将金属制品放入锡锅中,确保金属制品完全浸没在锡液中。
b. 控制加热温度和时间,使锡液保持适宜的温度。
c. 轻轻晃动金属制品,使锡液均匀附着在金属表面。
d. 将镀好锡的金属制品取出,放置在通风处晾干。
3. 执锡作业的注意事项a. 操作人员应经过专业培训,熟悉执锡作业的操作流程和安全知识。
b. 在操作过程中,严禁使用易燃物品和尖锐工具,以免引发事故。
c. 注意锡液的温度,避免温度过高引发烫伤。
d. 在作业现场设置明显的警示标识,提醒他人注意安全。
四、任务要求1. 执锡作业的操作人员必须经过专业培训,具备相关的操作技能和安全知识。
2. 操作人员必须穿戴个人防护装备,确保自身安全。
3. 执锡作业的设备和工具必须保持良好状态,定期检查和维护。
4. 严格按照操作流程进行执锡作业,不得随意改变操作步骤。
5. 在作业现场设置明显的警示标识,提醒他人注意安全。
6. 定期进行执锡作业的检查和评估,及时发现和解决问题。
五、任务评估为了确保执锡作业的安全和质量,需要定期进行评估。
评估内容包括操作人员的技能培训、设备和工具的状态、操作流程的执行情况等。
电镀铅锡作业指导书一、任务概述本文档旨在提供电镀铅锡作业的详细指导,包括作业前的准备工作、操作步骤、安全注意事项以及常见问题解答等内容。
通过遵循本指导书,能够确保电镀铅锡作业的安全和高效进行。
二、准备工作1. 确保操作环境安全:检查操作区域的电源、照明设备和通风系统是否正常工作,排除潜在的安全隐患。
2. 准备所需设备和材料:包括电镀槽、电源、铅锡合金、电镀液、电镀架、电镀盘等。
3. 检查设备状态:确保电镀槽、电源和电镀架等设备的正常工作状态,如有故障及时修复或者更换。
4. 穿戴个人防护装备:包括防护眼镜、防护手套、防护服等,以保护操作人员的安全。
三、操作步骤1. 清洗工件:将待电镀的工件进行清洗,去除表面的油污和杂质,以确保电镀效果的良好。
2. 准备电镀液:按照所需比例将铅锡合金与电镀液混合,搅拌均匀。
3. 调整电镀参数:根据工件的要求,调整电镀槽中的温度、电流密度和电镀时间等参数。
4. 将工件悬挂在电镀架上:将清洗后的工件悬挂在电镀架上,确保工件与电镀液充分接触。
5. 进行电镀:将电镀架放入电镀槽中,启动电源,开始电镀过程。
根据所设定的电镀参数,控制电镀时间。
6. 完成电镀后处理:将电镀完成的工件取出,进行后续处理,如清洗、烘干等。
四、安全注意事项1. 操作人员应穿戴个人防护装备,如防护眼镜、防护手套等。
2. 严禁在操作过程中吃东西、喝水或者吸烟,以防止误食或者吸入有害物质。
3. 注意电源的安全使用,确保接地良好,避免发生漏电或者触电事故。
4. 电镀液具有腐蚀性,操作时应避免直接接触皮肤,如不慎接触到皮肤,应即将用清水冲洗并就医。
5. 电镀槽中的液体温度较高,操作时应小心避免烫伤。
五、常见问题解答1. 为什么电镀后的工件表面浮现斑点?答:可能是由于电镀液中杂质较多或者电镀参数设置不当导致的,可以尝试更换电镀液或者调整电镀参数来解决。
2. 电镀后的工件表面浮现起泡现象怎么办?答:起泡可能是由于工件表面存在油污或者杂质,或者电镀槽中的电流密度设置过高所致,可以尝试重新清洗工件并调整电流密度来解决。
镀锡工艺流程及详解嘿,朋友们!今天咱们来聊聊镀锡工艺流程,这可真是个超级有趣又很重要的事儿呢!镀锡啊,就像是给物体穿上一层闪亮的银色铠甲,让它变得更加耐用和美观。
那它到底是怎么个流程呢?咱一步一步来看哈。
首先是准备工作,这就好比运动员上场前的热身,可不能马虎。
要把需要镀锡的物体表面清理得干干净净,不能有一点杂质和油污,就像我们洗脸要洗得彻底一样,不然“妆容”可就不服帖啦!可以用各种化学溶剂或者物理方法来清洗,确保表面光滑如镜。
这一步要是没做好,后面的镀锡效果可就大打折扣了哦!你说重要不重要?接下来就是关键的镀锡溶液配制啦。
这溶液就像是魔法师的魔法药水,有着神奇的力量。
里面有各种化学成分,要按照严格的比例来调配,多一点少一点都不行。
就像做菜放盐一样,得恰到好处,才能做出美味佳肴。
不同的镀锡方法,溶液的配方也会有所不同哦。
比如说,有酸性镀锡溶液,也有碱性镀锡溶液,它们各有各的特点和适用范围。
然后呢,就是把清洗好的物体放入镀锡溶液中啦。
这时候就像把一颗种子种进了肥沃的土壤里,等待它发芽成长。
在溶液中,电流会发挥它的神奇作用,让锡离子在物体表面沉积下来,慢慢形成一层均匀的锡层。
这个过程需要控制好电流密度、温度和时间等因素,就像烤蛋糕要控制好火候和时间一样,不然蛋糕可能就会烤焦或者没烤熟。
电流密度太大,镀锡层可能会粗糙不均匀;温度不合适,反应速度可能就会受到影响;时间过长或过短,镀锡层的厚度和质量也会不一样哦。
你看,这里面的学问大着呢!镀锡的过程中,还需要不断地搅拌溶液,这就像是给种子浇水施肥一样,让溶液中的成分均匀分布,保证镀锡的效果均匀一致。
要是不搅拌,溶液里的成分可能就会分层,就像一杯没搅匀的糖水,下面甜上面淡,那镀出来的锡层肯定也不均匀啦!当镀锡达到我们想要的效果后,就要把物体从溶液中取出来啦。
这时候可别急着欢呼,还有后续的处理工作呢!要把物体表面的残留溶液清洗干净,然后进行烘干或者晾干。
这就像我们洗完头发要吹干一样,让它保持干爽整洁。
1、目的 明确生产车间手工浸锡工序生产操作过程,确保浸锡产品质量.
2、范围 适用于德科汽车电器有限公司线束生产过程中手工浸锡工序的操作.
3、职责 车间主任、装配班班长、装配工序质检员、装配班操作工及与手工浸锡工序相关的人
员均有将指导书付诸实施的职责.
4、定义: 无.
5、工作程序
5.1.根据生产指令及相关工艺要求,备齐所需材料、半成品及工具;
5.2.校对所需材料、半成品及工具与生产指令及相关工艺要求的是否符合.
5.3.插上锡锅电源,并在锡锅内加入适量锡料:HISn58-2;
5.4.待锡锅温度适中时,取适当数量的导线,将其需浸锡端整齐、理顺,浸入浓度为3~5%的ZnCl 2溶液中,然后取出;
5.5.将浸过ZnCl 2溶液的导线端浸入锡锅中,停留时间约为0.5秒,迅速取出后,用力甩动一下,将
其全部浸入清水中约2秒,深度约为50mm,洗去线上残留下的ZnCl 2溶液,然后甩净导线上的水
珠;
5.6.时刻用目测的方法确保的导线浸锡端要平整、光洁、锡料均匀,不得有锡刺、结点、开叉、弯曲、线皮烧伤、浸锡不全、锡渣过多等不良现象。
5.7.首件必须经装配工序质检员检验合格后,方可批量生产。
5.7.产品加工完毕后,将合格品转入合格区;
6、备注:无.
7、参考资料:无.。
电镀铅锡作业指导书一、背景介绍电镀铅锡是一种常用的金属表面处理技术,通过电化学反应将铅锡合金镀在金属表面,以提高其耐腐蚀性、导电性和外观质量。
本作业指导书旨在提供详细的操作步骤和注意事项,确保电镀铅锡作业的安全性和质量。
二、设备和材料准备1. 设备准备:- 电镀槽:包括电源、电极、温度控制器等。
- 清洗槽:用于清洗金属表面的杂质。
- 除油槽:用于去除金属表面的油脂。
- 冲洗槽:用于冲洗电镀后的工件。
2. 材料准备:- 铅锡电镀液:按照创造商的说明进行配制。
- 清洗剂:用于清洗金属表面。
- 除油剂:用于去除金属表面的油脂。
- 冲洗水:用于冲洗电镀后的工件。
三、操作步骤1. 准备工作:- 将电镀槽、清洗槽、除油槽和冲洗槽按照要求进行布置,并确保设备正常运行。
- 检查电源和电极的连接是否坚固,确保电流正常。
- 检查温度控制器的设置,根据铅锡电镀液的要求进行调整。
2. 清洗工件:- 将待电镀的工件放入清洗槽中,浸泡一段时间,去除金属表面的杂质。
- 使用刷子或者喷枪清洗工件,确保表面干净。
3. 除油处理:- 将清洗后的工件放入除油槽中,浸泡一段时间,去除金属表面的油脂。
- 使用刷子或者喷枪清洗工件,确保表面干净。
4. 电镀操作:- 将清洗和除油后的工件放入电镀槽中,确保工件与电极的接触良好。
- 打开电源,根据工件的要求设置合适的电流和电镀时间。
- 控制电镀液的温度,根据工件的要求进行调整。
- 监控电镀过程中的电流和电压,确保电镀质量稳定。
5. 冲洗工件:- 将电镀后的工件取出,放入冲洗槽中,用冲洗水彻底冲洗。
- 确保工件表面没有残留的电镀液和其他杂质。
6. 检查和包装:- 对电镀后的工件进行外观检查,确保表面光滑、均匀。
- 进行必要的测试,如耐腐蚀性、导电性等。
- 将合格的工件进行包装,以防止表面受损。
四、注意事项1. 安全第一:- 操作人员应穿戴好防护设备,如手套、护目镜等。
- 注意电源和电极的安全使用,避免触电和短路。
电镀作业指导书引言概述:电镀是一种常见的表面处理技术,通过在金属表面形成一层均匀、致密、具有特定性能的金属膜,可以提高材料的耐腐蚀性、硬度和美观度。
本文旨在提供一份电镀作业指导书,帮助操作人员正确、安全地进行电镀作业。
一、准备工作1.1 清洁表面:在进行电镀前,必须确保待处理的金属表面干净无油污、氧化物和其他杂质。
可以使用溶剂、酸性清洗剂或碱性清洗剂进行清洗,确保表面无残留物。
1.2 防护措施:操作人员应佩戴防护手套、护目镜和防护服,以防止电镀液对皮肤和眼睛的刺激。
同时,应确保操作环境通风良好,避免有害气体的积聚。
1.3 设备检查:检查电镀设备的工作状态,确保电源、电极和液体循环系统正常运行。
同时,检查电镀液的浓度、温度和PH值,确保符合要求。
二、电镀操作步骤2.1 预处理:将待处理的金属清洗干净后,进行预处理。
预处理可以包括酸洗、酸性活化、钝化等步骤,以提高电镀层的附着力。
2.2 电镀液配制:根据所需的电镀层材料和性能要求,准确配制电镀液。
不同的金属需要不同的电镀液,配制时需按照配方比例和工艺要求进行。
2.3 电镀操作:将待处理的金属件悬挂在电解槽中,确保与电镀液充分接触。
通过调节电流密度、电镀时间和温度等参数,控制电镀层的厚度和质量。
三、电镀液维护3.1 定期检测:定期检测电镀液的浓度、温度和PH值,确保在正常范围内。
如果发现异常,及时调整电镀液的配方或更换液体。
3.2 溶质补充:根据电镀液的使用情况,定期补充溶质,以保持电镀液的稳定性和工作效果。
3.3 滤液处理:定期清理电镀槽中的杂质和沉淀物,以保持电镀液的清洁度。
可以使用滤网或滤纸进行过滤处理。
四、安全注意事项4.1 防止溅溶液:在操作过程中,应注意防止电镀液的溅溢,以免对操作人员造成伤害。
可以使用防护罩或隔离措施,确保操作安全。
4.2 防止电解液中毒:电镀液中的某些成分可能对人体有毒性,操作人员应避免直接接触电镀液。
如有必要,应佩戴适当的防护装备。
手工浸锡作业指导书一、简介手工浸锡是一种常见的手工技巧,用于涂覆薄膜在电子器件的金属接触点上。
这种技术可以提高电子器件的导电性能和耐腐蚀性。
本指导书将向您介绍手工浸锡的基本步骤和注意事项。
二、材料准备1. 锡丝:选择高纯度的锡丝,推荐使用直径为0.3mm至0.5mm的锡丝。
2. 酒精:用于清洁待浸锡的金属接触点。
3. 电烙铁:选择适当功率的电烙铁,推荐使用30W至60W的电烙铁。
4. 热风枪:用于加热焊接区域。
5. 防静电手套:使用防静电手套以防止静电干扰手工浸锡过程。
6. 雪碧水:用于清洁和去除锡渣。
三、操作步骤1. 清洁:用酒精清洁待浸锡的金属接触点,确保其表面无油污和杂质。
2. 加热电烙铁:将电烙铁预热至适当温度,通常在300℃至400℃之间。
3. 用锡丝覆盖金属接触点:将锡丝轻轻地覆盖在金属接触点上,确保锡丝与金属接触点充分接触。
4. 加热焊接区域:使用热风枪加热焊接区域,确保锡丝完全熔化并涂覆在金属接触点上。
5. 去除锡渣:使用雪碧水或其他清洁剂清洁待浸锡的金属接触点,彻底去除锡渣和杂质。
6. 检查:检查浸锡效果是否符合要求,确保涂覆的锡层均匀、平整。
四、注意事项1. 安全第一:使用防静电手套和其他个人防护设备,确保操作过程的安全。
2. 温度控制:控制电烙铁和热风枪的温度,以避免过热或太低的情况发生。
3. 均匀涂覆:保持锡丝的均匀涂覆,以确保涂层的均匀性和质量。
4. 避免过度加热:过度加热可能导致金属接触点的损坏,应避免这种情况发生。
5. 清洁和检查:定期清洁金属接触点和检查锡层的质量,确保良好的导电性能和耐腐蚀性。
五、常见问题解决方法1. 锡层厚度不均匀:可能是因为加热不均匀导致的。
应确保加热焊接区域均匀受热,可以尝试调整热风枪的位置和距离。
2. 锡丝未完全熔化:可能是因为温度不够高或加热时间不足。
可以尝试增加热风枪的温度或延长加热时间。
3. 锡渣残留:可能是因为清洁不彻底。
应使用合适的清洁剂充分清洁金属接触点,确保无锡渣残留。
电镀铅锡作业指导书作业指导书:电镀铅锡1. 指导目的本作业指导书旨在提供关于电镀铅锡的详细步骤和操作要求,以确保操作人员能够正确、安全地进行电镀铅锡作业。
2. 作业概述电镀铅锡是一种常见的表面处理工艺,用于增加产品的耐腐蚀性和外观质量。
本作业涉及到铅锡合金的制备、电镀液的配置、电镀设备的操作等步骤。
3. 作业环境要求3.1 作业场所应干燥、通风良好,避免有害气体的积聚。
3.2 作业人员应穿戴防护服、手套、护目镜等个人防护装备。
3.3 作业场所应配备灭火器等安全设备。
4. 作业步骤4.1 准备工作4.1.1 检查电镀设备的正常运行状态,确保设备无异常。
4.1.2 准备所需的原材料,包括铅锡合金、电镀液、电极等。
4.1.3 检查电镀液的浓度和温度是否符合要求。
4.2 铅锡合金制备4.2.1 根据工艺要求,将铅锡合金按比例混合。
4.2.2 将混合好的铅锡合金加热至熔化,保持在适宜的温度范围内。
4.3 电镀液配置4.3.1 根据工艺要求,将电镀液的成份按比例配置。
4.3.2 将配置好的电镀液倒入电镀槽中,确保液面平稳。
4.4 电镀设备操作4.4.1 将待电镀的工件清洗干净,去除表面的油污和杂质。
4.4.2 将清洗好的工件悬挂在电镀槽中,确保工件与电极之间有适当的距离。
4.4.3 调整电镀设备的电流、电压和时间等参数,确保电镀过程的稳定性。
4.4.4 开始电镀操作,将电镀槽中的铅锡合金溶液通过电流的作用沉积在工件表面。
4.5 电镀质量检验4.5.1 电镀完成后,将工件取出,进行目测检查,确保电镀质量符合要求。
4.5.2 可根据需要,对电镀层进行厚度、硬度、附着力等方面的检测。
5. 安全注意事项5.1 操作人员应严格遵守相关的安全操作规程,避免发生事故。
5.2 在操作过程中,应注意防护装备的佩戴和使用,确保人身安全。
5.3 电镀液中可能含有有害物质,操作人员应避免直接接触液体,必要时应佩戴防护手套。
5.4 在操作过程中,应注意电镀设备的正常运行状态,如发现异常应及时住手操作并进行检修。
电镀铅锡作业指导书引言概述:电镀铅锡作业是一项常见的工艺,广泛应用于电子制造和电子组装领域。
本文旨在提供一份详细的电镀铅锡作业指导书,以帮助操作人员正确、安全地进行电镀铅锡作业。
正文内容:1. 准备工作1.1 清洁工作区域:确保工作区域干净整洁,无杂物和灰尘。
1.2 检查设备和材料:确保电镀设备完好无损,并检查铅锡液的浓度和温度是否符合要求。
1.3 佩戴个人防护装备:包括护目镜、手套、工作服等,以确保操作人员的安全。
2. 准备铅锡件2.1 清洁铅锡件表面:使用去油剂或清洁剂清洗铅锡件表面,以去除油污和杂质。
2.2 检查铅锡件质量:检查铅锡件是否有损坏或缺陷,如有需要修复或更换。
2.3 防止氧化:在清洁后的铅锡件表面涂上一层防氧化剂,以防止氧化影响电镀效果。
3. 进行电镀铅锡3.1 准备电镀液:根据要求调制适当的铅锡液浓度和温度。
3.2 浸泡铅锡件:将铅锡件浸泡在铅锡液中,确保完全浸泡,避免气泡和杂质的产生。
3.3 控制电镀时间:根据要求控制电镀时间,以保证铅锡层的厚度符合要求。
4. 检查和测试4.1 检查电镀质量:使用显微镜或其他适当的工具检查铅锡件的电镀质量,确保表面光滑均匀。
4.2 测试电镀层厚度:使用合适的测试仪器测量铅锡件的电镀层厚度,确保符合要求。
4.3 进行性能测试:对电镀铅锡件进行性能测试,如焊接性能、耐腐蚀性能等,确保满足相关标准。
5. 清洁和保养5.1 清洁电镀设备:在作业完成后,及时清洁电镀设备,以保持设备的良好状态。
5.2 存储铅锡液:将剩余的铅锡液储存在密封容器中,避免氧化和污染。
5.3 定期保养设备:定期检查和保养电镀设备,确保设备的正常运行。
总结:综上所述,电镀铅锡作业是一项需要严格遵守操作规程和安全要求的工艺。
准备工作的清洁和检查、铅锡件的准备、电镀过程的控制、检查和测试以及清洁和保养都是关键的步骤。
只有正确操作和维护,才能确保电镀铅锡作业的质量和安全。
注意:本文仅为参考,具体操作请根据实际情况和相关规程进行。
手工铜牌镀锡的工艺流程下载温馨提示:该文档是我店铺精心编制而成,希望大家下载以后,能够帮助大家解决实际的问题。
文档下载后可定制随意修改,请根据实际需要进行相应的调整和使用,谢谢!并且,本店铺为大家提供各种各样类型的实用资料,如教育随笔、日记赏析、句子摘抄、古诗大全、经典美文、话题作文、工作总结、词语解析、文案摘录、其他资料等等,如想了解不同资料格式和写法,敬请关注!Download tips: This document is carefully compiled by theeditor. I hope that after you download them,they can help yousolve practical problems. The document can be customized andmodified after downloading,please adjust and use it according toactual needs, thank you!In addition, our shop provides you with various types ofpractical materials,such as educational essays, diaryappreciation,sentence excerpts,ancient poems,classic articles,topic composition,work summary,word parsing,copy excerpts,other materials and so on,want to know different data formats andwriting methods,please pay attention!手工铜牌镀锡的工艺流程如下:1. 准备工作- 准备一块干净的铜牌,铜牌的尺寸、厚度根据需求来定。
手动镀锡作业指导
使用工具:可调温台式小锡炉
设备电压:220V AC
锡炉温度:300℃-310℃
镀锡时间:1-2秒
操作步骤:
1、准备待作业品,清洁工作台
2、打开锡炉,根据线材不同调节锡炉温度。
3、作业前,品质管理员必须用专用测量工具对锡炉温度进行检查,将结果记录表中。
4、先将浸锡剥头的2/3浸上助焊剂。
浸助燃剂
5、将剥皮好的线头浸于锡炉上锡。
6、操作员要及时用指定工具将锡炉上的飘浮物清理到指定容器内。
7、检查成品,不可有锡大头、锡点发黑及漏工序的不良品流入下一工序。
注意/确认事项:
1.进行试浸锡作业时,把浸锡首件交品管确认,确认合格后,才能生产。
2.根据图纸要求检查线材长度、开口、拧线质量,若有线口松散即时捏紧。
3.摆齐所有浸锡线材,将要浸的开线口浸少许助焊剂,再将开线口放入浸锡炉浸锡,浸锡时间为1-2秒。
4.需控制好浸锡时间,因为铜线受热后会变脆,剥头易断。
5.每次只允许1-2条同时进行浸锡操作。
6.每通过一次浸锡后,进行自检,不允许有锡球、锡沟、烧胶不完全上锡或上锡太多,导致线头太大、未浸满、粘连、剥头、发黑等不良的现象。
不合格品需重复上述浸锡动作,直到合格为止。
7.助焊剂要远离锡炉,不可将助焊剂等溶剂搞到锡炉上。
8.重复作业时须生产约3分钟就要把浸锡炉表面氧化物用铁片刮掉,使锡面光亮。
9.锡炉使用在三个月后须把锡全部倒出清理锡炉并更新的锡条。
10.下班或长时间不使用时,需切断电源,以免长期高温导致加速锡炉氧化。