绿化隐蔽工程验收记录文本
- 格式:doc
- 大小:134.00 KB
- 文档页数:10
隐蔽工程验收记录工程名称:太平溪镇伍相庙社区文化活动广场
建设单位太平溪镇伍相庙社区居民委员会分部工程名称绿化工程监理单位宜昌华成工程技术有限公司分项工程名称树穴开挖施工单位宜昌艺博园林有限公司检验批名称红枫树穴
检查内容规格、尺寸直径1.1m,深度06m
说
明
土球和基底土质符合设计要求. 型号、数量8个
轴线、标高
自检情况经自检,基底土质符合设计要求,场地平
整,建筑垃圾/废土等块径符合要求。
以上项目已经我单位自检完毕。
检
查
验
收
意
见
□同意隐蔽□不同意,整改后重新报验
参加检查人员签字
监理工程师:
(建设单位项目技术负责人):
施工单位项目专业质量检察员:盛年不重来,一日难再晨。
及时宜自勉,岁月不待人。
隐蔽工程验收记录工程名称:兴安县湘江环境综合整治一期工程-------(园林绿化工程)
隐蔽工程验收记录工程名称:兴安县湘江环境综合整治一期工程-------(园林绿化工程)
隐蔽工程验收记录
隐蔽工程验收记录工程名称:兴安县湘江环境综合整治一期工程-------(园林绿化工程)
隐蔽工程验收记录工程名称:兴安县湘江环境综合整治一期工程-------(园林绿化工程)
隐蔽工程验收记录工程名称:兴安县湘江环境综合整治一期工程-------(园林绿化工程)
隐蔽工程验收记录工程名称:兴安县湘江环境综合整治一期工程-------(园林绿化工程)
隐蔽工程验收记录工程名称:兴安县湘江环境综合整治一期工程-------(园林绿化工程)
隐蔽工程验收记录工程名称:兴安县湘江环境综合整治一期工程-------(园林绿化工程)
隐蔽工程验收记录工程名称:兴安县湘江环境综合整治一期工程-------(园林绿化工程)
隐蔽工程验收记录工程名称:兴安县湘江环境综合整治一期工程-------(园林绿化工程)
隐蔽工程验收记录
隐蔽工程验收记录工程名称:兴安县湘江环境综合整治一期工程-------(园林绿化工程)。
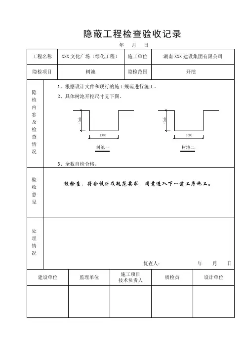
绿化隐蔽工程验收记录一、项目概述本次绿化隐蔽工程位于某市中心区域,主要包括城市道路绿化、建筑物绿化和屋顶绿化。
绿化用地面积约为15000平方米,其中建筑物绿化面积为2000平方米,屋顶绿化面积为350平方米。
为了满足城市环保要求,本工程按照城市绿化管理规定实施。
二、验收相关文件1.工程建设项目竣工验收备案表2.绿化隐蔽工程验收报告3.绿化隐蔽工程设计文件4.工程施工验收报告5.工程设施竣工验收报告三、验收时间和人员本次绿化隐蔽工程的验收时间为2022年9月1日,验收人员包括: - 建设单位代表:张经理 - 监理单位代表:李工程师 - 建筑公司代表:王总经理 - 绿化公司代表:刘经理四、验收内容1.规划设计方案的验收•下载查阅了该工程的设计方案和图纸,程序和用料合理,符合规划要求。
•绿地、树土、树种、树龄、竹篱、灌木等的配置、摆放符合设计要求。
2.施工工艺的验收•绿化工程的建设过程符合本项目的施工计划。
•工地各种噪音、灰尘污染没有扰民。
•初步验收后,现场干净整洁。
用料符合合同要求,加工精度符合规范,开工日期、竣工日期、工作量、合同金额等实际比照规定要求。
3.现场施工质量验收•水电管路、所有砌体结构符合要求,安全性好,结构牢固。
•门窗、防护栏杆及楼梯的尺寸、位置、安装、焊接、质量符合规范要求。
4.绿化效果的验收•所有的树、草、花的数量、高度、绿度、观赏价值等均符合设计要求。
•通过现场观察发现,各树木茁壮成长,花草繁盛,绿化效果良好。
五、验收结果经过本次绿化隐蔽工程的验收,评定结果为合格。
验收组认为,该工程总体进度较快、质量较好,在设计、施工、环保等多方面满足了城市绿化管理相关规定和要求。
验收报告已于2022年9月5日报送有关部门备案。
隐蔽工程验收记录工程名称:太平溪镇伍相庙社区文化活动广场建设单位太平溪镇伍相庙社区居民委员会分部工程名称绿化工程监理单位宜昌华成工程技术有限公司分项工程名称树穴开挖施工单位宜昌艺博园林有限公司检验批名称栾树树穴检查内容规格、尺寸直径2.1m,深度1.0m说明土球和基底土质符合设计要求. 型号、数量20个轴线、标高自检情况经自检,基底土质符合设计要求,场地平整,建筑垃圾/废土等块径符合要求。
以上项目已经我单位自检完毕。
检查验收意见□同意隐蔽□不同意,整改后重新报验参加检查人员签字监理工程师:(建设单位项目技术负责人):施工单位项目专业质量检察员:工程名称:太平溪镇伍相庙社区文化活动广场建设单位太平溪镇伍相庙社区居民委员会分部工程名称绿化工程监理单位宜昌华成工程技术有限公司分项工程名称树穴开挖施工单位宜昌艺博园林有限公司检验批名称樟树树穴检查内容规格、尺寸直径2.1m,深度1.0m说明土球和基底土质符合设计要求. 型号、数量13个轴线、标高自检情况经自检,基底土质符合设计要求,场地平整,建筑垃圾/废土等块径符合要求。
以上项目已经我单位自检完毕。
检查验收意见□同意隐蔽□不同意,整改后重新报验参加检查人员签字监理工程师:(建设单位项目技术负责人):施工单位项目专业质量检察员:工程名称:太平溪镇伍相庙社区文化活动广场建设单位太平溪镇伍相庙社区居民委员会分部工程名称绿化工程监理单位宜昌华成工程技术有限公司分项工程名称树穴开挖施工单位宜昌艺博园林有限公司检验批名称锦叶白兰树穴检查内容规格、尺寸直径1.5m,深度0.8m说明土球和基底土质符合设计要求. 型号、数量10个轴线、标高自检情况经自检,基底土质符合设计要求,场地平整,建筑垃圾/废土等块径符合要求。
以上项目已经我单位自检完毕。
检查验收意见□同意隐蔽□不同意,整改后重新报验参加检查人员签字监理工程师:(建设单位项目技术负责人):施工单位项目专业质量检察员:工程名称:太平溪镇伍相庙社区文化活动广场建设单位太平溪镇伍相庙社区居民委员会分部工程名称绿化工程监理单位宜昌华成工程技术有限公司分项工程名称树穴开挖施工单位宜昌艺博园林有限公司检验批名称三角枫树穴检查内容规格、尺寸直径1.5m,深度0.8m说明土球和基底土质符合设计要求. 型号、数量25个轴线、标高自检情况经自检,基底土质符合设计要求,场地平整,建筑垃圾/废土等块径符合要求。
绿化喷播隐蔽工程验收记录表填写范例绿化喷播隐蔽工程验收记录表填写范例项目名称:XX小区绿化喷播隐蔽工程验收单位:XX市园林局验收时间:20XX年XX月XX日一、工程概况本工程位于XX小区,总面积为XXX平方米,主要包括草坪、花坛、绿化带等绿化区域。
本工程采用喷播隐蔽工艺,使用的草种为XX草种。
二、工程质量1.草坪草坪面积为XXX平方米,草坪密度均匀,草丛高度为XX厘米左右,整体效果良好。
2.花坛花坛面积为XXX平方米,花坛内植物种类丰富,色彩搭配合理,植物生长状况良好。
3.绿化带绿化带面积为XXX平方米,绿化带内植物种类丰富,色彩搭配合理,植物生长状况良好。
三、工程验收1.验收标准本工程验收按照《城市绿化工程验收标准》(GB/T 50485-2008)执行。
2.验收结果本工程经过验收,各项指标均符合验收标准要求,现予以验收合格。
四、工程保养1.保养期限本工程保养期限为XX个月。
2.保养内容(1)草坪保养:每周修剪一次,每月施肥一次,每季度除草一次。
(2)花坛保养:每周浇水一次,每月施肥一次,每季度修剪一次。
(3)绿化带保养:每周浇水一次,每月施肥一次,每季度修剪一次。
3.保养责任本工程的保养责任由承包方负责,验收单位将定期进行检查。
五、工程总结本工程采用喷播隐蔽工艺,使用的草种为XX草种,整体效果良好,达到了预期效果。
在工程实施过程中,承包方严格按照设计要求进行施工,保证了工程质量。
在保养期间,承包方应按照保养要求进行保养,确保工程长期保持良好状态。
隐蔽工程验收记录工程名称:兴安县湘江环境综合整治一期工程-------(园林绿化工程)
隐蔽工程验收记录工程名称:兴安县湘江环境综合整治一期工程-------(园林绿化工程)
隐蔽工程验收记录
隐蔽工程验收记录工程名称:兴安县湘江环境综合整治一期工程-------(园林绿化工程)
隐蔽工程验收记录工程名称:兴安县湘江环境综合整治一期工程-------(园林绿化工程)
隐蔽工程验收记录工程名称:兴安县湘江环境综合整治一期工程-------(园林绿化工程)
隐蔽工程验收记录工程名称:兴安县湘江环境综合整治一期工程-------(园林绿化工程)
隐蔽工程验收记录
隐蔽工程验收记录
隐蔽工程验收记录
隐蔽工程验收记录工程名称:兴安县湘江环境综合整治一期工程-------(园林绿化工程)
隐蔽工程验收记录
隐蔽工程验收记录工程名称:兴安县湘江环境综合整治一期工程-------(园林绿化工程)。
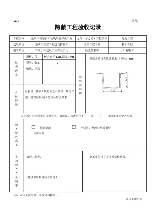
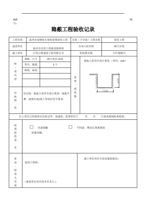
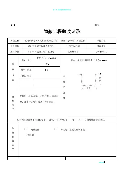
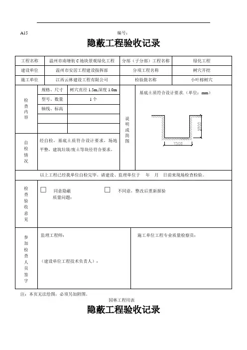
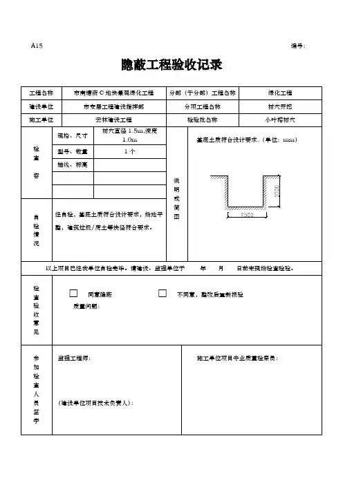
.word 格式 ,A15编号:隐蔽工程查收记录工程名称 温州市南塘街 C 地块景观绿化工程分部(子分部)工程名称绿化工程 建设单位 温州市安居工程建设指挥部 分项工程名称 树穴开挖 施工单位江西云林建设工程有限企业查验批名称小叶榕树穴规格、尺寸 树穴直径 1.5m, 深度 1.0m. (单位: mm )基底土质切合设计要求 检 型号、数目 1 个查 轴线、标高内容说明 或简自 经自检,基底土质切合设计要求,场所平图检 整,建筑垃圾 / 废土等块径切合要求。
情况以上项目已经我单位自检完成。
请建设、监理单位于 年 月 日前来现场检查查验。
检 □ 赞同隐蔽□ 不一样意,整顿后从头报验查验 质量问题:收 意见参 监理工程师: 施工单位项目专业质量检察员:加 检 查 人 员 (建设单位项目技术负责人) :签 字.word 格式 ,隐蔽工程查收记录A15工程名称温州市南塘街C地块景观绿化工程建设单位温州市安居工程建设指挥部施工单位江西云林建设工程有限企业规格、尺寸Φ 35检型号、数目 1 株查轴线、标高内容自经自检,基底土质切合设计要求,场所平检整,建筑垃圾 / 废土等块径切合要求。
情况编号:分部(子分部)工程名称绿化工程分项工程名称乔木栽种查验批名称小叶榕栽种1 、回填土切合设计要求. (单位: mm)2、苗木胸径、土球大小切合设计要求。
乐昌浅笑Φ16-18说明或简图以上项目已经我单位自检完成。
请建设、监理单位于年月日前来现场检查查验。
检□ 赞同隐蔽□ 不一样意,整顿后从头报验查验质量问题:收意见参监理工程师:施工单位项目专业质量检察员:加检查人员(建设单位项目技术负责人):签字.word 格式 ,A15编号:隐蔽工程查收记录工程名称 温州市南塘街 C 地块景观绿化工程分部(子分部)工程名称绿化工程 建设单位 温州市安居工程建设指挥部 分项工程名称 树穴开挖 施工单位江西云林建设工程有限企业查验批名称红花羊蹄甲树穴规格、尺寸树穴直径 1.1m, 深度 0.9m. (单位: mm )基底土质切合设计要求 检 型号、数目 3 个查 轴线、标高内容说明 或简自 经自检,基底土质切合设计要求,场所平图检 整,建筑垃圾 / 废土等块径切合要求。
A15 编号:注:本页无法绘图,必须另加附图。
园林工程用表A15 编号:注:本页无法绘图,必须另加附图。
园林工程用表A15 编号:注:本页无法绘图,必须另加附图.园林工程用表A15 编号:注:本页无法绘图,必须另加附图.园林工程用表A15 编号:注:本页无法绘图,必须另加附图。
园林工程用表A15 编号:注:本页无法绘图,必须另加附图.园林工程用表A15 编号:注:本页无法绘图,必须另加附图。
园林工程用表A15 编号:注:本页无法绘图,必须另加附图。
园林工程用表A15 编号:注:本页无法绘图,必须另加附图。
园林工程用表A15 编号:注:本页无法绘图,必须另加附图。
园林工程用表A15 编号:注:本页无法绘图,必须另加附图。
园林工程用表A15 编号:注:本页无法绘图,必须另加附图。
园林工程用表A15 编号:注:本页无法绘图,必须另加附图。
园林工程用表A15 编号:注:本页无法绘图,必须另加附图。
园林工程用表A15 编号:注:本页无法绘图,必须另加附图.园林工程用表A15 编号:注:本页无法绘图,必须另加附图。
园林工程用表A15 编号:注:本页无法绘图,必须另加附图。
园林工程用表A15 编号:注:本页无法绘图,必须另加附图。
园林工程用表A15 编号:注:本页无法绘图,必须另加附图。
园林工程用表A15 编号:注:本页无法绘图,必须另加附图.园林工程用表A15 编号:注:本页无法绘图,必须另加附图.园林工程用表A15 编号:注:本页无法绘图,必须另加附图。
园林工程用表A15 编号:注:本页无法绘图,必须另加附图。
园林工程用表A15 编号:注:本页无法绘图,必须另加附图.园林工程用表A15 编号:注:本页无法绘图,必须另加附图.园林工程用表A15 编号:注:本页无法绘图,必须另加附图。
园林工程用表A15 编号:注:本页无法绘图,必须另加附图。
园林工程用表A15 编号:注:本页无法绘图,必须另加附图。
园林工程用表A15 编号:注:本页无法绘图,必须另加附图.园林工程用表A15 编号:注:本页无法绘图,必须另加附图。
可编辑修改精选全文完整版
隐蔽工程验收记录工程名称:太平溪镇伍相庙社区文化活动广场
隐蔽工程验收记录工程名称:太平溪镇伍相庙社区文化活动广场
隐蔽工程验收记录工程名称:太平溪镇伍相庙社区文化活动广场
隐蔽工程验收记录工程名称:太平溪镇伍相庙社区文化活动广场
隐蔽工程验收记录工程名称:太平溪镇伍相庙社区文化活动广场
隐蔽工程验收记录工程名称:太平溪镇伍相庙社区文化活动广场
隐蔽工程验收记录工程名称:太平溪镇伍相庙社区文化活动广场
隐蔽工程验收记录工程名称:太平溪镇伍相庙社区文化活动广场
隐蔽工程验收记录工程名称:太平溪镇伍相庙社区文化活动广场
隐蔽工程验收记录工程名称:太平溪镇伍相庙社区文化活动广场。