C6-40_风管漏风检测记录
- 格式:xls
- 大小:18.00 KB
- 文档页数:2
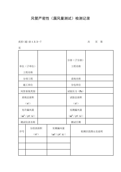
风管严密性(漏风量测试)检测记录风管严密性(漏风量测试)检测记录工程名称:永春县桃园至尊防排烟系统工程(地下分部(子分部)室、4#~12#楼)施工单位:XXX风管系统类别:低压系统系统总面积(㎡):184.9允许漏风量〔m3/(㎡.h)〕:5.061测试仪表名称:漏风量测试仪序号分段表面积(㎡)实测漏风量〔m3/(㎡.h)〕分包单位试验压力(Pa)试验总面积(㎡)测试日期1 19.2 无数据无数据无数据无数据无数据2 4.8 无数据无数据无数据无数据无数据3 37.44 无数据无数据无数据无数据无数据4 42.4 无数据无数据无数据无数据无数据5 35.13 无数据无数据无数据无数据无数据6 35.13 无数据无数据无数据无数据无数据7 1.8 无数据无数据无数据无数据无数据8 9 无数据无数据无数据无数据无数据9 3.6 2.24 XXX 780 174.1 2013年月日10 3.6 4.48 XXX 780 151.82 2013年月日存在问题与处理情况:无结论符合要求检测区段图示及说明:检测时,风管的所有开口均已封堵严密。
质检员:施工单位质检员施工员:施工单位施工员试验员:施工单位试验员这份记录是永春县桃园至尊防排烟系统工程(地下分部(子分部)室、4#~12#楼)的风管严密性(漏风量测试)检测记录。
该工程由XXX负责施工,采用低压系统。
系统总面积为184.9㎡,允许漏风量为5.061〔m3/(㎡.h)〕。
测试使用漏风量测试仪,共进行了10个区段的测试。
其中,第9和第10个区段的实测漏风量分别为2.24和4.48〔m3/(㎡.h)〕,由XXX负责分包施工。
检测时,风管的所有开口均已封堵严密。
经检测,无结论符合要求。
质检员为施工单位质检员,施工员为施工单位施工员,试验员为施工单位试验员。
风管严密性(漏风量测试)检测记录单位(子单位):永春县桃园至尊(地下分部(子分部)工程室、4#~12#楼)名称分项工程施工单位:XXX风管系统类别:低压系统系统总面积(㎡):119.48允许漏风量〔m3/(㎡.h)〕:5.061测试仪表名称:漏风量测试仪序号分段表面积(㎡)实测漏风量〔m3/(㎡.h)〕试验压力(Pa)试验总面积(㎡)测试日期1 17.2 4.08 780 119.48 2013年月日2 13.45 3.19 675 119.48 2013年月日3 25.38 6.02 780 119.48 2013年月日4 22.4 5.31 675 119.48 2013年月日5 9.63 2.28 780 119.48 2013年月日6 9.82 2.33 675 119.48 2013年月日检测区段图示及说明:检测时,风管的所有开口均已封堵严密。
风管漏风检测记录填写范例以风管漏风检测记录填写范例为标题,写一篇文章。
风管漏风检测是指对建筑物或工业设备中的风管进行检测,以确定是否存在漏风现象。
漏风会导致能源浪费、室内温度不稳定等问题,因此及时发现并修复风管漏风问题十分重要。
本文将以填写风管漏风检测记录为主题,介绍一些填写范例,以供参考。
一、检测日期和地点检测日期:2022年4月1日检测地点:某商务大厦2楼办公区二、检测人员检测人员:张工联系方式:138xxxxxxx三、检测设备检测仪器:漏风检测仪型号:LD-200生产厂家:XXX仪器有限公司四、检测对象检测对象:2楼办公区风管系统风管材料:镀锌钢板风管直径:150mm五、检测方法检测方法:静态压力差法检测压力差:100Pa六、检测结果1. 风管1位置:2楼办公区东侧检测结果:无漏风现象2. 风管2位置:2楼办公区西侧检测结果:有局部漏风现象,风管连接处存在漏风缝隙3. 风管3位置:2楼办公区北侧检测结果:无漏风现象七、检测结论根据以上检测结果,风管系统存在局部漏风现象,请及时修复风管2的连接处漏风缝隙,以确保风管系统的正常运行和能源的有效利用。
八、修复措施1. 清除连接处残留的灰尘和异物。
2. 使用密封胶固定连接处,确保无漏风现象。
3. 检查风管其他部位是否存在漏风,如有漏风现象,及时修复。
九、检测记录填写人填写人:李秘书联系方式:139yyyyyyyy十、审核人审核人:王主管联系方式:137zzzzzzzz以上就是风管漏风检测记录的填写范例。
通过填写详细的检测记录,可以帮助相关人员了解风管系统的漏风情况,并采取相应的修复措施。
及时修复风管漏风问题,不仅可以提高能源利用效率,还可以改善室内环境质量,提升使用者的舒适度。
希望本文提供的填写范例能对风管漏风检测工作有所帮助,同时也希望大家在进行风管漏风检测时能够严谨认真,确保检测结果的准确性和可靠性。
只有这样,我们才能更好地保障建筑物和工业设备的运行效率,为可持续发展做出贡献。
风管严密性(漏风量测试)检测记录表风管严密性(漏风量测试)检测记录质控(通)表4.5.3-7 共页第页电子版文档,可直接编辑。
希望对您有所帮助,本文件仅供个人使用,不得商用。
电子版文档,可直接编辑。
希望对您有所帮助,本文件仅供个人使用,不得商用。
电子版文档,可直接编辑。
希望对您有所帮助,本文件仅供个人使用,不得商用。
电子版文档,可直接编辑。
希望对您有所帮助,本文件仅供个人使用,不得商用。
电子版文档,可直接编辑。
希望对您有所帮助,本文件仅供个人使用,不得商用。
电子版文档,可直接编辑。
希望对您有所帮助,本文件仅供个人使用,不得商用。
电子版文档,可直接编辑。
希望对您有所帮助,本文件仅供个人使用,不得商用。
电子版文档,可直接编辑。
希望对您有所帮助,本文件仅供个人使用,不得商用。
电子版文档,可直接编辑。
希望对您有所帮助,本文件仅供个人使用,不得商用。
电子版文档,可直接编辑。
希望对您有所帮助,本文件仅供个人使用,不得商用。
电子版文档,可直接编辑。
希望对您有所帮助,本文件仅供个人使用,不得商用。
电子版文档,可直接编辑。
希望对您有所帮助,本文件仅供个人使用,不得商用。
电子版文档,可直接编辑。
希望对您有所帮助,本文件仅供个人使用,不得商用。
电子版文档,可直接编辑。
希望对您有所帮助,本文件仅供个人使用,不得商用。
电子版文档,可直接编辑。
希望对您有所帮助,本文件仅供个人使用,不得商用。
电子版文档,可直接编辑。
希望对您有所帮助,本文件仅供个人使用,不得商用。
电子版文档,可直接编辑。
希望对您有所帮助,本文件仅供个人使用,不得商用。
风管漏风检测记录
漏风量检测记录
填表说明:
1、漏风量检测是对中、高压风管系统进行严密检测形式。
2、中压风管系统漏光检测合格后,进行漏风量检测,抽检20%且不少于一个系统。
高于风管系统全数检测。
3、风管的漏风量检测分正压和负压检测。
一般可采用正压条件下的检测来检验。
系统漏风量测试可以整体或分段进行。
测试时,被测系统的所有开口均应封闭,不应漏风。
4、被测系统的漏风量超过设计和规范规定时,应查出漏风部位(可用听、摸、观察、水或烟检漏),做好标记,修补完工后,重新测试,直至合格。
5、漏风量测定值一般应为规定测试压力下的实测数值。
特殊条件下,也可用相近或大于规定压力下的测试代替,其漏风量可按下式换算:
Q0=Q(P0/P)0.65
式中P0-规定试验压力,500Pa:
Q0-规定试验压力下的漏风量﹛m?/(h·㎡)﹜;
P-风管工作压力(Pa);
Q-工作压力下的漏风量﹛m?/(h·㎡)﹜。
试验日期工作压力(Pa)试验压力 (Pa)系统检测 分段数
序号分段表面积
(m2)
125231331431527
67891011121314
风 管 漏 风 检 测 记 录
表C6-40
工程名称系统名称风管总面积 (m2)系统总面积 (m2)检测区段图示:
975975
签 字 栏
建设(监理)单位
朝阳公园东小区(南区)工程
2#楼加压送风系统(JYS-1B)
145175
2.4
施工单位
专业技术负责人
编 号北京城建集团有限责任公司
专业质检员
08-C6-001
2005年10月06日
650检测结论:
各段用漏风检测仪所测漏风量低于规范要求,检测评定合格。
9759755
试验压力(Pa)
975分段实测数值
实测系统漏风量 (m3/m2·h)
系统允许漏风量 (m3/m2·h)975 1.8
实际漏风量 (m3/h)
44.858.455.553.548.6
专业工长
字
栏
本表由施工单位填写并保存。