油井水泥高温抗盐降失水剂技术要求
- 格式:doc
- 大小:37.00 KB
- 文档页数:3
抗高温油井水泥降失水剂的研究进展李晓岚1,石凤歧2,孙 举1,李韶利2,姜雪清1(1.中原石油勘探局钻井工程技术研究院,濮阳457001;2.中原石油勘探局固井工程处,清丰457331)[摘 要] 综述了近年来抗高温油井水泥降失水剂的研究现状,分为2-丙烯酰胺基-2-甲基丙磺酸(A M P S )聚合物、改性天然高分子以及聚合物与其他处理剂复配体系三大类。
将国内外研究降失水剂的具体实例进行对比分析,总结了国内与国外研究存在的差距,展望了该领域的研究重点和发展方向。
[关键词] 降失水剂 固井 聚合物 改性 复配收稿日期:2011-01-17。
作者简介:李晓岚,博士,毕业于中国科学院成都有机化学研究所高分子化学与物理专业,现从事油井水泥外加剂的研究工作。
油井水泥降失水剂在油田固井施工中能增强水泥浆的保水作用,防止水泥浆在渗透性地层中先期脱水,保证水泥浆体的稳定性,提高固化水泥石的强度,防止气窜,提高水泥环的抗渗能力,保护水敏地层,防止水泥浆滤液污染油气层及水泥浆颗粒对油气层的堵塞〔1〕。
在石油可采和易采储量不断减少的情况下,油田勘探开发已向海洋、复杂地层、深井、中深井以及超深井方面发展,为满足高温高压固井需求,需要不断研制出性能良好而且稳定的降失水剂〔2〕。
因此,抗高温油井水泥降失水剂成为近年来国内外学者研究的热点之一。
1 国内研究现状目前国内常用的聚乙烯醇(P V A )和羟乙基纤维素(H E C )两种降失水剂都存在缺陷。
P V A 型降失水剂具有价格低、防气窜的优点,在低温下无缓凝作用,且与氯化钙配伍性好;但高温适应性能差,使用温度最高只能达到95℃,而且抗盐(N a C l )性能差(通常不超过5%)〔3〕。
H E C 等纤维素类降失水剂价格适中,降失水性能也较强;但增稠作用明显,同时会延缓水泥浆的凝固时间,而且由于分子环状链单元中醚键在高温下会发生氧化分解,导致其使用温度一般不超过110℃〔4〕。
中国石油化工集团公司发布标准分享网 免费下载Q/SH 0047—2007前 言本标准由中国石油化工股份有限公司科技开发部提出并归口。
本标准起草单位:中原石油勘探局钻井工程技术研究院。
本标准主要起草人:王旭、杨小华、卢国林、周亚贤、位华。
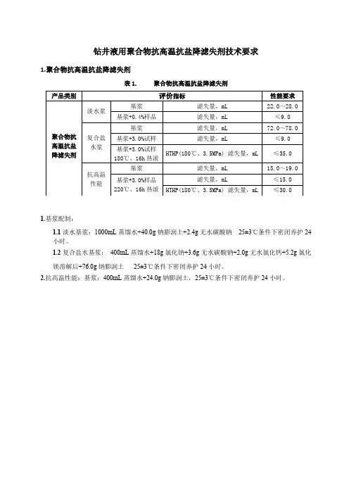
I标准分享网 免费下载Q/SH 0047—20071钻井液用抗高温抗盐降滤失剂通用技术要求1 范围本标准规定了钻井液用抗盐抗高温降滤失剂的要求、试验方法、检验规则、包装、标志、质量检验单及使用说明书。
本标准适用于以磺化褐煤为主要材料经过复配或反应制成的钻井液用抗盐抗高温降滤失剂的准入、采购、质量监督检验、入库验收和性能评价。
2 规范性引用文件下列文件中的条款通过本标准的引用而成为本标准的条款。
凡是注日期的引用文件,其随后所有的修改单(不包括勘误的内容)或修订版均不适用于本部分,然而,鼓励根据本部分达成协议的各方研究是否可使用这些文件的最新版本。
凡是不注日期的引用文件,其最新版本适用于本标准。
GB/T 6678—2003 化工产品采样总则GB/T 16783—1997 水基钻井液现场测试程序 SY/T 5490 钻井液试验用钠膨润土 3 要求钻井液用抗盐抗高温降滤失剂应符合表1中规定的技术指标。
表1 技术指标项 目指 标 外观黑褐色颗粒或粉末细度(筛孔0.59 mm 筛余),% ≤ 10.0 水分,% ≤ 10.0 水不溶物,% ≤ 15.0 pH 值9~10 表观粘度,mPa •s ≤ 15 淡水钻井液高温高压滤失量,mL ≤ 30.0 表观粘度,mPa •s ≤ 35 180/16h ℃盐水钻井液高温高压滤失量,mL ≤35.04 试验方法4.1 仪器设备和试剂仪器设备和试剂包括:a )分析天平:分度值0.1 mg ;b )高温高压失水仪; c)高温滚子炉;d)恒温干燥箱:控温精度±2℃;e)高速搅拌机:10000 r/min~12000 r/min;Q/SH 0047—20072f)六速旋转粘度计:ZNN-D6型或同类产品; g)称量瓶:50 mm×30 mm; h)磨口瓶:500 mL ; i)干燥器;j)试验用钠膨润土:符合SY/T 5490的规定; k)氢氧化钠;化学纯; l) 氯化钠;化学纯;m) 无水碳酸钠;化学纯。
抗高温油井水泥降失水剂的合成及性能评价李晓岚;国安平;李韶利;马小龙;孙举【期刊名称】《油田化学》【年(卷),期】2013(0)2【摘要】以丙烯酰胺(AM)、2-丙烯酰胺基-2-甲基丙磺酸(AMPS)和N-乙烯基吡咯烷酮(NVP)合成了三元共聚物油井水泥降失水剂,考察了单体质量分数、单体配比对聚合物降失水性能的影响。
在75℃、6.9MPa下,含三元共聚物的水泥浆失水量随单体质量分数的增加先降低后增加,随AMPS加量的增加而增大,随NVP加量的增加变化较小。
最佳合成条件为:单体质量分数12%,AM、AMPS、NVP摩尔比8.5:1.0:0.5,反应温度70℃,反应时间5 h,引发剂加量0.7%,pH值为12。
当降失水剂加量为4.2%时,水泥浆在160℃时的失水量为60mL,浆体的初始稠度为14 Bc,稳定性好,水泥石强度发展快。
【总页数】4页(P164-167)【关键词】丙烯酰胺;2-丙烯酰胺基-2-甲基丙磺酸;N-乙烯基吡咯烷酮;油井水泥;降失水剂【作者】李晓岚;国安平;李韶利;马小龙;孙举【作者单位】南京工业大学材料科学与工程学院;中原石油勘探局钻井工程技术研究院;中原石油勘探局固井工程处【正文语种】中文【中图分类】TE254.4【相关文献】1.油井水泥抗盐降失水剂(AS-1)的合成及性能评价 [J], 陈馥;竭继忠2.抗高温水泥浆降失水剂 SCF-1的合成及性能评价 [J], 刘飞;刘学鹏;夏成宇;周仕明;邓天安3.油井水泥抗盐降失水剂FQ的室内合成与性能评价 [J], 冯茜;彭志刚;陈大钧;王瑞芳4.油井水泥浆抗高温抗盐降失水剂合成及性能研究 [J], 刘飞;刘学鹏;曾德智5.四元共聚抗高温抗盐油井水泥浆降失水剂的合成 [J], 李皋;付强;余杭航;刘润昌;韦星;曾恒因版权原因,仅展示原文概要,查看原文内容请购买。
usz油井水泥抗高温减阻剂企业标准《USZ油井水泥抗高温减阻剂企业标准》1. 引言在油田开发过程中,水泥抗高温减阻剂是至关重要的材料。
这种材料能够在高温下保持水泥浆的流动性,确保油井封隔和固井质量。
而USZ作为一家专业油田化学品企业,其油井水泥抗高温减阻剂企业标准更是备受关注。
本文将围绕这一主题展开深入探讨。
2. USZ的油井水泥抗高温减阻剂企业标准- 标准的制定过程USZ作为一家具有丰富经验和技术实力的企业,其油井水泥抗高温减阻剂企业标准必然经过严格的制定过程。
该标准的设定涉及原材料选取、生产工艺、产品性能以及质量检验等多个环节。
这些环节的严格把控和标准制定,为USZ的产品质量保驾护航。
- 标准的技术含量USZ的油井水泥抗高温减阻剂企业标准在技术含量上具有显著优势。
该标准在产品配方、使用方法、性能指标等方面进行了充分的考量和研究,以确保其产品在高温环境下能够达到预期效果,满足油田开发的需求。
3. 个人观点和理解在我看来,USZ的油井水泥抗高温减阻剂企业标准体现了该企业对产品质量和技术研发的高度重视。
其标准的制定不仅在行业内具有标杆意义,更为客户提供了可靠的产品保障。
未来,我期待USZ在标准的持续优化和创新研发上能够有更多突破,为油田开发提供更多有力支持。
4. 总结USZ的油井水泥抗高温减阻剂企业标准凝聚了该企业的技术实力和质量承诺。
该标准的制定过程严谨、技术含量高,体现了USZ对产品质量的高度责任心。
相信在USZ的持续努力下,其产品在油田开发中必将发挥越来越重要的作用。
在知识的文章格式中,通过以上的序号标注和反复提及指定的主题文字,我相信可以很好地满足你的要求。
希望本文对你能够有所帮助,如果有其他需要,请随时告诉我。
USZ的油井水泥抗高温减阻剂企业标准对油田开发的重要性不言而喻。
在油田的复杂环境中,油井水泥抗高温减阻剂的质量直接影响着油井封隔和固井质量。
USZ将其产品标准制定得非常严格和高标准,保证产品的可靠性和稳定性。
耐高温油井水泥降失水剂的合成和性能随着油井开采技术的不断发展和进步,高温耐化学性能的油井水泥已经成为了油井建设和维护中不可或缺的重要材料之一。
可是在高温环境下水泥降失水的现象会大大影响水泥的性能,降低其使用寿命,而耐高温油井水泥降失水剂的开发研究因而成为了重要的研究方向。
本文围绕着耐高温油井水泥降失水剂的合成和性能进行了深入的研究,以期为水泥的制造和应用提供有效的辅助剂。
一、耐高温油井水泥降失水剂的合成在本研究中,我们选取了10个不同种类的高聚物,以及一定量的草酸和聚乙烯醇干粉为原料。
经过精确的物料配比和合成反应,得到了一种新型的耐高温油井水泥降失水剂。
二、耐高温油井水泥降失水剂的性能表现1. 降失水效果本研究中,我们选取了不同饱和度下的水泥样品,并添加不同浓度的耐高温油井水泥降失水剂,测试其降失水效果。
结果表明,本实验所得到的耐高温油井水泥降失水剂对不同饱和度的水泥都有显著的降失水效果。
2. 加速时间效应在水泥混合物中加入不同浓度的耐高温油井水泥降失水剂之后,我们测试了混合物的加速时间,结果表明,在不同浓度的实验条件下,耐高温油井水泥降失水剂均呈现出显著的加速时间效应。
3. 耐温性能为了测试耐高温油井水泥降失水剂的耐温性能,我们将样品放置在不同高温环境下静置,并测试其硬化程度。
结果表明,所得到的耐高温油井水泥降失水剂在高温环境下表现出强大的耐温性能。
以上三项性能表现表明,本实验所得到的耐高温油井水泥降失水剂属于一种理想的油井水泥辅助剂,可帮助水泥制备和应用过程中克服降失水现象,同时具备较好的加速时间和耐温性能。
结论:本文通过合成和性能测试,成功地开发了一种具有耐高温、降失水和加速时间效应的耐高温油井水泥降失水剂。
该降失水剂能够广泛应用于水泥制备和油井维护领域,并对未来石油工业的开发和进步有一定的推动作用。
三、影响因素分析耐高温油井水泥降失水剂的性能表现与多个因素相关。
我们对其影响因素进行了分析和研究,具体的影响因素包括高分子聚合度、高分子浓度、草酸的用量和聚乙烯醇干粉的用量等。
油井水泥高温抗盐降失水剂技术要求
1 范围
本标准规定了油井水泥高温抗盐降失水剂的要求、试验方法、检验规则、标志、包装、质量检验单、运输及贮存。
本标准适用于胜利石油管理局油井水泥高温抗盐降失水剂的准入、验收和质量监督检验。
2 规范性引用文件
下列文件对于本文件中的应用是必不可少的。
凡是注日期的引用文件,仅注日期的版本适用于本文件。
凡是不注日期的引用文件,其最新版本(包括所有的修改版)适用于本文件。
GB/T 6678 化工产品采样总则
GB/T 6682 分析实验室用水规格和试验方法
GB/T 8077 混凝土外加剂匀质性试验方法
GB/T 9174 一般货物运输包装通用技术条件
GB 10238 油井水泥
GB/T 19139 油井水泥实验方法
SY/T 5504.2 油井水泥外加剂评价方法第2部分:降失水剂
SY/T 5381 钻井液密度计技术条件
3 要求
高温抗盐降失水剂,配制成18%盐水水泥浆(密度为1.90g/cm3±0.01g/cm3)进行性能试验应符合表1的要求。
表1 高温抗盐降失水剂水泥浆技术指标
指标
项目
固体液体
外观流动粉末均一液体
烘失量/% ≤8.0 —
固含量/%≥—10.0
筛余量(0.315mm筛余)/% ≤12.0 —
失水量(120℃,6.9MPa,30min)/ml ≤100
稠化时间(120℃,73.9MPa,61min)/min ≥70
初始稠度/Bc ≤30
稠化线形正常
40~100Bc的时间/min ≤30
游离液(120℃)/% ≤ 1.4
抗压强度(144℃,21MPa,24h)/MPa ≥14
4 试验方法
4.1 仪器设备和试剂材料
仪器设备和试剂材料包括:
a)天平:精度±0.01g;
b)天平:精度±0.0001g;
c)恒温干燥箱:精度±3℃;
d)干燥器:内盛变色硅胶;
e)试验筛:0.315mm筛孔;
f)恒速搅拌器:符合GB 10238的规定;
g)密度计:符合SY/T 5381的规定;
h)250ml量筒:符合GB/T 19139的规定;
i)抗压强度试验机:符合GB 10238的规定;
j)强度养护设备:符合GB 10238的规定;
k)增压稠化仪:符合GB 10238的规定;
l)常压稠化仪:符合GB 10238的规定;
m)失水仪:符合GB/T 19139的规定;
n)G级高抗油井水泥:符合GB 10238的规定;
o)蒸馏水:符合GB/T 6682三级水的规定;
p)硅粉:0.095mm~0.075mm(160目~200目)筛筛余小于4%,SiO2含量不低于98%。
4.2 试验程序
4.2.1 外观
目测。
4.2.2 烘失量
按GB/T 8077的规定进行测定。
4.2.3 固含量
按GB/T 8077的规定进行测定。
4.2.4 筛余量
按GB/T 8077的规定进行测定。
4.2.5 水泥浆性能试验方法
4.2.
5.1 水泥浆制备
4.2.
5.1.1 水泥浆初始配方的来源
主要包括:
——用户检验:供货商提供的初始配方或与本油田材料配套形成的初始配方;
——供货商检验:供货商自行配套形成或根据用户要求组成初始配方;
——第三方检验:委托方提供的初始配方。
4.2.
5.1.2 水泥浆制备
按照初始配方制备水泥浆,制备方法按GB/T 19139的规定制备水泥浆。
4.2.
5.1.3 水泥浆密度测定
按GB/T 19139的规定进行测定。
4.2.
5.2 失水量试验
按GB/T 19139的规定进行测定。
4.2.
5.3 稠化试验
4.2.
5.3.1 稠化时间、初始稠度以及40Bc~100Bc的时间
初始压力为13.8MPa,按GB/T 19139的规定进行测定。
4.2.
5.3.2 稠化线形
按SY/T 5504.2的规定进行测定。
4.2.
5.4 游离液试验
按GB/T 19139的规定(室内环境)进行测定。
4.2.
5.5 抗压强度试验
按GB/T 19139的规定进行测定。