C35混凝土配合比设计计算书
- 格式:pdf
- 大小:105.33 KB
- 文档页数:2
C35混凝土配合比设计说明计算初步配合比:(C35-B)1、确定配合比的试配强度fcu.o= fcu.k+1.645Ó= 35+1.645×6=44.9(Mpa)2、计算水灰比(w/c)W/C= aa×fce/ fcu.o+ aa×ab×fceW/C=0.46×42.5×1.0/(44.9+0.46×0.07×42.5×1.0)=0.42采用水灰比:W/C=0.423、选用单位用水量根据混凝土拌和物设计坍落度120~160mm,碎石最大粒径25mm,确定单位用水量: mw0=176kg/m3。
4、确定水泥用量mco=mwo/(w/c)=176/0.42=420kg/m35、选定砂率根椐所采用碎石最大粒径为25mm, 砂为崇阳粗砂细度模数2.85,水灰比为0.42,选定砂率为38%。
6、计算砂石用量混凝土的假定容重为2410kg/m3mco+ mw0+ ms0+ mg0=2410βs= ms0/( ms0+ mg0)×100%解得:ms0=689 kg/m3 mg0=1124kg/m37、外加剂掺量:按照厂家使用说明,通过试配确定为1.2%。
7、初步配合比为:水泥: 砂: 碎石: 水:外加剂420: 689: 1124: 176 :5.041:1.640: 2.68: 0.42 :0.0128、调整配合比(C35-A):水灰比减少0.05,砂率减少1%,则:(1)水灰比:W1/C1=0.37(2)砂率:βs1=37%(3)用水量:mw1=176(4)水泥用量:mc1= mw1/(W1/C1)=477 kg/m3(5)计算砂石用量:假定容重为2410kg/m3mco1+ mw01+ ms01+ mg01=2410βs1= ms01/( ms01+ m g01)×100%解得:ms01=650 kg/m3 mg01=1107kg/m3(6)外加剂掺量:按照厂家使用说明,通过试配确定为1.2%。
精心整理徐州市城市轨道交通1号线一期工程02分部工程混凝土配合比申报材料I123、使用年限级别:100年;4、抗渗等级:/五、设计依据1、GB/T50476-2008《混凝土结构耐久性设计规范》;2、JGJ55-2011《普通混凝土配合比设计规程》;3、GB50204-2015《混凝土结构工程施工质量验收规范》;4、GB50208-2011《地下防水工程质量验收规范》;5、《招标文件范本》中有关规定。
六、原材料技术标准水泥:GB175-2007《通用硅酸盐水泥》砂石:JGJ52-2006《普通混凝土用砂、石质量及验收方法标准》粉煤灰:GB/T1596-2005《用于水泥和混凝土中的粉煤灰》矿粉:GB/T18046-2008《用于水泥和混凝土中的粒化高炉矿渣粉》外加剂:GB8076-2008《混凝土外加剂》水:JGJ63-2006《混凝土用水标准》七、混凝土配合比设计参数123412345~7(2)此配合比所选用碎石,回归系数ɑa和ɑbɑa=0.53ɑb=0.20γc=1.16取值fce=42.5×1.16=49.3为保守起见宜取经验值fce=48.0MPɑ取值粉煤灰掺量15%,影响系数γf=0.85取值矿粉掺量15%,影响系数γs=0.95(6)胶凝材料28d 强度取值fb=γf ×γs ×fce=0.85×0.95×48=38.8(Mpa) 1.2计算水胶比水胶比公式按JGJ55-2011《普通混凝土配合比设计规程》中5.1.1 ɑa ×fb(fCU ,O+ɑa ×ɑb ×fb)=0.53×38.8/(43.2+0.53×0.20×38.8) =0.43按经验取值混凝土假定容重=2400㎏ %砂石混合重量=假定容重-胶凝材料重-水重=1839㎏ 砂子用量=717㎏碎石用量=1122㎏ 1.7基准配合比水泥:粉煤灰:矿渣粉:砂:石:水:减水剂 278:60:60:717:1122:163:6.4(㎏)W/B=砂率β=39%二、分别用0.36和0.46水胶比计算配合比2.1当水胶比为0.360时(1)用水量不变为163㎏(2)胶凝材料用量mb0=mw0/W/B=163/0.36=453㎏(3)粉煤灰掺量为15%mf0=453×15%=68㎏mb0=mw0/W/B=163/0.460=354㎏(3)粉煤灰掺量为15%mf0=354×15%=53㎏(4)矿渣粉掺量为15%mK0=354×15%=53㎏(5)水泥用量mc0=354-53-53=248㎏(6)外加剂用量外加剂按厂家提供指标为胶凝材料的1.6%掺用mwjj=354×0.016=5.7㎏(7)采用假定容重法计算砂石用量:混凝土假定容重=2400㎏40%砂石混合重量=假定容重-胶凝材料重-水重=1883㎏砂子用量=753㎏碎石用量=1130㎏(8)基准配合比(2)每方混凝土总碱含量计算表(3)每方混凝土氯离子总含量计算表。
1、计算初步配合比1)混凝土设计强度 (f cu.k )=Mpa 混凝土的设计坍落度mm粗骨料类型:砂:水泥强度等级Mpa2)选择混凝土的强度标准差σ=MPa计算混凝土的配制强度(f cu.o)=f cu.o+1.645σ=Mpa水泥28d抗压强度实测值f ce =Mpa 水泥强度富余系数γc =回归系数 a a =a b =a a *fcefcu.o+a a *a b *f ce3)选定单位用水量m wo =kg/m 3计算水泥用量m co =kg/m 3选定砂率βs=假定混凝土湿表观密度m cp =kg/m 3计算单位砂用量m so =kg/m 3计算单位石用量m go =kg/m 3确定初步配合比 水泥:砂:石 =::水灰比 =2、调整工作性,提出基准配合比1)计算水泥混试拌材料用量:按初步配合比试拌混凝土拌和物L ,各种材料用量为:水泥=kg 水=kg 砂=kg 石=kg2)调整工作性按初步配合比拌制水泥混凝土拌和物,测定其粘聚性、保水性、坍落度。
坍落度测定值为mm,粘聚性和保水性,施工和易性要求。
如不满足要求,保持不变,增加重新拌制拌和物,测定其粘聚性、保水性、坍落度。
35普通水泥混凝土配合比设计书~30.012.60.460.07=6.041.287.6II区中砂计算水灰比W/C=0.420.4242.5301042.544.9 1.00选定水灰比:2.9270良好满足11.370.421804290.327058924501252碎石3)提出基准配合比经过工作性调整,确定基准配合比为:水泥:砂:石 =::水灰比 =单位材料用量为:水泥=kg/m 3水=kg/m 3砂=kg/m 3石=kg/m 34)设计掺入外加剂%,外加剂的减水率β为%,计算单位用水量m wa =m w0(1-β)=kg/m3计算单位水泥用量mca=kg/m 3计算单位砂用量msa=kg/m3计算单位石用量mga=kg/m 3按重新计算的各材料的单位用量拌制混凝土拌和物,测定其粘聚性、保水性、坍落度。
绥滨至嘉荫公路项目绥滨至名山段A5 合同段(K24+300- K29+800)C35混凝土配合比设计龙建路桥股份有限公司R s= Y?R b W/C=AR s/ R yp+ABR sC35 混凝土配合比设计、设计资料1、部位:涵洞(盖板、桥面铺装、支撑梁、防撞墙、搭板等)2、设计标号:C353、原材料(1)水泥:P.O42.5安邦河普通硅酸盐水泥。
( 2)中砂:松花江,II 区中砂。
(3)碎石:富锦北山石场,5-31.5mm 连续级配碎石。
( 4)水:饮用水,比重 1.0g/cm3、设计步骤(一)计算初步配合比1 、确定试配强度R yp = R y+Z (T设计强度R y=35(MPa),标准差。
查表取值为5。
保证率Z=1.645计算得出R yp =43.2 (MPa)2、计算水灰比已知水泥实际强度和混凝土配制强度,按混凝土要求强度等级计算水灰比:因统计资料较少,所以选取富余系数Y=1.1,水泥标号R b=42.5 MPa、水泥实际强度Rs=46.75MPa.A、B 为经验系数,由于设计采用碎石为粗集料,所以A 取0.5,B 取0.5经计算得出: 水灰比W/C=0.43。
3、选定单位用水量(m wo)根据混凝土拌合物坍落度为3-7cm,碎石最大粒径为31.5mm查表选用混凝土用水量m wo =155kg/m34、计算单位用灰量(m co)m co = m wo ?W/C经计算m co=364 kg/m35、选定砂率B s根据采用碎石的最大粒径和水灰比查表选定砂率 B s为34%6、计算砂石用量假定混凝土湿表观密度p C p=2400kg/m3。
m so+m Go= p cp-m co-m wo m so 为单位中砂用量3经计算:m so=639kg/m3m so/m so+m Go m Go为单位碎石用量3G O=1241kg/mR s= Y?R b W/C=AR s/ R yp+ABR s7、确定初步配合比m co:m wo:m so:m Go=364:155:639:1241=1:0.43:1.76:3.41 二)调整配合比:以初步配合比为基准,在砂率不变、用水量不变的情况下,对水灰比进行变动调节。
广东省龙川至怀集公路C35配合比计算书天津城建集团有限公司TJ18标工地试验室二0一六年三月十日水泥混凝土配合比设计说明试验编号:TJ18-TPB-2016-006 一、设计目的根据龙怀高速公路TJ18合同段路基施工需要,设计C35普通混凝土配合比,拟用于以下部位:盖板、墩柱、盖梁、耳背墙等。
二、设计依据1.《普通混凝土配合比设计规程》 JGJ55-20112.《公路桥涵施工技术规范》 JTG/T F50-20113.《公路工程水泥及水泥混凝土试验规程》 JTG E30-20054.《普通混凝土拌合物性能试验方法标准》 GB/T 50080-20025.广东省龙川至怀集公路TJ18合同段施工设计图纸三、设计要求设计强度等级C35设计坍落度为120-160mm四、原材料试验混凝土配合比设计选择的原材料与工程施工中所用材料相同。
1.粗集料试验粗集料为江西省全南县大吉山镇惠发石场生产的10-20mm,10-16mm,5-10mm 规格的三种碎石,按10-20mm:10-16mm:5-10mm=40:40:20的比例掺配成5~20mm 连续级配碎石,其各项指标试验结果见表一(5-20mm):(表一)2.细集料试验细集料为广东省英德市白沙镇顺发砂场的中砂,其各项指标试验结果见表二:(表二)3.水泥试验台泥(英德)水泥有限公司生产的P.O42.5R水泥,其各项指标试验结果见表三:水泥各项指标试验结果汇总表(表三)4.外加剂:广东强仕建材科技有限公司聚羧酸高性能减水剂缓凝JB-ZSC型。
5.水:广东省翁源县三华镇地下水。
五、设计计算:1.试配强度计算:取σ=5.0Mpa 试配强度=35+1.645σ=35+1.645×5=43.2Mpa2.水胶比W/B水泥富余系数取1.16,采用碎石查表aa =0.53 ab=0.20W/C =(αa* f ce)/( f cuo+αa*αb**f ce)=0.54取水胶比 0.41。
混凝土配合比试验计算单第1 页共5 页C35混凝土配合比计算书一、设计依据TB 10425-94 《铁路混凝土强度检验评定标准》TB 10415-2003《铁路桥涵工程施工质量验收标准》JGJ 55-2011《普通混凝土配合比设计规程》TB 10005-2010《铁路混凝土结构耐久性设计规范》TB 10424-2010《铁路混凝土工程施工质量验收标准》GB/T 50080-2002《普通混凝土拌合物性能试验方法标准》GB/T 50081-2002《普通混凝土力学性能试验方法标准》GB/T 50082-2009《普通混凝土长期性能和耐久性能试验方法标准》设计图纸要求二、技术条件及参数限值设计使用年限:100年;设计强度等级:C35;要求坍落度:160~200mm;胶凝材料最小用量340 kg/m3;页脚内容1最大水胶比限值:0.50;耐久性指标:56d电通量<1200C;配合比试验计算单第2 页共5 页三、原材料情况1、水泥:徐州丰都物资贸易有限公司,P·O 42.5(试验报告附后)2、粉煤灰:中铁十五局集团物资有限公司,F类Ⅱ级(试验报告附后)3、砂子:(试验报告附后)4、碎石:5~31.5mm连续级配碎石,5~10mm由石场生产;10~20mm由石场生产;16~31.5mm由石场生产;掺配比例5~10mm 为30%;10~20mm为50%;10~31.5mm为20%(试验报告附后)5、外加剂:山西桑穆斯建材化工有限公司,聚羧酸高性能减水剂(试验报告附后)6、水:混凝土拌和用水(饮用水)(试验报告附后)四、设计步骤(1)确定配制强度页脚内容2页脚内容3根据《普通混凝土配合比设计规程》JGJ55—2011、《铁路桥涵工程施工质量验收标准》TB 10415-2003,混凝土的配制强度采用下式确定:)(a 2.430.5645.135645.1,0,cu MP k fcu f =⨯+=+≥σ (2)按照《铁路混凝土结构耐久性设计设计规范》TB10005-2010规定,根据现场情况: 1、成型方式:混凝土采用罐车运输,混凝土泵送施工工艺。
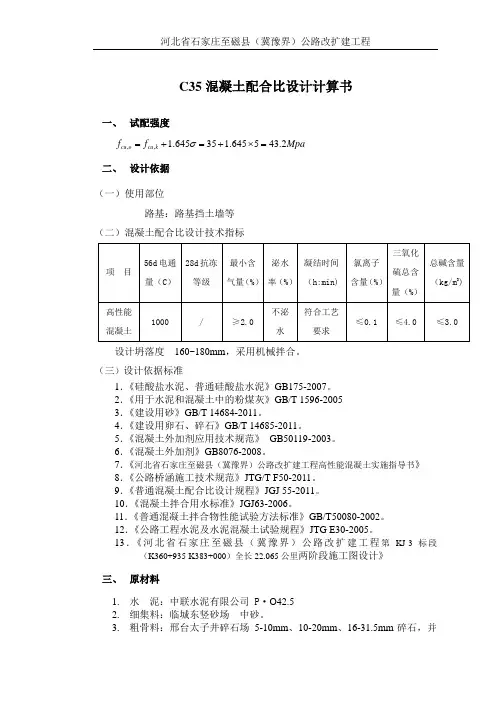
C35混凝土配合比设计计算书一、 试配强度,, 1.64535 1.645543.2cu o cu k f f Mpa σ=+=+⨯=二、 设计依据(一)使用部位路基:路基挡土墙等(二)混凝土配合比设计技术指标设计坍落度 160~180mm ,采用机械拌合。
(三)设计依据标准1.《硅酸盐水泥、普通硅酸盐水泥》GB175-2007。
2.《用于水泥和混凝土中的粉煤灰》GB/T 1596-2005 3.《建设用砂》GB/T 14684-2011。
4.《建设用卵石、碎石》GB/T 14685-2011。
5.《混凝土外加剂应用技术规范》 GB50119-2003。
6.《混凝土外加剂》GB8076-2008。
7.《河北省石家庄至磁县(冀豫界)公路改扩建工程高性能混凝土实施指导书》 8.《公路桥涵施工技术规范》JTG/T F50-2011。
9.《普通混凝土配合比设计规程》JGJ 55-2011。
10.《混凝土拌合用水标准》JGJ63-2006。
11.《普通混凝土拌合物性能试验方法标准》GB/T50080-2002。
12.《公路工程水泥及水泥混凝土试验规程》JTG E30-2005。
13.《河北省石家庄至磁县(冀豫界)公路改扩建工程第KJ-3标段(K360+935-K383+000)全长22.065公里两阶段施工图设计》 三、 原材料1. 水 泥:中联水泥有限公司 P ·O42.5 2. 细集料:临城东竖砂场 中砂。
3. 粗骨料:邢台太子井碎石场 5-10mm 、10-20mm 、16-31.5mm 碎石,并按5-10mm :10-20mm :16-31.5mm=20:55:25的比例合成5-31.5mm 连续级配碎石。
4. 粉煤灰:邢台天唯集团兴泰电厂I 级粉煤灰。
5. 矿渣粉:邢台紫盛建材有限公司 S95矿渣粉6. 水: 拌合站场区井水。
7. 外加剂:河北青华建材有限公司 FSS-PC 聚羧酸减水剂。
C35混凝土配合比设计说明书一、设计依据1、《普通混凝土配合比设计规程》 JGJ 55-2011、2、《公路桥涵施工技术规范》 JTG/ T F50-20113、《公路工程水泥及水泥混凝土试验规程》 JTG E30-20054、《公路工程集料试验规程》 JTG E42-20055、《混凝土外加剂应用技术规范》 GB 50119-20136、《用于水泥和混凝土中的粉煤灰》 GB/T 1596-20177、《混凝土用水标准》 JGJ 163-20068、《混凝土强度检验评定标准》 GB/T 50107-20109、《预拌混凝土》 GB 14902-201210、《通用硅酸盐水泥》 GB 175-200711、《水泥密度测定方法》 GB/T 208-201412、《水泥比表面积测定方法勃氏法》 GB/T 8074-200813、《水泥胶砂流动度测定法》 GB/T 2419-200514、《水泥标准稠度用水量、凝结时间、安定性检测方法》GB/T 1346-201115、《建设用砂》 GB/T 14684-201116、《建设用卵石、碎石》 GB/T 14685-201117、《混凝土外加剂》 GB 8076-200818、《粉煤灰混凝土应用技术规范》 GB/T 50136-201419、《高强高性能混凝土用矿物外加剂》 GB/T 18736-201720、《混凝土泵送施工技术规程》 JGJ/T 10-201121、《公路工程水泥水泥混凝土用机制砂》JT/T 819-201122、设计图纸二、设计说明1、设计强度等级:C352、使用部位:通道盖板等3、根据现场施工情况,混凝土拟定塌落度130~190mm 。
三、材料选用1、水泥:选用滁海螺PO.42.5级硅酸盐水泥,各项检测指标均符合规范要求;2、细骨料:选用鄱阳湖的砂,细度模数Mx=2.58为Ⅱ区中砂,其它各项检测指标均符合规范要求;3、粗骨料:选用XX矿业采石场生产的碎石,采用4.75-9.5mm、9.5-19.0mm、16-31.5mm三种规格碎石,按质量比20%:50%:30%合成为5~31.5mm连续级配,压碎值为 19.2%,针片状含量为14.3%,其它各项检测指标均符合规范要求;4、水:饮用水,通过外委检测符合混凝土施工用水要求;6、外加剂:XX公司生产的YD-1聚羧酸高性能减水剂,掺人量为1%,减水率为25%.四、C35混凝土配合比设计计算1、配制强度fcu.o:fcu.o=1.645δ+35=43.2(MPa)δ查表可知:δ=5.0MPa标准差σ值(混凝土强度标准差MPa)2、计算水胶比(W/B):回归系数(αa、αb)取值表①查表可知碎石的回归系数:αa=0.53 αb=0.20水泥强度等级值的富余系数(γc)②水泥28天强度:fce=γc×fce.g=1.16×42.5=49.3(MPa)③胶凝材料28天强度(fb):fb=γfγs fce=49.3(MPa)④水胶比:αa × fbW/B= =0.44fcu.o+αa×αb×fb⑤根据《公路桥涵施工技术规范》JTG/F50-2011中6.8.3节要求混凝土最大水胶比为0.55,满足该规范要求,同时结合我部实际施工需要现拟定选用W/B=0.36.3、选取用水量(m w0)塑性混凝土用水量(kg/m3)注:1、本表用水量第采用中砂时的平均取值。
C35砼配合比设计C35砼用于路面,采用普通硅酸盐水泥、碎石、中沙配制,设计坍落度30-50mm 。
一、设计依据JTGE30-2005《公路工程水泥混凝土试验规程》JTG-200《公路水泥混凝土路面设计规范》二、材料来源1、 水泥 :广西兴安PO 42.5海螺牌2、 细集料:马家河砂场,细度模数2.533、 粗集料:金龙碎石场,规格4.75-31.5MM 连续级配,宏观密度2723kg\m 34、 外加剂:长沙金华达建材有限公司,减水率≥8%(取值8.5%)5、 水: 饮用水三、配合比计算: f m =f cf *k(保证系数) 1、试配弯拉强度: =5*1.15=5.8Mpa2、计算水灰比:W\C= 1.5684/(f m +1.0097-0.3595f ct )=1.5684/(5.8+1.0097-0.3595*6.8)=0.363、确定砂率S p根据水灰比和粗细集料品种,查表选用砂率34%4、确定单位用水量:Wo按公式计算: Wo=104.97+0.309H+11.27(C\W)+0.61S p=104.97+0.309*30+11.27*0.36+0.61*34=140kg\m 3外加剂掺量1.0%,试验结果减水率8.5%理论用水量 Wo=140*(1-8.5%)=128kg\m 35、计算单位水泥用量:300/35636.0128/m kg C W W C === 6、外加剂掺量:356*1.0%=3.56kg\m 37、计算砂石用量: 假设M=2400 kg\m 3Ms/(Ms+Mg)=34% Ms+Mg+Mc+Mw=2400 kg\m 3Ms=(2400-128-356)*0.34=651kg\m 3Mg=2400-128-356-651=1265kg\m 3初步确定每立方混凝土材料为:水泥 : 砂: 碎石 : 水 : 外加剂356 : 651 : 1265: 128 : 3.56C : S : G : W : J1 : 1.83 : 3.55 : 0.36 : 0.01根据此基准点,分别增减0.03水灰比,相应调整砂率配制以下两种混凝土: ①W/C=0.36-0.03=0.33 砂率调整33% 计算各单位材料用量:30/38833.0128/m kg C W W C === Ms/(Ms+Mg)=33% Ms+Mg+Mc+Mw=2400kg/m 3Ms=(2400-128-388)*0.33=622kg/m 3Mg=2400-128-388-622=1390kg/m 3水泥:砂:碎石:水:外加剂388:622:1390:128:3.88C : S : G : W :J1: 1.60:3.58:0.33:0.01②W/C=0.36+0.03=0.39,砂率调整35% 计算各单位材料用量:30/32839.0128/m kg C W W C === Ms/(Ms+Mg)=35% Ms+Mg+Mc+Mw=2400kg/m 3 Ms=(2400-128-328)*0.35=680kg/m 3Mg=2400-128-328-680=1264kg/m 3水泥:砂:碎石:水:外加剂328:680:1264:128:3.28C : S : G : W :J1 :2.07:3.85:0.39:0.01。
混凝土配合比计算:C35砼原材料:①水泥:北元水泥;②砂:小保当:③石子:山西:④粉煤灰:锦界国华;⑤外加剂:神木恒正1. 配制强度:fcu,o=fcu,k+1.645σ=35+1.645 *5=43.2式中fcu,o-----混凝土配制强度(Mpa)fcu,k-----混凝土立方体积抗压强度标准值σ------混凝土强度标准差混凝土标准差按下表选择2. 胶凝材料28天胶砂抗压强度:f b= γf*γs* f ce=0.85*1*42.5=36.13. 混凝土水胶比计算:W/B=a a* f b/(f cu,o+a a*a b*f b) =0.53 *36.1/(43.2+0.53*0.2*36.1)=0.41式中a a , a b----回归系数,碎石值分别取0.53; 0.20f b-----胶凝材料28天胶砂抗压强度(Mpa),取值42.5 Mpa水胶比W/B取值0.414.每立方米混凝土用水量:依据《一般混凝土配合比设计规程》(JGJ55- )表5.2.1-2塑性混凝土用水量取205 kg/m3,流动性和大流动性混凝土用水量m'wo为225kg/m3,掺外加剂混凝土每立方用水量m wo=m'*(1-β)=225*(1-0.24)=171 kg/m3wo5.每立方米混凝土胶凝材料用量m bo, 每立方米混凝土胶凝材料用量m fo ,m bo=m w0/ W/B=171/0.41=417 kg/m3m fo= m bo *βf =417*20%=83 kg/m3 (即取85 kg/m3)m c0= m bo- m fo =417-85=332kg/m3 (即取332kg/m3)5. 每立方米混凝土外加剂用量:m ao= m bo*βa=417*2.5%=10.46.选择砂率βs为37%7.每立方混凝土总容重2430 kg/m3m c0+m f0+ m g0 + m s0 + m w0 =m cp=2430kg/m3βs= m s0*100%/ (m g0 + m s0)332+85+171+ m g0 + m s0 =243037%= m s0*100%(m g0 + m s0)得: m s0 =682kg/m3m g0=1160kg/m3(即取1160kg/m3)C35混凝土配合比: m w0:m c0:m s0:m g0:m f0:m ao为171:332:682:1160:85:10.4。
混凝土配合比试验计算单第 1 页共 5 页C35混凝土配合比计算书一、设计依据TB 10425-94 《铁路混凝土强度检验评定标准》TB 10415-2003《铁路桥涵工程施工质量验收标准》JGJ 55-2011《普通混凝土配合比设计规程》TB 10005-2010《铁路混凝土结构耐久性设计规范》TB 10424-2010《铁路混凝土工程施工质量验收标准》GB/T 50080-2002《普通混凝土拌合物性能试验方法标准》GB/T 50081-2002《普通混凝土力学性能试验方法标准》GB/T 50082-2009《普通混凝土长期性能和耐久性能试验方法标准》设计图纸要求二、技术条件及参数限值设计使用年限:100年;设计强度等级:C35;要求坍落度:160~200mm;胶凝材料最小用量340 kg/m3;最大水胶比限值:0.50;耐久性指标:56d电通量<1200C;第 2 页共 5 页三、原材料情况1、水泥:徐州丰都物资贸易有限公司,P·O 42.5(试验报告附后)2、粉煤灰:中铁十五局集团物资有限公司,F类Ⅱ级(试验报告附后)3、砂子:(试验报告附后)4、碎石: 5~31.5mm连续级配碎石,5~10mm由石场生产;10~20mm 由石场生产;16~31.5mm由石场生产;掺配比例5~10mm 为30%;10~20mm 为50%;10~31.5mm为20%(试验报告附后)5、外加剂:山西桑穆斯建材化工有限公司,聚羧酸高性能减水剂(试验报告附后)6、水:混凝土拌和用水(饮用水)(试验报告附后)四、设计步骤(1)确定配制强度根据《普通混凝土配合比设计规程》JGJ55—2011、《铁路桥涵工程施工质量验收标准》TB 10415-2003,混凝土的配制强度采用下式确定:)(a2.430.5645.135645.1,0,cu MPkfcuf=⨯+=+≥σ(2)按照《铁路混凝土结构耐久性设计设计规范》TB10005-2010规定,根据现场情况:1、成型方式:混凝土采用罐车运输,混凝土泵送施工工艺。
C35混凝土配合比设计计算书一、组成材料:水泥:盾牌P.O42.5级水泥;砂 :细砂;碎石:碎石5mm-10mm ;碎石10mm-20mm ;水:饮用水。
二、设计要求陕西省某桥梁工程桥墩盖梁用钢筋混凝土(受冰雪影响),混凝土设计强度等级为C35,强度保证率为95%。
混凝土由机械拌和、振捣,施工要求坍落度为35~50mm 。
三、计算初步配合比1、计算混凝土配制强度(fcu,o )根据设计要求强度等级,35cu k f M Pa =,强度标准差5MPa σ=,计算得该混凝土的试配强度为:,, 1.64535 1.645543.2cu o cu k f f M Pa σ=+=+⨯=2、计算水灰比(W/C )根据(JGJ55-2000)配合比设计规程0.46a α=;0.07b α=, 1.1342.548.02ce c ce g f f M Pa γ=⨯=⨯=,0.4648.02/0.4943.20.460.0748.02a cecu o a b ce f W C f f ααα⨯⨯===+⨯⨯+⨯⨯混凝土所处环境为受冰雪影响,其最大水灰比为0.5,按照强度计算的水灰比结果符合耐久性的要求,故取计算水灰比W/C =0.493、确定混凝土的单位用水量(mwo)根据拌和物坍落度及碎石最大粒径选择单位用水量3195/w o m kg m =4、计算每方混凝土水泥用量(mco )3195398/0.49w o co m m kg m W C ==符合耐久性要求的最小水泥用量为3300kg/m,所以取按强度计算的单位水泥用量3c0m 398/kg m =5、选定砂率(s β)根据水灰比0.49和碎石的最大粒径20mm ,选定砂率为34%。
6、计算砂石及外加剂用量(mso 、mgo )质量法:2400co w o so go cp m m m m ρ+++==10036sos so gom m m β=⨯=+ 3651/so m kg m =;31156/gom kg m =7、初步配合比::::398:195:651:1156co w o so go m m m m =四、进行试配、调整及确定配比1、确定基准配合比按计算初步配合比试拌40L 混凝土拌和物,各种材料用量为:水 泥:398×0.04=15.92(kg)水:195×0.04=7.80(kg )砂:651×0.04=26.04(kg )碎石:1156×0.04=46.24(㎏)碎石:小碎头:46.24*35%=16.18(㎏);大碎头:46.24*65%=30.06(㎏)2、试验中配合比考虑到砂子中含有3%的水,故而需要做调整 水泥:15.92(kg )砂子:26.04*(1+3%)=26.82(kg )小碎石:16.18(kg )大碎石:30.06(kg )水:7.80-26.82*3%=7.00(kg )。
C35混凝土配合比设计计算中铁九局集团有限公司昆明枢纽铁路工程指挥部在新建沪昆铁路客运专线长沙至昆明段(云南段)引入昆明枢纽工程站前标段工程中桩基用混凝土设计强度为C35,坍落度要求180-220mm 。
现拟用如下材料:1、水泥:P ·O 42.5、密度3.04g/cm 3 产地:宜良红狮水泥有限公司;2、机制砂:中砂,细度模数2.6、密度2680kg/m 3 产地:昆明如宏建材有限公司;3、碎石:5-20mm (5-10mm40%、10-20mm60%)、密度2700kg/m 3 产地:昆明经开区洛羊秋木箐砂石场;4、水:地下水 、密度1000kg/m 35、粉煤灰:F 类 、密度2.26g/cm 3 产地:云南恒阳实业有限公司;6、外加剂:聚羧酸减水剂(缓凝型) 、密度1.029g/cm 3 产地:山西凯迪建材有限公司;以上材料均有材质合格证或试验检测报告附后。
一、砼配合比设计计算:1、计算配制强度ƒ cu ,0≥(ƒcu ,k ×1.15+ 1.645σ) 标准差σ取5.0(MPa )≥(35×1.15+1.645×5.0) =48.5MPa2、计算水胶比:设计粉煤灰掺量30%,根据56天抗压龄期分别取影响系数γf =0.75,回归系数αa =0.53、αb =0.20,水泥28d 胶砂抗压强度ƒce =47.6MPa ,胶凝材料28d 胶砂抗压强度ƒb =γf ƒce =35.7MPa ,水胶比W/B=(αa ƒb )/(ƒCU,0+αa αb ƒb )=0.36,根据经验取W1/B=0.39;(不含外加剂中水分)3、确定用水量:根据混凝土坍落度要求、骨料、外加剂减水率、含气量、及胶凝材料的减水作用等经验选定单位用水量: W 1= 160kg ;(不含外加剂中水分)4、计算胶材用量:160/ 0.39=410kg5、粉煤灰用量:410×30%=123kg 粉煤灰掺量为胶凝材料的30%;6、水泥用量:410-123=287kg7、外加剂1用量:410×1.3%=5.33kg 外加剂掺量占胶凝材料的1.3% 外加剂中含水量:W2=5.33×(1-21.32%)=4.19kg ;8、采用假定容重法计算砂石用量:混凝土假定容重=2370kg 砂率选用48%水泥+粉煤灰+砂子+碎石+水=2370 (1)%48%100×=+碎石砂子砂子(2)由(1)、(2)可以得出:砂子用量=864kg 碎石用量=936kg 所以得到基本配合比如下:C:F:S:G:W1:WJ =287:123:864:936:160:5.33 =1:0.43:3.01:3.26:0.56:0.019W/B=(W1+W2)/B=0.409、同时还配制了水胶比分别为0.37、0.41的混凝土,用三种水胶比的混凝土进行对比,最终选择一个最佳水胶比。
混凝土配合比计算书一、设计说明:钻孔桩采用C35自密实混凝土,56d电通量<1200C,T2,H1环境,坍落度控制在180-220mm。
二、配合比设计依据《铁路混凝土结构耐久性设计规范》TB10005-2010 《铁路混凝土工程施工质量验收标准》TB10424-2010 《铁路混凝土工程预防碱——骨料反应技术条件》TB/T3054-2002 《普通混凝土配合比设计规程》JGJ55-2011《普通混凝土力学性能试验方法标准》GB/T50081-2002 《普通混凝土拌和物性能试验方法标准》GB/T50080-2002 《普通混凝土长期性能和耐久性能试验方法标准》GB/T50082-2009三、配合比设计技术条件1、使用部位:钻孔桩2、拌合方法:机械3、工地捣实方法:自密实4、混凝土坍落度:180~220mm5、强度等级:C35四、使用材料情况:1、水泥:云南活发集团刘总旗水泥有限公司P·O42.52、粉煤灰:昆明环恒粉煤灰有限公司F类3、矿粉:玉溪荣滇建材有限公司4、砂: 阳光采石厂机制砂5、碎石:阳光采石场 5-31.5mm 碎石6、外加剂:山东华伟(NOF-AS )高性能聚羧酸系减水剂7、水:饮用水 五、配合比设计 (一)配制强度(fcu.o ):根据JGJ55-2011《普通混凝土配合比设计规程》中4.0.1条,混凝土的配制强度采用以下公式确定fcu,o ≥fcu,k+1.645σ 该混凝土配制强度计算如下:fcu,o=(35+1.645×5.0)×1.15=49.7MPa (二)、水胶比W /B43.040.5452.235.4216.100.190.020.053.07.495.4216.100.190.053.0==⨯⨯⨯⨯⨯+⨯⨯⨯⨯=⨯⨯+⨯= fb b a o fcu fb a B W αα,α ,依据现场施工材料和经济情况取水胶比为0.38进行试配。
混凝土配合比计算:C35砼原材料:①水泥:北元水泥;②砂:小保当:③石子:山西:④粉煤灰:锦界国华;⑤外加剂:神木恒正有限公司1. 配制强度:fcu,o=fcu,k+1.645σ=35+1.645 *5=43.2式中fcu,o-----混凝土配制强度(Mpa)fcu,k-----混凝土立方体积抗压强度标准值σ------混凝土强度标准差混凝土标准差按下表选用混凝土强度等级C10-C20 C25-C45 C50-C55标准差(σ) 4.0 5.0 6.02. 胶凝材料28天胶砂抗压强度:f b= γf*γs* f ce=0.85*1*42.5=36.13. 混凝土水胶比的计算:W/B=a a* f b/(f cu,o+a a*a b*f b) =0.53 *36.1/(43.2+0.53*0.2*36.1)=0.41式中a a , a b----回归系数,碎石值分别取0.53; 0.20f b-----胶凝材料28天胶砂抗压强度(Mpa),取值42.5 Mpa水胶比W/B取值0.414.每立方米混凝土的用水量:依据《普通混凝土配合比设计规程》(JGJ55-2011)的表5.2.1-2塑性混凝土用水量取205 kg/m3,流动性和大流动性混凝土的用水量m'wo为225kg/m3,掺外加剂混凝土每立方的用水量m wo=m'wo*(1-β)=225*(1-0.24)=171 kg/m35.每立方米混凝土胶凝材料用量m bo, 每立方米混凝土胶凝材料用量m fo ,m bo=m w0/ W/B=171/0.41=417 kg/m3m fo= m bo *βf =417*20%=83 kg/m3 (即取85 kg/m3)m c0= m bo- m fo =417-85=332kg/m3 (即取332kg/m3)5. 每立方米混凝土外加剂的用量:m ao= m bo*βa=417*2.5%=10.46.选用砂率βs为37%7.每立方混凝土总容重2430 kg/m3m c0+m f0+ m g0 + m s0 + m w0 =m cp=2430kg/m3βs= m s0*100%/ (m g0 + m s0)332+85+171+ m g0 + m s0 =243037%= m s0*100%(m g0 + m s0)得: m s0 =682kg/m3m g0=1160kg/m3(即取1160kg/m3)C35混凝土配合比: m w0:m c0:m s0:m g0:m f0:m ao为171:332:682:1160:85:10.4【下载本文档,可以自由复制内容或自由编辑修改内容,更多精彩文章,期待你的好评和关注,我将一如既往为您服务】精品文档交流 2。
C35混凝土配合比设计计算书
一、组成材料:
水泥:盾牌P.O42.5级水泥;
砂 :细砂;
碎石:碎石5mm-10mm;碎石10mm-20mm;
水:饮用水。
二、设计要求
陕西省某桥梁工程桥墩盖梁用钢筋混凝土(受冰雪影响),混凝土设计强度等级为C35,强度保证率为95%。
混凝土由机械拌和、振捣,施工要求坍落度为35~50mm。
三、计算初步配合比
1、计算混凝土配制强度(fcu,o)
根据设计要求强度等级,强度标准差,计算得该混凝土的试配强度为:
2、计算水灰比(W/C)
根据(JGJ55-2000)配合比设计规程
;
混凝土所处环境为受冰雪影响,其最大水灰比为0.5,按照强度计算的水灰比结果符合耐久性的要求,故取计算水灰比W/C=0.49
3、确定混凝土的单位用水量(mwo)
根据拌和物坍落度及碎石最大粒径选择单位用水量
4、计算每方混凝土水泥用量(mco)
符合耐久性要求的最小水泥用量为,所以取按强度计算的单位水泥用量
5、选定砂率()
根据水灰比0.49和碎石的最大粒径20mm,选定砂率为34%。
6、计算砂石及外加剂用量(mso、mgo)
质量法:
;
7、初步配合比:
四、进行试配、调整及确定配比
1、确定基准配合比
按计算初步配合比试拌40L混凝土拌和物,各种材料用量为:
水 泥:398×0.04=15.92(kg)
水:195×0.04=7.80(kg)
砂:651×0.04=26.04(kg)
碎石:1156×0.04=46.24(㎏)
碎石:小碎头:46.24*35%=16.18(㎏);
大碎头:46.24*65%=30.06(㎏)
2、试验中配合比
考虑到砂子中含有3%的水,故而需要做调整
水泥:15.92(kg)
砂子:26.04*(1+3%)=26.82(kg)
小碎石:16.18(kg)
大碎石:30.06(kg)
水:7.80-26.82*3%=7.00(kg)。