施工升降机定期维护保养记录表
- 格式:docx
- 大小:17.80 KB
- 文档页数:2
建筑施工起重机械(塔式起重机)日常维护保养表
建筑施工起重机械(施工升降机)日常维护保养表
建筑施工起重机械(物料提升机)日常维护保养表
建筑施工起重机械(塔机)定期维护保养表
(续表)
建筑起重机械(施工升降机)定期维护保养表
工程名称:年月日
(续表)
建筑施工起重机械(物料提升机)定期维护保养表
(续表)
施工升降机定期坠落试验记录表
建筑施工起重机械运转及交接班记录
建筑施工起重机械故障修理及验收记录
工程名称:开化县2013年保障性用房二期3#楼年月日
(续表)。
施工升降机日常运行检查记录为确保施工升降机的安全运行,提高工作效率,必须进行日常运行检查。
以下是施工升降机日常运行检查记录的内容,详细描述了每一个检查项目的要求和操作方法。
1.检查电源系统-检查电源连接是否牢固,电线是否有断裂和损坏。
-检查电源插头的接触是否良好,是否有锈蚀。
-检查电源线的接地是否正常。
2.检查控制系统-检查控制箱内的电线是否有松动和脱落。
-检查各个控制按钮是否有反应,是否灵敏。
-检查遥控器的电池是否充足。
3.检查升降装置-检查升降装置的钢丝绳是否有断裂和磨损。
-检查升降装置的导向轨和滑轮是否有松动和缺损。
-检查升降装置的制动器是否正常工作。
4.检查安全限位装置-检查上限位开关和下限位开关是否正常工作,是否能够准确停止升降机。
-检查安全绳是否有松动和磨损,是否能够及时起到保护作用。
5.检查防护装置-检查安全门和防护栏杆是否完好,是否能够防止人员从升降机上掉落。
-检查防护网是否稳固,是否能够防止物品从升降机上掉落。
6.检查紧急停机装置-检查紧急停机按钮是否能够立即停止升降机的运行。
-检查紧急停机装置的指示灯是否正常亮起。
7.检查照明设备-检查升降机内部和外部的照明设备是否正常工作。
-检查照明灯泡是否需更换,是否安装牢固。
8.检查仪表和报警器-检查仪表和报警器的指示是否正常,是否有异常报警。
-检查仪表和报警器的按钮是否灵敏,是否能够正常操作。
以上是施工升降机日常运行检查记录的内容,每种检查项目都是为了确保施工升降机的安全运行。
在进行检查时,应按照检查要求进行操作,并将检查结果记录在检查记录表上,以备后期参考和分析。
同时,如果发现任何异常情况,应立即停止使用升降机,并通知相关人员进行维修和处理。
只有通过日常的检查和保养,才能确保施工升降机的安全稳定运行,为工作人员提供良好的工作环境。
年月日工程名称使用单位设备名称混凝土输送泵规格型号HBT80.16.110S设备编号序号保养作业工程保养要求及说明维保人1清洁润滑工作,检查油位、水位情况. 连续作业一阶段后,清洗料斗、输送块、输送管的积料及机体上的积灰油污,特别是分配阀清洗干净,检查间隙一般不大5 nim.按润滑规定加注润滑油,油位、水位缺乏应加满.2检查各部连接螺栓紧固情况检查换向阀支座固定螺栓、分配阀固定板螺栓、液压泵固定螺栓等均应紧固.3检查液压管及接头检查高压管及各接头是否有渗油,如管有裂痕应更换.4检查液压系统情况根据使用记录,查看系统主泵压力,泵送压力是否正常,如泵送压力降低,应考虑泵送活塞胶套磨损或其它原因,必要时更换胶套.5检查滤芯、滤网,必要时更换.查看液压油,视油质情况换油.清洗滤芯、滤网,必要时更换.查看液压油,视油质情况换油.6工作100小时后的保养根据/、同机型及使用说明书要求进行维护保养.备注年月日工程名称使用单位设备名称木工园锯规格型号设备编号序号保养作业工程保养要求及说明维保人1检查电路和检制设备线路接头连接牢固,绝缘良好无破损, 无漏电,单机箱漏电保护器灵敏,按规定接零、接地.2检查各部位螺栓的紧固情况检查锯片有无裂纹,必要时换新,锯片螺母、电机座、轴承座、平安罩、防护罩及各部紧固连接螺栓不应松动,否那么及时紧固.3清洁润滑工作去除机休上的木康木渣,按规定加注润滑油,周围划、境符合要求.4检查平安装置园锯应装有皮带罩、锯片防护罩〔板〕应完好,固定牢靠.5检查皮带松紧,检查运转情况皮带松紧适度,用手在皮带中部压卜10-15mm为宜.运转/、振动,锯片不偏摆, 无异常响声.备注年月日工程名称使用单位设备名称钢筋冷拉机规格型号设备编号序号保养作业工程保养要求及说明维保人1清洁润滑去除机体上的积灰及油污,防护棚无漏雨,按规定加注润滑油.2检查各部连接螺栓,检查钢丝绳及纯扣情况卷扬筒轴承架、离合器操纵杆等固定螺栓均应完整无缺并要紧固牢靠.钢丝纯排列整洁,润滑,断丝变型严重应更换, 纯扣紧固且不少于3个.3检查调整电磁制动器检查电磁制动器各无钦点的销轴和销孔是否磨损,视情况更换销轴,制动瓦和制动轮之间的间隙适合.4检查拉伸夹具装置情况夹具和拉伸钢缆连结可靠,夹具夹持力可靠平安,出现打滑或夹齿磨损应予更换或修复.5检查电路电箱线路接头牢固,电缆无破裂,无漏电, 限制电箱设置完好齐全,交流接触器触点完好,正反限制灵敏.备注年月日工程名称使用单位设备名称灰浆搅拌机规格型号设备编号序号保养作业工程保养要求及说明维保人1清洁润滑工作去除机体上积灰积泥,按规定加注润滑油.2检查电路开关接头连接牢固,使用规定保险丝,开关接触要可靠,接地良好,单机箱漏电保护器灵敏.3检查三角皮带,检查防护装置三角皮带齐全完好,松紧程度用手指在皮带中间按下10-15 mm为宜.电机罩、皮带轮罩、齿轮罩均应齐全牢靠,料斗防护杆齐全.4检查轴端密封情况, 检查出料装置调整轴端密封装置,使之不漏浆,出料转动灵活.5检查变速箱及各螺栓紧固情况.检查是否启异常响声,油量缺乏时应添力口,各联接螺栓紧固.备注检查人〔驾驶员〕签字:监督人员签字:年月日工程名称使用单位设备名称混凝土搅拌机规格型号70设备编号保养作业工程保养要求及说明维保人序号消除机体上的污垢和障碍物,清洗全机各部1清洁机体积存的水泥砂浆〔预防电机受潮〕.2检视各润滑处按润滑规定加注润滑油.3检视电路和限制设备线头连接牢固,装上规定的保险丝,开关接触要可靠,接地应良好,平安保护装置齐全.4紧固各部螺栓检查紧固连接螺栓,不得有松动.检看有无断丝现象,绳头是否牢固,表面润5检视钢绳完好状况滑.6润滑开式齿轮及滚道消除齿圈积泥均匀地加油.用手指在皮带中间能按下10-15 mm为宜, 7检视三角皮带松紧度是否破断,必要时更换.8检视拌合筒运转应平稳,无跳动现象,齿轮啮合良好9检视减速箱齿轮运转平稳,无冲击声音,轴承温度不超过60度,箱体等各油封处不应肩渗油.检查离合器片及制动带的磨损程度,必要时10检查制动器和离合器更换,间隙调整应适当.时间继电器显示正常,各接头密封良好, 如有11检查供水系统损坏及时维修更换.备注年月日工程名称使用单位设备名称型钢井架规格型号设备编号序号保养作业工程保养要求及说明维保人1检查润滑情况,清洁机体按润滑规定进行,工作后去除机体上污物及灰尘,作业环境符合平安文明施工要求.2检查各部连接螺栓情况卷扬筒油承架、离合器支座、弹性胶套螺栓等均应完整无缺并要紧固牢靠.3检查钢丝纯在捻距内断丝不得超过10%,固结纯子卡不少于3个并紧固可靠,钢纯排列整齐,并润滑钢丝纯外表,不得拖地.4检查制动及井架安全装置情况〔电,配合〕重物起升停止后不卜滑,制动灵敏可靠, 制动块〔带〕要保持清洁无油污〔调整间隙为1-1.2加〕.出料门与停靠装置联动可靠,断绝装置完好,超高限位灵敏, 高架〔30M以上〕超低限位可靠.5检查调整电磁制动器检查电磁制动器各钦点的轴销和销孔是否磨损,如磨损过大而松旷者,应更换销轴,调整制动间隙.6检查地锚、缆风绳或附着情况卷扬机地锚应牢固,钢纯无断丝现象, 架体拉结附着可靠.备注年月日工程名称使用单位设备名称塔式起重机规格型号5013设备编号序号保养作业工程保养要求及说明维保人1检查行走、起重、旋转、变幅减速箱的油量及润滑缺乏时添加齿轮油,并视质情况更换油料.按润滑规定进行.2检查配电箱、电缆及电器情况各接线应紧固,保险丝接头不得松动, 电缆绝缘良好,如损坏严重的应予更换.3检查各平安保护装置及限制器经调试后,力矩限位、超高限位、变幅限位、超重限位、回转限位应灵敏可靠.4检查各部螺栓和钢丝纯〔120小时润滑一次〕检查和紧固各连接的螺栓,使用1000小时后须适当加固.注意钢丝绳磨损及断丝情况并报废标准处理.5检查制动器,检查各部齿轮制动灵敏可靠,不得有歪斜、卡住现象. 液压推杆制动系统良好.制动带与制动鼓之间的间隙应均匀〔正常间隙为1-1.5 mm〕.齿轮磨损过大应修理更换.6清洁工作工作后清扫操作室,去除机身下夸电机及各传动机构外部的灰尘和污垢.7检查各传动机构无杂音,运转正常,发现问题及时排除.8检查吊钩,塔顶滑轮吊钩保险齐全可靠,滑轮不偏,检查钢丝绳端部的固定情况,固定卡头.9检查钢结构局部怫钉不得松动,焊缝无裂缝,螺栓无松动,扶梯支承,各防护栏杆等平安可靠.备注工程名称使用单位设备名称施工升降机规格型号设备编号序号保养作业工程保养要求及说明维保人1检查螺栓紧固情况检查各部联接螺栓是含齐全,有无松动现象,如传动底板螺栓、附墙螺栓等.2检查限位开关检查上下限位开关,上、下极限开关均应平安可靠,检查各门、断绝等开关动作是否正常.3检查滚轮与导轨问隙查看滚轮与导轨间隙是否偏大,正常问隙应为0.3-0.5加,经调整达/、到要求进行更换.4检查电机制动力矩情况,检查齿轮、齿条啮合情况,检查钢纯情况检查制动摩擦片有无松脱裂纹和过度磨损,过度磨损应更换.查看齿轮与齿条啮合情况,齿轮过度磨损应更换,钢纯外表磨损达40%时应更换.5检查限速器、调速器检查锥鼓形限速器是否完好,使用每三个进一次防坠落试验,保证制动平安可靠,检查涡流制动调速器工作情况.6润滑清洁工作按规定加注润滑油,去除笼内设备上的油污及灰尘及笼内外清洁.备注年月日工程名称使用单位设备名称钢筋切断机规格型号设备编号序号保养作业工程保养要求及说明维保人1清洁机体,检查润滑情况去除机体上的油垢及灰尘,按润滑规定加注润滑油.2检查各部螺栓,检查离合器情况检查紧固各部螺栓.离合器接触平稳, 别离完全.3检查三角皮带松紧度用手指按下12-15 mm为宜,超过或少于时应调整,皮带破损严重应更换.4检查调整刀片固定刀片与活动刀片间隙一般应不大于0.3 mm.刀口磨钝严重应更换.5检查防护装置各防护装置齐全牢靠.6检查传动局部清洗油污,检查齿轮、轴承和偏心体磨损程度,齿轮那么向间隙应大于1.7 mm, 滑动轴承径向间隙不应人丁0.4 mm,偏心体与滑动板座之间的间隙不应大于0.5 mm07检查滑板和滑座表面的磨损情况滑板与滑座纵向游动间隙不得大于0. mm5,横向间隙不得大于0.2 mm.8检查电路开关接头牢固,单机箱漏电保护器灵敏,接地良好.备注年月日工程名称使用单位设备名称对焊机规格型号设备编号序号保养作业工程保养要求及说明维保人1清洁机体,检查润滑情况将机体上的溅渣、灰尘去除干净,按润滑规定加注润滑油.2检查叫路和开关接线板、接线柱接头要牢固,开关接触可靠,交流接触器、中间继电器的触点应保持整洁肩效, 加力杆手柄绝缘.3检查各部螺栓及活动鞍座连接螺栓齐全紧固,鞍座移动平稳,焊机钳口不得有油污,钳口应适合焊件形状.4检查上、下电极接触面情况烧损面积不得超过1/3.超过应修整或更换. 5检查供水系统冷却水路应畅通,并肩足够的水量.6检查夹具当螺杆与内螺母之间的游动间隙大于0.4 mm时,应更换螺栓,内螺母磨损超过30%,应更换内螺母.7检查变压器〔电工〕去除灰尘,紧固夹板螺栓,水套不得漏水,绝缘电阻值不得低于1.4兆欧,否那么应予枯燥〔烤干〕.备注年月日工程名称使用单位设备名称钢筋弯曲机规格型号GW40 型设备编号序号保养作业工程保养要求及说明维保人1清洁机体,检查润滑情况去除机体粉尘积渣,按润滑规定加注润滑油.2检查各部螺栓及开式齿轮的固定情况各部螺栓不得缺损,紧固牢靠,齿轮的固定位置不得偏移,键槽不得松旷,啮合应良好.3检查挡柝卡头和工作园盘挡柝卡头应完整无缺损,装置牢固,工作园盘转动应灵活.4检查减速器,检查*由承工作400小时后,可拆洗减速器,查看蜗轮蜗杆外表磨损情况,其侧向间隙应不大于1.5mm,清洗后注润滑油,视情况更换轴承.5检查油封、三角皮带对漏油检查更换油封,皮带松紧度用手指按下10-15 mm为宜,如有破裂和断层, 应予更换.6检查变速齿轮、联接键情况清洗齿轮,检查齿面磨损情况,齿轮侧向间隙应不大于1.7 mm,键槽与键不得松旷,否那么修复或更换联结键.备注年月日工程名称使用单位设备名称电焊机规格型号BX1.500-2设备编号10835序号保养作业工程保养要求及说明维保人1检查导线各线路不得破损及短路,一次线规格必须符合要求,定型接头〔铜鼻子〕均应完好.2检查接地装置铁壳开关和机体的接地,均应良好〔并联接〕,电阻不得大于10欧姆.3检查防护罩及外罩防护罩设置齐全,装置牢靠.4检查一、二次回路接线柱和绝缘板情况接线柱外表平整不准有烧损,装接头时, 上卜面应垫铜垫圈然后拧紧螺母,绝缘板不准破裂和烧损.5检查运转情况焊机运转时不得有噪音,否那么应紧固各机构的螺栓.6清洁和整理线头吹掉线圈上的灰尘,紧固铁芯夹箍螺栓, 线圈和接线头应排列整洁,紧固接线柱内侧螺母.7检查各部件的完好情况调节螺杆、调节手轮、机罩等均应完好, 否那么修理或更换已损坏的零件.备注工程名称使用单位设备名称临时用电规格型号设备编号序号保养作业工程保养要求及说明维保人1接地或接零严禁接地接零混接,接地体符合要求,二根之间距离不小于2.5m,电阻值为4Q,接地体不宜用螺纹钢2变配电装置露天变压器设置符合规定要求, 配电间平安防护举措和平安用具、警告标志齐全;配电间门要朝外开, 高处正中装20X 30cm玻璃.3开关箱熔丝开关箱要符合一机一闸一保险, 箱内无杂物、不积灰;配电箱与开关箱之间距离30m左右,用电设备与开关箱超过3m应加随机开关,配电箱的下沿离地面不小于1.2m箱内严禁动力、照明混用;严禁用其它金属代替熔丝,熔丝安装要合理.4现场照明照明导线应固定在绝缘子上;现场照明灯要用绝缘橡套电缆,生活照明采用护套绝缘导线;预防电线绝缘差、老化、破皮、漏电、严禁用碘鸨灯取暖.5电箱配电箱配电箱制作要统一,做到有色标,有编号;电箱制作要内外油漆,有防雨举措,门锁齐全;金属电箱外壳要有接地保护,箱内电气装置齐全可靠;线路、位置安装要合理、有地排、零牌,电线进出应下进下出.备注年月日工程名称使用单位设备名称钢筋螺纹滚丝机规格型号HGS-40 型设备编号序号保养作业工程保养要求及说明维保人1检查导线各线路不得破损及短路,一次线规格必须符合要求,定型接头〔铜鼻子〕均应完好.2检查接地装置铁壳开关和机体的接地,均应良好〔并联接〕,电阻不得大于10欧姆.3检查防护罩及外罩防护罩设置齐全,装置牢靠.4检查一、二次回路接线柱和绝缘板情况接线柱外表平整不准有烧损,装接头时, 上卜面应垫铜垫圈然后拧紧螺母,绝缘板不准破裂和烧损.5检查运转情况焊机运转时不得有噪音,否那么应紧固各机构的螺栓.6清洁和整理线头吹掉线圈上的灰尘,紧固铁芯夹箍螺栓, 线圈和接线头应排列整洁,紧固接线柱内侧螺母.7检查各部件的完好情况调节螺杆、调节手轮、机罩等均应完好, 否那么修理或更换已损坏的零件.备注工程名称使用单位设备名称装我机规格型号设备编号序号保养作业工程保养要求及说明维保人1轮胎气压车正常停放轮胎是否压扁,四个轮胎气压充气压力在7—8Mpa2燃油箱从油箱外部观察油标检查油量3刹车加力泵总成油杯检查油向全油口图度应在15-25mm4动力机油油卸在上卜刻度之间,在检查油的油污状态和启尢杂物混进5变速箱油位检查油位在两个阀门之间, 检查时稍微翻开阀门,有油流出即关闭6液压油箱检查油卸在油位计中间刻度偏上7水箱检查水箱内水位,保证水箱盖盖紧,预防水箱水蒸发检查各管及街头是否有漏水9散热器散热器风扇侧灰尘,油污是否影响发动机散热10油、水、气绕车一周查看是否二漏11车身内外,底盘车身内外,底盘整洁无粘结物,所有玻璃完整无破损,后视镜,雨刮器是否完好12工作灯,指示灯、喇叭各种电器设备是否止常13较接及磨损销轴启动车后起升工作装置查看各销轴是否有异响14前进、后退档上车扳动档杆是否发卡现象15液压工作装置上车先导阀有发卡现象16电瓶电瓶接头是否松动,电瓶液水位是否止常17手刹起步前需放下,停车需拉起18前后转动轴检查螺丝是否松动,轴承是否完好备注工程名称使用单位设备名称挖掘机规格型号设备编号序号保养作业工程保养要求及说明维保人1外观验收仪表检查,是否齐全将效,驱动轮、托链轮、支重轮无变形,行走链条磨损是否符合机械性能要求,无任何部位的漏油、漏气、漏水2检查各油位水位水箱水位正常,机油油位正常,变速箱油位正常,液压油位正常,各齿轮油位正常,电瓶水位正常3发动机局部机油压力怠速时不少于 1.5kg/cm2 ,水温正常,发动机运转正常无异响, 各辅助机构工作正常4液压传动局部液压泵压力正常,大臂油缸伸缩正常, 小臂油缸伸缩正常,转斗油缸伸缩正常,回转正常, 液压油温无异常5底盘局部变速箱正常,刹车系统正常,各操控正常,行走系统正常6平安防护具有产品质量合格证, 操作人员持证上岗,驾驶室内挂设平安技术操作规程78910 11备注工程名称使用单位设备名称运输汽车规格型号设备编号序号保养作业工程保养要求及说明维保人1发动机冷却水充足,水箱浮十后效.曲轴箱机油油面在油标尺上两条刻线中间. 机油指示器有效.空气滤清器清洁,机油添加符合要求.减压装置灵敏有效.不漏水,不漏油,不漏气.放水嘴通畅.2转向系统方向盘自由行程小于15°. 转向桥与车架连接可靠.3行驶系统离合器踏板自由行程25-30mm>离合器结合时不发抖、不打滑.轮胎气压符合要求.变速箱齿轮油添加符合要求.车辆制动灵敏成效.脚制动踏板自由行程10-15mmi传动三角皮带不的老化,张紧度符合要求.手刹手柄向后拉过3-4齿时,制动应起作用.4其它锁斗器、回斗器灵敏有效. 灯光、喇叭齐全有效.蓄电池外观清洁,符合要求. 设备操作人员持证上岗操作. 设备具有生产合格证书.驾驶室内挂设设备操作规程整机清洁、防护齐全. 567备注。
施工升降机维护保养制度为确保施工升降机的正常运行和延长其使用寿命,提升施工工作的安全性和效率,本制度依据公司相关规定和实际要求订立,适用于公司内全部施工升降机的维护保养工作。
1. 目的本制度的目的在于明确施工升降机的维护保养责任、工作内容和频率,确保施工升降机的安全可靠运行,防止事故和故障发生,减少维护和修理费用,提高工作效率。
2. 责任2.1 企业管理负责人企业管理负责人应确保施工升降机维护保养制度的实施,并负责组织相关培训和资料的更新。
2.2 维护保养人员维护保养人员应依照本制度的要求,定期对施工升降机进行检查、维护和保养,并及时上报升降机故障情况。
3. 维护保养内容3.1 日常巡检每天开工前,维护保养人员应进行施工升降机的日常巡检,包含但不限于以下内容:•检查升降机的外观、结构是否完好,是否有松动、断裂、磨损等情况;•检查电气系统是否正常,包含电缆、插座、开关等是否有异常;•检查升降机的安全装置、限位器、行程开关等是否正常;•检查液压系统是否正常,包含液压油的量、质量是否符合要求;•检查升降机的操作台、按钮、指示灯等是否正常;•检查制动器、离合器、变速器等传动装置是否正常。
3.2 定期检查依据施工升降机的使用情况和制造商的要求,进行定期检查和维护,包含但不限于以下内容:•依照规定更换润滑油和滤芯;•检查并更换磨损的零部件;•检查并修复电气系统的故障;•清洗和保养升降机的外观和结构;•检查并校准安全装置、限位器、行程开关等;•检查并调整液压系统的工作压力和液压油的质量;•检查并更换损坏的操作台、按钮、指示灯等。
3.3 特殊情况处理对于显现特殊情况的施工升降机,如突发故障、事故等,维护保养人员应立刻停止使用,并依照公司相关规定和制造商的要求进行处理,确保工作人员的安全。
4. 维护保养记录维护保养人员应记录每次维护保养的日期、内容和维护保养人员,保管至少一年。
同时,还应记录施工升降机的故障情况和处理情况,并及时上报。
施工升降机维修保养制度介绍施工升降机的维修保养制度,以确保施工升降机的安全和使用寿命。
施工升降机是一种常用的建筑施工机械,为了确保施工升降机的安全和使用寿命,需要制定一份完善的维修保养制度。
以下是施工升降机维修保养制度的主要内容:1. 维修保养周期施工升降机的维修保养周期应根据使用情况和设备状况来确定。
一般情况下,施工升降机的维修保养周期为每月一次,其中包括清洁、检查、润滑和维修等工作。
2. 维修保养内容施工升降机的维修保养内容主要包括以下几个方面:(1) 清洁施工升降机的清洁工作包括清洁机身、液压系统、电气系统等。
清洁时应使用专用工具和清洁剂,避免使用硬质工具和腐蚀性清洁剂。
(2) 检查施工升降机的检查工作包括检查机身、液压系统、电气系统等。
检查时应注意检查各项参数是否正常,如液压油压力、油温、电机温度等。
(3) 润滑施工升降机的润滑工作包括润滑机身、液压系统、电气系统等。
润滑时应使用专用润滑剂,避免使用不合适的润滑剂。
(4) 维修施工升降机的维修工作包括维修机身、液压系统、电气系统等。
维修时应注意维修质量,确保维修后的设备能够正常运行。
3. 维修保养记录施工升降机的维修保养记录应包括维修保养的时间、内容、负责人等信息。
记录时应注意保持记录的完整性和准确性,以便于日后的查询和分析。
4. 维修保养人员的培训施工升降机的维修保养人员应经过专业的培训,熟悉施工升降机的维修保养知识和操作方法。
培训时应注意培训的质量和效果,确保维修保养人员能够胜任施工升降机的维修保养工作。
综上所述,施工升降机的维修保养制度是确保施工升降机安全和使用寿命的重要保障。
在制定维修保养制度时,应根据实际情况和设备状况进行分析和制定,以保证维修保养制度的科学合理性和有效性。
年月日
检查人(驾驶员)签字:监督人员签字:
年月日
检查人(驾驶员)签字:监督人员签字:
年月日
检查人(驾驶员)签字:监督人员签字:
年月日
检查人(驾驶员)签字:
监督人员签字:
年月日
检查人(驾驶员)签字:监督人员签字:
年月日
检查人(驾驶员)签字:监督人员签字:
年月日
检查人(驾驶员)签字:监督人员签字:
年月日
检查人(驾驶员)签字:监督人员签字:
年月日
检查人(驾驶员)签字:监督人员签字:
年月日
检查人(驾驶员)签字:监督人员签字:
年月日
检查人(驾驶员)签字:监督人员签字:
年月日
检查人(驾驶员)签字:监督人员签字:
年月日
检查人(驾驶员)签字:监督人员签字:
年月日
检查人(驾驶员)签字:监督人员签字:
年月日
年月日
检查人(驾驶员)签字:监督人员签字:
年月日
检查人(驾驶员)签字:监督人员签字:。
施工升降机保养与维修制度编制:审核:审批:(章)二、维修与更换1.滚轮的更换当滚轮轴承(型号206)损坏或滚轮磨损超差(参考“调整与磨损极限”)时必须更换。
方法如下:a、将吊笼落至地面, 用木块垫稳。
b、用扳手松开并取下滚轮连接螺栓, 取下旧滚轮。
c、装上新滚轮, 调整好滚轮与导轨架立柱管之间的间隙, 最后拧紧滚轮连接螺栓, 拧紧力矩200 n.m。
2.背轮的更换当背轮轴承损坏(型号309)或导论外圈磨损超差(参考“调整与磨损极限”)时, 必须进行更换, 方法如下:a、将吊笼落至地面, 用木块垫稳。
b、将背轮连接螺栓松开, 取下旧导论。
c、重新装好新导论并调整好齿条与此轮的齿合间隙, 拧紧导轮连接螺栓, 拧紧力矩300 n.m。
3.减速器驱动齿轮的更换当减速器驱动齿轮齿形磨损已达到极限时(参考“调整与磨损极限”)必须进行更换, 方法如下:a、将吊笼落至地面, 用木块垫稳。
b、拆掉电机连线, 松开电动机制动器, 拆下背轮。
然后松开驱动板连接螺栓, 将驱动板从驱动架上取下, 置于笼顶或地面。
c、拆下减速器驱动齿轮外端面处的圆螺母及锁片, 取下驱动齿轮。
d、将轴表面搽洗干净并涂上黄油。
e、将新齿轮装到轴上, 上好圆螺母及锁片。
f、将驱动板重新装回驱动架上, 穿好连接螺栓(先不拧紧)并安装好导轮。
g、调整好齿轮齿合间隙, 将导轮连接螺栓拧紧(拧紧力矩300n.m)以及驱动板连接螺栓拧紧(拧紧力矩200n.m)。
h、恢复电机制动并接好电机及制动器连接线。
4.减速器的更换当吊笼在运行过程中减速器发热异常、漏油、梅花形弹性块损坏等情况而是机器运转出现震动或减速器由于笼底撞地而使齿轮轴发生弯曲等故障时, 需对减速器或其零部件进行更换, 步骤如下:a、将吊笼落至地面, 用木块垫稳。
b、拆掉电动机线, 松开电动机制动器, 拆下导轮。
松开驱动板连接螺栓, 将驱动板从驱动架上取下, 至于吊笼顶部或地面。
c、取下电动机箍, 松开减速器与驱动板之间的连接螺栓, 取下驱动单元。
施工升降机维护保养制度施工升降机是在施工现场中常见的设备,它具有提升和下降的功能,可以方便施工人员对高处的工作进行操作。
然而,由于施工升降机在使用过程中承受着较大的负荷和工作强度,需要定期进行维护和保养,以确保其安全可靠地运行。
下面,我们将详细介绍施工升降机的维护保养制度。
一、施工升降机维护保养的频率和要求1.维护频率:施工升降机的维护应按照设备制造商的要求进行,通常要求每月至少进行一次维护。
2.维护要求:维护工作包括清洁、润滑、检查和调整等内容,具体要求如下:(1)清洁:对施工升降机进行清洁,包括清除灰尘、杂物和油污等。
(2)润滑:对施工升降机的润滑部位进行润滑,以保证其运转的顺畅。
(3)检查:检查施工升降机的各个部位是否有异常情况,如松动、磨损等,并及时进行处理。
(4)调整:对施工升降机的部分参数进行调整,如提升高度、下降速度等,以满足具体工作需求。
二、施工升降机的生产维护记录为了确保施工升降机的维护工作得到有效记录和跟踪,建议建立维护记录制度,包括以下内容:1.维护记录表:建立维护记录表,按照设备的维护周期进行记录,详细记录维护日期、内容和人员等信息。
2.维护人员培训:对维护人员进行相应的培训,提高其维护技能和操作水平。
3.维护工时统计:根据维护记录表,定期进行维护工时统计,分析维护工作的负荷和效果,及时采取相应的调整措施。
三、施工升降机的安全保养注意事项在进行施工升降机的维护保养工作时,需要注意以下安全保养事项:1.施工升降机维护保养必须由专业维护人员进行,不得擅自操作和维修。
2.维护人员在进行维护作业时,必须佩戴安全帽、防护手套等个人防护用具,确保人身安全。
3.在进行高处作业维护时,应采取有效的防护措施,如使用安全带等,防止意外摔落。
4.维护前必须切断电源,确保工作区域安全,并进行必要的警示标志设置。
5.维护时必须按照操作手册和维护要求进行,不能随意拆卸或更换零部件。
以上即是对施工升降机维护保养制度的详细介绍。
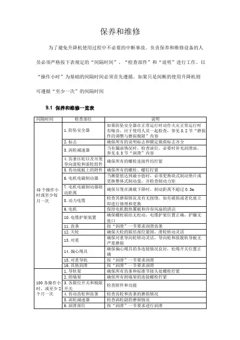
保养和维修为了避免升降机使用过程中不必要的中断事故。
负责保养和维修设备的人员必须严格按下表规定的“间隔时间”、“检查部件”和“说明”进行工作。
以“操作小时”为基础的间隔时间必须首先遵循。
如果只是间断的使用升降机则可遵循“至少一次”的间隔时间9.1 保养和维修一览表对于变频施工升降机,对变频器的零部件的定期保养也非常重要。
变频器由许多零部件构成,为了使变频器能够长时间的正常运行,有必要对照这些零部件进行定期保养、更换零部件。
定期检查的期限,因变频器的周围环境、使用状况而不同。
以下变频器的保养期限供参考。
9.2 磨损件的调整和磨损极限为了确保升降机能正常运行,对运行中易磨损的部件可调整的要及时进行调整,对已达磨损极限的必须即使更换。
1.调整吊笼导向滚轮的间隙在滚轮为达到磨损极限之前,可以通过转动滚轮偏心轴的方法,调整其与标准节立柱管之间的间隙。
调整间隙主要对侧向滚轮而言。
调整时,始终要“成对”地调整标准节二立柱管二侧对称的一对导向滚轮,先松开滚轮的紧固件,然后转动滚轮的偏心轴,直至达到图示的要求间隙为止,并确保齿条和齿轮的啮合要求。
然后拧紧紧固件。
2.调整齿条压轮的间隙在齿条和齿轮满足啮合要求的情况下,松开压轮紧固件,将压轮的偏心轴套稍微拉出,使其脱离定位销,转动偏心轴套,使压轮与齿条背面的间隙达到图示要求,然后再将偏心轴套镶入定位销并拧紧紧固件。
9.3 润滑1.润滑一览表第一次操作满25小时应清洗后再更换涡轮减速器中的N320涡轮油,然后遵循下表所规定的时间间隔加注或更换各部位的润滑油和润滑脂。
以“操作小时”为基础的间隔时间必须首先遵循。
如果只是间断的使用升降机则可遵循规定的“至少”润滑频率。
表9-3注意:涡轮减速器必须使用规定的润滑油,不应将不同牌号及不同类型的油混合使用。
因用错润滑油而造成的漏油、损坏由用户自己负责。
表9-5中国及外国减速器用润滑油对照表(仅供参考)9.4电气系统故障检查1 .一般原则检查故障的任何规程(程序)都应考虑升降机的功能及设计思想。
施工升降机安全检查记录表检查日期:检查人员:检查对象:机械部分•☐操作按钮是否灵敏可靠,按钮是否标识正常。
•☐限位开关是否灵敏,上行、下行、绳架限位、顶升限位是否准确。
•☐所有安全钩、保险绳、垂直安全气囊是否完好。
•☐机房内是否通风、良好,空调、照明是否正常。
•☐线路、电缆、接线盒是否整齐、安装良好。
•☐操作箱、接口插座、由动机都要接地保护。
•☐检查整个机器外观,是否表面清洁光洁,配电箱门锁是否正常。
操作部分•☐操作员是否持证上岗,证件是否到期。
•☐操作员是否熟悉操作规程。
•☐操作员是否懂得机械的常识和维修保养方法。
•☐操作员是否具有应急处置技能。
现场环境•☐安装位置是否稳固,有无倾斜、松动、渗漏。
•☐现场环境是否整洁,渣土、垃圾等可燃物是否及时清除。
•☐施工现场是否围好栏杆、提供安全警示标志。
•☐升降机能否正常行驶,有无碰撞阻塞情况。
安全措施•☐操作员是否正确使用安全带。
•☐施工现场是否配备灭火器等消防设施。
•☐施工现场是否设有安全警示标志。
•☐安全带是否经常检查更换,有无年限限制。
检查结果机械部分•☐操作按钮灵敏可靠,按钮标识正常。
•☐限位开关灵敏,上下行、绳架限位、顶升限位准确。
•☐所有安全钩、保险绳、垂直安全气囊完好。
•☐机房内通风良好,空调、照明正常。
•☐线路、电缆、接线盒整齐、安装良好。
•☐操作箱、接口插座、由动机都接地保护。
•☐机器外观表面清洁光洁,配电箱门锁正常。
操作部分•☐操作员持证上岗,证件未到期。
•☐操作员熟悉操作规程。
•☐操作员懂得机械的常识和维修保养方法。
•☐操作员具有应急处置技能。
现场环境•☐安装位置稳固,无倾斜、松动、渗漏。
•☐现场环境整洁,渣土、垃圾等可燃物及时清除。
•☐施工现场围好栏杆,提供安全警示标志。
•☐升降机正常行驶,无碰撞阻塞情况。
安全措施•☐操作员正确使用安全带。
•☐施工现场配备灭火器等消防设施。
•☐施工现场设有安全警示标志。
•☐安全带经常检查更换,未超过年限。