电梯日常维护保养记录.
- 格式:doc
- 大小:461.76 KB
- 文档页数:24
电梯维护保养记录表电梯维护保养记录表注册代码:使用单位:使用编号:维保单位:年度:注意事项:本记录为规范电梯日常维护保养而制定。
维修保养单位专业持证人员用钢笔填写,字迹应工整,不允许涂改,用双划线划改且应签划改人员姓名及日期。
本记录一式两份。
一份由使用单位管理保存,保存期不少于二年。
一份由维护保养单位保存,保存期不少于四年。
本记录无维修保养单位专业持证人员及使用单位管理持证人员签章无效。
定量结果应填写实测数据;定性结果应填写文字说明。
凡齐全、有效、正常和合格的用标记“√”表示,凡缺项、无效、异常和不合格的用标记“×”表示,凡无此项的用标记“/”表示。
本记录填写必需属实。
填写人员须对所填写的数据真实性负相关法律责任。
电梯基本情况和技术参数:使用单位:使用地点:使用管理部门:注册代码:制造单位:额定载重量:层站数:安装单位:用户编号:电梯型号:出厂编号:Kg/人额定速度:层站控制方式:投用日期:改造日期:年月日年月日m/s改造(大修)单位:维护保养单位:以上信息变更记录电梯半月维护保养记录表本次维保起止时间:下次维保日期:年月日时分——年月日时分维保现场条件:1、机房温度应保持在5~40℃之间,湿度应保持在电梯及检验所允许的范围内:符合/不符合。
2、电网输入电压应正常,其波动应在额定电压值±7%的范围内:符合/不符合。
3、空气中不应含有腐蚀性和易燃性气体及导电尘埃,特种电梯工作环境中腐蚀性和可燃气体及导电尘埃不应该超过该电梯额定指标:符合/不符合。
4、作业现场(主要指机房、轿顶、底坑)应清洁,不应有与电梯工作无关的物品和设备,相关现场应放置表明正在进行检验的警示牌:符合/不符合。
本次维保发现的事故隐患及处理方式:要求增加保养项目以及故障描述、配件更换记录:更改下次维护保养时间的原因:电梯半月维护保养记录表序号维保项目基本要求1 机房、滑轮间干净、整洁,门窗完好,照明正常。
2 手动紧急操作装置齐全,放置在指定的位置。
电梯日常维护保养记录电梯基本情况及技术参数说明1、本维护保养记录适用于乘客电梯、载货电梯的日常维护保养。
2、本维护保养记录的内容及基本要求均遵守国家质量监督检验检疫总局制定的《电梯使用管理与维护保养规则》(TSG T5002-2017)的各项规定。
3、如果某些电梯没有表中的项目(内容),如有的电梯不含有某种部件,项目(内容)可适当进行调整;4、维保项目(内容)和要求中对测试、试验有明确规定的,应当按照规定进行测试、试验,没有明确规定,一般为检查、调整、清洁和润滑;5、维保基本要求,规定为“符合标准”的,有国家标准应当符合国家标准,没有国家标准的应当符合行业标准、企业标准;6、维保基本要求,规定为“制造单位要求”的,按照制造单位的要求,其他没有明确的“要求”,应当为安全技术规范、标准或者制造单位等的要求。
7、日常维护保养记录须由维护保养人员及使用单位安全管理人员签字,不准代签签字,并对检验结果的公正性、可靠性和准确性负责。
8、凡各单项“维保项目”符合维保基本要求的均在“维保结果”中填写“符合”,不符合维保基本要求的均填写“不符合”,无此项的均填写“无此项”。
记录中不应遗留空白表格,9、现场维保时,如果发现电梯存在的问题需要通过增加维保项目(内容)予以解决,应当相应增加并且及时调整维保计划与方案。
10、如果通过维保或者自行检查,发现电梯仅依靠合同规定的维保内容已经不能保证安全运行,需要改造、维修或者更换零部件、更新电梯时,应该向使用单位书面提出。
11、维保单位的质量检验(查)人员或者管理人员应当对电梯的维保质量进行不定期检查,并且进行记录。
半月维保项目(内容)和要求月维保项目(内容)和要求季维保项目(内容)和要求季维保项目(内容)和要求(续)半月维保项目(内容)和要求年度维保项目(内容)和要求(续)年度维保项目(内容)和要求(续)。
电梯维护保养记录表注册代码:使用单位:使用编号:维保单位:年度注意事项1、本记录为规范电梯日常维护保养而制定。
2、本记录由维修保养单位专业持证人员用钢笔填写,字迹应工整,不允许涂改,用双划线划改且应签划改人员姓名及日期。
3、本记录一式两份。
一份由使用单位管理保存,保存期不少于二年。
一份由维护保养单位保存,保存期不少于四年。
4、本记录无维修保养单位专业持证人员及使用单位管理持证人员签章无效。
5、本记录中定量结果应填写实测数据;定性结果应填写文字说明。
凡齐全、有效、正常和合格的用标记“√”表示,凡缺项、无效、异常和不合格的用标记“×”表示,凡无此项的用标记“/”表示。
6、本记录填写必需属实。
7、本记录填写人员须对所填写的数据真实性负相关法律责任。
电梯基本情况和技术参数使用单位使用地点用户编号使用管理部门电话注册代码电梯型号制造单位出厂编号额定载重量Kg/ 人额定速度m/s 层站数层站控制方式安装单位投用日期年月日改造(大修)单位改造日期年月日维护保养单位电话以上信息变更记录电梯半月维护保养记录表本次维保起止时间年月日时分——年月日时分下次维保日期年月日维保现场条件1、机房温度应保持在5~40℃之间,湿度应保持在电梯及检验所允许的范围内:符合不符合2、电网输入电压应正常,其波动应在额定电压值±7%的范围内:符合不符合3、空气中不应含有腐蚀性和易燃性气体及导电尘埃,特种电梯工作环境中腐蚀性和可燃气体及导电尘埃不应该超过该电梯额定指标:符合不符合4、作业现场(主要指机房、轿顶、底坑)应清洁,不应有与电梯工作无关的物品和设备,相关现场应放置表明正在进行检验的警示牌:符合不符合本次维保发现的的事故隐患及处理方式:要求增加保养项目以及故障描述、配件更换记录:更改下次维护保养时间的原因:电梯半月维护保养记录表序号维保项目基本要求维保情况1 机房、滑轮间干净、整洁,门窗完好,照明正常。
2 手动紧急操作装置齐全,放置在指定的位置3 曳引机运行时无异常振动和异常声响4 制动器各销轴部位进行润滑,保证其动作灵活5 制动器在打开时制动衬与制动轮无摩擦6 编码器安装牢固,干净。
word完美格式附件湖北盖普电梯有限公司电梯日常维护保养记录电梯基本情况及技术参数精心整理学习帮手(印制使用单位名称)说明1、本维护保养记录适用于乘客电梯、载货电梯的日常维护保养。
2、本维护保养记录的内容及基本要求均遵守国家质量监督检验检疫总局制定的《电梯使用管理与维护保养规则》(TSG T5001-2009)的各项规定。
3、如果某些电梯没有表中的项目(内容),如有的电梯不含有某种部件,项目(内容)可适当进行调整;4、维保项目(内容)和要求中对测试、试验有明确规定的,应当按照规定进行测试、试验,没有明确规定,一般为检查、调整、清洁和润滑;5、维保基本要求,规定为“符合标准”的,有国家标准应当符合国家标准,没有国家标准的应当符合行业标准、企业标准;6、维保基本要求,规定为“制造单位要求”的,按照制造单位的要求,其他没有明确的“要求”,应当为安全技术规范、标准或者制造单位等的要求。
7、日常维护保养记录须由维护保养人员及使用单位安全管理人员签字,不准代签签字,并对检验结果的公正性、可靠性和准确性负责。
8、凡各单项“维保项目”符合维保基本要求的均在“维保结果”中填写“符合”,不符合维保基本要求的均填写“不符合”,无此项的均填写“无此项”。
记录中不应遗留空白表格,9、现场维保时,如果发现电梯存在的问题需要通过增加维保项目(内容)予以解决,应当相应增加并且及时调整维保计划与方案。
10、如果通过维保或者自行检查,发现电梯仅依靠合同规定的维保内容已经不能保- 2 -证安全运行,需要改造、维修或者更换零部件、更新电梯时,应该向使用单位书面提出。
11、维保单位的质量检验(查)人员或者管理人员应当对电梯的维保质量进行不定期检查,并且进行记录。
半月维保项目(内容)和要求- 3 -月维保项目(内容)和要求- 4 -季维保项目(内容)和要求- 5 -季维保项目(内容)和要求(续)- 6 -半年维保项目(内容)和要求- 7 -半年维保项目(内容)和要求(续)- 8 -年度维保项目(内容)和要求- 9 -年度维保项目(内容)和要求(续)- 10 -年度维保项目(内容)和要求(续)湖北盖普电梯有限公司自动扶梯和自动人行道日常维护保养记录自动扶梯和自动人行道基本情况及技术参数(印制使用单位名称)说明1、本维护保养记录适用于自动扶梯和自动人行道的日常维护保养。
说明
1、本维护保养记录适用于乘客电梯、载货电梯的日常维护保养。
2、本维护保养记录的内容及基本要求均遵守国家质量监督检验检疫总局制定的《电梯使用管理与维护保养规则》(TSG T5002-2017)的各项规定。
3、如果某些电梯没有表中的项目(内容),如有的电梯不含有某种部件,项目(内容)可适当进行调整;
4、维保项目(内容)和要求中对测试、试验有明确规定的,应当按照规定进行测试、试验,没有明确规定,一般为检查、调整、清洁和润滑;
5、维保基本要求,规定为“符合标准”的,有国家标准应当符合国家标准,没有国家标准的应当符合行业标准、企业标准;
6、维保基本要求,规定为“制造单位要求”的,按照制造单位的要求,其他没有明确的“要求”,应当为安全技术规范、标准或者制造单位等的要求。
7、日常维护保养记录须由维护保养人员及使用单位安全管理人员签字,不准代签签字,并对检验结果的公正性、可靠性和准确性负责。
8、凡各单项“维保项目”符合维保基本要求的均在“维保结果”中填写“符合”,不符合维保基本要求的均填写“不符合”,无此项的均填写“无此项”。
记录中不应遗留空白表格,
9、现场维保时,如果发现电梯存在的问题需要通过增加维保项目(内容)予以解决,应当相应增加并且及时调整维保计划与方案。
10、如果通过维保或者自行检查,发现电梯仅依靠合同规定的维保内容已经不能保证安全运行,需要改造、维修或者更换零部件、更新电梯时,应该向使用单位书面提出。
11、维保单位的质量检验(查)人员或者管理人员应当对电梯的维保质量进行不定期检查,并且进行记录。
电梯日常维护保养记录电梯基本情况及技术参数北京鑫菱伟业机电设备有限公司电梯故障修理记录(年)半月维护保养项目(内容)及要求月维护保养项目(内容)及要求月维护保养项目(内容)及要求(续)半月维护保养项目(内容)及要求月维护保养项目(内容)及要求月维护保养项目(内容)及要求(续)半月维护保养项目(内容)及要求季度维护保养项目(内容)及要求季度维护保养项目(内容)及要求(续)半月维护保养项目(内容)及要求月维护保养项目(内容)及要求月维护保养项目(内容)及要求(续)半月维护保养项目(内容)及要求月维护保养项目(内容)及要求月维护保养项目(内容)及要求(续)半月维护保养项目(内容)及要求半年维护保养项目(内容)及要求半年维护保养项目(内容)及要求(续)半月维护保养项目(内容)及要求月维护保养项目(内容)及要求月维护保养项目(内容)及要求(续)半月维护保养项目(内容)及要求月维护保养项目(内容)及要求月维护保养项目(内容)及要求(续)半月维护保养项目(内容)及要求季度维护保养项目(内容)及要求季度维护保养项目(内容)及要求(续)半月维护保养项目(内容)及要求月维护保养项目(内容)及要求月维护保养项目(内容)及要求(续)半月维护保养项目(内容)及要求月维护保养项目(内容)及要求月维护保养项目(内容)及要求(续)半月维护保养项目(内容)及要求年度维护保养项目(内容)及要求年度维护保养项目(内容)及要求(续)年度维护保养项目(内容)及要求(续)半月维护保养项目(内容)及要求. WORD格式整理. .. .专业知识分享. .。
自动人行道电梯和自动扶梯日常维护保养记录日期:xxxx年xx月xx日设备:自动人行道电梯维护保养记录:1.清洁:定期清洁电梯的外观和内部装饰。
使用柔软的布料和中性清洁剂,避免使用腐蚀性或有刺激性的清洁剂。
2.电气系统:检查电气系统是否正常工作,包括运行按钮、指示灯、紧急停车开关等,确保其灵敏和可靠性。
如发现任何故障或异常,应立即报修并停止使用电梯。
3.机械系统:检查电梯的机械运转是否正常,包括传动系统、刹车系统、导轨系统等。
对于润滑部件,及时添加适量的润滑油。
4.安全装置:定期检查电梯的安全装置是否正常,如紧急停车装置、缓冲装置、轻触保护装置等。
确保这些装置对乘客的安全起到有效的保护作用。
5.紧固件:定期检查电梯的紧固件是否牢固,包括螺丝、螺母、销子等。
如发现松动现象,应及时紧固。
6.紧急救援:进行紧急救援演练,包括启动紧急停车装置、应急通信设备的测试等。
检查应急按钮和通信设备是否正常工作。
7.指标和标识:检查电梯内外的指标和标识是否清晰可见。
如果有任何损坏或模糊不清的情况,应及时更换或修复。
8.定期维保:按照设备维修保养手册或制造商的要求,定期进行维保工作。
包括润滑、清洁、更换磨损部件等。
尤其是关键部件的维保,要做到及时和有效。
备注:设备维护保养记录应于每次维保后填写完整,记录维保的具体内容、维保人员、时间等。
同时做好记录的归档和保管工作。
设备:自动扶梯维护保养记录:1.清洁:定期清洁扶梯的外观和搭乘面,清除积尘和脏物。
使用柔软的刷子和清洁剂,不使用有刺激性的清洁剂。
2.电气系统:检查扶梯的电气系统是否正常工作,包括指示灯、运行按钮等。
如发现故障或异常情况,应及时报修并停止使用扶梯。
3.传动系统:检查扶梯的传动系统是否正常运转,包括链条、链轮等。
如有松动、磨损或缺失,及时进行修复或更换。
4.安全装置:定期检查扶梯的安全装置是否正常,如扶手链断裂装置、紧急停车装置等,确保其稳定和安全。
5.润滑:对扶梯的传动链条、滚轮等部件进行润滑,使用适量的润滑油。
体系编号:(公司名称)电梯日常维护保养记录(乘客电梯/载货电梯)石家庄市质量技术监督局编制编制及填写说明1、本记录适用于乘客电梯、载货电梯的日常维护保养。
2、本记录的维保项目及基本要求A类项按照国家质量监督检验检疫总局制定的《电梯使用管理与维护保养规则》(TSG T5001-2009)制定,属于强制性周期保养项目。
B类项为电梯维保单位根据电梯制造单位要求或本单位维保工艺要求增加的项目(项目编号前需增加“B-”标识),电梯维保单位可根据不同型号电梯的要求在空白表格处增加相应项目。
3、维保项目(内容)和要求中对测试、试验有明确规定的,应当按照规定进行测试、试验,没有明确规定,一般为检查、调整、清洁和润滑。
4、维保基本要求,规定为“符合标准”的,有国家标准应当符合国家标准,没有国家标准的应当符合行业标准、企业标准。
5、维保基本要求,规定为“制造单位要求”的,按照制造单位的要求,其他没有明确的“要求”,应当为安全技术规范、标准或者制造单位等的要求。
6、已完成保养、更换部件和经测试、试验功能正常的项目,在相应周期栏中划“√“,保养中发现不正常项目和需调整或更换部件的项目,在相应周期栏中划”ד,并在备注栏中说明,无此项目的划”/“。
7、现场维保时,如果发现电梯存在的问题需要通过增加维保项目(内容)予以解决,应当相应增加并且及时调整维保计划与方案,相关情况应在备注栏中说明。
8、本记录“日常维护保养记录”页一式两联,每次完成保养工作,记录填写完整后,需经保养人员和使用单位安全管理人员签字,手写联由保养公司存档(整本保存,保存期限至少4年),复写联交客户存档。
日常维护保养记录-乘客/载货电梯(半月/季度/半年)维保单位受控文件号本页一式两份,分别由维保单位和客户留存维护保养记录-乘客/载货电梯(年度)A-35靴衬、滚轮A-36验证轿门关闭的电气安全装置A-37层门、轿门系统中传动钢丝绳/链条/胶带A-38层门门导靴备注部件更换记录、存在问题及建议等维保人员签字:年月日使用单位安全管理人员签字:维保单位受控文件号本页一式两份,分别由维保单位和客户留存。
电梯维护保养记录表
注册代码:
使用单位:
使用编号:
维保单位:
年度
注意事项
1、本记录为规范电梯日常维护保养而制定。
2、本记录由维修保养单位专业持证人员用钢笔填写,字迹应工整,不允许涂改,
用双划线划改且应签划改人员姓名及日期。
3、本记录一式两份。
一份由使用单位管理保存,保存期不少于二年.一份由维护保
养单位保存,保存期不少于四年。
4、本记录无维修保养单位专业持证人员及使用单位管理持证人员签章无效。
5、本记录中定量结果应填写实测数据;定性结果应填写文字说明。
凡齐全、有效、
正常和合格的用标记“√"表示,凡缺项、无效、异常和不合格的用标记“×”表示,凡无此项的用标记“/”表示。
6、本记录填写必需属实。
7、本记录填写人员须对所填写的数据真实性负相关法律责任。
电梯基本情况和技术参数
电梯半月维护保养记录表
电梯半月维护保养记录表
维保单位(维保人员):日期: 年月日使用单位(安全管理人员):日期: 年月日
电梯季度维护保养记录增加项目表
电梯季度维护保养记录表。
附件湖北盖普电梯有限公司电梯日常维护保养记录电梯基本情况及技术参数(印制使用单位名称)说明1、本维护保养记录适用于乘客电梯、载货电梯的日常维护保养。
2、本维护保养记录的内容及基本要求均遵守国家质量监督检验检疫总局制定的《电梯使用管理与维护保养规则》(TSG T5001-2009)的各项规定。
3、如果某些电梯没有表中的项目(内容),如有的电梯不含有某种部件,项目(内容)可适当进行调整;4、维保项目(内容)和要求中对测试、试验有明确规定的,应当按照规定进行测试、试验,没有明确规定,一般为检查、调整、清洁和润滑;5、维保基本要求,规定为“符合标准”的,有国家标准应当符合国家标准,没有国家标准的应当符合行业标准、企业标准;6、维保基本要求,规定为“制造单位要求”的,按照制造单位的要求,其他没有明确的“要求”,应当为安全技术规范、标准或者制造单位等的要求。
7、日常维护保养记录须由维护保养人员及使用单位安全管理人员签字,不准代签签字,并对检验结果的公正性、可靠性和准确性负责。
8、凡各单项“维保项目”符合维保基本要求的均在“维保结果”中填写“符合”,不符合维保基本要求的均填写“不符合”,无此项的均填写“无此项”。
记录中不应遗留空白表格,9、现场维保时,如果发现电梯存在的问题需要通过增加维保项目(内容)予以解决,应当相应增加并且及时调整维保计划与方案。
10、如果通过维保或者自行检查,发现电梯仅依靠合同规定的维保内容已经不能保证安全运行,需要改造、维修或者更换零部件、更新电梯时,应该向使用单位书面提出。
11、维保单位的质量检验(查)人员或者管理人员应当对电梯的维保质量进行不定期检查,并且进行记录。
半年维保项目(内容)和要求年度维保项目(内容)和要求年度维保项目(内容)和要求(续)湖北盖普电梯有限公司自动扶梯和自动人行道日常维护保养记录自动扶梯和自动人行道基本情况及技术参数(印制使用单位名称)说明1、本维护保养记录适用于自动扶梯和自动人行道的日常维护保养。
附件盖普电梯电梯日常维护保养记录电梯基本情况与技术参数(印制使用单位名称)说明1、本维护保养记录适用于乘客电梯、载货电梯的日常维护保养。
2、本维护保养记录的容与基本要求均遵守国家质量监督检验检疫总局制定的《电梯使用管理与维护保养规则》(TSG T5001-2009)的各项规定。
3、如果某些电梯没有表中的项目(容),如有的电梯不含有某种部件,项目(容)可适当进行调整;4、维保项目(容)和要求中对测试、试验有明确规定的,应当按照规定进行测试、试验,没有明确规定,一般为检查、调整、清洁和润滑;5、维保基本要求,规定为“符合标准”的,有国家标准应当符合国家标准,没有国家标准的应当符合行业标准、企业标准;6、维保基本要求,规定为“制造单位要求”的,按照制造单位的要求,其他没有明确的“要求”,应当为安全技术规、标准或者制造单位等的要求。
7、日常维护保养记录须由维护保养人员与使用单位安全管理人员签字,不准代签签字,并对检验结果的公正性、可靠性和准确性负责。
8、凡各单项“维保项目”符合维保基本要求的均在“维保结果”中填写“符合”,不符合维保基本要求的均填写“不符合”,无此项的均填写“无此项”。
记录中不应遗留空白表格,9、现场维保时,如果发现电梯存在的问题需要通过增加维保项目(容)予以解决,应当相应增加并且与时调整维保计划与方案。
10、如果通过维保或者自行检查,发现电梯仅依靠合同规定的维保容已经不能保证安全运行,需要改造、维修或者更换零部件、更新电梯时,应该向使用单位书面提出。
11、维保单位的质量检验(查)人员或者管理人员应当对电梯的维保质量进行不定期检查,并且进行记录。
. . . .3 / 24. . . .5 / 24. . . . 半年维保项目(容)和要求7 / 24. . . .年度维保项目(容)和要求9 / 24年度维保项目(容)和要求(续). . . .11 / 24盖普电梯自动扶梯和自动人行道日常维护保养记录自动扶梯和自动人行道基本情况与技术参数(印制使用单位名称). . . .说明1、本维护保养记录适用于自动扶梯和自动人行道的日常维护保养。
北京市电梯日常维护保养记录电梯基本情况及技术参数北京市特种设备检测中心编制经清洁、检查、润滑、调整、更换零部件等保养工作后功能正常的项目,在是/否一栏内划“√”;有不正常项目但不影响正常安全使用而要求另外安排处理的划“Χ”;无此项划“/”,有数据要求的填写实测数据。
经清洁、检查、润滑、调整、更换零部件等保养工作后功能正常的项目,在是/否一栏内划“√”;有不正常项目但不影响正常安全使用而要求另外安排处理的划“Χ”;无此项划“/”,有数据要求的填写实测数据。
经清洁、检查、润滑、调整、更换零部件等保养工作后功能正常的项目,在是/否一栏内划“√”;有不正常项目但不影响正常安全使用而要求另外安排处理的划“Χ”;无此项划“/”,有数据要求的填写实测数据。
经清洁、检查、润滑、调整、更换零部件等保养工作后功能正常的项目,在是/否一栏内划“√”;有不正常项目但不影响正常安全使用而要求另外安排处理的划“Χ”;无此项划“/”,有数据要求的填写实测数据。
经清洁、检查、润滑、调整、更换零部件等保养工作后功能正常的项目,在是/否一栏内划“√”;有不正常项目但不影响正常安全使用而要求另外安排处理的划“Χ”;无此项划“/”,有数据要求的填写实测数据。
季度保养项目内容及要求经清洁、检查、润滑、调整、更换零部件等保养工作后功能正常的项目,在是/否一栏内划“√”;有不正常项目但不影响正常安全使用而要求另外安排处理的划“Χ”;无此项划“/”,有数据要求的填写实测数据。
经清洁、检查、润滑、调整、更换零部件等保养工作后功能正常的项目,在是/否一栏内划“√”;有不正常项目但不影响正常安全使用而要求另外安排处理的划“Χ”;无此项划“/”,有数据要求的填写实测数据。
经清洁、检查、润滑、调整、更换零部件等保养工作后功能正常的项目,在是/否一栏内划“√”;有不正常项目但不影响正常安全使用而要求另外安排处理的划“Χ”;无此项划“/”,有数据要求的填写实测数据。
电梯日常维护保养记录表维护日期:2021年10月1日维护人员:张师傅维护时长:2小时维护内容:1. 清洁电梯内部和外部的墙壁、地板、按钮和镜面,使用专业的清洁剂擦拭,确保电梯整洁干净。
2. 检查电梯门的开关是否灵活,有无异常声音,并对门进行润滑处理,确保电梯乘坐的顺畅性和安全性。
3. 检查电梯按钮是否正常工作,包括数字按钮、开关门按钮等,如有故障及时更换或修理。
4. 检查电梯灯光是否正常,包括内部照明灯、指示灯等,如有损坏或熄灭的情况需及时更换。
5. 检查电梯运行是否平稳,包括起停过程中是否有异响或颠簸感,如有异常情况需进行调整和修复。
6. 检查电梯安全装置是否完好,包括紧急停车装置、防止超载装置等,确保电梯的安全性能。
7. 检查电梯消防设施是否正常,包括灭火器、紧急通话设备等,如有问题需及时处理和更换。
维护记录:1. 清洁电梯内部和外部的墙壁、地板、按钮和镜面,使用专业的清洁剂擦拭,确保电梯整洁干净。
2. 检查电梯门的开关是否灵活,无异常声音,对门进行润滑处理。
3. 检查电梯按钮,正常工作,无需更换或修理。
4. 检查电梯灯光,所有灯光正常,无需更换。
5. 检查电梯运行平稳,起停过程中无异常情况。
6. 检查电梯安全装置,所有装置完好。
7. 检查电梯消防设施,所有设施正常。
维护日期:2021年11月2日维护人员:李师傅维护时长:2小时维护内容:1. 清洁电梯内部和外部的墙壁、地板、按钮和镜面,使用专业的清洁剂擦拭,确保电梯整洁干净。
2. 检查电梯门的开关是否灵活,有无异常声音,并对门进行润滑处理,确保电梯乘坐的顺畅性和安全性。
3. 检查电梯按钮是否正常工作,包括数字按钮、开关门按钮等,如有故障及时更换或修理。
4. 检查电梯灯光是否正常,包括内部照明灯、指示灯等,如有损坏或熄灭的情况需及时更换。
5. 检查电梯运行是否平稳,包括起停过程中是否有异响或颠簸感,如有异常情况需进行调整和修复。
6. 检查电梯安全装置是否完好,包括紧急停车装置、防止超载装置等,确保电梯的安全性能。
物业电梯维修记录尊敬的业主们:为了确保小区内的电梯安全运行,维护大家的出行安全,物业公司对小区内的电梯进行了定期维修和保养。
下面是近期的电梯维修记录:1. 2021年1月10日,对A栋1号电梯进行了月度保养和检查。
维修人员检查了电梯轿厢,包括照明设施、显示器和紧急电话等设备的工作情况。
检查结果显示所有设备运转正常,无需进行任何维修。
2. 2021年1月15日,B栋2号电梯发生紧急故障,导致电梯无法运行。
物业立即启动紧急维修计划,并通知住户暂时使用其他楼层的电梯。
维修人员迅速赶到现场,检查发现电梯驱动系统受损,需更换配件。
经过3小时的紧急维修,B栋2号电梯恢复正常使用。
3. 2021年2月5日,C栋3号电梯发生故障,居民报告了电梯运行时的异响。
维修人员立即前往现场检查,并发现轿厢内部的轴承存在问题。
维修人员迅速更换了轴承,并对电梯的其他部件进行了全面检查。
经过2小时的维修,C栋3号电梯恢复了正常运行。
4. 2021年2月15日,D栋4号电梯出现了电梯门打不开的故障。
物业迅速派出维修人员进行处理。
维修人员发现电梯门的控制系统出现故障,经过1小时的维修和调试,D栋4号电梯重新启动并恢复正常使用。
5. 2021年3月8日,E栋5号电梯进行了季度保养。
维修人员对电梯的电气系统、机械部件以及安全装置进行了全面检查。
检查结果显示电梯设备工作正常,无需进行任何维修和更换。
6. 2021年3月15日,F栋6号电梯出现了停电故障,导致电梯运行中断。
物业立即调用电力公司处理电力故障,并同时派遣维修人员对电梯设备进行检查。
检查结果显示电梯设备未受损,仅因停电才无法运行。
电力公司在2小时内解决了停电问题,F栋6号电梯恢复正常使用。
以上是近期物业对电梯进行的维修记录。
为了提高电梯的日常运行质量,物业将继续定期对电梯设备进行检查和保养,并加大对电梯安全设备的监督力度。
同时,我们也提醒业主朋友们,使用电梯时请注意自身安全,不要超载、乱动电梯内设备,并遵守电梯安全操作规程。
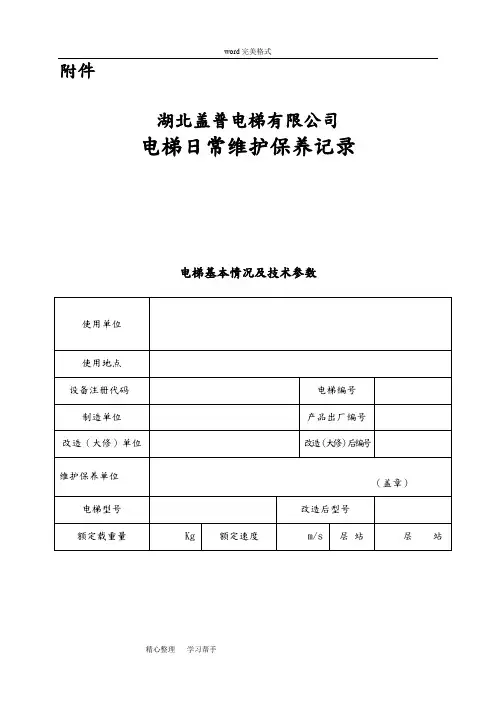
附件
湖北盖普电梯有限公司
电梯日常维护保养记录
电梯基本情况及技术参数
(印制使用单位名称)
说明
1、本维护保养记录适用于乘客电梯、载货电梯的日常维护保养。
2、本维护保养记录的内容及基本要求均遵守国家质量监督检验检疫总局制定的《电梯使用管理与维护保养规则》(TSG T5001-2009)的各项规定。
3、如果某些电梯没有表中的项目(内容),如有的电梯不含有某种部件,项目(内容)可适当进行调整;
4、维保项目(内容)和要求中对测试、试验有明确规定的,应当按照规定进行测试、试验,没有明确规定,一般为检查、调整、清洁和润滑;
5、维保基本要求,规定为“符合标准”的,有国家标准应当符合国家标准,没有国家标准的应当符合行业标准、企业标准;
6、维保基本要求,规定为“制造单位要求”的,按照制造单位的要求,其他没有明确的“要求”,应当为安全技术规范、标准或者制造单位等的要求。
7、日常维护保养记录须由维护保养人员及使用单位安全管理人员签字,不准代签签字,并对检验结果的公正性、可靠性和准确性负责。
8、凡各单项“维保项目”符合维保基本要求的均在“维保结果”中填写“符合”,不符合维保基本要求的均填写“不符合”,无此项的均填写“无此项”。
记录中不应遗留空白表格,
9、现场维保时,如果发现电梯存在的问题需要通过增加维保项目(内容)予以解决,应当相应增加并且及时调整维保计划与方案。
10、如果通过维保或者自行检查,发现电梯仅依靠合同规定的维保内容已经不能保证安全运行,需要改造、维修或者更换零部件、更新电梯时,应该向使用单位书面提出。
11、维保单位的质量检验(查)人员或者管理人员应当对电梯的维保质量进行不定期检查,并且进行记录。
半年维保项目(内容)和要求
年度维保项目(内容)和要求
年度维保项目(内容)和要求(续)
湖北盖普电梯有限公司
自动扶梯和自动人行道
日常维护保养记录
自动扶梯和自动人行道基本情况及技术参数
(印制使用单位名称)
说明
1、本维护保养记录适用于自动扶梯和自动人行道的日常维护保养。
2、本维护保养记录的内容及基本要求均遵守国家质量监督检验检疫总局制定的《电梯使用管理与维护保养规则》(TSG T5001-2009)的各项规定。
3、如果某些电梯没有表中的项目(内容),如有的电梯不含有某种部件,项目(内容)可适当进行调整;
4、维保项目(内容)和要求中对测试、试验有明确规定的,应当按照规定进行测试、试验,没有明确规定,一般为检查、调整、清洁和润滑;
5、维保基本要求,规定为“符合标准”的,有国家标准应当符合国家标准,没有国家标准的应当符合行业标准、企业标准;
6、维保基本要求,规定为“制造单位要求”的,按照制造单位的要求,其他没有明确的“要求”,应当为安全技术规范、标准或者制造单位等的要求。
7、日常维护保养记录须由维护保养人员及使用单位安全管理人员签字,不准代签签字,并对检验结果的公正性、可靠性和准确性负责。
8、凡各单项“维保项目”符合维保基本要求的均在“维保结果”中填写“符合”,不符合维保基本要求的均填写“不符合”,无此项的均填写“无此项”。
记录中不应遗留空白表格,
9、现场维保时,如果发现电梯存在的问题需要通过增加维保项目(内容)予以解决,应当相应增加并且及时调整维保计划与方案。
10、如果通过维保或者自行检查,发现电梯仅依靠合同规定的维保内容已经不能保证安全运行,需要改造、维修或者更换零部件、更新电梯时,应该向使用单位书面提出。
11、维保单位的质量检验(查)人员或者管理人员应当对电梯的维保质量进行不定期检查,并且进行记录。
半月维保项目(内容)和要求
半月维保项目(内容)和要求(续)
月维保项目(内容)和要求
月维保项目(内容)和要求(续)
季度维保项目(内容)和要求
季度维保项目(内容)和要求(续)
半年维保项目(内容)和要求
半年维保项目(内容)和要求(续)
年维保项目(内容)和要求
年维保项目(内容)和要求(续)
年维保项目(内容)和要求(续)。