120厚板模板(扣件钢管架)计算书
- 格式:docx
- 大小:229.16 KB
- 文档页数:20
模板(扣件式钢管支架)计算书一、工程概况二、参数信息1.脚手架参数立杆横距(m):1.1;立杆纵距(m):1.1;横杆步距(m):1.8;支模架类型:水平钢管;板底支撑材料:方木;板底支撑间距(mm) :40;模板支架立杆伸出顶层横向水平杆中心线至模板支撑点的长度(m):1;模板支架计算高度(m):4.27;采用的钢管(mm):Ф48×3;扣件抗滑力系数:6;2.荷载参数模板自重(kN/m2):0.35;钢筋自重(kN/m3) :1;混凝土自重(kN/m3):24;施工均布荷载标准值(kN/m2):2;3.楼板参数钢筋级别:三级钢HRB 400(20MnSiV,20MnSiNb,20MnTi);楼板混凝土强度等级:C30;每层标准施工天数:8;每平米楼板截面的钢筋面积(mm2):1440.000;楼板的计算宽度(m):5.4;楼板的计算跨度(m):4;楼板的计算厚度(mm):110;施工平均温度(℃):15;4.材料参数面板类型:胶合面板;面板厚度(mm):15;面板弹性模量E(N/mm2):9500;面板抗弯强度设计值f m(N/mm2):13;木材品种:松木;木材弹性模量E(N/mm2):10000;木材抗弯强度设计值f m(N/mm2):17;木材抗剪强度设计值f v(N/mm2):1.7;三、板模板面板的验算面板为受弯结构,需要验算其抗弯强度和刚度。
强度验算要考虑混凝土、钢筋、模板的自重及施工均布荷载;挠度验算只考虑混凝土、钢筋、模板的自重荷载。
计算的原则是按照均布荷载作用下的三跨连续梁计算。
面板计算简图公式:σ = M/W < fσ--面板的弯曲应力计算值(N/mm2);M--面板的最大弯距(N.mm);W--面板的净截面抵抗矩,公式:W=bh2/6b:面板截面宽度,h:面板截面厚度计算式:W= 1100×152/6=41250 mm3;[f] --面板的抗弯强度设计值(N/mm2);按以下公式计算面板跨中弯矩:公式:M =0.1×q×l2q--作用在模板上的压力线,包括:(1)钢筋混凝土板自重(kN/m):q= (24+1)×1.1×0.11≈3.02 kN/m;1(2)模板的自重线荷载(kN/m):q= 0.35×1.1≈0.38 kN/m ;2(3)活荷载为施工荷载标准值(kN):q= 2×1.1=2.2 kN/m;3q = 1.2×(q+q2)+1.4×q3 = 1.2×(3.02+ 0.38)+1.4× 2.2≈7.17 kN/m1计算跨度(板底支撑间距):l = 40 mm;面板的最大弯距M= 0.1×7.17×40 2=1147.52 N.mm;经计算得到,面板的受弯应力计算值:σ =1147.52/ 41250≈0.03 N/mm2;面板的抗弯强度设计值:[f] = 13N/mm2;结论:面板的受弯应力计算值σ= 0.03 N/mm2 小于面板的抗弯强度设计值[f]= 13 N/mm2,满足要求!最大挠度按以下公式计算:公式:ω = 0.677×q×l4/(100×E×I)q--作用在模板上的侧压力线荷载标准值:q = q+q2 = 3.02+ 0.38=3.41 kN/m;1l--计算跨度(板底支撑间距):l = 40 mm;E--面板材质的弹性模量:E = 9500 N/mm2;I--面板的截面惯性矩:公式:I =bh3/12计算式:I = 40×153/12=11250 mm4;面板的最大挠度计算值:ω = 0.677×3.41×40 4/(100×9500×11250)=0 mm;面板的最大容许挠度值:[ω] = l/250 = 40 /250 =0.16 mm;结论:面板的最大挠度计算值ω= 0 mm 小于面板的最大容许挠度值[ω]= 0.16 mm,满足要求!四、板底支撑的计算本工程板底支撑采用方木,按照简支梁计算,截面惯性矩I和截面抵抗矩W分别为:公式:W =B b B h2/6计算式:W = 40×902/6=54000 mm3;公式:I = B b B h3/12计算式:I = 40×90 3/12=2430000 mm4;板底支撑楞计算简图1.荷载的计算:(1)钢筋混凝土板自重(kN/m):q= (24+1)×0.04×0.11=0.11 kN/m;1(2)模板的自重线荷载(kN/m):q= 0.35×0.04≈0.01 kN/m ;2(3)活荷载为施工荷载标准值(kN):q= 2×0.04=0.08 kN;3q = 1.2×(q+q2)+1.4×q3= 1.2×(0.11+ 0.01)+1.4× 0.08≈0.26 kN/m12.强度验算:最大弯矩计算公式如下:公式:M = q×l2/8最大弯距M = ql2/8 = 0.26×1.12 /8≈0.04 kN.m;最大支座力N = ql = 0.26×1.1≈0.29 kN ;梁底支撑最大应力计算值σ= M /W = 39446/ 54000≈0.73 N/mm2;梁底支撑的抗弯强度设计值[f]= 17 N/mm2;结论:板底支撑的最大应力计算值为0.73 N/mm2 小于板底支撑的抗弯强度设计值17 N/mm2,满足要求!3.抗剪验算:最大剪力的计算公式如下:公式:V = q×l/2最大剪力:V = 0.26×1.1 /2≈0.14 kN;截面抗剪强度必须满足:公式:τ = 3×V/(2×b×h n) ≤f vb --板底支撑方木截面宽度h--板底支撑方木截面高度n板底支撑受剪应力计算值:τ = 3 ×143.44/(2 ×40×90)≈0.06 N/mm2;梁底支撑抗剪强度设计值[T] = 1.7 N/mm2;结论:板底支撑的受剪应力计算值0.06 N/mm2 小于板底支撑的抗剪强度设计值1.7 N/mm2,满足要求!4.挠度验算:最大挠度考虑为静荷载与活荷载的计算值最不利分配的挠度和,计算公式如下:公式:ω = 5×q×l4/(384×E×I)最大挠度计算值:ω= 5×0.26×1100 4 /(384×10000×2430000)≈0.2 mm;最大允许挠度[ω]= 1100 / 250=4.4 mm;结论:板底支撑的最大挠度计算值0.2 mm 小于板底支撑的最大允许挠度4.4 mm,满足要求!五、水平支撑钢管计算(支撑板底支撑)水平支撑钢管按照集中荷载作用下的三跨连续梁计算;集中荷载P取板底支撑传递力,P = 0.29 kN;支撑钢管计算简图支撑钢管计算弯矩图(kN.m)支撑钢管计算剪力图(kN)支撑钢管计算变形图(mm) 最大弯矩M max = 0.87 kN.m ;最大剪力V max = 4.74 kN ;= 3.2508 mm ;最大变形ωmax最大支座力R max = 8.68 kN ;最大应力σ= M/W= 867.98/ 4490≈193.31 N/mm2;水平支撑钢管的抗弯强度设计值[f]=205 N/mm2;水平支撑钢管的最大受弯应力计算值193.31 N/mm2 小于水平支撑钢管的抗弯强度设计值205 N/mm2,满足要求!水平支撑钢管最大剪应力按以下公式计算:公式:τ = 2×V/[π×r2-π×(r-d)2] ≤f vr --水平支撑钢管截面半径t --水平支撑钢管截面壁厚水平支撑最大剪应力计算值:τ = 2 ×4739.11/(3.14 ×242-3.14×(24-3)2)≈22.35 N/mm2;结论:水平支撑钢管的最大受剪应力22.35 N/mm2,小于水平支撑钢管允许抗剪强度125 N/mm2,满足要求!水平支撑钢管允许挠度:[ω]= 1100/150≈7.33 与10mm;水平支撑钢管的最大挠度3.2508 mm,小于水平支撑钢管允许挠度7.33与10 mm,满足要求!六、扣件抗滑移的计算:按规范表5.1.7,直角、旋转单扣件承载力取值为8.00kN,该工程实际的扣件承载力取值为6 kN。
120mm板模板(扣件式)计算书计算依据:1、《建筑施工模板安全技术规范》JGJ162-20082、《混凝土结构设计规范》GB 50010-20103、《建筑结构荷载规范》GB 50009-20124、《钢结构设计规范》GB 50017-2003一、工程属性二、荷载设计三、模板体系设计模板设计平面图模板设计剖面图(模板支架纵向)模板设计剖面图(模板支架横向)四、面板验算面板类型覆面木胶合板面板厚度t(mm)13面板抗弯强度设计值[f](N/mm2)12.5面板抗剪强度设计值[τ](N/mm2) 1.4面板弹性模量E(N/mm2)4500面板计算方式三等跨连续梁W=bh2/6=1000×13×13/6=28166.667mm3,I=bh3/12=1000×13×13×13/12=183083.333mm4承载能力极限状态q1=0.9×max[1.2(G1k+(G2k+G3k)×h)+1.4×Q1k,1.35(G1k +(G2k+G3k)×h)+1.4×0.7×Q1k]×b=0.9×max[1.2×(0.1+(24+1.1)×0.12)+ 1.4×2.5,1.35×(0.1+(24+1.1)×0.12)+1.4×0.7×2.5] ×1=6.511kN/mq1静=0.9×[γG(G1k+(G2k+G3k)×h)×b] = 0.9×[1.2×(0.1+(24+1.1)×0.12)×1]=3.361kN/mq1活=0.9×(γQ Q1k)×b=0.9×(1.4×2.5)×1=3.15kN/mq2=0.9×1.2×G1k×b=0.9×1.2×0.1×1=0.108kN/mp=0.9×1.4×Q1k=0.9×1.4×2.5=3.15kN正常使用极限状态q=(γG(G1k+(G2k+G3k)×h))×b =(1×(0.1+(24+1.1)×0.12))×1=3.112kN/m计算简图如下:1、强度验算M1=0.1q1静L2+0.117q1活L2=0.1×3.361×0.352+0.117×3.15×0.352=0.086kN·mM2=max[0.08q2L2+0.213pL,0.1q2L2+0.175pL]=max[0.08×0.108×0.352+0.213×3.15×0.35,0.1×0.108×0.352+0.175×3.15×0.35]=0.236kN·mM max=max[M1,M2]=max[0.086,0.236]=0.236kN·mσ=M max/W=0.236×106/28166.667=8.375N/mm2≤[f]=12.5N/mm2满足要求!2、挠度验算νmax=0.677ql4/(100EI)=0.677×3.112×3504/(100×4500×183083.333)=0.38 4mmν=0.384mm≤[ν]=L/250=350/250=1.4mm满足要求!五、小梁验算11k2k3k1k1k +(G2k+G3k)×h)+1.4×0.7×Q1k]×b=0.9×max[1.2×(0.3+(24+1.1)×0.12)+ 1.4×2.5,1.35×(0.3+(24+1.1)×0.12)+1.4×0.7×2.5]×0.35=2.354kN/m因此,q1静=0.9×1.2×(G1k +(G2k+G3k)×h)×b=0.9×1.2×(0.3+(24+1.1)×0.12)×0.35=1.252kN/mq1活=0.9×1.4×Q1k×b=0.9×1.4×2.5×0.35=1.103kN/mq2=0.9×1.2×G1k×b=0.9×1.2×0.3×0.35=0.113kN/mp=0.9×1.4×Q1k=0.9×1.4×2.5=3.15kN计算简图如下:1、强度验算M1=0.125q1静L2+0.125q1活L2=0.125×1.252×12+0.125×1.103×12=0.294kN·mM2=max[0.07q2L2+0.203pL,0.125q2L2+0.188pL]=max[0.07×0.113×12+0.203×3.15×1,0.125×0.113×12+0.188×3.15×1]=0.647kN·mM3=max[q1L12/2,q2L12/2+pL1]=max[2.354×0.22/2,0.113×0.22/2+3.15×0.2]=0.632kN·mM max=max[M1,M2,M3]=max[0.294,0.647,0.632]=0.647kN·m σ=M max/W=0.647×106/54000=11.989N/mm2≤[f]=15.44N/mm2满足要求!2、抗剪验算V1=0.625q1静L+0.625q1活L=0.625×1.252×1+0.625×1.103×1=1.472kNV2=0.625q2L+0.688p=0.625×0.113×1+0.688×3.15=2.238kNV3=max[q1L1,q2L1+p]=max[2.354×0.2,0.113×0.2+3.15]=3.173kNV max=max[V1,V2,V3]=max[1.472,2.238,3.173]=3.173kN τmax=3V max/(2bh0)=3×3.173×1000/(2×40×90)=1.322N/mm2≤[τ]=1.78N/mm2满足要求!3、挠度验算q=(γG(G1k+(G2k+G3k)×h))×b=(1×(0.3+(24+1.1)×0.12))×0.35=1.159kN/m挠度,跨中νmax=0.521qL4/(100EI)=0.521×1.159×10004/(100×9350×243×104)=0.266mm≤[ν]=L/250=1000/250=4mm;悬臂端νmax=ql14/(8EI)=1.159×2004/(8×9350×243×104)=0.01mm≤[ν]=2×l1/250=2×200/250=1.6mm满足要求!六、主梁验算q1=0.9×max[1.2(G1k+(G2k+G3k)×h)+1.4Q1k, 1.35(G1k +(G2k+G3k)×h)+1.4×0.7×Q1k]×b=0.9×max[1.2×(0.5+(24+1.1)×0.12)+ 1.4×1.5, 1.35×(0.5+(24+1.1)×0.12)+1.4×0.7×1.5]×0.35=1.989kN/mq1静=0.9×1.2×(G1k+(G2k+G3k)×h)×b=0.9×1.2×(0.5+(24+1.1)×0.12)×0.35=1.328kN/mq1活=0.9×1.4×Q1k×b=0.9×1.4×1.5×0.35=0.661kN/mq2=(γG(G1k +(G2k+G3k)×h))×b=(1×(0.5+(24+1.1)×0.12))×0.35=1.229kN/m承载能力极限状态按二等跨连续梁,R max=1.25q1L=1.25×1.989×1=2.486kN按悬臂梁,R1=1.989×0.2=0.398kNR=max[R max,R1]=2.486kN;正常使用极限状态按二等跨连续梁,R'max=1.25q2L=1.25×1.229×1=1.537kN按悬臂梁,R'1=q2l1=1.229×0.2=0.246kNR'=max[R'max,R'1]=1.537kN;计算简图如下:主梁计算简图一主梁计算简图二2、抗弯验算主梁弯矩图一(kN·m)主梁弯矩图二(kN·m)σ=M max/W=0.752×106/4120=182.593N/mm2≤[f]=205N/mm2满足要求!3、抗剪验算主梁剪力图一(kN)主梁剪力图二(kN)τmax=2V max/A=2×5.104×1000/384=26.586N/mm2≤[τ]=125N/mm2满足要求!4、挠度验算主梁变形图一(mm)主梁变形图二(mm)跨中νmax=1.402mm≤[ν]=1000/250=4mm悬挑段νmax=1.027mm≤[ν]=2×200/250=1.6mm满足要求!5、支座反力计算承载能力极限状态图一支座反力依次为R1=6.09kN,R2=7.08kN,R3=7.968kN,R4=3.723kN图二支座反力依次为R1=4.84kN,R2=7.59kN,R3=7.59kN,R4=4.84kN七、扣件抗滑移验算荷载传递至立柱方式双扣件扣件抗滑移折减系数k c1c c满足要求!八、立柱验算钢管截面类型(mm)Φ48×2.7钢管计算截面类型(mm)Φ48×2.7钢材等级Q235立柱截面面积A(mm2)384立柱截面回转半径i(mm)16立柱截面抵抗矩W(cm3) 4.12l0=h=1500mmλ=l0/i=1500/16=93.75≤[λ]=150满足要求!2、立柱稳定性验算根据《建筑施工模板安全技术规范》JGJ162-2008,荷载设计值q1有所不同:小梁验算q1=0.9×[1.2×(0.5+(24+1.1)×0.12)+1.4×0.9×1]×0.35 = 1.724kN/m同上四~六步计算过程,可得:R1=5.282kN,R2=6.583kN,R3=6.91kN,R4=4.197kNλ=l0/i=1500.000/16=93.75查表得,φ1=0.641不考虑风荷载:N=Max[R1,R2,R3,R4]+0.9×γG×q×H=Max[5.282,6.583,6.91,4.197]+0.9×1.2×0.15×3=7.396kNf=N/(φ1A)=7.396×103/(0.641×384)=30.047N/mm2≤[σ]=205N/mm2满足要求!考虑风荷载:M w=0.9×γQφcωk×l a×h2/10=0.9×1.4×0.9×0.051×1×1.52/10=0.013kN·mN w=Max[R1,R2,R3,R4]+0.9×γG×q×H+M w/l b=Max[5.282,6.583,6.91,4.197] +0.9×1.2×0.15×3+0.013/1=7.409kNf=N w/(φ1A)+M w/W=7.409×103/(0.641×384)+0.013×106/4120=33.255N/mm2≤[σ]=205N/mm2满足要求!九、高宽比验算根据《建筑施工扣件式钢管脚手架安全技术规范》JGJ130-2011 第6.9.7:支架高宽比不应大于3H/B=3/7.8=0.385≤3满足要求,不需要进行抗倾覆验算!十、立柱支承面承载力验算11、受冲切承载力计算根据《混凝土结构设计规范》GB50010-2010第6.5.1条规定,见下表h t 20 u m =2[(a+h 0)+(b+h 0)]=1200mm F=(0.7βh f t +0.25σpc,m )ηu m h 0=(0.7×1×0.737+0.25×0)×1×1200×100/1000=61.908kN≥F 1=7.409kN满足要求!2、局部受压承载力计算根据《混凝土结构设计规范》GB50010-2010第6.6.1条规定,见下表c cβl=(A b/A l)1/2=[(a+2b)×(b+2b)/(ab)]1/2=[(600)×(600)/(200×200)]1/ 2=3,A ln=ab=40000mm2F=1.35βcβl f c A ln=1.35×1×3×6.902×40000/1000=1118.124kN≥F1=7.409 kN满足要求!。
120mm板模板(扣件式)计算书计算依据:1、《建筑施工模板安全技术规范》JGJ162-20082、《混凝土结构设计规范》GB 50010-20103、《建筑结构荷载规范》GB 50009-20124、《钢结构设计规范》GB 50017-2003一、工程属性模板设计平面图模板设计剖面图(模板支架纵向)模板设计剖面图(模板支架横向)四、面板验算面板类型覆面木胶合板面板厚度t(mm)13面板抗弯强度设计值[f](N/mm2)12.5面板抗剪强度设计值[τ](N/mm2) 1.4面板弹性模量E(N/mm2)4500面板计算方式三等跨连续梁算。
W=bh2/6=1000×13×13/6=28166.667mm3,I=bh3/12=1000×13×13×13/12=183083.333mm4承载能力极限状态q 1=0.9×max[1.2(G 1k +(G 2k +G 3k )×h)+1.4×Q 1k ,1.35(G 1k+(G 2k +G 3k )×h)+1.4×0.7×Q 1k ]×b=0.9×max[1.2×(0.1+(24+1.1)×0.12)+1.4×2.5,1.35×(0.1+(24+1.1)×0.12)+1.4×0.7×2.5] ×1=6.511kN/mq 1静=0.9×[γG (G 1k +(G 2k +G 3k )×h)×b] =0.9×[1.2×(0.1+(24+1.1)×0.12)×1]=3.361kN/mq 1活=0.9×(γQ Q 1k )×b=0.9×(1.4×2.5)×1=3.15kN/m q 2=0.9×1.2×G 1k ×b =0.9×1.2×0.1×1=0.108kN/m p =0.9×1.4×Q 1k =0.9×1.4×2.5=3.15kN 正常使用极限状态q =(γG (G 1k +(G 2k +G 3k )×h))×b=(1×(0.1+(24+1.1)×0.12))×1=3.112kN/m 计算简图如下:1、强度验算M 1=0.1q 1静L 2+0.117q 1活L 2=0.1×3.361×0.352+0.117×3.15×0.352=0.086kN ·mM 2=max[0.08q 2L 2+0.213pL,0.1q 2L 2+0.175pL]=max[0.08×0.108×0.352+0.213×3.15×0.35,0.1×0.108×0.352+0.175×3.15×0.35]=0.236kN ·mM max =max[M 1,M 2]=max[0.086,0.236]=0.236kN ·m σ=M max /W =0.236×106/28166.667=8.375N/mm 2≤[f]=12.5N/mm2满足要求!2、挠度验算νmax=0.677ql4/(100EI)=0.677×3.112×3504/(100×4500×183083.333)=0.384mmν=0.384mm≤[ν]=L/250=350/250=1.4mm满足要求!五、小梁验算11k2k3k1k1k+(G2k +G3k)×h)+1.4×0.7×Q1k]×b=0.9×max[1.2×(0.3+(24+1.1)×0.12)+1.4×2.5,1.35×(0.3+(24+1.1)×0.12)+1.4×0.7×2.5]×0.35=2.354kN/m因此,q1静=0.9×1.2×(G1k+(G2k +G3k)×h)×b=0.9×1.2×(0.3+(24+1.1)×0.12)×0.35=1.252kN/mq1活=0.9×1.4×Q1k×b=0.9×1.4×2.5×0.35=1.103kN/mq2=0.9×1.2×G1k×b=0.9×1.2×0.3×0.35=0.113kN/mp=0.9×1.4×Q1k=0.9×1.4×2.5=3.15kN计算简图如下:1、强度验算M 1=0.125q 1静L 2+0.125q 1活L 2=0.125×1.252×12+0.125×1.103×12=0.294kN ·mM 2=max[0.07q 2L 2+0.203pL,0.125q 2L 2+0.188pL]=max[0.07×0.113×12+0.203×3.15×1,0.125×0.113×12+0.188×3.15×1]=0.647kN ·mM 3=max[q 1L 12/2,q 2L 12/2+pL 1]=max[2.354×0.22/2,0.113×0.22/2+3.15×0.2]=0.632kN ·mM max =max[M 1,M 2,M 3]=max[0.294,0.647,0.632]=0.647kN ·mσ=M max /W=0.647×106/54000=11.989N/mm 2≤[f]=15.44N/mm 2 满足要求! 2、抗剪验算V 1=0.625q 1静L+0.625q 1活L =0.625×1.252×1+0.625×1.103×1=1.472kNV 2=0.625q 2L+0.688p =0.625×0.113×1+0.688×3.15=2.238kNV3=max[q1L1,q2L1+p]=max[2.354×0.2,0.113×0.2+3.15]=3.173kNVmax =max[V1,V2,V3]=max[1.472,2.238,3.173]=3.173kNτmax =3Vmax/(2bh)=3×3.173×1000/(2×40×90)=1.322N/mm2≤[τ]=1.78N/mm2满足要求!3、挠度验算q=(γG (G1k+(G2k+G3k)×h))×b=(1×(0.3+(24+1.1)×0.12))×0.35=1.159kN/m挠度,跨中νmax=0.521qL4/(100EI)=0.521×1.159×10004/(100×9350×243×104)=0.266mm≤[ν]=L/250=1000/250=4mm;悬臂端νmax =ql14/(8EI)=1.159×2004/(8×9350×243×104)=0.01mm≤[ν]=2×l1/250=2×200/250=1.6mm 满足要求!六、主梁验算q 1=0.9×max[1.2(G1k+(G2k+G3k)×h)+1.4Q1k, 1.35(G1k+(G2k +G3k)×h)+1.4×0.7×Q1k]×b=0.9×max[1.2×(0.5+(24+1.1)×0.12)+1.4×1.5,1.35×(0.5+(24+1.1)×0.12)+1.4×0.7×1.5]×0.35=1.989kN/mq1静=0.9×1.2×(G1k+(G2k+G3k)×h)×b=0.9×1.2×(0.5+(24+1.1)×0.12)×0.35=1.328kN/mq 1活=0.9×1.4×Q1k×b=0.9×1.4×1.5×0.35=0.661kN/mq 2=(γG(G1k+(G2k+G3k)×h))×b=(1×(0.5+(24+1.1)×0.12))×0.35=1.229kN/m承载能力极限状态按二等跨连续梁,Rmax =1.25q1L=1.25×1.989×1=2.486kN按悬臂梁,R1=1.989×0.2=0.398kNR=max[Rmax ,R1]=2.486kN;正常使用极限状态按二等跨连续梁,R'max =1.25q2L=1.25×1.229×1=1.537kN按悬臂梁,R'1=q2l1=1.229×0.2=0.246kNR'=max[R'max ,R'1]=1.537kN;计算简图如下:主梁计算简图一主梁计算简图二2、抗弯验算主梁弯矩图一(kN·m)主梁弯矩图二(kN·m)σ=M/W=0.752×106/4120=182.593N/mm2≤[f]=205N/mm2 max满足要求!3、抗剪验算主梁剪力图二(kN)τmax =2Vmax/A=2×5.104×1000/384=26.586N/mm2≤[τ]=125N/mm2满足要求!4、挠度验算主梁变形图一(mm)跨中νmax=1.402mm≤[ν]=1000/250=4mm悬挑段νmax=1.027mm≤[ν]=2×200/250=1.6mm 满足要求!5、支座反力计算承载能力极限状态图一支座反力依次为R1=6.09kN,R2=7.08kN,R3=7.968kN,R4=3.723kN图二支座反力依次为R1=4.84kN,R2=7.59kN,R3=7.59kN,R4=4.84kN七、扣件抗滑移验算c c满足要求!八、立柱验算l=h=1500mmλ=l/i=1500/16=93.75≤[λ]=150满足要求!2、立柱稳定性验算根据《建筑施工模板安全技术规范》JGJ162-2008,荷载设计值q 1有所不同: 小梁验算q 1=0.9×[1.2×(0.5+(24+1.1)×0.12)+1.4×0.9×1]×0.35 = 1.724kN/m 同上四~六步计算过程,可得:R 1=5.282kN ,R 2=6.583kN ,R 3=6.91kN ,R 4=4.197kN λ=l 0/i=1500.000/16=93.75 查表得,φ1=0.641 不考虑风荷载:N=Max[R 1,R 2,R 3,R 4]+0.9×γG ×q×H=Max[5.282,6.583,6.91,4.197]+0.9×1.2×0.15×3=7.396kNf=N/(φ1A)=7.396×103/(0.641×384)=30.047N/mm 2≤[σ]=205N/mm 2 满足要求! 考虑风荷载:M w =0.9×γQ φc ωk ×l a ×h 2/10=0.9×1.4×0.9×0.051×1×1.52/10=0.013kN ·mN w=Max[R 1,R 2,R 3,R 4]+0.9×γG ×q×H+M w /l b =Max[5.282,6.583,6.91,4.197]+0.9×1.2×0.15×3+0.013/1=7.409kNf=N w /(φ1A)+M w /W=7.409×103/(0.641×384)+0.013×106/4120=33.255N/mm 2≤[σ]=205N/mm 2 满足要求!九、高宽比验算根据《建筑施工扣件式钢管脚手架安全技术规范》JGJ130-2011 第6.9.7:支架高宽比不应大于3H/B=3/7.8=0.385≤3满足要求,不需要进行抗倾覆验算!十、立柱支承面承载力验算11、受冲切承载力计算根据《混凝土结构设计规范》GB50010-2010第6.5.1条规定,见下表h t 0 u m =2[(a+h 0)+(b+h 0)]=1200mm F=(0.7βh f t +0.25σpc,m)ηu m h 0=(0.7×1×0.737+0.25×0)×1×1200×100/1000=61.908kN≥F 1=7.409kN满足要求!2、局部受压承载力计算根据《混凝土结构设计规范》GB50010-2010第6.6.1条规定,见下表c ,βcβl =(A b /A l )1/2=[(a+2b)×(b+2b)/(ab)]1/2=[(600)×(600)/(200×200)]1/2=3,A ln =ab=40000mm 2F=1.35βc βl f c A ln =1.35×1×3×6.902×40000/1000=1118.124kN≥F 1=7.409kN 满足要求!。
板模板(扣件式)计算书计算依据:1、《建筑施工模板安全技术规范》JGJ162-20082、《建筑施工扣件式钢管脚手架安全技术规范》JGJ 130-20113、《混凝土结构设计规范》GB50010-20104、《建筑结构荷载规范》GB 50009-20125、《钢结构设计规范》GB 50017-2003一、工程属性设计简图如下:模板设计平面图模板设计剖面图(楼板长向)模板设计剖面图(楼板宽向)四、面板验算的规定,另据现实,楼板面板应搁置在梁侧模板上,因此本例以简支梁,取1m单位宽度计算。
计算简图如下:W=bh2/6=1000×15×15/6=37500mm3,I=bh3/12=1000×15×15×15/12=281250mm41、强度验算q1=0.9max[1.2(G1k+ (G3k+G2k)×h)+1.4Q1k,1.35(G1k+ (G3k+G2k)×h)+1.4×0.7Q1k]×b=0.9max[1.2×(0.1+(1.1+24)×0.12)+1.4×2.5,1.35×(0.1+(1.1+24)×0.12)+1.4×0.7×2.5] ×1=6.51kN/mq2=0.9×1.2×G1k×b=0.9×1.2×0.1×1=0.11kN/mp=0.9×1.4×Q1K=0.9×1.4×2.5=3.15kNM max=max[q1l2/8,q2l2/8+pl/4]=max[6.51×0.22/8,0.11×0.22/8+3.15×0.2/4]= 0.16kN〃mσ=M max/W=0.16×106/37500=4.21N/mm2≤[f]=15N/mm2满足要求!2、挠度验算q=(G1k+(G3k+G2k)×h)×b=(0.1+(1.1+24)×0.12)×1=3.11kN/mν=5ql 4/(384EI)=5×3.11×2004/(384×10000×281250)=0.02mm ≤[ν]=l/400=200/400=0.5mm 满足要求! 五、小梁验算 小梁类型方木 小梁材料规格(mm) 60×80 小梁抗弯强度设计值[f](N/mm 2)15.44小梁抗剪强度设计值[τ](N/mm 2)1.78小梁弹性模量E(N/mm 2) 9350 小梁截面抵抗矩W(cm 3) 64小梁截面惯性矩I(cm 4) 256因[L/l a ]取整=[8000/900]取整=8,按四等跨连续梁计算,又因小梁较大悬挑长度为200mm ,因此需进行最不利组合,计算简图如下:1、强度验算q 1=0.9max[1.2(G 1k +(G 3k +G 2k )×h)+1.4Q 1k ,1.35(G 1k +(G 3k +G 2k )×h)+1.4×0.7Q 1k ]×b=0.9×max[1.2×(0.3+(1.1+24)×0.12)+1.4×2.5,1.35×(0.3+(1.1+24)×0.12)+1.4×0.7×2.5]×0.2=1.35kN/m因此,q1静=0.9×1.2(G1k+(G3k+G2k)×h)×b=0.9×1.2×(0.3+(1.1+24)×0.12)×0.2=0.72kN/mq1活=0.9×1.4×Q1k×b=0.9×1.4×2.5×0.2=0.63kN/mM1=0.107q1静L2+0.121q1活L2=0.107×0.72×0.92+0.121×0.63×0.92=0.12kN〃mq2=0.9×1.2×G1k×b=0.9×1.2×0.3×0.2=0.06kN/mp=0.9×1.4×Q1k=0.9×1.4×2.5=3.15kNM2=max[0.077q2L2+0.21pL,0.107q2L2+0.181pL]=max[0.077×0.06×0.92+0.21×3.15×0.9,0.107×0.06×0.92+0.181×3.15×0.9]=0.6kN〃mM3=max[q1L12/2,q2L12/2+pL1]=max[1.35×0.22/2,0.06×0.22/2+3.15×0.2]=0.63kN〃mM max=max[M1,M2,M3]=max[0.12,0.6,0.63]=0.63kN〃m σ=M max/W=0.63×106/64000=9.86N/mm2≤[f]=15.44N/mm2满足要求!2、抗剪验算V1=0.607q1静L+0.62q1活L=0.607×0.72×0.9+0.62×0.63×0.9=0.74kNV2=0.607q2L+0.681p=0.607×0.06×0.9+0.681×3.15=2.18kN V3=max[q1L1,q2L1+p]=max[1.35×0.2,0.06×0.2+3.15]=3.16kN V max=max[V1,V2,V3]=max[0.74,2.18,3.16]=3.16kN τmax=3V max/(2bh0)=3×3.16×1000/(2×80×60)=0.99N/mm2≤[τ]=1.78N/mm2满足要求!3、挠度验算q=(G1k+(G3k+G2k)×h)×b=(0.3+(24+1.1)×0.12)×0.2=0.66kN/m 跨中νmax=0.632qL4/(100EI)=0.632×0.66×9004/(100×9350×2560000)=0.11mm≤[ν]=l/400=900/400=2.25mm悬臂端νmax=qL4/(8EI)=0.66×2004/(8×9350×2560000)=0.01mm ≤[ν]=l1/400=200/400=0.5mm满足要求!六、主梁验算Q1k=1.5kN/m2q1=0.9max[1.2(G1k+ (G3k+G2k)×h)+1.4Q1k,1.35(G1k+(G3k+G2k)×h)+1.4×0.7Q1k]×b=0.9max[1.2×(0.5+(1.1+24)×0.12)+1.4×1.5,1.35×(0.5+(1.1+24)×0.12)+1.4×0.7×1.5]×0.2=1.14kN/mq1静=0.9×1.2(G1k+ (G3k+G2k)×h)×b=0.9×1.2×(0.5+(1.1+24)×0.12)×0.2=0.76kN/mq1活=0.9×1.4×Q1k×b=0.9×1.4×1.5×0.2=0.38kN/mq2=(G1k+ (G3k+G2k)×h)×b=(0.5+(1.1+24)×0.12)×0.2=0.7kN/m承载能力极限状态按四跨连续梁,R max=(1.143q1静+1.223q1活)L=1.143×0.76×0.9+1.223×0.38×0.9=1.2kN按悬臂梁,R1=q1l=1.14×0.2=0.23kNR=max[R max,R1]=1.2kN;正常使用极限状态按四跨连续梁,R max=1.143q2L=1.143×0.7×0.9=0.72kN 按悬臂梁,R1=q2l=0.7×0.2=0.14kNR=max[R max,R1]=0.72kN;2、抗弯验算计算简图如下:主梁弯矩图(kN〃m)M max=0.45kN〃mσ=M max/W=0.45×106/5080=88.69N/mm2≤[f]=205N/mm2满足要求!3、抗剪验算主梁剪力图(kN)V max=2.9kNτmax=2V max/A=2×2.9×1000/489=11.85N/mm2≤[τ]=125N/mm2 满足要求!4、挠度验算主梁变形图(mm)νmax=0.37mm跨中νmax=0.37mm≤[ν]=900/400=2.25mm悬挑段νmax=0.1mm≤[ν]=200/400=0.5mm满足要求!七、立柱验算立杆稳定性计算依据《建筑施工扣件式钢管脚手架安全技术规范》JGJ130-2011剪刀撑设置加强型立杆顶部步距h d(mm) 1500 立杆伸出顶层水平杆中心线至支撑点的长度a(mm)200顶部立杆计算长度系数μ1 1.386 非顶部立杆计算长度系数μ21.755钢管类型Ф48×3 立柱截面面积A(mm2) 424立柱截面回转半径i(mm)15.9 立柱截面抵抗矩W(cm3) 4.49抗压强度设计值[f](N/mm2)2051、长细比验算顶部立杆段:l01=kμ1(h d+2a)=1×1.386×(1500+2×200)=2633.4mm 非顶部立杆段:l02=kμ2h =1×1.755×1800=3159mmλ=l0/i=3159/15.9=198.68≤[λ]=210长细比满足要求!2、立柱稳定性验算顶部立杆段:l01=kμ1(h d+2a)=1.155×1.386×(1500+2×200)=3041.577mmλ1=l01/i=3041.577/15.9=191.294,查表得,φ1=0.197 M w=0.92×1.4ωk l a h2/10=0.92×1.4×0.18×0.9×1.82/10=0.06kN〃mN w=0.9[1.2ΣN Gik+0.9×1.4Σ(N Qik+M w/l b)]=0.9×[1.2×(0.5+(24+1.1)×0.12)+0.9×1.4×1]×0.9×0.9+0.92×1.4×0.06/0.9=4.07kNf= N w/(φA)+ M w/W=4065.83/(0.2×424)+0.06×106/4490=61.93N/mm2≤[f]=205N/mm2满足要求!非顶部立杆段:l02=kμ2h =1.155×1.755×1800=3648.645mm λ2=l02/i=3648.645/15.9=229.475,查表得,φ2=0.139 非顶部立杆段:l02=kμ2h =1.155×1.755×1800=3648.645mm λ2=l02/i=3648.645/15.9=229.475,查表得,φ2=0.139 M w=0.92×1.4ωk l a h2/10=0.92×1.4×0.18×0.9×1.82/10=0.06kN〃mN w=0.9[1.2ΣN Gik+0.9×1.4Σ(N Qik+M w/l b)]=0.9×[1.2×(0.75+(24+1.1)×0.12)+0.9×1.4×1]×0.9×0.9+0.92×1.4×0.06/0.9=4.28kNf= N w/(φA)+ M w/W=4284.53/(0.14×424)+0.06×106/4490=85.95N/mm2≤[f]=205N/mm2满足要求!八、可调托座验算满足要求!九、立柱地基基础验算f 42.85kPa≤f ak=70kPa满足要求!。
120mm厚板模板支架高18.35m计算书目录一、编制依据 (1)二、工程参数 (1)三、模板面板验算 (2)四、次楞方木验算 (4)五、主楞验算 (5)六、可调托撑承载力验算 (7)七、风荷载计算 (8)八、立杆稳定性验算 (9)九、支撑结构地基承载力验算 (11)十、架体抗倾覆验算 (11)一、编制依据1、工程施工图纸及现场概况2、《建筑施工脚手架安全技术统一标准》GB51210-20163、《建筑施工临时支撑结构技术规范》JGJ300-20134、《混凝土结构工程施工规范》GB50666-20115、《建筑施工扣件式钢管脚手架安全技术规范》JGJ130-20116、《建筑施工模板安全技术规范》JGJ162-20087、《建筑结构荷载规范》GB50009-20128、《混凝土结构设计规范》GB50010-20109、《钢结构设计规范》GB50017-200310、《冷弯薄壁型钢结构技术规范》GB50018-200211、《木结构设计规范》GB50005-200312、《混凝土模板用胶合板》GB/T17656-200813、《危险性较大的分部分项工程安全管理办法》建质[2009]87号14、《建设工程高大模板支撑系统施工安全监督管理导则》建质[2009]254 号二、工程参数三、模板面板验算面板采用木胶合板,厚度为12mm ,取主楞间距0.9m的面板作为计算宽度。
面板的截面抵抗矩W= 900×12×12/6=21600mm3;截面惯性矩I= 900×12×12×12/12=129600mm4;(一)强度验算1、面板按三跨连续梁计算,其计算跨度取支承面板的次楞间距,L=0.3m。
2、荷载计算取均布荷载或集中荷载两种作用效应考虑,计算结果取其大值。
均布线荷载设计值为:q1=[1.2×(24×0.12+1.1×0.12+0.3)+1.4×2.5]×0.9=6.727kN/mq1=[1.35×(24×0.12+1.1×0.12+0.3)+1.4×0.7×2.5]×0.9= 6.229kN/m根据以上两者比较应取q1= 6.727kN/m作为设计依据。
模板方木系数篇一:模板设计参数表模板设计参数表篇二:模板计算书附件1:模板计算书120厚板模板(钢管支撑)计算书一、基本搭设参数模板支架高H为5.0m,立杆步距纵横间距取1.2m,横杆步距取1.5m。
立杆伸出顶层横向水平杆中心线至模板支撑点的自由长度a取0.5m。
模板底部的方木,截面宽50mm,高80mm,布设间距0.25m。
模板采用12mm 多层板。
二、材料及荷载取值说明模板支架承受的荷载包括模板及支架自重、新浇混凝土自重、钢筋自重,以及施工人员及设备荷载、振捣混凝土时产生的荷载等。
三、板模板支架的强度、刚度及稳定性验算(一)板底模板的强度和刚度验算模板按三跨连续梁计算,如图所示:(1)荷载计算,按单位宽度折算为线荷载。
此时,模板的截面抵抗矩为:w=1000×122/6=3.75×104mm3;模板自重标准值:x1=0.3×1 =0.3kN/m;新浇混凝土自重标准值:x2=0.12×24×1 =4.32kN/m;板中钢筋自重标准值:x3=0.12×1.1×1 =0.198kN/m;施工人员及设备活荷载标准值:x4=1×1 =1kN/m;振捣混凝土时产生的荷载标准值:x5=2×1=2kN/m。
以上1、2、3项为恒载,取分项系数1.35,4、5项为活载,取分项系数1.4,则底模的荷载设计值为:g1=(x1+x2+x3)×1.35=(0.3+4.32+0.198)×1.35=6.504kN/m;q1 =(x4+x5)×1.4=(1+2)×1.4 =4.2kN/m;对荷载分布进行最不利布置,最大弯矩取跨中弯矩和支座弯矩的较大值。
跨中最大弯矩计算简图跨中最大弯矩计算公式如下: M1max = 0.08g1lc2+0.1q1lc2 =0.08×6.504×0.252+0.1×4.2×0.252=0.059kN·m支座最大弯矩计算简图支座最大弯矩计算公式如下:M2max= -0.1g1lc2-0.117q1lc2= -0.1×6.504×0.252-0.117×4.2×0.252= -0.071kN·m;经比较可知,荷载按照图2进行组合,产生的支座弯矩最大。
工程名称:一号总装车间120厚楼板模板扣件钢管高支撑架计算书高支撑架的计算参照《建筑施工扣件式钢管脚手架安全技术规范》(JGJ130-2001)、《钢管扣件水平模板的支撑系统安全技术规程》(DG/TJ08-016-2004 J10374-2004)。
支撑高度在4米以上的模板支架被称为钢管高支撑架,对于高支撑架的计算规范存在重要疏漏,使计算极容易出现不能完全确保安全的计算结果。
本计算书还参照《施工技术》2002.3《扣件式钢管模板高支撑架设计和使用安全》,供脚手架设计人员参考。
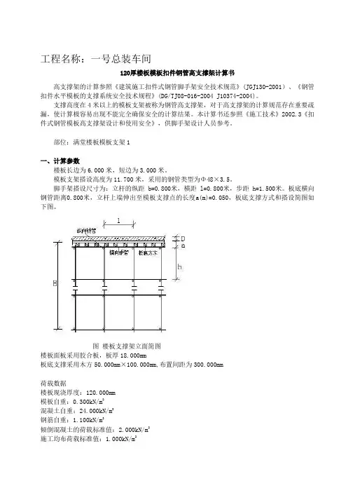
部位:满堂楼板模板支架1一、计算参数楼板长边为6.000米,短边为3.000米。
模板支架搭设高度为11.700米,采用的钢管类型为Φ48×3.5。
脚手架搭设尺寸为:立杆的纵距 b=0.800米,横距 l=0.800米,步距 h=1.500米。
板底横向钢管距离0.800米,立杆上端伸出至模板支撑点的长度a(m)=0.050,板底支撑方式和搭设简图如下图。
图楼板支撑架立面简图楼板面板采用胶合板,板厚18.000mm板底支撑采用木方50.000mm×100.000mm,布置间距为300.000mm荷载数据楼板现浇厚度:120.000mm模板自重:0.300kN/m2混凝土自重:24.000kN/m3钢筋自重:1.100kN/m3倾倒混凝土的荷载标准值:2.000kN/m2施工均布荷载标准值:1.000kN/m2本楼板支架为高模板支架,建议进行整体稳定分析强度折减系数:钢管强度折减系数:1.000扣件抗滑承载力系数:1.000三、模板计算1、模板面板计算模板面板的按照三跨连续梁计算。
静荷载标准值 q1 =2.650kN/m活荷载标准值 q2 =2.400kN/m面板的截面惯性矩I和截面抵抗矩W分别为:W =43200.000mm3;I =388800.000mm4;(1)抗弯强度计算f = M / W < [f]其中 f ——面板的抗弯强度计算值(N/mm);M ——面板的最大弯距(N.mm);W ——面板的净截面抵抗矩;[f] ——面板的抗弯强度设计值,取15.000N/mm;M = 0.100ql其中 q ——荷载设计值(kN/m);经计算得到 M =0.059kN.m经计算得到面板抗弯强度计算值 f =58855.690/43200.000=1.362N/mm 面板的抗弯强度验算 f≤[f],满足要求!(2)抗剪计算 [可以不计算]T = 3Q/2bh < [T]其中最大剪力 Q =1.177kN截面抗剪强度计算值 T =0.123N/mm截面抗剪强度设计值 [T] =1.400N/mm抗剪强度验算 T≤[T],满足要求!(3)挠度计算v = 0.677ql / 100EI < [v] = 300.000/150面板最大挠度计算值 v =0.117mm面板的最大挠度小于等于300.000/150,满足要求!2、模板支撑木方的计算1).荷载的计算静荷载 q1 =0.30×0.30+25.10×120.00/1000×0.30=0.994kN/m活荷载计算施工荷载标准值+振捣混凝土时产生的荷载(kN/m):活荷载 q2 =2.00×0.30+1.00×0.30=0.900kN/m2).木方的计算按照三跨连续梁计算,最大弯矩考虑为静荷载与活荷载的计算值最不利分配的弯矩和。
110厚现浇混凝土楼板扣件钢管楼板模板支架计算书支架的计算参照《建筑施工扣件式钢管脚手架安全技术规范》(JGJ130-2001)、《钢管扣件水平模板的支撑系统安全技术规程》(DG/TJ08-016-2004 J10374-2004)。
一、计算参数楼板长边为4.200米,短边为3.500米。
模板支架搭设高度为2.900米,采用的钢管类型为Φ48×3.5。
脚手架搭设尺寸为:立杆的纵距 b=0.850米,横距 l=0.850米,步距 h=1.800米。
板底横向钢管距离0.850米,板底支撑方式和搭设简图如下图。
图楼板支撑架立面简图楼板面板采用胶合板,板厚18.000mm板底支撑采用木方50.000mm×100.000mm,布置间距为400.000mm二、模板计算1、模板面板计算模板面板的按照三跨连续梁计算。
静荷载标准值 q1 =2.815kN/m活荷载标准值 q2 =2.550kN/m面板的截面惯性矩I和截面抵抗矩W分别为:W =45900.000mm3;I =413100.000mm4;(1)抗弯强度计算f = M / W < [f]其中 f ——面板的抗弯强度计算值(N/mm2);M ——面板的最大弯距(N.mm);W ——面板的净截面抵抗矩;[f] ——面板的抗弯强度设计值,取15.000N/mm2;M = 0.100ql2其中 q ——荷载设计值(kN/m);经计算得到 M =0.117kN.m经计算得到面板抗弯强度计算值 f =117000.300/45900.000=2.549N/mm2面板的抗弯强度验算 f≤[f],满足要求!(2)抗剪计算 [可以不计算]T = 3Q/2bh < [T]其中最大剪力 Q =1.751kN截面抗剪强度计算值 T =0.172N/mm2截面抗剪强度设计值 [T] =1.400N/mm2抗剪强度验算 T≤[T],满足要求!(3)挠度计算v = 0.677ql4 / 100EI < [v] = 400.000/150面板最大挠度计算值 v =0.389mm面板的最大挠度小于等于400.000/150,满足要求!2、模板支撑木方的计算1).荷载的计算静荷载 q1 =0.30×0.40+25.10×120.00/1000×0.40=1.325kN/m活荷载计算施工荷载标准值+振捣混凝土时产生的荷载(kN/m):活荷载 q2 =2.00×0.40+1.00×0.40=1.200kN/m2).木方的计算按照三跨连续梁计算,最大弯矩考虑为静荷载与活荷载的计算值最不利分配的弯矩和。
120板模板(扣件式)计算书一、工程概况新浇混凝土板特性地下室顶板120板新浇混凝土楼板厚度(mm) 120模板支架高度H(m) 2.97 模板支架的纵向长度La(m) 30模板支架的横向长度Lb(m) 15二、模板支撑体系设计立杆纵向间距l a(mm) 950 立杆横向间距l b(mm) 950纵横向水平杆步距h(mm) 1800 次楞布置方式平行于立杆纵向方向次楞间距s(mm) 475 立杆间次楞根数 3荷载传递至立杆方式双扣件扣件抗滑承载力设计值折减系数 150立杆伸出顶层横向水平杆中心线至模板支撑点的长度a(mm)设计简图如下:模板设计平面图模板设计纵向剖面图模板设计横向剖面图三、荷载设计W=bh2/6=1000×152/6=37500mm3,I=bh3/12=1000×153/12=281250mm4q=γGΣq Gk+1.4Σq Qk=1.2×[0.3+(24+1.1)×0.12]×1.0+1.4×(1+2)×1.0=8.174kN/m1、抗弯验算M max =0.1ql 2=0.1×8.174×0.4752=0.184kN·m σmax =M max /W=0.184×106/37500=4.918N/mm 2≤f m =15N/mm 2 符合要求! 2、抗剪验算 Q max =0.6ql=0.6×8.174×0.475=2.33kN τmax =3Q max /(2bh)=3×2.33×103/(2×1000×15)=0.233N/mm 2≤f v =1.4N/mm 2 符合要求! 3、挠度验算νmax =0.677ql 4/(100EI)=0.677×8.174×4754/(100×6000×281250)=1.669mm νmax =1.669mm≤[ν]=min[l/150,10]=min[475/150,10]=3.167mm 符合要求!五、次楞验算次楞验算方式 二等跨连续梁 次楞材质类型 方木 次楞材料规格(mm)60×80 次楞材料自重(kN/m)0.024 次楞抗弯强度设计值f m (N/mm 2) 13 次楞抗剪强度设计值f v (N/mm 2) 1.3 次楞截面抵抗矩W(cm 3) 64 次楞截面惯性矩I(cm 4)256次楞弹性模量E(N/mm 2)9000计算简图如下:q=γG Σq Gk +1.4Σq Qk =1.2×[(0.3+(24+1.1)×0.12)×0.475+0.024]+1.4×(1+2)×0.475=3.912kN /m1、强度验算M max =0.125ql 2=0.125×3.912×0.952=0.441kN·mσmax =M max /W=0.441×106/64000=6.895N/mm 2≤f m =13N/mm 2 符合要求! 2、抗剪验算Q max =0.625ql=0.625×3.912×0.95=2.323kN τmax =3Q max /(2bh 0)=3×2.323×1000/(2×60×80)=0.726N/mm 2 τmax =0.726N/mm 2≤f v =1.3N/mm 2 符合要求! 3、挠度验算νmax=0.521ql4/(100EI)=0.521×3.912×9504/(100×9000×2560000)=0.72mm νmax=0.72mm≤[ν]=min[l/150,10]=min[950/150,10]=6.333mm符合要求!4、支座反力计算R max=1.25ql=1.25×3.912×0.95=4.645kN六、主楞(横向水平钢管)验算主楞弯矩图(kN·m)主楞剪力图(kN)主楞变形图(mm)计算简图支座反力依次为R1=6.111kN,R2=11.079kN,R3=6.111kN1、强度验算σmax=M max/W=0.832×106/4490=185.287N/mm2≤f m=205N/mm2符合要求!2、抗剪验算τmax=2Q max/A=2×3.217×1000/424=15.176N/mm2τmax=15.176N/mm2≤f v=125N/mm2符合要求!3、挠度验算νmax=1.678mm≤[ν]=min[l/150,10]=min[950/150,10]=6.333mm 符合要求!max1231.05×R max=1.05×11.079=11.633kN,11.633kN≤1×12.0=12kN在扭矩达到40~65N·m的情况下,双扣件能满足要求!七、立杆验算h/l a=1800/950=1.895,h/l b=1800/950=1.895,查附录D,得k=1.163,μ=1.368 l0=max[kμh,h+2a]=max[1.163×1.368×1800,1800+2×50]=2864mmλ=l0/i=2864/15.9=181≤[λ]=210长细比符合要求!查《规程》附录C得υ=0.2182、风荷载验算1) 模板支架风荷载标准值计算l a=0.95m,h=1.8m,查《规程》表4.2.7得υw=0.123因风荷载沿模板支架横向作用,所以b=l a=0.95m,b/h=0.95/1.8=0.528通过插入法求η,得η=0.97μzω0d2=1×0.45×0.0482=0.001,h/d=1.8/0.048=37.5通过插入法求μs1,得μs1=1.2因此μstw=υwμs1(1-ηn)/( 1-η)=0.123×1.2×(1-0.9730)/(1-0.97)=2.947μs=υwμstw=0.123×2.947=0.362ωk=0.7μzμsω0=0.7×1×0.362×0.45=0.114kN/m22) 整体侧向力标准值计算ωk=0.7μzμsω0=0.7×1×1×0.45=0.315kN/m23、稳定性验算K H=1不组合风荷载时N ut=γG∑N Gk+1.4∑N Qk=R max+0.15γG H=11.079+0.15×1.2×2.97=11.614kNσ=1.05N ut/(υAK H)=1.05×11.614×103/(0.218×424×1)=131.932N/mm2≤[f]=205N/mm2 符合要求!组合风荷载时N ut=γG∑N Gk+0.85×1.4∑N Qk=R'max+0.15γG H=10.236+0.15×1.2×2.97=10.771kN M w=0.85×1.4ωk l a h2/10=0.85×1.4×0.114×0.95×1.82/10=0.042kN·mσ=1.05N ut/(υAK H)+M w/W=1.05×10.771×103/(0.218×424×1)+0.042×106/(4.49×103)=131.657N/mm2≤[f]=205N/mm2符合要求!F k a aN1=3FH/[(m+1)L b]=3×0.031×2.97/[(14+1)×15]=0.001kNσ=(1.05N ut+N1)/(υAK H)=(1.05×10.771+0.001)×103/(0.218×424×1)=122.367N/mm2≤[f]=205N/mm2符合要求!。
(120mm厚)扣件式钢管支架楼板模板安全计算书一、计算依据1、《建筑施工扣件式钢管脚手架安全技术规范》JGJ 130-20112、《混凝土结构设计规范》GB50010-20103、《建筑结构荷载规范》GB 50009-20124、《钢结构设计规范》GB 50017-20035、《建筑施工临时支撑结构技术规范》JGJ300-2013简图:(图1)平面图(图2)纵向剖面图1(图3)横向剖面图2三、面板验算根据规范规定面板可按简支跨计算,根据施工情况一般楼板面板均搁置在梁侧模板上,无悬挑端,故可按简支跨一种情况进行计算,取b=1m单位面板宽度为计算单元。
W=bh2/6=1000×182/6=54000mm3, I=bh3/12=1000×183/12=486000mm41、强度验算A.当可变荷载Q1k为均布荷载时:由可变荷载控制的组合:q1=1.2[G1k+(G2k+G3k)h]b+1.4Q1kb=1.2×(0.3+(24+1.1)×120/1000)×1+1.4×2.5×1=7.474kN/m由永久荷载控制的组合:q2=1.35[G1k+(G2k+G3k)h]b+1.4×0.7Q1kb=1.35×(0.3+(24+1.1)×120/1000)×1+1.4×0.7×2.5×1=6.921kN/m取最不利组合得:q=max[q1,q2]= max(7.474,6.921)=7.474kN/m(图4)可变荷载控制的受力简图1B.当可变荷载Q1k为集中荷载时:由可变荷载控制的组合:q3=1.2[G1k+(G2k+G3k)h]b=1.2×(0.3+(24+1.1)×120/1000)×1=3.974kN/m p1=1.4Q1k=1.4×2.5=3.5kN(图5)可变荷载控制的受力简图2由永久荷载控制的组合:q4=1.35[G1k+(G2k+G3k)h]b=1.35×(0.3+(24+1.1)×120/1000)×1=4.471kN/m p2=1.4×0.7Q1k=1.4×0.7×2.5=2.45kN取最不利组合得:(图6)永久荷载控制的受力简图(图7)面板弯矩图Mmax= 0.142kN·mσ=Mmax/W=0.142×106/54000=2.638N/mm2≤[f]=25N/mm2满足要求2、挠度验算qk=(G1k+(G3k+G2k)×h)×b=(0.3+(24+1.1)×120/1000)×1=3.312kN/m(图8)正常使用极限状态下的受力简图(图9)挠度图ν=0.006mm≤[ν]=150/400=0.375mm满足要求四、次梁验算当可变荷载Q1k为均布荷载时:计算简图:(图10)可变荷载控制的受力简图1由可变荷载控制的组合:q1=1.2[G1k+(G2k+G3k)h]a+1.4Q1ka=1.2×(0.3+(24+1.1)×120/1000)×150/1000+1.4×2.5×150/1000=1.121kN/m由永久荷载控制的组合:q2=1.35[G1k+(G2k+G3k)h]a+1.4×0.7Q1ka=1.35×(0.3+(24+1.1)×120/1000)×150/1000+1.4×0.7×2.5×150/1000=1.038k N/m取最不利组合得:q=max[q1,q2]= max(1.121,1.038)=1.121kN/m当可变荷载Q1k为集中荷载时:由可变荷载控制的组合:q3=1.2[G1k+(G2k+G3k)h]a=1.2×(0.3+(24+1.1)×120/1000)×150/1000=0.596kN/ mp1=1.4Q1k=1.4×2.5=3.5kN(图11)可变荷载控制的受力简图2由永久荷载控制的组合:q4=1.35[G1k+(G2k+G3k)h]a=1.352×(0.3+(24+1.1)×120/1000)×150/1000=0.672 kN/mp2=1.4×0.7Q1k=1.4×0.7×2.5=2.45kN(图12)永久荷载控制的受力简图1、强度验算(图13)次梁弯矩图(kN·m)Mmax= 0.544k N·mσ=Mmax/W=0.544×106/(83.333×103)=6.529N/mm2≤[f]=13N/mm2满足要求2、抗剪验算(图14)次梁剪力图(kN)Vmax= 3.589kNτmax=VmaxS/(Ib0)=3.589×103×62.5×103/(416.667×104×5×10)=1.077N/mm2≤[τ]= 1.4N/mm2满足要求3、挠度验算挠度验算荷载统计,qk=(G1k+(G3k+G2k)×h)×a=(0.3+(24+1.1)×120/1000)×150/1000=0.497kN/m(图15)正常使用极限状态下的受力简图(图16)次梁变形图(mm)νmax=0.117mm≤[ν]=1.1×1000/400=2.75 mm满足要求五、主梁验算在施工过程中使用的木方一般为4m长,型钢的主梁也不超过4m,简化为四跨连续梁计算,即能满足施工安全需要,也符合工程实际的情况。
120厚楼面模板支撑计算书(10.7m)工程名称:编制单位:1.计算参数结构板厚180mm,层高13.0010.7m,结构表面考虑隐蔽;模板材料为:夹板底模厚度18mm;木材弹性模量E=9000N/mm2,抗弯强度f m=13.00N/mm2,顺纹抗剪强度f v=1.40N/mm2 ;支撑采用Φ48×3.0mm钢管:横向间距900mm,纵向间距900mm,支撑立杆的步距h=1.50m;钢管直径48mm,壁厚 3.0mm,截面积 4.24cm2,回转半径i=1.59cm;钢材弹性模量E=206000N/mm2,抗弯强度f=205.00N/mm2,抗剪强度f v=125.00N/mm2。
2.楼板底模验算(1)底模及支架荷载计算荷载类型标准值单位计算宽度(m) 板厚(m) 系数设计值①底模自重 0.30 kN/m2× 1.0 × 1.2 = 0.36 kN/m②砼自重 24.00 kN/m3× 1.0 × 0.12 × 1.2 = 5.183.46 kN/m③钢筋荷载 1.10 kN/m3× 1.0 × 0.12 × 1.2 = 0.240.16 kN/m④施工人员及施工设备荷载 2.50 kN/m2× 1.0 × 1.4 = 3.50 kN/m底模和支架承载力计算组合①+②+③+④ q1 = 9.287.48 kN/m底模和龙骨挠度验算计算组合(①+②+③) q2 = 5.783.98 kN/m(2)楼板底模板验算第一层龙骨间距L=350mm,计算跨数5跨。
底模厚度18mm,板模宽度=1000mm;W=bh2 /6=1000×182/6=54000mm3,I=bh3/12=1000×183/12=486000mm4。
1)内力及挠度计算a.①+②+③+④荷载支座弯矩系数K M=-0.105M1=K M q1L2 =-0.105×9.287.48×3502=-96211119364N.mm剪力系数K V=0.606V1=K V q1L=0.606×9.287.48×350=15871968Nb.①+②+③荷载支座弯矩系数K M=-0.105M2=K M q2L2 =-0.105×5.783.98×3502=-5119374345N.mm跨中弯矩系数K M=0.078M3=K M q2L2 =0.078×5.783.98×3502=3802955228N.mm剪力系数K V=0.606V2=K V q2L=0.606×5.783.98×350=8441226N挠度系数Kυ=0.644υ2=Kυq2L4/(100EI)=0.644×(5.783.98/1.2)×3504/(100×9000×486000)=0.080.11mmC施工人员及施工设备荷载按2.50kN(按作用在边跨跨中计算)计算荷载P=1.4×2.50=3.50kN ,计算简图如下图所示。
120mm厚板模板计算书(盘扣式)计算依据:1、《建筑施工模板安全技术规范》JGJ162-20082、《建筑施工承插盘扣式钢管支架安全技术规范》JGJ 231-20103、《混凝土结构设计规范》GB50010-20104、《建筑结构荷载规范》GB 50009-20125、《钢结构设计规范》GB 50017-2003一、工程属性二、荷载设计三、模板体系设计平面图纵向剖面图横向剖面图四、面板验算按四等跨梁,取1m单位宽度计算。
计算简图如下:W=bt2/6=1000×122/6=24000mm4I=bt3/12=1000×123/12=144000mm3承载能力极限状态q1=γG b(G1k+(G2k+G3k)h0)+γQ bQ1k=1.2×1×(0.1+(24+1.1) ×0.12)+1.4×1×3=7.934kN/m q1静=γG b(G1k+(G2k+G3k)h0)=1.2×1×(0.1+(24+1.1) ×0.12)=3.734kN/mq1活=γQ bQ1k=1.4×1×3=4.2kN/m正常使用极限状态q=γG b(G1k+(G2k+G3k)h0)+γQ bQ1k=1×1×(0.1+(24+1.1) ×0.12)+1×1×3=6.112kN/m1、强度验算M max=0.107q1静l2+0.121q1活l2=0.107×3.734×0.22+0.121×3.734×0.22=0.036kN·mσ=M max/W=0.036×106/(24000×103)=1.5N/mm2≤[f]=29N/mm2满足要求!2、挠度验算νmax=0.632ql4/(100EI)=0.632×6.112×2004/(100×9000×144000)=0.048mmνmax=0.048 mm≤min{200/150,10}=1.333mm满足要求!五、小梁验算承载能力极限状态q1=γG l(G1k+(G2k+G3k)h0)+γQ lQ1k=1.2×0.2×(0.3+(24+1.1) ×0.12)+1.4×0.2×3=1.635kN/m 正常使用极限状态q=γG l(G1k+(G2k+G3k)h0)+γQ lQ1k=1×0.2×(0.3+(24+1.1) ×0.12)+1×0.2×3=1.262kN/m按四等跨梁连续梁计算,又因小梁较大悬挑长度为100mm,因此需进行最不利组合,计算简图如下:1、强度验算σ=M max/W=0.251×106/64000=3.922N/mm2≤[f]=12.87N/mm2满足要求!2、抗剪验算V max=1.186kNτmax=3V max/(2bh0) =3×1.186×1000/(2×60×80)=0.371N/mm2≤[τ]=1.386N/mm2 满足要求!3、挠度验算νmax=0.763mm≤[ν]=min[l a/150,10]=min[1200/150,10]=8mm满足要求!4、支座反力承载能力极限状态R1=0.946kNR2=2.237kNR3=1.833kNR4=2.237kNR5=0.946kN正常使用极限状态R1ˊ=0.727kNR2ˊ=1.719kNR3ˊ=1.409kNR4ˊ=1.719kNR5ˊ=0.727kN六、主梁验算取上面计算中的小梁最大支座反力承载能力极限状态R=max[R1,R2,R3,R4,R5]/2=max[0.946,2.237,1.833,2.237,0.946]/2=1.1185kN 正常使用极限状态Rˊ=max[R1ˊ,R2ˊ,R3ˊ,R4ˊ,R5ˊ]/2=max[0.727,1.719,1.409,1.719,0.727]/2=0.8595kN 计算简图如下:1、抗弯验算σ=M max/W=0.843×106/4490=187.751N/mm2≤[f]=205N/mm2 满足要求!2、抗剪验算V max=3.965kNτmax=2V max/A=2×3.965×1000/424=18.703N/mm2≤[τ]=125N/mm2 满足要求!3、挠度验算νmax=2.35mm≤[ν]=min[l a/150,10]=min[1200/150,10] =8mm 满足要求!七、立柱验算1、长细比验算l01=hˊ+2ka=1500+2×0.7×330=1962mml02=ηh=1.2×1500=1800mm取两值中的大值l0=1962mmλ=l0/i=1962/15.9=123.396≤[λ]=150长细比满足要求!2、立柱稳定性验算不考虑风荷载顶部立杆段:λ1=l01/i=1962/15.9=123.396查表得,φ=0.332N1=[γG(G1k+(G2k+G3k)h0)+γQ Q1k]l a l b=[1.2×(0.5+(24+1.1)×0.12)+1.4×3]×1.2×1.2=12.117kN f=N1/(φ1A)=12.117×103/(0.332×450)=81.104N/mm2≤[σ]=300N/mm2满足要求!非顶部立杆段:λ2=l02/i=1800/15.9=113.208查表得,φ=0.386N2=[γG(G1k+(G2k+G3k)h0)+γQ Q1k]l a l b=[1.2×(1.05+(24+1.1)×0.12)+1.4×3]×1.2×1.2=13.067kN f=N2/(φ2A)=13.067×103/(0.386×450)=75.227N/mm2≤[σ]=300N/mm2满足要求!考虑风荷载M w=ψc×γQωk l a h2/10=0.9×1.4×0.24×1.2×1.52/10=0.068kN·m顶部立杆段:N1w=[γG(G1k+(G2k+G3k)h0)+ψc×γQQ1k]l a l b+ψc×γQ M w/l b=[1.2×(0.5+(24+1.1)×0.12)+0.9×1.4×3]×1.2×1.2+0.9×1.4×0.068/1.2=11. 583kNf=N1w/(φ1A)+M w/W=11.583×103/(0.332×450)+0.068×106/4730=91.906N/mm2≤[σ]=300N/m m2满足要求!非顶部立杆段:N2w=[γG(G1k+(G2k+G3k)h0)+ψc×γQQ1k]l a l b+ψc×γQ M w/l b=[1.2×(1.05+(24+1.1)×0.12)+0.9×1.4×3]×1.2×1.2+0.9×1.4×0.068/1.2=1 2.534kNf=N2w/(φ2A)+M w/W=12.534×103/(0.386×450)+0.068×106/4730=86.535N/mm2≤[σ]=300N/m m2满足要求!八、可调托座验算按上节计算可知,可调托座受力N =12.117kN≤[N]=40kN满足要求!九、抗倾覆验算混凝土浇筑前,倾覆力矩主要由风荷载产生,抗倾覆力矩主要由模板及支架自重产生M T=ψc×γQ(ωk L a Hh2+Q3k L a h1)=0.9×1.4×(0.2×39×5.5×6+0.55×39×4)=432.432kN.mM R=γG G1k L a L b2/2=1.35×1.05×39×392/2=42042.341kN.mM T=432.432kN.m≤M R=42042.341kN.m满足要求!混凝土浇筑时,倾覆力矩主要由泵送、倾倒混凝土等因素产生的水平荷载产生,抗倾覆力矩主要由钢筋、混凝土、模板及支架自重产生M T=ψc×γQ(Q2k L a H+Q3k L a h1)=0.9×1.4×(0.25×39×5.5+0.55×39×4)=175.676kN.mM R=γG[G1k+(G2k+G3k)h0]L a L b2/2=1.35×[1.05+(24+1.1)×0.12]×39×392/2=162643.8kN.m M T=175.676kN.m≤M R=162643.8kN.m满足要求!十、立杆基础底面的平均压力应满足下式的要求:Pk = Nk/A ≤fg式中:Pk ——立杆基础底面处的平均压力标准值(kPa);Nk ——上部结构传至立杆基础顶面的轴向力标准值(kN);A——基础底面面积(m2);fg——地基承载力特征值(kPa),应按国家现行标准《建筑地基基础设计规范》GB50007规定采用。
板模板(扣件钢管架支撑)计算书本计算书依据《建筑施工模板安全技术规范》(JGJ162-2008)、《建筑施工计算手册》江正荣著、《建筑结构荷载规范》(GB 50009-2001)、《混凝土结构设计规范》(GB50010-2002)、《钢结构设计规范》(GB 50017-2003)等规范编制。
板段:B1。
模板支撑体系剖面图计算直接支承小梁的主梁时取1.5kN/m2;计算支架立柱等支承结构构件时取1kN/m2;3.板底模板参数搭设形式为:2层梁顶托承重;(一) 面板参数面板采用克隆(平行方向)12mm厚覆面木胶合板;厚度:12mm;抗弯设计值fm:31N/mm2;弹性模量E:11500N/mm2;(二) 第一层支撑梁参数材料:1根50×100矩形木楞;间距:300mm;木材品种:太平洋海岸黄柏;弹性模量E:10000N/mm2;抗压强度设计值fc:13N/mm2;抗弯强度设计值fm:15N/mm2;抗剪强度设计值fv:1.6N/mm2;(三) 第二层支撑梁参数材料:1根100×100矩形木楞;木材品种:太平洋海岸黄柏;弹性模量E:10000N/mm2;抗压强度设计值fc:13N/mm2;抗弯强度设计值fm:15N/mm2;抗剪强度设计值fv:1.6N/mm2;4.地基参数模板支架放置在地面上,地基土类型为:碎石土;地基承载力标准值:650kPa;立杆基础底面面积:0.25m2;地基承载力调整系数:0.8。
二、模板面板计算面板为受弯结构,需要验算其抗弯强度和刚度。
根据《模板规范(JGJ162-2008)》第5.2.1条规定,面板按照简支跨计算。
这里取面板的计算宽度为1.000m。
面板的截面惯性矩I和截面抵抗矩W分别为:I = 1000×123/12= 1.440×105mm4;W = 1000×122/6 = 2.400×104mm3;1.荷载计算及组合模板自重标准值G=0.3×1.000=0.300 kN/m;1k=24×1.000×0.22=5.280 kN/m;新浇筑砼自重标准值G2k=1.1×1.000×0.22=0.242 kN/m;钢筋自重标准值G3k永久荷载标准值G= 0.300+ 5.280+ 0.242=5.822 kN/m;k=2.5×1.000=2.500 kN/m;施工人员及设备荷载标准值Q1k计算模板面板时用集中活荷载进行验算P=2.5 kN;(1) 计算挠度采用标准组合:q=5.822kN/m;(2) 计算弯矩采用基本组合:A 永久荷载和均布活荷载组合q=max(q1,q2)=9.438kN/m;由可变荷载效应控制的组合:q1=0.9×(1.2×5.822+1.4×2.500) =9.438kN/m;由永久荷载效应控制的组合:q2=0.9×(1.35×5.822+1.4×0.7×2.500) =9.279kN/m;B 永久荷载和集中活荷载组合由可变荷载效应控制的组合:q1=0.9×1.2×5.822=6.288kN/m;P1=0.9×1.4×2.5=3.150kN;由永久荷载效应控制的组合:q2=0.9×1.35×5.822 =7.074kN/m;P2=0.9×1.4×0.7×2.5 =2.205kN;2.面板抗弯强度验算σ= M/W < [f]其中:W -- 面板的截面抵抗矩,W =2.400×104mm3;M -- 面板的最大弯矩(N·mm) M=max(Ma,Mb1,Mb2)=0.307kN·m; Ma=0.125q×l2=0.125×9.438×0.32 =0.106kN·m;Mb1=0.125q1×l2+0.25P1×l=0.125×6.288×0.32+0.25×3.150×0.3 =0.307kN·m;Mb2=0.125q2×l2+0.25P2×l=0.125×7.074×0.32+0.25×2.205×0.3 =0.245N·mm;经计算得到,面板的受弯应力计算值: σ = 0.307×106/2.400×104=12.791N/mm2;实际弯曲应力计算值σ =12.791N/mm2小于抗弯强度设计值[f] =31N/mm2,满足要求!2.面板挠度验算ν =5ql4/(384EI)≤[ν]其中:q--作用在模板上的压力线荷载:q = 5.822kN/m;l-面板计算跨度: l =300mm;E--面板材质的弹性模量: E = 11500N/mm2;I--截面惯性矩: I =1.440×105mm4;[ν] -容许挠度: 结构表面隐藏[ν]=l/250=1.200mm;面板的最大挠度计算值: ν= 5×5.822×3004/(384×11500×1.440×105)=0.371mm;实际最大挠度计算值: ν=0.371mm小于最大允许挠度值:[ν] =1.200mm,满足要求!三、板底支撑梁的计算1.第一层支撑梁的计算支撑梁采用1根50×100矩形木楞,间距300mm。
扣件式板模板支撑计算书(高支模) 计算依据:1、《建筑施工模板安全技术规》JGJ162-20082、《建筑施工扣件式钢管脚手架安全技术规》JGJ 130-20113、《混凝土结构设计规》GB50010-20104、《建筑结构荷载规》GB 50009-20125、《钢结构设计规》GB 50017-2003一、工程属性二、荷载设计三、模板体系设计平面图纵向剖面图横向剖面图四、面板验算面板类型覆面木胶合板厚度t(mm) 12 抗弯强度设计值f(N/mm2) 29 弹性模量E(N/mm2) 9000 计算方式四等跨梁按四等跨梁,取1m单位宽度计算。
计算简图如下:W=bt2/6=1000×122/6=24000mm4I=bt3/12=1000×123/12=144000mm3承载能力极限状态q1=γGb(G1k+(G2k+G3k)h)+γQbQ1k=1.2×1×(0.1+(24+1.1)×0.12)+1.4×1×3=7.934kN/mq1静=γGb(G1k+(G2k+G3k)h)=1.2×1×(0.1+(24+1.1) ×0.12)=3.734kN/mq1活=γQbQ1k=1.4×1×3=4.2kN/m正常使用极限状态q=γG b(G1k+(G2k+G3k)h)+γQbQ1k=1×1×(0.1+(24+1.1) ×0.12)+1×1×3=6.112kN/m1、强度验算Mmax =0.107q1静l2+0.121q1活l2=0.107×3.734×0.22+0.121×3.734×0.22=0.036kN·mσ=Mmax/W=0.036×106/(24000×103)=1.5N/mm2≤[f]=29N/mm2满足要求!2、挠度验算νmax=0.632ql4/(100EI)=0.632×6.112×2004/(100×9000×144000)=0.048mmνmax=0.048 mm≤min{200/150,10}=1.333mm满足要求!五、小梁验算承载能力极限状态q1=γGl(G1k+(G2k+G3k)h)+γQlQ1k=1.2×0.2×(0.3+(24+1.1)×0.12)+1.4×0.2×3=1.635kN/m 正常使用极限状态q=γG l(G1k+(G2k+G3k)h)+γQlQ1k=1×0.2×(0.3+(24+1.1)×0.12)+1×0.2×3=1.262kN/m按简支梁连续梁计算,又因小梁较大悬挑长度为100mm,因此需进行最不利组合,计算简图如下:1、强度验算σ=Mmax/W=0.287×106/64000=4.484N/mm2≤[f]=12.87N/mm2 满足要求!2、抗剪验算Vmax=0.984kNτmax =3Vmax/(2bh) =3×0.984×1000/(2×60×80)=0.308N/mm2≤[τ]=1.386N/mm2满足要求!3、挠度验算νmax =1.527mm≤[ν]=min[la/150,10]=min[1200/150,10]=8mm满足要求!4、支座反力承载能力极限状态R1=1.148kNR2=1.148kN正常使用极限状态R1ˊ=0.882kNR2ˊ=0.882kN六、主梁验算主梁材质及类型钢管截面类型Φ48X3截面惯性矩I(cm4) 10.78 截面抵抗矩W(cm3) 4.49 抗弯强度设计值f(N/mm2) 205 弹性模量E(N/mm2) 206000 抗剪强度设计值fv(N/mm2) 125 计算方式四等跨梁取上面计算中的小梁最大支座反力承载能力极限状态R=max[R1,R2]/2=max[1.148,1.148]/2=0.574kN正常使用极限状态Rˊ=max[R1ˊ,R2ˊ]/2=max[0.882,0.882]/2=0.441kN计算简图如下:1、抗弯验算/W=0.433×106/4490=96.437N/mm2≤[f]=205N/mm2 σ=Mmax满足要求!2、抗剪验算Vmax=2.035kNτmax =2Vmax/A=2×2.035×1000/424=9.599N/mm2≤[τ]=125N/mm2满足要求!3、挠度验算νmax =1.206mm≤[ν]=min[la/150,10]=min[1200/150,10] =8mm满足要求!七、立柱验算钢管类型(mm) Φ48X3回转半径i(mm) 15.9 抗压强度设计值[f](N/mm2) 300 立柱截面面积(mm2) 450 立柱截面抵抗矩(cm3) 4730 支架立杆计算长度修正系数η 1.2 悬臂端计算长度折减系数k 0.71、长细比验算l01=hˊ+2ka=1500+2×0.7×180=1752mml02=ηh=1.2×1500=1800mm取两值中的大值l=1800mmλ=l/i=1800/15.9=113.208≤[λ]=150长细比满足要求!2、立柱稳定性验算不考虑风荷载顶部立杆段:λ1=l01/i=1752/15.9=110.189查表得,φ=0.405N 1=[γG(G1k+(G2k+G3k)h)+γQQ1k]lalb=[1.2×(0.5+(24+1.1)×0.12)+1.4×3]×1.2×1.2=12.117kNf=N1/(φ1A)=12.117×103/(0.405×450)=66.486N/mm2≤[σ]=300N/mm2满足要求!非顶部立杆段:λ2=l02/i=1800/15.9=113.208查表得,φ=0.386N 2=[γG(G1k+(G2k+G3k)h)+γQQ1k]lalb=[1.2×(1.05+(24+1.1)×0.12)+1.4×3]×1.2×1.2=13.067kNf=N2/(φ2A)=13.067×103/(0.386×450)=75.227N/mm2≤[σ]=300N/mm2满足要求!考虑风荷载Mw =ψc×γQωklah2/10=0.9×1.4×0.24×1.2×1.52/10=0.068kN·m顶部立杆段:N1w =[γG(G1k+(G2k+G3k)h)+ψc×γQQ 1k ]lalb+ψc×γQMw/lb=[1.2×(0.5+(24+1.1)×0.12)+0.9×1.4×3]×1.2×1.2+0.9×1.4×0.068/1.2=11.583kNf=N1w /(φ1A)+Mw/W=11.583×103/(0.405×450)+0.068×106/4730=77.932N/mm2≤[σ]=300N/mm2满足要求!非顶部立杆段:N2w =[γG(G1k+(G2k+G3k)h)+ψc×γQQ 1k ]lalb+ψc×γQMw/lb=[1.2×(1.05+(24+1.1)×0.12)+0.9×1.4×3]×1.2×1.2+0.9×1.4×0.068/1.2=12.534kNf=N2w /(φ2A)+Mw/W=12.534×103/(0.386×450)+0.068×106/4730=86.535N/mm2≤[σ]=300N/mm2满足要求!八、可调托座验算按上节计算可知,可调托座受力N =12.117kN≤[N]=40kN满足要求!九、抗倾覆验算混凝土浇筑前,倾覆力矩主要由风荷载产生,抗倾覆力矩主要由模板及支架自重产生M T =ψc×γQ(ωkLaHh2+Q3kLah1)=0.9×1.4×(0.2×15.8×10×6+0.55×15.8×4)=282.694kN.mMR =γGG1kLaLb2/2=1.35×1.05×15.8×7.282/2=593.489kN.mMT =282.694kN.m≤MR=593.489kN.m满足要求!混凝土浇筑时,倾覆力矩主要由泵送、倾倒混凝土等因素产生的水平荷载产生,抗倾覆力矩主要由钢筋、混凝土、模板及支架自重产生M T =ψc×γQ(Q2kLaH+Q3kLah1)=0.9×1.4×(0.25×15.8×10+0.55×15.8×4)=93.568kN.mM R =γG[G1k+(G2k+G3k)h]LaLb2/2=1.35×[1.05+(24+1.1)×0.12]×15.8×7.282/2=2295.956kN.mMT =93.568kN.m≤MR=2295.956kN.m满足要求!十、立杆基础底面的平均压力应满足下式的要求:Pk = Nk/A ≤fg式中:Pk ——立杆基础底面处的平均压力标准值(kPa);Nk ——上部结构传至立杆基础顶面的轴向力标准值(kN);A——基础底面面积(m2);fg——地基承载力特征值(kPa),应按《建筑施工扣件式钢管脚手架安全技术规》JGJ 130-2011第5.5.2 条规定采用。
120mm厚板模板计算书一、参数信息1.模板支架参数横向间距或排距(m):1.00;纵距(m):1.00;步距(m):1.50;立杆上端伸出至模板支撑点长度(m):0.20;模板支架搭设高度(m):10.70;采用的钢管(mm):Φ48×3.2 ;板底支撑连接方式:方木支撑;立杆承重连接方式:可调托座;2.荷载参数模板与木板自重(kN/m2):0.500;混凝土与钢筋自重(kN/m3):25.500;施工均布荷载标准值(kN/m2):1.000;3.材料参数面板采用胶合面板,厚度为18mm;板底支撑采用方木;面板弹性模量E(N/mm2):9500;面板抗弯强度设计值(N/mm2):13;木方抗剪强度设计值(N/mm2):1.400;木方的间隔距离(mm):250.000;木方弹性模量E(N/mm2):9000.000;木方抗弯强度设计值(N/mm2):13.000;木方的截面宽度(mm):50.00;木方的截面高度(mm):100.00;托梁材料为:钢管(双钢管) :Ф48×3;4.楼板参数楼板的计算厚度(mm):120.00;图2 楼板支撑架荷载计算单元二、模板面板计算模板面板为受弯构件,按三跨连续梁对面板进行验算其抗弯强度和刚度 模板面板的截面惯性矩I 和截面抵抗矩W 分别为:W = 100×1.82/6 = 54 cm 3;I = 100×1.83/12 = 48.6 cm 4;模板面板的按照三跨连续梁计算。
面板计算简图1、荷载计算(1)静荷载为钢筋混凝土楼板和模板面板的自重(kN/m):q1 = 25.5×0.12×1+0.5×1 = 3.56 kN/m;(2)活荷载为施工人员及设备荷载(kN/m):q2 = 1×1= 1 kN/m;2、强度计算计算公式如下:M=0.1ql2其中:q=1.2×3.56+1.4×1= 5.672kN/m最大弯矩M=0.1×5.672×2502= 35450 N·m;面板最大应力计算值σ =M/W= 35450/54000 = 0.656 N/mm2;面板的抗弯强度设计值[f]=13 N/mm2;面板的最大应力计算值为0.656 N/mm2小于面板的抗弯强度设计值13 N/mm2,满足要求!3、挠度计算挠度计算公式为ν=0.677ql4/(100EI)≤[ν]=l/250其中q =q1=3.56kN/m面板最大挠度计算值ν = 0.677×3.56×2504/(100×9500×48.6×104)=0.02 mm;面板最大允许挠度[ν]=250/ 250=1 mm;面板的最大挠度计算值0.02 mm 小于面板的最大允许挠度 1 mm,满足要求!三、模板支撑方木的计算方木按照三跨连续梁计算,截面惯性矩I和截面抵抗矩W分别为:W=b×h2/6=5×10×10/6 = 83.33 cm3;I=b×h3/12=5×10×10×10/12 = 416.67 cm4;方木楞计算简图1.荷载的计算(1)静荷载为钢筋混凝土楼板和模板面板的自重(kN/m):q1= 25.5×0.25×0.12+0.5×0.25 = 0.89 kN/m ;(2)活荷载为施工人员及设备荷载(kN/m):q2 = 1×0.25 = 0.25 kN/m;2.强度验算计算公式如下:M=0.1ql2均布荷载q = 1.2 × q1 + 1.4 ×q2 = 1.2×0.89+1.4×0.25 = 1.418 kN/m;最大弯矩M = 0.1ql2 = 0.1×1.418×12 = 0.142 kN·m;方木最大应力计算值σ= M /W = 0.142×106/83333.33 = 1.702 N/mm2;方木的抗弯强度设计值[f]=13.000 N/mm2;方木的最大应力计算值为 1.702 N/mm2小于方木的抗弯强度设计值13 N/mm2,满足要求!3.抗剪验算截面抗剪强度必须满足:τ = 3V/2bh n< [τ]其中最大剪力: V = 0.6×1.418×1 = 0.851 kN;方木受剪应力计算值τ = 3 ×0.851×103/(2 ×50×100) = 0.255 N/mm2;方木抗剪强度设计值[τ] = 1.4 N/mm2;方木的受剪应力计算值0.255 N/mm2小于方木的抗剪强度设计值1.4 N/mm2,满足要求!4.挠度验算计算公式如下:ν=0.677ql4/(100EI)≤[ν]=l/250均布荷载q = q1 = 0.89 kN/m;最大挠度计算值ν= 0.677×0.89×10004 /(100×9000×4166666.667)= 0.161 mm;最大允许挠度[ν]=1000/ 250=4 mm;方木的最大挠度计算值0.161 mm 小于方木的最大允许挠度 4 mm,满足要求!四、托梁材料计算托梁按照集中荷载作用下的三跨连续梁计算;托梁采用:钢管(双钢管) :Ф48×3;W=10.16 cm3;I=21.56 cm4;集中荷载P取纵向板底支撑传递力,P=1.702kN;托梁计算简图托梁计算弯矩图(kN·m)托梁计算变形图(mm)托梁计算剪力图(kN) 最大弯矩M max = 0.638 kN·m ;最大变形V max = 1.013 mm ;最大支座力Q max = 7.445 kN ;最大应力σ= 638202.086/10160 = 62.815 N/mm2;托梁的抗压强度设计值[f]=205 N/mm2;托梁的最大应力计算值62.815 N/mm2小于托梁的抗压强度设计值205 N/mm2,满足要求!托梁的最大挠度为 1.013mm 小于1000/150与10 mm,满足要求!五、模板支架立杆荷载设计值(轴力)作用于模板支架的荷载包括静荷载和活荷载。
扣件式钢管脚手架计算书扣件式钢管脚手架计算书-CAL-FENGHAI.-(YICAI)-Company One1扣件式脚手架计算书计算依据:1、《建筑施工扣件式钢管脚手架安全技术规范》JGJ130-20112、《建筑结构荷载规范》GB50009-20123、《钢结构设计规范》GB50017-20034、《建筑地基基础设计规范》GB50007-2011一、脚手架参数风压高度变化系数μz(连墙件、单立杆稳定性),风荷载标准值ωk(kN/m2)(连墙件、单立杆稳定性),立面图侧面图三、横向水平杆验算纵、横向水平杆布置方式横向水平杆在上纵向水平杆上横向水平杆根数n0横杆抗弯强度设计值[f](N/mm2)205横杆截面惯性矩I(mm4)121900横杆弹性模量E(N/mm2)206000横杆截面抵抗矩W(mm3)5080纵、横向水平杆布置承载能力极限状态q=×+G kjb×l a/(n+1))+×G k×l a/(n+1)=×+×(0+1))+×2×(0+1)=m 正常使用极限状态q'=+G kjb×l a/(n+1))+G k×l a/(n+1)=+×(0+1))+2×(0+1)=m 计算简图如下:1、抗弯验算M max=max[ql b2/8,qa12/2]=max[×12/8,×2]=·mσ=M max/W=×106/5080=mm2≤[f]=205N/mm2满足要求!2、挠度验算νmax=max[5q'l b4/(384EI),q'a14/(8EI)]=max[5××10004/(384×206000×121900),×1504/(8×206000×121900)]=νmax=≤[ν]=min[l b/150,10]=min[1000/150,10]=满足要求!3、支座反力计算承载能力极限状态R max=q(l b+a1)2/(2l b)=×(1+2/(2×1)=正常使用极限状态R max'=q'(l b+a1)2/(2l b)=×(1+2/(2×1)=四、纵向水平杆验算承载能力极限状态由上节可知F1=R max=q=×=m正常使用极限状态由上节可知F1'=R max'=q'=m1、抗弯验算计算简图如下:弯矩图(kN·m)σ=M max/W=×106/5080=mm2≤[f]=205N/mm2满足要求!2、挠度验算计算简图如下:变形图(mm)νmax=≤[ν]=min[l a/150,10]=min[1500/150,10]=10mm 满足要求!3、支座反力计算承载能力极限状态R max=五、扣件抗滑承载力验算横杆与立杆连接方式单扣件扣件抗滑移折减系数横向水平杆:R max=≤R c=×8=纵向水平杆:R max=满足要求!六、荷载计算脚手架架体高度H48脚手架钢管类型Φ48×每米立杆承受结构自重标准值gk(kN/m)1、立杆承受的结构自重标准值N G1k单外立杆:N G1k=(gk+(l b+a1)×n/2×h)×H=+(1+×0/2××48=单内立杆:N G1k=2、脚手板的自重标准值N G2k1单外立杆:N G2k1=(H/h+1)×la×(l b+a1)×Gkjb×1/2/2=(48/+1)××(1+××1/2/2= 1/2表示脚手板2步1设单内立杆:N G2k1=3、栏杆与挡脚板自重标准值N G2k2单外立杆:N G2k2=(H/h+1)×la×G kdb×1/2=(48/+1)×××1/2=1/2表示挡脚板2步1设4、围护材料的自重标准值N G2k3单外立杆:N G2k3=G kmw×la×H=××48=5、构配件自重标准值N G2k总计单外立杆:N G2k=N G2k1+N G2k2+N G2k3=++=单内立杆:N G2k=N G2k1=立杆施工活荷载计算外立杆:N Q1k=la×(l b+a1)×(n zj×G kzj)/2=×(1+×(1×2)/2=内立杆:N Q1k=组合风荷载作用下单立杆轴向力:单外立杆:N=×(N G1k+ N G2k)+××N Q1k=×++ ××=单内立杆:N=×(N G1k+ N G2k)+××N Q1k=×++ ××=七、立杆稳定性验算立杆计算长度l0=Kμh=1××=长细比λ=l0/i=×103/=≤210满足要求!轴心受压构件的稳定系数计算:立杆计算长度l0=Kμh=××=长细比λ=l0/i=×103/=查《规范》表A得,φ=2、立杆稳定性验算不组合风荷载作用单立杆的轴心压力设计值N=(N G1k+N G2k)+=×++×=σ=N/(φA)=×489)=mm2>[f]=205N/mm2不满足要求,减小步距、减小立杆纵横向间距、减少施工作业层数!组合风荷载作用单立杆的轴心压力设计值N=(N G1k+N G2k)+×=×++××=M w=××M wk=××ωk l a h2/10=××××10=·mσ=[N/(φA)+ M w/W]=[×489)+5080]=mm2>[f]=205N/mm2不满足要求,减小步距、减小立杆纵横向间距、减少施工作业层数!八、脚手架架体高度验算不组合风荷载作用H s1=(φAf-+)/=×489×205×10-3-×+×)/×=组合风荷载作用H s2=(φAf-+××N Q1k+M wφA/W))/=×489×205×10-3-×+××+×1000××489/5080))/×= H s=≤H=48m不满足要求,减小步距、减小立杆纵横向间距、减少施工作业层数!九、连墙件承载力验算lw k a长细比λ=l0/i=600/=,查《规范》表得,φ=(Nlw+N0)/(φAc)=+3)×103/×506)=mm2≤×[f]=×205N/mm2=mm2满足要求!扣件抗滑承载力验算:N lw+N0=+3=≤×12=满足要求!结论和建议:1.立杆稳定性验算,不满足要求,减小步距、减小立杆纵横向间距、减少施工作业层数!2.立杆稳定性验算,不满足要求,减小步距、减小立杆纵横向间距、减少施工作业层数!3.脚手架架体高度验算,不满足要求,减小步距、减小立杆纵横向间距、减少施工作业层数!。
120厚板模板(扣件钢管架)计算书模板支架的计算依据《建筑施工扣件式钢管脚手架安全技术规范》JGJ130-2011 、《混凝土结构设计规范》GB50010-2002、《建筑结构荷载规范》(GB 50009-2001)、《钢结构设计规范》(GB 50017-2003)等规范编制。
一、参数信息:1.模板支架参数横向间距或排距(m):1.00;纵距(m):1.00;步距(m):1.50;立杆上端伸出至模板支撑点长度(m):0.10;模板支架搭设高度(m):2.48;采用的钢管(mm):Φ48×3.0 ;板底支撑连接方式:方木支撑;立杆承重连接方式:双扣件,取扣件抗滑承载力系数:0.80;2.荷载参数模板与木板自重(kN/m2):0.350;混凝土与钢筋自重(kN/m3):25.000;施工均布荷载标准值(kN/m2):1.000;3.楼板参数钢筋级别:二级钢HRB 335(20MnSi);楼板混凝土强度等级:C30;每层标准施工天数:10;每平米楼板截面的钢筋面积(mm2):654.500;楼板的计算长度(m):4.50;施工平均温度(℃):25.000;楼板的计算宽度(m):4.00;楼板的计算厚度(mm):120.00;4.材料参数面板采用胶合面板,厚度为18mm;板底支撑采用方木;面板弹性模量E(N/mm2):9500;面板抗弯强度设计值(N/mm2):13;木方弹性模量E(N/mm2):9500.000;木方抗弯强度设计值(N/mm2):13.000;木方抗剪强度设计值(N/mm2):1.400;木方的间隔距离(mm):300.000;木方的截面宽度(mm):60.00;木方的截面高度(mm):80.00;图2 楼板支撑架荷载计算单元二、模板面板计算:面板为受弯构件,需要验算其抗弯强度和刚度,取单位宽度1m的面板作为计算单元面板的截面惯性矩I和截面抵抗矩W分别为:W = 100×1.82/6 = 54 cm3;I = 100×1.83/12 = 48.6 cm4;模板面板的按照三跨连续梁计算。
面板计算简图1、荷载计算(1)静荷载为钢筋混凝土楼板和模板面板的自重(kN/m):q1 = 25×0.12×1+0.35×1 = 3.35 kN/m;(2)活荷载为施工人员及设备荷载(kN/m):q2 = 1×1= 1 kN/m;2、强度计算最大弯矩考虑为静荷载与活荷载的计算值最不利分配的弯矩和,计算公式如下:其中:q=1.2×3.35+1.4×1= 5.42kN/m最大弯矩M=0.1×5.42×0.32= 0.049 kN·m;面板最大应力计算值σ= 48780/54000 = 0.903 N/mm2;面板的抗弯强度设计值[f]=13 N/mm2;面板的最大应力计算值为0.903 N/mm2小于面板的抗弯强度设计值13 N/mm2,满足要求!3、挠度计算挠度计算公式为其中q = 3.35kN/m面板最大挠度计算值v = 0.677×3.35×3004/(100×9500×48.6×104)=0.04 mm;面板最大允许挠度[V]=300/ 250=1.2 mm;面板的最大挠度计算值0.04 mm 小于面板的最大允许挠度 1.2 mm,满足要求! 三、模板支撑方木的计算:方木按照两跨连续梁计算,截面惯性矩I和截面抵抗矩W分别为:W=6×8×8/6 = 64 cm3;I=6×8×8×8/12 = 256 cm4;方木楞计算简图(mm)1.荷载的计算:(1)钢筋混凝土板自重(kN/m):q1= 25×0.3×0.12 = 0.9 kN/m;(2)模板的自重线荷载(kN/m):q2= 0.35×0.3 = 0.105 kN/m ;(3)活荷载为施工荷载标准值与振倒混凝土时产生的荷载(kN/m):p1 = 1×0.3 = 0.3 kN/m;2.强度验算:最大弯矩考虑为静荷载与活荷载的计算值最不利分配的弯矩和,计算公式如下:均布荷载q = 1.2 × (q1 + q2)+ 1.4 ×p1 = 1.2×(0.9 + 0.105)+1.4×0.3 = 1.626 kN/m;最大弯距M = 0.125ql2 = 0.125×1.626×12 = 0.203 kN·m;方木最大应力计算值σ= M /W = 0.203×106/64000 = 3.176 N/mm2;方木的抗弯强度设计值[f]=13.000 N/mm2;方木的最大应力计算值为3.176 N/mm2小于方木的抗弯强度设计值13 N/mm2,满足要求!3.抗剪验算:截面抗剪强度必须满足:τ = 3V/2bh n< [τ]其中最大剪力: V= 0.625×1.626×1 = 1.016 kN;方木受剪应力计算值τ = 3 ×1.016×103/(2 ×60×80) = 0.318 N/mm2;方木抗剪强度设计值[τ] = 1.4 N/mm2;方木的受剪应力计算值0.318 N/mm2小于方木的抗剪强度设计值1.4 N/mm2,满足要求!4.挠度验算:最大挠度考虑为静荷载与活荷载的计算值最不利分配的挠度和,计算公式如下:均布荷载q = q1 + q2 = 1.005 kN/m;最大挠度计算值ν= 0.521×1.005×10004 /(100×9500×2560000)= 0.215 mm;最大允许挠度[V]=1000/ 250=4 mm;方木的最大挠度计算值0.215 mm 小于方木的最大允许挠度 4 mm,满足要求!四、板底支撑钢管计算:支撑钢管按照集中荷载作用下的三跨连续梁计算;集中荷载P取纵向板底支撑传递力,P = 2.032 kN;支撑钢管计算简图支撑钢管计算弯矩图(kN·m)支撑钢管计算变形图(mm)支撑钢管计算剪力图(kN)最大弯矩M max = 0.684 kN·m ;最大变形V max = 1.749 mm ;最大支座力Q max = 7.392 kN ;最大应力σ= 684193.7/5080 = 134.684 N/mm2;支撑钢管的抗压强度设计值[f]=205 N/mm2;支撑钢管的最大应力计算值134.684 N/mm2小于支撑钢管的抗压强度设计值205 N/mm2,满足要求!支撑钢管的最大挠度为 1.749mm 小于1000/150与10 mm,满足要求!五、扣件抗滑移的计算:按照《建筑施工扣件式钢管脚手架安全技术规范培训讲座》刘群主编,P96页,双扣件承载力设计值取16.00kN,按照扣件抗滑承载力系数0.80,该工程实际的旋转双扣件承载力取值为12.80kN 。
纵向或横向水平杆与立杆连接时,扣件的抗滑承载力按照下式计算(规范5.2.5):R ≤R c其中Rc -- 扣件抗滑承载力设计值,取12.80 kN;R-------纵向或横向水平杆传给立杆的竖向作用力设计值;计算中R取最大支座反力,R= 7.392 kN;R < 12.80 kN,所以双扣件抗滑承载力的设计计算满足要求!六、模板支架立杆荷载标准值(轴力):作用于模板支架的荷载包括静荷载和活荷载。
1.静荷载标准值包括以下内容:(1)脚手架的自重(kN):N G1 = 0.129×2.48 = 0.32 kN;(2)模板的自重(kN):N G2 = 0.35×1×1 = 0.35 kN;(3)钢筋混凝土楼板自重(kN):N G3 = 25×0.12×1×1 = 3 kN;静荷载标准值N G = N G1+N G2+N G3 = 3.67 kN;2.活荷载为施工荷载标准值与振倒混凝土时产生的荷载。
活荷载标准值N Q = (1+2 ) ×1×1 = 3 kN;3.立杆的轴向压力设计值计算公式N = 1.2N G + 1.4N Q = 8.604 kN;七、立杆的稳定性计算:立杆的稳定性计算公式其中N ---- 立杆的轴心压力设计值(kN) :N = 8.604 kN;φ---- 轴心受压立杆的稳定系数,由长细比L o/i 查表得到;i ---- 计算立杆的截面回转半径(cm) :i = 1.58 cm;A ---- 立杆净截面面积(cm2):A = 4.89 cm2;W ---- 立杆净截面模量(抵抗矩)(cm3):W=5.08 cm3;σ-------- 钢管立杆受压应力计算值(N/mm2);[f]---- 钢管立杆抗压强度设计值:[f] =205 N/mm2;L0---- 计算长度(m);如果完全参照《扣件式规范》,由下式计算:l0 = h+2aa ---- 立杆上端伸出顶层横杆中心线至模板支撑点的长度;a = 0.1 m;得到计算结果:立杆计算长度L0 = h + 2a = 1.5+2×0.1 = 1.7 m ;L0 / i = 1700 / 15.8=108 ;由长细比l o/i 的结果查表得到轴心受压立杆的稳定系数φ= 0.53 ;钢管立杆受压应力计算值;σ=8604.202/(0.53×489) = 33.199 N/mm2;立杆稳定性计算σ= 33.199 N/mm2小于钢管立杆抗压强度设计值[f]= 205 N/mm2,满足要求十、框架结构柱模板计算书柱模板的背部支撑由两层(木楞或钢楞)组成,第一层为直接支撑模板的竖楞,用以支撑混凝土对模板的侧压力;第二层为支撑竖楞的柱箍,用以支撑竖楞所受的压力;柱箍之间用对拉螺栓相互拉接,形成一个完整的柱模板支撑体系。
柱截面宽度B(mm):500.00;柱截面高度H(mm):500.00;柱模板的总计算高度:H = 2.80m;根据规范,当采用溜槽、串筒或导管时,倾倒混凝土产生的荷载标准值为2.00kN/m2;一)、参数信息1.基本参数柱截面宽度B方向对拉螺栓数目:1;柱截面宽度B方向竖楞数目:3;柱截面高度H方向对拉螺栓数目:1;柱截面高度H方向竖楞数目:3;对拉螺栓直径(mm):M12;2.柱箍信息柱箍材料:木楞;宽度(mm):80.00;高度(mm):100.00;柱箍的间距(mm):500;柱箍肢数:1;3.竖楞信息竖楞材料:木楞;宽度(mm):60.00;高度(mm):80.00;竖楞肢数:2;4.面板参数面板类型:竹胶合板;面板厚度(mm):18.00;面板弹性模量(N/mm2):9000.00;面板抗弯强度设计值f c(N/mm2):13.00;面板抗剪强度设计值(N/mm2):1.50;5.木方参数方木抗弯强度设计值f c(N/mm2):13.00;方木弹性模量E(N/mm2):9000.00;方木抗剪强度设计值f t(N/mm2):1.50;柱模板设计示意图计算简图二)、柱模板荷载标准值计算按《施工手册》,新浇混凝土作用于模板的最大侧压力,按下列公式计算,并取其中的较小值:其中γ -- 混凝土的重力密度,取24.000kN/m3;t -- 新浇混凝土的初凝时间,可按现场实际值取,输入0时系统按200/(T+15)计算,得5.714h;T -- 混凝土的入模温度,取20.000℃;V -- 混凝土的浇筑速度,取2.500m/h;H -- 模板计算高度,取3.000m;β1-- 外加剂影响修正系数,取1.000;β2-- 混凝土坍落度影响修正系数,取1.200。