全自动洗衣机PLC控制系统实训报告
- 格式:docx
- 大小:100.78 KB
- 文档页数:11
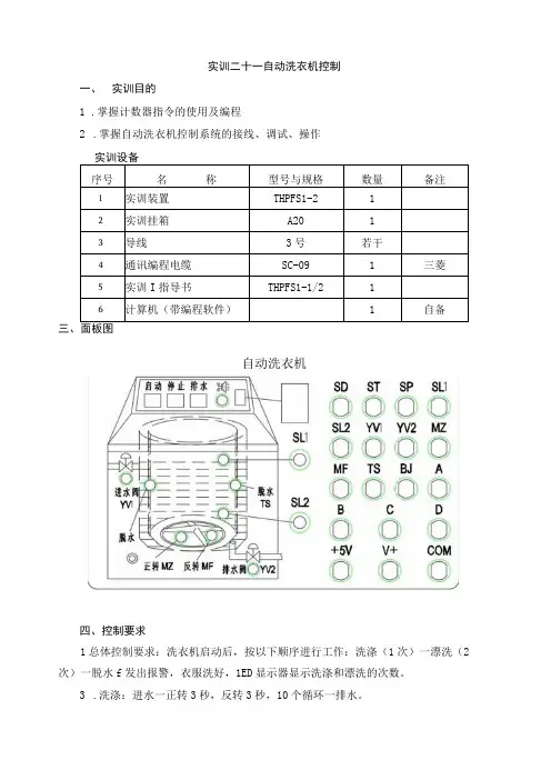
实训二十一自动洗衣机控制一、实训目的1.掌握计数器指令的使用及编程2.掌握自动洗衣机控制系统的接线、调试、操作自动洗衣机四、控制要求1总体控制要求:洗衣机启动后,按以下顺序进行工作:洗涤(1次)一漂洗(2次)一脱水f发出报警,衣服洗好,1ED显示器显示洗涤和漂洗的次数。
3.洗涤:进水一正转3秒,反转3秒,10个循环一排水。
4 .漂洗:进水一正转3秒,反转3秒,8个循环一排水。
5 .报警:报警灯亮4秒。
6 .进水:进水阀打开后水面升高,首先液位开关S12闭合,然后S11闭合,S1I 闭合后,关闭进水阀。
7 .排水:排水阀打开后水面下降,首先液位开关S1I 断开,然后S12断开,S12断开1秒后停止排水。
按排水按钮可强制排水。
8 .脱水:脱水5秒后报警。
五、 功能指令使用及程序流程图 1 .计数器指令使用{RSTCO计数输入XOooI 每驱动CO 线圈一次,计数器的当前值就加一,在执行第十次的线圈指令时,输出触点动作,以后即使XoOOI 再动作,计数器的当前值不变。
XOOoO 为ON 时,计数器CO 复位。
2 .程序流程图六、端口分配及接线图 1.端口分配及功能表P1C 地址(P1C 端电气符号(面板端功能说明,1=1ftS12=1七、操作步骤1 .检查实训设备中器材及调试程序。
2 .按照I/O 端口分配表或接线图完成P1C 与实训模块之间的接线,认真检查,确保正确无误。
3 .打开示例程序或用户自己编写的控制程序,进行编译,有错误时根据提示信息修改,直至无误,用SC-09通讯编程电缆连接计算机串口与P1C 通讯口,打开P1C 主机电源开关,下载程序至P1C 中,下载完毕后将P1C 的“RUN/STOP”开关拨至“RUN”状态。
4 .按下“启动”按钮后,系统进入运行状态。
进水阀(YV1)打开,水面升高,先闭合液位开关“12”,后闭合“1I”,1I 闭合后,关闭进水阀。
开始洗涤。
5 .洗涤完成,排水阀(YV2)打开,水面下降,先断开液位开关S11然后断开S12,S12断开1秒后停止排水。
一、设计题目全自动洗衣机的PLC控制二、主要内容本洗衣机具有两种洗涤方式:标准洗和轻柔洗。
标准洗可以选择全程洗(洗涤、清漂、脱水全过程)、清漂洗(清漂和脱水过程)、脱水中任意一种;轻柔洗只能为全程洗。
每种洗涤方式有高、中、低三种水位供选择,洗涤过程中只能改变水位,而不能改变已选择的洗涤程序。
三、具体要求1.按下电源按钮,系统默认标准全程洗涤洗、中水位。
2.根据所需要求进行水位选择、洗涤程序选择和洗涤方式选择。
3.按下启动按钮,洗衣机按照所选择的方式进行洗涤。
4.水位选择要求按动水位按钮一次,进行一次水位选择,按照高、中、低循环式选择,某个水位被选择时,对应水位指示灯点亮。
5.洗涤程序选择要求按动一次程序选择按钮,进行一次选择,按照全程洗、清漂洗、脱水循环式选择,对应的指示灯点亮。
6.洗涤方式序选择要求按动一次程序选择按钮,进行一次选择,按照标准洗、轻柔洗循环式选择,对应的指示灯点亮。
7.如清漂过程中,清漂指示灯断续点亮,显示系统处于清漂过程中。
清漂过程结束,清漂指示灯熄灭。
洗涤过程、脱水过程与此相同。
8.洗衣过程中,按下启动/暂停按钮,暂停洗衣,再按启动/暂停按钮,系统从暂停点处开始运行。
洗衣过程中按下电源开/关按钮,系统复位并断开电源。
在上述具体的要求下,完成硬件电路的制作和接线,PLC控制程序的设计及联机调试,直至满足要求。
四、进度安排1.理解课程设计内容及设计要求,查阅资料(第一周的星期一)。
2. PLC外围硬件电路的制作和接线,构思设计方案(第一周的星期二至星期三)。
3. PLC控制程序设计、程序调试及系统的总体调试,撰写课程设计报告(第一周的星期四至第二周星期四)。
4. 课程设计答辩、批改设计报告,登载成绩(第二周星期五)。
五、完成后应上交的材料PLC外围硬件连接电路、程序清单及课程设计总结报告。
六、总评成绩指导教师签名日期年月日系主任审核日期年月日摘要本课程设计将PLC应用到了全自动洗衣机的控制程序中,实现了电器的自动化控制。
基于PLC控制的全自动洗衣机设计报告摘要:洗衣机是现代家庭中不可或缺的家电设备,而全自动洗衣机则进一步简化了洗衣的操作流程,提高了洗衣效率。
本报告旨在基于PLC(可编程逻辑控制器)控制设计一种全自动洗衣机,实现自动洗涤、漂洗、甩干等功能,并提高其性能,提升用户体验。
1.引言洗衣机的历史可以追溯到19世纪,随着科技的不断发展,洗衣机在功能和性能上都取得了巨大的进步。
PLC是现代工业自动化中常用的控制器,具有高可靠性、高稳定性、可编程性强等优点,非常适合用于洗衣机的控制系统设计。
2.设计方案本设计方案采用PLC作为洗衣机控制系统的核心,并通过传感器、执行器等外围设备实现对洗衣机各功能的控制和监测。
洗衣机主要包括洗涤模块、漂洗模块、甩干模块和用户界面等组成部分。
2.1PLC控制系统设计PLC控制系统由PLC主机、输入模块、输出模块和数据总线组成。
输入模块负责接收传感器的信号,输出模块则控制执行器的动作。
PLC主机通过编写逻辑程序,处理输入信号,根据预定的控制策略控制输出模块。
2.2传感器引入设计中引入了多个传感器,如水位传感器、温度传感器、压力传感器等,用于实时监测洗衣机内部的状态。
水位传感器用于监测洗衣机内的水位,温度传感器用于监测洗衣水的温度,压力传感器用于监测洗衣机内的压力等。
这些传感器通过数据总线与PLC主机相连接,实现洗衣机状态的实时监测和控制。
2.3执行器的控制洗衣机内的执行器主要包括水泵、电机等。
通过PLC控制输出模块的控制信号,实现对水泵和电机的启停控制。
3.功能设计本设计的全自动洗衣机具备洗涤、漂洗和甩干功能。
用户可以通过操作面板选择不同的洗涤模式和时间,PLC控制系统根据用户的选择进行相应的控制。
3.1洗涤功能在洗涤功能中,PLC控制系统通过控制水泵将适量的水注入洗衣机内,同时控制电机的旋转实现衣物的搅拌和清洗。
3.2漂洗功能在漂洗功能中,PLC控制系统通过控制水泵将洗衣机内的水排出,同时注入清水进行漂洗,以去除洗涤剂残留。
S7-200西门子PLC课程设计题目:全自动洗衣机控制系统设计姓名: ZQY班级: 08级机电(1)班学号: 0806050142成员:指导老师:日期:2010/6/24设计目录一.实验目的/内容。
二.实验器材与设备。
三.I/O口分配表。
四.时序图/SFC。
五.P LC的外接线图。
六.梯形图(程序图)。
七.设计心得。
一.实验目的/内容(一)目的:1.认识PLC实物,掌握PLC各部分硬件的作用。
2.掌握STEP 7 MicroWIN软件的应用及基本逻辑指令、定时器、计数器、传送指令、互锁电路、微分电路、子程序的调用、跳转指令等的综合应用。
3.根据本次实验的控制系统要求,编写出梯行图程序。
4. 通过本次实验更进一步了解PLC,以及外部的接线。
5.培养综合运用所学的基础理论和专业知识,分析和解决实际工程技术问题的能力。
(二)内容:a.使用洗衣机的操作顺序是:接通电源→将衣服放入洗衣桶中→加入适当洗衣粉→关上门盖→选择水位→选择洗涤方式→选择洗衣周期→选择洗衣程序→按启动键→洗衣机启动,按规定好的程序完成洗涤全过程。
b.水位调节旋钮有高、中、低、少量4种可供选择。
c.洗涤方式有通常洗涤和柔和洗涤2种方式可供选择。
在通常洗涤时电机的工作流程是:正转27s→停3秒→反转27s→停3秒→正转27s……循环工作;在柔和洗涤方式时,电机的工作流程是:正转3s→停7s→反转3s→停7s→正转……循环工作。
d.洗衣周期选择开关有标准和经济两种方式可供选择。
在标准方式时,洗衣过程是:洗涤12min→清洗4min(也是清洗4遍)→脱水5min;在经济方式时,洗衣过程是:洗涤6min→清洗2min(也是清洗2遍)→脱水3.5min。
e.脱水完成之后,报警3s。
洗衣结束。
二.实验器材与设备电脑一台(并安装STEP 7 MicroWIN软件)、实验箱一台(包括S7-200西门子PLC一个,AB接口USB连线一条、电源线两条)。
全自动洗衣机实习报告一、前言随着科技的不断发展和人们生活水平的提高,全自动洗衣机已经成为现代家庭中必不可少的家电之一。
作为电子测量技术与仪表专业的学生,为了更好地理解和掌握洗衣机的工作原理和PLC控制技术,我们在劳老师的指导下,进行了一次全自动洗衣机实习。
二、实习目的通过本次实习,我们希望能够达到以下目的:1. 了解全自动洗衣机的基本工作原理和结构;2. 学习PLC控制技术,掌握PLC的硬件接线和程序编写;3. 培养我们动手实践能力和团队协作精神;4. 提高我们对洗衣机控制系统的分析和解决问题的能力。
三、实习内容本次实习的主要内容包括以下几个方面:1. 全自动洗衣机的基本工作原理和结构;2. PLC的硬件接线和程序编写;3. 洗衣机的控制逻辑和程序调试;4. 实习总结和心得体会。
四、实习过程1. 全自动洗衣机的基本工作原理和结构全自动洗衣机主要由洗衣机桶、电机、控制器、水位传感器、洗涤剂投放装置、排水泵等组成。
工作原理是通过控制器控制电机实现洗衣机的正反转,通过水位传感器实现水位的自动调节,通过洗涤剂投放装置实现洗涤剂的自动投放,通过排水泵实现排水。
2. PLC的硬件接线和程序编写我们使用的是西门子的PLC,根据洗衣机的控制要求,设计出了PLC的硬件接线图。
主要包括电源模块、CPU模块、输入模块、输出模块等。
然后,我们使用STEP 7 MicroWIN软件进行了梯形图程序的编写,实现了洗衣机的控制逻辑。
3. 洗衣机的控制逻辑和程序调试根据洗衣机的工作要求,我们设计了洗衣机的控制逻辑,包括水位控制、洗涤方式控制、洗衣周期控制、脱水控制等。
然后,我们对程序进行了调试,确保程序能够正常运行,洗衣机的各个部件能够按照要求工作。
4. 实习总结和心得体会通过本次实习,我们对全自动洗衣机的工作原理和PLC控制技术有了更深入的了解。
我们学会了如何使用PLC控制洗衣机的工作,如何设计和调试洗衣机的控制程序。
同时,我们也培养了自己的动手实践能力和团队协作精神。
(封面)XXXXXXX学院PLC在全自动智能洗衣机中的应用毕业设计报告题目:院(系):专业班级:学生姓名:指导老师:时间:年月日第1章绪论可编程控制器是以计算机为核心的通用自动控制装置,它的功能强、可靠性极强、编程简单、使用方便、体积小。
现已广泛应用于工业控制的各个领域,它以微处理器为核心,用编写的程序进行逻辑控制、定时、记数和算术运算等,并通过数字量和模拟量的输入/输出来控制机械设备或生产过程。
该设计主要介绍了全自动智能洗衣机的工作原理、控制系统的PLC的造型和资源的配置、控制系统程序设计与调试、控制系统PLC程序。
根据全自动智能洗衣机的工作原理,利用可编程控制器PLC实现控制,说明了PLC控制的原理方法,特点及控制洗衣机的特色。
通过本系统的设计,对三菱的Fx2n系列PLC的特点有了深入的理解。
全自动智能洗衣机控制系统利用了三菱的Fx2n系列PLC的特点,对按钮、电磁阀、开关等其它一些输入/输出点进行控制,实现了洗衣机洗衣过程的自动化。
充分表现现代家电用品的个性。
在全自动智能洗衣机中,洗衣机洗涤、脱水程序是由以单片机为中心控制系统工作的。
首先由于单片机的指令系统相对复杂,编写洗涤、脱水程序相对复杂;其次,在设计控制系统硬件时,要有多种电路保护装置,如电流保护、电压保护、过载保护、过热保护以及欠压保护等等。
这样增加了硬件的复杂性,隐含较高的故障率,无形的增加了维修成本费用。
在工业控制系统中广泛应用的PLC能克服单片机的缺点,它是整体模块,集中了驱动电路、检测电路和保护电路以及通讯联网功能。
因此在运用中,硬件也相对简单,提高控制系统的可靠性。
另外它的编程语言也相对简单。
因此在该设计中采用了PLC来实现全自动智能洗衣机的工作过程。
目前,我国洗衣机的分类方法主要有三种:按自动化程度分类,按洗涤方式分类,按结构方式分类。
假如按自动化程度分类,洗衣机可分为普通型、半自动型、全自动型三大类。
目前大多是全自动型洗衣机,它是指洗涤、漂洗、脱水各个功能之间的转换全部不用手工操作而能自动进行的洗衣机。
实训二全自动洗衣机一、实训目的1、理解自控成型机的工作原理。
2、掌握编程软件的使用以及对程序的输入、检查、修改和运行调试。
3、掌握I/O口的分配和I/O口的接法。
二、实训器材1、亚龙PLC主机单元一台。
2、亚龙PLC自控成形机单元一台。
3、计算机或编程器一台。
4、安全连线若干条。
5、PLC串口通讯线一条。
三、实训原理全自动洗衣机的工作方式:(1)按启动按钮,首先进水电磁阀打开,进水指示灯亮。
(2)按上限按钮,进水指示灯灭,搅轮在正反搅拌,两灯轮流亮灭。
(3)等待几秒钟,排水灯亮,后甩干桶灯亮了又灭。
(4)按下限按钮,排水灯灭,进水灯亮。
(5)重复两次(1)—(4)的过程(6)第三次按下限按钮时,蜂鸣器灯亮10秒钟后灭,整个过程结束。
(7)操作过程中,按停止按钮可结束动作过程。
(8)手动排水按钮是独立操作命令,按下手动排水后,必须要按下限按钮。
四、I/O分配表五、I/O接线图六、实训步骤1、先将PLC主机上的电源开关拨到关状态,严格按图接线,注意12V和24V电源的正负不要短接,电路不要短路,否则会损坏PLC触点。
2、将电源线插进PLC主机表面的电源孔中,再将另一端插到220V电源插板。
3、将PLC主机上的电源开关拨到开状态,并且必须将PLC串口置于STOP状态,然后通过计算机或编程器将程序下载到PLC中,下载完后,再将PLC的串口置于RUN状态。
4、实训操作按工作方式操作。
七、实物接线图八、实训小结通过本次实训理解自控成型机的工作原理,掌握编程软件的使用以及对全自动洗衣机程序的输入、检查、修改和运行调试。
掌握I/O口的分配和I/O口的接法。
学会的全自动洗衣机程序的编写与实物连接。
发现不足并改正。
全自动洗衣机plc控制系统实训报告.doc一、背景和概述本次实训将介绍基于S5控制器的全自动洗衣机控制系统,以近期完成的实现由原理到实物之间的联系和实验证明为主。
本次实训所用的全电路控制单元(PLC)为西门子S5系统。
它是一款可用于多种行业的专业控制装置,系统的电源由交流转换成直流,供应给所有的设备,不仅具有控制精度高和反应迅速的特点,还具有可靠性好,维护简易的优点。
二、控制系统的设计和实现实训过程包括PLC控制系统设计和制作,PLC软件编程,不同模块的组装,系统安装和测试。
1、技术总体设计根据需求利用Mitsubishi PLC FX2N设计了一套具有安全机制和可重复性的全自动洗衣机控制系统。
该系统包括控制用电机,换挡机构以及管路控制,采用逻辑控制来实现基于预设程序的洗衣机洗涤效果,同时还实现了自动防溢和自动补水的功能。
2、具体设计(1)电路概述该系统的总体控制电路主要由电机控制部分和电梯控制部分组成,其中电机控制部分使用Mitsubishi PLC芯片实现,电梯控制部分由步速电机、调速器和弹簧等构成,由步进机械在四个可调路径实现行程控制。
(2)软件设计软件设计采用Mitsubishi PLC“FX-SERIES-CELL IDE V2.42”编程语言,编写面向对象式程序,采用“X0-X7”七个数据口来读取模块的输入数据,用“WOO-W7+”等八个模拟量输出控制电机的转动,具体实现如下:(3)系统测试安装完成之后,系统进行综合测试,保证洗衣机能够以一定的模式正常洗涤。
根据软件定义的控制,测试正常洗涤过程中洗衣机运行的正确性、水泵定时启停,正反转实现,以及电机转动及接触器各个程序的实现效果。
三、结论本次实训通过设计PLC控制系统,实现了从电气图到实物控制的大部分步骤,实现了从原理图到实物之间的关联,说明了PLC控制系统可以用于控制全自动洗衣机的全部工艺,并通过后续的测试实验得到了良好的效果,这证明了该控制系统完全可以满足相应工厂的质量要求。
一、引言随着科技的不断发展,家用电器逐渐智能化,其中全自动洗衣机作为现代家庭生活中不可或缺的电器之一,其控制系统设计显得尤为重要。
本次实训旨在通过实际操作,了解全自动洗衣机的控制原理,掌握PLC编程技术,提高学生的实践能力和创新意识。
二、实训目的1. 熟悉全自动洗衣机的结构、工作原理及控制流程;2. 掌握PLC编程技术,学会编写全自动洗衣机控制程序;3. 培养学生动手能力和团队协作精神;4. 提高学生对智能化家电的兴趣和认识。
三、实训内容1. 全自动洗衣机结构及工作原理全自动洗衣机主要由内桶、外桶、电机、进水阀、排水阀、水位传感器、温度传感器、控制面板等组成。
工作原理如下:(1)进水:按下启动按钮,进水阀打开,水通过进水管进入外桶,当水位达到设定值时,进水阀关闭。
(2)洗涤:进水结束后,电机带动内桶正转,通过波轮对衣物进行搅拌、揉搓,达到洗涤效果。
(3)漂洗:洗涤结束后,排水阀打开,将污水排出,同时进水阀打开,用清水冲洗衣物,重复几次,达到漂洗效果。
(4)脱水:漂洗结束后,排水阀关闭,电机带动内桶高速旋转,将衣物中的水分甩出。
(5)完成:脱水结束后,电机停止工作,洗衣机进入待机状态。
2. PLC编程技术本次实训采用西门子S7-200系列PLC作为控制器,利用梯形图编程实现全自动洗衣机的控制。
主要编程步骤如下:(1)定义输入/输出(I/O)地址:将洗衣机各部件的传感器、执行机构与PLC的I/O端口对应起来。
(2)编写控制程序:根据洗衣机的工作流程,编写梯形图程序,实现各阶段的控制。
(3)调试程序:将程序下载到PLC,进行实际运行调试,确保程序正确无误。
3. 调试与测试将编写好的程序下载到PLC,接通电源,进行以下测试:(1)进水测试:按下启动按钮,观察进水阀是否打开,水位是否达到设定值。
(2)洗涤测试:进水结束后,观察电机是否带动内桶正转,波轮是否工作。
(3)漂洗测试:洗涤结束后,观察排水阀是否打开,水位是否下降,进水阀是否打开。
PLC实训报告
学院
专业
班级
姓名 xxxx
学号 xxxx
指导教师 xxxx
一、控制要求
洗衣机控制(具有锁存功能):启动时,首先进水,到高水位(自定10S时间控制)时停止进水,开始洗涤,正转洗涤10S,暂停2S后反转洗涤10S,暂停2S后再正转洗涤,如此反复5次。
洗涤结束,开始排水,当水位下降到低水位(自定10S时间控制)时,进行脱水(同时排水),脱水时间为10S,这样完成一次从进水到脱水的大循环过程。
经历2次上述大循环后,洗衣机完成报警,报警10S后结束全过程,自动停机。
二、I\O分配表
三、外围接线图
图1 洗衣机PLC外围接线图
四、程序
图3洗衣机工作控制梯形图
4电机顺序启动指令表图
四、实训结论
通过此次实训,我不仅把知识融会贯通,而且丰富了大脑。
通过实训可以清楚地了解PLC 各种指令的控制和作用、还有各种指令的优点与缺点、在不同的情况应该用的是哪种指令等等。
此外,还得出一个结论:知识必须通过应用才能实现其价值!有些东西以为学会了,但真正到用的时候才发现是两回事,所以我认为只有到真正会用的时候才是真的学会了。
五、实训体会
本次PLC控制的实训使我们受益匪浅,由于在课堂上所学得理论知识比较枯燥无味而且难懂,但在实验中通过动手操作,使我们了解了一些在课堂上学不到的知识,也加强了对理论知识的了解。
通过实训,我们对实验设备有了深刻的了解,了解了电器连续运作过程的自动控制,可以说在实训中学到的知识比书本上的更重要。
但是实训的时间比较短暂,只有一个星期,如果还有时间话,我们就可以完成更多的实验内容。
当然在这里还要感谢老师和同学们对我的帮助。
PLC洗衣机专题实验报告PLC洗衣机专题实验报告学院:电气学院姓名:黄嫚伊泓嘉专业:电气自动化学号:0800001213 0800005657 指导教师:李之昂实验地点:实训楼2楼PLC实训室2 2010年6月 16日一、实训目的和要求1、实训目的:1)熟练掌握S7-200的顺序控制。
2)理论与实践相结合,提高同学们的程序编程调试运行的能力。
3)编制PLC程序控制洗衣机,使之具有多种功能程序的手动/自动洗衣机。
2、实训要求:1)列出PLC输入输出分配表2)画出状态流程图、梯形图(CAD)。
3)编制控制程序。
4)调试并运行成功。
二、实训设备1、EFPLC可编程控制器实训装置。
2、EFPLC0107洗衣机实训板。
三、控制要求启动后开始注入清水(水位选择高或低)→水到位(洗衣机实训板中S1或S2有信号)→停水→加洗衣粉(3秒)→加温(加温选择高或低)→水温到→(洗衣机实训板中T1或T2有信号)→洗涤10秒(电机正反转)→排水7秒→脱水3秒(电机正转)→进水→水位到→第一漂10秒→排水7秒→脱水3秒→进水→水位到→加柔顺剂3秒→第二漂10秒→排水7秒→脱水6秒→结束。
注:①洗涤和漂洗时电机正反转各为2秒循环。
②洗涤、漂洗和脱水时各状态指示灯闪烁。
四、实训步骤和方法1、列I/O(输入输出分配表)地址分配表:(见下页)序号符号地址说明1 启停I0.0 启动/停止按钮(带自锁功能)2 水位选择I0.1 水位选择按钮(带自锁功能)3 S1 I0.2 高水位传感器4 S2 I0.3 低水位传感器5 水温选择I0.4 水位选择按钮(带自锁功能)6 T1(45°)I0.5 高水温传感器7 T2(30°)I0.6 低水温传感器8 程序I0.7 手动/自动/程序选择按钮(不带自锁功能)9 暂停I1.0 暂停按钮(带自锁功能)10 复位I1.1 断电保持擦除/复位步按钮11 Y2 Q0.0 加洗衣粉电磁阀12 Y3 Q0.1 进清水电磁阀13 Y4 Q0.2 排水电磁阀14 正转Q0.3 正转接触器15 反转Q0.4 反转接触器16 洗涤Q0.5 洗涤指示灯17 漂洗Q0.6 漂洗指示灯18 脱水Q0.7 脱水指示灯19 加热Q1.0 加热接触器20 Y1 Q1.1 加柔顺剂电磁阀21~38 定时器1~17 T37~T53 定时器39~43 计数器1~4 C0~C3 计数器2、绘制PLC二次接线图:洗衣机二次接线图3、按照控制要求绘制状态流程图(见第4页)4、编写梯形图控制程序(见第5页)五、多功能洗衣机使用说明1、按下启动/停止按钮,洗衣机启动,3秒内不按则进入自动模式开始洗涤,3秒内按下程序选择则进入手动模式等待用户选择不同的手动程序。
《可编程逻辑控制其原理及应用》设计报告基于PLC的全自动洗衣机控制目录摘要 (Ⅰ)Abstract (Ⅱ)第1章绪论 (1)1.1全自动洗衣机的应用现状 (1)1.2 设计全自动洗衣机的意义 (1)1.3全自动洗衣机主要实现功能 (1)第2章硬件电路的实现 (2)2.1主控电路设计 (2)2.1.1PLC简介 (2)2.1.2控制I/O口分配 (4)2.1.3全自动洗衣机PLC控制的应件图 (5)2.2单相异步电动机驱动控制电路设计 (5)2.3报警电路设计 (7)2.4进排水控制电路设计 (8)2.41进水阀阀门简介 (8)2.42进水阀门控制电路设计 (10)2.43排水阀门简介 (11)2.44排水阀门控制电路设计 (12)2.5水位检测电路设计 (13)第3章软件程序实现 (14)3.1软件开发环境简介 (14)3.2全自动洗衣机程序流程图 (15)3.3全自动洗衣机功能梯形图编程实现 (17)3.4系统调试 (21)结论 (23)参考文献 (24)摘要随着人们生活水平的不断提高,洗衣机已经作为一件必备实用的家用电器进入了千家万户。
人们对洗衣机依赖性的加强也必然要求着洗衣机的各相性能得到同步加强,要求着洗衣机适应各种不同使用环境的能力得到进一步提升。
近年来,可编程控制器在我国的迅速发展,它所具有的功能性强、可靠性高、配制方法灵活等特点是其它控制器所无法匹敌的,因此,它被越来越广泛的应用于各类工业控制领域并加快了向民众生活进军的步法。
本文讲述的是如何利用PLC 实现全自动洗衣机的控制,实现洗衣、清水、脱水的全自动控制。
本文结合任务设计书的要求,以洗衣机为研究对象,采用了三菱公司FX2n系列可编程逻辑控制器作为洗衣机的控制器。
对洗衣机的控制系统的总体功能进行了分析,阐述了可编程逻辑控制器的组成和工作原理。
并提出了洗衣机硬件的各组成模块及详细的硬件模块设计方案。
本设计改善了洗衣机系统的控制品质,并真正地达到了实时全自动控制的要求。
湖北轻工职业技术学院全自动洗衣机PLC控制课程设计专业:电子测量技术与仪表班级:09电议(2)班指导老师:劳老师主设计:徐升小组成员:易庄,徐升目录第一章:全自动洗衣机的概述1.1 、全自动洗衣机的应用现状………………………………………………..1.2 、设计全自动洗衣机的意义…………………………………………...........第二章:全自动洗衣机的设计要求和功能实现2.1 、全自动洗衣机的设计要求………………………………………………….2.2 、全自动洗衣机的功能实现…………………………………………………..第三章:全自动洗衣机的设计3.1 、单相异步电动统计正反转……………………………………………………3.2 、全自动洗衣机PLC控制的硬件图……………………………………3.3 、I/O地址分配………………………………………………………3.4 、全自动洗衣机PLC控制的流程图…………………………………3.5 、全自动洗衣机PLC控制的梯形图………………………………实训总结——心得体会第一章:全自动洗衣机的概述1.1 、全自动洗衣机的应用现状目前洗衣机是一种耳熟能详的家用电器,随着科技的进步和人们生活质量的提高,以及人们对精神文明的高度追求,那么全自动洗衣机也揭开了面纱,现在做的比较好的,国内有小天鹅、海尔、荣事达等等,国外有西门子,博世等等。
这些厂家所生产的全自动洗衣机还是比较好的,但所谓物以稀为贵,所以相对来说价格还存在很大的异议。
而人们追求的高质量生活,也就对这些不是很过问了,只要买来好用就可以了,所以目前市场上还是有很大的发展空间。
1.2、设计全自动洗衣机的意义全自动洗衣机以其固有的优点还是赢得了很多的消费者的信赖,应用而生,它将是现在到未来的星星产品,所以有必要开发和改善现有的全自动洗衣机。
应用最先进的科技技术,投入最少的资金,你便拥有了更广阔的市场竞争力,而现在plc价格也在下降,所以可以应用该产品进行研发,从而达到自动化控制,更多的赢得消费者的青睐。
全自动洗衣机PLC控制系统专业班级:电气工程及其自动化学号学生姓名指导教师设计时间2013年6月17日全自动洗衣机PLC控制实训报告一、实习目的:可编程控制课程是一门实践性很强的课程,通过训练实习可以进一步了解主机性能、结构和原理,使学生熟悉传统的电器控制技术和可编程控制器的实际应用,熟悉编程软件,掌握编程方法。
提高学生发现问题、分析问题和解决问题的能力,培养学生独立工作的能力。
通过对实验现象的观察、调试和分析,加深对基本理论的理解。
增强学生对今后工作的适应性和提高处理现场实际问题的能力。
随着科技日新月异,人民生活水平不断提高,消费者对家庭电气自动器自动化的需求不断加大,其中全自动洗衣机占很重要的位置。
目前,市场上销售的洗衣机品种繁多,更新换代快,从普通型到半自动,洗衣机自动化程度越来越高,操作越来越方便,容量越来越大。
总体来,高效节能、节水以及环保的全自动洗衣机一直在市场上占主导地位。
二总体设计;1.1全自动洗衣机PLC控制的控制要求1、系统功能描述全自动洗衣机由内外桶,进水口,启动和停止按钮,控制器,进水按钮,水位开关,排水口和洗涤电机组成。
全自动洗衣机的进水和排水分别有进水电磁阀和排水电磁阀来执行。
进水时通过电控系统把进水阀打开,经进水管将水注入外桶,排水时,通过电控系统使排水阀打开,又将水由外桶排到机外。
洗衣机正转,反转由洗涤电机驱动波轮正反来实现,此时脱水桶并不旋转。
脱水时,通过电控系统将离合器合上,由洗涤电机带动内桶正转进行甩干;高低水位开关分别用来测高低水位;启动按钮用来启动洗衣机工作;停止按钮用来实现紧急下手动停止进水排水脱水及报警;排水按钮用来实现手动排水。
2.全自动洗衣机的工作流程全自动洗衣机的单循环工作流程示意图如图1-2所示。
图1-2全自动洗衣机的单循环工作流程示意图3.全自动洗衣机的工作原理洗衣机的进水、排水分别由进水电磁阀和排水电磁阀执行。
洗涤正转、反转由洗涤电动机驱动波盘正、反转来实现。
评分:创新设计报告设计题目:简略洗衣机PLC程序控制系统班级:电气 06-2姓名:学号:21指导教师:简略洗衣机 PLC程序控制系统纲要该创新设计主要介绍了全自动洗衣机的工作原理、控制系统的PLC 的造型和资源的配置、控制系统程序设计与调试、控制系统 PLC 程序。
依据全自动洗衣机的工作原理,利用可编程控制器PLC实现控制,说了然 PLC控制的原理方法,特点及控制洗衣机的特点。
经过本系统的设计,对三菱的FX2N系列 PLC的特点有了深入的理解。
全自动洗衣机控制系统利用了三菱的FX2N系列 PLC的特点,对按钮、电磁阀、开关等其余一些输入/ 输出点进行控制,实现了洗衣机洗衣过程的自动化。
重点词: PLC;程序控制器;洗衣机;全自动;电气时代的很多发明给人们的生活带来了很多方便,如电灯,电视,电饭锅,洗衣机等。
此中洗衣机作为人们平时生活中常有的一种家用电器,深受喜欢。
为了提升人民的生活水平易质量,提升洗衣机的性能,使其更方便于操作,现用PLC 控制系统的知识联合洗衣机的原理,设计全自动控制装置,进而使洗衣机的性能获得很好的提升。
此控制装置的特点是简单, 直观,方便, 一般人皆可操作。
一、设计的创新点和长处在洗衣机控制方面,在PLC 问世以前,控制领域中是继电器占主导地位。
但继电器控制领域有着十分显然的弊端:体积大、耗电多、靠谱性、寿命短、运转速度慢、适应性差、特别当生产工艺发生变化时,就一定从头设计、从头安装,造成时间和资本的严重浪费。
再者传统洗衣机清洗、脱水程序是由以单片机为中心控制系统工作的。
第一因为单片机的指令系统相对复杂,编写清洗、脱水程序相对复杂;其次,在设计控制系统硬件时,要有多种电路保护装置,如电流保护、电压保护、过载保护、过热保护以及欠压保护等等。
这样增添了硬件的复杂性,隐含较高的故障率,无形的增添了维修成本花费。
在工业控制系统中宽泛应用的 PLC 能战胜单片机的弊端,它是整体模块,集中了驱动电路、检测电路和保护电路以及通信联网功能。
全自动洗衣机控制1、设计任务和目的通过理论设计和实物制作解决相应的实际问题,巩固和运用在《电气控制与可编程控制器技术》中所学的理论知识和实验技能,掌握PLC可编程软件的使用,程序的一般设计方法,提高设计能力和实践动手能力,为以后从事自动化设计、研发自动化产品打下良好的基础。
2、设计要求全自动洗衣机的洗衣桶和脱水桶是以同一中心安放的。
外桶固定,作盛水用。
内桶可以旋转,作脱水用。
内桶的四周有很多小孔,使内外桶的水流相通。
该洗衣机的进水和排水分别由进水电磁阀和排水电磁阀来执行。
洗涤正转、反转由洗涤电动机驱动波盘正、反转来实现,此时脱水桶并不旋转。
脱水时,通过电控系统将离合器合上,由洗涤电动机带动内桶正转进行甩干。
高、低水位开关分别用来检测高、低水位。
启动按钮用来启动洗衣机工作。
停止按钮用来实现手动停止进水、排水、脱水及报警。
排水按钮用来实现手动排水。
3、控制要求PLC投入运行,系统处于初始状态,准备好启动。
(1)按下启动按扭及水位选择开关,开始进水,水满(即水位到达高低)时停止进水。
(2)2秒后开始洗涤。
(3)洗涤时,正转15秒后暂停,暂停3秒后开始反转洗涤,反转洗涤15秒后暂停,暂停3秒。
(4)如此循环3次后开始排水,排空后(水位下降到低位)开始脱水并继续排水。
脱水10秒即完成一次从进水到脱水的工作循环过程。
(5)若未完成3次大循环,则返回从进水开始的全部动作,进行下一次大循环;若完成了3次大循环,则进行洗完报警。
(6)报警10秒结束全部过程,自动停机。
(7)此外按排水按钮可实现手动排水;按停车按扭可停止进水、排水、脱水及报警。
4、实验内容4.1全自动洗衣机的工作原理洗衣机的进水、排水分别由进水电磁阀和排水电磁阀执行。
洗涤正转、反转由洗涤电动机驱动波盘正、反转来实现。
脱水时,由脱水电磁离合器合上、排水电磁阀吸合,洗涤电动机正转进行甩干。
洗涤完成由蜂鸣器报警。
4.2控制系统硬件接线图4.2.1全自动洗衣机的基本结构如图所示4.2.2全自动洗衣机的工作流程全自动洗衣机的单循环工作流程示意图如图所示4.3控制系统软件4.3.1 I/O地址分配由于S7-200 224 CPU模块有14点数字量输入,10点数字量输出,所以不需要再增加扩展模块。
全自动洗衣机PLC 控制系统专业班级:电气工程及其自动化学号学生姓名指导教师设计时间2013 年 6 月17 日全自动洗衣机PLC控制实训报告一、实习目的:可编程控制课程是一门实践性很强的课程,通过训练实习可以进一步了解主机性能、结构和原理,使学生熟悉传统的电器控制技术和可编程控制器的实际应用,熟悉编程软件,掌握编程方法。
提高学生发现问题、分析问题和解决问题的能力,培养学生独立工作的能力。
通过对实验现象的观察、调试和分析,加深对基本理论的理解。
增强学生对今后工作的适应性和提高处理现场实际问题的能力。
随着科技日新月异,人民生活水平不断提高,消费者对家庭电气自动器自动化的需求不断加大,其中全自动洗衣机占很重要的位置。
目前,市场上销售的洗衣机品种繁多,更新换代快,从普通型到半自动,洗衣机自动化程度越来越高,操作越来越方便,容量越来越大。
总体来,高效节能、节水以及环保的全自动洗衣机一直在市场上占主导地位。
二总体设计;1.1全自动洗衣机PLC控制的控制要求1、系统功能描述全自动洗衣机由内外桶,进水口,启动和停止按钮,控制器,进水按钮,水位开关,排水口和洗涤电机组成。
全自动洗衣机的进水和排水分别有进水电磁阀和排水电磁阀来执行。
进水时通过电控系统把进水阀打开,经进水管将水注入外桶,排水时,通过电控系统使排水阀打开,又将水由外桶排到机外。
洗衣机正转,反转由洗涤电机驱动波轮正反来实现,此时脱水桶并不旋转。
脱水时,通过电控系统将离合器合上,由洗涤电机带动内桶正转进行甩干;高低水位开关分别用来测高低水位;启动按钮用来启动洗衣机工作;停止按钮用来实现紧急下手动停止进水排水脱水及报警;排水按钮用来实现手动排水。
2 .全自动洗衣机的工作流程全自动洗衣机的单循环工作流程示意图如图1-2所示。
图1-2全自动洗衣机的单循环工作流程示意图3.全自动洗衣机的工作原理洗衣机的进水、排水分别由进水电磁阀和排水电磁阀执行。
洗涤正转、反转由洗涤电动机驱动波盘正、反转来实现。
脱水时,由脱水电磁离合器合上、排水电磁阀吸合,洗涤电动机正转进行甩干。
洗涤完成由蜂鸣器报警。
1.1.2 洗衣机控制要求(1 )按下启动按钮及水位选择开关。
(2 )进水阀门打开直到高(中、低)水位,关水。
(3 )2S 后开始洗涤(4 )洗涤时,正转30S ,停2S ,然后反转30S ,停2S。
(5 )如此循环 5 次,总共320S 后开始排水,排空后脱水30S 。
(6 )开始清洗,重复(2 )〜(5)要求,清洗两遍。
(7 )清洗完成,报警3S 并自动停机。
(8 )若按下停车按钮,可手动排水(不脱水)和手动脱水(不计数)。
1.2 全自动洗衣机控制系统的PLC 选型和资源配置1.21 I/O 地址分配由于S7-200 224 CPU 模块有14 点数字量输入,10 点数字量输出,所以不需要再增加扩展模块。
模块上的输入端对应的输入地址是I0.0 〜I1.2 ,输出端对应的输出地址是Q0.0 Q1.01.2.2 模块功能概述CPU 模块采用西门子公司的6ES7 214-1AD23-0XB0 模块。
由于该模块采用直流24V 供电(直流晶体管输出),有14 点数字量输入和10 点数字量输出,完全能满足全自动洗衣机控制系统的要求,所以不在需要另外的数字量输入/ 输出模块。
1.3 全自动洗衣机控制系统程序设计和调试1.3.1 编程软件以西门子公司为S7-200PLC 设计的V3.2 STEP 7 MicroWIN SP4 编程软件为例。
1.3.2 程序的流程图、构成和相关设置1. 流程图⑴正常运行流程图正常运行流程图如图1-4 所示。
流程图描述:按下启动按扭,开始进水; 进水到规定高度,使水位开关接通,实现洗涤正转,并停止进水;洗涤正转30S后,停止2秒,反转30S后,停2秒。
计数器加1,累计洗涤次数;若未满5次则重复进行洗涤,直至洗涤达到5次,开始排水.由于排水,水位降低,当水位低于规定下限水位时,排空检测开关接通,开始脱水,脱水30S后,计数器加1,脱水停止.然后再返回到进水动作重复上述过程3次,报警并停机停机报警图1-4 正常运行的流程图2. 程序的构成这个程序只有自动方式。
在自动方式下,PLC将运行已经设置好的程序和参数(用于全自动洗衣机一切都工作正常的情况下)。
3. 程序的下载、安装和调试将各个输入/输出端子和实际控制系统中的按钮、所需控制设备正确连接,完成硬件的安装。
全自动洗衣机程序是由V3.2 STEP 7 MicroWIN SP4 编程软件的指令完成。
若要修改程序, 先将PLC设定在STOP状态下,运行编程软件,打开全自动洗衣机程序,即可在线调试。
1.4全自动洗衣机PLC控制系统程序1.4.1系统资源分配1. 数字量输入部分全自动洗衣机控制系统的输入有启动、停止、高水位、中水位、低水位、手动排水和手动脱水按钮以及高水位、中水位、低水位和排空检测开关共11个输入点。
具体的输入分配如表1-1所示。
表1-1 输入地址分配2. 数字量输出部分全自动洗衣机控制系统的外部设备有进水电磁阀、排水电磁阀、正/反转洗涤电动机、蜂鸣器、指示灯等。
具体的输出分配如表1-2所示。
表1-2 输出地址分配3•定时器部分具体的定时器分配如表1-3所示。
表1-3 定时器分配4计数器部分具体的计数器分配如表1-4所示。
表1-4 计数器分配1.4.2接线图:空出五行143源程序1.启动全自动洗衣机Q0.0是启动输出,M0.1是启动辅助继电器,当洗衣机的启动按钮按下时,Q0.0和M0.1得电。
它的指令程序为:Network 1 开始洗涤LD I0.0O M0.1AN C2AN I0.1=M0.1=Q0.0所对应的梯形图如图1-5所示Network 1 rJetwoik Title图1-5 启动指令梯形图2. 进水阀控制洗衣机启动后,再按下水位选择开关,进水电磁阀得电,洗衣机开始进水。
当所选择水位的限位开关动作后,进水电磁阀释放,洗衣机停止进水。
它的指令程序为:Network 2 进水阀控制LD M0.1EULD I0.5EUOLDO M0.3AN M0.2=M0.3Network 3LD I0.2AN I0.6LD I0.3AN I0.7ICO C2M0.1101 Mttl)OLDLD I0.4AN I1.0OLDA M0.3=Q0.1Network 4LD Q0.1EDTON T37, +20Network 5LD T37O M0.2AN C1A M0.1= M0.2所对应的梯形图如图1-6所示Network dNeiwork 5图1-6进水阀控制梯形图 3. 洗涤控制当进水电磁阀释放 2秒后,洗衣机开始洗涤。
洗涤时,正转 30秒,停2秒,然后反转30 秒,停2秒,然后反转30秒,停2秒,如此循环5次,总共320秒。
它的指令程序为: Network 6正转及脱水控制LD M0.2 ANT38 AN Q0.3 A M0.1 LD I0.5 AN T40 AN Q0.3 AM0.1OLDLD I1.2 AN M0.1OLD=Q0.2Network 7LD M0.2 AN T39 TONT38, +300Network 8反转控制LD T38 AN T39I0.5 = Q0.3 Network 9 LD Q0.3 TON T39, +300 Network 10 LD T39 ED LD T40 ED CTU C1, +5 所对应的梯形图如 1-7 所示 三;心得体会:QO IINTOMPTTG7 C1 M01 M0.2)MO 2ANMT37+ 20-A M0.1持续一周的关于全自动洗衣机PLC 控制的课程设计已经结束了,通过此次PLC 程序设计实践,我实在是获益不浅!PLC 是今年刚接触的一门新课,刚开始对这门课程很干兴趣,可是学起来的时候感觉有点难度,所以学起来的有点畏惧感,以致没怎么学好!每次上实训课的时候,虽然都是尝试着去操作,可还是只会简单的输入程序。
这次全自动洗衣机PLC 控制课程设计让我进一步熟悉了PLC 程序设计,而且得到了用PLC 程序设计解决实际问题的宝贵经验! PLC 程序设计是一门重要专业基础课程,是数据结构,操作系统,数据库原理和软件工程等后继课程的基础。
适用于大型系统软件和应用软件的开发。
经过这一个星期的实践学习,使我对PLC 程序设计有了更进一步的认识和了解。
在不长的时间里我明白了,不仅仅是要重视,而且要通过不断的上机操作才能更好地学习这门课程。
在课程设计这一个星期里,我认识到我有很多不足得地方。
首先是在理论知识上,有一些指令还不是很清楚。
但通过这次实训,我感觉自己有了很大的提高。
通过设计实践,使我在很多方面的认识有所提高。
在这次实训过程中我也遇到了很多难题。
但在通过查阅资料,以及向同学请教后,也终于成功的运行了课程设计所要求的程序。
这次程序设计是我在PLC 程序的思想下第一次整体完成的程序设计,所以还有很多的不完美的地方,希望老师予以指出和改正。
在这次课程设计的过程中,我认识到学好PLC 要重视实践操作,不仅仅是学习PLC 程序设计,还是其它的课程设计,以及其它方面的知识都要重在实践,不能只是学习和重视书本上的理论知识,所以日后在学习过程中,我会更加注视实践操作,使自己更好地学好PLC 这门课程.通过这次实训,我们了解到其实编一个程序也不像刚开始所想象中的那么难,那么复杂,只要我们肯用心用脑,肯去花功夫钻研就会一定会有收获,其实在课程设计中运用的很多知识在课堂上老师都已经很详细讲过,但我们就是缺少了那一份灵动,所以我学到了除了要有扎实的基本功外,有一点点的变通的灵泛性还是必要的。
总之我们倾心投入,大家都很努力,为了课程设计能够顺利通过,我们查阅了很多资料,也请教了老师,这一周时间很快就过去了,但这一周过的很愉快,相信加上我的坚持不懈,以后一定会在PLC 程序设计的学习中得到更多的知识和经验!这次设计,让我进一步的了解了PLC 程序设计, 而且还得到了用PLC 程序设计解决实际问题的宝贵经验!经过这一周的课程设计,感觉收获很大,对PLC 也产生了更大的兴趣,对程序设计思想有了初步的理解和体会,对PLC 的各种功能有了更进一步的了解,并且将平时没有彻底掌握的知识有了深刻的理解,同时自己在这次的课程设计时间中,看到了自己还存在很多方面的不足。
1 :对于PLC 程序指令的不熟悉是课程设计中所遇到的最大的问题。
2 :程序基础的不扎实是课程设计不能完美,高效的完成的最大影响。
这些不足将提醒我努力学习以便能更好的完善自我。