基坑土方人工开挖及回填技术交底样本
- 格式:doc
- 大小:53.50 KB
- 文档页数:8
土方挖掘和回填工程技术交底(完整版)1. 项目背景为确保土地利用的科学性和工程的可持续发展,土方挖掘和回填工程在现代建设中扮演着重要的角色。
本文档旨在对土方挖掘和回填工程的技术要点进行交底,以确保项目的顺利进行和质量的保证。
2. 挖掘工程技术要点2.1 土方挖掘范围根据项目设计要求和土质调查报告,准确定位土方挖掘的范围和深度。
在挖掘过程中,应注意保持挖掘坡度的稳定,以确保工地安全。
2.2 土方挖掘设备和施工方法选择适当的土方挖掘设备,并确保其良好运行和维护。
根据工程要求,合理选择挖掘的方法和顺序,确保挖掘效率和质量。
2.3 土方挖掘过程中的环境保护措施在土方挖掘过程中,应采取相应的环境保护措施,以减少土壤侵蚀和水源污染。
合理使用防尘措施和垃圾处理方法,遵守相关环境法规。
3. 回填工程技术要点3.1 回填材料选择和质量控制根据工程要求和土质条件,选择合适的回填材料,并进行质量检测。
确保回填材料的密实性和稳定性,以提供良好的基础支撑。
3.2 回填施工方法根据工程要求和设计图纸,合理安排回填的顺序和厚度。
采用适当的回填施工方法,如半干式回填或湿浆回填,确保回填的均匀性和紧实度。
3.3 回填过程中的质量检测在回填过程中,应进行及时的质量检测,包括回填材料的密实度、抗渗性能等方面。
确保回填质量满足设计要求和工程标准。
4. 安全和质量管理4.1 安全管理在土方挖掘和回填工程中,严格执行相关安全规定和操作规程。
加强施工现场的安全防护,提供必要的安全设施和防护装备,确保人员和设备的安全。
4.2 质量管理制定相应的质量管理措施,对土方挖掘和回填工程进行全面的质量控制。
考虑到工程的特点和要求,及时发现和处理质量问题,确保施工质量达到预期的标准。
5. 总结本文档对土方挖掘和回填工程的技术要点进行了全面的交底。
通过严格遵守相关要求,合理选择挖掘和回填的方法,并加强安全和质量管理,可以确保项目的顺利进行和工程质量的保证。
基坑土方回填技术交底一、工程概述本次施工的基坑位于_____,占地面积约为_____平方米,深度为_____米。
该基坑的土方回填工作是整个工程的重要环节之一,直接关系到后续工程的施工质量和安全。
二、施工准备1、材料准备回填土:宜优先选用现场挖出的原土,但不得含有有机杂质,使用前应过筛,其粒径不大于 50mm。
石灰:采用熟化石灰粉,其粒径不得大于 5mm。
2、主要机具装运土方机械:铲土机、自卸汽车、推土机、铲运机及翻斗车等。
碾压机械:平碾、羊足碾和振动碾等。
一般机具:蛙式或柴油打夯机、手推车、铁锹(平头或尖头)、2m 钢尺、20铅丝、胶皮管等。
3、作业条件施工前应根据工程特点、填方土料种类、密实度要求、施工条件等,合理地确定填方土料含水量控制范围、虚铺厚度和压实遍数等参数。
填土前应对填方基底和已完工程进行检查和中间验收,合格后要作好隐蔽检查和验收手续。
施工前,应做好水平高程标志布置。
如在基坑(槽)或管沟边坡上,每隔 3m 钉上水平橛;室内和散水的边墙上弹上水平线或在地坪上钉上标高控制木桩。
三、施工工艺流程1、基坑底地坪上清理清理基坑底的杂物、垃圾、积水等,确保基底干净、平整。
对基底进行平整,采用人工或机械的方式,使基底标高符合设计要求。
2、检验土质检验回填土的质量有无杂物,粒径是否符合规定,以及回填土的含水量是否在控制的范围内。
如含水量偏高,可采用翻松、晾晒或均匀掺入干土等措施;如遇回填土的含水量偏低,可采用预先洒水润湿等措施。
3、分层铺土回填土应分层铺摊。
每层铺土厚度应根据土质、密实度要求和机具性能确定。
一般蛙式打夯机每层铺土厚度为 200~250mm;人工打夯不大于 200mm。
每层铺摊后,随之耙平。
4、分层碾压密实碾压机械压实填方时,应控制行驶速度,一般不应超过 2km/h。
碾压时,轮(夯)迹应相互搭接,防止漏压或漏夯。
长宽比较大时,填土应分段进行。
每层接缝处应作成斜坡形,碾迹重叠05~10m 左右,上下层错缝距离不应小于 1m 。
人工土方开挖技术交底1技术交底范围XXX 工程人工土方开挖2设计状况开挖深度XXX,开挖方量XXX,开挖方式XXX。
3施工预备3.1技术预备(1)做好施工场地地下管线和邻近建筑物、构筑物〔包括文物保护建筑〕、古树名木的保护工作。
(2)生疏岩土工程勘察报告。
(3)生疏图纸。
(4)生疏技术标准3.2机具设备3.2.1测量设备基坑(槽)开挖测量设备有:经纬仪、水准仪、塔尺、钢卷尺等。
3.2.2挖土机具依据工程规模大小配足常用的工具:铁锹(尖、平头两种)、手推车、小白线或20#铅丝、钎探设施等。
施工方案 技术交底 施工预备质量记录定位放线填方留土 好土分层开挖 弃土余土外运修整边坡 清理槽底 地基钎探质量记录验收不合格返修再验收合格合格转入下道工序4 施工工艺流程人工挖土施工工艺流程,如图 4.1.1-1 所示。
人工挖土施工工艺流程图 4.1.1.-1 施工流程5 工艺操作要点和质量要求依据挖方深度、土质为自然湿度、构造均匀、水文地质条件良好,且无地下水时,开挖基坑亦可不必放坡,实行直立开挖不加支护。
5.1 工艺操作要点 5.1.1 土方开挖(1) 依据土质状况和现场存土、运土条件,合理确定开挖挨次,然后再分段分层开挖。
土方开挖挨次应遵循“开槽支撑,先撑后挖,分层开挖,不得超挖”的原则。
(2) 开挖时应沿灰线切出基槽轮廓线,每层深度以 600mm 为宜,每层应清底,然后逐步挖掘。
(3)开挖大面积浅基坑,可沿坑三面同时开挖,挖出的土方装入手推车或翻斗车,由未开挖的一面运至弃土地点。
(4)在有存土条件的场地,肯定留足需要的回填土,多余土方运至弃土地点,避开二次搬运。
(5)在槽边堆放土时,应保证边坡稳定。
一般地,土方距槽边缘不小于1.0m 以外,高度不宜超过l.5m。
5.1.2修整边坡开挖放坡的坑〔槽〕时,先按施工方案规定的坡度粗略开挖,再分层按坡度要求每隔3m 左右做出一条坡度线,边坡应随挖随修整。
待挖至设计标高,由两端轴线引桩拉通线,检查距槽边尺寸,据此再统一修整一次边坡。
路基工程基坑开挖及回填技术交底记录路基工程基坑开挖及回填技术交底记录为了保证路基工程质量,我公司在基坑开挖及回填过程中进行了技术交底,现将交底记录如下:1. 基坑开挖前的准备工作1.1 组织对现场的前期调查,包括了解地质、地形等情况,确定开挖深度和宽度。
1.2 编制开挖方案,方案中应包含开挖深度与宽度的计算,开挖顺序、坑壁的支护处理等。
1.3 安排开挖用的机具和车辆,并制定安全规范。
2. 基坑开挖作业的实施2.1 保证开挖现场安全。
开挖坡度应符合相关规范,坑底必须坚实,不得影响地下设施和周边房屋的稳定性。
2.2 按开挖方案的要求进行施工。
开挖过程中需要进行监控和调整,保证开挖的深度和宽度在规定的范围内。
2.3 采用逐层开挖法,及时支护坑壁,在采用人工挖掘的情况下,必须穿戴合格的安全保护装备,防止坑壁坍塌。
2.4 开挖时需要注意对周边环境的影响,及时采取措施消除噪声、扬尘等污染,避免对周围居民造成不必要的干扰。
2.5 开挖结束后,清理现场,排放污水和废弃物的处理。
3. 基坑回填作业的实施3.1 回填前的准备工作。
需要清理开挖过程中遗留的杂物和污水,保证回填材料和坑底之间的接触面充分、紧密。
3.2 采用逐层回填法,回填过程中需要进行拍实和调整,保证回填材料的密实度和均匀性。
3.3 坚持严格的质量控制,确定每一层回填的厚度、材料和拍实方法,及时发现并处理不良现象。
4. 交底本次基坑开挖及回填过程完全按照事先制定的开挖方案和回填方案进行实施,保证了施工质量和安全,符合工程质量标准。
现场人员理解并遵守了安全、环保和文明施工规范,整个过程没有发生任何安全事故和质量问题。
5. 后续处理基坑开挖及回填项目的后续处理工作主要包括巡查、养护管理、验收、拆除、清理等。
我们将按照有关规定进行实施、监督和管理,确保项目顺利实施和达到预期的效果。
以上就是我们公司在路基工程基坑开挖及回填技术交底中的记录,我们将严格管理施工工作,确保项目的实施和管理更加规范、高效和安全。
土方开挖和回填技术交底记录一、项目背景及工程要求本项目是对地进行土方工程施工,包括开挖和回填两个阶段。
工程的总体目标是按照设计要求完成土方工程,确保地基的稳定和工程的安全性。
本次交底的重点是对土方开挖和回填技术进行详细的说明和指导,以确保施工过程中的质量和安全。
二、开挖技术交底1.施工前的准备工作1.1根据设计文件和工程指导要求,确定开挖范围、深度和坡度,绘制开挖模板,并测量和确定起始点。
1.2依据地质勘探结果,确定开挖过程中出现地下水、岩层、土层等特殊情况的处置方案,提前做好应对准备。
1.3清理施工现场,确保周围环境整洁。
2.开挖施工过程2.1按照模板要求进行开挖,控制开挖的深度和坡度,确保开挖面平整。
2.2在开挖的同时,及时处理遇到的地下水、岩层和土层等特殊情况,确保施工进度不受阻碍。
2.3做好现场安全防护工作,确保施工人员的人身安全。
3.开挖施工质量要求3.1确保开挖的深度和坡度符合设计要求。
3.2挖掘面要平整,不得有明显的凸起或凹陷。
3.3做好现场记录,记录开挖深度、坡度、遇到的特殊情况等信息,供后续工序参考。
三、回填技术交底1.施工前的准备工作1.1根据开挖的要求,提前准备好回填土料,并对土料进行检测,确保质量合格。
1.2检查开挖的坑底,确保坑底的平整度和坚实度,必要时进行处理。
1.3清理施工现场,确保周围环境整洁。
2.回填施工过程2.1将备好的土料按照设计要求进行回填,控制回填的均匀性和紧实度。
2.2在回填过程中,注意避免对已开挖的结构物造成损坏,如有需要,应及时进行加固。
2.3做好现场安全防护工作,确保施工人员的人身安全。
3.回填施工质量要求3.1回填土料的均匀性应符合设计要求,不得有大的凸起或凹陷。
3.2回填土料的紧实度要符合设计要求,确保稳定性和承载能力。
3.3做好现场记录,记录回填土料的用量、均匀性、紧实度等信息,供后续验收参考。
四、安全交底1.在整个施工过程中,必须严格按照工程安全操作规程进行作业,确保施工过程的安全。
土方开挖及回填工程施工技术交底记录地点:XX工地日期:20XX年XX月XX日一、项目背景和目标1.项目背景:本项目为土方开挖及回填工程,旨在满足XX需求。
2.项目目标:确保土方开挖及回填工程质量,按照规范进行施工,保证工程进度和安全。
二、施工内容和方法1.施工内容:a.土方开挖:根据设计要求,在规定范围和深度内进行土方开挖。
b.土方回填:将已开挖的土方回填至指定地点,并按要求进行压实处理。
2.施工方法:a.土方开挖:i.根据标准图纸和设计要求确定开挖区域和深度。
ii. 组织挖掘机械进行土方开挖,保证开挖面的平整和坡度的合理。
iii. 挖掘完成后,进行清理和检查,确保无遗漏及隐患。
b.土方回填:ii. 使用挖掘机等机械进行土方回填,按照层高要求进行分层回填。
iii. 每层回填后进行压实处理,使用压路机或震动压路机进行压实。
iv. 回填完成后,进行清理和检查,确保无杂物和坑洞。
三、施工要求和安全措施1.施工要求:a.施工人员必须持有相应的工作证件和资格证书。
b.挖掘机械等施工设备必须经过检测和维修,并安排专人进行操作。
c.施工现场必须保持整洁,及时清理泥土和杂物。
d.施工过程中必须按照设计要求和规范进行施工,严禁违规操作。
2.安全措施:a.施工人员必须穿戴好安全帽、安全鞋等个人防护装备。
b.在施工现场设置明显的安全警示标志,指导行人和车辆绕行。
c.在开挖和回填区域设置警戒线,防止他人靠近施工区域。
d.所有施工设备必须定期检查、维护和保养,确保安全使用。
四、质量控制和验收标准1.质量控制:a.施工过程中,必须按照设计要求和规范进行施工,确保开挖和回填的质量。
b.使用合适的施工设备和工具,确保施工质量和效率。
2.验收标准:a.开挖质量验收:开挖的深度、坡度、开挖区域平整度等需要符合设计要求。
b.回填质量验收:回填土方的厚度、层高以及压实度需要符合设计要求。
c.完工验收:工程完工后,进行清理和检查,确保无杂物和坑洞。
土方开挖与回填技术交底书一、工程概况本工程涉及土方开挖与回填作业,主要包括基础土方开挖、管道沟槽开挖以及土方回填等部分。
为确保施工质量和安全,特制定本技术交底书,以供施工人员参考执行。
二、开挖前准备1、核实施工图纸和现场地质勘察报告,了解地下管线、构筑物等分布情况,避免开挖过程中造成损坏。
2、根据施工图纸和地质条件,确定开挖边坡坡度、支护方式等参数。
3备好开挖所需的机械设备、工具和材料,确保设备状态良好,工具齐全。
三、开挖施工1、按照施工图纸要求,用白灰线标出开挖边界,并设置明显的警示标志。
2、采用挖掘机进行开挖作业,注意控制开挖深度和边坡坡度,避免超挖或边坡失稳。
3、开挖过程中,应随时检查地下管线、构筑物等是否受到损坏,如发现问题应及时上报并处理。
4、开挖完成后,应对基坑进行验收,确保符合设计要求。
四、回填施工1、回填前,应清除基坑内的杂物、积水等,确保回填质量。
2、根据设计要求,选择合适的回填材料,并按要求进行分层回填。
3、每层回填后,应使用夯实机械进行夯实,确保回填密实度符合设计要求。
4、回填过程中,应注意保护周边构筑物和管线,避免回填材料对其造成损坏。
五、安全注意事项1、施工人员应佩戴好安全帽、安全带等防护用品,确保人身安全。
2、机械设备操作人员应持证上岗,并严格按照操作规程进行操作。
3、开挖和回填过程中,应设置专人进行安全监护,及时发现并处理安全隐患。
4、遇有恶劣天气或地质条件复杂等情况,应及时停止施工并采取相应措施确保安全。
六、质量控制措施1、严格执行施工图纸和地质勘察报告中的相关要求,确保开挖和回填作业符合设计要求。
2、加强对开挖深度和边坡坡度的控制,避免超挖或边坡失稳现象的发生。
3、对回填材料进行质量检查,确保符合设计要求。
同时,加强回填密实度的检测和控制,确保回填质量达到要求。
4、定期对施工过程中的质量进行检查和评估,及时发现并处理质量问题,确保施工质量的稳定和可靠。
七、环保措施1、在施工过程中,应采取措施减少扬尘和噪音的产生,如设置围挡、洒水等。
土方开掘和回填工程技术交底(完整版)1. 背景和目的该文档旨在对土方开掘和回填工程技术进行详细交底,以确保工程顺利进行,并达到预期的目标。
通过本文档,我们能够了解到工程的具体要求、施工流程、质量控制措施等关键信息。
2. 施工要求土方开掘和回填工程的施工过程需要满足以下要求:- 合理规划施工现场,确保安全和高效。
- 选用合适的工具和设备进行土方开掘和回填。
- 遵守土方开掘和回填施工标准,确保施工质量和工程稳定性。
- 确保土方开掘和回填的施工过程符合环境保护法规的要求。
- 定期检查施工现场,及时发现并解决问题。
3. 施工流程土方开掘和回填工程的施工流程如下:1. 确定施工区域和开挖范围。
2. 执行土方开掘工作,按照设计要求进行开挖。
3. 进行地表排水和处理,确保施工现场的稳定和安全。
4. 检查土方开挖施工质量,确保符合设计要求。
5. 开始土方回填工作,采用适当的填土材料进行回填。
6. 严密控制回填土的压实程度,确保工程稳定性。
7. 定期进行施工质量检查,及时调整施工方法和措施。
4. 质量控制为确保土方开掘和回填工程的质量,我们需采取以下质量控制措施:- 使用符合标准和规范的土方开掘和回填设备和工具。
- 严格执行设计要求和规范,确保施工质量符合预期。
- 定期对施工现场和开挖区域进行检查和监测。
- 建立严格的记录和文档管理体系,保留施工过程的关键信息。
- 及时发现和解决施工中的质量问题,确保工程质量达标。
5. 安全防护施工过程中,必须严格遵守安全防护规定,确保施工人员的安全。
- 为施工人员提供必要的安全装备和防护用品。
- 定期开展安全培训,提高施工人员的安全意识。
- 落实安全管理责任制,明确各级人员的职责和义务。
- 设立安全监测系统,监测施工现场的危险因素。
- 及时处理和记录施工事故和安全问题。
以上是土方开掘和回填工程技术交底的完整版文档,旨在确保工程质量、安全和顺利进行。
在施工过程中,请大家密切配合,共同努力,确保工程的成功完成。
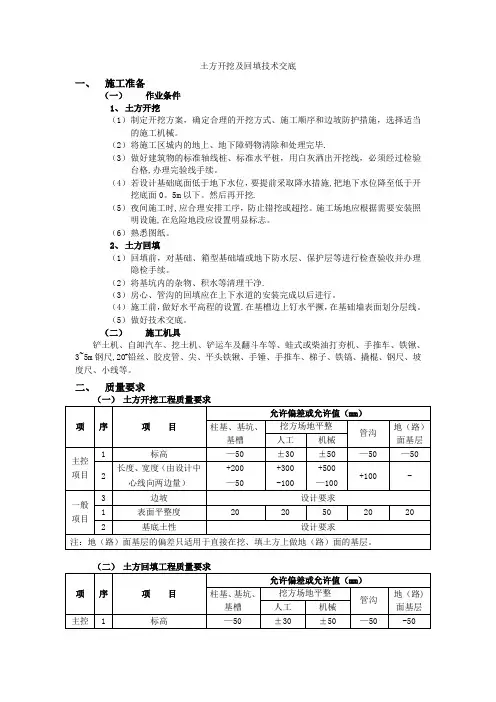
土方开挖及回填技术交底一、施工准备(一)作业条件1、土方开挖(1)制定开挖方案,确定合理的开挖方式、施工顺序和边坡防护措施,选择适当的施工机械。
(2)将施工区城内的地上、地下障碍物清除和处理完毕.(3)做好建筑物的标准轴线桩、标准水平桩,用白灰洒出开挖线,必须经过检验台格,办理完验线手续。
(4)若设计基础底面低于地下水位,要提前采取降水措施,把地下水位降至低于开挖底面0。
5m以下。
然后再开挖.(5)夜间施工时,应合理安排工序,防止错挖或超挖。
施工场地应根据需要安装照明设施,在危险地段应设置明显标志。
(6)熟悉图纸。
2、土方回填(1)回填前,对基础、箱型基础墙或地下防水层、保护层等进行检查验收并办理隐检手续。
(2)将基坑内的杂物、积水等清理干净.(3)房心、管沟的回填应在上下水道的安装完成以后进行。
(4)施工前,做好水平高程的设置.在基槽边上钉水平撅,在基础墙表面划分层线。
(5)做好技术交底。
(二)施工机具铲土机、自卸汽车、挖土机、铲运车及翻斗车等、蛙式或柴油打夯机、手推车、铁锹、3~5m钢尺,20#铅丝、胶皮管、尖、平头铁锹、手锤、手推车、梯子、铁镐、撬棍、钢尺、坡度尺、小线等。
二、质量要求(一)土方开挖工程质量要求(二)土方回填工程质量要求三、工艺流程(一)土方开挖确定开挖的顺序和坡度→沿灰线切出槽边轮廓线→分层开挖→修整槽边→清底(二)土方回填基坑(槽)底地坪上清理→检验土质→分层铺土、耙平→夯打密实→检验密实度→修整找平验收基坑底地坪上清理→检验土质→分层铺土→分层碾压密实→检验密实度→修整找平验收四、操作工艺(一)土方开挖1、人工开挖浅基础、管沟等测量放线→切线分层开挖→修坡→整平挖土自上而下水平分段进行,每层0.3m左右,边挖边检查槽宽,至设计标高后,统一进行修坡清底.相邻基坑开挖时,要按照先深后浅或同时进行开挖的原则施工。
2、机械开挖一般深度2m以内的大面积开挖,宜采用推±机或装载机淮土和装土;对长度和宽度较大的大面积土方一次开挖,可采用铲运机铲土;对面积大且深的基坑,可采用液压正、反铲开挖;深5m以上的设备基础或高层建筑地下室深基坑,宜分层开挖。
土方开挖与回填工程技术交底书一、工程概况1. 项目名称:XXX工程2. 工程地点:XXX地区3. 工程规模:XXX平方米4. 工程性质:XXX二、土方开挖与回填工程要求1. 土方开挖(1)根据设计图纸及施工规范要求,进行土方开挖,确保开挖边坡稳定,满足施工安全要求。
(2)开挖过程中,如有地下水,应采取降水措施,保证开挖面的稳定性。
(3)开挖出的土方应按指定位置堆放,不得占用道路、管线及其他施工设施。
(4)开挖过程中,遇到地质条件变化,应及时与设计单位、监理单位及业主沟通,制定相应的处理措施。
2. 土方回填(1)回填土应选用符合设计要求的土质,保证回填土的密实度,防止后期出现不均匀沉降。
(2)回填前,应清理开挖面的杂物、淤泥等,确保回填土的质量和稳定性。
(3)回填过程中,应按设计要求分层填筑、压实,每层回填厚度不得超出规定范围。
(4)回填土应均匀分布,避免出现土体集中、倾斜等现象。
(5)回填完成后,应进行变形监测,确保回填质量满足设计要求。
三、施工安全与环保措施1. 施工过程中,严格遵守国家有关安全生产的法律、法规和公司安全生产管理制度。
2. 施工人员应佩戴安全帽、安全带等个人防护用品,施工现场设置安全警示标志。
3. 土方开挖过程中,加强边坡稳定性监测,发现险情及时采取措施进行处理。
4. 如有降水措施,应确保降水设备安全运行,防止发生意外事故。
5. 土方堆放场地应进行硬化处理,防止土方滑坡、流失。
6. 施工过程中,加强环境保护,严格执行环保法规,确保施工场界环境质量。
7. 施工废水、废土应按规定进行处理,不得随意排放、堆放。
四、质量保证措施1. 严格遵循施工图纸及施工规范要求,确保施工质量。
2. 施工过程中,加强质量检查,对不合格工程及时进行整改。
3. 做好施工记录,为工程验收、维护提供依据。
4. 定期对施工人员进行技术培训,提高施工技能和质量意识。
五、组织管理与协调1. 建立健全项目组织机构,明确各岗位职责,确保施工顺利进行。
基坑土方(人工)开挖及回填技术交底亲爱的朋友,上文已完,为感谢你的阅读,特加送另一篇范文,如果下文你不需要,可以下载后编辑删除,谢谢!矿井水灾事故专项应急演练方案1 应急演练目的、意义和目标1.1应急演练目的①评估我矿水灾事故的应急准备状态,发现并修改我矿水灾事故专项应急预案和执行程序中存在的缺陷和不足;②评估我矿在发生水灾事故时的应急能力,识别处理水灾事故的资源需求,澄清相关单位和人员的应急职责,改善水灾事故应急救援中的组织协调问题;③检验应急响应人员对水灾事故应急预案及执行程序的了解程度和实际操作技能;同时,通过调整演练难度,进一步培训和提高应急响应人员的业务素质和能力;④提高全员安全意识。
1.2应急演练意义:为了进一步增强煤矿应对水灾事故的快速反应能力、应急处理能力和协调作战能力,提高米田煤矿的应急救援水平,切实保障人民生命和公司财产的安全,米田煤矿特组织本次应急救援演练。
1.3应急演练目标1.3.1 报警当发生水灾事故时,由现场施工单位当班第一责任者采用电话报警的方式进行报警。
1.3.2接警处警调度室接到事故报警后,调度室调度员立即向当天矿值班长和应急救援领导小组组长(矿长)汇报,同时通知水灾应急演练指挥部有关人员到调度室待命,根据指挥部意见,启动水灾应急救援预案。
1.3.3 应急指挥①基层单位:一旦发生矿井水灾事故,现场施工单位立即成立水灾事故现场处置小组,掘进队当班第一责任者为小组长。
②矿级应急指挥:矿调度室接到事故报警后,矿成立矿井水灾事故应急演练小组,指挥部设在矿调度室。
1.3.4 应急行动①基层单位应急行动现场组织人员按照避灾路线撤离至安全地点。
模拟底板涌水的疏、排;②矿级应急行动矿调度室通知相关泵房,由开泵人员立即开动工作、备用水泵开始排水;同时检查检修水泵的完好状况,保证检修水泵能够随时投入运转。
2 应急演练原则①安全第一、以人为本的原则。
②统一领导、分级负责的原则。
③反应迅速、措施果断的原则。
土方工程开挖及回填(三级交底)目录施工技术交底单(三级)施工技术交底单(二级)施工技术交底单(一级)安全技术交底单(三级)安全技术交底单(二级)安全技术交底单(一级)质量技术交底单(三级)质量技术交底单(二级)质量技术交底单(一级)施工技术交底单(三级)编号:交底负责人施工日期一、施工内容划分及工艺流程根据实际地形条件、开挖深度、地质情况,遵循开挖安全高效的原则,明挖应从上到下分层分段依次进行。
场地平整→测量放线→边坡防护安装→土方分层开挖→边坡修整→基坑底修整二、工期目标60天三、技术参数1、场地土石方工程开挖分三层进行,开挖深度为0.3~4.5m。
(1)第一层开挖至自然地坪下0.4~1.0m左右(覆土层),采用挖机修坡;(2)第二层开挖自然地坪下1.0m至4.5m左右(岩石层),采用挖机破碎锤破除岩石;(3)第三层采用人工清底至设计标高位置。
2、开挖深度≥3m区域,坡比为1:0.5,遇到特殊情况需要调整坡比及时与项目技术人员人员联系。
四、具体施工方法1、基坑边坡底及坡顶定位放线定位放线:根据现场已给出的水准点的高程坐标,根据规划红线、道路中心线、平面控制网定位,采用直角坐标法进行定位。
2、边坡防护栏杆安装(1)基坑开挖临边防护基坑四周使用钢管防护栏杆围蔽,防止人员靠近基坑;施工区域设醒目界限标志,严禁非施工人员进入施工现场。
工地内悬挂、张贴质量、安全文明、卫生宣传标语。
基坑上下搭设专用通道,严禁人员随边坡随意翻爬。
土方开挖阶段基坑临边防护,采用钢管扣件搭设,护栏高1.2m,立杆间距不大于2m,水平杆设置为距底部200mm、800mm、1200mm。
坑边四周1.5m范围内不得堆放土方或其它材料,并不得设置运输道路。
增设密目绿色安全立网做到封闭式防护。
栏杆不稳定时增加斜撑,防护远离边坡一侧设置400×400mm排水沟,当基层为原土基层时,钢管埋置深度为600mm。
基坑临边围护示意图(2)基坑施工中设置有效排水措施人员上下设置专用通道,垂直作业上、下应设置隔离防护措施。
基坑土方(人工)开挖及回填技术交底亲爱的朋友,上文已完,为感谢你的阅读,特加送另一篇范文,如果下文你不需要,可以下载后编辑删除,谢谢!矿井水灾事故专项应急演练方案1 应急演练目的、意义和目标1.1应急演练目的①评估我矿水灾事故的应急准备状态,发现并修改我矿水灾事故专项应急预案和执行程序中存在的缺陷和不足;②评估我矿在发生水灾事故时的应急能力,识别处理水灾事故的资源需求,澄清相关单位和人员的应急职责,改善水灾事故应急救援中的组织协调问题;③检验应急响应人员对水灾事故应急预案及执行程序的了解程度和实际操作技能;同时,通过调整演练难度,进一步培训和提高应急响应人员的业务素质和能力;④提高全员安全意识。
1.2应急演练意义:为了进一步增强煤矿应对水灾事故的快速反应能力、应急处理能力和协调作战能力,提高米田煤矿的应急救援水平,切实保障人民生命和公司财产的安全,米田煤矿特组织本次应急救援演练。
1.3应急演练目标1.3.1 报警当发生水灾事故时,由现场施工单位当班第一责任者采用电话报警的方式进行报警。
1.3.2接警处警调度室接到事故报警后,调度室调度员立即向当天矿值班长和应急救援领导小组组长(矿长)汇报,同时通知水灾应急演练指挥部有关人员到调度室待命,根据指挥部意见,启动水灾应急救援预案。
1.3.3 应急指挥①基层单位:一旦发生矿井水灾事故,现场施工单位立即成立水灾事故现场处置小组,掘进队当班第一责任者为小组长。
②矿级应急指挥:矿调度室接到事故报警后,矿成立矿井水灾事故应急演练小组,指挥部设在矿调度室。
1.3.4 应急行动①基层单位应急行动现场组织人员按照避灾路线撤离至安全地点。
模拟底板涌水的疏、排;②矿级应急行动矿调度室通知相关泵房,由开泵人员立即开动工作、备用水泵开始排水;同时检查检修水泵的完好状况,保证检修水泵能够随时投入运转。
2 应急演练原则①安全第一、以人为本的原则。
②统一领导、分级负责的原则。
③反应迅速、措施果断的原则。