螺钉的拧紧力矩和检验方法
- 格式:doc
- 大小:48.50 KB
- 文档页数:3
螺栓拧紧力矩标准M6~M24螺钉或螺母的拧紧力矩(操作者参考)未注明拧紧力矩要求时,参考下表(普通螺栓拧紧力矩)未注明拧紧力矩要求时,参考下表(普通螺栓拧紧力矩)公制螺栓扭紧力矩 Q/STB 范围:本标准适用于机械性能级,规格从M6-M39的螺栓的扭紧力矩,对于使用尼龙垫圈、密封垫圈、其它非金属垫圈的螺栓,本标准不适用。
★对于设计图纸有明确力矩要求的,应按图纸要求执行。
套管螺母紧固力矩 Q/STB B07833-1998紧固件的同行!您好!我是mDesign机械设计平台中国区总代理。
非常期待与您的合作。
我们希望在紧固件领域能有所作为。
我姓张,联系电话137*。
以下是MDESIGN机械设计平台的简要介绍:?? mDesign是源于德国的一款机械设计平台。
软件编制始于1983年,主要由mDesign公司、德累斯顿工业大学(Technische?Universit?t?Dresden)、VDI(德国工程师协会)、DIN的人员一同编制完成。
?软件主要是基于德国机械标准(VDI、DIN以及ISO)进行编制,对机械零件(齿轮、轴、轴承、螺栓、梁、联轴器、皮带、链条、胶接等等)进行计算和验证。
轴基于DIN743,高强度螺栓基于VDI2230,齿轮尺寸设计基于DIN3960,齿轮强度校核基于DIN3990/ISO6336。
MDESIGN对高强度螺栓、轴、齿轮箱、LVR、LVR?planet开发了独立的模块,除这些模块同时可对计算结果进行优化。
以下是这5个模块的主要功能:高强度螺栓模块:高温低温工况服役的螺栓、可计算最多5层的被连接件、空心螺栓、自定义齿轮螺栓、不可简化的多螺栓分布、偏心负载工况。
同时我公司聘请了德国波鸿大学的技术支持,专门研究vdi2230的。
以下模块如果您有朋友在做的话也请帮忙推荐。
轴模块:同时对一根轴的8个轴承和50个轴段进行设计、校验和优化、空心轴、锥形轴、自定义槽口、寿命以及疲劳。
齿轮模块:齿轮设计、校验及优化,齿轮修形,行星轮修形。
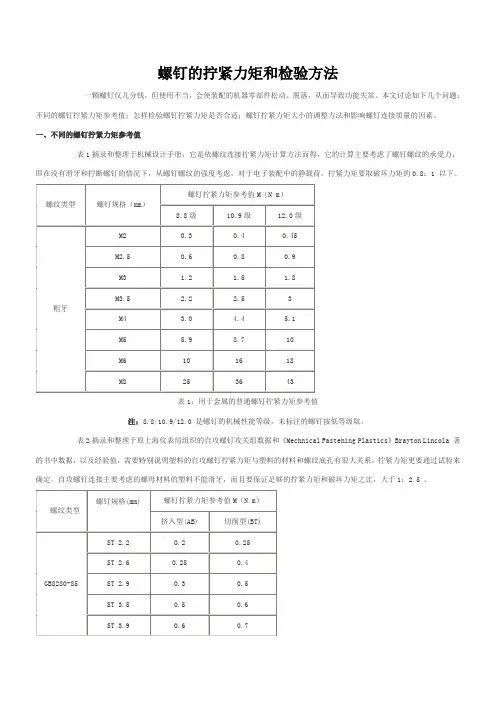
螺钉的拧紧力矩和检验方法一颗螺钉仅几分钱,但使用不当,会使装配的机器零部件松动、脱落,从而导致功能失常。
本文讨论如下几个问题:不同的螺钉拧紧力矩参考值;怎样检验螺钉拧紧力矩是否合适;螺钉拧紧力矩大小的调整方法和影响螺钉连接质量的因素。
一、不同的螺钉拧紧力矩参考值表1摘录和整理于机械设计手册,它是依螺纹连接拧紧力矩计算方法而得,它的计算主要考虑了螺钉螺纹的承受力,即在没有滑牙和拧断螺钉的情况下,从螺钉螺纹的强度考虑,对于电子装配中的静载荷,拧紧力矩要取破坏力矩的0.8:1 以下。
螺钉拧紧力矩参考值M(N m)螺纹类型螺钉规格(mm)8.8级10.9级12.0级M20.30.40.45M2.50.60.80.9M3 1.2 1.5 1.8M3.5 2.2 2.53粗牙M4 3.0 4.4 5.1M5 5.98.710M6101618M8253643表1:用于金属的普通螺钉拧紧力矩参考值注:8.8/10.9/12.0 是螺钉的机械性能等级,未标注的螺钉按低等级取。
表2摘录和整理于原上海仪表局组织的自攻螺钉攻关组数据和《Mechnical Fastening Plastics》Brayton Lincola 著的书中数据,以及经验值,需要特别说明塑料的自攻螺钉拧紧力矩与塑料的材料和螺纹底孔有很大关系,拧紧力矩更要通过试验来确定。
自攻螺钉连接主要考虑的螺母材料的塑料不能滑牙,而且要保证足够的拧紧力矩和破坏力矩之比,大于1:2.5 。
螺钉拧紧力矩参考值M(N m)螺钉规格(mm)螺纹类型挤入型(AB)切削型(BT)ST 2.20.20.25ST 2.60.250.4ST 2.90.30.5GB8280-85ST 3.50.50.6ST 3.90.60.7表2:用于塑料的自攻螺钉拧紧力矩参考值注:表中的螺母材料是塑料 ABS 。
二、装配时螺钉拧紧力矩的确定螺钉拧紧力矩仅依靠理论计算是不够的,在实际应用中螺钉连接拧紧力矩主要是满足产品在工作、运输中的紧固和防松动。
螺栓拧紧力矩标准M6~M24螺钉或螺母的拧紧力矩操作者参考未注明拧紧力矩要求时,参考下表普通螺栓拧紧力矩未注明拧紧力矩要求时,参考下表普通螺栓拧紧力矩公制螺栓扭紧力矩Q/STB 范围:本标准适用于机械性能级,规格从M6-M39的螺栓的扭紧力矩,对于使用尼龙垫圈、密封垫圈、其它非金属垫圈的螺栓,本标准不适用;★对于设计图纸有明确力矩要求的,应按图纸要求执行;套管螺母紧固力矩Q/STB B07833-1998材料HPb63-3Y2直通式压注油杯Q/STB B07020-1998螺纹M6、M81、M101 紧固力矩:-0.5Kg;安全阀Q/STB B07029-1998 螺纹R1/8紧固力矩:;通气塞Q/STB B07030-1998 螺纹R1/4紧固力矩:;螺塞Q/STB B07040-1998公称直径08-10螺距,12-36螺距螺栓排气Q/STB B07060-1998M12紧固力矩:;软管锥形密封Q/STB B07100-1998软管锥形密封Q/STB B07123-1998接头部螺母拧紧力矩螺母球头式管接头用Q/STB B07201-1998 拧紧力矩:材料:Q235管接头螺母Q/STB B07202-1998拧紧力矩Q235 / HPb 59-1铰接螺栓Q/STB B07206-1998拧紧力矩Q235球头式端直通接头Q/STB B07211-199860-1拧紧力矩Q235 HPb管接头Q/STB B07212-19985、7的件材料Q235紧固力矩区分代号为套管螺母Q/STB B07221-1998拧紧力矩材料Q235管接头Q/STB B07230-1998拧入紧固力矩Q235弯头带座Q/STB B07235-1998 、B07236-1998 拧紧力矩喉箍Q/STB B07281-1998拧紧力矩U形管夹及座Q/STB B07283-1998螺母的紧固力矩区分代号2、3使用管夹Q/STB B07289-1998有效紧固直径φ25-φ232 紧固力矩:±05Nm套管接头Q/STB B07290-1998套管螺母Q/STB B07833-1998B09488-1998软管空调器用Q/STB。
螺钉拧紧力矩标准螺钉拧紧力矩是指在螺纹连接中,用于产生预紧力或者限制零件相对运动的一种力矩。
螺钉拧紧力矩标准是指在螺纹连接中,规定了螺纹连接在拧紧过程中所需要的力矩数值范围,以确保连接的可靠性和安全性。
螺钉拧紧力矩标准的制定对于机械制造和装配具有重要意义,它可以保证螺纹连接的质量,防止因拧紧力矩不足或者过大而导致的螺纹松动或者损坏。
螺钉拧紧力矩标准的制定需要考虑多方面因素,包括螺纹连接的材料、尺寸、工作环境、受力情况等。
一般来说,螺纹连接的材料越硬、尺寸越大、受力情况越严峻,所需的拧紧力矩就越大。
而在特定的工作环境下,也需要根据实际情况来确定合适的拧紧力矩数值范围。
因此,螺钉拧紧力矩标准的制定需要综合考虑各种因素,以确保螺纹连接的安全可靠。
在实际应用中,螺钉拧紧力矩标准的执行需要依靠专用的工具和设备来实现。
通常情况下,会采用扭力扳手、液压扭矩扳手、电动扭矩扳手等专用工具来进行螺钉的拧紧,以确保拧紧力矩的准确控制。
在进行螺钉拧紧时,操作人员需要根据具体的螺纹连接要求,选择合适的扭矩数值,并严格按照标准操作程序进行拧紧,以确保螺纹连接的质量。
除了严格执行螺钉拧紧力矩标准外,还需要对螺纹连接进行定期的检查和维护。
定期检查螺钉拧紧力矩是否符合标准要求,及时发现并处理拧紧力矩不足或者过大的情况,以确保螺纹连接的安全可靠。
同时,还需要对螺纹连接进行润滑、防锈等维护工作,延长螺纹连接的使用寿命。
总之,螺钉拧紧力矩标准的制定和执行对于螺纹连接的质量和安全具有重要意义。
只有严格按照标准要求进行操作,并定期进行检查和维护,才能确保螺纹连接的可靠性和安全性。
希望各位操作人员能够认真对待螺钉拧紧力矩标准,做好螺纹连接的安装和维护工作,确保设备和工程的安全运行。
螺钉拧紧力矩标准螺钉拧紧力矩标准是指在螺纹连接中,为了达到一定的连接强度和密封性能,需要给螺钉施加一定的拧紧力矩。
螺钉拧紧力矩标准的制定对于确保螺纹连接的可靠性和安全性具有重要意义。
本文将对螺钉拧紧力矩标准进行详细介绍,包括标准的制定依据、应用范围、测量方法等内容。
螺钉拧紧力矩标准的制定依据主要包括国家标准、行业标准和企业标准。
国家标准是指由国家标准化管理委员会制定并公布的具有普遍适用性的标准,对于保障产品质量、安全性和环保性具有重要作用。
行业标准是指由行业协会或组织制定的,具有行业内普遍适用性的标准,对于规范行业发展和提高产品质量具有重要意义。
企业标准是指由企业依据国家标准和行业标准制定的,适用于企业内部的标准,对于保障企业产品质量和安全性具有重要作用。
螺钉拧紧力矩标准的应用范围涵盖了机械制造、汽车制造、航空航天、船舶制造等多个领域。
在这些领域中,螺钉连接是一种常见的连接方式,对于产品的安全性和可靠性具有重要作用。
因此,制定和执行螺钉拧紧力矩标准对于确保产品质量和安全性具有重要意义。
螺钉拧紧力矩的测量方法主要包括手动测量和自动测量两种方式。
手动测量是指通过手动扭力扳手或扭矩扳手进行测量,适用于一些小批量生产和维修保养场合。
自动测量是指通过电动扭力扳手或气动扭力扳手进行测量,适用于大批量生产和自动化生产线。
在进行螺钉拧紧力矩测量时,需要根据具体的螺纹规格和连接要求选择合适的测量方法,并严格按照标准要求进行测量,以确保螺钉连接的可靠性和安全性。
总之,螺钉拧紧力矩标准的制定和执行对于确保产品质量和安全性具有重要意义,需要依据国家标准、行业标准和企业标准进行制定,并严格执行标准要求。
在实际应用中,需要根据具体的螺纹规格和连接要求选择合适的测量方法,并严格按照标准要求进行测量,以确保螺钉连接的可靠性和安全性。
高强螺栓扭矩检查标准高强螺栓扭矩检查是工程施工中非常重要的一项工作,它直接关系到工程结构的安全可靠。
在进行高强螺栓扭矩检查时,需要严格按照标准操作,确保检查结果的准确性和可靠性。
本文将详细介绍高强螺栓扭矩检查的标准操作流程和注意事项。
一、检查前的准备工作。
在进行高强螺栓扭矩检查之前,需要做好以下准备工作:1. 确认检查的螺栓规格和型号,以及所需的扭矩数值范围。
2. 准备好相应的扭力扳手和扭矩表,确保其准确度和可靠性。
3. 对工作人员进行相关的安全培训,确保其了解操作规程和安全注意事项。
二、检查操作流程。
1. 清理螺栓孔和螺栓表面,确保无油污和杂物。
2. 将扭力扳手按照规定的扭矩数值进行调校,并进行零位校准。
3. 使用扭力扳手对螺栓进行逆时针松动,直至松开。
4. 用合适的工具将螺栓拆卸下来,检查螺栓和螺栓孔的状况,确保无损坏和变形。
5. 清理螺栓孔和螺栓表面,再次确认无油污和杂物。
6. 涂抹适量的润滑脂,确保螺栓的装配和拧紧过程顺畅。
7. 将螺栓装配到螺栓孔中,并用力旋紧到规定的扭矩数值。
8. 使用扭力扳手对螺栓进行顺时针拧紧,直至无法再拧动。
9. 对拧紧后的螺栓进行检查,确保其安装牢固,无松动现象。
10. 记录下每个螺栓的扭矩数值和检查结果,以备后续的验收和跟踪。
三、注意事项。
1. 在进行扭矩检查时,要确保工作环境安静,避免外界干扰。
2. 检查人员要穿戴好相关的防护用具,确保人身安全。
3. 在使用扭力扳手时,要注意其使用范围和限制,避免超负荷使用。
4. 对于不同规格和型号的螺栓,要使用相应的扭矩数值进行检查,避免混淆和错误。
5. 在检查过程中,要严格按照操作流程进行,确保每个步骤的准确性和完整性。
通过本文的介绍,相信大家对高强螺栓扭矩检查标准有了更深入的了解。
只有严格按照标准操作流程进行检查,才能保证工程结构的安全可靠。
希望大家在工程施工中能够严格遵守相关标准,确保工程质量和施工安全。
螺钉的拧紧力矩和检验方法一颗螺钉仅几分钱,但使用不当,会使装配的机器零部件松动、脱落,从而导致功能失常。
本文讨论如下几个问题:不同的螺钉拧紧力矩参考值;怎样检验螺钉拧紧力矩是否合适;螺钉拧紧力矩大小的调整方法和影响螺钉连接质量的因素。
一、不同的螺钉拧紧力矩参考值表1摘录和整理于机械设计手册,它是依螺纹连接拧紧力矩计算方法而得,它的计算主要考虑了螺钉螺纹的承受力,即在没有滑牙和拧断螺钉的情况下,从螺钉螺纹的强度考虑,对于电子装配中的静载荷,拧紧力矩要取破坏力矩的0.8:1 以下。
表1:用于金属的普通螺钉拧紧力矩参考值注:8.8/10.9/12.0 是螺钉的机械性能等级,未标注的螺钉按低等级取。
表2摘录和整理于原上海仪表局组织的自攻螺钉攻关组数据和《Mechnical Fastening Plastics》Brayton Lincola 著的书中数据,以及经验值,需要特别说明塑料的自攻螺钉拧紧力矩与塑料的材料和螺纹底孔有很大关系,拧紧力矩更要通过试验来确定。
自攻螺钉连接主要考虑的螺母材料的塑料不能滑牙,而且要保证足够的拧紧力矩和破坏力矩之比,大于1:2.5 。
表2:用于塑料的自攻螺钉拧紧力矩参考值注:表中的螺母材料是塑料 ABS 。
二、装配时螺钉拧紧力矩的确定螺钉拧紧力矩仅依靠理论计算是不够的,在实际应用中螺钉连接拧紧力矩主要是满足产品在工作、运输中的紧固和防松动。
螺钉的紧固和防松动的检验常用振动试验来验证。
振动试验可以根据不同的产品,依据国家相关的可靠性、环境试验标准来确定。
综上所述,合适的螺钉拧紧力矩的确定,应该是依据表中“螺钉拧紧力矩参考值”,装配一批产品,然后实际观察螺钉是否拧到位,有无螺纹滑牙和损伤,以及拧断螺钉的现象;同时按产品标准做振动试验,螺钉连接不能发生松动现象。
三、怎样知道和调整装配时螺钉拧紧力矩的大小首先,应该用一个力矩测试仪去校验用来装配的电动起子。
具体方法是确定螺钉拧紧力矩后,电动起子手工调整大致位置,再用力矩测试仪去校验。
内六角螺钉拧紧力矩标准
内六角螺钉是一种常用的紧固件,通常用于连接机械结构,具有较高的承载能力和抗震能力。
然而,在使用内六角螺钉时,拧紧力矩的标准对于连接件的安全性和稳定性至关重要。
本文将探讨内六角螺钉拧紧力矩标准的相关内容。
内六角螺钉拧紧力矩的定义
拧紧力矩是指在安装内六角螺钉时需要施加的扭矩大小,用于将螺钉连接件紧固在工件上。
合适的拧紧力矩可以确保螺钉连接紧固牢固,不易松动,从而保障机械结构的安全性和稳定性。
内六角螺钉拧紧力矩标准的制定
为确保内六角螺钉在使用过程中的安全可靠性,国际标准化组织和相关行业制定了一系列的拧紧力矩标准。
这些标准通常考虑了螺纹尺寸、材料硬度、工件材料等因素,以确保螺钉连接具有正确的紧固力矩。
内六角螺钉拧紧力矩的测量方法
测量内六角螺钉的拧紧力矩是确保正确拧紧的关键一步。
通常可以使用扭力扳手或扭矩扳手进行测量,确保施加的力矩符合标准要求。
内六角螺钉拧紧力矩标准的应用
在实际使用中,根据内六角螺钉的规格和工作环境的要求,选择适当的拧紧力矩标准进行使用。
合适的拧紧力矩不仅可以确保螺钉连接的牢固,还可以延长机械结构的使用寿命。
结语
内六角螺钉拧紧力矩标准在工程实践中扮演着重要的角色,对于机械结构的安全性和稳定性至关重要。
了解和遵守相关标准,正确测量和施加拧紧力矩,是确保内六角螺钉连接可靠的关键步骤。
希望本文的内容能对内六角螺钉拧紧力矩标准有所帮助。
螺钉锁紧力矩的选择方法
螺钉锁紧力矩的选择方法可以概括以下几点:
1. 根据螺钉规格确定试验拧紧力矩
查找相关标准,根据螺钉材质、尺寸参数,确定试验拧紧时的扭矩值Tt。
2. 进行试验拧紧
用扭矩扳手或扭矩测试仪,对待锁固件进行Tt力矩下的试验拧紧,不能超过Tt。
3. 检查接触面情况
拆下试验拧紧的螺钉,检查螺纹接触面和接头密合情况。
4. 确定实际拧紧扭矩
根据接触面情况,结合安全系数,确定实际的拧紧设计扭矩Ts。
5. 标注扭矩值
在使用说明或标牌上清晰标注Ts拧紧扭矩值,避免操作人员错误拧紧。
6. 准备扭矩工具
准备与Ts匹配的扭矩扳手或扭矩螺丝刀,保证实际拧紧达到设计扭矩。
7. 定期检查维护
在使用过程中定期检查螺钉的松紧程度,防止松动松脱;必要时进行再次拧紧。
8. 更换损坏螺钉
发现损坏变形的螺钉要立即更换,不能重复使用。
选择合适的锁紧力矩,既可以保证螺钉连接的可靠性,也可以防止因过拧造成螺钉本身的损坏。
螺钉的拧紧力矩和旋松力矩1. 引言嘿,朋友们!今天咱们聊聊那些小小的螺钉,它们可真是工程界的“默默无闻英雄”。
不管是你家那扇晃晃悠悠的门,还是你心爱的电脑,都少不了它们的身影。
说到这儿,你可能会想,螺钉有什么好讲的?别急,今天我们要重点聊聊“拧紧力矩”和“旋松力矩”,这可是让螺钉发挥威力的关键哦!让我们一起深入这个“紧”密的世界,探个究竟!2. 拧紧力矩2.1 什么是拧紧力矩?首先,拧紧力矩可不是随便说说的,它是一个科学的概念。
简单来说,就是用力把螺钉拧进材料里的劲儿。
想象一下,像是你在给一个小孩子扎辫子,要用点力气,才能把辫子扎得又紧又漂亮。
如果力道不够,辫子可就松松垮垮,随时可能散开。
而螺钉也是一样,拧紧得恰到好处,才能让它稳稳地呆在那儿,不给你捣乱。
2.2 拧紧力矩的好处那么,拧紧力矩带来啥好处呢?说实话,它的好处可多了。
首先,拧得紧,连接得稳,能大大提升整体结构的强度。
这就好比你穿的鞋带,如果绑得结结实实,不但不会掉,走起路来也倍儿舒服。
其次,合适的力矩还能防止螺钉因为震动而松动,这样你就不用担心家里的书架会因为一本书的重量而轰然倒塌。
多么安心啊,心里瞬间踏实了不少!3. 旋松力矩3.1 旋松力矩的定义接下来,我们再来聊聊旋松力矩。
你可能会问,旋松力矩又是个啥?其实,它就是指将螺钉从材料里拧出来所需要的力气。
想象一下,如果你用力扭开一个罐头盖,有时候使劲不够,罐头盖就跟你“死磕”到底,一点儿都不配合。
但只要找到合适的角度,再加上点儿巧劲,哗啦一下,盖子就开了!这也是旋松力矩的魔力所在。
3.2 旋松力矩的应用旋松力矩的作用可不止在于打开罐头。
比如,咱们在维修车子时,如果轮胎的螺钉旋松力矩不够,可能就得用上工具,不然光凭手劲是没戏的。
这里面有个小窍门,适合你我这样的“手残党”,就是用“交叉拧”的方式。
这样不仅能均匀施力,还能避免螺钉变形,省事儿又省力,真是一举两得的好办法!4. 拧紧与旋松的平衡4.1 拧紧与旋松的关系好啦,现在咱们已经知道了拧紧力矩和旋松力矩的基本概念,接下来要说的是,这两者其实是息息相关的。
螺钉力矩及检验方法螺钉力矩是指施加在螺钉上的力矩大小。
螺钉力矩的正确选择和控制对于螺纹连接的可靠性和安全性至关重要。
在工程实践中,通常需要进行螺钉力矩的检验,以确保连接的稳定和合格。
本文将详细介绍螺钉力矩及其检验方法。
一、螺钉力矩的定义及意义螺钉力矩是指在螺钉上施加的力产生的扭矩大小。
螺钉力矩的选择和控制是保证螺纹连接牢固和稳定的关键,它直接影响连接件的紧固性能和寿命。
螺钉力矩的过大或过小都会对连接造成不良的影响,比如过大的力矩会导致螺钉断裂,过小的力矩则可能导致连接间隙增大,影响连接的可靠性。
螺钉力矩的选择应考虑到以下几个因素:1.连接件的材料和强度等级;2.工作条件下的载荷和振动;3.紧固力的要求和连接件的尺寸。
二、螺钉力矩的检验方法螺钉力矩的检验通常采用以下两种方法进行:1.直接测量法直接测量法是通过使用力矩扳手或扭矩表来测量螺钉力矩。
具体步骤如下:(1)选用适当的力矩扳手或扭矩表,并进行校准;(2)将力矩扳手或扭矩表与螺钉连接,确保其与螺纹连接表面紧密贴合;(3)施加力矩使其达到设定值,并记录下读数;(4)重复上述步骤,对不同的螺钉进行检测。
2.预紧法预紧法是通过对螺钉进行固定力矩预紧,然后测量继续紧固所需的补充力矩来检验螺钉力矩是否合格。
具体步骤如下:(1)将螺钉连接好,用合适的工具施加预紧力矩;(2)等待一段时间(通常为15分钟到24小时),使螺钉连接恢复稳定;(3)使用力矩扳手或扭矩表测量继续紧固所需的补充力矩;(4)记录下读数,并与螺钉的设定力矩进行比较。
三、螺钉力矩检验注意事项在进行螺钉力矩检验时,需要注意以下几个方面:1.使用合适的力矩扳手或扭矩表,确保其准确度和可靠性;2.在测量力矩前,要确保螺钉连接处干净、干燥,无杂质和油污;3.测量力矩时,力矩扳手或扭矩表要与螺纹连接表面紧密贴合,以减少测量误差;4.测量力矩时要稳定施力,避免快速施加或突然减小力矩;5.注意力矩单位的转换,确保测量结果的准确性;6.在进行预紧法检验时,预紧力矩应适当,避免过大或过小对连接产生影响。
螺钉拧紧力矩标准螺钉拧紧力矩标准是指在紧固螺钉时所需的力矩大小,它是保证螺钉连接可靠性的重要参数。
螺钉拧紧力矩标准的制定对于工程结构的安全性和可靠性具有重要意义。
本文将对螺钉拧紧力矩标准进行详细介绍,以便读者更好地理解和应用。
螺钉拧紧力矩标准的制定是基于螺纹连接的力学原理和材料力学性能的基础上进行的。
螺钉连接的紧固力来自于螺纹的副法向力和轴向力,而这些力的大小与拧紧力矩密切相关。
因此,螺钉拧紧力矩标准的制定需要考虑到螺纹的形状、材料的强度、工作环境的温度和湿度等因素,以确保螺钉连接在各种工况下都能够满足要求。
在实际工程中,螺钉拧紧力矩标准的选择和应用是非常重要的。
过小的拧紧力矩会导致螺钉连接松动,甚至脱落,从而影响工程结构的安全性;而过大的拧紧力矩则会导致螺纹过紧,甚至损坏螺纹,从而影响工程结构的可靠性。
因此,正确选择和应用螺钉拧紧力矩标准对于工程结构的设计和施工具有重要意义。
螺钉拧紧力矩标准的选择应该根据实际工程的要求进行。
一般来说,螺钉拧紧力矩标准的选择应考虑到以下几个方面,首先,要考虑螺钉的规格和材料,不同规格和材料的螺钉所需的拧紧力矩是不同的;其次,要考虑螺钉连接的工作环境,不同的工作环境对螺钉连接的要求也是不同的;最后,要考虑螺钉连接的重要性,对于一些承载重要的螺钉连接,其拧紧力矩标准应该更加严格。
在实际应用中,螺钉拧紧力矩标准的选择还需要考虑到施工工艺和设备的限制。
有些情况下,由于施工设备的限制,可能无法满足螺钉拧紧力矩标准的要求,这就需要根据实际情况进行调整和优化。
因此,在选择和应用螺钉拧紧力矩标准时,需要综合考虑各种因素,以确保螺钉连接的安全可靠。
总之,螺钉拧紧力矩标准的选择和应用对于工程结构的安全性和可靠性具有重要意义。
在实际工程中,需要根据螺钉的规格和材料、工作环境和施工工艺等因素综合考虑,选择合适的螺钉拧紧力矩标准,并严格按照标准要求进行施工和检测,以确保螺钉连接的安全可靠。
螺钉拧紧力矩标准螺钉拧紧力矩是指在螺纹连接中,为了使连接件之间产生一定的压力而需要施加的扭矩。
螺钉拧紧力矩的大小直接影响着螺纹连接的紧固质量,因此在工程实践中,对螺钉拧紧力矩的控制至关重要。
一、螺钉拧紧力矩的重要性。
螺钉拧紧力矩的大小直接影响着螺纹连接的紧固质量。
如果拧紧力矩过小,会导致螺纹连接松动,从而影响设备的正常运行;如果拧紧力矩过大,会导致螺纹连接过紧,甚至造成螺纹损坏,影响设备的使用寿命。
因此,合理控制螺钉拧紧力矩对于保证螺纹连接的可靠性和安全性至关重要。
二、螺钉拧紧力矩的标准。
螺钉拧紧力矩的标准是根据螺纹连接的工作条件、材料、尺寸等因素来确定的。
在国际上,对于螺纹连接的拧紧力矩有一系列的标准规定,如ISO、GB、DIN等。
这些标准规定了不同类型、尺寸的螺纹连接所需的拧紧力矩范围,以及拧紧力矩的测量方法和工具。
三、螺钉拧紧力矩的计算方法。
螺钉拧紧力矩的计算方法主要包括两种:一种是根据螺纹连接的工作条件和材料特性来确定拧紧力矩;另一种是根据预紧力和摩擦力来计算拧紧力矩。
其中,根据预紧力和摩擦力来计算拧紧力矩的方法比较常见,通常采用下式进行计算:M = Fd。
其中,M为拧紧力矩,单位为N·m;F为预紧力,单位为N;d为螺纹公称直径,单位为mm。
四、螺钉拧紧力矩的测量与控制。
螺钉拧紧力矩的测量和控制是保证螺纹连接质量的关键。
通常采用扭力扳手、扭矩扳手等专用工具来进行螺钉拧紧力矩的控制和调整。
在实际操作中,需要根据螺纹连接的要求和标准,合理选择合适的工具和方法来进行拧紧力矩的测量和控制,以确保螺纹连接的可靠性和安全性。
五、螺钉拧紧力矩的注意事项。
在进行螺钉拧紧力矩的操作过程中,需要注意以下几点:1. 严格按照螺纹连接的标准和要求进行操作,不得随意调整拧紧力矩;2. 在使用扭力扳手、扭矩扳手等工具时,需要保证工具的准确性和可靠性;3. 在拧紧螺钉时,需要根据螺纹连接的要求和标准,选择合适的润滑剂和防松装置;4. 对于重要的螺纹连接,需要定期检查和校准拧紧力矩,以确保螺纹连接的可靠性和安全性。
螺钉的拧紧力矩和检验方法螺钉是一种常用的紧固件,用于将两个或多个物体牢固地连接起来。
在实际使用中,螺钉的拧紧力矩非常重要,它直接影响螺钉的紧固效果和连接件的安全性。
本文将介绍螺钉的拧紧力矩和检验方法。
一、螺钉的拧紧力矩1.控制螺钉的紧固力:拧紧力矩越大,螺钉的紧固力越大;反之,拧紧力矩越小,螺钉的紧固力越小。
2.防止松动:适当的拧紧力矩能够使螺钉的各个部件之间产生足够的摩擦力,防止螺钉在振动或受外力作用下松动。
3.保护螺纹:正确的拧紧力矩能够保护螺钉的螺纹,避免螺纹过紧或过松,导致损坏或失效。
二、螺钉拧紧力矩的检验方法1.扭矩扳手法:扭矩扳手是一种专门用于测量和调整螺钉拧紧力矩的工具。
通过将扭矩扳手与螺钉头连接,并根据所需的拧紧力矩进行调校,可以精确地控制拧紧力矩。
2.拉力测试仪法:拉力测试仪可以直接测量出螺钉施加的拉力,从而间接得出拧紧力矩。
这种方法适用于不便使用扭矩扳手的场合。
3.拧紧角度法:对于一些特定类型的螺钉或连接件,拧紧角度也可以作为拧紧力矩的一种衡量指标。
通过测量螺钉在拧紧过程中的角度变化,可以推算出拧紧力矩。
4.拧紧力矩标准值法:根据螺钉的规格和使用要求,确定其拧紧力矩的标准值。
当螺钉拧紧力矩达到标准值时,认为螺钉已经正确拧紧。
需要注意的是,不同类型的螺钉和连接件有不同的拧紧力矩要求,需要根据具体的使用要求进行选择和调整。
此外,拧紧力矩还可能受到摩擦力、润滑情况、螺纹形式等因素的影响,因此在实际使用中需要综合考虑各种因素进行调整。
总结:螺钉的拧紧力矩是螺钉紧固的重要参数,对连接件的安全性和可靠性有着直接的影响。
通过合适的检验方法(如扭矩扳手法、拉力测试仪法、拧紧角度法、拧紧力矩标准值法)可以确保螺钉的拧紧力矩处于正确的范围内,提高连接件的使用性能。
在实际应用中,还需要根据螺钉和连接件的具体要求进行选择和调整,确保紧固效果和安全性。
螺钉的拧紧力矩和检验方法
一颗螺钉仅几分钱,但使用不当,会使装配的机器零部件松动、脱落,从而导致功能失常。
本文讨论如下几个问题:不同的螺钉拧紧力矩参考值;怎样检验螺钉拧紧力矩是否合适;螺钉拧紧力矩大小的调整方法和影响螺钉连接质量的因素。
一、不同的螺钉拧紧力矩参考值
表1摘录和整理于机械设计手册,它是依螺纹连接拧紧力矩计算方法而得,它的计算主要考虑了螺钉螺纹的承受力,即在没有滑牙和拧断螺钉的情况下,从螺钉螺纹的强度考虑,对于电子装配中的静载荷,拧紧力矩要取破坏力矩的0.8:1 以下。
表1:用于金属的普通螺钉拧紧力矩参考值
注:8.8/10.9/12.0 是螺钉的机械性能等级,未标注的螺钉按低等级取。
表2摘录和整理于原上海仪表局组织的自攻螺钉攻关组数据和《Mechnical Fastening Plastics》Brayton Lincola 著的书中数据,以及经验值,需要特别说明塑料的自攻螺钉拧紧力矩与塑料的材料和螺纹底孔有很大关系,拧紧力矩更要通过试验来确定。
自攻螺钉连接主要考虑的螺母材料的塑料不能滑牙,而且要保证足够的拧紧力矩和破坏力矩之比,大于1:2.5 。
表2:用于塑料的自攻螺钉拧紧力矩参考值
注:表中的螺母材料是塑料 ABS 。
二、装配时螺钉拧紧力矩的确定
螺钉拧紧力矩仅依靠理论计算是不够的,在实际应用中螺钉连接拧紧力矩主要是满足产品在工作、运输中的紧固和防松动。
螺钉的紧固和防松动的检验常用振动试验来验证。
振动试验可以根据不同的产品,依据国家相关的可靠性、环境试验标准来确定。
综上所述,合适的螺钉拧紧力矩的确定,应该是依据表中“螺钉拧紧力矩参考值”,装配一批产品,然后实际观察螺钉是否拧到位,有无螺纹滑牙和损伤,以及拧断螺钉的现象;同时按产品标准做振动试验,螺钉连接不能发生松动现象。
三、怎样知道和调整装配时螺钉拧紧力矩的大小
首先,应该用一个力矩测试仪去校验用来装配的电动起子。
具体方法是确定螺钉拧紧力矩后,电动起子手工调整大致位置,再用力矩测试仪去校验。
对于一些带负载能力不好的便携式电动起子,充电电池电力不足,引起的力矩变化,开始可以用力矩测试仪去校验,后续可以由有经验的工艺技术人员进行手工调整。
这样做的主要目的是提高生产的便利性。
四、影响螺钉连接质量的相关因素
①螺钉拧紧力矩;
②防松措施;
③螺钉的大小;
④螺钉螺距的大小;
⑤螺钉的材质,性能等级;
⑥螺钉的制造精度和热处理水平;
⑦螺纹底孔的大小;
⑧螺母螺纹攻丝的质量。
从螺钉的选择来说,产品设计图纸和装配工艺(SOP)应该规定上面的要素,比如在设计文件(装配图和BOM中)中螺钉的标注应该包含螺钉的名称、螺钉标准、螺钉的大小、螺钉的性能等级、螺钉的热处理,螺钉的表面处理,如:
螺钉标准的代号中往往已包含了螺钉的材质、螺纹头形、螺纹公差,当不注明某项时,就说明设计者不强调某个参数,可以选缺省值。
当对螺钉的颜色有要求时,应特别说明。
在装配图的技术要求中或装配工艺(SOP)中应写明螺钉拧紧力矩的值。
当一个螺钉连接出现质量问题时,可以依据设计图纸和工艺要求,从上述几个方面去分析和处理。