螺栓拧紧力矩表
- 格式:doc
- 大小:90.50 KB
- 文档页数:11
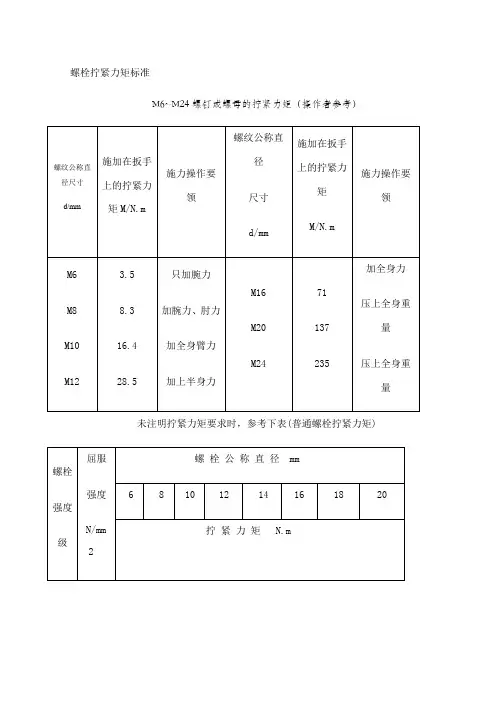
螺栓拧紧力矩标准M6~M24螺钉或螺母的拧紧力矩(操作者参考)未注明拧紧力矩要求时,参考下表(普通螺栓拧紧力矩)未注明拧紧力矩要求时,参考下表(普通螺栓拧紧力矩)公制螺栓扭紧力矩Q/STB 12.521.5-2000范围:本标准适用于机械性能10.9级,规格从M6-M39的螺栓的扭紧力矩,对于使用尼龙垫圈、密封垫圈、其它非金属垫圈的螺栓,本标准不适用。
★对于设计图纸有明确力矩要求的,应按图纸要求执行套管螺母紧固力矩Q/STB B07833-1998材料HPb63-3Y2直通式压注油杯Q/STB B07020-1998螺纹M6、M8*1、M10*1)紧固力矩:030.5Kgm安全阀Q/STB B07029-1998(螺纹R1/8)紧固力矩:2.9-4.9Nm。
通气塞Q/STB B07030-1998 (螺纹R1/4)紧固力矩:2.94-5.88Nm。
螺塞Q/STB B07040-1998(公称直径08-10螺距1.25, 12-36螺距1.5)螺栓(排气) Q/STB B07060-1998( M12*1.5)紧固力矩:58.8-78.4N.rn软管(锥形密封)Q/STB B07100-1998软管(锥形密封)Q/STB B07123-1998(接头部螺母拧紧力矩)螺母(球头式管接头用)Q/STB B07201-1998拧紧力矩:N.m 材料:(Q235)管接头螺母Q/STB B07202-1998拧紧力矩(Q235 / HPb 59-1 )铰接螺栓Q/STB B07206-1998拧紧力矩(Q235)球头式端直通接头Q/STB B07211-1998拧紧力矩(Q235 HPb 60-1 )表中拧紧力矩适用于钢制接头管接头Q/STB B07212-1998紧固力矩(区分代号为5、7的件材料Q235)套管螺母Q/STB B07221-1998拧紧力矩(材料Q235)管接头Q/STB B07230-1998拧入紧固力矩(Q235)弯头(带座)Q/STB B07235-1998、B07236-1998 拧紧力矩喉箍Q/STB B07281-1998拧紧力矩U 形管夹及座Q/STB B07283-1998螺母的紧固力矩(区分代号2、3使用)管夹Q/STB B07289-1998有效紧固直径© 25-梓32) 紧固力矩:8.8± 05Nm套管接头Q/STB B07290-1998套管螺母Q/STB B07833-1998软管(空调器用)Q/STB B09488-1998。
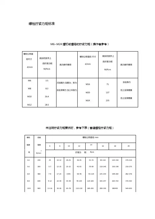
螺栓拧紧力矩表螺栓拧紧力矩标准M6~M24螺钉或螺母的拧紧力矩(操作者参考)螺纹公称直径尺寸d/mmM6M8M10M12施加在扳手上的拧紧力矩M/N.m3.58.316.428.5只加腕力加腕力、肘力加全身臂力加上半身力施力操作要领螺纹公称直径尺寸d/mmM16M20M24施加在扳手上的拧紧力矩M/N.m71137235加满身力压上满身重量压上全身重量施力操纵方法未说明拧紧力矩请求时,参考下表(通俗螺栓拧紧力矩) 螺栓强度级4.65.66.8 8.8 10.9 12.9 屈服强度N/mm 240 300 480 640 900 1080 4-55-77-99-1213-1616-2110-1212-1517-2322-3030-3638-5120-2525-3233-4545-5965-7875-1002螺栓公称直径mm拧紧力矩N.m36-4545-55 58-78 78-104 110-130 131-175 55-70 70-90 93-124 124-165 180-201 209-278 90-110 110-140 145-193 193-257 280-330 326-434 120-150 150-190 199-264264-354380-450448-597170-210210-270282-376376-502540-650635-847未说明拧紧力矩请求时,参考下表(通俗螺栓拧紧力矩) 螺栓强度级4.65.66.88.810.912.9屈从强度N/mm 2403004806409001080230-290 290-350 384-512 512-683 740-880 864-1152 300-377 370-450 488-650 651-868 940-1120 1098-14642螺栓公称直径mm拧紧力矩N.m 450-530550-700714-952952-12691400-16501606-2142540-680680-850969-12931293-17231700-20002181-2908670-880825-11001319-17591759-23452473-32982968-3958900-11001120-14001694-22592259-30122800-33503812-5082928-12371160-15461559-20792923-38984111-54814933-6577公制螺栓扭紧力矩Q/STB 12.521.5-2000范围:本标准适用于机械性能10.9级,规格从M6-M39的螺栓的扭紧力矩,关于利用尼龙垫圈、密封垫圈、别的非金属垫圈的螺栓,本标准不适用。
螺栓拧紧力矩表 Revised by Chen Zhen in 2021螺栓拧紧力矩标准M6~M24螺钉或螺母的拧紧力矩(操作者参考)未注明拧紧力矩要求时,参考下表(普通螺栓拧紧力矩)未注明拧紧力矩要求时,参考下表(普通螺栓拧紧力矩)公制螺栓扭紧力矩 Q/STB 范围:本标准适用于机械性能级,规格从M6-M39的螺栓的扭紧力矩,对于使用尼龙垫圈、密封垫圈、其它非金属垫圈的螺栓,本标准不适用。
★对于设计图纸有明确力矩要求的,应按图纸要求执行。
套管螺母紧固力矩 Q/STB B07833-1998材料 HPb63-3Y2直通式压注油杯 Q/STB B07020-1998(螺纹M6、M8*1、M10*1)紧固力矩:。
安全阀 Q/STB B07029-1998(螺纹R1/8)紧固力矩:。
通气塞 Q/STB B07030-1998 (螺纹R1/4)紧固力矩:。
螺塞 Q/STB B07040-1998(公称直径08-10螺距,12-36螺距)螺栓(排气) Q/STB B07060-1998(M12*)紧固力矩:。
软管(锥形密封)Q/STB B07100-1998软管(锥形密封) Q/STB B07123-1998(接头部螺母拧紧力矩)螺母(球头式管接头用) Q/STB B07201-1998 拧紧力矩:材料:(Q235)管接头螺母 Q/STB B07202-1998拧紧力矩(Q235 / HPb 59-1)铰接螺栓 Q/STB B07206-1998拧紧力矩(Q235)球头式端直通接头 Q/STB B07211-1998拧紧力矩(Q235 HPb 60-1 )表中拧紧力矩适用于钢制接头管接头 Q/STB B07212-1998紧固力矩(区分代号为5、7的件材料Q235)套管螺母 Q/STB B07221-1998拧紧力矩(材料Q235)管接头 Q/STB B07230-1998拧入紧固力矩(Q235)弯头(带座) Q/STB B07235-1998 、 B07236-1998拧紧力矩喉箍 Q/STB B07281-1998拧紧力矩U形管夹及座 Q/STB B07283-1998螺母的紧固力矩(区分代号 2、3使用)管夹 Q/STB B07289-1998(有效紧固直径φ25-φ232)紧固力矩:±05Nm套管接头 Q/STB B07290-1998套管螺母 Q/STB B07833-1998软管(空调器用) Q/STB B09488-1998。
螺栓拧紧力矩尺度之阳早格格创做M6~M24螺钉或者螺母的拧紧力矩(支配者参照)已证明拧紧力矩央供时,参照下表(一般螺栓拧紧力矩)已证明拧紧力矩央供时,参照下表(一般螺栓拧紧力矩)范畴:原尺度适用于板滞本能10.9级,规格从M6-M39的螺栓的扭紧力矩,对付于使用僧龙垫圈、稀启垫圈、其余非金属垫圈的螺栓,原尺度没有适用.★对付于安排图纸有精确力矩央供的,应按图纸央供实止.套管螺母紧固力矩 Q/STB B07833-1998资料 HPb63-3Y2曲通式压注油杯Q/STB B07020-1998(螺纹M6、M8*1、M10*1)紧固力矩:0.3-0.5Kg.m.仄安阀 Q/STB B07029-1998(螺纹R1/8)紧固力矩:2.9-4.9Nm.通气塞 Q/STB B07030-1998 (螺纹R1/4)紧固力矩:2.94-5.88Nm.螺塞Q/STB B07040-1998(公称曲径08-10螺距1.25,12-36螺距1.5)螺栓(排气) Q/STB B07060-1998(M12*1.5)紧固力矩:58.8-78.4N.m.硬管(锥形稀启)Q/STB B07100-1998硬管(锥形稀启) Q/STB B07123-1998(交头部螺母拧紧力矩)螺母(球头式管交头用) Q/STB B07201-1998 拧紧力矩:N.m 资料:(Q235)管交头螺母 Q/STB B07202-1998拧紧力矩(Q235 / HPb 59-1)铰交螺栓 Q/STB B07206-1998拧紧力矩(Q235)球头式端曲通交头 Q/STB B07211-1998拧紧力矩(Q235 HPb 60-1 )表中拧紧力矩适用于钢造交头管交头 Q/STB B07212-1998紧固力矩(区别代号为5、7的件资料Q235)套管螺母 Q/STB B07221-1998拧紧力矩(资料Q235)管交头 Q/STB B07230-1998拧进紧固力矩(Q235)直头(戴座) Q/STB B07235-1998 、 B07236-1998 拧紧力矩喉箍 Q/STB B07281-1998 拧紧力矩U形管夹及座 Q/STB B07283-1998 螺母的紧固力矩(区别代号 2、3使用)管夹 Q/STB B07289-1998(灵验紧固曲径φ25-φ232)紧固力矩:8.8±05Nm套管交头 Q/STB B07290-1998套管螺母 Q/STB B07833-1998硬管(空调器用) Q/STB B09488-1998。
螺栓拧紧力矩标准M6~M24螺钉或螺母的拧紧力矩(操作者参考)未注明拧紧力矩要求时,参考下表(普通螺栓拧紧力矩)未注明拧紧力矩要求时,参考下表(普通螺栓拧紧力矩)扭紧力矩,对于使用尼龙垫圈、密封垫圈、其它非金属垫圈的螺栓,本标准不适用。
★对于设计图纸有明确力矩要求的,应按图纸要求执行。
套管螺母紧固力矩Q/STB B07833-1998材料HPb63-3Y2直通式压注油杯Q/STB B07020-1998(螺纹M6、M8*1、M10*1)安全阀Q/STB B07029-1998(螺纹R1/8)紧固力矩:2.9-4.9Nm。
通气塞Q/STB B07030-1998 (螺纹R1/4)紧固力矩:2.94-5.88Nm。
螺塞Q/STB B07040-1998(公称直径08-10螺距1.25,12-36螺距1.5)螺栓(排气)Q/STB B07060-1998(M12*1.5)软管(锥形密封)Q/STB B07100-1998软管(锥形密封)Q/STB B07123-1998(接头部螺母拧紧力矩)螺母(球头式管接头用)Q/STB B07201-1998 拧紧力矩:N.m 材料:(Q235)管接头螺母Q/STB B07202-1998拧紧力矩(Q235 / HPb 59-1)铰接螺栓Q/STB B07206-1998拧紧力矩(Q235)球头式端直通接头Q/STB B07211-1998拧紧力矩(Q235 HPb 60-1 )表中拧紧力矩适用于钢制接头管接头Q/STB B07212-1998紧固力矩(区分代号为5、7的件材料Q235)套管螺母Q/STB B07221-1998拧紧力矩(材料Q235)管接头Q/STB B07230-1998拧入紧固力矩(Q235)弯头(带座)Q/STB B07235-1998 、B07236-1998拧紧力矩喉箍Q/STB B07281-1998拧紧力矩U形管夹及座Q/STB B07283-1998螺母的紧固力矩(区分代号2、3使用)管夹Q/STB B07289-1998(有效紧固直径φ25-φ232) 紧固力矩:8.8±05Nm套管接头Q/STB B07290-1998套管螺母Q/STB B07833-1998软管(空调器用)Q/STB B09488-1998。
螺栓拧紧力矩标准M6~M24螺钉或螺母的拧紧力矩(操作者参考)未注明拧紧力矩要求时,参考下表(普通螺栓拧紧力矩)1/ 12未注明拧紧力矩要求时,参考下表(普通螺栓拧紧力矩)公制螺栓扭紧力矩Q/STB 12.521.5-2000范围:本标准适用于机械性能10.9级,规格从M6-M39的螺栓的扭紧力矩,对于使用尼龙垫圈、密封垫圈、其它非金属垫圈的螺栓,本标准不适用。
2/ 123/ 12★对于设计图纸有明确力矩要求的,应按图纸要求执行。
套管螺母紧固力矩Q/STB B07833-1998材料HPb63-3Y2直通式压注油杯Q/STB B07020-1998(螺纹M6、M8*1、M10*1)紧固力矩:0.3-0.5Kg.m。
安全阀Q/STB B07029-1998(螺纹R1/8)紧固力矩:2.9-4.9Nm。
通气塞Q/STB B07030-1998 (螺纹R1/4)紧固力矩:2.94-5.88Nm。
螺塞Q/STB B07040-1998(公称直径08-10螺距1.25,12-36螺距1.5)4/ 12螺栓(排气)Q/STB B07060-1998(M12*1.5)紧固力矩:58.8-78.4N.m。
软管(锥形密封)Q/STB B07100-1998软管(锥形密封)Q/STB B07123-1998(接头部螺母拧紧力矩)5/ 12螺母(球头式管接头用)Q/STB B07201-1998 拧紧力矩:N.m 材料:(Q235)6/ 12管接头螺母Q/STB B07202-1998拧紧力矩(Q235 / HPb 59-1)铰接螺栓Q/STB B07206-1998拧紧力矩(Q235)球头式端直通接头Q/STB B07211-1998 拧紧力矩(Q235 HPb 60-1 )7/ 12表中拧紧力矩适用于钢制接头管接头Q/STB B07212-1998紧固力矩(区分代号为5、7的件材料Q235)套管螺母Q/STB B07221-19988/ 12拧紧力矩(材料Q235)管接头Q/STB B07230-1998拧入紧固力矩(Q235)弯头(带座)Q/STB B07235-1998 、B07236-1998 拧紧力矩9/ 12喉箍Q/STB B07281-1998拧紧力矩U形管夹及座Q/STB B07283-1998螺母的紧固力矩(区分代号2、3使用)10/ 12管夹Q/STB B07289-1998(有效紧固直径φ25-φ232) 紧固力矩:8.8±05Nm套管接头Q/STB B07290-1998套管螺母Q/STB B07833-1998软管(空调器用)Q/STB B09488-199811/ 1212/ 12。
螺栓拧紧力矩表螺栓拧紧力矩标准M6~M24螺钉或螺母的拧紧力矩(操作者参考)螺纹公称直径尺寸d/mm 施加在扳手上的拧紧力矩M/N.m施力操作要领螺纹公称直径尺寸d/mm施加在扳手上的拧紧力矩M/N.m施力操作要领M6 M8 M10 M123.58.316.428.5只加腕力加腕力、肘力加全身臂力加上半身力M16M20M2471137235加全身力压上全身重量压上全身重量未注明拧紧力矩要求时,参考下表(普通螺栓拧紧力矩)螺栓强度级屈服强度N/mm2螺栓公称直径mm6 8 10 12 14 16 18 20拧紧力矩N.m4.65.66.8 8.8 10.9 12.9 24030048064090010804-55-77-99-1213-1616-2110-1212-1517-2322-3030-3638-5120-2525-3233-4545-5965-7875-10036-4545-5558-7878-104110-130131-17555-7070-9093-124124-165180-201209-27890-110110-140145-193193-257280-330326-434120-150150-190199-264264-354380-450448-597170-210210-270282-376376-502540-650635-847★对于设计图纸有明确力矩要求的,应按图纸要求执行。
套管螺母紧固力矩Q/STB B07833-1998材料HPb63-3Y2尺寸代号0410(M10*1)0614(M14*1)0817(M18*1)紧固力矩Nm 3.14-4.90 6.86-13.7 6.86-9.81直通式压注油杯Q/STB B07020-1998(螺纹M6、M8*1、M10*1)紧固力矩:0.3-0.5Kg.m。
安全阀Q/STB B07029-1998(螺纹R1/8)紧固力矩:2.9-4.9Nm。
螺栓拧紧力矩标准M6~M24螺钉或螺母的拧紧力矩(操作者参考)未注明拧紧力矩要求时,参考下表(普通螺栓拧紧力矩)未注明拧紧力矩要求时,参考下表(普通螺栓拧紧力矩)公制螺栓扭紧力矩 Q/STB 12.521.5-2000范围:本标准适用于机械性能10.9级,规格从M6-M39的螺栓的扭紧力矩,对于使用尼龙垫圈、密封垫圈、其它非金属垫圈的螺栓,本标准不适用。
★对于设计图纸有明确力矩要求的,应按图纸要求执行。
套管螺母紧固力矩 Q/STB B07833-1998材料 HPb63-3Y2直通式压注油杯 Q/STB B07020-1998(螺纹M6、M8*1、M10*1)紧固力矩:0.3-0.5Kg.m。
安全阀 Q/STB B07029-1998(螺纹R1/8)紧固力矩:2.9-4.9Nm。
通气塞 Q/STB B07030-1998 (螺纹R1/4)紧固力矩:2.94-5.88Nm。
螺塞 Q/STB B07040-1998(公称直径08-10螺距1.25,12-36螺距1.5)螺栓(排气) Q/STB B07060-1998(M12*1.5)紧固力矩:58.8-78.4N.m。
软管(锥形密封)Q/STB B07100-1998软管(锥形密封) Q/STB B07123-1998(接头部螺母拧紧力矩)螺母(球头式管接头用) Q/STB B07201-1998 拧紧力矩:N.m 材料:(Q235)管接头螺母 Q/STB B07202-1998拧紧力矩(Q235 / HPb 59-1)铰接螺栓 Q/STB B07206-1998拧紧力矩(Q235)球头式端直通接头 Q/STB B07211-1998拧紧力矩(Q235 HPb 60-1 )表中拧紧力矩适用于钢制接头管接头Q/STB B07212-1998紧固力矩(区分代号为5、7的件材料Q235)套管螺母 Q/STB B07221-1998拧紧力矩(材料Q235)管接头 Q/STB B07230-1998拧入紧固力矩(Q235)弯头(带座) Q/STB B07235-1998 、 B07236-1998拧紧力矩喉箍 Q/STB B07281-1998拧紧力矩U形管夹及座 Q/STB B07283-1998螺母的紧固力矩(区分代号 2、3使用)管夹 Q/STB B07289-1998(有效紧固直径φ25-φ232)紧固力矩:8.8±05Nm套管接头 Q/STB B07290-1998套管螺母 Q/STB B07833-1998软管(空调器用) Q/STB B09488-1998。
螺栓拧紧力矩标准M6~M24螺钉或螺母的拧紧力矩(操作者参考)未注明拧紧力矩要求时,参考下表(普通螺栓拧紧力矩)未注明拧紧力矩要求时,参考下表(普通螺栓拧紧力矩)公制螺栓扭紧力矩Q/STB 12.521.5-2000范围:本标准适用于机械性能10.9级,规格从M6-M39的螺栓的扭紧力矩,对于使用尼龙垫圈、密封垫圈、其它非金属垫圈的螺栓,本标准不适用。
★对于设计图纸有明确力矩要求的,应按图纸要求执行。
套管螺母紧固力矩Q/STB B07833-1998材料HPb63-3Y2直通式压注油杯Q/STB B07020-1998(螺纹M6、M8*1、M10*1)紧固力矩:0.3-0.5Kg.m。
安全阀Q/STB B07029-1998(螺纹R1/8)紧固力矩:2.9-4.9Nm。
通气塞Q/STB B07030-1998 (螺纹R1/4)紧固力矩:2.94-5.88Nm。
螺塞Q/STB B07040-1998(公称直径08-10螺距1.25,12-36螺距1.5)螺栓(排气)Q/STB B07060-1998(M12*1.5)紧固力矩:58.8-78.4N.m。
软管(锥形密封)Q/STB B07100-1998软管(锥形密封)Q/STB B07123-1998(接头部螺母拧紧力矩)螺母(球头式管接头用)Q/STB B07201-1998 拧紧力矩:N.m 材料:(Q235)管接头螺母Q/STB B07202-1998拧紧力矩(Q235 / HPb 59-1)铰接螺栓 Q/STB B07206-1998 拧紧力矩(Q235)球头式端直通接头 Q/STB B07211-1998 拧紧力矩 (Q235 HPb 60-1)表中拧紧力矩适用于钢制接头管接头 Q/STB B07212-1998紧固力矩(区分代号为5、7的件 材料Q235)套管螺母Q/STB B07221-1998 拧紧力矩(材料Q235)管接头Q/STB B07230-1998 拧入紧固力矩(Q235)弯头(带座)Q/STB B07235-1998 、B07236-1998 拧紧力矩喉箍Q/STB B07281-1998拧紧力矩U形管夹及座Q/STB B07283-1998螺母的紧固力矩(区分代号 2、3使用)管夹 Q/STB B07289-1998(有效紧固直径φ25-φ232) 紧固力矩:8.8±05Nm套管接头 Q/STB B07290-1998套管螺母 Q/STB B07833-1998软管(空调器用)Q/STB B09488-1998。
螺栓拧紧力矩标准M6~M24螺钉或螺母的拧紧力矩操作者参考未注明拧紧力矩要求时,参考下表普通螺栓拧紧力矩未注明拧紧力矩要求时,参考下表普通螺栓拧紧力矩公制螺栓扭紧力矩Q/STB 范围:本标准适用于机械性能级,规格从M6-M39的螺栓的扭紧力矩,对于使用尼龙垫圈、密封垫圈、其它非金属垫圈的螺栓,本标准不适用;★对于设计图纸有明确力矩要求的,应按图纸要求执行; 套管螺母紧固力矩Q/STB B07833-1998材料HPb63-3Y2直通式压注油杯Q/STB B07020-1998螺纹M6、M81、M101 紧固力矩:;安全阀Q/STB B07029-1998 螺纹R1/8紧固力矩:;通气塞Q/STB B07030-1998 螺纹R1/4紧固力矩:;螺塞Q/STB B07040-1998公称直径08-10螺距,12-36螺距螺栓排气Q/STB B07060-1998M12紧固力矩:;软管锥形密封Q/STB B07100-1998软管锥形密封Q/STB B07123-1998接头部螺母拧紧力矩螺母球头式管接头用Q/STB B07201-1998 拧紧力矩:材料:Q235管接头螺母Q/STB B07202-1998 拧紧力矩Q235 / HPb 59-1铰接螺栓Q/STB B07206-1998拧紧力矩Q235球头式端直通接头Q/STB B07211-1998 拧紧力矩Q235 HPb 60-1表中拧紧力矩适用于钢制接头管接头Q/STB B07212-1998紧固力矩区分代号为5、7的件材料Q235套管螺母Q/STB B07221-1998 拧紧力矩材料Q235管接头Q/STB B07230-1998 拧入紧固力矩Q235弯头带座Q/STB B07235-1998 、B07236-1998 拧紧力矩喉箍Q/STB B07281-1998拧紧力矩U形管夹及座Q/STB B07283-1998螺母的紧固力矩区分代号 2、3使用管夹 Q/STB B07289-1998有效紧固直径φ25-φ232 紧固力矩:±05Nm套管接头 Q/STB B07290-1998套管螺母 Q/STB B07833-1998软管空调器用Q/STB B09488-1998。
螺栓拧紧力矩标准M6~M24螺钉或螺母的拧紧力矩(操作者参考)未注明拧紧力矩要求时,参考下表(普通螺栓拧紧力矩)未注明拧紧力矩要求时,参考下表(普通螺栓拧紧力矩)公制螺栓扭紧力矩Q/STB 12.521.5-2000围:本标准适用于机械性能10.9级,规格从M6-M39的螺栓的扭紧力矩,对于使用尼龙垫圈、密封垫圈、其它非金属垫圈的螺栓,本标准不适用。
★对于设计图纸有明确力矩要求的,应按图纸要求执行。
套管螺母紧固力矩Q/STB B07833-1998材料HPb63-3Y2直通式压注油杯Q/STB B07020-1998(螺纹M6、M8*1、M10*1)紧固力矩:0.3-0.5Kg.m。
安全阀Q/STB B07029-1998(螺纹R1/8)紧固力矩:2.9-4.9Nm。
通气塞Q/STB B07030-1998 (螺纹R1/4)紧固力矩:2.94-5.88Nm。
螺塞Q/STB B07040-1998(公称直径08-10螺距1.25,12-36螺距1.5)螺栓(排气)Q/STB B07060-1998(M12*1.5)紧固力矩:58.8-78.4N.m。
软管(锥形密封)Q/STB B07100-1998软管(锥形密封)Q/STB B07123-1998 (接头部螺母拧紧力矩)螺母(球头式管接头用)Q/STB B07201-1998 拧紧力矩:N.m 材料:(Q235)管接头螺母Q/STB B07202-1998拧紧力矩(Q235 / HPb 59-1)铰接螺栓Q/STB B07206-1998拧紧力矩(Q235)球头式端直通接头Q/STB B07211-1998 拧紧力矩(Q235 HPb 60-1 )表中拧紧力矩适用于钢制接头管接头Q/STB B07212-1998紧固力矩(区分代号为5、7的件材料Q235)套管螺母Q/STB B07221-1998拧紧力矩(材料Q235)管接头Q/STB B07230-1998拧入紧固力矩(Q235)弯头(带座)Q/STB B07235-1998 、B07236-1998 拧紧力矩喉箍Q/STB B07281-1998拧紧力矩U 形管夹及座 Q/STB B07283-1998 螺母的紧固力矩(区分代号 2、3使用)管夹 Q/STBB07289-1998(有效紧固直径φ25-φ232) 紧固力矩:8.8±05Nm套管接头 Q/STB B07290-1998套管螺母Q/STB B07833-1998软管(空调器用)Q/STB B09488-1998。
螺栓拧紧力矩标准
M6~M24螺钉或螺母的拧紧力矩(操作者参考)
未注明拧紧力矩要求时,参考下表(普通螺栓拧紧力矩)
未注明拧紧力矩要求时,参考下表(普通螺栓拧紧力矩)
公制螺栓扭紧力矩 Q/STB 12.521.5-2000
范围:本标准适用于机械性能10.9级,规格从M6-M39的螺栓的扭紧力矩,对于使用尼龙垫圈、密封垫圈、其它非金属垫圈
★对于设计图纸有明确力矩要求的,应按图纸要求执行。
套管螺母紧固力矩 Q/STB B07833-1998
材料 HPb63-3Y2
直通式压注油杯 Q/STB B07020-1998(螺纹M6、M8*1、M10*1)紧固力矩:0.3-0.5Kg.m。
安全阀 Q/STB B07029-1998(螺纹R1/8)
紧固力矩:2.9-4.9Nm。
通气塞 Q/STB B07030-1998 (螺纹R1/4)
紧固力矩:2.94-5.88Nm。
螺塞 Q/STB B07040-1998(公称直径08-10螺距1.25,12-36螺距1.5)
螺栓(排气) Q/STB B07060-1998(M12*1.5)
紧固力矩:58.8-78.4N.m。
软管(锥形密封)Q/STB B07100-1998
软管(锥形密封) Q/STB B07123-1998
(接头部螺母拧紧力矩)
螺母(球头式管接头用) Q/STB B07201-1998 拧紧力矩:N.m 材料:(Q235)
管接头螺母 Q/STB B07202-1998拧紧力矩(Q235 / HPb 59-1)
铰接螺栓 Q/STB B07206-1998
拧紧力矩(Q235)
球头式端直通接头 Q/STB B07211-1998
拧紧力矩(Q235 HPb 60-1 )
表中拧紧力矩适用于钢制接头
管接头 Q/STB B07212-1998
紧固力矩(区分代号为5、7的件材料Q235)
套管螺母 Q/STB B07221-1998
拧紧力矩(材料Q235)
管接头 Q/STB B07230-1998
拧入紧固力矩(Q235)
弯头(带座) Q/STB B07235-1998 、 B07236-1998拧紧力矩
喉箍 Q/STB B07281-1998
拧紧力矩
U形管夹及座 Q/STB B07283-1998
螺母的紧固力矩(区分代号 2、3使用)
管夹 Q/STB B07289-1998(有效紧固直径φ25-φ232)紧固力矩:8.8±05Nm
套管接头 Q/STB B07290-1998
套管螺母 Q/STB B07833-1998
软管(空调器用) Q/STB B09488-1998
1 / 1文档可自由编辑。