电源测试方案
- 格式:doc
- 大小:127.00 KB
- 文档页数:6
主机电源更换测试方案主机电源更换测试方案一、测试目的:为确保主机电源更换后正常工作,避免因更换电源导致设备损坏或不稳定运行,本测试方案旨在验证更换后主机电源的性能和稳定性,确保其能够满足设备的需求。
二、测试准备:1. 测试工具:万用表、电流表、电压表等。
2. 测试环境:干净、通风良好的实验室环境。
3. 测试设备:待更换电源的主机设备。
三、测试步骤:1. 关机:确保待更换电源的主机设备已完全关闭。
2. 断电:将主机设备与电源之间的插头拔出,实现对电源的断电。
3. 卸下旧电源:拆卸主机设备内部的旧电源,确保操作时不对其他部件造成损坏。
4. 安装新电源:将新电源正确地安装在主机设备内部,注意电源插头的方向和连接的稳固性。
5. 连接电源线:将主机设备与电源之间的插头正确地连接,确保插头稳固牢固。
6. 开机:将电源插头插入电源插座后,启动主机设备。
7. 监测电流和电压:使用万用表、电流表、电压表等测试工具对主机设备运行时的电流和电压进行实时监测,确保其处于正常范围内。
8. 运行稳定性测试:对主机设备进行长时间运行测试,观察其运行情况是否稳定,是否出现异常情况。
9. 功能性测试:对主机设备的各项功能进行测试,确保更换电源后主机设备各项功能正常且稳定。
10. 记录测试结果:将测试过程中的数据、测试工具和测试结果进行记录,并进行归档保存。
四、测试评估:根据测试结果来评估主机电源更换测试的情况,如果测试结果显示主机设备的电源更换后性能和稳定性均符合要求,则认为电源更换成功;若测试结果呈现异常情况或不稳定现象,则需要进行排查和故障修复,直到问题解决为止。
五、注意事项:1. 在进行更换电源的操作时要注意安全,必要时可以佩戴防静电手套等防护手套。
2. 在进行电源更换过程中,确保设备与电源之间的插头正确连接,避免引起短路等问题。
3. 在进行电流和电压的监测过程中,确保监测工具正常工作,准确测量数据。
4. 在进行运行稳定性测试和功能性测试时,需要仔细观察和记录数据,以便进行后续的分析和评估。
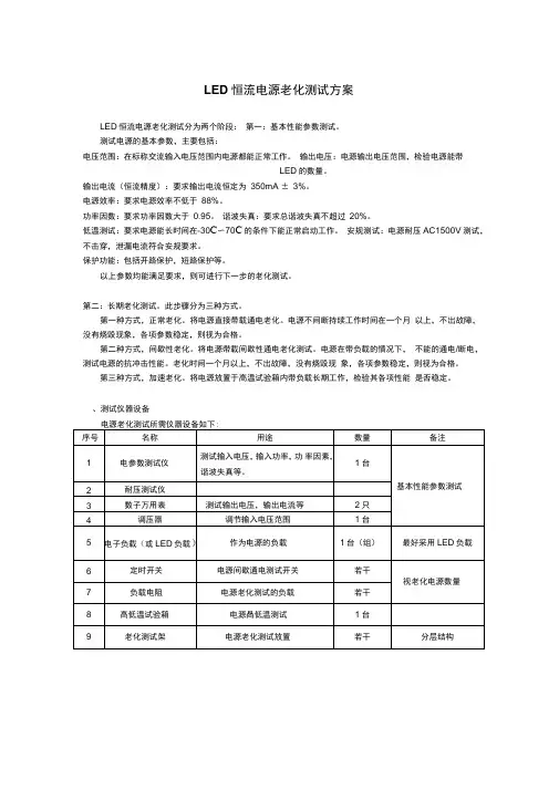
LED恒流电源老化测试方案LED恒流电源老化测试分为两个阶段:第一:基本性能参数测试。
测试电源的基本参数,主要包括:电压范围:在标称交流输入电压范围内电源都能正常工作。
输出电压:电源输出电压范围,检验电源能带LED的数量。
输出电流(恒流精度):要求输出电流恒定为350mA ± 3%。
电源效率:要求电源效率不低于88%。
功率因数:要求功率因数大于0.95。
谐波失真:要求总谐波失真不超过20%。
低温测试:要求电源能长时间在-30C〜70C的条件下能正常启动工作。
安规测试:电源耐压AC1500V测试,不击穿,泄漏电流符合安规要求。
保护功能:包括开路保护,短路保护等。
以上参数均能满足要求,则可进行下一步的老化测试。
第二:长期老化测试。
此步骤分为三种方式。
第一种方式,正常老化。
将电源直接带载通电老化。
电源不间断持续工作时间在一个月以上,不出故障,没有烧毁现象,各项参数稳定,则视为合格。
第二种方式,间歇性老化。
将电源带载间歇性通电老化测试。
电源在带负载的情况下,不能的通电/断电,测试电源的抗冲击性能。
老化时间一个月以上,不出故障,没有烧毁现象,各项参数稳定,则视为合格。
第三种方式,加速老化。
将电源放置于高温试验箱内带负载长期工作,检验其各项性能是否稳定。
、测试仪器设备电參数测试仪LED 恒流电源iiijQ电负载LED、测试方法1、基本参数测试将电源输出端接 LED 负载,同时将一只电流表串接在负载中,已测试输出电流,另 只万用表用以测试电源输出的电压。
电源输入端接电参数测试仪,电参数测试仪接调压器输出电压。
具体接线方式如下图:调节调压器,使交流输入电压在电源标称的电压范围内变化,同时测试负载LED 是否正常工作,输出电压Vo 是否有变化,输出电流Io 是否有变化等。
并记录下输入电压不同时 输出的电流电压值。
电参数测试仪将显示输入电压 Vi ,输入功率Pi ,功率因数PF ,谐波失真等数据,并记录下输入电压不同时各个数据,以便计算电源效率n 。
电源测试方案在现代社会中,电源是我们日常生活和工作中必不可少的组成部分。
而要确保电源的正常运行和安全性,我们需要进行电源测试。
本文将论述电源测试的重要性、测试方法以及一些常见的电源问题及解决方案。
一、电源测试的重要性电源测试是一项非常重要的工作,它可以确保电源的质量和稳定性。
首先,电源测试可以帮助我们了解电源的性能参数,如输出电压、输出电流、功率因数等,从而保证电源的输出能够满足设备的需求。
其次,电源测试可以检测电源的效率,通过对电源效率的测试,我们可以评估电源的能源利用率和能耗情况,为电源的优化提供依据。
此外,电源测试还可以发现电源中的故障和不稳定因素,并及时解决,以确保电源的可靠性和安全性。
二、电源测试的方法1. 输出电压测试输出电压是电源最基本的性能参数之一,准确测试输出电压的值对于评估电源的质量至关重要。
常用的测试方法是使用数字万用表或示波器进行测量。
将测试仪器连接到电源的输出端,设置合适的量程,并将电源负载到额定工作状态,然后记录输出电压的数值。
2. 效率测试电源的效率是衡量其能源利用率的重要指标。
通过测试电源的输入功率和输出功率,可以计算出电源的效率。
测试时应注意选择合适的负载和测量设备,确保测试结果的准确性。
3. 波形测试电源的输出波形稳定性对于某些设备的运行至关重要。
通过示波器测试电源输出端的电压波形,可以判断电源是否存在峰值、谐波等问题,从而进行相应的调整和修复。
三、常见的电源问题及解决方案1. 输出电压波动电源输出电压的波动可能会引起设备异常或者损坏。
造成输出电压波动的原因可能是电源本身的故障,也可能是电源输入端或输出端的其他设备引起的。
解决这个问题的方法是首先检查和排除其他设备引起的波动,然后对电源本身进行检修或更换。
2. 效率低下电源的效率低下会导致能源浪费和发热问题。
解决这个问题的方法是选择高效率的电源,并根据实际情况调整电源的工作状态和负载。
3. 电源过载电源过载可能会引起电源烧毁或者设备故障。
电源测试方案电源测试方案1. 引言在电子设备的开发过程中,电源是一个至关重要的部分。
一个稳定可靠的电源系统不仅能够提供设备所需的电能,还能保护设备免受电压过高或过低等问题的影响。
为了确保电源系统的性能和稳定性,需要进行电源测试。
本文将介绍一个通用的电源测试方案,包括测试的目的、测试的环境和步骤等内容。
通过这个方案,开发人员可以对电源系统进行全面的测试,以确保其满足设备的要求。
2. 测试目的电源测试的主要目的是评估电源系统的性能和稳定性,以确保其能够正常为设备提供所需的电能。
具体来说,电源测试的目的包括:- 测试电源系统的输出电压和电流是否符合设备的要求;- 测试电源系统的稳定性,包括输出电压的波动、纹波等;- 测试电源系统的保护功能,例如过载保护、过压保护等。
3. 测试环境为了进行电源测试,需要准备以下测试环境:- 一台待测试的电源系统;- 一台数字多用表,用于测量电源系统的电压和电流;- 一个负载,用于模拟设备的功耗;- 一台计算机,用于记录和分析测试结果。
4. 测试步骤下面是进行电源测试的基本步骤:步骤1:连接测试设备将待测试的电源系统、数字多用表和负载连接起来。
确保连接正确,以避免可能的电路短路或其他安全问题。
步骤2:设置负载根据设备的功耗要求,设置负载的电流和电阻。
确保负载能够模拟设备的真实工作状态。
步骤3:测量静态电压和电流使用数字多用表测量电源系统在静态状态下的输出电压和电流。
记录测量结果,并与设备要求进行比较,判断电源系统是否符合要求。
步骤4:测量稳定性在负载的工作过程中,使用数字多用表连续测量电源系统的输出电压和电流。
记录测量值,并通过分析数据判断电源系统的稳定性。
步骤5:测试保护功能在负载的情况下,通过改变负载电流或电压的条件,测试电源系统的保护功能。
例如,增加负载电流,观察电源系统是否能够及时进行过载保护。
步骤6:记录和分析结果使用计算机记录电源系统的测试结果,并进行数据分析。
开关电源的测试方案一、引言开关电源是一种常见的电源类型,被广泛应用于各种电子设备中。
为了确保开关电源的品质和性能符合标准要求,需要进行严格的测试。
本文将介绍开关电源的测试方案,包括测试设备的选择、测试项目的制定和实施过程的要点。
二、测试设备的选择1.示波器:用于观察开关电源输出的波形,判断输出电压和电流的稳定性和准确性。
2.多表:用于测试开关电源的输入电压、输出电压和电流。
3.功率计:用于测试开关电源的输出功率和效率。
4.电源负载:用于对开关电源进行负载测试,模拟实际工作条件。
5.温度计:用于测试开关电源的工作温度。
6.绝缘电阻测试仪:用于测试开关电源的绝缘电阻,确保产品的安全性。
三、测试项目的制定1.输入电压范围测试:测试开关电源适应的输入电压范围,包括标称电压±10%以内的波动范围。
2.输入电流测试:测试开关电源在额定输入电压下的输入电流,用于评估开关电源的能耗。
3.输出电压波形测试:测试开关电源的输出电压波形是否符合标准要求,包括纹波和噪声。
4.输出电压稳定性测试:测试开关电源在负载变化时,输出电压的稳定性。
5.输出电流稳定性测试:测试开关电源在负载变化时,输出电流的稳定性。
6.效率测试:测试开关电源的转换效率,评估开关电源的能量利用程度。
7.温度测试:测试开关电源在额定工作条件下的温度,查看开关电源的散热性能。
8.绝缘电阻测试:测试开关电源的绝缘电阻,确保产品的安全性。
四、测试实施要点1.准备工作:确保测试设备的准确性和可用性,校准测试设备。
2.测试环境:确保测试环境的稳定性,包括供电稳定、温度控制和噪声控制。
3.测试顺序:按照测试项目的顺序进行测试,先进行输入电压范围测试,再进行其他项目的测试。
4.测试参数:根据产品标准和要求,设定测试参数,例如输入电压、负载电流等。
5.测试样本选择:根据抽样原则,选择测试样本进行测试。
样本的选择应该具有代表性,并覆盖产品的不同批次和型号。
6.测试记录:记录测试过程中的测试数据和结果,并进行详细的分析和总结。
开关电源测试方案开关电源是一种通过晶体管开关来实现能量转换的电源。
由于其高频开关和能量存储元件,使得开关电源具有高效率、小体积和轻量化的特点。
在开关电源的设计和生产过程中,需要进行各种测试以确保其性能和质量。
下面将介绍一般的开关电源测试方案。
1.输入电流和输入电压测试:-使用电源测试仪测量开关电源的输入电流和输入电压。
-测试过程需要考虑电源电压和电流的正常范围。
2.输出电压和输出电流测试:-使用负载电阻、电子负载或示波器等仪器测量开关电源的输出电压和输出电流。
-需要在不同负载条件下进行测试,以验证输出电压和输出电流的稳定性和准确性。
3.效率测试:-使用功率计测量开关电源的输入功率和输出功率,计算电源的效率。
-需要在不同输出电压和输出电流条件下进行测试,以评估电源的效率和节能性能。
4.温度测试:-使用红外热像仪或温度传感器测量开关电源的各个元件的温度。
-测试过程中需要考虑元件的工作温度范围,并且在不同负载条件下进行测试,以评估电源的散热性能和稳定性。
5.过载保护和短路保护测试:-通过加大负载或短路负载来测试开关电源的过载保护和短路保护功能。
-测试过程中需要观察开关电源的响应时间和保护方式,以确保其能够及时有效地保护负载和电源本身。
6.带载稳定性测试:-在不同负载条件下进行开关电源的输出电压和输出电流的稳定性测试。
-需要测试电源在负载变化时的响应速度和输出电压、输出电流的稳定性。
7.波形测试:-使用示波器观察开关电源的输入和输出波形,以评估电源的波形质量。
-需要测试电源的纹波和噪声等指标,并与标准进行比对。
8.绝缘电阻测试:-使用绝缘电阻测试仪测量开关电源的输入和输出端的绝缘电阻。
-需要测试电源的绝缘电阻是否满足要求,以确保电源的安全性能。
9.EMC测试:-进行电磁兼容性测试,包括辐射和传导干扰测试以及抗干扰能力测试。
-需要按照相关标准进行测试,以确保开关电源在工作时不会对其他设备产生干扰,同时具有较强的抗干扰能力。
电源测试方案范文一、背景介绍电源作为电子设备中的重要组成部分,负责为设备提供电能。
而电源测试则是为了确定电源的性能和稳定性,以确保设备的正常运行。
本方案旨在为电源测试提供合理而有效的方法和规范。
二、测试目的1.确定电源的输出功率和效率,评估电源的性能;2.检查电源的频率响应,确定电源在不同负载下的稳定性;3.检测电源的电流波形、电压波形和纹波等参数,判断电源的质量;4.监测电源的温度、噪声和震动等环境因素,分析电源的稳定性。
三、测试工具和设备1.可调电源:用于提供待测试电源的输入电源;2.示波器:用于检测和记录电源的电流波形、电压波形和纹波等参数;3.负载模块:用于对电源进行负载,以模拟实际工作条件;4.电源负载仪:用于测量电源的输出功率、效率和纹波等参数;5.温湿度计:用于监测测试环境的温度和湿度;6.噪声仪:用于测试电源的噪声水平;7.震动仪:用于测试电源的抗震性能。
四、测试步骤1.准备测试环境:a.确保测试环境的温度和湿度符合要求;b.将示波器和负载模块连接到电源上,调整相应参数。
2.功率和效率测试:a.设置负载模块的阻抗和工作模式;b.将电源连接到可调电源,并根据测试要求设置输入电压;c.测试电源在不同负载下的输出功率和效率;d.记录和分析测试结果,评估电源的性能。
3.频率响应测试:a.调整负载模块的负载情况,模拟不同工作条件;b.对电源进行频率响应测试,记录测试结果;c.分析电源在不同负载下的频率响应情况,评估电源的稳定性。
4.波形和纹波测试:a.连接示波器到电源的输出端,设定相应的测量范围;b.测量并记录电源的电流波形、电压波形和纹波等参数;c.分析波形和纹波参数,判断电源的质量。
5.环境因素测试:a.使用温湿度计监测电源及周围环境的温度和湿度;b.使用噪声仪测试电源产生的噪声水平;c.使用震动仪测试电源的抗震性能。
五、数据处理和分析根据测试结果,对电源进行数据处理和分析,比较测试数据与标准要求的差距,评估电源的性能和质量。
电源环路响应测试方案一、引言电源环路响应测试是对电源的质量和稳定性进行评估的重要手段。
通过对电源在不同负载条件下的响应特性进行测试,可以判断电源的输出稳定性、瞬态响应能力和负载适应性等关键指标。
本文将介绍一种电源环路响应测试方案,旨在帮助读者了解该测试方法的原理和步骤。
二、测试原理电源环路响应测试是通过在电源输出端施加短时间的负载变化,观察电源的输出响应过程来评估电源性能的一种方法。
该测试方法一般包括以下几个关键步骤:1. 设定电源的工作状态和负载条件;2. 施加负载变化信号;3. 观察电源输出信号的瞬态响应过程;4. 分析并评估电源的响应性能。
三、测试步骤1. 设定电源的工作状态和负载条件在进行电源环路响应测试前,需要首先确定电源的工作状态和负载条件。
一般来说,电源的工作状态包括输出电压和输出电流的设定值,负载条件包括负载电流的变化范围和变化速率等。
根据具体的测试要求,可以将电源设置为恒定电流、恒定电压或恒定功率等工作状态。
2. 施加负载变化信号在电源工作状态和负载条件确定后,需要通过外部信号源施加负载变化信号。
一般来说,可以通过改变负载电阻或者使用开关电路来实现负载的变化。
负载变化信号可以是阶跃信号、脉冲信号或者任意波形信号,具体选择可以根据测试要求决定。
3. 观察电源输出信号的瞬态响应过程在施加负载变化信号后,需要观察电源输出信号的瞬态响应过程。
可以通过示波器或者数据采集系统等设备来实时监测电源输出信号的变化。
关键观察指标包括瞬态响应时间、过渡过程的波形特征等。
4. 分析并评估电源的响应性能根据观察到的电源输出信号的瞬态响应过程,可以进行进一步的分析和评估。
通过计算瞬态响应时间、峰值偏差、稳定性等参数,可以得出电源的响应性能评估结果。
同时,可以对测试结果进行统计和比较,以便更全面地了解电源的性能。
四、注意事项1. 在进行电源环路响应测试时,需要确保测试设备的准确性和可靠性。
尽量选择高精度的示波器或数据采集系统,并校准好相关设备。
电源环路响应测试方案1. 前言电源环路响应测试是电源设计和生产过程中不可或缺的一部分。
它可以检测电源的质量、可靠性和稳定性,并帮助高质量电源的制造商在市场竞争中占据优势。
2. 测试准备在进行电源环路响应测试前,需要准备以下设备和工具:- 信号发生器- 示波器- 直流电源- 外部负载- 信号发生器和示波器的连接线3. 测试步骤3.1 基准测试在进行电源环路响应测试之前,需要对电源进行基准测试,由于在响应测试过程中采用的是交流信号,因此必须知道电源所提供的直流输出水平。
3.2 加载规格在进行响应测试之前,需要调整外部负载以符合电源的负载规格。
电源负载规格通常在电源数据表上给出。
3.3 信号发生器参数设置在进行响应测试时,需要将信号发生器设置为所需的频率和振幅。
这些设置通常在测试中所需的数据表中给出。
3.4 测试仪器的连接连接信号发生器和示波器,以便将测试信号输入到电源并从电源的输出中读取响应。
连接线的连接必须正确。
3.5 测试过程通过信号发生器向电源输入测试信号并通过示波器观察电源的响应。
检查电源响应是否正确,是否符合规格。
4. 响应测试的参数电源环路响应测试通常涉及以下参数:4.1 上升时间(Rise time)上升时间是测量电源在从空载到满载状态下所需的时间。
此参数表示电源变得可用的时间。
#4.2 超调(Overshoot)超调是电源在从小于其稳态值到大于该值的瞬间反弹的现象。
经典的Overshoot值为10%。
4.3 下降时间(Fall time)下降时间是电源从满载到空载状态所需的时间,与上升时间类似,但是是从满载到空载的反向操作。
#4.4 电源稳态误差稳态误差是指电源在工作状态下偏离其标称输出值的程度,它是评估电源稳定性的关键参数。
#4.5 电源纹波电源纹波是输入电源AC信号在直流电源输出中引起的变动。
它通常表现为电压或电流的典型波形。
5. 总结电源环路响应测试是电源设计和生产过程中必要的一部分。
UPS测试方案范文UPS(Uninterruptible Power Supply)即不间断电源,是一种用于给电子设备提供持续电力供应的设备。
它主要通过电池或超级电容器储存电能,并且在停电或电网异常的情况下,能够及时切换到备用电源,以保证设备正常工作。
为了确保UPS的性能和稳定性,需要进行各种测试。
下面是一个UPS测试方案的例子。
1.测试环境的搭建-准备一台UPS设备,并确保其内部电池或超级电容器已经充满电。
-连接一台电脑或其他设备到UPS的电源输出插口。
-准备一个可靠的电源供应,以模拟停电时的情况。
2.UPS的基本功能测试-首先,将UPS接入到正常的电源供应,并观察UPS的显示屏或指示灯,确认其已经正常工作。
-然后,断开电源供应,切换到UPS的备用电源。
-观察UPS的显示屏或指示灯,确认其能够正常切换到备用电源,并且设备能够继续工作。
-恢复电源供应,观察UPS是否能够恢复到正常工作状态。
3.UPS的自检功能测试-启动UPS的自检功能,观察其是否能够正常检测电池或超级电容器的状态。
-检查UPS的自检报告,确认其是否能够正确地显示电池或超级电容器的容量以及其他相关信息。
4.UPS的漏电保护功能测试-在连通电源的情况下,通过插入一个漏电负载器(例如带有漏电保护开关的电器),测试UPS的漏电保护功能。
-观察UPS的显示屏或指示灯,确认其是否能够正确地检测到漏电并发出警告。
5.UPS的输出负载能力测试-将UPS连接到一个负载模拟器,模拟真实设备在不同负载情况下的工作状态。
-将负载逐渐增加,观察UPS的显示屏或指示灯,确认其能否正常供应电力给负载,并且不出现过载或其他异常情况。
6.UPS的长时间运行测试-将UPS连接到一台负载设备并启动。
-让UPS运行连续数小时,并观察其输出电压、频率以及其他参数的稳定性。
-在这段时间内,模拟停电情况,观察UPS能否及时切换到备用电源并确保负载设备正常工作。
7.UPS的自动关机功能测试-设置UPS的自动关机参数,并在电池或超级电容器电量低于设定值时触发自动关机功能。
电源测试方案1. 简介本文档旨在介绍电源测试方案,包括测试原理、测试流程和测试工具的选用,以帮助读者了解并正确使用电源测试方案。
2. 测试原理电源测试是对电源设备进行性能和质量测试的过程。
通过电源测试,我们可以评估电源设备的输出电压、电流、功率等参数,以确保其达到规定的标准和要求。
常见的电源测试包括输出电压测试、输出电流测试、功率容量测试等。
这些测试可以帮助我们判断电源设备是否符合设计要求,并且能够在实际使用中正常工作。
3. 测试流程下面是一个典型的电源测试流程:3.1 准备工作在进行电源测试之前,我们需要进行一些准备工作:1.确定测试设备:根据需要选择合适的电源测试设备,如数字电压表、电流表等。
2.连接测试设备:将测试设备与被测电源设备正确连接,确保连接稳定可靠。
3.2 测试步骤1.设置测试参数:根据被测电源设备的规格和要求,设置相应的测试参数,如输出电压、电流范围等。
2.执行测试:通过测试设备对被测电源设备进行输出电压、电流、功率等参数的测试。
3.记录测试结果:记录测试得到的数据和结果,可以使用电脑软件或手动记录方式。
3.3 数据分析在完成测试后,我们需要对测试结果进行分析,以评估被测电源设备的性能和质量。
常见的数据分析方法包括:•对比分析:将测试结果与规定的标准进行对比,判断电源设备是否合格。
•统计分析:对测试数据进行统计处理,如平均值、标准差等,以评估电源设备的性能稳定性。
4. 测试工具选用在进行电源测试时,我们需要选择合适的测试工具。
以下是一些常用的电源测试工具:•数字电压表:用于测量电源输出电压。
•数字电流表:用于测量电源输出电流。
•功率计:用于测量电源的输出功率。
•示波器:用于观察电源输出的波形。
根据被测电源设备的特点和测试要求,选择合适的测试工具能够提高测试效果和准确度。
5. 注意事项在进行电源测试时,需要注意以下事项:1.安全性:使用过程中要注意电源设备的安全性,确保测试过程中没有人员受伤或设备损坏的风险。
UPS配电测试方案UPS(不间断电源)是一种能够在市电供电中断的情况下继续为关键设备提供电力的设备。
为确保UPS的可靠性和性能,需要进行配电测试。
下面是一个UPS配电测试方案的详细说明。
1.测试目的:-确保UPS的输出电压和频率符合规定的范围;-确保UPS能够在市电中断时迅速转换到备用电源并维持正常工作。
2.测试仪器和设备:-电压表和频率表:用于测量UPS的输出电压和频率;-外接负载:代表实际工作条件下的负载,用于测试UPS的负载容量;-计时器:用于记录UPS在市电中断时切换到备用电源的时间;-反向电流测量仪:用于测试UPS在市电恢复时是否存在反向电流。
3.测试步骤:a.基本测试:-正确连接UPS和市电,并确保UPS处于正常工作状态;-使用电压表和频率表测量UPS的输出电压和频率,记录下来;-将外接负载连接到UPS输出端口,并逐步增加负载;-持续监测UPS的输出电压和频率,确保其仍在规定范围内;-记录UPS的负载容量,即能够支持的最大负载。
b.切换测试:-断开市电供电,观察并记录UPS切换到备用电源的时间;-确保UPS能够正常运行,并监测其输出电压和频率;-逐步增加负载,持续监测UPS的输出电压和频率。
c.反向电流测试:-当市电恢复时,观察并记录UPS是否存在反向电流;-连接反向电流测量仪,确保在市电恢复时,UPS输出不会导致反向电流。
4.测试结果分析:-UPS的输出电压和频率是否在规定范围内;-UPS的负载容量是否满足需求;-UPS切换到备用电源的时间是否符合要求;-UPS在市电恢复时是否存在反向电流。
5.结果评估和改进措施:-根据测试结果,进行结果评估,判断UPS的性能和可靠性;-如果测试结果不符合要求,需要采取相应的改进措施,例如更换组件、增加容量、调整设置等;-当改进措施采取后,重新进行配电测试,确保UPS的可靠性和性能提升到要求的水平。
通过以上测试方案,可以对UPS进行配电测试,确保其输出电压和频率在规定范围内,能够在市电中断时迅速切换到备用电源,并提供正常的电力供应。
AC/DC 的电源测试解决方案
电源发展概述
电源行业是整个电子产业的能源基础行业,随着电力电子设备的多样化及人们节能环保意识的增强,电源市场也随之繁荣活跃起来,竞争预演愈烈。
电源种类尤其复杂多样,大致可以分为AC/DC 电源、DC/AC 电源、DC/DC 电源、AC/AC 电源等几类;用途上又可分为适配器、UPS、PC 电源、通信电源、安防电源、医疗电源、航空电源等。
纵观这些种类的电源,其未来发展趋势正如业内专家所指出的:1、更小的外形因子,即功率密度的提升,2、更高的效率,即要达到80%乃至90%以上,3、更低的每瓦成本。
这些都对电源测试提出了更加严格的要求,以保障满足高要求的电源能够适应较为苛刻的使用环境。
本文主要介绍了由北京普源精电科技有限公司(RIGOL)提供的AC/DC 电源测试解决方案。
AC/DC 电源的主要测试参数。
电源测试方案1. 简介电源测试是在电子设备开发过程中必不可少的一环。
它可以帮助开发人员评估电源系统的性能、稳定性和可靠性。
本文将介绍一个电源测试方案,该方案可以有效地测试电源的各项指标,并帮助开发人员优化电源系统设计。
2. 测试目标电源测试的目标是确保电源系统能够满足设备的工作需求,并提供足够的功率以供应各个组件。
具体的测试目标包括:- 输出电压和电流的稳定性和精度- 效率和能量消耗- 开关和负载调整的响应速度- 温度和电磁兼容性3. 测试仪器和设备为了进行电源测试,我们需要以下仪器和设备:- 信号发生器:用于模拟负载电流和电压变化- 示波器:用于测量电源输出的波形和噪音- 数据采集卡:用于记录电源输出的参数- 负载电阻:用于模拟设备的负载- 温度测量设备:用于测量电源系统的温度4. 测试方法4.1 输出电压和电流的稳定性和精度测试通过连接示波器和数据采集卡,我们可以测量电源输出电压和电流的稳定性和精度。
我们可以设置负载电流和电压的变化范围,并记录电源输出的波形和噪音。
通过分析数据,我们可以评估电源系统的稳定性和精度是否满足要求。
4.2 效率和能量消耗测试通过测量输入功率和输出功率,我们可以计算电源系统的效率。
同时,我们还可以记录不同负载下的能量消耗。
这些数据可以帮助开发人员评估电源系统的能效,并根据需求进行调整。
4.3 开关和负载调整的响应速度测试在负载突变或开关操作时,电源系统应能迅速调整以满足设备的要求。
通过使用信号发生器模拟负载和开关变化,并记录电源输出的响应时间,我们可以评估电源系统的响应速度是否符合预期。
4.4 温度和电磁兼容性测试电源系统的温度和电磁兼容性对设备的可靠性和稳定性至关重要。
通过使用温度测量设备和电磁兼容性测试设备,我们可以测量电源系统的温度和电磁辐射水平。
这些数据可以帮助开发人员优化电源系统的设计,使其能够承受各种环境条件下的工作。
5. 测试结果分析与优化通过对电源测试数据的分析,我们可以评估电源系统的性能,并找到存在的问题。
户外电源安全测试方案1. 实验目的本实验旨在对户外电源进行安全性测试,验证其在户外环境中的安全可靠性。
2. 实验材料- 户外电源样品- 电压表- 电流表- 绝缘电阻测量仪- 温度计- 雷电模拟器- 防水测试设备- 土壤模拟器- 电源适配器- 大气压力计- 振动测试设备- 湿度计3. 实验步骤3.1 绝缘性测试3.1.1 使用绝缘电阻测量仪测试户外电源的绝缘电阻。
3.1.2 测试环境设定为室温和高温条件下,分别进行绝缘电阻测试。
3.2 防水性测试3.2.1 将户外电源置于防水测试设备中,并将其暴露在不同的水压下。
3.2.2 使用电压表和电流表测量户外电源在不同水压下的电压和电流值。
3.2.3 测试完毕后,检查户外电源的电路是否有受潮现象。
3.3 防雷性测试3.3.1 使用雷电模拟器模拟雷击情况,对户外电源进行冲击测试。
3.3.2 测试完毕后,测量户外电源输出的电压和电流值,观察是否有异常情况出现。
3.4 抗振性测试3.4.1 使用振动测试设备对户外电源进行振动测试。
3.4.2 测试过程中,测量户外电源输出的电压和电流值,观察是否有异常情况出现。
3.5 环境适应性测试3.5.1 将户外电源放置在高温、低温和潮湿环境中,分别进行环境适应性测试。
3.5.2 测量户外电源输出的电压和电流值,观察是否有异常情况出现。
4. 实验注意事项- 在进行测试之前,确保所有测试设备和样品处于正常工作状态。
- 在进行防水性测试时,要确保测试设备完全密封,以防止水分渗入设备内部。
- 在进行雷击和振动测试时,要确保测试设备的输出电压和电流符合规范,以避免损坏样品或安全事故发生。
- 在进行环境适应性测试时,要根据测试要求合理设置测试环境的温度、湿度等参数。
5. 结果分析与结论根据实验中测得的数据,分析户外电源的安全性能。
结合测试结果和相关标准,评估户外电源的安全可靠性,并提出改进建议。
6. 实验总结本次实验通过对户外电源进行安全性测试,验证了其在户外环境中的安全可靠性。
直流稳压电源试验方案试验目的:1.验证直流稳压电源的输出电压和电流符合规格要求。
2.检测直流稳压电源的稳定性和可靠性。
3.评估直流稳压电源的负载能力和瞬态响应性能。
4.检验直流稳压电源的保护功能和过载能力。
试验步骤:1.静态特性测试:a.将直流稳压电源接入稳定电源,并连接输出负载。
b.调整输出电压和电流至指定值,并记录测量数值。
c.检验输出电压和电流是否符合规格要求。
2.动态特性测试:a.连接输出负载,如电阻、电容、电感等。
b.施加负载变化、短路、开路等条件,观察直流稳压电源的稳定性和瞬态响应性能。
c.记录并分析各种负载变化时的输出电压和电流波形。
3.保护功能测试:a.对直流稳压电源进行过流、过压、过热等保护功能测试。
b.通过改变输出电压或电流,观察保护功能是否正常启动,以及恢复功能是否可靠。
4.效率测试:a.记录直流稳压电源在不同输出电压和电流条件下的输入功率和输出功率。
b.计算直流稳压电源的效率,并与规格书上的额定效率进行比较。
5.可靠性测试:a.连续运行直流稳压电源一段时间,观察其热稳定性和长时间运行时的可靠性。
b.分析运行过程中的故障情况,并评估直流稳压电源的寿命和可靠性。
试验仪器:1.示波器:用于观察和分析输出电压和电流波形。
2.负载模块:用于模拟各种负载条件,如变化、短路、开路等。
3.电压电流表:用于测量输出电压和电流值。
4.稳压电源:提供稳定的电源供给给直流稳压电源。
试验注意事项:1.试验过程中需要注意安全,避免触及高压部分,使用绝缘手套和工具。
2.根据直流稳压电源的规格要求,进行合理的负载匹配,防止过载和损坏设备。
3.进行试验前,先阅读直流稳压电源的使用手册,了解正确操作方法和注意事项。
4.在测试过程中,要保证测试环境稳定,温度、湿度等因素对试验结果的影响应控制在规定的范围内。
5.对于发现的问题和故障,及时记录并向生产厂家提供反馈。
通过以上的试验方案,可以对直流稳压电源的性能和可靠性进行全面而系统的评估,确保其符合规格要求并能稳定可靠地运行。
安徽巨森电器开关电源测试方案
开关电源在本公司得到广泛应用,由于某些原因,某些成熟的产品可能要更换电源。
对于这些电源的更换,在一段时间内,公司未出台电源测试的方法,处于条件限制,现针对开关/模块电源的更换应进行的测试,结合本公司实际情况,制定公司新更换或新采用电源的测试方法。
一、测试项目
需测项目包括开关电源空载输出、额定负载时电压和电流输出、源效应、负载效应、纹波、耐压和绝缘电阻、短路保护(或过流保护点),产品老化试验。
测试参考各开关电源给出的详细参数说明书进行。
对于较重要的或功率在几十瓦以上的电源,其效率(或内部功率器件的工作温度)直接决定了它的可靠性、故障率,应予测试;此外尚有多项其他指标应根据不同要求安排测试,例如突加负载输出电压的瞬时跌落及其恢复时间、AC/DC 电源的输入功率因数和波形峰值比、电源的各项EMC 指标以及温度系数、时间稳定性等。
二、测试要求
1、测试人员需能正确使用数字万用表,识别开关电源的管脚图,能调节功率电源的输出电压,具有电相关知识。
2、测试仪器要求尽量使用精度高、分辨率高的仪器仪表,根据实际情况,选择使用仪器。
3、一般常规测试是在常温常压下测试的,对测试条件有特殊要求的需在要求条件下进行测试(比如有的需要模拟工作现场的环境,如室外、阴雨、暴晒等)。
三、测试方法和过程
3.1空载输出电压
将开关电源的输入电压调至开关电源的额定电压,用万用表测试开关电源的输出电压,为了减小误差,可以多测几组数据(图中的电源开关电源表示所检开关电源)。
图1 空载接线原理图
3.2额定负载下开关电源输出
这一步测试包括额定输出电压和电流的测试,首先要确定开关电源的额定负载,一般选择电阻作为负载。
注意选择电阻的功率一定要远大于开关电源的输出功率,以减小电阻的发热,还可以加一些散热措施,如放置排风扇等。
额定负载计算公式: R0=U 2
/P
注:式中R0 为额定负载电阻值,U 为标称输出电压值,P 为额定功率。
确定了额定负载以后,将开关电源额定输入电压接上,接通开关电源的负载回路,在负载回路中串一电流表(为安全计,推荐采用串入精密分流电阻器测其压降,换算为电流值),测试回路中的电流,用万用表电压档测试开关电源输出电压。
并记录电压电流值。
接线图如2 所示,图中R0 为额定负载。
图2 额定负载接线原理图
3.3源效应(即电压调整率)
源效应为在开关电源的输入电压范围内,输入电压从低到高变化时,输出电压相对于标称输出的变化量。
将开关电源输入电压分别调至范围的下限和上限,用万用表测开关电源的输出电压并记录。
输入图3 源效应测试
计算公式为:[(Vo1-Vo2)/Vo]*100%
注:Vo1 是在输入电压上限时测得的输出电压值,Vo2 为在输入电压下限时测得的输出电压值,Vo 为标称输出电压。
3.4负载效应(即电流调整率)
负载效应为开关电源在额定电压工作下,负载从额定负载到半载(或20%负载)变化时,开关电源输出电压相对于标称值的变化量。
这一步重要的任务是确定负载,负载的百分比是根据电流计算的,也就是半载(或20%负载)电流占额定电流的百分比。
根据计算得来的电流值,推测出电阻值进行选择。
半载情况下负载计算公式:
R1=(U2/P)*2
注:R1 为半载下负载电阻,即为额定负载的2 倍。
图中R1 为推测出的等效负载。
图4 负载效应测试
计算公式为:[(Vo’-V 额)/Vo]*100%
注:Vo’是在开关电源输出回路中接入了按百分比等效后的电阻后测得的开关电源输出电压,V 额为在额定负载下测得的开关电源输出电压,Vo 为标称输出电压。
3.5纹波
开关电源空载至满载,多点或连续均匀变化(一般测试空载、半载、全载三种情况下的纹波)额定输入电压条件下,将示波器调至20MHZ、交流耦合方式,合适的扫描周期,用示波器的接地夹夹到开关电源输出的GND 端,用表笔接触开关电源输出的Vo端,读出示波器中最大纹波的峰峰值。
图5 纹波测试
对于AC/DC 电源,应在满载、示波器扫描速度能显示数个AC 周期情况下观察。
示波器的“带宽衰减”应置于关闭(不衰减)状态。
3.6耐压和绝缘电阻(选作)
耐压是用耐压测试仪测试的,根据开关电源所给的技术资料,查出耐压的参考值,打开耐压测试仪的电源,设置参数,包括交/直流、量程、漏流和时间设定,设定好之后,启动耐压测试仪,观察超漏报警情况,如超漏报警,则漏流电流选的小,增大漏电流或降低测试电压。
需要分别测试1、4 与1、2 和3、4 之间的耐压。
图6 耐压测试
绝缘电阻用兆欧表测试,将适当工作电压的兆欧表的两端夹至需要测试的两端,快速摇动手柄至离合器打滑,读出表值,也可选用电子式兆欧表进行测试。
3.7短路保护特性(或过流保护点)
这要看技术资料上给的说明,比如开关电源说明为:短路保护特性为长期自恢复,可以用导线连至开关电源的输出端进行测试,长时间(根据需要确定)观察,短路时的电压输出以及短路排除后的开关电源输出。
图7 过流保护点测试参考电路
图中R3 表示一个能产生两倍于额定负载的电流(即此时R3 的阻值为额定负载的一半),VO+和VO-分别接开关电源的输出正端和负端。
过流保护点的含义为当回路中的电流大到一定值时,开关电源截止输出(须注意有些开关电源的过流保护不是截止型而可能是限流型的)。
在开关电源输出回路中串入可变负载(要求可变范围足够大),通过调节可变负载,来调节回路中的电流,在电流上升期间,注意电流表的读数,读出在电流变至0(或某极小、较小值)之前的数值,即为开关电源的过流保护点(此时要注意电阻的散热,因为在过流情况下电阻发热比额定输出时要多)。
四、测试记录与数据处理
每一步测试都要详细记录数据及异常情况,如果有异常情况要分析原因。
数据记录以备计算参数和开关电源的评价而用。
数据的处理:
1、平均值处理
2、源效应计算公式为: [(Vo1-Vo2)/Vo]*100%
注:Vo1 是在输入电压上限时测得的输出电压值,Vo2 为在输入电压下限时测得的输出电压值,Vo 为标称输出电压。
3、负载效应的计算公式为:
[(Vo’-V 额)/Vo]*100%
注:Vo’是在开关电源输出回路中接入了按百分比等效后的电阻后测得的开关电源输出电压,V 额为在额定负载下测得的开关电源输出电压,Vo 为标称输出电压。
审核:批准:。