规范性文件审查工作流程图
- 格式:doc
- 大小:27.34 KB
- 文档页数:1
皖人社秘〔2016〕121号关于做好第五批安徽省战略性新兴产业技术领军人才评选工作的通知各市人力资源社会保障局:根据年度工作安排,决定开展第五批安徽省战略性新兴产业技术领军人才评选认定工作。
现将有关事项通知如下:一、申报条件和程序申报战略性新兴产业技术领军人才的条件和程序,按照《安徽省引进培养战略性新兴产业技术领军人才实施意见》(皖人社发〔2012〕38号)有关规定执行。
二、评选数量第五批全省战略性新兴产业发展的技术领军人才认定数为250名。
各市根据《第五批安徽省战略性新兴产业技术领军人才指标安排表》(附件1)进行评审认定。
已经被认定为领军人才的不重复推荐。
- 1 -三、评审认定程序和时限(一)5月20日前,完成申报材料受理和初审工作;(二)6月20日前,完成专家评审委员会初评和实地考察工作并确定人选。
省领军人才工作领导小组对各地评审工作进行监督指导;(三)6月30日前,各地将公示无异议的人选报省领军人才工作领导小组备案。
逾期不再受理。
四、工作要求战略性新兴产业技术领军人才选拔认定工作由省辖市级人力资源社会保障部门牵头负责。
(一)高度重视。
各市人力资源社会保障部门要高度重视,加强领导,紧紧围绕本地战略性新兴产业的发展,坚持“公开、公正、公平、择优”原则,依据评选条件,确保评选质量。
(二)认真组织。
各市人力资源社会保障部门要采取自下而上的方式,严格按照受理申报、专家初评、实地考察、领导小组会议研究、公示备案的程序严密组织评选认定工作,在规定的时限范围内做好“规定动作”。
(三)统筹兼顾。
为贯彻落实省委、省政府加快“调转促”4105行动计划,人选选拔注重向新一代信息技术、高档数控机床和机器人、先进轨道交通装备、节能与新能源汽车、新材料、生物医药、现代农业机械装备、现代物流等制造业重点领域和战略性新兴产业倾斜。
(四)材料报送要求。
请各市于6月30日前将以下材料报送- 2 -省领军人才工作领导小组办公室。
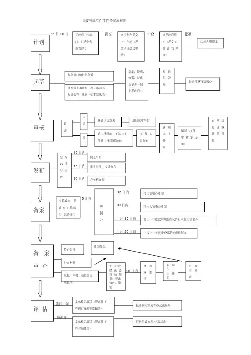
县政府规范性文件备案流程图
11月30日
提交
审查
批准
15日内
15日内
30日内
15日内
15日内
30日内
1月15日前
1月20日前
20日内
施行一年
每两年
计划
县政府工作部门、驻汤中省市直部门
向法制办提交下一年度《规文项目建议申请》
向县政府提出《规文工作计划草案》
法制办组织实
起草
起草部门依计划草拟
涉及重大事项的,召开协调会、听证会等,形成《征求意见表》
草案、说明、依据、征求意见表一同
上报政府办
提请县领
导
县领导签转法制办
审核
认定
不
是
是
签署认定意见退回送审单位
缺少材料的,下达《文
件补正材料通知单》
工作人员初审
法制
办主任二审
填制《文件审核承办单》
审结稿报送签转县领导
发布
发布30日
后生效
网上公布
重大事项,报纸公布
存于档案局
备案
乡镇政府、县
政府工作部门、驻汤部门
法制办
报人大常委会备案
报市法制办备案
将上一年度政府规范性文件目录报市法制办
上报上一年度审查情况于市法制办
备案审查
符合条件
备案登记
补正材料
应报、未报、超越法定职权的
下《行政
执法监督通知书》要求修改、撤销
修
改或撤
销
法制办主任签
发
县政府决
定
评估
实施机关填写《规范性文件执行情况年度报告》
报送制定机关并抄送法制办
报送县政府并抄送法制办
实施机关填写《规范性文件评估报告》。
(一)起草规范性文件由局属有关单位科室依据职责起草,涉及两个以上单位科室职权范围的,由有关单位科室联合起草,并明确牵头单位科室。
(二)征求意见,按规定履行其他法定程序起草单位科室完成规范性文件草案后,应当向局机关各有关科室、局属各有关单位征求意见,涉及其他部门的还应当征求其他部门意见。
征求意见后,按规定需要评估、征求社会公众意见、听证、论证和公平竞争审查的,按规定履行其它程序。
1.评估。
在制定涉及公民、法人或者其他组织重大利益的,社会公众普遍关注或者争议较大的,涉及宏观经济稳定和市场稳定以及重要行业领域重大政策调整的规范性文件时,起草单位科室负责对其主要制度规范或者政策措施的制定依据、出台时机、实施效果和可能产生的影响进行分析、评价,并形成评估意见。
2.征求社会公众意见。
在制定对公民、法人和其他组织权利义务有较大影响的规范性文件时,起草单位科室负责将规范性文件草案通过市水利局网站向社会公开征求意见,公开征求意见的时间不得少于20个工作日。
3.听证。
规范性文件内容涉及重大公共利益的,公众有重大分歧的,可能影响社会稳定的,或者法律法规规章规定应当听证的,起草处室、单位负责组织听证。
4.论证。
规范性文件涉及内容专业性、技术性较强,或者必要性、可行性、合理性需要进一步论证的、起草单位科室负责组织相关领域的专家进行论证。
5.公平竞争审查。
在制定市场准入、产业发展、招标投标、政府采购、经营行为规范、资质标准等涉及市场主体经济活动的厅规范性文件时,起草单位科室负责进行公平竞争审查,形成书面审查结论,全面评估对市场竞争的影响,防止出现排除、限制市场竞争的内容。
(三)修改完善起草单位科室根据征求意见情况,评估、社会公众意见、听证、论证及公平竞争审查等情况对文稿进行修改完善,形成规范性文件草案。
(四)提交审核起草单位科室向水政与行政许可科提出规范性文件草案合法性审核,提交以下材料:1.规范性文件草案;2.包含制定背景、起草过程、必要性可行性合理性评估论证和主要内容的起草说明;3.依据的法律、法规、规章和政策文件的目录及文本;4.征求各部门、社会公众意见及意见采纳情况的书面记录,包括通过网站公开征求意见的情况,需要部门会签的,提交有关部门会签意见;5.按照规定需要组织听证和专家论证的,提交听证情况书面记录和专家论证材料,应当听取有代表性的企业和行业协会商会以及律师协会意见的,提交听取意见的书面记录;6.按照规定需要评估的,提交规范性文件评估报告;7.涉及重大行政决策的,提交风险评估报告;8.应当进行公平竞争审查的,提交《公平竞争审查表》;9.进行合法性审核需要的其他材料。
备案审查科工作流程及规范规范性文件合法性审查工作流程图或者规范性文件备案审查工作流程图重大行政决策合法性审查工作流程图备案审查科工作规范根据《中华人民共和国立法法》、国务院《规章制定程序条例》、《重大行政决策程序暂行条例》(国务院令第713号)、《山东省人民政府规章制定程序规定》和《山东省行政程序规定》等有关法律、法规、规章,结合本县实际,制定本工作规范。
一、规范性文件范围行政规范性文件是除国务院的行政法规、决定、命令以及部门规章和地方政府规章外,由行政机关或者经法律、法规授权的具有管理公共事务职能的组织(以下统称行政机关)依照法定权限、程序制定并公开发布,涉及公民、法人和其他组织权利义务,具有普遍约束力,在一定期限内反复适用的规定、办法、决定、命令、细则、规则等行政公文。
制定规范性文件的范围包括:(一)法律、法规、规章授权制定的;(二)法律、法规、规章虽未授权,但根据本县实际情况需要作出具体规定的;(三)根据本县实际情况,需要以规范性文件形式加以规范管理的;(四)县人民政府履行行政管理职能,需要以规范性文件形式规范的其他事项。
二、规范性文件合法性审查内容及程序(一)审查内容县司法局应当从以下方面进行审查:1、是否符合《中华人民共和国立法法》《山东省行政程序规定》等的要求;2、是否符合本县实际,有无较强的针对性、科学性和可操作性;3、与本县现行有效的规范性文件是否协调、衔接;4、是否已妥善处理有关机关、组织和公民对规范性文件送审稿主要问题的意见;5、是否符合规范性文件制定的技术要求;6、需要审查的其他内容。
(二)审查程序县司法局审查规范性文件按照下列程序进行:1、初步审查制定主体、制定权限、起草依据、制定程序是否合法;2、征求相关部门、管理相对人、有关专家学者和社会公众的意见;3、必要时会同起草部门就拟订规范性文件的科学性、合理性、可操作性等进行实地调研;4、就有争议的问题和相关部门、单位进行沟通协调;5、县司法局与起草部门负责人及相关人员,共同就文件草案主要内容和存在的问题进行讨论修改;6、经县司法局主要负责人同意后,提报县政府审议的规范性文件草案。
标准化文件审查流程
一、提交文件
1.递交文件
(1)递交标准化文件
(2)文件初审确定是否齐备
二、文件初审
1.文件资料审查
(1)检查文件齐备性
(2)确认文件格式符合要求
2.内容初审
(1)审查文件内容是否完整
(2)确认文件内容是否符合标准要求
三、技术评估
1.技术文件评估
(1)技术专家对文件进行评估
(2)技术文件评估结论
2.技术讨论
(1)召开技术评审会议
(2)讨论技术评估结果
四、文件修改
1.修改通知
(1)发送文件修改通知
(2)确认文件修改要求
2.文件调整
(1)根据评审意见进行文件修改(2)提交修改后的文件
五、终审批准
1.终审小组审定
(1)终审小组讨论文件
(2)确认文件是否通过终审
2.批准通知
(1)发送文件审批通过通知(2)确认文件审批结果。
备案审查科工作流程及规范规范性文件合法性审查工作流程图或者规范性文件备案审查工作流程图重大行政决策合法性审查工作流程图备案审查科工作规范根据《中华人民共和国立法法》、国务院《规章制定程序条例》、《重大行政决策程序暂行条例》(国务院令第713号)、《山东省人民政府规章制定程序规定》和《山东省行政程序规定》等有关法律、法规、规章,结合本县实际,制定本工作规范。
一、规范性文件范围行政规范性文件是除国务院的行政法规、决定、命令以及部门规章和地方政府规章外,由行政机关或者经法律、法规授权的具有管理公共事务职能的组织(以下统称行政机关)依照法定权限、程序制定并公开发布,涉及公民、法人和其他组织权利义务,具有普遍约束力,在一定期限内反复适用的规定、办法、决定、命令、细则、规则等行政公文。
制定规范性文件的范围包括:(一)法律、法规、规章授权制定的;(二)法律、法规、规章虽未授权,但根据本县实际情况需要作出具体规定的;(三)根据本县实际情况,需要以规范性文件形式加以规范管理的;(四)县人民政府履行行政管理职能,需要以规范性文件形式规范的其他事项。
二、规范性文件合法性审查内容及程序(一)审查内容县司法局应当从以下方面进行审查:1、是否符合《中华人民共和国立法法》《山东省行政程序规定》等的要求;2、是否符合本县实际,有无较强的针对性、科学性和可操作性;3、与本县现行有效的规范性文件是否协调、衔接;4、是否已妥善处理有关机关、组织和公民对规范性文件送审稿主要问题的意见;5、是否符合规范性文件制定的技术要求;6、需要审查的其他内容。
(二)审查程序县司法局审查规范性文件按照下列程序进行:1、初步审查制定主体、制定权限、起草依据、制定程序是否合法;2、征求相关部门、管理相对人、有关专家学者和社会公众的意见;3、必要时会同起草部门就拟订规范性文件的科学性、合理性、可操作性等进行实地调研;4、就有争议的问题和相关部门、单位进行沟通协调;5、县司法局与起草部门负责人及相关人员,共同就文件草案主要内容和存在的问题进行讨论修改;6、经县司法局主要负责人同意后,提报县政府审议的规范性文件草案。
附件4
行政规范性文件制定流程图
注:对于部门规范性文件,如起草处室认为需先经市政府同意的,可报请市政府审议。
委领导集体讨论 调
研起草规范征求委内意见
相关部门意见
经政策法规处审核同意后向社会公开征求意见
政策法规处审查
列入年度制定计划 开展廉洁性评估(自行开展或委托政策法规处开展)
政府规范部门规范提请市人民政府审议(会签政策法规处,由报市人民政府法制机构审查(会签政策法规处,按照市政府拟办意见开展后如需修改,按要求修改后印发(会签政策法规处,印发后抄送政策法规处。
市纪委监委机关审查调查工作流程图
一、审查调查工作全流程图
二、线索处置工作流程图
三、谈话函询工作流程图
四、初步核实工作流程图
以纪委办公室名义发函被反映人
五、立案审查工作流程图
六、使用留置措施工作流程图
七、线索分办工作流程图
市纪委监委机关审查调查工作事项一览表
(供具体操作时参考)
(一)初核阶段
卑微如蝼蚁、坚强似大象
卑微如蝼蚁、坚强似大象
(二)立案审查阶段
卑微如蝼蚁、坚强似大象
卑微如蝼蚁、坚强似大象
卑微如蝼蚁、坚强似大象
(三)使用留置措施阶段
卑微如蝼蚁、坚强似大象
卑微如蝼蚁、坚强似大象。