标准气液增压缸结构图介绍
- 格式:doc
- 大小:1.12 MB
- 文档页数:1
一体式气液增压缸工作原理动图介绍
单体式气液增压缸也叫一体式气液增压缸,具有出力大、速度快、易使用、故障少、价格低、易维护、能耗低、无泄露、不损模、安装易、软着陆、空间小等显著特点。
单体式气液增压缸跟常见的气液增压缸相比最明显的特点就是纤细,如此纤细的气液增压缸,它是怎么工作的呢?下面森拓就带大家来了解一下STV单体式气液增压缸的工作原理动图。
STV单体式气液增压缸的工作原理动图
第一步:P1/P2进气,增压缸处于回位状态。
第二步:P4进气P1排气,前轴下降,预压完毕。
第三步:P3进气P2排气增压缸活塞下降,增压。
第四步:P1/P2进气,增压缸活塞前轴回位,此刻动作完成。
气液增压缸原理图
在21世纪工农业发展迅速,自动化产品在行业中去了重要作用,众多的加工生产厂家在加工生产产品的时候都不要用到冲压成型的
冲压设备,气液增压缸作为冲压设备必不可少的一个零部件,受到了广大用户的喜爱。
但很多用户对气液增压缸的原理不是太明白,弄不清楚气液增压缸的原理。
下面给用户带来气液增压缸的原理图:
这张图片能够很明白的了解气液增压缸的原理,用文字来说明就是很简单的一句话(增压缸是将一油压缸与增压器作一体式相结合,利用增压器的大小不同受压截面面积之比,以及帕斯卡能源守衡原理而工作。
因为压力不变,当受压面积由大变小时,则压强也会随大小不同而变化的原理,从而达到将气压压力提高到数十倍的压力效果)。
这个就是气液增压缸的原理图,希望可以帮到用户。
森拓。
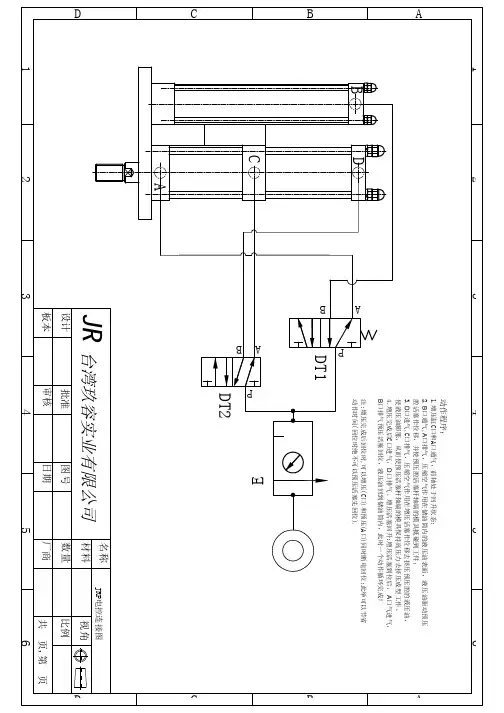
气液增压缸气路图
21世纪,自动化设备发展迅速,很多的制造厂商都是采用自动化设备来完成生产的,气液增压缸作为自动化设备中的一个零部件,也受到了很多用户的关注,很多的用户对气液增压缸的气路连接图都不是太懂,在连接气路的时候往往会出错,为了提高厂商们的专业技能和给各大厂商减少一些不必要的麻烦,下面我为大家介绍一下气液增压缸的气路连接图。
气液增压缸用的比较广,很多行业都在用到。
所以我们为大家提供两种气液增压缸的气路连接图,供大家选择。
首先来介绍标准气路连接图:
一般标准气源气压为6Kg
如上图所示P1接电磁阀1)A口、P4接电磁阀1)B口,P2接电池阀2)A口、P3接电磁阀B口。
当气路接好以后增压缸处于静止状态,电池阀1)和电磁阀2)A口常开,增压缸开始动作,电磁阀2)/P4进气产生预压,然后电磁阀2)/P3进气增压缸开始增压,增压完成,增压缸回程,电磁阀2)/P2进气紧接着电磁阀1)/P1进气!
下面介绍推荐气路连接图:
推荐气路连接图只是连接方法不一样,但是原理都是一样的,这里就不过多介绍了,希望对大家能有帮助。
台湾森拓。
气压增压缸的工作原理气压增压缸是油缸与增压器的结合,以纯空气作推动,无需其它能耗,环保、节能,不产生污染气源。
气压增压缸是利用帕斯卡能源守恒原理,改变接触面积,即可获得较大的压强。
气压增压缸运用这一定律,先以低气源压力推动较大的接触面,然后作用于较小的接触面,从而获得所需要的高压出力,实现增压的目的。
1、预压式气压增压缸工作过程:预压式增压缸(JRA):当工作气压压在液压油表面时,液压油会因压缩空气作用而流向预压行程腔,此时液压油迅速推动并增压出力,当工作件所遇到的阻力大于气源压力时,增压缸则停止动作,增压轴心亦开始作位移动作,并挤压预压腔体里的低压油,使之增压从而产生强大推力的效果。
2、直压式气压增压缸工作过程:直压式气液增压缸(JRE):当工作气压压在增压段活塞表面时,活塞会因压缩空气作用而流向油腔,此时液压油会迅速推动轴心作位移,此时轴心移动的距离(行程)为高压力行程(增压行程)。
增压缸是将一油缸与一增压器作一体式的结合,使用纯气压为动力利用增压器的大小活塞截面积之比例,将气压的低压提高数十倍供应油压缸使用,使其达到液压缸的高出力。
预压式增压缸份两段式行程,第一段行程为低压行程,先将一油缸推出与工作物接触(将循环油推入油缸),再进行第二段高压力行程(挤压工作物)。
而直压式增压缸只有一段行程,全部行程均为高压力行程预压式增压缸的行程可比较长,一般为10-200mm再搭配5-20mm的高压力行程。
而直压式增压缸之行程则较短,一般仅约5-20mm之高压力行程。
预压式增压缸的动作原理图请参照:增压缸与油压缸及气压缸的区别以下范例油压缸,气压缸及增压缸的截面积均采直径为63增压缸的规格,采用本公司MPT63-100-20-3T,气压压力采6kg/cm2气压缸的出力为187kg增压缸的出力为2976kg,当使用液压压力为96kg/cm2时,油压缸的出力为2976kg(需搭配油压系统)。
森拓增压缸。
增压缸气路图
在增压缸的控制当中,我们不可不提到的是它的工作伴侣电磁阀,电磁阀是用电磁控制的工业设备,是用来控制增压缸气源方向、流量、速度和其他的参数的自动化基础元件,属于执行器,在液压、气动应用较多。
客户在购买到增压缸后都会配有两个两位五通电磁阀,那么究竟应该如何去连接对应的电池阀接口,为了能更好的服务到广大用户,下面就给大家分享气液增压缸气路图连接方法!
考虑到不同用户的使用情况,有两种连接方法给到大家,一种是标准气路连接方法,还有一种是推荐气路连接方法。
标准气路连接方法
气源气压为6Kg
如图所示P1接电磁阀1)A口、P4接电磁阀1)B口,P2接电池阀2)A口、P3接电磁阀B口。
当气路接好以后增压缸处于静止状态,电池阀1)和电磁阀2)A口常开,增压缸开始动作,电磁阀2)/P4进气产生预压,然后电磁阀2)/P3进气增压缸开始增压,增压完成,增压缸回程,电磁阀2)/P2进气紧接着电磁阀1)/P1进气!
推荐气路连接方法(原理相同就不做具体分析)
森拓增压缸。
在机械设备工业中,气液增压缸是一种非常重要的设备,它的主要作用就是将较低的压力增加到较高的压力,以满足各种设备的高压需求。
特别是在需要实现较大推力,又需要一定精确控制还要节能效果的场合。
那么气液增压缸的结构及工作过程是怎么样的呢?相信还有一部分用户不是特别了解,下面森拓厂家再为大家介绍一下!
我们先来了解一下气液增压缸的结构。
增压缸主要由缸体、活塞、液压缸、油封、前杆等部分组成。
其中缸体是增压缸的主体部分,其内部结构设计合理,能够承受较大的压力;活塞则是增压缸的工作原理的关键部分,它通过与液压缸的配合,实现压力的传递和放大;油封则起到密封液压油的作用,防止液压油泄漏;
气液增压缸工作过程详解
气液增压缸的工作过程大致如下:
1、当压缩空气通过气缸的进气口进入气缸室后,推动主活塞向下移动,通过连杆带动副活塞在液压缸内向上移动。
2、副活塞向上移动时,挤压液压油进入增压腔,由于副活塞的面积小于主活塞,根据帕斯卡定律,液压油在增压腔内会形成数倍于气压的压力。
3、这种高压液压油推动与液压缸相连的活塞杆,使其产生强大的推力,完成直线运动输出。
4、当气源关闭,压缩空气排空后,推杆会促使活塞回到初始位置,准备进行下一轮工作循环。
通过上面森拓厂家的介绍,我们会发现增压缸通过这种巧妙的气液转换机制,气液增压缸能够在消耗较少气源能量的前提下,实现大幅度提高输出力的效果,即满足了高负载作业的需求,又体现了节能高效的特点。
这就是森拓厂家气液增压缸独特魅力所在,也是森拓增压缸在现代工业领域得到广泛应用的根本原因。
标准气液增压缸结构图介绍
增压缸在自动化行业中既有很大的影响力,越来越多的用户都在关注着这个产品,然而很多用户都不了解增压缸的内部结构,导致很多用户在使用增压缸的时候有一些细小的零部件坏了,不知道问题出在哪里,不知道应该换哪一个零部件,导致很多用户多出了一笔昂贵的维修费用,那么今天台湾森拓就给大家介绍一下标准型增压缸的内部结构。
增压缸是通过空气压力转换成油压进气而增压的,结构相对简单。
增压缸主要有:油缸,空油转换筒,增压器三部分结合而成。
增压缸的细小零部件有:前杆,法兰,前盖,铁缸筒,前活塞,中盖,油桶前盖,增压杆,气缸筒,储油桶,后盖,增压活塞,油桶后盖13个细小的零部件组成。
请看下图:
预压式增压器+油缸=标准型增压缸
以上就是标准型增压缸的内部结构介绍,大家以后再使用标准型增压缸的时候出现了小故障,直接换一些细小的零部件就可以使用了,不用再出昂贵的维修费用请工程师维修,只要自己动手能力强一点都可以搞定。
台湾森拓,。