控 制 网 平 差 报 告(1)
- 格式:doc
- 大小:60.50 KB
- 文档页数:3
FJ-3省道S229南坑至源头段二级公路改建工程GPS静态控制测量网平差报告萍乡公路勘察设计院二○一一年九月目录一、GPS控制点成果表 (1)二、GPS控制点网示意图 (1)三、GPS控制网平差报告……………………………………1~4一、G PS控制点成果表序号点号坐标(米) 高程(米)H备注X Y1 G1 3044783.262 483918.997 165.982 源并去南坑公路右侧钢筋砼、与D1通视(K33+655)左侧4米处。
一级GPS静态点2 G2 3045336.142 485138.500 262.207 源并去南坑公路右侧钢筋砼、与D4通视(K32+020)左侧15米处。
一级GPS静态点3 G3 3046850.282 487744.256 159.284 南坑镇七宝村新尤组水泥路中缝钢钉、与D13通视(K28+483)左侧10米处。
一级GPS静态点4 G4 3047703.462 490103.347 158.428 南坑镇大岭路中国移动营业厅、彭红远家5楼顶油漆刻石、与D16通视。
一级GPS静态点5 D1 3044576.685 483709.363 138.070 S314公路弯道边坡上钢筋砼、与D1通视(K33+760)左侧254米处。
RTK加密点6 D2 3044924.025 484045.621 178.946 源并去南坑公路右侧水泥路中缝钢钉与D3通视(K33+460)左侧6米处。
RTK加密点7 D3 3045175.043 484371.238 193.391 源并去南坑公路右侧水泥路中缝钢钉与D4通视(K32+919)左侧97米处。
RTK加密点8 D4 3045128.427 484796.609 215.246 白竺乡崇源村花石组卢富德家2楼顶油漆刻石、与G2通视(K32+423)127米处。
RTK加密点9 D5 3045557.232 485595.899 242.426 源并去南坑公路右侧钢筋砼、与D6通视(K31+524)左侧15米处。
工程控制网的技术特点与建立综述摘要:工程控制网的用途不一样,其精度指标要求不同,它们之间既相互关联,又有各自的特点,因此,在建立工程控制网时,首先是认真做好项目的优化设计,确定经济合理的技术方案,然后再实施过程中做好质量控制,才能确保为工程勘测设计、施工及安全监测等阶段提供可靠的测量基准。
关键词:工程控制网特点建立方法1 引言建立测量控制网是测绘工作的基础,其控制网按其用途不同分为两大类,即国家基本控制网和工程控制网。
国家控制网的主要作用是提供全国范围内的统一坐标框架。
其特点是控制面积大,控制点点间距较长,点位的选择主要考虑布网是否有利,不侧重具体工程利用时是否有利。
它一般分级布设,共分一、二、三、四个等级。
工程控制网是为某一项工程建设的需要而建立的,其作用是为工程各种大比例尺地形图和施工及安全管理服务,点位的选设是根据工程部位的分布来设计的。
水利水电工程建设分为规划设计、建筑施工和运营管理三个阶段,在三个阶段需分别建立工程专用控制网;其对应的分为测图控制网、施工控制网、变形监测控制网等。
只有掌握了专用控制网的特点,才能在工程建设不同阶段建立经济合理的测量控制网。
2 各类工程控制网的特点2.1控制网的用途不同(1)测图控制网是在工程施工前勘测设计阶段建立的。
其目的主要是为测绘地形图服务。
点位的选择是根据地形条件来确定的,并不考虑工程建筑物的总体布置,因而在点位分布和密度上都满足不了后续工程建设的需要。
(2)施工控制网是为工程建筑物的施工放样提供控制,其点位、密度以及精度取决于建设的性质。
施工控制网点的精度一般要求高于测图控制网,它具有控制范围小(仅建筑物区域),控制点的密度大(密度要满足所有建筑物落地放样),精度要求高(放样位置准确),受施工干扰大(开挖放炮等因素)等特点。
施工控制网与国家或城市控制网相比较,其最大的不同是:在精度上并不遵循“由高级到低级”的原则。
(3)变形监测控制网是在施工及运营期间为监测建筑工程对象的变形状况而建立的控制网;其精度是根据监测对象的允许变形量来确定,一般在2~3mm。
控制测量技术设计书1.工程名称及任务。
2.测区概况简述。
3.已有资料的来源及分析、利用论证。
4.坐标系统的选择及处理方法的论证,起始数据的配置和处理。
5.水平控制网布设方案阐述,其中包括:(1)首级网的等级和布网方式,以及本次控制网在精度和密度方面对日后布设加密网的保证。
(2)控制网(点)精度估算的简要过程及结果。
(3)从经济上、技术上、精度上对两个以上布网方案进行对比论证,从中确定一个最优方案。
(4)填写精度统计表。
6.技术依据及作业方法。
内容主要包括:(1)工程执行的规范及施测细则。
(2)觇标及标石图并注明规格,材料及埋设方法(绘出示意图)。
(3)仪器的选择及检验项目要求。
(4)观测方法及各项限差(参阅规范或教材,不能杜撰)。
(5)概算内容和平差方法。
7.工作量综合计算及工作进程计划表(自行估计)。
8.需用的主要仪器设备(包括名称、型号和标称精度)、材料及经费预算。
9.工程项目完成后应提交的资料清单。
目录一.测区情况1.1测区位置及面积1.2地理状况二.作业依据三.测区已有资料及利用3.1平面控制资料3.2高程控制资料3.3其他资料四.平面控制测量4.1E级GPS测量4.2三级导线测量五.高程控制测量5.1四等水准测量5.2光电测距三角高程测量六.一级导线、水准测量和光电测距三角高程测量平差计算6.1观测数据的检查6.2平差计算七.提交成果资料7.1技术总结7.2控制点成果表的制作7.3控制网图的制作要求八.图根控制测量8.1图根导线8.2图根高程测量8.3平差计算8.4提交资料九.附图、附表、附件本次实习的目的是了解控制测量作业的全过程,通过对长沙县水渡河及其周边地区实现控制测量,巩固课堂学习的理论知识,将理论与实践有机结合,提高理论水平与外业操作能力。
一.测区情况1.1测区位置及面积东经113°,北纬28°向涉及周围13km左右。
施测范围呈不规则形状,范围面积约14km2。
管网平差管网平差一般分三个步骤:图面整理、数据准备、平差。
目前我们用的平差软件为鸿业10.5版本。
打开鸿业软件后,首先要设置工程名称及出图比例以及设置节点标注设置及管道标注设置。
(设置--工程名称、出图比例、标注设置)1、图面整理:根据已收集到的现状给水管网平面布置图,按照规划要求,整理出远期给水管网平面布置图,对其进行图面整理。
图面整理内容主要包括:清除小短线、重复管线、未连接管线等操作步骤:1)管线--定义管道-任意选择2)工具--图面整理-选择所要整理的内容。
注意事项:图形整理时需要对管网进行简化,主要是将管道节点进行简化;定义管道时选择球墨铸铁管,选择无管径。
2、数据准备图面整理完后,需要对管网进行平差前的数据准备。
数据准备包含定义真实管长、按管长分配流量(定义集中流量、定管供水类型)、自动预赋管径(定义现状管、定义环干管、自动预赋管径)、定义节点地面标高、定义节点水压等。
1)定义真实管长--如果管道是按照长度精确绘制的则不用定义。
2)按管长分配流量---按照管道长度自动分配节点流量a、定义节点流量---主要是将管道流量分为集中流量和沿线流量;集中流量包括水源供水量(输入时为负值)和集中用水点流量(输入时为正值)。
b、定管供水类型---分为不供水、单侧供水和双侧供水;一般从水厂至配水管网之间可设置成不供水管道,城市边缘的管道可设置成单侧供水,其余全部为双侧供水。
3)自动预赋管径---需在节点流量确定后进行a)定义环干管---在没有定义环干管的情况下,程序是按照最小路径的原理来定义环干管。
布置环干管按照规划及用水区域大小的原则来布置。
b)定义现状管---对于现状给水管网中的主干管,可以将其定义成现状管,定义过的管径在平差计算时管径不会变化。
c)自动预赋管径---在节点流量确定后进行3)定义节点地面标高操作步骤:平差--定义节点地面标高高程点定义时必须有带高程点的地形图,可手工输入每一点的高程点,也可建立曲面高程模型计算(原地形--标高点--文本定义)统一定义。
九景衢铁路JQJXZQ-2标精密控制网复测总结报告编制:复核:审核:技术负责人:中铁二十五局集团有限公司九景衢铁路JQJXZQ-2标项目部2014年5月目录1 完成任务情况 (1)1.1 任务来源 (1)1.2 测区概况 (1)1.3 工作内容 (2)1.4 执行的技术依据及精密测量控制网复测精度指标 (2)1.4.1 执行的技术依据 (2)1.4.2 精密测量控制网复测精度指标 (2)1.5 施测单位 (3)1.6 完成工作的起止日期 (3)1.7 完成的工作量与相邻标段联测的桩点 (3)2 坐标系统及巳有资料利用情况 (5)2.1 坐标系统 (5)2.2 巳有资料利用情况 (5)3 复测方案执行情况 (5)3.1 仪器检定 (5)3.2 精密控制网复测 (5)3.3 GPS观测操作及手簿填写 (6)3.4 GPS网数据处理 (7)3.5 水准复测 (8)3.5.1 水准点的观测 (8)3.5.2 水准复测数据处理 (8)4 项目质量检查 (9)5 提交的成果资料 (9)6 附件 (9)附件1:CPI复测成果及比对表 (10)附件2:CPII复测成果及比对表 (13)附件3:三等水准复测成果及比对表 (20)附件4:水准网闭合差 (24)1 完成任务情况1.1 任务来源根据中铁二十五局九景衢铁路JQJXZQ-2标项目部对九景衢铁路JQJXZQ-2标测量工作的要求,对本标段的基础平面控制网(CPⅠ)、线路平面控制网(CPⅡ)及三等水准高程控制网进行复测工作。
1.2 测区概况新建九景衢铁路江西段JQJXZQ-2标。
起讫里程为DK15+700~DK66+100,正线长度50.4km。
本标段共有特大、大中桥梁28座19.207km,框架式小桥3座59.37m;隧道6座4.078km;盖板涵5座241.86横延米,框架涵120座2789.37横延米,倒虹吸6座156横延米;路基27.3km,挖方147.67万方,填方237.14万方;本标段设都昌、油墩街2个站。
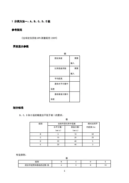
南昌地铁2号线4标工程控制网复测计划书一、编制依据及技术标准1、《城市轨道交通工程测量规范》GB50308—20082、《工程测量规范》GB50026—20073、《城市测量规范》CJJ/T 8—20114、《国家一二等水准测量规范》GB/T12879-20065、经批准的《南昌市轨道交通1、2号线工程控制网测量技术方案》简称《技术方案》6、南昌市轨道交通2号线一期工程《控制网复测(第一次)成果表》2013年12月二、平面GPS、二等水准加密方法与精度要求根据《全球定位系统(GPS)测量规程》平面控制测量等级规定和本项目实际情况,加密控制网采用GPS观测方法时,精度按D级网技术要求施测。
为确保线路衔接的平顺性,加密点必须联测其相邻的GPS平面控制点。
平面加密控制网的施测精度控制按:加密GPS网最弱边相对中误差小于1/100000,基线边方向中误差不大于1。
7″的要求进行。
加密GPS测量精度指标控制网级别基线边方向中误差最弱边相对中误差D级≤1。
7″1/1000002。
1具体精度控制标准GPS加密测量作业的基本技术要求GPS接收机测量获取的基线必须满足下表规定的精度指标见表2。
1-1.GPS基线精度指标表2.1—1a—接收机固定误差(mm);b-接收机比例误差系数.导线控制网测量的主要技术要求应符合表2.1-2的规定。
2.2 二等水准施测技术要求二等水准测量的主要技术标准见表6。
3-3.二等水准测量的主要技术标准表2。
2—1注:表中L为往返测段、附合或环线的水准路线长度,单位km.单站水准观测的技术要求见表2。
2-2:二等水准单站观测技术要求表2。
2-2水准测量计算小数取位规定见表2。
2-3:四等水准测量计算小数点取位规定表2。
2—3三、平面控制网复测实施计划3.1 GPS复测组网实施为保证线路上所有控制点成果具有较高的可靠性和尽量保证点位精度的均匀性,平面控制网复测采用3台GPS接收机同时作业的观测模式,以此提高GPS观测网形的图形强度。
精测网复测作业指导书1.适用范围本作业指导书适用新建武汉至十堰铁路精测网复测作业。
2 •作业准备2.1人员准备(1)为做好复测网复测工作,得出详实的复测数据,必须抽调经验丰富的专业测量人员,成立专门的平面复测和沉降观测小组,进行选点和埋点等工作。
(1)平面复测需配备9名测量员,一个沉降观测小组需配备三名测量人员。
2.2设备准备精测网复测之前应由建设单位组织设计单位对施工单位进行交桩,交桩过程应有设计单位、建设单位、监理单位和施工单位的人员共同参与,并留下影像资料。
施工单位根据交桥的情况,收集既冇精测网资料,根据原精测网测量精度和建网方式编写复测技术方案,并报监理单位和建设单位审核,组织满足复测要求的技术人员和测量仪器,按照审批后的复测方案进行精测网的复测。
3.主要技术要求3.1平面控制网精度表1 CPI、CPTI控制网GPS测量的精度指标表2 CPI、CPTT控制网GPS测量的主要技术指标3.2高程控制网精度与原测相同,线路水准基点控制网施工复测采用水准测量方法施测,检测相邻线路水准基点间的高差,测量等级为二等水准。
水准测量的精度及限差如表3. 2所示。
表3. 2水准测量精度(mm)4•测量程序及工艺流程4.1测量程序现场交桩是无祚轨道铁路工程测量的重要环节,是设计院将勘测施测的CPI 控制点、CPU控制点和水准点移交给施工单位,施工单位以此作为平面高程控制基准开展施工的基础,也是实现无确轨道铁路工程测量“三网合一”一个不可缺少的环节。
4.2工艺流程精测网在开工前要进行一次复测,在无祚轨道施工前也要进行一次复测,保证网精度满足施工要求。
在区域地面沉降段落要加密复测频次,特别是高程控制网每半年要复测一次,可结合区域地面沉降观测同时进行。
项目部统一组织复测工作的实施,复测询编制技术设计方案,报监理项耳部审批。
各工区负责外业数据采集及整理工作,项目部负责审核和平差计算工作。
精确网复测工艺流程见图4. 2。
咱们平时说的控制网主要有首级网和加密网,首级网就是设计院做的控制网,一般设计院提供的控制点并不能满足施工放样的要求,这就要求我们根据设计院提供的控制网来加密,以满足施工放样的要求。
这样就存在一个加密网了,加密网的成果是有施工单位自己选点,埋点,以及测量,报监理单位复核、批准方能使用。
控制网又分为平面网和高程网,设计院要先提供一部分控制点给施工单位,设计交桩点有CP0,CPI,CPII,JY点,还有SM水准点,其中CP0,CPI,CPII是坐标点,JY点和SM点是高程点,是高程基准。
当然为使用方便CP0,CPI,CPII也可以带高程,作为高程点使用,这些设计单位提供的点位和成果就是咱们后续施工的加密网测设的依据。
加密网是又咱们自己施测,所以咱们主要就是要做好加密网:1、选点:点位选择要沿线路两侧布设,点位置不能离线路太远也不能离线路太近,太远了施工放样时不方便,太近了,在施工过程当中容易被破坏。
平面和高程网要在施工范围外50-100米为宜。
当然,客专上要求做沉降观测,我们根据实际情况沉降观测的基准网也就是高程都是沿线路红线附近埋设。
特别是路基段,高差太大,沿着红线附近埋设为了方便沉降观测时不用转站太多,在300米左右一个点,桥上和隧道里面可能更长一点。
平面网要看有什么仪器测量,使用GPS测,还是直接用全站仪测。
用GPS测量时要保证相邻的一对点能通视,还有视野要开阔,周围不能有遮挡,附近不能有大面积水域。
用全站仪测量时要保证前后两个点都要通视的原则。
相邻两个点位之间要保证300米左右为宜,不能太近也不能太远。
2、埋点:埋点要根据当地实际情况考虑埋设深度,像咱们这边冻土层较深,埋的点位深度要达到1米8,方能保证冬天施工时控制点的稳定。
3、测设:高程用电子水准仪测量,测量数据仪器自动记录,每一测站自动提示超限与否,最后要注意往返程不超限方可。
平面用GPS 测量比较简单,但要注意,测量过程当中不能随意开关机。
施工控制网布设测量报告一、引言为确保施工过程中的准确性和有效性,本次报告旨在对施工控制网的布设进行测量并提供相应的数据和分析。
二、测量目的1.确定施工控制网的准确布设情况,判断其是否符合设计要求。
2.分析施工控制网的误差大小及分布情况,为后续工作提供参考。
3.提出有针对性的改善方案,以提高施工控制网的布设准确性。
三、测量方法1.使用全站仪对控制网节点进行点位测量。
2.采用GPS定位技术对地面控制网进行布设测量。
四、测量结果1.布设测量数据通过全站仪测量得出的节点数据如下:序号,X坐标(米),Y坐标(米),Z坐标(米----,----------,----------,---------1,100.12,150.23,20.52,105.67,148.93,22.83,99.53,152.32,21.0...,...,...,..2.误差分析在测量中,由于测量仪器精度、环境因素等多种因素会引起误差,通过对测量数据的分析,我们得出以下结论:-X、Y、Z三个方向上的测量误差均在0.1米以内,符合设计要求。
但在少数节点中存在偏差较大的情况,需要重新检测。
-误差大部分集中在布设的边界线附近,可能是由于布设时没有充分考虑地形起伏等因素导致的。
-部分节点的误差存在一定的规律性,可能与测量仪器的使用方法或操作人员的技术水平有关。
五、改进建议1.重新检测误差较大的节点,确保其准确性,并根据实际情况调整其坐标位置。
2.在布设控制网时,应考虑地形起伏等因素,避免因环境差异导致的误差产生。
3.加强测量仪器的操作培训,提高操作人员的技术水平,减小人为误差的产生。
4.在布设前进行周密的计划和方案设计,以确保控制网的布设效果。
六、结论通过对施工控制网布设进行测量及数据分析,得出以下结论:1.控制网布设的整体准确性较高,符合设计要求。
2.部分节点存在较大偏差,需要重新检测并改正。
3.误差集中在布设边界线附近,可能与地形起伏等因素有关。
关于控制点复测及加密成果的报告X225线第二标段及秋宝南路工程总监办:我部已完成了X225线秋湖路口至坑梓段公路改建工程第二合同段(K17+200~K19+818.531)及秋宝南路改建工程(K0+000~K1+896.379)控制点复测及加密工作,现上报控制点复测及加密成果,请复核。
附件:控制点复测及加密成果资料年月日X225线第二标段及秋宝南路改建工程控制点复测及加密成果资料施工单位:葛洲坝集团第五工程有限公司编制时间: 2010 年 8 月 15 日目录一.总说明二.控制网平差报告三.闭合差统计报告1.导线点方向观测、平差成果表2.导线点距离观测、平差成果表3.导线点平面点位误差统计表4.导线点间误差表(平差计算精度评定表)5.控制点复测、加密成果表四.全站仪测角、测距记录表五.导线点复测成果对照表六.水准点测量记录表七.水准点复测成果对照表八.导线点线路布置图九.仪器鉴定报告总说明一.概况本项目分为两段,其中秋宝路合同段起点位于县道X225线K17+200处,终点位于秋长镇与深圳市龙岗区坑梓街道办事处交界处,全程2618.531米;秋宝南路起点与县道X225县K19+383相接,终点与惠阳区秋长街道沿湖村相交,全程1896.397米,两段均为旧路改造。
主要工作项目有:1.原有控制点的复测与分析。
2.加密平面导线控制点与加密高程控制点。
为此,我项目部组织专门力量,其中工程师二名、助理工程师一名、技术员及技术工人共7人通过现场踏勘调查,认真研究制定了复测、加密方案和相应的技术措施,并积极组织实施。
二.测量依据1.《工程测量规范》(GB50026-2007)2.《公路勘测规范》(JTGC10-2007)3.惠阳区秋宝南路改建工程及X225线秋湖路口至坑梓段公路改建工程施工设计图(二标)4.设计提供的导线点成果、高程成果及技术资料三.仪器设备及检定本次复测所用仪器工具均按有关技术要求送广州市烈图仪器科技有限公司进行检校,为了确保成果质量,对于全站仪、水准仪,再测前及侧后进行了相关项目的自检和校正。
104国道连江至晋安段改线工程GNSS网平差结果施工单位:中国建筑股份有限公司负责人:张洲观测日期:2015年04月30日~2015年05月04日目录1.GNSS网图 (1)2.基线简表 (3)3.使用环闭合差报告 (5)4.三维自由网平差 (5)5.二维约束平差 (6)6. 高程拟合 (8)7. 平差成果表 (9)附表:平差结果对比表 (10)2.基线简表(参与平差计算基线)双差固定解方差比水平分量/m 垂直分量/m 中误差长度相对中误差11-1--14-1 89.4 0.015 0.009 0.015 507.231 1/52368 19-2 99.9 0.006 0.003 0.006 446.016 1/89270 19-1~19-3-19-2 99.9 0.013 0.005 0.007 309.381 1/45350 19-3-19-1 99.58 0.008 0.003 0.008 512.3 1/63328 19-4-19-1 99.9 0.005 0.002 0.005 222.732 1/45668 19-3-19-4 99.9 0.007 0.003 0.007 370.547 1/51902 DD07-DD08 14.18 0.01 0.004 0.01 729.627 1/73276 DD07-DD09 10.59 0.011 0.005 0.011 628.373 1/55716 DD09-DD08 99.9 0.005 0.002 0.005 534.521 1/100355 DE03-DD32 32.12 0.007 0.003 0.007 813.829 1/115993 DE05-DE03 14.32 0.005 0.002 0.005 862.874 1/166503 DE05-DE07 38.95 0.007 0.003 0.007 771.952 1/116956 0005-DE38 8.81 0.016 0.009 0.016 667.721 1/46373 DE39-DE37 24.42 0.01 0.006 0.01 661.994 1/63839 DE39-DE38 75.78 0.008 0.004 0.008 481.803 1/62703 XJ04-DE38 34.48 0.01 0.004 0.01 597.16 1/61236 XJ04-DD32 10.27 0.014 0.006 0.014 710.797 1/50178 XJ05-DE38 36.05 0.011 0.005 0.011 873.623 1/76578 XJ05-DD32 64.6 0.009 0.004 0.009 357.755 1/41635 XJ06-DD32 99.9 0.007 0.003 0.007 325.711 1/47239 XJ06-DD32 99.9 0.005 0.002 0.005 325.711 1/63764 XJ04-XJ06 17.79 0.011 0.004 0.011 1004.613 1/95492 XJ06-XJ05 31.44 0.007 0.003 0.007 667.17 1/92325 XJ06-DE03 56.16 0.006 0.002 0.006 679.169 1/109362 XJ07-DD32 49.14 0.007 0.003 0.007 723.575 1/105648 XJ07-DE03 82.69 0.007 0.003 0.007 559.675 1/78838 XJ07-XJ06 78.07 0.006 0.003 0.006 411.469 1/74324 XJ07-DE05 19.96 0.007 0.003 0.007 761.663 1/102906 XJ08-DE03 42.93 0.005 0.002 0.005 759.556 1/158482 DE05-XJ08 33.44 0.008 0.003 0.008 397.931 1/46914 XJ08-DE05 99.9 0.007 0.003 0.007 397.931 1/59994 XJ07-XJ08 36.23 0.008 0.003 0.008 419.907 1/53466 XJ08-DE07 16.54 0.009 0.005 0.009 1077.167 1/118009 XJ09-DE05 28.1 0.007 0.003 0.007 609.485 1/93645 XJ09-XJ08 57.25 0.008 0.004 0.008 872.251 1/111485 DD07-XZ02 13.59 0.011 0.006 0.011 197.995 1/18074双差固定解方差比水平分量/m 垂直分量/m 中误差长度相对中误差XZ02-DD08 10.32 0.007 0.003 0.007 653.523 1/95064 XZ02-DD09 99.9 0.005 0.002 0.005 707.776 1/147783 11-1-XZ07 21.07 0.013 0.006 0.013 852.6 1/67834 DD07-XZ07 53.64 0.009 0.005 0.009 654.089 1/75160 XZ02-XZ07 19.27 0.013 0.007 0.013 734.418 1/57582 11-1-XZ09 99.9 0.008 0.004 0.008 776.429 1/99356 DD07-XZ09 16.77 0.011 0.006 0.011 954.482 1/86047 XZ02-XZ09 99.9 0.005 0.003 0.005 1012.403 1/188060 XZ11-14-1 26.99 0.016 0.009 0.016 832.003 1/51635 XZ11-XZ07 10.28 0.015 0.007 0.015 862.937 1/57453 XZ11-XZ09 11.9 0.011 0.005 0.011 649.482 1/60798 11-1-XZ14 89.13 0.013 0.007 0.013 865.6 1/67532 XZ11-XZ14 99.9 0.012 0.007 0.012 726.004 1/59923 XZ16-DE19 99.99 0.005 0.002 0.005 275.751 1/51325 XZ16-14-1 80.47 0.010 0.004 0.01 713.381 1/69286 XZ16-XZ14 24.72 0.014 0.005 0.014 731.735 1/50822 19-1-XZ18 15.61 0.013 0.005 0.013 756.431 1/59855 XZ181-19-4 10.75 0.012 0.004 0.012 964.68 1/82831 DE19-XZ18 99.9 0.008 0.005 0.008 435.576 1/51739 XZ16-XZ18 99.9 0.009 0.006 0.009 502.409 1/53911 19-1-XZ19 66.82 0.007 0.003 0.007 515.86 1/75937 XZ19-19-4 19.83 0.009 0.003 0.009 735.243 1/85703 XZ19-XZ18 62.53 0.006 0.002 0.006 278.717 1/45701 DE19-XZ19 21.6 0.011 0.007 0.011 705.954 1/61549 XZ16-XZ19 32.12 0.011 0.006 0.011 711.05 1/66566 XZ21-19-2 15.95 0.01 0.004 0.01 1650.746 1/157737 19-3-XZ21 19.08 0.009 0.004 0.009 1751.775 1/199280 XZ23-XZ21 15.82 0.017 0.008 0.017 230.276 1/13466 19-2-XZ23 14.8 0.008 0.004 0.008 1664.031 1/199861 19-3-XZ23 12.51 0.012 0.005 0.012 1724.568 1/148756 DE07-XZ24 13.43 0.013 0.006 0.013 895.863 1/69036 XJ09-XZ24 14.42 0.013 0.007 0.013 1103.361 1/87542 XZ21-XZ24 99.9 0.006 0.003 0.006 828.374 1/139507 XZ23-XZ24 10.65 0.019 0.009 0.019 845.932 1/45073 DE07-XZ25 22.75 0.013 0.006 0.013 956.171 1/74301 XJ09-XZ25 10.48 0.013 0.008 0.013 1136.52 1/84554 XZ25-XZ21 63.51 0.007 0.004 0.007 810.221 1/111528 XZ25-XZ23 12.77 0.016 0.007 0.016 895.615 1/57287基线处理结果:水平分量最大值为XZ23-XZ24基线,为19mm ,小于《GPS 测量规范》中规定值20mm ,基线水平分量结果符合规范要求。
控制网平差报告
[控制网概况]
1、本成果为按[平面]网处理的平差成果
计算软件:南方平差易2002
网名计算日期:日期: 2015-12-20
观测人:
记录人:
计算者:
测量单位:
备注:
2、平面控制网等级:国家四等,验前单位权中误差2.5(s)
3、控制网数据统计结果
[边长统计结果]总边长:183.4450,平均边长:91.7225,最小边长:39.8380,最大边长:143.6070
[角度统计结果]控制网中最小角度:49.0910,最大角度:355.1409
3、控制网中最大误差情况
最大点位误差= 1.#INF (m)
最大点间误差= 1.#INF (m)
最大边长比例误差= 0
平面网验后单位权中误差= 1.#J (s)
闭合差统计报告
[方向观测成果表]
[距离观测成果表]
[平面点位误差表]
[平面点间误差表]
[控制点成果表]。
控制网平差报告
题目:课本81页
控制网概况]
计算软件:南方平差易2005
网名:
计算日期:2011-12-26
观测人:
记录人:
计算者:
检查者:
测量单位:
备注:
高程控制网等级:国家四等
已知高程点个数:2
未知高程点个数:3
每公里高差中误差 = 2.98 (mm)
最大高程中误差[P3] = 1.76 (mm)
最小高程中误差[P1] = 1.38(mm)
平均高程中误差 = 1.56(mm)
规范允许每公里高差中误差 = 10(mm)
[边长统计]总边长:10000.000(m),平均边长:1428.571(m),最小边长:1000.000(m),最大边长:2000.000(m)观测测段数:7
[闭合差统计报告]
序号:<1>:闭合水准
路径:[P1-P2-A]
高差闭合差=7.00(mm),限差=±50 * SQRT(3.000)=±86.60(mm)
路线长度=3.000(km)
序号:<2>:闭合水准
路径:[P3-B-P1]
高差闭合差=3.00(mm),限差=±50 * SQRT(9.000)=±150.00(mm)
路线长度=5.000(km)
序号:<3>:闭合水准
路径:[P2-P3-P1]
高差闭合差=7.00(mm),限差=±50 * SQRT(6.000)=±122.47(mm)
路线长度=4.000(km)
序号:<4>:三角高程
路径:[B-P1-A]
高差闭合差=4.00(mm),限差=±50 * SQRT(5.000)=±111.80(mm)路线长度=3.000(km)
[高程平差结果表]。