危险源因素识别清单(钢结构)
- 格式:doc
- 大小:863.00 KB
- 文档页数:34
钢结构危险源钢结构作为现代建筑中常见的结构形式之一,具有强度高、自重轻、施工速度快等优点。
然而,在钢结构的设计、施工、使用和维护过程中,存在着各种各样的危险源,如果不加以重视和有效控制,可能会导致严重的安全事故,给人员生命和财产带来巨大损失。
一、设计阶段的危险源在钢结构的设计阶段,如果设计不合理,可能会为后续的施工和使用埋下安全隐患。
1、结构计算错误设计师在进行结构计算时,如果对荷载取值不准确、计算模型不合理或者忽略了某些重要的受力因素,可能导致钢结构在实际使用中无法承受预期的荷载,从而发生变形、开裂甚至坍塌。
2、节点设计不合理节点是钢结构中连接各个构件的关键部位,如果节点设计不合理,如焊缝尺寸不足、螺栓连接不牢固等,在受力时节点容易失效,进而影响整个结构的稳定性。
3、缺乏抗震设计对于位于地震区的钢结构建筑,如果没有进行充分的抗震设计,或者抗震措施不到位,在地震发生时,钢结构可能会遭受严重破坏。
二、施工阶段的危险源施工阶段是钢结构安全事故的高发期,这个阶段的危险源众多且复杂。
1、高空作业钢结构施工常常需要在高空进行,如安装钢梁、钢柱等。
高空作业面临着人员坠落、物体坠落打击等风险。
如果安全防护措施不到位,如未设置安全带、安全网,或者未对施工工具和材料进行妥善固定,很容易发生安全事故。
2、起重作业在钢结构的吊装过程中,需要使用起重机等大型设备。
如果起重机选型不当、操作失误、吊具不合格或者吊装方案不合理,可能导致构件掉落、起重机倾覆等事故。
3、焊接与切割作业焊接和切割是钢结构施工中常见的作业方式。
在这个过程中,可能会产生火灾、爆炸、触电、烫伤等危险。
例如,焊接时产生的火花可能引燃周围的易燃物,氧气瓶和乙炔瓶放置不当可能发生爆炸,电气设备故障可能导致触电事故。
4、临时支撑与固定在钢结构安装过程中,常常需要设置临时支撑和固定措施来保证结构的稳定性。
如果临时支撑设置不合理、强度不足或者拆除过早,可能导致结构失稳倒塌。
钢结构在工程建设和生产中被广泛应用,但由于其特殊性和复杂性,存在一定的安全风险。
在钢结构工程中,需要对潜在的危险源进行辨识和风险评价,并采取相应的控制措施,以确保工程施工和运行过程中的安全性和稳定性。
1. 钢结构危险源辨识钢结构在施工和使用过程中存在着多种潜在的危险源,如焊接、切割和组装过程中的火灾和爆炸风险,高空作业和吊装作业中的坠落和碰撞风险,以及结构腐蚀、疲劳和变形所导致的结构安全隐患等。
针对这些危险源,需要进行全面的辨识和评估,以确定安全风险的程度和影响范围。
2. 风险评价控制清单针对钢结构工程中的各项安全风险,可以建立一套风险评价控制清单,以便系统地进行风险评估和控制措施的制定。
这个清单应该包括但不限于以下内容:2.1 结构安全风险评价- 考虑结构的荷载、应力和变形特性,评估结构在不同情况下的安全性和稳定性,并确定可能存在的危险隐患和安全风险。
2.2 火灾和爆炸风险控制- 在焊接、切割和热处理等工艺中,采取防火防爆措施,如使用防火涂料、设置防火墙和通风系统等,以降低火灾和爆炸风险。
2.3 高空作业和吊装风险控制- 制定高空作业和吊装作业的管理规定和程序,包括设置安全防护设施、使用安全防护装备和实施安全监督等,以预防坠落和碰撞事故。
2.4 结构腐蚀和疲劳风险管理- 定期对钢结构进行腐蚀检测和疲劳评估,制定防腐蚀和疲劳修复计划,并采取防腐蚀措施和结构加固措施,以延长结构的安全使用寿命。
3. 个人观点和理解钢结构工程的安全风险管理是一个极为重要的环节,需要全面考虑结构的安全性、工艺的安全性以及施工和运营过程中的安全风险。
通过建立风险评价控制清单和实施相应的控制措施,可以有效预防和控制钢结构工程中的潜在危险,保障工程的安全施工和运行。
4. 总结和回顾钢结构危险源的辨识和风险评价非常重要,需要根据工程的实际情况和特点,建立相应的控制清单和管理措施,确保工程的安全性和稳定性。
在实际操作中,还需要不断总结和经验,加强安全教育和培训,提高施工作业人员的安全意识和技能水平。
钢结构施工危险源识别与应对措施项目危险源应对措施材料存储、运输与使用物体打击(1)材料应按品种﹑规格、型号堆码整齐稳固。
(2)钢板、钢杆件每层应用垫木隔开,堆放高度不得超过1m;片石堆放高度不得超过1m;条石、块石及人工堆放的袋装材料高度不得超过1.5m;易于滑滚的材料堆放时应捆绑牢固,砖块应平置堆放,互相压叠,高度不得超过2m。
危险化学品爆炸(1)储存危险化学品的仓库及场所应设专人管理,应配备可靠的个人安全防护用品。
(2)储存的危险化学品应按规定设置标志。
同一区域储存两种或两种以上不同级别的危险化学品时,应按最高等级危险化学品设置标志。
(3)危险化学品应按性能分区、分类、分库储存,不得与禁忌物料混合储存。
(4)储存危险化学品的建筑物、区域内严禁吸烟和使用明火。
火灾对存放的油漆、油料、气罐、木才等易然易爆物品要进行分类存放,设置专们的存放点,由专人发放看管。
严格防火管理制度,加强火灾和爆炸前的预防工作,组织训练消防队伍,配备满足防火要求的灭火器材,一但火灾和爆炸发生,要立即控制活源,切断爆炸传播途径,快速疏散人员和物资,在显眼位置悬挂警示标识牌。
运输侵限(1)铁路封闭区域内一般不应存放材料,严禁侵入铁路限界。
(2)靠近线路存放的机具﹑材料,应放置稳固,严禁侵人铁路限界。
道作、片石、砂子等材料卸车后,施工负责人应及时组织人员排查清道。
施工机械操作机械倾覆(1)操作人员和配合作业人员应正确佩戴和使用劳动防护用品。
(2)施工机械应按照出厂使用说明书规定进行操作,不得超载作业或任意扩大使用范围。
机械伤害(1)对班组人员应进行电器知识和机械使用常识教育,施工交底时包括防触电和救护交底。
(2)施工用电线路及配电箱和机械设备安设,必须由电专业电工人员持证上岗作业。
(3)施工现场临时电路应离地架空布置,并固定好,避免有拖地现象。
物体打击(1)高处作业所用的物料、机具、工具等,应堆平放稳,不得妨碍通行和装卸。
对有可能坠落的物件应先行撤除或加以固定高空坠落(1)高处作业人员应配有工具袋,工具、螺丝、焊条、及零星废料头应随手放入工具袋,完工后,随人及时带回地面。
钢结构工程重大危险源和控制措施清单1. 引言本文档旨在列举钢结构工程中的重大危险源和相应的控制措施,以确保工程施工和运营过程中的安全性和可持续性。
2. 重大危险源清单- 高处作业:包括在高处建设、维修和拆除钢结构的作业过程。
这涉及到工人的高空坠落风险。
- 物料搬运:包括吊装和运输钢结构材料的作业过程。
这涉及到工人在搬运过程中可能受到重物伤害的风险。
- 火焰和热源:包括焊接、切割和热处理钢结构的作业过程。
这涉及到火灾和烧伤的风险。
- 电气设备和线路:包括使用电气设备和操作电气线路的作业过程。
这涉及到电击和触电的风险。
- 承重结构稳定性:包括钢结构的设计、施工和维护过程中可能导致结构不稳定的因素。
这涉及到建筑物倒塌的风险。
3. 控制措施清单- 高处作业:- 提供安全护栏和安全网,以防止工人从高处坠落。
- 提供适当的个人防护装备,如安全带和安全帽。
- 物料搬运:- 使用合适的起重设备和工具,确保安全搬运钢结构材料。
- 提供必要的培训和操作指导,以确保工人掌握正确的搬运技巧。
- 火焰和热源:- 使用防火材料和防火屏障,以防止火灾扩散。
- 提供足够的通风,以降低热源对周围环境的影响。
- 电气设备和线路:- 定期检查和维护电气设备和线路,确保其正常运行和安全使用。
- 提供必要的电气安全培训,以确保工人了解电气设备和线路的正确操作方法。
- 承重结构稳定性:- 在设计和计算钢结构时,遵循相关的国家和地区标准和规范。
- 定期进行结构检查和维护,确保结构的稳定性和可靠性。
请注意,以上措施只是一些常见的示例,并不会涵盖所有可能的危险源和控制措施。
在实际工程中,应根据具体情况进行综合评估,并制定相应的安全管理计划和措施。
钢结构危险源钢结构在现代建筑中起着不可或缺的作用,但同时也存在着一些潜在的危险源。
本文将对钢结构危险源进行详细的分析,并提出相应的预防和控制措施。
一、高空坠物钢结构施工过程中,高空作业是不可避免的。
然而,高空坠物却是一种常见的安全隐患。
由于天气、设备故障或操作不当,钢材、工具等物品可能从高处坠落,造成人员伤亡或财产损失。
为了预防和控制高空坠物,应采取以下措施:1. 检查和维护施工现场上方的安全网、防护栏杆等设施,确保其牢固可靠;2. 在施工现场设置明确的封闭区域,禁止未经授权人员进入;3. 对相关工人进行必要的培训和教育,提高他们的安全意识和技能;4. 使用可靠的吊装设备和工具,并及时检查其状况,确保其安全可靠;5. 开展定期的安全检查和巡视,发现问题及时整改。
二、火灾风险钢结构建筑中的火灾风险与其材料特性密切相关。
钢材在高温下易软化,受热变形,甚至失去承载能力。
一旦钢结构发生火灾,可能导致建筑物倒塌,威胁到人员生命安全。
为降低火灾风险,可以考虑以下措施:1. 在设计阶段,合理设置防火分区和紧急疏散通道,确保人员能够及时疏散;2. 选用具有良好防火性能的钢材和防火涂料,提高结构的耐火性能;3. 定期检查和维护防火设施,如灭火器、喷淋系统等,确保其正常运行;4. 加强火灾应急演练和培训,提高人员对火灾的应对能力;5. 增加建筑物的防火隔离带,防止火灾蔓延。
三、腐蚀问题钢结构长期暴露在恶劣的环境中,容易受到腐蚀的侵蚀,从而减弱其承载能力。
特别是在海边、化工厂等腐蚀性环境中,腐蚀问题更加严重。
为预防和控制钢结构的腐蚀,可以采取以下措施:1. 在选择材料时,考虑使用具有良好抗腐蚀性能的钢材;2. 对钢结构进行防腐处理,如喷涂防腐漆、环氧涂层等;3. 定期检查钢结构的腐蚀情况,发现问题及时修复;4. 保持环境干燥,减少钢结构与水、气体等腐蚀性介质的接触;5. 加强钢结构的保养和维护,延长其使用寿命。
结语钢结构在现代建筑中具有广泛的应用,但同时也伴随着一些潜在的危险源。
钢结构危险源辨识评价钢结构危险源辨识评价一览表序号作业活动危险因素作业条件危险性评价风险控制方法可能导致的后果1 制作氧气、丙烷气体泄露火灾、爆炸运行控制火灾、爆炸应急预案2 制作剪板机、钻床、行车使用机械伤害运行控制机械伤害运行控制3 制作物件支撑不稳物体打击运行控制物体打击运行控制4 制作机械设备违章操作机械伤害运行控制机械伤害运行控制5 制作在危险区域内未采取防火措施(未)火灾、爆炸运行控制、应急预案火灾、爆炸6 制作氧气、丙烷表爆裂火灾、爆炸运行控制火灾、爆炸7 制作砂轮片爆裂物体打击运行控制物体打击运行控制8 制作下配电设施未按三级配电,两极保护设置触电触电运行控制触电运行控制9 制作料切割火星飞溅火灾、烫伤运行控制火灾、烫伤10 制作氧气瓶口沾上油污爆炸火灾、爆炸运行控制火灾、爆炸11 制作组在危险区域内未采取防火措施(未)火灾、爆炸运行控制、应急预案火灾、爆炸12 制作氧气、乙炔瓶倾倒物体打击运行控制物体打击运行控制13 制作氧气、乙炔表爆裂火灾、爆炸运行控制火灾、爆炸14 制作氧气、乙炔气体泄露火灾、爆炸运行控制火灾、爆炸15 制作工件支撑不稳、倾倒物体打击运行控制物体打击运行控制16 制作机械设备违章操作机械伤害运行控制机械伤害运行控制17 制作配电设施未按三级配电,两极保护设置触电触电运行控制触电运行控制18 制作用电设备及工机具外壳漏电触电运行控制触电运行控制钢结构危险源辨识评价一览表在进行钢结构制作、焊接、切割等作业时,存在许多危险因素,需要进行辨识评价并采取相应的风险控制措施。
下面是一份钢结构危险源辨识评价一览表,共包括18个危险源,涉及火灾、爆炸、物体打击、机械伤害、触电等多种风险类型。
其中,对于可能导致火灾、爆炸的危险源,需要进行运行控制,并制定应急预案;对于可能导致物体打击、机械伤害、触电等风险的危险源,需要采取相应的运行控制措施。
此外,还需要注意防止焊渣、飞溅等引起明火,以及电焊机的安全使用等问题。
钢构造吊装工程危险源辨别及风险控制工程名称:石油焦锻烧车间第一页序号作业可能发生危险要素控制措施活动危害事件安装用的工具应放在随身带的工工具坠落违章作业机具损害具袋内,不行任意愿下丢掷吊具在使用前一定经过严格检查构件安装工具一吊具构件构件安装起重吊具断裂管理缺点综合损害及判定,切合要求后才能使用构件安装后,一定检查连结质量管理缺点构件坠落综合损害无误后,才能拆掉暂时固定工具违章作业或摘钩,以防构件掉下伤人高空施工人员一定戴安全帽,穿人员坠落违章作业高空坠落防滑鞋,系好安全带悬空人员将悬空作业人员,不得将身子伸出身子伸出吊违章作业高空坠落吊篮外篮外防备缺点高空作业人员在高空行走时应思麻木粗心高空坠落违章作业想集中,不行粗心起重机应按期进行检查,对不符管理缺点操作失灵综合损害合使用要求的零零件应实时进行违章作业改换机起重机司机一定遵从起重人员的不听指挥违章作业综合损害指挥,不得任意起吊二违章作业非司机操作综合损害司机一定持证上岗管理缺点吊车回半径违章作业综合损害禁止在吊车展转半径内站人有人起重机行驶的道路一定坚固,起起重机倾斜违章作业综合损害重机不得停在斜坡上工作吊车斜吊违章作业综合损害严格依据起重机操作规程操作编制人 :审查人:同意人:钢构造吊装工程危险源辨别及风险控制工程名称:石油焦锻烧车间第二页作业可能发生序号危险要素控制举措活动危害事件构件违章作业机具/ 人身交错作业时,地面人员一定戴安构件砸伤安装防备缺点损害全帽,并防止在高空作业下逗留交错高空任意抛机具/ 人身在高空作业的人员,不得任意愿违章作业三作业弃物件损害下抛弃物件管理缺点检查焊把线,对有损坏处进行包焊把线损坏触电构件违章作业扎;焊机一定接地安装防备缺点高空用电焊、火焊时,应采纳措高空作业烧伤电焊违章作业施防备落下的金属火花伤人气割电焊机超负机具损害违章作业电气设施不得超负荷作业四荷作业火灾构件氧气乙炔瓶的距离大于 5 米;氧安装安全距离违章作业综合损害气瓶不行在太阳下暴晒,应远离氧气火源乙炔防备缺点瓶爆防备举措综合损害氧气乙炔瓶出口处加设回火装置违章作业五炸安全对进场全部人员进行安全教育 , 考入场教育管理缺点综合损害六教育核合格后方可上岗管理缺点对参加吊装的人员按施工方案进技术交底综合损害违章作业行交底管理缺点对参加吊装的人员按施工方案进安全交底综合损害违章作业行交底施工方案管理缺点综合损害编制该工程确实可行的施工方案洞口、临边管理缺点安全通道防备缺点高空坠落全部防备一定连续靠谱操作台违章作业编制人 :审查人:同意人:。
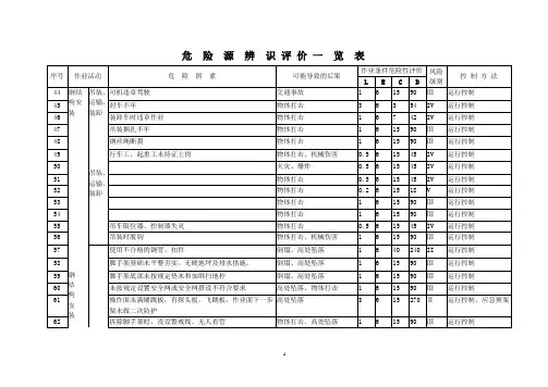
九冶建设有限公司危险源清单(钢结构工程)
批准:
审核:
编制:安全技术部
2012年2月26日
危险源辨识及风险评价表(钢结构工程)JYR—5.4.4/01
填报部门: 九冶建设有限公司
危险源辨识及风险评价表(钢结构工程)JYR—5.4.4/01
填报部门: 九冶建设有限公司
危险源辨识及风险评价表(钢结构工程)JYR—5.4.4/01
填报部门: 九冶建设有限公司
危险源辨识及风险评价表(钢结构工程)JYR—5.4.4/01
填报部门: 九冶建设有限公司
危险源辨识及风险评价表(钢结构工程)JYR—5.4.4/01
填报部门: 九冶建设有限公司
危险源辨识及风险评价表(钢结构工程)JYR—5.4.4/01
填报部门: 九冶建设有限公司
危险源辨识及风险评价表(钢结构工程)JYR—5.4.4/01
填报部门: 九冶建设有限公司
危险源辨识及风险评价表(钢结构工程)JYR—5.4.4/01
填报部门: 九冶建设有限公司
危险源辨识及风险评价表(钢结构工程)JYR—5.4.4/01
填报部门: 九冶建设有限公司
危险源辨识及风险评价表(钢结构工程)JYR—5.4.4/01
填报部门: 九冶建设有限公司
危险源辨识及风险评价表(钢结构工程)JYR—5.4.4/01
填报部门: 九冶建设有限公司
危险源辨识及风险评价表(钢结构工程)JYR—5.4.4/01
填报部门: 九冶建设有限公司
危险源辨识及风险评价表(钢结构工程)JYR—5.4.4/01
填报部门: 九冶建设有限公司
危险源辨识及风险评价表(钢结构工程)JYR—5.4.4/01
填报部门: 九冶建设有限公司
危险源辨识及风险评价表(钢结构工程)JYR—5.4.4/01
填报部门: 九冶建设有限公司
危险源辨识及风险评价表(钢结构工程)JYR—5.4.4/01
填报部门: 九冶建设有限公司
危险源辨识及风险评价表(钢结构工程)JYR—5.4.4/01
填报部门: 九冶建设有限公司
危险源辨识及风险评价表(钢结构工程)JYR—5.4.4/01
填报部门: 九冶建设有限公司
危险源辨识及风险评价表(钢结构工程)JYR—5.4.4/01
填报部门: 九冶建设有限公司
危险源辨识及风险评价表(钢结构工程)JYR—5.4.4/01
填报部门: 九冶建设有限公司
危险源辨识及风险评价表(钢结构工程)JYR—5.4.4/01
填报部门: 九冶建设有限公司
危险源辨识及风险评价表(钢结构工程)JYR—5.4.4/01
填报部门: 九冶建设有限公司。