钢结构吊装工程危险源识别及风险控制
- 格式:doc
- 大小:80.00 KB
- 文档页数:2
(完整版)钢筋混凝土结构吊装工程危险源识别及风险控制钢筋混凝土结构吊装工程危险源识别及风险控制1. 引言钢筋混凝土结构的吊装工程具有一定的危险性,如果不合理地识别和控制工程中的危险源,可能会导致人员伤亡、设备损坏以及工程延误等不良后果。
因此,本文档旨在通过对钢筋混凝土结构吊装工程中的危险源进行识别,并提出相应的风险控制措施,以保障工程的安全进行。
2. 危险源识别在钢筋混凝土结构吊装工程中,存在以下主要危险源:2.1.高处坠落由于吊装过程中需要在高空进行操作,存在人员不慎坠落的风险。
该危险源主要集中在悬挂点、吊装平台以及吊装设备的操作区域等位置。
2.2.吊装设备故障吊装设备是保证工程顺利进行的关键环节,但设备故障可能引发意外事故,例如起重机的故障导致吊装物坠落等。
2.3.不稳定承重在吊装工程中,起重设备需要承受较大负荷,如果承重不稳定,可能引发设备翻倒、结构崩塌等重大事故。
2.4.操作人员失误吊装工程中操作人员的失误也是一种常见的危险源。
例如,操作不当或疏忽大意可能导致工人、设备受伤或引发其他事故。
3. 风险控制措施根据上述识别的危险源,我们可以采取以下措施来控制风险:3.1.高处坠落的风险控制- 搭设临时围护栏和安全网,限制工作区域,防止人员坠落;- 提供安全带和安全防护装备,强制工作人员佩戴;- 进行定期培训,提高工作人员对高处作业的安全意识。
3.2.吊装设备故障的风险控制- 定期检查设备,确保其正常运行,并记录维护情况;- 加强对操作人员的培训和考核,提高其操作技能和责任心;- 配备备用设备或应急方案,以备不时之需。
3.3.不稳定承重的风险控制- 吊装前对承重物体进行评估,确保吊装设备的负荷在安全范围内;- 使用合适的吊具和固定装置,增加承重物体的稳定性;- 配备专业人员进行监控和指导,确保承重操作的安全性。
3.4.操作人员失误的风险控制- 建立完善的操作规程和标志,明确操作要求和操作步骤;- 定期进行安全技术培训,提高操作人员的技能和安全意识;- 强化现场管理,实行严格的监督和检查制度,及时发现和纠正操作中的失误。
引言:钢结构工程是现代建筑中广泛应用的重要结构类型,其具有优越的强度和稳定性。
然而,在钢结构工程的施工和使用过程中,也存在一些潜在的危险源。
本文将探讨钢结构工程的危险源辨识与应对措施,以确保工程的安全性和可靠性。
概述:钢结构工程的危险源非常多样化,包括施工过程中的工作高空、起重设备操作、焊接作业等,以及使用过程中的结构损坏、材料老化等。
在项目的初期,就应该对这些潜在的危险源进行准确的辨识,并采取相应的应对措施,以降低事故和损失的发生概率。
正文:一、施工过程中的危险源1. 工作高空- 提供足够的安全扶手和护栏,确保工人站立和移动时有稳固的支撑。
- 配备适当的安全带和救生绳,确保工人在悬挑或高空工作时能够系好安全带,并随时准备救援。
2. 起重设备操作- 对起重设备进行定期维护和检查,确保其正常运行和安全可靠。
- 对操作人员进行专业的培训和资质认证,确保其具备正确的操作技能和安全意识。
- 制定详细的作业方案,并进行现场指导和监督,确保起重作业过程中的安全。
3. 焊接作业- 在施工现场设置足够的消防设备,如灭火器、喷水系统等,以应对可能发生的火灾。
- 对焊工进行专业培训,确保其具备正确的焊接技能和安全操作意识。
- 严格控制焊接作业的环境和条件,如通风、温度等,以降低火灾的风险。
二、使用过程中的危险源1. 结构损坏- 定期对钢结构工程进行检测和评估,及时发现和修复可能存在的结构问题。
- 采用高质量的建筑材料,并进行正确的施工和安装,以降低结构损坏的概率。
- 配备必要的安全设施和应急预案,对可能出现的事故做好准备和应对。
2. 材料老化- 定期进行钢结构的保养和维护,包括防锈处理、涂层维修等,以延长材料的使用寿命。
- 采用高品质的钢材,并依据相关国家和行业标准进行质量控制和检测。
- 进行定期的结构安全评估和监测,及时发现并处理材料老化问题。
总结:钢结构工程的危险源辨识与应对措施是确保工程安全性和可靠性的重要环节。
钢结构在工程建设和生产中被广泛应用,但由于其特殊性和复杂性,存在一定的安全风险。
在钢结构工程中,需要对潜在的危险源进行辨识和风险评价,并采取相应的控制措施,以确保工程施工和运行过程中的安全性和稳定性。
1. 钢结构危险源辨识钢结构在施工和使用过程中存在着多种潜在的危险源,如焊接、切割和组装过程中的火灾和爆炸风险,高空作业和吊装作业中的坠落和碰撞风险,以及结构腐蚀、疲劳和变形所导致的结构安全隐患等。
针对这些危险源,需要进行全面的辨识和评估,以确定安全风险的程度和影响范围。
2. 风险评价控制清单针对钢结构工程中的各项安全风险,可以建立一套风险评价控制清单,以便系统地进行风险评估和控制措施的制定。
这个清单应该包括但不限于以下内容:2.1 结构安全风险评价- 考虑结构的荷载、应力和变形特性,评估结构在不同情况下的安全性和稳定性,并确定可能存在的危险隐患和安全风险。
2.2 火灾和爆炸风险控制- 在焊接、切割和热处理等工艺中,采取防火防爆措施,如使用防火涂料、设置防火墙和通风系统等,以降低火灾和爆炸风险。
2.3 高空作业和吊装风险控制- 制定高空作业和吊装作业的管理规定和程序,包括设置安全防护设施、使用安全防护装备和实施安全监督等,以预防坠落和碰撞事故。
2.4 结构腐蚀和疲劳风险管理- 定期对钢结构进行腐蚀检测和疲劳评估,制定防腐蚀和疲劳修复计划,并采取防腐蚀措施和结构加固措施,以延长结构的安全使用寿命。
3. 个人观点和理解钢结构工程的安全风险管理是一个极为重要的环节,需要全面考虑结构的安全性、工艺的安全性以及施工和运营过程中的安全风险。
通过建立风险评价控制清单和实施相应的控制措施,可以有效预防和控制钢结构工程中的潜在危险,保障工程的安全施工和运行。
4. 总结和回顾钢结构危险源的辨识和风险评价非常重要,需要根据工程的实际情况和特点,建立相应的控制清单和管理措施,确保工程的安全性和稳定性。
在实际操作中,还需要不断总结和经验,加强安全教育和培训,提高施工作业人员的安全意识和技能水平。
钢结构施工危险源识别与应对措施项目危险源应对措施材料存储、运输与使用物体打击(1)材料应按品种﹑规格、型号堆码整齐稳固。
(2)钢板、钢杆件每层应用垫木隔开,堆放高度不得超过1m;片石堆放高度不得超过1m;条石、块石及人工堆放的袋装材料高度不得超过1.5m;易于滑滚的材料堆放时应捆绑牢固,砖块应平置堆放,互相压叠,高度不得超过2m。
危险化学品爆炸(1)储存危险化学品的仓库及场所应设专人管理,应配备可靠的个人安全防护用品。
(2)储存的危险化学品应按规定设置标志。
同一区域储存两种或两种以上不同级别的危险化学品时,应按最高等级危险化学品设置标志。
(3)危险化学品应按性能分区、分类、分库储存,不得与禁忌物料混合储存。
(4)储存危险化学品的建筑物、区域内严禁吸烟和使用明火。
火灾对存放的油漆、油料、气罐、木才等易然易爆物品要进行分类存放,设置专们的存放点,由专人发放看管。
严格防火管理制度,加强火灾和爆炸前的预防工作,组织训练消防队伍,配备满足防火要求的灭火器材,一但火灾和爆炸发生,要立即控制活源,切断爆炸传播途径,快速疏散人员和物资,在显眼位置悬挂警示标识牌。
运输侵限(1)铁路封闭区域内一般不应存放材料,严禁侵入铁路限界。
(2)靠近线路存放的机具﹑材料,应放置稳固,严禁侵人铁路限界。
道作、片石、砂子等材料卸车后,施工负责人应及时组织人员排查清道。
施工机械操作机械倾覆(1)操作人员和配合作业人员应正确佩戴和使用劳动防护用品。
(2)施工机械应按照出厂使用说明书规定进行操作,不得超载作业或任意扩大使用范围。
机械伤害(1)对班组人员应进行电器知识和机械使用常识教育,施工交底时包括防触电和救护交底。
(2)施工用电线路及配电箱和机械设备安设,必须由电专业电工人员持证上岗作业。
(3)施工现场临时电路应离地架空布置,并固定好,避免有拖地现象。
物体打击(1)高处作业所用的物料、机具、工具等,应堆平放稳,不得妨碍通行和装卸。
对有可能坠落的物件应先行撤除或加以固定高空坠落(1)高处作业人员应配有工具袋,工具、螺丝、焊条、及零星废料头应随手放入工具袋,完工后,随人及时带回地面。
完整版)钢筋混凝土结构吊装工程危险源识别及风险控制钢筋混凝土结构吊装工程危险源识别及风险控制一、项目背景钢筋混凝土结构吊装工程是建筑行业中常见的作业方式之一。
然而,由于吊装过程中存在许多危险源,必须对这些危险源进行全面的识别和有效的风险控制,以确保吊装工程的安全进行。
二、危险源识别进行钢筋混凝土结构吊装工程时,常见的危险源包括但不限于以下几个方面:1.高空坠落风险:在吊装过程中,工人可能会从高处坠落,导致严重的伤害甚至死亡。
2.物体坠落风险:吊装中的物体可能会脱离承载设备,从高处坠落,对周围人员造成伤害。
3.碰撞风险:吊装设备和其他固定设备之间的碰撞可能会导致设备损坏、人员受伤等情况。
4.吊装设备故障风险:吊装设备存在故障可能,如输送带断裂、起重机失灵等,会对工作人员和周围环境带来危险。
5.不稳定的结构风险:钢筋混凝土结构可能因在吊装中变得不稳定,导致塌方和倾斜,增加事故风险。
6.操作不当风险:不正确的吊装操作会导致各种安全问题,如吊钩滑脱、起重臂伸展不当等。
三、风险控制措施针对上述危险源,应采取以下风险控制措施来确保钢筋混凝土结构吊装工程的安全进行:1.建立高处坠落防护措施:在高处作业时,应搭设脚手架、安全护栏等设施,同时工作人员需佩戴安全带,并接受相关教育和培训。
2.使用合适的吊装设备:选用符合标准和要求的吊装设备进行作业,确保其质量和功能正常。
同时,吊装设备必须定期检查和维护,确保安全可靠。
3.建立物体坠落防护措施:在吊装作业区域周围设置隔离栏、安全网等措施,防止物体坠落伤及周围人员。
4.加强操作人员培训:对吊装设备操作人员进行系统的培训,使其熟悉设备的使用方法和操作规程,提高其安全意识和操作水平。
5.建立紧急救援措施:设立完善的应急预案和紧急救援体系,对吊装作业中的紧急情况进行有效的应对,及时处理事故并保护工作人员的生命安全。
四、结论钢筋混凝土结构吊装工程危险源的识别和风险控制至关重要。
钢结构安装工程危险源辨识与危险评价一、引言随着我国经济的快速发展,钢结构建筑因其施工速度快、结构强度高、抗震性能好等特点,得到了广泛应用。
然而,在钢结构安装工程中,存在诸多危险因素,对施工人员的安全构成威胁。
为了确保施工安全,本文将针对钢结构安装工程中的危险源进行辨识,并对危险性进行评价,以期为施工现场安全管理提供依据。
二、钢结构安装工程危险源辨识1. 人为因素(1)操作人员技术水平不足:操作人员对钢结构安装工艺、设备操作不熟悉,易导致操作失误。
(2)施工人员安全意识淡薄:施工人员对安全生产的重要性认识不足,易发生安全事故。
(3)现场管理混乱:现场管理人员对安全生产责任制落实不到位,导致施工现场安全隐患排查不彻底。
2. 设备因素(1)设备老化:设备长时间使用,易出现磨损、疲劳等问题,影响设备正常运行。
(2)设备操作不规范:设备操作人员未按照操作规程进行操作,易发生设备故障。
(3)设备维护保养不到位:设备维护保养不及时,可能导致设备故障频发。
3. 环境因素(1)天气影响:雨雪、大风等恶劣天气,对钢结构安装工程造成不利影响。
(2)施工现场环境复杂:施工现场附近有高压线、地下管线等,易发生安全事故。
(3)施工现场布局不合理:施工现场布局不合理,可能导致施工通道不畅,增加安全风险。
4. 物料因素(1)材料质量不合格:材料质量不达标,可能导致结构安全性能降低。
(2)物料堆放不规范:物料堆放不符合要求,易导致物料滑落、倒塌等安全事故。
5. 管理因素(1)安全生产规章制度不健全:安全生产规章制度不完善,无法对施工现场进行有效管理。
(2)安全培训不到位:安全培训内容不全面,培训效果不佳,无法提高施工人员的安全意识。
三、钢结构安装工程危险评价1. 评价指标体系构建根据危险源辨识结果,构建评价指标体系,包括以下几个方面:(1)人员素质指标:包括操作人员技术水平、施工人员安全意识等。
(2)设备状况指标:包括设备老化程度、设备操作规范性等。
钢结构吊装施工中的风险评估与安全控制钢结构吊装施工是建筑行业中一项重要且常见的作业,但同时也存在着一定的风险。
为了确保工程施工过程中的安全,必须对风险进行评估并采取相应的安全控制措施。
本文将就钢结构吊装施工中的风险评估与安全控制进行探讨,以期为相关从业人员提供参考和指导。
首先,钢结构吊装施工中存在的主要风险包括但不限于以下几点:1. 吊装设备的故障:吊装设备是进行钢结构吊装作业的关键工具,设备的不稳定或故障会给作业过程带来严重的安全隐患。
2. 吊装方案的不合理:吊装方案的设计不合理或存在漏洞,可能导致吊装操作时出现误操作或失控情况,从而引发事故。
3. 施工现场环境复杂:钢结构吊装施工往往需要在狭小、复杂的现场环境中进行,如遇到不可预测的天气变化或其他外界因素,易发生安全事故。
在面对以上风险时,需要进行全面的风险评估,并采取相应的安全控制措施,以确保施工过程的安全顺利进行。
下面将重点介绍钢结构吊装施工中的安全控制要点:1. 制定详细的吊装方案:在进行钢结构吊装前,必须制定详细的吊装方案,包括吊装的具体步骤、使用的吊装设备和器材、施工现场的环境等方面的考虑,确保方案合理可行。
2. 定期检查吊装设备:吊装设备是保障安全的关键,必须定期进行检查和维护,确保设备的正常运转状态,杜绝因设备故障引发的安全事故。
3. 设置安全警戒线:在施工现场设定明确的安全警戒线,标识出禁止进入的区域,并配备专人负责监控,避免非相关人员进入施工区域,减少意外风险。
4. 强化安全培训:对参与钢结构吊装作业的工作人员进行全面的安全培训,包括吊装操作流程、安全防范知识等,提高员工的安全意识和应急处理能力。
5. 定期安全检查和演练:定期进行安全检查,及时发现问题并采取措施加以解决;同时定期组织安全演练,提高员工的应急处置能力和团队协作意识。
在钢结构吊装施工中,风险评估和安全控制是确保施工过程安全的基础和前提,只有重视风险管理工作,加强安全控制措施的落实,才能有效预防和减少安全事故的发生。
钢结构危险源措施方案一、钢结构吊装作业的危险源解析及防控措施钢结构构件在起吊作业过程中主要存在危险峻素:1、吊机在起吊钢柱或钢梁并进行就位临时固准时,因起吊角度过大或构件起吊点设置不合理惹起吊机推翻。
2、起吊钢丝绳安全系数过低、钢丝绳自己质量问题以及钢丝绳缺乏保养而导至钢丝绳磨损、锈蚀、变形、疲倦、断丝、绳芯裸露,在起吊过程中断裂以致构件坠落伤人。
3、进入施工现场的吊机来路不正规,甚至有的机主是自然人个体机主,吊机未经检验合格或未报监理、总包单位审查,作业时引举事故。
4、无专职的起重驾驶人员、司索、指挥、及现场安全督查人员,违章冒险作业,特别是司索、指挥人员由无证人员代替的现象比很多。
5、吊装时未设置警戒地区和有效的警戒保护,有人员在吊装区活动或穿越时被构件砸伤或碰伤。
6、暴风和极端天气(如 6 级及以上暴风、极冷、酷热天气)为赶进度而冒险作业以致事故发生。
二、钢结构起吊作业的安全防控措施:1、钢结构吊装需编制专项安全施工方案,方案应包括依照最重的钢构件的重量、长度等参数选择起吊及捆绑钢丝绳的规格;依照钢构重心合理设置吊点;吊机的选择,吊机选择应试虑起吊角度,吊臂外伸长度;吊机行走路线图;吊装施工作业先后步骤以及作业环境的安全保障措施等。
专项安全施工方案必定达成编、审、批程序。
2、全部进入施工现场的吊机的机主应该有相应的资质和安全同意,吊机应是经特种设备检验机构检验合格的设备,进场后应报监理和总包单位审核吊机资料。
3、参加吊装作业的起重驾驶人员、司索、指挥属特种作业人员,都必定拥有特种作业证上岗,并在作业前将名单和相应的特种作业证上岗证报监理和总包单位审查。
4、吊装作业时在吊装作业区应设置醒目的警戒线,封闭节余的通道,并有专职的安全督查人员现场督查。
5、在梁柱起吊时要确定合适的吊点。
无论构件大小都要试吊一次,使构件离地二米左右,检查各部位有无问题,在保证安全可靠的情况下正式吊装。
6、暴风和极端天气(如 6 级及以上暴风、极冷、酷热天气)应该停止高空作业。
(完整版)金属结构吊装工程危险源识别及风险控制一、引言金属结构吊装工程是一项危险性较高的工作,涉及到大型设备的悬吊和运输,如果风险不得到有效控制,将会对工人的生命和财产安全造成严重威胁。
因此,对于金属结构吊装工程危险源的识别和风险的控制至关重要。
二、危险源识别1. 起重设备起重设备是金属结构吊装工程中主要的危险源之一。
其中包括吊车、起重机、链条和吊索等。
操作人员需要具备相关证书,且需要经过严格的培训和考核才能操作起重设备。
同时,定期检验起重设备的质量和状态,确保其安全可靠。
2. 危险区域金属结构吊装工程中存在一些特殊的危险区域,如高空作业区、起重区域等。
这些区域存在高空坠落、物体撞击等风险。
为了确保工人的安全,必须设置警告标识和安全网,禁止非相关人员进入危险区域。
3. 作业环境金属结构吊装工程常常在恶劣的环境中进行,如高温、低温、风沙等。
这些环境因素会对工人的身体和精神造成不良影响,进而增加工作事故的风险。
因此,在作业前需要对环境进行评估和预警,提供必要的防护装备和设施。
4. 作业协调金属结构吊装工程涉及多个工种和多个部门的协作作业,如吊装人员、安全人员和现场指挥人员等。
协作不当可能导致工作事故的发生。
因此,建立良好的沟通机制和协调机制,明确各个工种的职责和任务,加强协作,提高工作效率和安全性。
三、风险控制1. 安全培训为了提高工人的安全意识和技能,必须对吊装工程人员进行全面的安全培训。
培训内容应包括起重设备操作、安全操作规程、紧急救援措施等。
定期进行安全培训和考核,确保各人员达到相应的安全标准。
2. 风险评估在金属结构吊装工程前,应进行风险评估工作。
通过对作业过程中可能存在的危险源和风险进行评估,制定相应的措施和预案。
同时,根据评估结果,对现场进行必要的改进和调整,以降低风险。
3. 安全设施金属结构吊装工程现场应配置必要的安全设施,如安全网、警告标识、防护栏杆等。
这些设施能够减少事故发生的可能性,保护工人的安全。
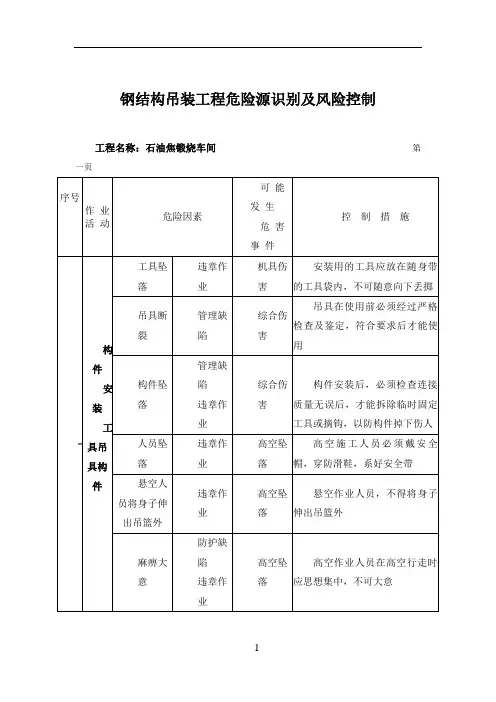
钢结构吊装工程危险源识别及风险控制
工程名称:石油焦锻烧车间第一页
编制人: 审核人: 批准人:
钢结构吊装工程危险源识别及风险控制
工程名称:石油焦锻烧车间第二页
安装氧气乙炔瓶爆炸
火源
防护措
施
防护缺
陷
违章作
业
综合伤
害
氧气乙炔瓶出口处加设回火
装置
六安
全教育
入场教
育
管理缺
陷
综合伤
害
对进场所有人员进行安全教
育,考核合格后方可上岗
技术交
底
管理缺
陷
违章作
业
综合伤
害对参与吊装的人员按施工方
案进行交底
安全交
底
管理缺
陷
违章作
业
综合伤
害对参与吊装的人员按施工方
案进行交底
施工方
案
管理缺
陷
综合伤
害
编制该工程切实可行的施工
方案
洞口、
临边安
全通道
操作台
管理缺
陷
防护缺
陷
违章作
业
高空坠
落
所有防护必须连续可靠
编
制人: 审核人: 批准人:。
钢结构装配危险源风险评估及控制措施【最新版】1. 简介本文档旨在对钢结构装配过程中的危险源进行风险评估,并提供相应的控制措施,以确保施工过程的安全性和高效性。
2. 风险评估2.1 高空作业风险- 风险描述:在钢结构装配过程中,存在高处作业的需求,如悬挂吊篮、登高作业等,可能存在人员从高处坠落的风险。
- 风险程度:高- 风险因素:缺乏正确的安全装备、人员操作不当、恶劣气候等。
- 控制措施:提供合适的安全绳索和安全带;严格管理和培训高处作业的人员;根据气候变化及时停工等。
2.2 起吊装卸风险- 风险描述:钢结构装配涉及起吊装卸操作,可能存在起吊物品坠落、起重机倾覆、钢丝绳断裂等风险。
- 风险程度:中等- 风险因素:起吊装卸设备质量、操作人员技术水平、起吊过程中不可控因素等。
- 控制措施:确保起吊装卸设备符合标准及经常性维护;提供合格操作人员并加强培训;制定起吊操作规范等。
2.3 地面组装风险- 风险描述:钢结构的地面组装涉及大型构件的拼装与连接,可能存在构件倾倒、刺伤等风险。
- 风险程度:中等- 风险因素:施工现场环境、操作人员疏忽、大型构件重量等。
- 控制措施:提供安全且牢固的支撑结构;加强操作人员的安全意识和技术培训;规范拼装与连接流程等。
3. 控制措施推荐- 针对高空作业风险,应提供合适的安全绳索和安全带,并严格管理和培训高处作业的人员。
在恶劣气候条件下及时停工。
- 针对起吊装卸风险,确保起吊装卸设备符合标准及经常性维护。
提供合格操作人员并加强培训。
制定起吊操作规范。
- 针对地面组装风险,提供安全且牢固的支撑结构。
加强操作人员的安全意识和技术培训。
规范拼装与连接流程。
4. 总结通过对钢结构装配过程中的危险源进行风险评估,并采取相应的控制措施,可以降低事故的发生概率,保障施工过程的安全性和高效性。
以上措施仅供参考,具体实施时需根据实际情况进行调整和完善。