kv真空断路器预防性试验作业指导书
- 格式:doc
- 大小:235.00 KB
- 文档页数:22
目录一、范围 (2)二、施工验收技术规范标准 (2)三、施工准备 (2)四、项目组织机构及质量保障体系 (6)五、施工进度控制 (7)六、试验程序、方法、技术措施 (8)七、关键质量控制点 (15)八、质量验收指标 (16)九、安全管理体系与措施 (16)1、安全管理体系 (16)2、安全措施 (17)十、文明施工、环境保护管理体系与措施 (18)十一、施工作业危害分析、风险评价及相应的安全技术措施 (19)1、危险点分析 (20)2、安全技术措施 (20)十二、突发事件应急预案 (22)1、高空坠落人身伤亡事故应急预案 (23)2、触电人身伤亡事故应急预案 (25)十三、施工质量记录及HSE记录及档案资料管理 (28)十四、回访保修管理 (29)十五、施工过程质量记录、HSE记录样表 (30)断路器试验作业指导书一、范围本作业指导书适用于220KV(及以下电压)断路器试验作业,包括交接验收试验、预防性试验、大修后试验项目的引用标准、仪器设备要求作业程序、试验结果判断方法和试验注意事项等。
该试验的目的是判定220KV(及以下电压)断路器的状况,能否投入使用或继续使用。
制定本指导书的目的是规范试验操作、保证试验结果的准确性,为设备运行、监督、检修提供依据。
二、施工验收技术规范标准下列文件中的条款通过本作业指导书的引用而成为本作业指导书的条款。
凡是注日期的引用文件,其随后所有的修改单或修订版均不适用于本作业指导书,然而,鼓励根据本作业指导书达成协议的各方研究是否可使用这些文件的最新版本。
凡是不注日期的引用文件,其最新版本适用于本作业指导书。
三、施工准备3.1现场准备3.2材料准备3.3施工技术准备3.4施工人员配备及相关资质要求3.5资料准备3.6 施工机具及检验仪器设备配备四、项目组织机构及质量保障体系五施工进度控制六、试验程序、方法、技术措施2、试验项目和试验标准3、试验方法及主要设备要求3.1辅助和控制回路绝缘电阻及交流耐压3.1.1使用仪器测量断路器辅助和控制回路绝缘电阻使用1000V兆欧表,辅助和控制回路交流耐压值为1000V,可采用普通试验变压器或2500V兆欧表代替。
变电设备预防性试验作业计划书(施工方案)施工作业单位:陕西莱特锐电力科技有限公司项目名称变配电设备定期试验计划书单位签字日期编制人:陕西莱特锐电力科技有限公司审核人:批准人:一、项目概况、作业现场作业危险点;1、高压进线柜下母线室带电、应挂“止步.高压危险”标示牌。
防止误入带电区域间隔。
2、防止反送电、应合上高压出线柜线路接地刀闸。
3、试验现场悬挂安全遮拦并挂“止步高压危险标示牌”5、试验完毕,要对所测试设备充分放电、方可接触。
6、施工现场区域内无关人员禁止入内。
检修时间:20 年月日---- 月日试验内容:10kV变配电设备定期预防性试验二、检修计划方案:1、被试验设备及其试验项目清单、序号被试验设备试验项目设备数量单位备注1真空断路器绝缘电阻9 台2 交流耐压3避雷器绝缘电阻11 组4 2mA电压5 75% 2mA电压及泄漏电流6电流互感器直流电阻9 组7 绝缘电阻8 交流耐压910KV电力电缆绝缘电阻7 段10 直流耐压及泄漏电流11 变压器直流电阻7 台12 绝缘电阻13 交流耐压14微机监控直流柜设备系统检验1 套15 电压监察系统16 电池电压测量17低压母线绝缘电阻7 组18 交流耐压19低压电容器绝缘电阻12 组20 电容值21 10高压柜紧固、清扫、检查、检修15 面22 低压GCS抽屉柜紧固、清扫、检查、检修48 面以上设备计划时间试验消缺需6小时2、2019年11月15日星期五低压封闭母线螺丝紧固、共五个回路96节、分批次停电计划时间需6小时。
三、人员能力和设备状况1 、人员能力本项目关键岗位人员及新增人员能力序号姓名岗位性别工作年限文化程度健康情况持证情况技能鉴定综合评估备注工龄本岗位1 王伟男10 5 本科良好电力电缆作业2 刘宏伟男11 5 专科良好高压电工作业3 魏新红男10 6 专科良好继电保护作业4 刘卓男13 7 本科良好电气试验作业2、设备状况施工作业采用的主要设备、设施及特殊HSE装置序号名称规格型号主要技术指标完好情况是否满足施工要求综合评估备注1 三相继电保护测试仪MS-702A 好满足2 变压器变比测试仪MS-100B 好满足3 变压器直流电阻MS-510 好满足4 工频试验耐压装置YDJ-6/50 好好满足满足5 接地电阻测试仪MS-2571 好满足6 互感器伏安特性测试仪MS-601B 好满足7 断路器特性测试仪MSGK-E 好满足8 回路电阻测试仪MSHL-100A 好满足9 变频串联谐振试验成套装置MSXB-f-135/108好满足10 抗干扰介损测量仪MS-101D 好满足8 发电机2KW 好满足陕西莱特锐电力科技有限公司2019年11月27日。
6.3kV、35kV真空断路器试验作业指导书编写:审核:批准:2013年12月目录一、6.3kV、35kV真空断路器试验二、兆欧表操作程序三、直流电阻测试仪操作程序四、回路电阻测试仪操作程序五、高压试验变压器及操作箱操作程六、高压开关特性测试仪操作程序一、6.3kV、35kV真空断路器试验一、适用范围:本作业指导书适用于站6.3kV、35kV真空断路器预防性试验。
二、规范性引用文件:1、GB 50150 2006 电气装置安装工程电气设备交接试验标准。
2、DL/T 474.1 2006 现场绝缘试验实施导则第1部分:绝缘电阻、吸收比和极化指数试验。
3、Q/CSG 1 0007 2004 电力设备预防性试验规程。
4、集团公司《电力安全工作规程》(变电站和发电厂电气部分)。
5、Q/GXD 126.01-2006《电力设备交接和预防性试验规程》。
6、电气试验规程和运行规程。
三、支持文件:1、6.3kV、35kV开关接线图。
2、试验方案。
3、试验原始数据记录本。
4、6.3kV、35kV开关出厂试验报告。
5、6.3kV、35kV开关交接试验报告。
4、历次预防性试验报告。
四、试验项目:1、测量绝缘电阻;2、测量每相导电回路的电阻;3、测量断路器分、合闸线圈及合闸接触器线圈的绝缘电阻及直流电阻;4、交流耐压试验;5、测量断路器主触头的分、合闸时间;6、测量断路器主触头分、合闸的同期性;7、测量断路器合闸时触头的弹跳时间;8、断路器操动机构的试验;五、试验程序1、试验用仪器设备:2、试验环境条件:2.1、试验环境温度不低于5℃、相对湿度10~80%。
2.2、试验区域内无振动、无强电场干扰。
2.3、电源电压的畸变率不超过5%,试验电源频率与额定频率之差应在额定频率的1%以内。
3、试验前的准备工作:3.1、制定试验计划;根据试品的容量、电压等级、绝缘结构确定试验项目和试验标准,选择试验设备。
3.2、布置试验场地,对正常试验必须有明确的接线图,非典型试验必须有单独的接线图和试验方案。
开关设备常规预防性试验第一节测量绝缘电阻一、试验目的检查开关设备主回路整体对地、断口之间绝缘状况,判定开关设备各部分对地绝缘电阻是否满足运行需要。
二、试验周期真空断路器:1、A(设备整体性检查、修理、更换)、B(设备局部性检修,主要组件、部件解体检查、修理、更换)级检修后。
2、必要时。
负荷开关:1、A(设备整体性检查、修理、更换)、B(设备局部性检修,主要组件、部件解体检查、修理、更换)级检修后。
2、220kV及以下电压等级设备,自投运起2年内做首次预防性试验。
自首次预防性试验起,其后最长以6年为一个周期进行试验。
3、必要时。
三、试验步骤1、准备仪表:进行兆欧表的开路及短路试验,确定仪表良好。
2、确定开关设备具备试验条件:落实安全措施,停电并验明无电。
3、测量各相整体对地绝缘电阻:将各相用短接线短接,用兆欧表2500V档位进行测量,仪表“L”端测试线接断路器其中一相,“E”端测试线接开关设备金属外壳。
4、测量断口间绝缘电阻:将开关上部三相用短接线短接,下部三相用短接线短接后接地。
用兆欧表2500V档位进行测量,仪表“L”端测试线接断路器上部其中一相,“E”端测试线接开关设备金属外壳。
5、放电:所测三相开关分别对地进行充分放电。
6、拆除短接线、接地线:拆除所有短接线和接地线。
7、整理仪器:收拾整理仪表。
四、合格标准1、用兆欧表2500V档位测量,绝缘电阻6kV、10kV真空断路器断口绝缘电阻A级检修后大于等于1000MΩ,运行中或B级检修后大于等于300MΩ。
2、负荷开关二次回路用兆欧表1000V档位测量,二次回路绝缘电阻不低于2MΩ。
五、注意事项1、开关设备停电,并将开关设备与有电部分隔离2、拆除出线高压电缆,防止反送电。
3、气体绝缘开关设备应检查气体密度计指示正常。
4、开关设备试验用全部短接线应登记,试验完成后要全部拆除。
第二节测量导电回路电阻一、试验目的检查开关设备动、静触头之间的接触电阻,判定开关设备三相导电回路电阻是否平衡,是否能够满足运行需求。
广西水利电业集团有限公司预防性试验作业指导书(变电站10kV分册)二○一○年十二月前言预防性试验是为了发现运行中设备的隐患,预防发生事故或设备损坏,对设备进行的检查、试验或监测。
预防性试验是电力设备运行和维护工作中一个重要环节,是保证电力设备安全运行的有效手段之一。
为了强化一次设备定期预防性试验工作,规范预防性试验现场作业,广西水利电业集团有限公司组织编制预防性试验标准化作业指导书,指导基层班组开展预防性试验工作。
本作业指导书系参照国家标准、行业标准、国家电网标准及相关的技术规范、规定编写,涵盖所有一次设备的相关试验项目,规范相应的试验方法和程序、规范试验仪器和设备。
本作业指导书对变电站10kV设备(包括变低/母联开关间隔、站用变压器间隔、电压互感器间隔、电容器组间隔、出线开关间隔)周期性的预防性试验(电气部分)工作的操作步骤、技术要点、安全注意事项、危险点分析等方面内容进行了详细的规范,用于指导变电站10kV设备的预防性试验工作。
目录10kV变低/母联开关间隔预防性试验(电气部分)作业指导书 (1)10kV站用变压器间隔预防性试验(电气部分)作业指导书 (20)10kV电压互感器间隔预防性试验(电气部分)作业指导书 (47)10kV电容器组间隔预防性试验(电气部分)作业指导书 (66)10kV出线开关间隔预防性试验(电气部分)作业指导书 (97)10kV变低/母联开关间隔预防性试验(电气部分)作业指导书10kV变低/母联开关间隔预防性试验(电气部分)作业指导书1范围本作业指导书适用于10kV变低/母联开关(包括真空断路器、干式电流互感器、橡塑电缆、干式电压互感器)周期性的预防性试验(电气部分)工作。
2规范性引用文件GB3906—2006 3.6kV~40.5kV交流金属封闭开关设备和控制设备GB50150—2006电气装置安装工程电气设备交接试验标准DL/T 474.4-2006现场绝缘试验实施导则第4部分:交流耐压试验国家电网安监[2009]664号《电力安全工作规程》(发电厂及变电站电气部分)DL/T 596—1996电力设备预防性试验规程广西水利电业集团有限公司“两票”管理规定(试行)3支持文件开关柜(包括真空断路器、干式电流互感器、橡塑电缆、干式电压互感器)使用说明书开关柜(包括真空断路器、干式电流互感器、橡塑电缆、干式电压互感器)出厂试验报告开关柜(包括真空断路器、干式电流互感器、橡塑电缆、干式电压互感器)交接试验报告历次预防性试验报告4 安全及预控措施4.1 安全措施4.1.1试验应填写变电第一种工作票。
1编写的目的及使用范围1.1目的:为了便于更好地维护好断路器,保证断路器处在良好状态下运行,规范检修试验标准,编写本作业性指导书。
1.2适用范围:电业局所属变电站,投运断路器设备。
1.3对工作人员的要求:为了保证检修试验质量,做到标准化,规范化,必须按照本作业性指导书有条款进行。
1.4 引用标准:本作业性指导书涉及到的标准很多,大致可以分为两种,一种是所涉及设备的基本标准,一种是有关试验的标准。
为精练起见,择主要标准列入。
1.4.1《电气装置安装工程电气设备交接试验标准》GB 50150--91 国家技术监督局中华人民共和国建设部。
1.4.2《电力设备预防性试验规程》DL/T 596 —1996 中华人民共和国电力行业1.4.3 各个厂家出厂试验报告。
因断路器的型号不同,断路器的导电回路电阻值以制造厂规定为标准。
1.4.4《电气装置工程施工及验收规范》工程建设标准规范2. 断路器试验所需工器具122.8温.湿度计1个 2.9具有保护装置的试验电源 1个3. 断路器试验作业流程图(附表一)4. 测量断路器的绝缘电阻4.1使用2500V 兆欧表(电动或手摇)均可,测量断路器的分•合闸绝缘电阻。
标准按 规程执行。
(DL/T 596-1996 ) . ( GB 50150-91 ) 4.2 MD 兆欧表操作规定 4.2.1 MD 兆欧表的使用操作 4.2.1.1 断开被试设备电源,并使设备短路接地充分放电,对电容较大的设备放电时间不 少于2分钟。
4.2.1.2仪器检查:将兆欧表放置平稳,将零线接地,旋转开启按钮启动兆欧表,使表针 向无限大。
然后,将火线接地,检查表针是否指零,检查无误后,开始正常工作。
4.2.1.3开始测试时,先启动兆欧表,然后将火线接于被试设备上进行测量。
测量完毕后, 应先将火线离开被试品,然后关闭按纽开关。
4.2.1.4 测量时间一般为一分钟,待指针稳定后,读取数值。
4.2.1.5 吸收比指60秒与15秒时绝缘电阻比值。
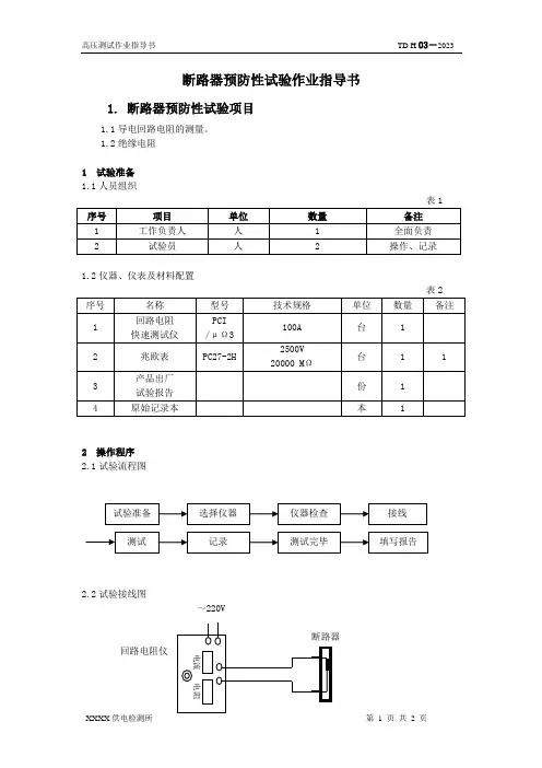
断路器预防性试验作业指导书1. 断路器预防性试验项目1.1导电回路电阻的测量。
1.2绝缘电阻1 试验准备 1.1人员组织表11.2仪器、仪表及材料配置表22 操作程序 2.1试验流程图2.2试验接线图~220V回路电阻仪图1 回路电阻测试仪测量回路电阻接线图3 试验步骤3.1试验准备该项试验应在被试品安装就位后进行。
试验准备按表1、表2进行。
3.2选择仪器选择回路电阻测试仪进行试验。
3.3仪器检查试验前必须对测试仪器进行检查,确保测试仪器状态良好。
首先检查外观,应完好无损,然后通电检查。
用标准电阻进行自检,检查无误后方可投入使用。
3.4接线测量导电回路电阻,应按图1接线3.5测试(1)测量前应先分合几次断路器,以破坏触头上的金属氧化膜,减少因此产生的测量误差;(2)接通测试仪电源,启动“开始”按钮,待出现“ok”字样,读取数据,关机;(3)测试结束后打印测试结果。
3.6记录测试时应作详细记录。
记录内容包括:仪器型号、编号、被试设备铭牌、测试数据。
记录使用墨水笔,字迹清晰。
记录本采用专门的原始记录本。
记录测试数据时应复述,操作人确认后方可记录。
3.7测试完毕测试完毕后,工作负责人应对原始记录进行审核,内容包括:记录内容是否漏项、测试数据有效数字、单位是否正确、记录人、试验人签字是否完整,检查无误后,审核人方可签字。
3.8填写报告测试完毕后,应及时填写试验报告。
试验报告应用计算机打印,妥善保存磁盘。
试验报告应由技术负责人签发。
并保存试验报告发放记录。
4 试验标准1)大修后应符合制造厂规定。
2)运行中自行规定,建议不大于1.2倍出厂值。
5 注意事项5.1接线时应用弹性较大的线夹,牢固夹在触头最近端,且用力反复拧错线夹,以破坏线夹与断路器接线端接触面的氧化膜,减小接触电阻。
5.2采用本测试仪在进行测试过程中,未出现“ok”,不可断开测试线,以防损坏仪器。
10kV出线开关间隔预防性试验(电气部分)作业指导书1范围本作业指导书适用于10kV出线开关间隔(包括真空断路器、干式电流互感器、氧化锌避雷器)周期性的预防性试验(电气部分)工作。
2规范性引用文件GB3906—2006 3.6kV~40.5kV交流金属封闭开关设备和控制设备GB11032-2000交流无间隔金属氧化物避雷器GB50150—2006电气装置安装工程电气设备交接试验标准DL/T 474.4-2006现场绝缘试验实施导则第4部分:交流耐压试验DL/T 474.5-2006现场绝缘试验实施导则第5部分:避雷器试验国家电网安监[2009]664号《电力安全工作规程》(发电厂及变电站电气部分)DL/T 596—1996电力设备预防性试验规程广西水利电业集团有限公司“两票”管理规定(试行)3支持文件开关柜(包括真空断路器、干式电流互感器、氧化锌避雷器)使用说明书开关柜(包括真空断路器、干式电流互感器、氧化锌避雷器)出厂试验报告开关柜(包括真空断路器、干式电流互感器、氧化锌避雷器)交接试验报告历次预防性试验报告4 安全及预控措施4.1 安全措施4.1.1试验应填写变电第一种工作票。
4.1.2试验负责人应由有经验的人员担任,开始试验前,试验负责人应对全体试验人员详细布置试验中的安全注意事项。
4.1.3试验需要拆线时,拆前应做好标记,接后应进行检查。
4.1.4试验装置的金属外壳应可靠接地;高压引线应尽量缩短,必要时用绝缘物支持牢固。
4.1.5试验现场应装设遮栏或围栏,向外悬挂“止步,高压危险!”的标示牌,并派人看守。
4.1.6试验需加高压时,加压前必须认真检查试验结线与仪表的开始状态,正确无误,通知有关人员撤离到安全区域,并取得试验负责人许可,方可加压。
加压过程中应有人监护并呼唱。
高压试验工作人员应穿绝缘鞋,在全部加压过程中,应精力集中,不得与他人闲谈,随时警戒异常现象发生。
4.1.7变更结线或试验结束时,应首先断开试验电源,放电,并将升压设备的高压部分短路接地。
广东电网公司10kV 户外柱上断路器预防性试验作业指导书2010-01-30发布2010-01-30实施广东电网公司 发 布QB广东电网公司企业标准前言预防性试验是及时发现电力设备缺陷、防范电力设备事故、保证电力系统安全运行的有效手段,是电力设备运行和维护工作中必不可少的一个重要环节。
为了强化一次设备预防性试验工作,规范预防性试验现场作业,广东电网公司组织编制预防性试验标准化作业指导书,指导基层班组开展预防性试验工作。
作业指导书的编写在参照国家标准、行业标准、南方电网标准及相关的技术规范、规定的基础上,充分考虑了广东电网公司的实际情况。
本作业指导书对10kV户外柱上断路器的预防性试验工作的操作步骤、技术要点、安全注意事项、危险点分析等方面内容进行了详细的规范,用于指导10kV户外柱上断路器的预防性试验工作。
本作业指导书由广东电网公司生产技术部提出、归口并解释。
本作业指导书起草单位:广东电网公司佛山供电局。
本作业指导书起草人:卢耀武、赵继光、李中霞、邹永良、杜键敏、冯建强、孔繁锦、郭文辉、刘协强、张汝藻。
目录1 范围 (4)2 规范性引用文件 (4)3 支持文件 (4)4 术语和定义 (4)5 安全及预控措施 (4)6 作业准备 (6)7 作业周期 (7)8 工期定额 (9)9 设备主要参数 (9)10 作业流程 (10)11 作业项目、工艺要求和质量标准 (11)12 作业中可能出现的主要异常现象及对策 (19)13作业后的验收与交接 (20)附录 10kV 户外柱上断路器试验记录 (21)1 范围本作业指导书适用于10kV户外柱上断路器的预防性试验工作。
2 规范性引用文件下列文件中的条款通过本作业指导书的引用而成为本作业指导书的条款。
凡是注日期的引用文件,其随后所有的修改单(不包括勘误的内容)或修订版均不适用于本标准,凡是不注日期的引用文件,其最新版本适用于本作业指导书。
GB1984—2003 高压交流断路器GB50150—2006 电气装置安装工程电气设备交接试验标准DL408—1991 电业安全工作规程(发电厂和变电站电气部分)DL409—1991 电业安全工作规程(电力线路部分)DL/T 474.4-2006 现场绝缘试验实施导则DL/T664-2008 带电设备红外诊断应用规范Q/CSG 1 0004—2004 电气工作票技术规范(发电、变电部分)Q/CSG 1 0005—2004 电气工作票技术规范(线路部分)Q/CSG 1 0007—2004 电力设备预防性试验规程3 支持文件断路器使用说明书断路器出厂试验报告断路器交接试验报告历次试验报告安全生产风险管理体系4 术语和定义4.1 预防性试验:为了发现运行中设备的隐患,预防事故发生或设备损坏,对设备进行的检查、或监测,也包括取油样或气样进行的试验。
真空断路器预防性试验作业指导书编码:LSKYS-05二○一七年十月作业指导书签名页目录1.适用范围 (1)2.编写依据 (1)3.作业流程 (1)4.安全风险辨析与预控 (1)5.作业准备 (2)人员配备 (2)6.作业方法 (3)作业条件检查 (3)外观检查 (3)元件检查 (3).主导电回路绝缘电阻测量 (3)测量每相导电回路的直流电阻 (3).断路器的特性试验: (4).交流耐压试验: (4)7. 质量控制措施及检验标准 (4)7.1质量控制措施 (4)7.2检验标准 (4)8验收记录 (5)9调试记录 (5)1.适用范围本作业指导书适用于真空断路器。
2.编写依据3.作业流程作业(工序)流程图4. 安全风险辨析与预控施工单位检查人:监理单位检查人:日期:日期:注:对存在风险且控制措施完善填写“√”,存在风险而控制措施未完善填写“×”,不存在风险则填写“―”,未检查项空白。
5.作业准备人员配备工器具及仪器仪表配置表5-2 主要工器具及仪器仪表配置6.作业方法作业条件检查检查开关安装完毕,符合试验条件。
现场条件满足试验要求。
检查工作票完善,工作安全措施完善。
试验人员符合要求,熟悉相关资料和技术要求。
相关试验仪器已准备,并保证其完好。
外观检查检查开关安装完好,无机械损伤。
检查开关柜内无杂物,元器件无受潮现象。
柜体接地已完善可靠。
柜内二次接线完善,牢固。
柜体型号,铭牌参数与设计一致。
元件检查测量分、合闸线圈的绝缘电阻和直流电阻,用500V摇表分别测量分闸线圈和合闸线圈对地的绝缘电阻,要求不低于10MΩ,用万用表或单臂电桥分别测量分闸线圈和合闸线圈的直流电阻。
储能电机检查:用500V摇表测量电机的绝缘电阻;检查储能电机额定电压与设计相符,通入电机额定的电源,检查电机运转是否正常和储能机构工作是否正常。
.主导电回路绝缘电阻测量测量断路器导电回路对地及断口间的绝缘电阻,断路器在合闸状态,分别测量每相导电回路对地的绝缘电阻;在分闸状态测量各断口之间的绝缘电阻。
SF6断路器(GIS)防止性实验作业指导书百色新铝电力有限公司目录前言................................................... 错误!未定义书签。
1 合用范围............................................... 错误!未定义书签。
2 规范性引用文献......................................... 错误!未定义书签。
3 技术术语............................................... 错误!未定义书签。
4 作业准备............................................... 错误!未定义书签。
5 作业流程............................................... 错误!未定义书签。
6 安全风险及预控措施..................................... 错误!未定义书签。
7 作业项目、方法及标准................................... 错误!未定义书签。
8 回顾与改善............................................. 错误!未定义书签。
附录A GIS防止性实验作业过程登记表........................ 错误!未定义书签。
附录B GIS防止性实验数据登记表............................ 错误!未定义书签。
前言为规范广西电网公司SF6断路器(GIS)的防止性实验工作,保证作业过程的安全及质量,制定本作业指导书。
本作业指导书由百色新铝电力有限公司生产技术部提出并归口。
本作业指导书重要起草人:本标准审查人:本标准审定人:本标准批准人:本作业指导书由百色新铝电力有限公司生产技术部负责解释。
编号: Q/××××
××变电站10kV××真空断路器预防性试验作业指导书
(范本)
编写:年月日
审核:年月日
批准:年月日
试验负责人:
试验日期年月日时至年月日时
湖北省电力公司
1适用范围
本作业指导书适用于××变电站10 kV×真空断路器预防性试验工作。
2规范性引用文件
下列标准及技术资料所包含的条文,通过在本作业指导书中引用,而构成为本作业指导书的条文。
本作业指导书出版时,所有版本均为有效。
所有标准及技术资料都会被修订,使用本作业指导书的各方应探讨使用下列标准及技术资料最新版本的可能性。
GB 1984--1989 交流高压断路器
GB/T 3309--1989 高压开关设备常温下的机械试验
DL/T 596 --1996 电力设备预防性试验规程
GB 50150 --2006 电气装置安装工程电气设备预防性试验标准
湖北省电力公司220kV及以下输变电设备检修、试验、校验周期管理规定
国家电网公司十八条重大事故反措
国家电网公司电力安全工作规程(变电站和发电厂电气部分)(试行)国家电网安监[2005]83号
3试验前准备工作安排
3.1准备工作
3.2人员要求
3.3仪器仪表和工具
3.4危险点分析
3.5安全措施
3.6试验分工
4 试验程序4.1开工
4.2试验项目和操作标准
4.3竣工
5 试验总结
6 作业指导书执行情况评估
7 附录
试验记录:
10kV真空断路器试验记录
. .
可编辑。
断路器作业指导书1 适用范围本作业指导书适用于750kV及以下断路器的试验项目,规定了断路器交接验收、预防性试验、检修过程中的常规电气试验的引用标准、仪器设备要求、试验程序、试验结果判断方法和试验注意事项等。
制定本作业指导书的目的是规范试验操作、保证试验结果的准确性,为设备运行、监督、检修提供依据。
2 引用文件下列文件中的条款通过本作业指导书的引用而成为本作业指导书的条款。
凡是注日期的引用文件,其随后所有的修改单或修订版均不适用于本作业指导书,然而,鼓励根据本作业指导书达成协议的各方研究是否可使用这些文件的最新版本。
凡是不注日期的引用文件,其最新版本适用于本作业指导书。
《电气装置安装工程电气设备交接试验标准》GB 50150-2016《电力设备预防性试验规程》DL/T 596-1996《现场绝缘试验实施导则第1部分:绝缘电阻、吸收比和极化指数试验》DL/T《现场绝缘试验实施导则第3部分介质损耗因数tanδ试验》DL/T《现场绝缘试验实施导则第4部分:交流耐压试验》DL/T《气体绝缘金属封闭开关设备现场交接试验规程》DL/T 618-20113 检测项目3.1 断路器常规试验包括以下试验项目(1)测量绝缘电阻;(2)测量每相导电回路的电阻;(3)交流耐压试验;(4)断路器均压电容器的试验;(5)测量断路器的分、合闸时间,测量分、合闸的同期性,测量合闸时触头的弹跳时间;(6)测量断路器的分、合闸速度;(7)测量断路器合闸电阻的投入时间及电阻值;(8)测量断路器分、合闸线圈绝缘电阻及直流电阻;(9)断路器操动机构的试验;气体的含水量;(10)测量断路器内SF6(11)密封性试验;(12)气体密度继电器、压力表和压力动作阀的检查。
3.2 试验程序3.2.1应在试验开始之前详细记录试品的铭牌参数,检查、了解试品的状态及其历史运行有无异常情况,并进行记录。
3.2.2应根据交接或预试等不同的情况依据相关规程规定,从上述项目中确定本次试验所需进行的试验项目和程序。
高压真空断路器常规试验及检查作业指导书1范围本作业指导书适用于真空断路器试验作业,包括交接验收试验、预防性试验、大修后试验项目的引用标准、仪器设备要求、作业程序、试验结果判断方法和试验注意事项等。
该试验的目的是判定真空断路器的状况,能否投人使用或继续使用。
制定本指导书的目的是规范试验操作、保证试验结果的准确性,为设备运行、监督、检修提供依据。
2规范性引用文件下列文件中的条款通过本作业指导书的引用而成为本作业指导书的条款。
凡是注日期的引用文件,其随后所有的修改单或修订版均不适用于本作业指导书,然而,鼓励根据本作业指导书达成协议的各方研究是否可使用这些文件的最新版本。
凡是不注日期的引用文件,其最新版本适用于本作业指导书。
GB1984交流高压断路器JB3855 3.6-40.5kV户内交流高压真空断路器GB50150电气装置安装工程电气设备交接试验标准3安全措施为保证人身和设备安全,在进行绝缘电阻测量后应对试品充分放电;进行交流耐压试验等高压试验时,要求必须在试验设备周围设围栏并有专人监护,负责升压的人要随时注意周围的情况,一旦发现异常应立刻断开电源停止试验,查明原因并排除后方可继续试验。
4工作程序4.1试验项目真空断路器试验包括以下试验项目:a) 真空断路器整体和断口间绝缘电阻;b) 导电回路电阻;c)合、分闸时间及同期性及合闸弹跳时间;d)合分闸速度及分闸反弹幅值;e)灭弧室的触头开距及超行程;f)合闸接触器及合、分闸电磁铁的最低动作电压;g) 路器主回路对地、断口间及相间交流耐压。
4.2试验方法及主要设备要求4.2.1真空断路器整体和断口间绝缘电阻4.2.1.1使用仪器测量真空断路器整体和断口间绝缘电阻使用2500V兆欧表。
4.2.1.2试验结果判断依据a) 对整体绝缘电阻参照制造厂规定或自行规定。
b) 断口和有机物制成的提升杆的绝缘电阻(MΩ)不应低于表1数值(20℃时)。
4.2.1.3注意事项试验时应记录环境温度。
编号: Q/××××
××变电站10kV××真空断路器预防性试验作业指导书
(范本)
编写:年月日
审核:年月日
批准:年月日
试验负责人:
试验日期年月日时至年月日时
湖北省电力公司
1适用范围
本作业指导书适用于××变电站10 kV×真空断路器预防性试验工作。
2规范性引用文件
下列标准及技术资料所包含的条文,通过在本作业指导书中引用,而构成为本作业指导书的条文。
本作业指导书出版时,所有版本均为有效。
所有标准及技术资料都会被修订,使用本作业指导书的各方应探讨使用下列标准及技术资料最新版本的可能性。
GB 1984--1989 交流高压断路器
GB/T 3309--1989 高压开关设备常温下的机械试验
DL/T 596 --1996 电力设备预防性试验规程
GB 50150 --2006 电气装置安装工程电气设备预防性试验标准
湖北省电力公司220kV及以下输变电设备检修、试验、校验周期管理规定
国家电网公司十八条重大事故反措
国家电网公司电力安全工作规程(变电站和发电厂电气部分)(试行)国家电网安监[2005]83号
3试验前准备工作安排
3.1准备工作
3.2人员要求
3.3仪器仪表和工具
3.4危险点分析
3.5安全措施
3.6试验分工
4 试验程序
4.1开工
4.2试验项目和操作标准
4.3竣工
5 试验总结
6 作业指导书执行情况评估
7 附录
试验记录:
10kV真空断路器试验记录
注:合同范本有风险,使用需谨慎,法律是经验性极强的领域,范本无法思考和涵盖全面,最好找专业律师起草或审核后使用,谢谢您的关注!。