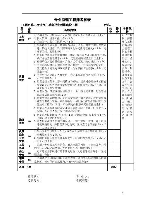
专业监理工程师质量监理工作责任制考核表
- 格式:doc
- 大小:30.50 KB
- 文档页数:2
监理员岗位考核表
考核人:
考核时间:
监理员岗位考核内容和评分细则
注:1、考核情况说明一栏由总监(企管部)填写,具体填写被考核人员在各考核项中的相关情况。
专业监理工程师岗位考核表
考核人:
考核时间:
专业监理工程师岗位考核内容和评分细则
注:1、考核情况说明一栏由总监(企管部)填写,具体填写被考核人员在各考核项中的相关情况。
总监理工程师岗位考核表
考核人:
考核时间:
总监岗位考核内容和评分细则
注:1、考核情况说明一栏由总监(企管部)填写,具体填写被考核人员在各考核项中的相关情况。
监理工作质量考核表(表一)项目满分分项考核内容分项分数违约事项及扣分办法1、在合同有效期内,经甲方同意变换监理人员(每人次扣1分)2、未经甲方同意擅自变换监理人员或变换人员超过规定的人次(每人次扣3分)3、监理人员先期离开而总监办或驻地办隐而不报或不按业主批准的期限增加人员(每人次扣3分)4、监理人员缺乏必要的知识和操作技能(每人次扣1分)5、监理人员工作期间不佩带标志标识(每人次扣1分)6*、监理人员不能积极主动工作(首次扣2分)人员情况6分7、监理人员工作期间请假(每人天扣0.5分)1*、未按业主要求配置足够必要的试验检测设备而影响工作(首次扣1分)设备情况2分2、因设备管理、使用不当或不使用设备而影响工作(每次扣1分)1*、监理岗位职责不明确(首次扣2分)2、未对监理工作进行交底或交底不清(每次扣1分)3*、驻地办对监理工作可能出现的问题无预防和纠正措施(首次扣2分)4*、驻地办未对自身的监理工作制定考核制度(首次扣2分)岗位职责4分5*、驻地未建立切实可行的信息传递渠道(首次扣2分)1*、驻地办未做到事前监理,未全面采取预控措施(首次扣2分)2*、监理工程师未对主要监理工作进行有效控制(首次扣2分)3*、监理工作未按标准和要求进行(首次扣2分)4*、驻地办未对监理人员的工作和纪律进行严格考核(首次扣2分)5*、监理人员未履行岗位职责(首次扣1分)监理质量、安全保证体系16分计划落实与工作考核4分6*、驻地办信息渠道不畅通(首次扣1分)监理工作质量考核表(续表二)项目 满分 分项考核内容 分项分数违约事项及扣分办法 1、未在规定的时间内复核、审批承包商提交的测量资料或经监理确认的测量资料存在错误(每发生1人次扣1分) 2*、承包商工程放线出现错误而监理未及时发现(首次扣1~4分) 3*、监理人员不进行实际的测量复核(首次扣1分)测量控制工作 4分4*、监理人员对承包商工程控制桩点的情况不清楚(首次扣1分)1*、承包商不按规定的频率报验工程资料,监理人员未立即指令(首次扣1分)2*、监理人员不按规定对进场材料进行检查和确认(首次扣1分)3*、承包商到场的材料未经批准或不合格而监理未发现或发现后未立即采取有效措施(首次扣1分)4、承包商使用材料时监理人员未按规定的频率做现场试验(每次扣0.5分)5*、监理送交试验室材料和送交方式不满足规定的要求(首次扣1分)工程材料控制工作 4分 6*、监理未对材料进行统计,以致不能动态地掌握材料审批、进场和使用情况(首次扣1分)1*、分项工程明显不具备开工条件而监理批准开工(首次扣1分)2*、承包商擅自开工而监理未加以有效控制(首次扣1分)3、未在规定时间内审批承包商按时提交的分项工程开工申请(每次扣0.5分)工程开 工控制 工 作 3分 4、承包商提交的开工申请内容不全或有问题而监理已审批同意(每次扣1分)1*、监理人员未按规定的项目进行旁站(首次扣1分)2*、未核查承包商的质量、安全保证体系或承包商的质安体系存在问题而监理未加以指令(首次扣1分)3、未核查承包商的生产设备和试验室、或承包商的设备和试验室不能满足合同要求而监理未加以指令(每次扣1分)4*、监理在过程控制中未发现工程中存在的问题或监理所管辖范围被河南省交通质监站、业主责令返工的(首次扣2分)5*、监理人员对工程中发现的问题未文字指令或仅口头指令而未书面确认(首次扣1分)6、监理人员工作期间未在现场(每次扣2分)7*、对承包商的工作,监理错误地下达指令、批示(视情况首次扣1~4分)8、监理人员未监督承包商按批准的工程方案或工艺要求工程(首次扣0.5分)9、监理人员不清楚工程方案(每次扣0.5分)10*、监理人员不清楚现场情况和数据(首次扣1分)工程过程控制工作 4分 11、监理人员工作中不能全面监控所分管工程项目(每人次扣1分)1*、监理人员在验收时不进行实测实量(首次扣1分)2*、经监理验收的工程项目存在质量问题(视情况扣1~4分)3、未在规定时间内对工程项目进行验收或验收数据错误(每次扣1分)4、监理人员在验收时的试验检测频率不够(每次扣0.5分)5*、监理人员对项目验收依据有误(首次扣1分)6*、监理对验收中发现的问题没有记载(首次扣1分)7、未检查、签认承包商的自检资料(每次扣0.5分)验收控制工作 4分 8*、监理对工程质量的评定有误(首次扣1分)1*、监理人员隐瞒质量、安全问题或发生质量、安全问题未按程序处理(首次扣1~4分)2*、监理人员未及时发现质量、安全隐患而导致质量、安全事件发生(首次扣1~4分)质量及安全事件控制 4分 3*、发生质量、安全事件未及时指令承包商进行处理(首次扣1分)1、监理人员未执行工艺试验程序或必要时未指令承包商进行工艺试验(每次扣1分)2、监理人员对工艺试验方案审批草率(每次扣1分)3*、监理人员对工艺试验未进行全过程旁站或旁站记录不全(首次扣1分)工作质量控制 25分 工艺试验控制工作2分 4*、监理人员对工艺试验结果把关不严,草率批准规模工程,致使工程出现问题(首次扣2分)监理工作质量考核表(续表三)项目满分分项考核内容分项分数违约事项及扣分办法1、未及时审批承包人按时提交的各种进度计划(每次扣1分)2、经监理审批的工程进度计划明显不合理(每次扣1分)3*、监理未对工程进度进行复核,未对实际进度和计划进度进行统计对照(首次扣1分)4*、进度滞后计划时,未及时督促承包人进行计划进度调整(首次扣1分)5、监理人员不能正确分析和有效控制制约工程进展的各种相关因素(每次扣1分)6、无进度计划上墙图表(每次扣0.5分)7、对监理权限内不能解决的问题没有及时向上级汇报(每次扣1分)进度控制5分进度控制工作5分8、对承包人实施的调整计划不能有效地监控(每次扣1分)1*、未在规定时间内对图纸数量和清单数量进行核算(首次扣1分)2*、对清单所包含的内容不清楚(首次扣1分)3*、未在规定时间内编制控制支付清单(每次扣1分)4*、工程数量核算有误(视情况首次扣1~3分)工程量清单管理3分5*、未对支付清单进行动态管理(首次扣1分)1*、现场计量方法不正确(首次扣1分)2*、现场计量数量不正确(首次扣1分)3*、监理不进行现场计量(首次扣1分)4*、未对计量工作进行阶段性统计(首次扣1分)5*、对不属于计量范围的项目计量或已计量项目未验收、不合格、资料不全(视情况首次扣1~5分)6、未在规定时间内审核承包人提交的计量表或审核后仍存在错误(每次扣2分)工程量计量控制5分7、计量表签字不全(每次扣0.5分)1*、未在规定的时间内提交支付月报(首次扣1分)2*、中期支付有超支、漏支、错支现象(视情况首次扣1~5分)3*、未对支付工作进行阶段统计(首次扣1分)4*、支付月报内容不清或未将计量支付中的问题及时向上级部门汇报(首次扣1分)投资控制13分工程支付控制工作5分5、支付金额不符合规定要求(每次扣0.5分)1*、承包人质保体系不完善、不能有效发挥作用而监理未进行有效监控(首次扣1.5分)2*、承包人主要人员发生变动或更换以致不能满足合同,而监理未做指令(首次扣1分)3*、无论监理批准与否,承包人因减少主要机械设备而使工程受影响(首次扣2分)4*、承包人把用于本工程的资金挪用别处而监理未发现或未加以制止(首次扣1.5分)对承包人履约情况的监督4分5、对承包人的其它违约事项未进行有效控制(每次扣1分)1*、经监理审批的变更项目的工程数量及费用测算有误(首次扣1.5分)2*、承包人擅自对工程项目进行变更而监理未加指令(首次扣1分)3*、对工程变更意向监理不能及时提供确切情况(首次扣1.5分)工程变更控制工作4分4、监理审批后的变更手续不全(每次扣0.5分)1*、承包人未经批准进行工程分包而监理未采取有效措施予以纠正(首次扣0.5分)2*、监理人员未能有效地对分包项目进行质量监督管理(首次扣0.5分)工程分包控制工作2分3*、未能有效地监督承包人对分包商的控制或承包人对分包工作控制不力而监理未及时指令(首次扣0.5分)1*、未及时受理承包人的索赔意向(首次扣1.5分)2、索赔发生时监理人员未及时进行全面记录(视情况每次扣1~2分)3、监理对索赔费用评估与实际偏差较大(每次扣1.5分)4、索赔审核依据有误(每次扣1.5分)5、工程出现停工状态,监理未及时指令承包人采取减少损失的措施(每次扣0.5分)合同管理14分工程延期、索赔控制工作4分6、监理提交的关于索赔费用手续不全(每次扣0.5分)监理工作质量考核表(续表四)项目满分分项考核内容分项分数违约事项及扣分办法1、未在规定的时间内提交周报、月报(每次扣1分)2、未按规定的格式编写监理周报、月报(每次扣0.5分)3、监理周、月报内容不全(每次扣0.5分)4、监理周、月报中对质量、进度、费用等内容描述不准确(每次扣0.2分)监理周报、月报管理2分5、评价工程项目无具体数据或编造虚假数据(每次扣2分)1、驻地办未建立工作台帐或台帐建立不 全、记录不及时(每次扣0.5分)2*、无旁站记录或记录不全、不真实(首次扣1分)3、无巡视记录或记录不全(每次扣0.5分)4、监理日志填写内容不全面,字迹无法辨认(每天扣0..1分)监理记录4分5、监理人员不填写监理日志(每天扣0.2分)1、未及时整理、编写会议纪要(每次扣1分)2*、监理文件内容有误(首次扣0.5分)3、监理文件丢失(每次扣1分)监理文件2分4*、监理文件在发放、存储、传递、更改、借阅过程中出现失误(首次扣0.5分)1、非业主批准的人员签认监理资料(每次扣4分)2*、监理资料有虚假现象(首次扣1分)3、未按规定绘制上墙图表(每次扣0.5分)4*、未按规定的日期及时提供有关资料、报表(首次扣1分)5、资料、表格的填写项目签字不全,数字不准确(每次扣0.5分)6*、监理人员无自身验收资料(首次扣1分)7、资料未按要求进行阶段归档(每次扣1分)监理资料12分监理资料4分8、未在规定时间内完成监理竣工资料的编制工作(扣4分)1、品行不端、作风不正,甚至触犯国家、地方或行业法律、法规或条例等(视情况扣5~10分)2*、向承包人推荐分包商或设备、材料供应商(视情况扣1~5分)3*、以权谋私,向承包商索要好处,收取承包商赠予的钱物(视情况扣2~10分)4*、工作中弄虚作假,损害业主利益(视情况扣2~10分)5*、监理人员同承包人一起去营业性娱乐场所(视情况扣2~10分)6*、工作不积极,无故拒绝或拖延本职工作(视情况扣1~5分)7*、因失职或擅离职守,造成严重后果(视情况扣2~10分)8*、工作期间饮酒,损害监理形象(首次扣1分)9*、不执行上级指令或欺骗上级(视情况扣1~10分)10*、向承包人报销个人的各种费用(视情况扣2~10分)11*、独自长期占用承包人的交通或通讯等设备(视情况扣2~10分)12*、泄露工程、业主的秘密,损害业主利益和名誉(视情况扣2~10分)13*、参与各种赌博活动(视情况扣1~10分)14*、不进行工作交接(首次扣1分)15*、不自觉接受业主的监督检查、指导和协调(视情况扣1~5分)16*、工作时间休息或迟到、早退(首次扣1分)17*、工作期间干与工作无关的事(视情况扣2~5分)18、驻地办不能正确对待对其工作考核的评价,不通过正常渠道解决评价中的问题(视情况扣2~5分)19*、不能正确对待业主的监督检查,出言不逊(视情况扣2~10分)监理守则和工作纪律15分监理守则和工作纪律15分20*、考试不及格或作弊人数超过驻地人数的20%(视情况扣1~10分)。
合同附件:1监理工作质量管理办法及考评标准1.编制目的——1.1通过规范、督促监理作为,提高监理工作质量、最终实现项目管控质量和产品质量;1.2衡量到岗监理人员从业素质,激发责任;体现在岗人员价值、价格;1.3量化监理工作绩效。
2.为确保监理工作质量,体现优质优价,结合公司及项目的具体情况,特制定本考核办法(以下简称“办法”)。
本“办法”与“合同附件:2”《监理工作质量考核标准》配套执行。
3.本“办法”作为监理招标条件、《监理委托合同》协议约定之一。
4.在监理委托合同中应约定以下内容——4.1监理机构组成人员资质、资格,未满足招标条件、合同约定的,建设单位有权拒付当月监理费用;并承担由此产生的质量安全事故责任;4.2从监理合同总价中单列10%~15%作为监理工作绩效‘考核金’,与本“办法”考核挂钩;4.3项目完成既定节点计划目标、质量目标、安全文明施工目标、监理工作质量月度绩效考核分值≥95分时,建设单位给予监理费总价××%‘奖励金’(‘奖励金’比例、金额在合同中另行约定);4.4考核兑现部分的‘考核金’、建设单位的‘奖励金’由监理单位委托建设单位直接发放到监理部。
5.监理工作质量的监督、控制、考评第一责任人为项目部分管专业工程师;6.考核以监理单位派驻现场的监理机构(或监理部)为对象;----------------------------精品word文档值得下载值得拥有----------------------------------------------7.考核由建设单位现场项目部(或工程部)负责,经项目部(或工程部)负责人及集团分管领导审核后生效。
8.监理工作每月考核一次,在次月5号前完成。
9.监理工作考评采用扣分制,满分为100分;每一分项的扣分不超过本分项的满分。
考核以60分为合格。
当月考核不合格不能取得合同约定的当月‘考核金’。
考核合格的,应得‘考核金’=‘考核金’×考核得分%。
四川省建设工程项目监理机构工作质量考评表项目名称:监理企业:四川省建设厅制附表:四川省建设工程项目监理工作质量检查汇总表监理企业名称:第次2、检查中需说明的问题,主要填写检查中是否存在其他严重或特殊问题或需要复查的问题.一、监理组织机构检查评分表(一)监理企业名称:第 1 次企业负责人(签字):):一、监理组织机构检查评分表(二)监理企业名称:第 1 次): :二、施工现场监理检查评分表监理企业名称:第 1 次): 签字):三、工程监理过程及资料情况检查评分表(一)监理企业名称: 第 1 次:三、工程监理过程及资料情况检查评分表(二)监理企业名称: 第 1 次:监理人员(签字):三、工程监理过程及资料情况检查评分表(三)监理企业名称:第 1 次签字):三、工程监理过程及资料情况检查评分表(四)监理企业名称:第 1 次总监(签字):企业负责人(签字):监理人员(签字):四、相关单位评价监理企业名称:第 1 次总监(签字):企业负责人(签字):监理人员(签字):一、监理组织机构检查评分表(一)监理企业名称:第 2 次签字):监理人员(签字):一、监理组织机构检查评分表(二)监理企业名称:第 2 次: 监理人员(签字):二、施工现场监理检查评分表监理企业名称: 第 2 次:监理人员(签字):三、工程监理过程及资料情况检查评分表(一)监理企业名称:第 2 次企业负责人(签字)::三、工程监理过程及资料情况检查评分表(二)监理企业名称:第 2 次监理人员(签字):三、工程监理过程及资料情况检查评分表(三)监理企业名称:第 2 次企业负责人(签字):监理人员(签字):三、工程监理过程及资料情况检查评分表(四)监理企业名称:第 2 次总监(签字):企业负责人(签字):监理人员(签字):四、相关单位评价监理企业名称:第 2 次总监(签字):企业负责人(签字):监理人员(签字):一、监理组织机构检查评分表(一)监理企业名称:第 3 次企业负责人(签字)::一、监理组织机构检查评分表(二)监理企业名称: 第 3 次:二、施工现场监理检查评分表监理企业名称:第 3 次:签字):三、工程监理过程及资料情况检查评分表(一)监理企业名称: 第 3 次企业负责人(签字):签字):三、工程监理过程及资料情况检查评分表(二)监理企业名称:第 3 次企业负责人(签字):监理人员(签字):三、工程监理过程及资料情况检查评分表(三)监理企业名称:第 3 次:监理人员(签字):三、工程监理过程及资料情况检查评分表(四)监理企业名称:第 3 次总监(签字): 企业负责人(签字):监理人员(签字):四、相关单位评价监理企业名称: 第 3 次总监(签字):企业负责人(签字): 监理人员(签字):一、监理组织机构检查评分表(一)监理企业名称:第 4 次企业负责人(签字):监理人员(签字):一、监理组织机构检查评分表(二)监理企业名称:第 4 次企业负责人(签字):监理人员(签字):二、施工现场监理检查评分表监理企业名称:第 4 次企业负责人(签字):监理人员(签字):三、工程监理过程及资料情况检查评分表(一)监理企业名称:第 4 次:监理人员(签字):三、工程监理过程及资料情况检查评分表(二)监理企业名称: 第 4 次。
一、监理工作职责分配一览表二、设备监理工程师(驻厂监造)无损检测工程师职责1) 在监理部总监的领导下,负责开展监理部无损检测管理工作;2) 实施监理部制定的无损检测管理制度和要求;3) 审核无损检测承包商的技术和管理文件,提出审核意见;4) 开展对工程无损检测承包商的现场检查作,发现问题要求整改;5) 分析射线检测结果,对出现的焊接缺陷进行分析和评价,向监理部提交焊接质量评价和预测的报告;6) 研究工程建设中出现的有关射线、UT等检测的技术和质量难题问题,向有关单位提出解决的建议和意见,同时汇报监理部;7) 开展检测底片、数据的抽查(20%)工作,考核无损检测承包商的工作质量;8) 对监理部范围内无损检测工作的进展情况进行协调管理,保持无损检测与焊接工作进展的一致性;9) 完成总监理工程师委派的其他任务。
费用控制工程师职责1) 在监理部总监的领导下,负责实施项目投资控制工作;2) 参与编制监理投资控制的体系文件,并负责组织监理部实施;3) 参加编制项目费用分解表,编制各阶段费用预算限额;4) 根据工程总体计划的安排,参加编制项目费用计划和赢得值系统;5) 参加工程投资风险分析,找出工程造价最易突破的部分、最易发生费用索赔的原因及部位,并制定防范性对策;6) 根据工程图纸、概预算、合同的工程量建立工程量台帐,检查工程计量和工程款支付情况,对实际发生值与计划控制值进行分析、比较;定期提交投资控制情况报告;7) 根据批准的设计变更单、工程联络单、工程签证等审核相应的费用,作为索赔和结算的审批依据;8) 审核监理部所辖工程进度款,变更,索赔和工程签证;9) 参加工程结算;10)完成总监理工程师委派的其他任务;11)向总监提交工作报告。
监理部试验检测监理工程师岗位职责1)取样现场见证。
在现场进行见证,监督施工单位取样员按随机取样方法和试件制作方法进行取样。
2)见证人在现场取样应对试样进行监护。
3)见证人应亲自封样加锁。
交公路发[2022]116 号 2022 年 06 月 24 日为加强公路工程质量管理,进一步提高工程质量和耐久性,现就严格落实公路工程质量责任制提出如下意见:一、充分认识严格落实公路工程质量责任制的重要意义1.公路工程质量责任制是质量管理的一项重要制度,是建设各方主体贯彻落实公路工程有关法律、法规、规章、强制性技术标准以及履行工程合同的重要保证,也是提高工程质量、预防和遏制质量事故的有效手段。
公路工程质量责任制不落实,将直接影响公路工程质量,影响公路交通事业的可持续发展。
2. 近年来,各级交通主管部门和公路建设从业单位认真贯彻落实国家有关工程建设的法律法规,不断深化质量意识,加强质量管理,公路工程整体质量有了明显提高。
但一些地方和个别单位仍然存在工程质量责任制落实不到位的问题,成为制约工程质量进一步提高的重要因素。
县级以上地方人民政府交通主管部门要充分认识严格落实公路工程质量责任制的重大意义,结合本地区实际情况,认真查找薄弱环节和有关问题,深入分析原因,通过健全制度、完善机制、强化监督等措施,严格落实质量责任制。
把抓好工程质量管理、严格落实质量责任制作为公路工程管理工作的重要环节,切实抓实抓好。
二、进一步建立健全质量责任制3.县级以上地方人民政府交通主管部门及其所属的质量监督机构应当加强对公路建设从业单位贯彻落实公路工程有关质量管理的法律、法规、规章、强制性技术标准以及履行合同情况的监督检查,对工程质量负监督责任。
4.公路建设从业单位在公路建设活动中必须遵守国家有关法律、法规和规章,严格执行公路工程强制性技术标准、各类技术规范及规程,全面履行工程合同义务,依法对公路工程质量负责。
其中,项目法人对工程质量负管理责任,代理建设管理单位对代建合同范围内的工程质量负管理责任;勘察单位对勘察质量负责;设计单位对设计质量负责;施工单位对施工质量负责;监理单位对工程施工质量负监理责任;试验检测单位对试验检测结果的真实性和准确性负责;勘察、设计、施工分包单位分别对分包合同范围内的勘察、设计、施工质量负责,总包单位负总责;其他从业单位按照有关规定和合同要求对其产品或者服务质量负责,委托或者采购单位按合同约定负连带责任。
监理单位质量管理检查评分表
注:每项最多扣减分数不大于该项应得分。
监理单位安全管理检查评分表
检查人:被检查人:注:每项最多扣减分数不大于该项应得分。
施工单位质量管理检查评分表
检查人:被检查人:注:每项最多扣减分数不大于该项应得分。
施工单位安全管理检查评分表
检查人:被检查人:注:每项最多扣减分数不大于该项应得分。
文明施工检查评分表
检查人:被检查人:
注:1、每项最多扣减分数不大于该项应得分;
2、保证项目有一项不得分或保证项目小计得分不足40分,检查评分表计零分。
河北环渤工程建设监理有限公司日备注:绩效评定中“本岗职责执行情况”和“贯标执行情况”可参考HBQS/m3/m4—01—2001《关于公司各监理部处室及员工分类考核细则的试行规定》文件中相对应的考核细则进行考核评定,在本表上进行综合打分。
河北环渤工程建设监理有限公司监理工程师考核评价意见反馈表月日备注:绩效评定中“本岗职责执行情况”和“贯标执行情况”可参考HBQS/m3/m4—01—2001《关于公司各监理部处室及员工分类考核细则的试行规定》文件中相对应的考核细则进行考核评定,在本表上进行综合打分。
河北环渤工程建设监理有限公司监理员考核评价意见反馈表备注:绩效评定中“本岗职责执行情况”和“贯标执行情况”可参考HBQS/m3/m4—01—2001《关于公司各监理部处室及员工分类考核细则的试行规定》文件中相对应的考核细则进行考核评定,在本表上进行综合打分。
监理人员的考核评价办法1.对总监(总监代表)的考核公司考评小组负责对总监(总监代表)的考评。
考评小组成员以及考评时间不确定,临时从总工办、项目资源管理处、办公室、经营处和各项目监理部抽调,由2~3人组成,每年内考核3遍。
考评小组在征求施工单位技术人员、监理部监理工程师和监理员的意见后,对总监的各项工作现场考评,并填写一份“总监(总监代表)考核评价意见反馈表”。
同时考评小组还要委托业主代表对总监(总监代表)的工作进行考核评价,由业主代表填写一份“总监(总监代表)考核评价意见反馈表”。
两份考评表汇总后取平均值,作为最终的评定结果。
2.对监理工程师和监理员的考核总监(总监代表)负责对本项目监理部监理工程师和监理员的考评,每季度一次。
总监依据本监理部监理人员工作表现,并征求业主和施工单位的意见,对本部监理人员的工作作出评价,分别填写“监理工程师考核评价意见反馈表”和“监理员考核评价意见反馈表”。
每季度初前五日内,总监(总监代表)将上季度本监理部监理工程师和监理员的考核评价意见反馈表报公司考评小组,考评小组依据巡查情况和收集到的各方意见反馈,对考评结果进行确认,适当调整分值,调整后的分值作为最终的评定结果。
监理员工作考核表
分以
~
下不合格
2、各类人员考核频率为半年一次;
3、考核分数作为从项目部负责人至各级监理人员的资格认定依据,每年年终组织一次评审,做为职称评审、合同续签、加薪的依据,并确定是升、降或平。
见习期监理员工作考核表
85分合格、60分以注:1、考核满分为100分;90分以上优、85-90分良、60
~
下不合格
2、各类人员考核频率为半年一次;
3、考核分数作为从项目部负责人至各级监理人员的资格认定依据,每年年终组织一次评审,做为职称评审、合同续签、加薪的依据,并确定是升、降或平。
总监代表工作考核表
~
下不合格
2、各类人员考核频率为半年一次;
3、考核分数作为从项目部负责人至各级监理人员的资格认定依据,每年年终组织一次评审,做为职称评审、合同续签、加薪的依据,并确定是升、降或平。
监理工程师工作考核表
~
下不合格
2、各类人员考核频率为半年一次;
3、考核分数作为从项目部负责人至各级监理人员的资格认定依据,每年年终组织一次评审,做为职称评审、合同续签、加薪的依据,并确定是升、降或平。
总监理工程师工作考核表
~
下不合格
2、各类人员考核频率为半年一次;
3、考核分数作为从项目部负责人至各级监理人员的资格认定依据,每年年终组织一次评审,做为职称评审、合同续签、加薪的依据,并确定是升、降或平。
监理人员考核管理办法第一章总则第一条为建立有效的考核机制,规范公司对监理人员的客观评价,激励监理人员潜能和工作热情,逐步形成公司健康平稳发展,特制定本办法。
第二条监理人员考核的原则1、依据监理人员岗位职责业务水平和任职资格及工作能力,科学、合理设置考核因素,力求较为客观地考核评价不同岗位的监理人员。
2、坚持公平、公正的原则,增强考核工作的透明度。
3、坚持分级考核的原则,采取定性与定量考核相结合的方法。
4、考核结果作为监理人员的年终奖、薪酬待遇、岗位调整、继续教育培训劳动合同续签的重要依据。
第二章监理人员考核管理办法监理人员绩效考核实行不定期与定期双向标准1、不定期绩效考核:由公司、工程部、综合经营部日常工作检查或其他不定期绩效考核,作为定期绩效考核管理的依据2、定期绩效考核的时间:每季度考核一次,每年度实行四次成绩考核,考核成绩实行累计平均值,对年终奖产生影响。
3、考核方式:专业监理工程师和监理员的考核采用百分制,每季度由部长和总监负责考核,考核分值各占30%、60%的权重,员工的自评占10%的权重;总监理工程的考核采用百分制,每季度由考核小组和部长负责考核,考核分值各占30%、60%的权重,员工的自评占10%的权重;总工、部长、副部长、办公室的考核采用百分制,每季度由考核小组负责考核,考核分值占90%的权重,员工的自评占10%的权重。
考核小组由总经理和办公室组成。
第三章监理人员考核评分标准第一条考核等级的划分监理人员考核分为一级、二级、三级、四级。
考核得分90分及以上为一级,考核得分80分及以上为二级,考核得分70分及以上为三级,考核得分70分以下为四级。
考核结果原则上应当及时反馈告知员工本人并用实例说明考核的公正性。
公司领导应根据考核结果做好考核管理工作,对考核结果较差人员进行教育和鼓励,督促该员工改正缺点,加强学习,完善不足之处,提高自身的业务能力。
第二条监理人员考核评定的兑现监理人员考核与年终奖档次挂钩(同时兼任多只项目的酌情考虑)a 如监理人员年度考核评定为一级的,年终奖按增加 25% 发放。