桥梁工程 计算题汇总
- 格式:doc
- 大小:629.50 KB
- 文档页数:12
桥梁工程考试试题及答案一、选择题(每题 3 分,共 30 分)1、桥梁按受力体系划分,不包括以下哪种类型?()A 梁桥B 拱桥C 悬索桥D 栈桥答案:D解释:栈桥通常是一种临时搭建的桥梁结构,不属于按受力体系划分的桥梁类型。
梁桥、拱桥和悬索桥是常见的按受力体系划分的桥梁类型。
2、以下哪种荷载属于可变荷载?()A 结构自重B 预加应力C 汽车荷载D 基础变位作用答案:C解释:汽车荷载的大小和作用位置会随着交通流量和车辆类型的变化而变化,属于可变荷载。
结构自重、预加应力和基础变位作用在一般情况下相对固定,属于永久荷载。
3、梁桥的主要受力特点是()A 竖向荷载下,梁主要受弯B 竖向荷载下,梁主要受剪C 水平荷载下,梁主要受弯D 水平荷载下,梁主要受剪答案:A解释:在竖向荷载作用下,梁桥中的梁主要承受弯矩,通过抗弯能力来承担荷载。
4、对于拱桥,拱的主要内力是()A 弯矩B 剪力C 轴力D 扭矩答案:C解释:拱桥在荷载作用下,拱主要承受轴向压力,即轴力。
5、悬索桥的主要承重构件是()A 主缆B 加劲梁C 桥塔D 锚碇答案:A解释:主缆是悬索桥的主要承重构件,承担着大部分的荷载,并通过吊索将荷载传递给加劲梁。
6、桥梁设计中,汽车荷载分为车道荷载和车辆荷载,计算桥梁结构整体计算时采用()A 车道荷载B 车辆荷载C 两者均可D 视情况而定答案:A解释:在桥梁结构的整体计算中,通常采用车道荷载来模拟车辆的作用。
7、桥梁墩台基础设计时,应考虑的作用不包括()A 汽车制动力B 流水压力C 冰压力D 船舶撞击力答案:A解释:汽车制动力主要影响桥梁上部结构,对于墩台基础的影响较小,一般不考虑。
8、以下哪种伸缩缝适用于大跨径桥梁?()A 镀锌薄钢板伸缩缝B 橡胶伸缩缝C 模数式伸缩缝D 无缝式伸缩缝答案:C解释:模数式伸缩缝具有较大的伸缩量,能够适应大跨径桥梁在温度变化等因素下产生的较大变形。
9、桥梁施工中,后张法预应力混凝土施工的关键工序是()A 预留孔道B 预应力筋张拉C 孔道压浆D 混凝土浇筑答案:A解释:预留孔道的质量直接影响预应力筋的布置和张拉效果,是后张法预应力混凝土施工的关键工序。
桥梁工程习题及答案[全文5篇]第一篇:桥梁工程习题及答案《桥梁工程》习题及答案一、填空题1)公路桥梁的作用按其随时间变化的性质,分为永久作用、可变作用、偶然作用。
2)按结构体系及其受力特点,桥梁可划分为梁桥、拱桥、悬索桥以及组合体系。
3)桥跨结构在温度变化、混凝土的收缩和徐变、各种荷载引起的桥梁挠度、地震影响、纵坡等影响下将会发生伸缩变形。
4)钢筋混凝土梁梁内钢筋分为两大类,有受力钢筋和构造钢筋。
5)作用代表值包括标准值、准永久值、频遇值。
6)桥梁纵断面设计包括桥梁总跨径的确定、桥梁的分孔、桥面的标高及桥下净空、桥上及桥头引导纵坡的布置和基础埋置深度。
7)桥台的常见型式有重力式桥台、轻型桥台、组合式桥台和框架式桥台等。
8)公路桥面构造包括桥面铺装、防水和排水系统、桥面伸缩装置、人行道及附属设施等。
9)悬索桥主要由桥塔、锚碇、主缆和吊索等组成。
10)重力式桥墩按截面形式划分,常见的有矩形、圆形、圆端形和尖端形等。
11)常见的轻型桥台有薄壁轻型桥台、支撑梁轻型桥台、框架式轻型桥台、组合式轻型桥台等。
12)设计钢筋混凝土简支T梁,需拟定的主要尺寸有梁宽、梁高、腹板厚度、翼缘板厚度。
13)柱式桥墩的主要型式主要有独柱式、双柱式、多柱式和混合式。
14)桥梁支座按其变为的可能性分为活动支座和固定支座。
15)支座按其容许变形的可能性分为固定支座、单向支座和多向支座。
16)常用的重力式桥台有 U形桥台、埋置式桥台、八字式桥台、一字式桥台等。
17)桥梁的主要组成部分包括桥墩、桥台及桥跨结构等。
18)桥梁设计一般遵循的原则包括安全性、适用性、经济性、先进性和美观等。
19)荷载横向分布影响线的计算方法主要有:杠杆原理法、偏心压力法、铰接板法、比拟正交异性板法。
20)通常将桥梁设计荷载分为三大类:永久荷载、可变荷载、偶然荷载。
21)公路桥梁设计汽车荷载分为公路-I级、公路-II级两个等级,它包括车道荷载和车辆荷载,其中车辆荷载用于桥梁结构的局部加载和桥台验算。
《桥梁工程》计算例如一、桥面板内力计算例题1:一个前轴车轮作用下桥面板的内力计算条件:①桥主梁跨径为19.5m ,桥墩中心距为20m ,横隔梁间距4.85m ,桥宽为5×+2×=9.5m ,主梁为5片。
铺装层由沥青面层(0.03m )和混凝土垫层(0.09m )组成。
板厚120mm ,主梁宽180mm ,高1300mm 。
②桥面荷载:公路Ⅰ级 要求:确信板内弯距解答进程: ⑴判别板的类型单向板⑵确信计算跨度《公桥规》规定:与梁肋整体连接的板,计算弯距时其计算跨径可取为梁肋间的净距加板厚,但不大于两肋中心之间的距离。
计算弯距时:《公桥规》规定:计算剪力时的计算跨径取两肋间净距。
剪力计算时: ⑶每延米板上荷载g沥青混凝土面层: 25号混凝土垫层: 25号混凝土桥面板: 203.316004850>==b a L L mmmm t L l b 16001540)1201801600(<=+=+=mm L l b 14201801600===m KN g /69.0230.103.01=××=m KN g /16.2250.109.02=××=mKN g /0.3250.112.03=××=⑷简支条件下每米宽度上恒载产生的板弯距⑸轮压区域尺寸汽车前轮的着地长度a1=0.20m ,宽度b1=0.30m此处h 为铺装层,由沥青面层和混凝土垫层组成 ⑹桥面板荷载有效散布宽度a 车轮在板跨中部时:应取a=1.027m⑺车辆荷载在桥面板中产生的内力《公桥规》规定汽车荷载局部加载的冲击系数采纳,1+μ=⑻最终内力由于 ,故主梁抗扭能力较大,那么有 桥面板跨中弯距: 桥面板支座弯距: 按承载能力极限状态进行组合:例题2:铰接悬臂板的内力计算条件:如下图T 梁翼板所组成铰接悬臂板。
荷载为公路Ⅱ级。
冲击系数μ=,桥面铺装为5cm 的沥青混凝土面层(容重为213/m KN )和15cm 防水混凝土垫层(容重为 25 3/m KN )。
第一章总论一、填空题:1、桥面标高的确定主要考虑:路线纵断面设计要求、排洪要求和通航要求三个因素。
2、按照《公路工程技术标准》的规定,公路桥梁的桥上纵坡不宜大于4% ,桥头引道纵坡不宜大于5% ,位于市镇混合交通繁忙处时,桥上纵坡和桥头引道纵坡均不得大于3% 。
3、桥梁结构的整体计算应采用车道荷载;桥梁结构的局部加载、涵洞、桥台和挡土墙土压力等的计算采用车辆荷载,两者不得叠加。
4、《公路桥规》规定,汽车荷载为公路-Ι级:均布荷载标准值为10.5kN/m ,跨径大于50米时的集中荷载标准值为360kN ;汽车荷载为公路-Ⅱ级:均布荷载标准值为7.875kN/m ,跨径小于于5米时的集中荷载标准值为135kN 。
二、名词解释:1. 桥梁建筑高度:是上部结构底缘至桥面的垂直距离。
2. 计算跨径(梁式桥):对于设支座桥梁,为相邻支座中心的水平距离,对于不设支座的桥梁(如拱桥、刚构桥等),为上、下部结构的相交面之中心间的水平距离。
3. 标准跨径(梁式桥):是指两相邻桥墩中线之间的距离,或墩中线至桥台台背前缘之间的距离。
4. 桥梁全长:对于有桥台的桥梁为两岸桥台翼墙尾端间的距离,对于无桥台的桥梁为桥面行车道长度。
5. 净跨径:对于设支座的桥梁为相邻两墩、台身顶内缘之间的水平净距,不设支座的桥梁为上、下部结构相交处内缘间的水平净距。
6. 永久作用:是指在结构设计基准期内,其值不随时间而变化,或其变化值与平均值比较可忽略不计的作用,也称恒载。
7. 可变作用:是指在结构设计基准期内,其值随时间变化,且其变化值与平均值比较不可忽略的作用。
8.偶然作用:是指在结构设计基准期内出现的概率很小,一旦出现,其值很大且持续时间很短的作用。
9. 所以建筑高度小。
施工较困难,梁柱刚结处易裂缝。
(4)悬索桥:以悬挂在塔架上的缆索作为主要承重结构。
竖向荷载作用下,缆索受很大的力,两岸需锚碇结构。
具有水平反力,结构自重轻,建筑高度小,跨越能力特大。
1、计算下图所示的T 梁翼板所构成的铰接悬臂板的设计内力。
设计荷载:公路—Ⅱ级。
桥面铺装为5cm 沥青混凝土面层(容重为21kN/m 3)和15cm 防水混凝土垫层(容重为25kN/m 3)。
(P79例2-1)解:1)恒载内力(以纵向1m 的板条进行计算)(1)每延米板上的恒载g 沥青混凝土面层: 10.05 1.021 1.05kN/mg =⨯⨯= 防水混凝土垫层:20.15 1.025 3.75kN/mg =⨯⨯=T 梁翼板自重: 30.080.141.0252.75kN/m 2g +=⨯⨯= 合计: 312317.55kN/m i g gg g ==++=∑(2)每米板条的恒载内力 弯矩: 22011 1.60.187.55() 1.90kN m 222sg gl M -=-=-⨯⨯=- 剪力: 07.550.71 5.36kNsg Q gl =⨯==2)活载内力的计算后轴作用力为2140kN P =⨯。
汽车后轮着地尺寸220.20.6m a b ⨯=⨯,经铺装层按45角扩散后,则板上荷载压力面的边长为:1220.220.20.6m a a H =+=+⨯=1220.620.21mb b H =+=+⨯=荷载作用于悬臂根部的有效分布宽度为:1020.6 1.420.71 3.42m a a d l =++=++⨯=由于这是汽车荷载局部加载在T 梁的翼板上,因此冲击系数为:(1) 1.3μ+= 作用于每米宽板条上的弯矩为:0121401(0.71)12.24kN m 4 3.424(1)() 1.344sp b P M l a μ⨯⨯-=-⨯=-+-=-⨯作用于每米宽板条上的剪力为:2140(1)1.326.61kN 44 3.42sp P Q a μ⨯=+=⨯=⨯ 3)内力组合(1)承载能力极限状态内力组合计算: 基本组合()()1.2 1.4 1.2 1.90 1.412.2419.42kN m sg sp ud M M M =⨯-+⨯-=-=+1.2 1.4 1.2 5.36 1.426.6143.69kN sg sp ud Q Q Q =⨯+⨯==+故桥面板的设计内力为:19.42kN m; 43.69kN udud M Q -==(2)正常使用极限状态内力组合计算:()()0.7 1.3 1.900.712.24 1.38.49kN m sg sp ud M M M =-+⨯-=-=+0.7 1.3 5.360.726.611.319.69kN sg sp ud Q Q Q =+⨯==+2、某钢筋混凝土简支T 梁桥,车行道宽9m ,两侧人行道宽1m ,桥梁横截面为5梁式布置,已知主梁抗扭修正系数β=0.9,试按考虑主梁抗扭修正偏心压力法,求1号梁在汽车及人群荷载作用下的荷载横向分布系数mq ,mr 。
桥梁工程考试试卷一、选择题(每题2分,共20分)1. 桥梁工程中,以下哪项不是桥梁的主要组成部分?A. 桥墩B. 桥台C. 桥面D. 桥基2. 悬索桥的主要承重结构是:A. 桥墩B. 悬索C. 桥面D. 桥台3. 以下哪种桥梁类型具有最大的跨度?A. 梁桥B. 拱桥C. 悬索桥D. 浮桥4. 桥梁设计中,以下哪项不是考虑的因素?A. 载重B. 跨度C. 材料D. 颜色5. 桥梁施工中,预应力混凝土技术的主要作用是:A. 增加美观B. 提高承载能力C. 减少维护成本D. 降低施工难度6. 桥梁工程中,静载试验的主要目的是:A. 检测桥梁的动态响应B. 检测桥梁的静态承载能力C. 检测桥梁的耐久性D. 检测桥梁的抗震性能7. 桥梁工程中,以下哪种材料不是常用的桥梁材料?A. 钢筋B. 混凝土C. 木材D. 钢材8. 桥梁设计中,以下哪项不是桥梁的功能性要求?A. 安全性B. 经济性C. 美观性D. 历史性9. 桥梁施工中,以下哪项不是桥梁施工的常见方法?A. 预制拼装法B. 现场浇筑法C. 悬臂施工法D. 手工搭建法10. 桥梁工程中,以下哪项不是桥梁的维护内容?A. 定期检查B. 清洁C. 涂装D. 拆除重建二、简答题(每题10分,共30分)1. 简述桥梁工程中常见的几种桥梁类型及其特点。
2. 描述桥梁设计过程中需要考虑的主要因素。
3. 阐述桥梁施工过程中的安全管理措施。
三、计算题(每题25分,共50分)1. 假设有一座简支梁桥,其跨度为50米,桥面宽度为10米,设计荷载为20吨。
请计算该桥梁在荷载作用下的最大弯矩。
2. 某悬索桥的主缆张力为10000吨,主缆长度为1000米,悬索桥的跨度为800米。
请计算悬索桥在主缆张力作用下的最大挠度。
四、论述题(共30分)1. 论述桥梁工程在现代城市交通发展中的作用及其面临的挑战。
五、案例分析题(共30分)1. 给出一个桥梁工程失败的案例,分析其失败的原因,并提出预防措施。
五、计算题(16 分)计算下图所示的T 梁翼板所构成的铰接悬臂板的设计内力。
设计荷载:公路-Ⅱ级。
桥面铺装为6 沥青混凝土面层(容重为213)和14 防水混凝土垫层(容重为253)。
五、计算题(共20 分)已知钢筋混凝土五片式T 型梁桥全长19.96m,计算跨径19.5m。
主梁采用C40 混凝土,支座处梁肋宽带为30。
梁的两端采用等厚度的橡胶支座。
已计算求得支座压力标准值354.12,其中结构自重引起的支座反力标准值为162.7,公路-Ⅱ级引起的支座反力标准值为183.95,人群荷载3.02 的标准值为7.47;公路-Ⅱ级和人群荷载作用下产生的跨中挠度1.96,主梁的计算温差Δ36 摄氏度。
试设计板式橡胶支座。
五、计算题(共1题,共20分)计算图1所示T梁翼板所构成铰接悬臂板的设计内力。
桥面铺装为20厚的沥青混凝土面层(容重为233)和平均厚90的C25混凝土面层(容重为24/m3)。
T梁翼板钢筋混凝土的容重为25/m3。
图1 铰接悬臂行车道板(单位:)图2 标准车辆荷载的计算图式(尺寸:m)五、计算题(共1题,共20分)下图为跨径12.60m的铰接空心板桥的横截面布置图,桥面净空为净-7+2×0.75m人行道。
全桥跨由9块预应力混凝土空心板组成,欲求1、3和5号板的车辆荷载和人群荷载作用下的跨中荷载横向分布系数。
图1 空心板桥横断图。
五、计算题(共1题,共20分)计算跨径=19.50m的桥梁,其横截面如下图所示,试求荷载位于跨中时l号边梁的荷载横向分布系数(车辆荷载和人群荷载)。
(a) 桥梁横断面 (b) 1号梁横向影响线图1 横向分布系数计算图示。
桥梁工程试题及答案# 桥梁工程试题及答案一、选择题(每题2分,共20分)1. 桥梁工程中,下列哪个不是桥梁的主要组成部分?A. 桥面B. 桥墩C. 桥台D. 桥基答案:D2. 桥梁按结构形式分类,以下哪个不属于常见的桥梁类型?A. 悬索桥B. 拱桥C. 梁桥D. 隧道桥答案:D3. 在桥梁设计中,以下哪个因素不是必须考虑的?A. 承载能力B. 耐久性C. 经济性D. 颜色答案:D4. 桥梁的静载试验主要检验什么?A. 桥梁的美观性B. 桥梁的稳定性C. 桥梁的承载能力D. 桥梁的抗震性答案:C5. 桥梁的动载试验主要检验什么?A. 桥梁的稳定性B. 桥梁的抗震性C. 桥梁的承载能力D. 桥梁的振动特性答案:D6. 下列哪项不是桥梁施工中常用的方法?A. 预制拼装B. 现场浇筑C. 悬臂施工D. 空中架设答案:D7. 桥梁的刚度是指什么?A. 桥梁的强度B. 桥梁的稳定性C. 桥梁的抗变形能力D. 桥梁的耐久性答案:C8. 桥梁的挠度是指什么?A. 桥梁的长度B. 桥梁的宽度C. 桥梁的垂直位移D. 桥梁的水平位移答案:C9. 桥梁的振动频率与什么有关?A. 桥梁的长度B. 桥梁的宽度C. 桥梁的刚度D. 桥梁的重量答案:C10. 桥梁的疲劳寿命主要受什么影响?A. 桥梁的设计B. 桥梁的施工C. 桥梁的使用环境D. 所有以上因素答案:D二、简答题(每题10分,共30分)1. 简述桥梁工程中常见的几种桥梁类型及其特点。
答:常见的桥梁类型包括梁桥、拱桥、悬索桥和斜拉桥。
梁桥结构简单,施工方便,适用于跨度较小的桥梁;拱桥具有较好的承载能力和美观性,适用于中等跨度;悬索桥跨度大,结构轻盈,适用于跨越宽阔水域或峡谷;斜拉桥结合了悬索桥和梁桥的特点,适用于大跨度桥梁。
2. 桥梁设计中需要考虑哪些主要因素?答:桥梁设计中需要考虑的主要因素包括承载能力、耐久性、稳定性、经济性、美观性、施工可行性和环境适应性等。
五、计算题(21分)一桥面净空为净—7附2×0、75m人行道得钢筋混凝土T梁桥,共设五根主梁。
试求荷载位于支点处时1号梁相应于汽车—20级、挂车—100与人群荷载得横向分布系数。
五、计算题(16 分)计算下图所示得T 梁翼板所构成得铰接悬臂板得设计内力。
设计荷载:公路Ⅱ级。
桥面铺装为6cm 沥青混凝土面层(容重为21KN/m3)与14cm 防水混凝土垫层(容重为25KN/m3)。
五、计算题(共20 分)已知钢筋混凝土五片式T 型梁桥全长19、96m,计算跨径l=19、5m。
主梁采用C40 混凝土,支座处梁肋宽带为30cm。
梁得两端采用等厚度得橡胶支座。
已计算求得支座压力标准值Rck=354、12KN,其中结构自重引起得支座反力标准值为162、7KN,公路Ⅱ级引起得支座反力标准值为183、95KN,人群荷载pk=3、0KN/m2 得标准值为7、47KN;公路Ⅱ级与人群荷载作用下产生得跨中挠度f=1、96cm,主梁得计算温差Δt=36 摄氏度。
试设计板式橡胶支座。
五、计算题(共1题,共20分)计算图1所示T梁翼板所构成铰接悬臂板得设计内力。
桥面铺装为20mm厚得沥青混凝土面层(容重为23KN/m3)与平均厚90mm得C25混凝土面层(容重为24KN/m3)。
T梁翼板钢筋混凝土得容重为25KN/m3。
图1 铰接悬臂行车道板(单位:cm)图2 标准车辆荷载得计算图式(尺寸:m)五、计算题(共1题,共20分)下图为跨径l=12、60m得铰接空心板桥得横截面布置图,桥面净空为净-7+2×0、75m人行道。
全桥跨由9块预应力混凝土空心板组成,欲求1、3与5号板得车辆荷载与人群荷载作用下得跨中荷载横向分布系数。
图1 空心板桥横断图五、计算题(共1题,共20分)计算跨径=19、50m得桥梁,其横截面如下图所示,试求荷载位于跨中时l号边梁得荷载横向分布系数 (车辆荷载与人群荷载)。
(a) 桥梁横断面 (b) 1号梁横向影响线图1 横向分布系数计算图示。
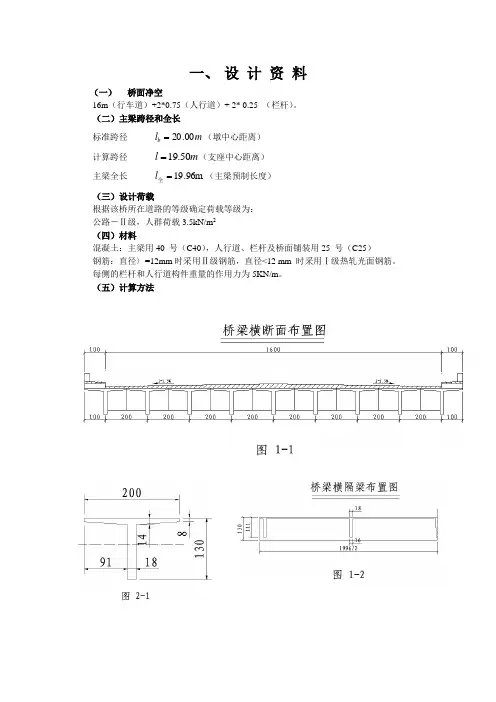
一、 设 计 资 料(一) 桥面净空16m (行车道)+2*0.75(人行道)+ 2* 0.25 (栏杆)。
(二)主梁跨径和全长标准跨径 m l b 00.20=(墩中心距离) 计算跨径 m l 50.19=(支座中心距离) 主梁全长 96m .19=全l (主梁预制长度)(三)设计荷载根据该桥所在道路的等级确定荷载等级为: 公路-Ⅱ级,人群荷载3.5kN/m 2 (四)材料混凝土:主梁用40 号(C40),人行道、栏杆及桥面铺装用25 号(C25)钢筋:直径〉=12mm 时采用Ⅱ级钢筋,直径<12 mm 时采用Ⅰ级热轧光面钢筋。
每侧的栏杆和人行道构件重量的作用力为5KN/m 。
(五)计算方法1.恒载内力(1)恒载:假定桥面构造各部分重量平均分配给各主梁承担,计算下表构件名 构件简图及尺寸(cm) 单元构件体积及算式(m 3) 容重(KN /m 3)每延米重量(kN/m)主 梁434.0)214.008.030.1(91.0230.100.2=+-⨯⨯-⨯ 2585.1025434.0=⨯横 隔 梁 中 梁089.05.19591.02216.018.0)214.008.000.1(=÷⨯⨯⨯+⨯+-25228.225089.0=⨯114.12/228.2=边梁桥 面 铺 装沥青混凝土:64.01604.0=⨯混凝土垫层(取平均厚12cm ):92.11612.0=⨯223 22472.142364.0=⨯ 08.462492.1=⨯∑=+=76.69/)08.4672.14(人 行 道 部 分11.19/25=⨯根据上面的数据,我们就可以得到相应边主梁和中主梁所有恒载: 边主梁:∑=+++==m KN g g i /834.1911.176.6114.185.10中主梁:∑=+++==m KN g g i /948.2011.176.6228.285.10(2) 恒载内力计算影响线面积计算见2-5表2-5表项目计算图式影响线面积0ω21M53.475.1981214120=⨯=••=l l ω41M65.355.193232116320=⨯=••=l l ω 21Q00=ω0Q75.95.1921210=⨯==l ω。
第一章总论一、填空题:1、桥面标高的确定主要考虑:路线纵断面设计要求、排洪要求和通航要求三个因素。
2、按照《公路工程技术标准》的规定,公路桥梁的桥上纵坡不宜大于4% ,桥头引道纵坡不宜大于5% ,位于市镇混合交通繁忙处时,桥上纵坡和桥头引道纵坡均不得大于3% 。
3、桥梁结构的整体计算应采用车道荷载;桥梁结构的局部加载、涵洞、桥台和挡土墙土压力等的计算采用车辆荷载,两者不得叠加。
4、《公路桥规》规定,汽车荷载为公路-Ι级:均布荷载标准值为10.5kN/m ,跨径大于50米时的集中荷载标准值为360kN ;汽车荷载为公路-Ⅱ级:均布荷载标准值为7.875kN/m ,跨径小于于5米时的集中荷载标准值为135kN 。
二、名词解释:1. 桥梁建筑高度:是上部结构底缘至桥面的垂直距离。
2. 计算跨径(梁式桥):对于设支座桥梁,为相邻支座中心的水平距离,对于不设支座的桥梁(如拱桥、刚构桥等),为上、下部结构的相交面之中心间的水平距离。
3. 标准跨径(梁式桥):是指两相邻桥墩中线之间的距离,或墩中线至桥台台背前缘之间的距离。
4. 桥梁全长:对于有桥台的桥梁为两岸桥台翼墙尾端间的距离,对于无桥台的桥梁为桥面行车道长度。
5. 净跨径:对于设支座的桥梁为相邻两墩、台身顶内缘之间的水平净距,不设支座的桥梁为上、下部结构相交处内缘间的水平净距。
6. 永久作用:是指在结构设计基准期内,其值不随时间而变化,或其变化值与平均值比较可忽略不计的作用,也称恒载。
7. 可变作用:是指在结构设计基准期内,其值随时间变化,且其变化值与平均值比较不可忽略的作用。
8.偶然作用:是指在结构设计基准期内出现的概率很小,一旦出现,其值很大且持续时间很短的作用。
9. 所以建筑高度小。
施工较困难,梁柱刚结处易裂缝。
(4)悬索桥:以悬挂在塔架上的缆索作为主要承重结构。
竖向荷载作用下,缆索受很大的力,两岸需锚碇结构。
具有水平反力,结构自重轻,建筑高度小,跨越能力特大。
1) 计算图1所示T 梁翼板所构成铰接悬臂板的设计内力。
桥梁荷载为公路—Ⅰ级,桥面铺装为80mm 厚C50混凝土配@φ8100钢筋网;容重为253kN/m /;下设40mm 厚素混凝土找平层;容重为233kN/m /,T 梁翼板材料容重为253kN/m/。
图 1 铰接悬臂行车道板 (单位:mm )解:a .恒载及其内力(以纵向1m 宽的板条进行计算)每延米板上的恒载g ;钢筋混凝土面层g 1:...kN/m 008⨯10⨯25=200 素混凝土找平层g 2:...kN/m 004⨯10⨯23=092T 梁翼板自重g 3:....kN/m 008+014⨯10⨯25=2752合计: i g =g .kN/m =567∑每米宽板条的恒载内力 弯矩 ...kN m Ag M gl 2201=--⨯567⨯100=-284⋅21=2 剪力 g ...kN Ag Q l 0=⋅=567⨯100=567b .公路—Ⅰ级荷载产生的内力要求板的最不利受力,应将车辆的后轮作用于铰缝轴线上,见图2,后轮轴重为P =140kN ,着地长度为2=0.2m a ,宽度为 2b .m =060,车轮在板上的布置及其压力分布图见图1-1图2公路—Ⅰ级荷载计算图式(单位:mm )由式...m ...ma a Hb b H 1212=+2=020+2⨯012=044=+2=060+2⨯012=084一个车轮荷载对于悬臂根部的有效分布宽度:...m>1.4m a a l 10=+2=044+142=186(两后轮轴距)两后轮的有效分布宽度发生重叠,应一起计算其有效分布宽度。
铰缝处纵向2个车轮对于悬臂板根部的有效分布宽度为:....m a a d l 10=++2=044+14+142=326作用于每米宽板条上的弯矩为:()()A p b P M l a μ10=-1+-24 ..(.).140084=-13⨯⨯10-2⨯3264.kN m =-2205⋅ 作用于每米宽板条上的剪力为:()..kN .Ap P Q a μ140=1+=13⨯=279122⨯326c. 行车道板的设计内力...(.).(.).kN m ......=45.88kNA Ag Ap A Ag Ap M M M Q Q Q =12⨯+14⨯=12⨯-284+14⨯-2205=-3428⋅=12⨯+14⨯=12⨯567+14⨯27912) 如图23所示为一座桥面板为铰接的T 形截面简支梁桥,桥面铺装厚度为0.1m ,净跨径为1.4m ,试计算桥面板根部在车辆荷载作用下的活载弯矩和剪力。
习题2.2(2梁桥—2、梁桥设计计算)1、上承式简支梁桥的上部结构主要设计计算包括哪几个部分?2、按结构受力简化图式不同,行车道板是如何分类的(常见的行车道板简化计算模型有哪些)?各的特点?3、行车道板上的车轮荷载作用面是由有哪三条假定进行分布的?4、什么叫板的荷载有效分布宽度?怎样确定?5、多跨连续单向板(行车道板)的内力计算方法?计算图式?板的计算跨径?6、单向板求支点剪力时为何在板端轮压下会出现三角形荷载?7、悬臂板(行车道板)的内力计算方法?计算图式?板的计算跨径?8、铰接悬臂板(行车道板)的内力计算方法?计算图式?板的计算跨径?9、公式推导:用结构力学的基本理论,推导单向板、铰接悬臂板、悬臂板在汽车荷载作用下的弯矩与剪力公式。
10、某桥面板为单向板。
其T梁梁肋间距2.2m,梁肋厚18cm,高110cm;T梁翼板根部厚20cm,端部厚14cm(ρ=25kN/m3)。
沥青面层厚3cm(ρ=21kN/m3),水泥混凝土基层厚8cm(ρ=23kN/m3)。
1)求其在恒载、汽车荷载分别作用下桥面板跨中、根部产生的弯矩与剪力?2)在承载能力极限状态下桥面板跨中、根部的设计荷载效应?11、有一整体浇筑的 T形梁桥(由五片梁组成),行车道板厚18cm,梁肋高度为82cm,厚度为20cm,梁肋间距为200cm,桥面铺装厚度为11cm,荷载为公路I级,求此连续单向板在车辆荷载作用下的最大剪力。
12、什么叫荷载横向分布影响线?什么叫荷载横向分布系数?13、计算装配式钢筋混凝土简支梁桥荷载横向分布系数的方法有哪些?分别说明各计算方法的名称及适用范围。
14、试述杠杆法计算荷载横向分布系数的基本假设与基本原理?适用范围?15、试述偏心压力法计算荷载横向分布系数的基本假定、原理、适用范围?为什么还要提出修正的偏心压力法?16、两种偏心压力法对边梁或中梁计算的荷载横向分布系数值,在定性上有何异同?17、试述铰接板/梁法计算荷载横向分布系数的基本假设与基本思路?适用范围?18、试述钢接板/梁法计算荷载横向分布系数的基本假设与基本思路?适用范围?19、比拟正交异性板法(G—M法)的基本思路是什么?适用范围?计算步骤?20、比拟正交异性板法(G—M法)中,梁桥与平板的换算关系如何?21、荷载横向分布系数的求解步骤。
桥梁工程试题及答案一、单选题(每题2分,共10分)1. 桥梁工程中,通常用来承受竖向荷载的结构是:A. 梁B. 柱C. 板D. 拱答案:A2. 以下哪种材料不是桥梁工程中常用的材料?A. 钢筋混凝土B. 钢材C. 木材D. 玻璃答案:D3. 桥梁工程中,用于连接桥梁与道路的过渡结构是:A. 桥台B. 桥墩C. 桥面D. 桥跨答案:A4. 桥梁的跨度是指:A. 桥梁的总长度B. 桥墩之间的距离C. 桥梁的宽度D. 桥梁的高度答案:B5. 桥梁工程中,下列哪项不是桥梁设计需要考虑的因素?A. 地形地貌B. 交通流量C. 桥梁颜色D. 环境影响答案:C二、多选题(每题3分,共15分)1. 桥梁工程中,下列哪些因素会影响桥梁的承载力?A. 材料强度B. 桥梁跨度C. 施工质量D. 桥梁造型答案:A, B, C2. 桥梁工程中,下列哪些是桥梁的主要组成部分?A. 桥面B. 桥墩C. 桥台D. 桥下水域答案:A, B, C3. 桥梁工程中,下列哪些是桥梁施工过程中可能遇到的挑战?A. 地形限制B. 材料供应C. 气候条件D. 桥梁颜色答案:A, B, C4. 桥梁工程中,下列哪些是桥梁维护和检修的常见内容?A. 结构检查B. 裂缝修补C. 涂装更新D. 桥梁颜色答案:A, B, C5. 桥梁工程中,下列哪些是桥梁设计需要遵守的规范?A. 国家建筑规范B. 地方建筑规范C. 国际桥梁设计规范D. 桥梁颜色答案:A, B, C三、判断题(每题1分,共5分)1. 桥梁工程中,桥梁的跨度越大,承载力越强。
(错误)2. 桥梁工程中,桥梁的使用寿命与材料选择无关。
(错误)3. 桥梁工程中,桥梁的稳定性主要取决于桥梁的设计和施工质量。
(正确)4. 桥梁工程中,桥梁的维护和检修是一次性工作,不需要定期进行。
(错误)5. 桥梁工程中,桥梁的美观性是设计中不需要考虑的因素。
(错误)四、简答题(每题5分,共20分)1. 简述桥梁工程中,桥梁的分类有哪些?答案:桥梁工程中,桥梁的分类主要包括梁桥、拱桥、悬索桥、斜拉桥、箱梁桥等。
桥梁工程考试试题及答案一、选择题(每题2分,共20分)1. 桥梁工程中,以下哪项不是桥梁的主要组成部分?A. 桥面B. 桥墩C. 桥塔D. 桥基答案:D2. 悬索桥的主要承重结构是:A. 桥面B. 桥墩C. 悬索D. 桥塔答案:C3. 桥梁设计中,荷载分为哪几类?A. 静载和动载B. 恒定荷载和可变荷载C. 永久荷载和临时荷载D. 所有以上选项答案:D4. 桥梁的抗震设计主要考虑以下哪几个方面?A. 地震力B. 桥梁结构的刚度C. 桥梁结构的延性D. 所有以上选项答案:D5. 桥梁施工中,预应力混凝土的主要优点是:A. 提高承载能力B. 减小裂缝宽度C. 延长使用寿命D. 所有以上选项答案:D6. 桥梁的跨径是指:A. 桥梁全长B. 桥梁两个相邻桥墩之间的距离C. 桥梁两个相邻支点之间的距离D. 桥梁两个端点之间的距离答案:C7. 桥梁的静载试验主要检测什么?A. 桥梁的承载能力B. 桥梁的变形C. 桥梁的振动特性D. 所有以上选项答案:D8. 下列哪项不是桥梁施工中常见的问题?A. 施工误差B. 材料缺陷C. 设计错误D. 天气影响答案:C9. 桥梁的耐久性设计主要考虑哪些因素?A. 腐蚀B. 疲劳C. 老化D. 所有以上选项答案:D10. 桥梁的动载试验主要检测什么?A. 桥梁的振动响应B. 桥梁的动态特性C. 桥梁的稳定性D. 所有以上选项答案:D二、简答题(每题10分,共30分)1. 简述桥梁工程中常用的几种桥梁类型及其特点。
答案:桥梁工程中常用的桥梁类型包括梁桥、拱桥、悬索桥和斜拉桥。
梁桥结构简单,施工方便,适用于较短的跨度;拱桥具有较好的承重能力,适用于中等跨度;悬索桥跨越能力大,适用于大跨度;斜拉桥结合了悬索桥和梁桥的特点,适用于大跨度且经济性较好。
2. 桥梁设计中,为什么需要考虑荷载组合?答案:桥梁设计中考虑荷载组合是为了确保桥梁在各种可能的使用条件下都能安全稳定地工作。
荷载组合包括静载、动载、恒定荷载、可变荷载等,它们可能同时作用于桥梁,产生不同的影响。
桥梁工程计算练习题[行车道板内力计算练习]计算图示T梁翼板所构成的铰接悬臂板的设计内力。
设计荷载:公路—Ⅱ级。
桥面铺装为5cm沥青混凝土面层(重度为21kN/m3)和15cm防水混凝土垫层(重度为25kN/m3)。
解:(一)恒载内力(以纵向1m宽的板进行计算)1.每米板上的恒载集度(二)公路—Ⅱ级车辆荷载产生的内力铺装层总厚H=0.05+0.15=0.20m,则板上荷载压力面的边长为由图可知:重车后轴两轮的有效分布宽度重叠,则铰缝处纵向两个车轮对于悬臂根部的有效分布宽度冲击系数取1.3作用于每米宽板条上的弯矩为:相应于每米宽板条活载最大弯矩时的每米宽板条上的剪力为:(三)荷载组合 基本组合:1.2 1.4 1.2 1.9 1.412.2419.42ud sg sp M M M kN m =+=-⨯-⨯=-• 1.2 1.4 1.2 5.36 1.426.6143.69ud sg sp Q Q Q kN =+=⨯+⨯=[刚性横梁法练习题]一座计算跨径为19.5m 的钢筋混凝土简支梁桥,跨度内设有 5 道横隔梁,横截面布置如图所示,试求荷载位于跨中时, 2号、3号主梁相对应于汽车荷载和人群荷载的横向分布系数。
解:此桥具有很大的横向连接刚性,且长宽比大于2,故可按偏心压力法绘制荷载横向分布影响线。
1 计算2号梁的荷载横向分布影响线竖标:522125.6m i i a==∑212121112 1.6 1.60.40525.6n i i a a n a η=⨯⨯=+=+=∑ 252521112 1.6 1.60525.6n ii a a n a η=⨯⨯=-=-=∑ 2 计算3号梁的荷载横向分布影响线竖标:313121110 1.60.2525.6n ii a a n a η=⨯=+=+=∑ 353521110 1.60.2525.6n ii a a n a η=⨯=-=-=∑ 3 绘制荷载横向分布影响线并按最不利位置布载4 计算各荷载对应位置的影响线竖标5 计算荷载横向分布系数 2号梁: 汽车荷载:11(0.3880.2750.1940.08)0.46922cq i m η==⨯+++=∑ 人群荷载:0.419cr m = 3号梁: 汽车荷载:11(0.20.20.20.2)0.422cq im η==⨯+++=∑ 人群荷载:0.20.20.4cr m =+=[铰接板法练习]如图所示为跨径L=12.6m 的铰接空心板桥的横截面布置,桥面净空为净-7+2×0.75m 人行道。
实用空间理论分析习题(1)、简支T梁桥lp=19.5M(计算跨径),截面形式如下图所示,桥面沥青砼铺装层厚7cm,容重2吨/平方米,主梁高130cm,在支点、l/4、l/2处设置五道横隔梁。
横梁高为1m,桥面板厚度为13cm,汽-15,E=3。
0*10 MPa,求桥面板的弯矩和支点剪力。
(2)、如题一所述,考虑主梁抗扭的影响,求边梁汽-15、挂-80横向影响系数.(3)、如下图所示,求截面C的扭转角.(4)、如下图所示,简支梁作用m个集中荷载,试展开成正弦级数,若梁的刚度为E1,用正弦级数写出梁的挠度线表达式.5、如题一,题二所示,在汽-15荷载的作用下,考虑主梁抗扭影响,求结构的最大挠度。
6、如题一所示,当荷载P=sin作用在边梁时用刚接法列出力法基本方程.7、铰接空心板由8块组成,l=13m,空心板计算截面如下图所示,查表计算并画出边块板的荷载分布影响线。
8、如题一所述,用G—M法查表计算并画出边梁横向分布影响线。
9、如题一所述,用G-M法求跨中横梁截面Ⅰ-Ⅰ的弯矩影响线并求出汽-15最大弯矩。
10、如题一所述,布置出l/4处横隔梁截面Ⅰ—Ⅰ弯矩最大时的汽—15车列的纵向位置。
11、证明(1) 在G-M法中(n为主梁数目)。
(2)在刚接梁法中徐变习题已知:φ(t,τ)=φ(t)-φ(τ),φ(t)=2(1—e),t以天计,下面各题均用此徐变系数,时效系数ρ=(1)、如图所示,杆件AB A端固定,B端自由,并在B点作用集中荷载P,求徐变终了时的B点徐变挠度。
(2)、如图所示,杆件AB,先A端固定,B端自由,在C处作用集中荷载P,然后B端加上支承,求徐变终止时,支座反力RB,及A端的固端力矩,并求出C点的徐变挠度.题二图(3)、如图所示,杆件AB,先A端固定,B端自由,在C处作用集中荷载P,然后将B端固定,求徐变终止时,A、B两端的徐变力矩。
题三图(4)、如图所示,求下列两种情况下,徐变终了时,B端的支座反力RB。
五、计算题(21分)
一桥面净空为净—7附2×0.75m人行道的钢筋混凝土T梁桥,共设五根主梁。
试求荷载位于支点处时1号梁相应于汽车—20级、挂车—100和人群荷载的横向分布系数。
五、计算题(16 分)
计算下图所示的T 梁翼板所构成的铰接悬臂板的设计内力。
设计荷载:公路-Ⅱ级。
桥面铺装为6cm 沥青混凝土面层(容重为21KN/m3)和14cm 防水混凝土垫层(容重为25KN/m3)。
五、计算题(共20 分)
已知钢筋混凝土五片式T 型梁桥全长19.96m,计算跨径l=19.5m。
主梁采用C40 混凝土,支座处梁肋宽带为30cm。
梁的两端采用等厚度的橡胶支座。
已计算求得支座压力标准值Rck=354.12KN,其中结构自重引起的支座反力标准值为162.7KN,公路-Ⅱ级引起的支座反力标准值为183.95KN,人群荷载pk=3.0KN/m2 的标准值为7.47KN;公路-Ⅱ级和人群荷载作用下产生的跨中挠度f=1.96cm,主梁的计算温差Δt=36 摄氏度。
试设计板式橡胶支座。
五、计算题(共1题,共20分)
计算图1所示T梁翼板所构成铰接悬臂板的设计内力。
桥面铺装为20mm厚的沥青混凝土面层(容重为23KN/m3)和平均厚90mm的C25混凝土面层(容重为24KN/m3)。
T梁翼板钢筋混凝土的容重为25KN/m3。
图1 铰接悬臂行车道板(单位:cm)
图2 标准车辆荷载的计算图式(尺寸:m)
五、计算题(共1题,共20分)
下图为跨径l=12.60m的铰接空心板桥的横截面布置图,桥面净空为净-7+2×0.75m人行道。
全桥跨由9块预应力混凝土空心板组成,欲求1、3和5号板的车辆荷载和人群荷载作用下的跨中荷载横向分布系数。
图1 空心板桥横断图
五、计算题(共1题,共20分)
计算跨径=19.50m的桥梁,其横截面如下图所示,试求荷载位于跨中时l号边梁的荷载横向分布系数(车辆荷载和人群荷载)。
(a) 桥梁横断面 (b) 1号梁横向影响线
图1 横向分布系数计算图示。