桥梁工程恒载内力计算例题
- 格式:doc
- 大小:5.05 MB
- 文档页数:4
第8章 一榀框架计算8.7框架内力计算框架结构承受的荷载主要有恒载、活载、风荷载、地震作用。
其中恒载、活载为竖向荷载,风荷载和地震为水平作用。
手算多层多跨框架结构的内力和侧移时,采用近似方法。
求竖向荷载作用下的内力采用分层法,求水平荷载作用下的内力采用反弯点法、D 值法。
在计算各项荷载作用下的效应时,一般按标准值进行计算,然后进行荷载效应组合。
8.7.2框架内力计算1。
恒载作用下的框架内力 (1)计算简图将图8-12(a )中梁上梯形荷载折算为均布荷载。
其中a=1。
8m ,l=6.9m ,=1800/69000.26a α==,顶层梯形荷载折算为均布荷载值:232312+=120.26+0.2621.31=18.8kN m q αα-⨯-⨯⨯()(),顶层总均布荷载为18.8+4.74=23.54kN m 。
其他层计算方法同顶层,计算值为21.63kN m 。
中间跨只作用有均布荷载,不需折算。
由于该框架为对称结构,取框架的一半进行简化计算,计算简图见8-19。
(2)弯矩分配系数节点A 1:101044 1.18 4.72A A A A S i ==⨯=111144 1.33 5.32A B A B S i ==⨯=12120.940.94 1.61 5.796A A A A S i =⨯=⨯⨯=()0.622 1.3330.84415.836AS =++=∑1010 4.720.29815.836A A A A AS S μ===∑图8-19 恒载作用下计算简图(括号内数值为梁柱相对线刚度)1111 5.320.33615.836A B A B AS S μ===∑1212 5.7960.36615.836A A A A AS S μ===∑ 节点B 1:11112 1.12 2.24B D B D S i ==⨯=18.076BS =∑1111 5.320.29418.076B A B A BS S μ===∑1010 4.720.32118.076B B B B BS S μ===∑ 1212 5.7960.32118.076B B B B BS S μ===∑1111 2.240.12418.076B D B D BS S μ===∑节点A 2:()210.94 1.610.4170.94 1.610.776 1.33A A μ⨯⨯==⨯⨯++230.940.7760.20113.91A A μ⨯⨯==224 1.330.38213.91A B μ⨯==节点B 2:224 1.330.3294 1.330.94 1.61+0.940.7762 1.12B A μ⨯==⨯+⨯⨯⨯⨯+⨯210.94 1.610.35916.15B B μ⨯⨯==212 1.120.13916.15B C μ⨯==230.940.7760.17316.15B B μ⨯⨯==节点A 3 、A 4、A 5与A 2相同B 3、B 4、B 5与B 2相同。
桥梁计算书计算实例前言本设计是根据设计任务书的要求和《公路桥规》的规定,对高坎——上官伯段的高坎大桥进行方案比选和设计的。
对该桥的设计,本着“安全、经济、美观、实用”的八字原则,本论文提出两种不同的桥型方案进行比较和选择:方案一为预应力混凝土简支梁桥,方案二为拱桥。
经由以上的八字原则以及设计施工等多方面考虑、比较确定预应力混凝土简支梁桥(锥形锚具)为推荐方案。
1.水文计算1.1原始资料1.1.1水文资料:浑河发源于辽宁省新宾县的滚马苓,从东向西流过沈阳后,折向西南,至海城市三岔河与太子河相汇,而后汇入辽河。
浑河干流长364公里,流域面积11085平方公里。
本桥位上游45公里的大伙房水库,于1958年建成,该水库控制汇流面积5563平方公里,对沈阳地区的浑河洪峰流量起到很大的削减作用。
根据水文部门的资料,建库前浑河的沈阳水文站百年一遇洪峰流量位11700立方米/秒,建库后百年一遇推算值为4780立方米/秒。
浑河没年12月初开始结冰,次年3月开始化冻。
汛期一般在7月初至9月上旬,河流无通航要求。
桥为处河段属于平原区次稳定河段。
1.1.2设计流量根据沈阳水文站资料,近50年的较大的洪峰流量如下:大伙房水库建库前1935年5550立方米/秒1936年3700立方米/秒1939年 3270立方米/秒1942年 3070立方米/秒1947年 2980立方米/秒1950年 2360立方米/秒1951年 2590立方米/秒1953年 3600立方米/秒1954年3030立方米/秒大伙房水库建库后1960年2650立方米/秒1964年2090立方米/秒1971年2090立方米/秒1975年2200立方米/秒1985年2160立方米/秒根据1996年沈阳年鉴,浑河1995年最大洪峰流量4900立方米/秒(沈阳水文站)为百年一遇大洪水。
1995年洪水距今较近,现场洪痕清晰可见,根据实测洪水位,采用形态断面计算1995年洪峰流量为5095立方米/秒,与年鉴资料相差在5%之内。
4.3 桥面板内力计算4.3.1 桥面板的分类钢筋混凝土和预应力混凝土肋梁桥的桥面板(也称行车道板),是直接承受车辆轮压的承重结构,在构造上它通常与主梁梁肋和横隔梁(或横隔板)联结在一起,这样既保证了梁的整体作用,又能将车辆荷载传给主梁。
桥面板一般用钢筋混凝土制造,对于跨度较大的桥面板也可施加横向预应力,做成预应力混凝土板。
从结构形式上看,对于具有主梁和横隔梁的简单梁格(图4.33a)以及具有主梁、横梁和图4.33 梁格系构造和桥面板的支承方式内纵梁(或称副纵梁)的复杂梁格(图4.33b)体系,行车道板实际上都是周边支承的板。
从承受荷载的特点来看,在矩形的四边支承板上当板中央作用一竖向荷载P时,虽然荷载P要向相互垂直的两对支承边传递,但当支承跨径l a和l b不相同时,由于板沿l a和l b跨径的相对刚度不同,将使向两个方向传递的荷载也不相等。
根据弹性薄板理论的研究,对于四边简支的板,只要板的长边与短边之比(l a/l b)接近2时,荷载的绝大部分会沿短跨方向传递,沿长跨方向传布的荷载将不足6%。
l a/l b之值愈大,向l a跨度方向传递的荷载就愈少。
为了简明起见,只要应用一般的力学原理对图4.34所示十字形梁在荷载P作用下进行简单的受力分析,即求出P a和P b,就不难领会这一概念的基本道理。
鉴于上述理由,通常就可把边长比或长宽比等于和大于2的周边支承板看作单由短跨承受荷载的单向受力板(简称单向板)来设计,而在长跨方向只要适当配置一些分布钢筋即可。
对于长图4.34荷载的双向传递宽比小于2的板,则称为双向板,需按两个方向的内力分别配置受力钢筋。
目前桥梁设计的趋势是横隔板稀疏布置,因此主梁的间距往往比横隔板的间距小得多,桥面板属单向板的居多。
有时也会遇到桥面板两个支承跨径之比小于2的情况,如在T 形梁刚架桥空心墩墩顶0号块上的桥面板等,对此就必须按双向板进行设计。
一般来说,双向桥面板的用钢量较大,构造也较复杂,宜尽量少用。
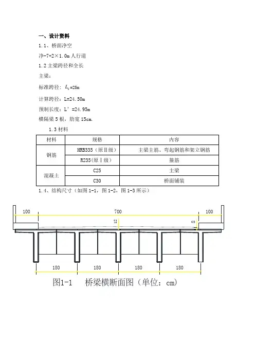
一、设计资料1.1、桥面净空净-7+2×1.0m人行道1.2主梁跨径和全长主梁:L=25m标准跨径:b计算跨径:L=24.50m预制长度:L’=24.95m横隔梁5根,肋宽15cm.1.3材料1.4、结构尺寸(如图1-1,图1-2,图1-3所示)Array图1-1 桥梁横断面图(单位:cm)图1-2 T型梁尺寸图(单位:cm)图1-3 桥梁纵断面图(单位:cm)二、行车道板的内力计算2.1、恒载及其内力(按纵向1m 宽的板条计算) 结构尺寸(见图2-1)图2-1 铰接悬臂板计算图示(单位:cm)2.1.1、每延米板条上恒载g 的计算C30混凝土桥面铺装1g :1g =0.1×1.0×25= 2.5/kN mC25混凝土T 形梁翼板自重2g :2g =(0.105+0.13)/2×1×24=2.82/kN m 每延米板条上恒载g :g=i g ∑=1g +2g =2.5+2.82=5.32/kN m 2.1.2、每延米板条的恒载内力计算 每米宽板的恒载弯矩min,g M :min,g M =221118002005.32() 1.7022221000gl --=-⨯⨯=-⨯/kN m每米板宽的恒载剪力Ag V :018002005.32 4.25621000Ag V gl KN -==⨯=⨯2.2、车辆荷载产生的内力将车辆荷载的后轮作用于铰缝轴线上(见图2-1所示),后轴作用力标准值为P=140kN ,轮压分布宽度如图2-2所示,后轮着地宽度为20.6b m =。
着地长度为20.2a m =,则m H a a 4.01.0220.0221=⨯+=+= m H b b 8.01.0260.0221=⨯+=+= 0218002001600 1.6l mm m =-==2-2 车辆荷载的计算图式(尺寸单位:mm )荷载对于悬臂根部的有效分布宽度为:1020.4 1.4 1.6 3.4a a d l m =++=++=由规范可知:汽车荷载的局部加载及在T 梁,箱梁悬臂板上的冲击系数采用1.3。
《桥梁工程》课程设计计算书钢筋混凝土简支梁桥设计2010.01.03第一部分 内力计算一、主梁内力计算(一)恒载内力计算简支梁承受的恒载集度为 g ,恒载引起的任意截面弯矩Mx 和剪力Vx 分别为:)(222x l gx x gx x gl M x -=-=)2(22x l ggx gl V x -=-=式中 x —计算截面到支点截面的距离(m );l —计算跨径(m ); g —恒载集度(KN/m );(1) 各主梁恒载计算及汇总 表1-1(2)恒载内力计算表1-2(二)活荷载内力计算kg g G m c 2653.15138.910002515932.0=⨯⨯⨯==210/100.3m N E c ⨯= 42232310735.11)5.382150(1501815018121)2165.38(1620216202121m I c -⨯=-⨯⨯+⨯⨯+-⨯⨯+⨯⨯=)(3.62653.151310735.11100.35.19214.3221022HZ m I E l f c c c =⨯⨯⨯⨯==-π3.00157.01767.0=-=Inf u 表1-3(2)简支梁内力影响线面积 表1-4(3)计算荷载横向分布系数(ⅰ)计算支点处的荷载横向分布系数m按杠杆法在图1-1上绘出①、②、③号主梁的荷载横向分布影响线,并在其上布载,分别计算出汽车、人群的m0q 和m0r值。
图1-1 按杠杆法绘主梁的荷载横向分布影响线(ⅱ)计算跨中的荷载横向分布系数m c按刚性横梁法在图3-2上绘出①、②、③号主梁的荷载横向分布影响线,分别计算出汽车、人群的m cq 和m cr 值。
解: 本桥各根主梁的横截面均相等,梁数为n=5,梁间距为2.20m ,则)(40.4820.2220.2020.220.222222225125242322212m a a a a a ai i=⨯+-+++⨯=++++=∑=)()()(计算1号梁1号梁横向影响线的坐标值为6.04.02.040.48)20.22(5112122111=+=⨯+=+=∑=n i ia a n η2.04.02.040.48)20.22(20.22511125115-=-=⨯-⨯⨯+=⨯+=∑=n i ia a a n η 又11η和15η绘制的1号梁横向影响线,见下图,图中还按照《桥规》(JTG D60)的规定,确定了汽车荷载的最不利荷载位置。
一、 设 计 资 料
(一) 桥面净空
16m(行车道)+2*0.75(人行道)+ 2* 0.25 (栏杆)。
(二)主梁跨径和全长
标准跨径 mlb00.20(墩中心距离)
计算跨径 ml50.19(支座中心距离)
主梁全长 96m.19全l(主梁预制长度)
(三)设计荷载
根据该桥所在道路的等级确定荷载等级为:
公路-Ⅱ级,人群荷载3.5kN/m2
(四)材料
混凝土:主梁用40 号(C40),人行道、栏杆及桥面铺装用25 号(C25)
钢筋:直径〉=12mm时采用Ⅱ级钢筋,直径<12 mm 时采用Ⅰ级热轧光面钢筋。
每侧的栏杆和人行道构件重量的作用力为5KN/m。
(五)计算方法
1.恒载内力
(1)恒载:假定桥面构造各部分重量平均分配给各主梁承担,计算下表
构件名 构件简图及尺寸(cm) 单元构件体积及算式(m3) 容重(KN/m3) 每延米重量(kN/m)
主 梁 434.0)214.008.030.1(91.0230.100.2 25
85.1025434.0
横
隔
梁
中
梁
089.05.19591.02216.018.0)214.008.000.1(
25
228.225089.0
114.12/228.2
边
梁
桥 面 铺 装 沥青混凝土:
64.01604.0
混凝土垫层(取平均厚12cm):
92.11612.0
2
23
2
24
72.142364.0
08.462492.1
76.6
9/)08.4672.14(
人
行
道 部 分
11.19/25
根据上面的数据,我们就可以得到相应边主梁和中主梁所有恒载:
边主梁:
mKNggi/834.1911.176.6114.185.10
中主梁:
mKNggi/948.2011.176.6228.285.10
(2) 恒载内力计算
影响线面积计算见2-5表
2-5表
项目 计算图式
影响线面积0
21
M
53.475.1981214120••ll
41
M
65.355.193232116320••ll
21
Q
00
0
Q
75.95.1921210l
(注:文档可能无法思考全面,请浏览后下载,供参考。可复制、编制,期待
你的好评与关注)