最新版 屋面找坡层和找平层检验批质量验收记录(范例)
- 格式:xls
- 大小:14.50 KB
- 文档页数:1
地面找平层(基层)工程检验批质量验收记录
1. 项目基本情况
项目名称地面找平层(基层)工程
施工单位XX工程有限公司
规格型号混凝土找平层(基层)
施工日期2021年5月1日
施工地点XX区XX路XX号
2. 检验依据
1.施工图纸和技术要求;
2.《混凝土找平层设计标准》;
3.《建设工程质量验收标准》(GB 50203-2011) .
3. 检验设备
无损检测设备、铣刨机、水平仪等
4. 检验过程与结果
1.检验日期:2021年5月3日。
2.检验人员:王XX、李XX、刘XX。
3.质量验收内容和结果如下:
现象结果记录
地面平整度通过地面平整度符合设计要求,无凸凹和鼓泡等问题
强度检测合格地面找平层强度检测合格,达到设计要求
平整度测量优良采用水平仪进行测量,平整度优良,误差小于2mm
表面平整度合格采用铣刨机进行检测,表面平整度符合设计要求
空鼓检测未出现地面找平层无空鼓现象
5. 检验结果评价
本次检验结果表明,地面找平层(基层)工程质量合格,均满足规范要求。
验收合格后,可进行下一步的施工工作。
6. 处理结果
本次检验未发现质量问题,按质量验收规范中的相关条款进行验收合格处理。
7. 签字确认
质量监督员:____________
施工单位质量负责人:____________ 施工单位项目负责人:____________。
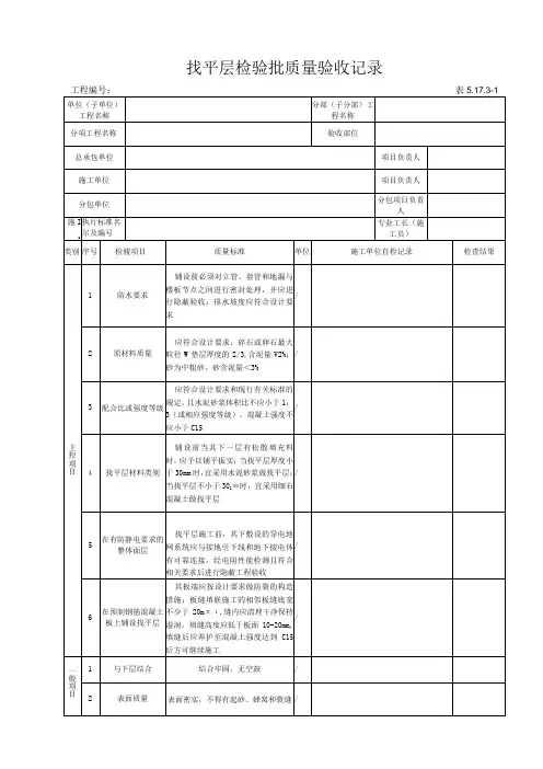
屋面找平层工程检验批质虽验收记录表
GB50207 — 2002
040102 □□
040202 □□单位(子单位)工程名称
分部(子分部)工程名称验收部位
施工单位项目经理
分包单位分包项目经理
施工执行标准名称及编号
施工质量验收规范的规定施工单位检查评定记录监理(建设)单位验收记录
主
控项目1材料质量及配合比第4.1.7条2排水坡度第4.1.8条
一般项目
1交接处和转角处细部处理第4.1.9条
2表向质里第4.1.10条
3分格缝的位置和间距第4.1.11条
4表面平整度允许偏差5mm
施工单位检查评定结果
专业工长(施工员)施工班组长
项目专业质量检查员:年月日
监理(建设)单位验收结论
专业监理工程师:
(建设单位项目专业技术负责人)年月日
040102
040202
主控项目:
1、找平层的材料质量及配合比,必须符合设计要求。
检查出厂合格证、质量检验报告和计量措施。
2、屋面(含天沟、檐沟)找平层的排水坡度,必须符合设计要求。
用水平仪(水平尺)、拉线和尺量检查。
一般项目:
1、基层与突出屋面结构的交接处和基层的转角处,均应做成圆弧形,且整齐平顺。
观察和尺量检查。
2、水泥砂浆、细石混凝土找平层应平整、压光,不得有酥松、起砂、起皮现象;沥宵砂浆找平层不
得有拌合不匀、蜂窝现象。
观察检查。
3、找平层分格缝的位置和问距应符合设计要求。
观察和尺量检查。
4、找平层表面平整度的允许偏差为5mm
用2m靠尺和楔形塞尺检查。
找平层检验批质量验收记录填写范例找平层检验批质量验收记录填写范例一、前言找平层是建筑装修中常见的工序,其质量直接关系到整个装修工程的美观程度和使用寿命。
为了保证找平层的质量,需要进行严格的检验和验收。
本文将介绍找平层检验批质量验收记录的填写范例。
二、检验批信息1. 检验批编号:2. 工程名称:3. 施工单位:4. 检查日期:三、施工要求在填写找平层检验批质量验收记录之前,需要明确施工要求,包括但不限于以下内容:1. 找平层厚度要求;2. 找平材料要求;3. 找平过程中应注意事项;4. 找平后应注意事项。
四、检查内容及结果1. 材料检查:(1)找平砂浆配合比是否符合规定;(2)砂浆中是否有杂物;(3)水泥是否符合标准。
2. 厚度检查:(1)用钢卷尺测量找平层厚度;(2)厚度是否符合规定。
3. 平整度检查:(1)用直尺或水准仪检查找平层平整度;(2)平整度是否符合规定。
4. 抗压强度检查:(1)在找平层上随机选取若干点,用万能试验机测量抗压强度;(2)抗压强度是否符合规定。
五、结论根据以上检查结果,得出以下结论:1. 找平砂浆配合比符合规定;2. 砂浆中无杂物;3. 水泥符合标准;4. 找平层厚度符合要求;5. 找平层平整度符合要求;6. 抗压强度符合要求。
六、验收意见根据以上结论,经过严格的检查和评估,认为该批找平层质量达到了验收标准,可以进行下一步施工。
七、附注1. 本次检验批共取样10个点进行测试,并且每个点测试3次取其均值作为最终结果。
2. 本次检验批所使用的材料和设备都是经过认证的,并且在使用前已经进行了检查和试验。
3. 检验过程中发现的问题及时进行整改,并重新进行测试和评估。
屋面找平层工程检验批质量验收记录表
说明
主控项目:
1、找平层的材料质量及配合比,必须符合设计要求。
检查出厂合格证、质量检验报告和计量措施。
2、屋面(含天沟、檐沟)找平层的排水坡度,必须符合设计要求。
用水平仪(水平尺)、拉线和尺量检查。
一般项目:
1、基层与突出屋面结构的交接处和基层的转角处,均应做成圆弧形,且整齐平顺。
观察和尺量检查。
2、水泥砂浆、细石混凝土找平层应平整、压光,不得有酥松、起砂、起皮现象;沥青砂浆找平
层不得有拌合不匀、蜂窝现象。
观察检查。
3、找平层分格缝的位置和间距应符合设计要求。
观察和尺量检查。
4、找平层表面平整度的允许偏差为5mm。
用2m靠尺和楔形塞尺检查。
SG—T119填写说明
一、本表适用于屋面基层与保护子分部工程中找坡层和找平层分项工程中检验批质量验收记录。
二、检验批检验数量:
按屋面面积每100㎡抽查1处,每处10㎡,且不得少于3处。
三、填写要求:
1.主控项目中:
“找坡层和找平层所用材料的质量及配合比,应符合设计要求”,检查出厂合格证、质量检验报告、复检检验报告及配合比是否符合设计和相关标准要求,并将所用的材料写清楚。
“找坡层和找平层的排水坡度,应符合设计要求”,通过检查实体质量,并将检查质量写清楚,若有缺陷也应写清楚。
2.一般项目中:
一般项目的观感,通过检查实体质量,查阅隐蔽记录,将所列的观感质量写清楚,若有缺陷也应写清楚。
3.“施工单位检查结果”,确认该检验批所有主控项目和一般项目及抽查的点、位、项,是否符合规范及
设计要求,质量是否合格。
4.“监理(建设)单位验收结论”,应对主控项目和一般项目复检检查,做出是否符合要求的结论。
明确是否
同意进入后续工序的施工。
四、本表一式四份,建设、监理单位各存一份,其余的由施工单位项目保存。