屋面找平层检验批质量验收记录表--
- 格式:doc
- 大小:86.50 KB
- 文档页数:1
屋面找平层工程检验批质虽验收记录表
GB50207 — 2002
040102 □□
040202 □□单位(子单位)工程名称
分部(子分部)工程名称验收部位
施工单位项目经理
分包单位分包项目经理
施工执行标准名称及编号
施工质量验收规范的规定施工单位检查评定记录监理(建设)单位验收记录
主
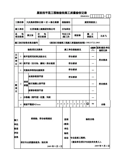
控项目1材料质量及配合比第4.1.7条2排水坡度第4.1.8条
一般项目
1交接处和转角处细部处理第4.1.9条
2表向质里第4.1.10条
3分格缝的位置和间距第4.1.11条
4表面平整度允许偏差5mm
施工单位检查评定结果
专业工长(施工员)施工班组长
项目专业质量检查员:年月日
监理(建设)单位验收结论
专业监理工程师:
(建设单位项目专业技术负责人)年月日
040102
040202
主控项目:
1、找平层的材料质量及配合比,必须符合设计要求。
检查出厂合格证、质量检验报告和计量措施。
2、屋面(含天沟、檐沟)找平层的排水坡度,必须符合设计要求。
用水平仪(水平尺)、拉线和尺量检查。
一般项目:
1、基层与突出屋面结构的交接处和基层的转角处,均应做成圆弧形,且整齐平顺。
观察和尺量检查。
2、水泥砂浆、细石混凝土找平层应平整、压光,不得有酥松、起砂、起皮现象;沥宵砂浆找平层不
得有拌合不匀、蜂窝现象。
观察检查。
3、找平层分格缝的位置和问距应符合设计要求。
观察和尺量检查。
4、找平层表面平整度的允许偏差为5mm
用2m靠尺和楔形塞尺检查。
屋面工程检验批表格屋面保温层工程检验批质量验收记录
屋面找平层工程检验批质量验收记录
卷材防水层工程检验批质量验收记录
涂膜防水层工程检验批质量验收记录
细石混凝土防水层工程检验批质量验收记录
密封材料嵌缝工程检验批质量验收记录
平瓦屋面工程检验批质验收记录
油毡瓦屋面工程检验批质量验收记录
金属板材屋面工程检验批质量验收记录
架空屋面工程检验批质量验收记录
蓄水、种植屋面工程检验批质量验收记录
细部构造检验批质量验收记录
040103□□
涂膜防水层工程检验批质量验收记录
040203□□
细石混凝土防水层工程检验批质量验收记录
040301□□
密封材料嵌缝工程检验批质量验收记录
040302□□
平瓦屋面工程检验批质验收记录
040401□□
油毡瓦屋面工程检验批质量验收记录
040402□□
金属板材屋面工程检验批质量验收记录
040403□□
架空屋面工程检验批质量验收记录
040501□□
蓄水、种植屋面工程检验批质量验收记录
细部构造检验批质量验收记录。
屋面保护层报审、报验表注:本表一式二份,项目监理机构、施工单位各一份。
保护层检验批质量验收记录质控(建)表C.0.49 04010401 5#-1隐蔽工程验收记录质控(建)表C.0.9 共1页第1页工程劳务合同书甲方:项目部(以下简称甲方)乙方:(以下简称乙方)依照《中华人民共和国合同法》、《建筑法》、《建筑安装工程合同条例》和国家工商行政管理局、建设部颁发的《建设工程施工合同》《gf-91-0201》结合本工程具体情况,本着平等、自愿、公正、诚信的原则,经甲、乙双方协商达成如下协议:第一条工程概况1、工程名称:2、工程地点:3、工程内容:单价含完成所承包工程的一切必要及附属工作(即交付完整、合格产品,具体工作内容在工程量清单说明中)并维修到缺陷修复期满。
4、承包范围:第二条工期本合同定于年月日开工,年月日竣工,工期个月;除发生不可抗力(或业主原因)外,每推迟一天罚元,但最多不能超过天,否则甲方有权将乙方清除出场,同时按本合同第十五条第6款办理。
第三条工程数量1、数量的计算,依据施工图纸和现场实际测量资料,如图纸数量大于实际数量,以实际数量为准;如实际数量大于图纸数量,只有在业主认可且已计量的情况下,才能以实际数量为准。
2、具体工程数量的计算方法按工程量清单说明办理。
第四条工程造价1、工程项目总价约元,单价元/平方。
2、工程项目单价包含的内容:指完成质量合格的工程项目且合同规定应单独计量的工序单价费用。
包括工程修建及其缺陷修复中所需的一切劳务(包括劳务的管理)。
甲方代表(签字)乙方代表(签字)小临设施、施工风险、工程结束后的现场清理以及其他应支付的一切费用。
3、本工程施工均含完成本项工作所有的工作内容和缺陷修复,以及合同明示或暗示与本工程有关的所有责任、义务和一切风险等的费用。
除清单所列项目外,其它与本工程项目内容有关的施工项目应作为完成本项工程的辅助工作,费用含在相关项目中,不再另行计价。
4、新增工程项目与本合同同类或相近项目依据原合同单价,无单价或近似单价的,在施工前甲方与乙方协商确定,签订补充协议,协商不成,不交乙方施工,乙方直接施工的按原合同工程的附属工作考虑,不增加费用。
121234屋面找平层检验批质量验收记录表
GB50207-2002
单位(子单位)工程名称
分部(子分部)工程名称
施工单位
分包单位
施工执行标准名称及编号
施工单位检查评定结果
分格缝位置和间距表面平整度允许偏差交接处和转角处细部处理表面质量施工质量验收规范的规定
主 控
项
目
一 般 项
目
第4.1.9条材料质量及配合比排水坡度项目专业质量检查员:专业工长(施工员)
设计要求设计要求施工单位检查评定记录第4.1.10条第4.1.11条5mm 分包项目经理验收部位项目经理施工
监理(建设)单位验收结论
专业监理工程师
(建设单位项目专业技术负责人):
g
录目经理
收部位
目经理
施工班组长
040102
040202
年 月 日
监理(建设)单位验收记录
年 月 日。
屋面分部工程质量验收记录(GB50300—2001)表F.0。
1 编号:□□□□注:除地基基础分部外,勘察单位可不参加(GB50300—2001)表F.0.1 编号:□□□□(GB50300-2001)表F。
0。
1 编号:□□□□刚性屋面分部(子分部)工程验收记录(GB50300-2001)表F。
0。
1 编号:□□□□瓦屋面分部(子分部)工程验收记录(GB50300-2001)表F.0.1 编号:□□□□屋面涂膜防水_分项工程质量验收表(GB50300-2001)表E。
0。
1 编号:屋面找平层_分项工程质量验收表(GB50300-2001)表E。
0.1 编号:□□□□□□屋面细部构造分项工程质量验收表(GB50300-2001)表E。
0。
1 编号:□□□□□屋面卷材防水层分项工程质量验收表(GB50300-2001)表E.0。
1 编号:细石混凝土防水层分项工程质量验收表(GB50300—2001)表E。
0。
1 编号:□□□□□□屋面保温层分项工程质量验收表(GB50300-2001)表E。
0.1 编号:□□□□□□屋面密封材料嵌缝分项工程质量验收表(GB50300-2001)表E.0。
1 编号:□□□□□□瓦屋面分项工程质量验收表(GB50300-2001)表E.0.1 编号:□□□□□□屋面分部工程报验申请表本表一式三份,经项目监理机构审核后,建设单位、监理单位、承包单位各存一份。
涂膜防水屋面分项工程报验申请表本表一式三份,经项目监理机构审核后,建设单位、监理单位、承包单位各存一份。
细石混凝土屋面分项工程报验申请表本表一式三份,经项目监理机构审核后,建设单位、监理单位、承包单位各存一份。
卷材防水屋面分项工程报验申请表工程名称:家天下。
骊景天成D区12#楼编号:本表一式三份,经项目监理机构审核后,建设单位、监理单位、承包单位各存一份.平瓦屋面分项工程报验申请表本表一式三份,经项目监理机构审核后,建设单位、监理单位、承包单位各存一份.屋面保温层分项工程报验申请表本表一式三份,经项目监理机构审核后,建设单位、监理单位、承包单位各存一份。