建筑工程屋面找平层分项工程检验批质量验收记录
- 格式:doc
- 大小:35.50 KB
- 文档页数:2
空中找平层工程报验申请表之樊仲川亿创作
工程名称:盒马鲜生三林年夜华店编
号: 02
(Ⅷ)
隐蔽工程验收记录
质控(建)表.3 共 1 页第 1 页
找平层工程报验申请表
工程名称:南安市梅山镇镇区廉租房工程编号:
(Ⅷ)30101□□
隐蔽工程验收记录
质控(建)表.3
找平层工程报验申请表
工程名称:南安市梅山镇镇区廉租房工程编号:
(Ⅷ)
隐蔽工程验收记录
质控(建)表.3 共页第页
找平层工程报验申请表
工程名称:南安市梅山镇镇区廉租房工程编号:
找平层工程检验批质量验收记录
(Ⅷ)
隐蔽工程验收记录
质控(建)表.3
找平层工程报验申请表
工程名称:南安市梅山镇镇区廉租房工程编号:
(Ⅷ)
隐蔽工程验收记录
质控(建)表.3 共页第页
找平层工程报验申请表
工程名称:南安市梅山镇镇区廉租房工程编号:
(Ⅷ)30101□□
隐蔽工程验收记录
质控(建)表.3
找平层工程报验申请表
工程名称:南安市梅山镇镇区廉租房工程编号:
(Ⅷ)
隐蔽工程验收记录
质控(建)表.3 共页第页。
平瓦屋面检验批质量验收记录项目名称:XXX工程施工单位:XXX建筑工程有限公司施工日期:XXXX年XX月XX日-XXXX年XX月XX日检验日期:XXXX年XX月XX日一、检验目的本次检验旨在对XXX工程平瓦屋面进行质量验收,以确保施工质量符合相关标准要求,保证屋面的使用寿命和安全性能,确保建筑物的整体质量。
二、检验依据1.《建筑施工质量验收规范》;2.《屋面工程质量验收规范》;3.国家相关标准和技术规范。
三、检验内容1.平瓦屋面铺贴工艺和施工质量;2.平瓦的尺寸、强度和质量;3.瓦与瓦之间、瓦与屋面结构之间的连接;4.屋面排水设施和防水措施;5.屋面保温、防震和抗风性能。
四、检验过程1.施工单位提供相关材料和工程质量验收报告;2.对平瓦的尺寸、强度和质量进行抽检;3.检查平瓦与屋面结构之间的连接情况,包括固定件的紧固情况和焊接强度;4.对屋面排水设施和防水措施进行检查,包括排水管道是否畅通、排水坡度是否符合要求以及防水层的质量;5.对屋面保温、防震和抗风性能进行测试,包括保温层的热阻值测试、防震性能的振动实验以及抗风能力的模拟风洞实验;6.记录检验中发现的问题和不合格项,并提出整改要求;7.对检验结果进行总结评价。
五、检验结果1.施工单位提供的相关材料和工程质量验收报告齐全,符合规定;2.平瓦尺寸、强度和质量符合国家标准要求;3.瓦与屋面结构之间的连接牢固可靠,没有发现松动、断裂等情况;4.屋面排水设施和防水措施合格,排水管道畅通,排水坡度符合要求,防水层质量良好;5.保温层的热阻值满足要求,防震性能和抗风能力达到设计要求;6.检验中未发现大面积不合格项,整体施工质量良好。
六、存在问题及整改要求1.一处平瓦与屋面结构之间的连接处存在松动情况,要求施工单位进行重新固定并做好防锈处理;2.排水管道部分存在拼接不牢固的情况,要求施工单位重新进行拼接,并确保无渗漏;3.屋面保温层部分存在保温材料未完全填充的情况,要求施工单位进行补充;4.烟囱周边的平瓦安装存在不规范情况,要求施工单位进行重新调整。
屋面找平层检验批质量验收记录一、检验项目及要求1. 屋面找平层施工技术要求:确保屋面找平层的水平度和平整度满足设计要求,并且不存在裂缝、空鼓、起翘等质量问题。
2. 材料质量要求:所使用的找平层材料应符合相关国家标准,并经过质量检测合格。
二、检验工具和仪器1. 直尺:用于测量找平层的平整度。
2. 检查锤:用于敲击找平层,检查是否存在空鼓和起翘。
3. 光源和放大镜:用于观察找平层的细微裂缝。
三、检验内容和方法1. 找平层水平度测量:选取若干处代表性位置,在找平层表面放置直尺,测量水平度偏差,记录在检验记录表中。
2. 找平层平整度测量:选取若干处代表性位置,在找平层表面放置直尺,测量平整度偏差,记录在检验记录表中。
3. 找平层空鼓和起翘检查:用检查锤轻敲找平层表面,观察是否存在空鼓声音,用手触摸找平层表面,观察是否有起翘现象,记录在检验记录表中。
4. 找平层裂缝观察:使用光源和放大镜观察找平层表面是否有细微裂缝,记录在检验记录表中。
四、检验结果和评定经过上述检验,对屋面找平层进行了全面的质量验收,检验结果如下:1. 找平层水平度满足设计要求,偏差范围在允许范围内。
2. 找平层平整度达到要求,偏差范围在允许范围内。
3. 未发现空鼓和起翘现象。
4. 未观察到细微裂缝。
五、存在的问题和整改措施根据检验结果,可能存在的问题和需要进行的整改措施如下:1. 找平层表面某些区域的水平度偏差超出了允许范围,需进行修复和调整,以满足设计要求。
2. 找平层表面某些区域的平整度偏差超出了允许范围,需进行修复和调整,以保证整体平整度。
3. 出现了少量的空鼓声音,需进行重新铺贴或修补工作,消除空鼓。
4. 未发现细微裂缝,但继续监测和维护,防止未来出现裂缝。
六、检验结论经过整改和修复工作,经过重新检验,屋面找平层的质量满足设计和规范要求,达到验收标准。
七、质量验收责任人质量验收责任人:XXX审核人:XXX本质量验收记录以执行阶段的施工为依据,记录了屋面找平层的施工过程中的质量验收情况。
与基础、主体结构和设备安装等分部工程有关安全及功能的检验和抽样检测结果应符合有关规定;观感质量验收应符合要求。
分部(子分部)工程质量的验收均应在施工单位检查评定的基础上进行,参加验收的各方人员应具备规定的专业技术资格。
与基础、主体结构和设备安装等分部工程有关安全及功能的检验和抽样检测结果应符合有关规定;观感质量验收应符合要求。
分部(子分部)工程质量的验收均应在施工单位检查评定的基础上进行,参加验收的各方人员应具备规定的专业技术资格。
与基础、主体结构和设备安装等分部工程有关安全及功能的检验和抽样检测结果应符合有关规定;观感质量验收应符合要求。
分部(子分部)工程质量的验收均应在施工单位检查评定的基础上进行,参加验收的各方人员应具备规定的专业技术资格。
装饰装修分部工程质量验收记录X质监统编
施20XX—5。
分项工程质量验收记录湘质监统编施2002—6 分项工程名称:屋面找平层验收日期:2010年月日注:分项工程质量验收合格应符合:所含的检验批均符合合格质量的规定;所含的检验批的质量验分项工程质量验收记录湘质监统编施2002—6 分项工程名称:平瓦屋面验收日期:2010年月日注:分项工程质量验收合格应符合:所含的检验批均符合合格质量的规定;所含的检验批的质量验分项工程质量验收记录湘质监统编施2002—6注:分项工程质量验收合格应符合:所含的检验批均符合合格质量的规定;所含的检验批的质量验收记录应完整。
分项工程质量的验收均应在施工单位自行检查评定的基础上进行,参加验收的各方分项工程质量验收记录湘质监统编施2002—6注:分项工程质量验收合格应符合:所含的检验批均符合合格质量的规定;所含的检验批的质量验收记录应完整。
分项工程质量的验收均应在施工单位自行检查评定的基础上进行,参加验收的各方人员应具备规定的专业技术资格。
分项工程质量验收记录湘质监统编施2002—6注:分项工程质量验收合格应符合:所含的检验批均符合合格质量的规定;所含的检验批的质量验收记录应完整。
分项工程质量的验收均应在施工单位自行检查评定的基础上进行,参加验收的各方分项工程质量验收记录湘质监统编施2002—6分项工程名称:屋面保温层验收日期:2010年月日注:分项工程质量验收合格应符合:所含的检验批均符合合格质量的规定;所含的检验批的质量验分项工程质量验收记录湘质监统编施2002—6分项工程名称:细石混凝土防水层验收日期:2010年月日注:分项工程质量验收合格应符合:所含的检验批均符合合格质量的规定;所含的检验批的质量验分项工程质量验收记录湘质监统编施2002—6 分项工程名称:一般抹灰工程验收日期:2010年月日分项工程质量验收记录湘质监统编施2002—6 分项工程名称:金属门窗(铝合金)验收日期:2010年月日分项工程质量验收记录湘质监统编施2002—6 分项工程名称:门窗玻璃安装验收日期:2010年月日分项工程质量验收记录湘质监统编施2002—6 分项工程名称:饰面砖粘贴验收日期:2010年月日分项工程质量验收记录湘质监统编施2002—6 分项工程名称:水性涂料涂饰验收日期:2010年月日分项工程质量验收记录湘质监统编施2002—6 分项工程名称:护栏和扶手制作与安装验收日期:2006年月日分项工程质量验收记录湘质监统编施2002—6 分项工程名称:找平层验收日期:2010年月日分项工程质量验收记录湘质监统编施2002—6 分项工程名称:基土垫层验收日期:2010年月日分项工程质量验收记录湘质监统编施2002—6 分项工程名称:水泥混凝土面层验收日期:2010年月日分项工程质量验收记录湘质监统编施2002—6分项工程名称:溶剂型涂料涂饰验收日期:2010年月日注:分项工程质量验收合格应符合:所含的检验批均符合合格质量的规定;所含的检验批的质量验。
屋面防水工程检验批质量验收记录隐蔽工程验收记录工程名称:XXX防水处理五金库屋面防水处理隐蔽项目:屋面旧防水层铲除施工单位:XXX隐蔽日期:10年月日隐蔽内容:屋面旧防水层铲除已按要求完成,基层已清理干净无杂质。
同意隐蔽。
检查情况:质检员、施工员、监理工程师(建设单位项目专业技术负责人)和施工单位均同意验收。
结论:隐蔽工程验收合格。
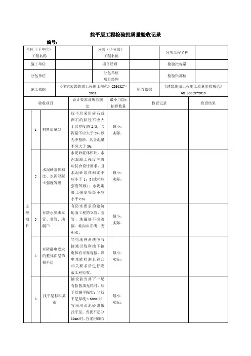
屋面找平层工程检验批质量验收记录工程名称:XXX防水处理五金库屋面防水处理施工单位:XXX施工执行标准名称及编号:GB-2002施工质量验收规范的规定:1.材料质量及配合比;2.排水坡度、表面质量、表面平整度允许偏差5mm。
检验项:1.砂浆厚度;2.排水坡度;3.表面平整度。
结论:屋面找平层工程符合GB-2002标准的要求。
屋面卷材防水层工程检验批质量验收记录工程名称:XXX防水处理五金库屋面防水处理施工单位:XXX施工执行标准名称及编号:GB-2002施工质量验收规范的规定:1.卷材及配套材料质量;2.卷材防水层;3.防水细部构造。
检验项:1.卷材及配套材料质量符合要求;2.隐蔽工程验收记录转角处、变形缝、穿墙管道等细部做法符合设计要求;3.基层牢固,基层洁净、平整无空鼓、松动、起砂和脱皮现象,阴阳角处均做成圆弧形。
结论:屋面卷材防水层工程符合GB-2002标准的要求。
观察检查,确保卷材搭接缝与收头质量良好,搭接缝粘结牢固,密封严密,无皱褶、翘边和鼓泡等缺陷。
同时,铺贴方向应正确,符合设计和规范要求。
专业工长、施工单位检查评定结果、施工班组长、项目专业质量检查员和监理工程师都应进行监督和验收。
在屋面防水处理中,旧防水层应按要求铲除完成,基层应清理干净,无杂质。
隐蔽验收应进行,施工单位、质检员、施工员、监理工程师和建设单位项目专业技术负责人都应参与验收。
在屋面找平层工程中,材料质量及配合比、排水坡度、表面质量和表面平整度都应符合规范要求。
砂浆厚度也应符合要求。
施工单位、分包单位、项目经理和监理工程师都应进行检查评定和验收。