040202_屋面找平层检验批质量验收记录表
- 格式:xls
- 大小:24.00 KB
- 文档页数:4
屋面找平层检验批质量验收记录表GB50207-2002040102040202单位(子单位)工程名称单位(子单位)工程名称 “天河商务港”续建项目“天河商务港”续建项目分部(子分部)工程名称分部(子分部)工程名称 屋面工程屋面工程验收部位验收部位 5F 屋面屋面施工单位施工单位贵州省安顺市实力建筑工程有限公司贵州省安顺市实力建筑工程有限公司项目经理项目经理施工执行标准名称及编号施工执行标准名称及编号 《屋面工程质量验收规范》GB50207—2002施工质量验收规范的规定施工质量验收规范的规定施工单位检查评定记录施工单位检查评定记录监理(建设)单位验收记录位验收记录主控项目1 材料质量及配合比材料质量及配合比设计要求设计要求2 排水坡度排水坡度设计要求设计要求一般项目1 交接处和转角处细部处理交接处和转角处细部处理 第4.1.9条2 表面质量表面质量 第4.1.10条3 分格缝位置和间距分格缝位置和间距 第4.1.11条4表面平整度允许偏差表面平整度允许偏差5mm施工单位检查评定结果施工单位检查评定结果专业工长(施工员)施工班组长施工班组长主控项目全部合格,一般项目满足规范规定要求,检查评定结果为合格。
果为合格。
项目专业质量检查员:项目专业质量检查员:年 月 日 监理(建设)监理(建设)单位验收结论单位验收结论单位验收结论专业监理工程师:专业监理工程师:(建设单位项目专业技术负责人): 年 月 日376040102040202单位(子单位)工程名称单位(子单位)工程名称 “天河商务港”续建项目“天河商务港”续建项目分部(子分部)工程名称分部(子分部)工程名称 屋面工程屋面工程验收部位验收部位 6F 屋面屋面施工单位施工单位 贵州建工集团第五建筑工程有限责任公司贵州建工集团第五建筑工程有限责任公司 项目经理项目经理 分包单位分包单位贵州省安顺市实力建筑工程有限公司贵州省安顺市实力建筑工程有限公司分包项目经理分包项目经理施工执行标准名称及编号施工执行标准名称及编号 《屋面工程质量验收规范》GB50207—2002施工质量验收规范的规定施工质量验收规范的规定施工单位检查评定记录施工单位检查评定记录监理(建设)单位验收记录位验收记录主控项目1材料质量及配合比材料质量及配合比设计要求设计要求 √2 排水坡度排水坡度设计要求设计要求√ 一般项目1 交接处和转角处细部处理交接处和转角处细部处理 第4.1.9条√ 2 表面质量表面质量 第4.1.10条 √ 3 分格缝位置和间距分格缝位置和间距 第4.1.11条 √4表面平整度允许偏差表面平整度允许偏差5mm2 2 53 1 2 13 4 3施工单位检查评定结果施工单位检查评定结果专业工长(施工员)施工班组长施工班组长主控项目全部合格,一般项目满足规范规定要求,检查评定结果为合格。
屋面找平层检验批质量验收记录表
GB 50207-2002
单位 ( 子单位 ) 工程名称
分项工程名称
验收部位
总承包施工单位项目负责人
专业承包施工单位项目负责人
施工执行的技术标准名称
及编号
监理 ( 建设) 施工质量验收规范的规定施工单位检查评定记录单位验收记
录
主 1 材料质量及配合比设计要求
控
项
2
目排水坡度设计要求
1 交接处和转角处细部处理第4.1.9 条
一 2 表面质量第4.1.10 条
般
项
3 第4.1.11 条
目分格缝位置和间距
4 表面平整度允许偏差5mm
专业工长 ( 施工员 ) 签名施工班组长签名专业承包施工单位
检查评定结果
监理 ( 建设) 单位验收结论
总承包施工单位
项目专业质量检查员(签名):年月日
专业监理工程师 ( 签名 ):
年月日( 建设单位项目专业技术负责人签名):
专业承包施工单位项目专业质量检查员(签名):年月日。
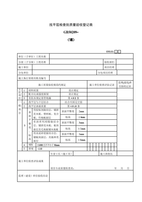
找平层检查批质量验收登记表
GB50209-
(Ⅷ)
030101 单位(子单位)工程名称
分部(子分部)工程名称验收部们施工单位项目经理分包单位分包项目经理施工执行原则名称及编号
施工质量验收规范旳规定施工单位检查评估记录监理(建设)单位验收记录
主控项目1 材料质量设计规定
2 配合比或强度级别设计规定
3 有防水规定套管地漏第4.9.8条
一般项目1 找平层与下层结合结合牢固无空鼓
2 找平层表面质量第4.9.10条
3
表
面
平
整
度
、
标
高
用胶粘剂做结层,铺拼
花木板、塑料板、复合
板、竹地板面层
表面平整度2mm
标高±4mm 有沥青玛脂做结合
层,铺拼花木板,板块
面层及毛地板铺木地板
表面平整度3mm
标高±5mm 用水泥砂浆做结合层,
铺板块面层,其她种类
面层
表面平整度5mm
标高±8mm
4 坡度2/1000且不不小于30mm
5 厚度<1/10
施工单位检查评估成果
专业工长(施工员)施工班组长
`
项目专业质量检查员:年月日监理(建设)单位验收结论。
屋面找平层检验批质量验收记录表GB50207-2002
屋面保温层检验批质量验收记录表GB50207—2002
卷材防水层检验批质量验收记录表
GB50207-2002
细部构造检验批质量验收记录表GB50207-2002
GB50207-2002
屋面找平层检验批质量验收记录表
GB50207-2002
涂膜防水层检验批质量验收记录表
GB50207—2002
04003
细部构造检验批质量验收记录表GB50207—2002
细石混凝土防水层检验批质量验收记录表
GB50207—2002
密封材料嵌缝检验批质量验收记录表GB50207—2002
细部构造检验批质量验收记录表GB50207—2002
平瓦屋面检验批质量验收记录表GB50207—2002
油毡瓦屋面检验批质量验收记录表
GB50207-2002
金属板材屋面检验批质量验收记录表
GB50207-2002
细部构造检验批质量验收记录表GB50207—2002
架空屋面检验批质量验收记录表GB50207—2002
蓄水、种植屋面检验批质量验收记录表GB50207—2002
蓄水、种植屋面检验批质量验收记录表GB50207-2002。
找平层检验批质量验收记录表GB50209-2002(Ⅷ)、标高有沥青玛脂做地结合层,铺拼花木板,板块面层及毛地板铺木地板表面平整度❍❍标高±❍❍用水泥砂浆做结合层,铺板块面层,其他种类面层表面平整度❍❍合 格 (√)标高±❍❍合 格 (√)坡度且不大于 ❍❍厚度 施工单位检查评定结果专业工长(施工员)施工班组长 主控项目全部合格,一般项目满足规范规定要求。
项目专业质量检查员: 年 月 日监理(建设)单位验收结论专业监理工程师(建设单位项目专业技术负责人): 年 月 日说明: 主控项目:①找平层采用碎石的粒径不大于其厚度的 ,含泥量不大于 ;砂为中砂,其含泥量不大于 。
观察检查和检查检测报告。
②水泥砂浆体积比或水泥混凝土强度等级,符合要求。
水泥混凝土强度等级不应小于 。
观察检查和检查配合比单及检测报告。
③有防水要求地面的立管、套管、地漏处严禁渗漏,坡向应正确、无积水。
观察检查和蓄水、泼水检验及坡度尺检查。
一般项目:①找平层与其下一层结合牢固,不得有空鼓。
用小锤轻击检查。
②表面应密实,不得有起砂蜂窝和裂缝等缺陷。
观察检查。
③表面允许偏差,应按本规范表 中的检验方法检验。
找平层检验批质量验收记录表☝(Ⅷ)单位(子单位)工程名称长沙市中心医院胸科中心综合楼分部(子分部)工程名称建筑地面验收部位一 层施 工 单位湖南省沙坪建筑有限公司项目经理雷德军分 包 单位分包项目经理施工执行标准名称及编号《建筑地面工程施工质量验收规范》☝— 施工质量验收规范的规定施工单位检查评定记录监理☎建设✆单位验收记录主控项目 材料质量设计要求符合设计要求 配合比或强度等级设计要求符合设计要求有防水要求套管地漏第 条合 格 (√)一般项目 找平层与下层结合结合牢固无空鼓合 格 (√)找平层表面质量第 条合 格 (√)表面平整度、标高用胶粘剂做结层,铺拼花木板、塑料板、复合板、竹地板面层表面平整 度❍❍标 高±❍❍有沥青玛脂做地结合层,铺拼花木板,板块面层及毛地板铺木地板表面平整 度❍❍标高±❍❍用水泥砂浆做结合层,铺板块面层,其他种类面表面平整度❍❍合 格 (√)说明: 主控项目:①找平层采用碎石的粒径不大于其厚度的 ,含泥量不大于 ;砂为中砂,其含泥量不大于 。
屋面找平层检验批质量验收记录表5.22.1 编号:
屋面保温层检验批质量验收记录表5.22.2 编号:
屋面卷材防水层检验批质量验收记录表5.22.3 编号:
屋面涂膜防水层检验批质量验收记录表5.22.4 编号:
屋面细石混凝土防水层检验批质量验收记录
屋面密封材料嵌缝检验批质量验收记录表5.22.6 编号:
平瓦屋面检验批质量验收记录表5.22.7 编号:
油毡瓦屋面检验批质量验收记录表5.22.8 编号:
金属板材屋面检验批质量验收记录表5.22.9 编号:
屋面工程细部构造检验批质量验收记录
架空屋面工程检验批质量验收记录
蓄水种植屋面工程检验批质量验收记录表5.22.12 编号:。
121234主
控
项
目
一
般
项
目
施工单位检查评定结果
项目专业质量检查员:专业工长(施工员)
施工
分格缝位置和间距第4.1.11条表面平整度允许偏差5mm 交接处和转角处细部处理第4.1.9条表面质量第4.1.10条排水坡度设计要求施工质量验收规范的规定
施工单位检查评定记录材料质量及配合比设计要求分包单位
分包项目经理施工执行标准名称及编号
分部(子分部)工程名称
验收部位施工单位
项目经理屋面找平层检验批质量验收记录表
GB50207-2002
单位(子单位)工程名称
监理(建设)单位验收结论
专业监理工程师
(建设单位项目专业技术负责人):
年 月 日施工班组长
录监理(建设)单位验收
记录
经理收部位目经理
年 月 日。