预充电阻计算公式
- 格式:doc
- 大小:28.10 KB
- 文档页数:3
浅谈预充电电阻的基础知识一.预充电电阻的定义在预充电过程中,在充电回路串联预充电电阻,对预充电电流的大小进行限制,避免上电瞬间短路产生的较大充电电流损坏功率器件。
预充电阻最常用于电源、变频器、电梯、舞台音响及高端设备行业。
它与高压接触器配合在新能源电动汽车行业有广泛的应用。
二.预充电电阻的作用预充电阻的作用就是限流。
电池前端都有较大的电容C,若无预充电,主继电器直接与电容C接通,此时电池电压较高,而电容C 上电压接近为0,此时相当于瞬间短路,负载电阻为导线和继电器触点电阻,电阻值很小,根据欧姆定律可知,电压大,电阻小,显然瞬间电流可达上万安培。
此时主继电器肯定会损坏。
加入预充过程,主继电器先断开,预充继电器和预充电阻构成的预充回路先接通,电阻值会在30Ω以上,回路电压假设在300V,此时回路电流最大也就10A,预充继电器容量子10A以上,预充回路安全。
三.预充电电阻损坏的原因预充电电阻仅允许短时间流过小电流,持续进行预充电过程,或者在运行状态下预充电回路通过额定负载电流,都会造成预充电电阻发热量过大而烧毁,因此电阻损毁的原因可能有以下几点:1.待机状态时进线电网电压波动大,造成母线电压波动,导致预充电过程持续进行,预充电电阻上不断有电流流过,长时间发热造成损坏;2.设备频繁上电、断电,或在已经报欠电压情况下,频繁多次复位启动,预充电电阻持续工作,长时间发热造成损坏;3.多台AC/AC设备共用一台制动单元,造成共母线。
当任意一台先上电时,相当于一组充电电阻对多个电容组充电,会造成预充电电流过大;4.预充电电阻通过负载电流:书本型设备,预充电继电器损坏,线圈通电后没有闭合,预充电电阻在设备运行时仍然工作;或装机装柜型设备,运行状态下可控硅发生触发故障,负载电流流过预充电回路。
5.另外,如果直流母线上并联的器件如果发生故障(比如制动单元故障误动作、或制动单元器件内部发生短路),导致母线正负短接,形成闭合回路(2个预充电电阻+1个制动电阻),就会烧毁预充电电阻。
干货:预充电路与预充电阻选型2020-03-27 11:40功率电阻是用于承受和消耗大量的功率,它们由具有高导热性的材料制成,可实现高效冷却。
它们通常设计为与散热器耦合,以便能够消耗大量功率。
对于预充电阻器,常见的类型如下图中的两种,都是常见的金属铝壳电阻;这两种电阻属于功率电阻中的线绕电阻。
干货:预充电路与预充电阻选型绕线电阻通常是在棒状陶瓷绝缘基体或其他绝缘基体上面绕制电阻丝,电阻丝为镍铬或锰铜等合金材料,电阻丝的两端连接固定引脚,电阻丝通常涂有非导电涂料,外围使用不同的封装材料封装(例如铝壳封装)。
铝壳封装的绕线电阻目前很普遍,其散热能力很强,所以一般适用于大功率应用的场合。
还有一种大家熟悉的陶瓷封装的绕线电阻,我们更习惯称之为水泥电阻,不过没有前者频繁用做预充电阻。
干货:预充电路与预充电阻选型在预充电阻选型前,我们首先要清楚地了解使用工况及参数要求,归纳如下:1、高压电池电源输出电压2、继电器的额定电流3、母线电容容值4、启动时可能的最高环境温度5、电阻的温升要求6、电容预充所需达到的电压7、达到充电电压时所需的时间8、单次脉冲还是连续脉冲?9、如果是连续脉冲,电阻能抵抗连续脉冲的次数和脉冲的间隔时间分别是?10、电池被滥用时,要求电阻保持正常工作状态持续的时间11、电阻的安装结构和接线方式12、绝缘电压的要求在了解以上参数后就需要做一些基本的计算。
通常情况下预充电被要求在300ms到500ms内完成,在这么短的时间内,电流通过电阻丝或电阻体所产生的高热量来不及被电阻的骨架吸收,电阻丝或电阻体本身将不得不承担绝大部分脉冲的能量。
所以我们要先计算启动时的脉冲能量,然后再选择合适的电阻方案。
如果是单个脉冲,能量计算如下:干货:预充电路与预充电阻选型如果是连续脉冲,当脉冲的间隔时间很短(比如小于1s)时,实际应用中耗散能量的比例很小,我们一般可以用线性累积来计算总的脉冲能量。
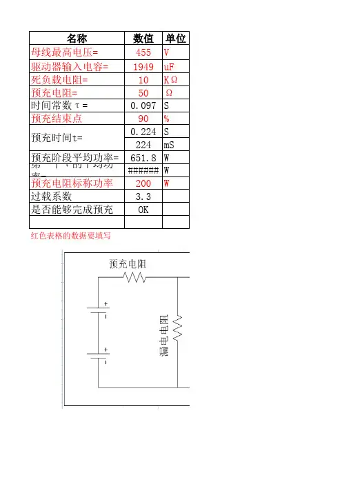
干货:预充电路与预充电阻选型总能量=单个脉冲能量x连续脉冲数量然后再确定一下预充电阻的阻值:干货:预充电路与预充电阻选型T = RC * Ln[(Us - U0)/( Us - Vt)]其中:T=预充电时间R=预充电阻C=负载端电容Us=电池包电压U0=负载端闭合高压前的电压(可表示为0)Ut=预充结束时负载端电压一般来说,Ut选择为总电压Us的90%或者95%,这里认为是90%,所以公式可以表示如下:T = RC * Ln10则R = T / (C * Ln10)接下来举一个预冲电阻具体的例子:假设整车中,电池的电压为Us=400V,负载电容C=1000uF,要求的充电时间为500ms,即在500ms后,电容充电到90%*Us,即Ut=360V,那么据此来计算预充电阻R的阻值。
预充电阻计算公式预充电阻是在电气控制系统中经常使用的一个元件,它通常被用于限制大电流通过电动机等负载设备,当设备启动时。
预充电阻的作用在于通过限制电流来降低电动机等设备在启动时的起动冲击,以防止电流瞬间过大而引起电气设备或电路的损坏。
另外,预充电阻还能延长电动机的使用寿命,提高设备的可靠性。
为了计算预充电阻的数值,我们需要通过以下公式来计算:R=(V-Vs)/Ia其中,R为预充电阻的阻值,V为电源电压,Vs为设备的工作电压,Ia为预充电电流。
首先,我们需要确定电源电压和设备的工作电压。
在一般情况下,电源电压通常取额定电压值,即电气设备所使用的额定电压。
而设备的工作电压则是指设备正常工作时的电压。
其次,我们需要确定预充电电流。
预充电电流的大小取决于设备内部电容的充电速度。
一般而言,预充电电流应该保持在设备的额定电流的百分之五至百分之十之间。
如果不清楚设备的额定电流,可以通过设备的额定功率和额定电压来计算。
在计算之前,我们还需要确定预充电电阻的功率等级。
预充电电阻的功率等级应该大于等于设备的额定功率。
一般而言,电阻的功率等级可以通过以下公式来计算:P=(V-Vs)*Ia最后,根据上述公式,我们可以计算出预充电阻的阻值。
预充电阻的阻值应该是一个标准值,可以在电阻手册中找到最接近的值进行选择。
预充电阻的接线方式通常采用串联接法。
其原理是将预充电阻与电源和设备串联,在设备启动时通过预充电阻来限制电流,待设备启动后,预充电阻将不再起作用。
需要注意的是,在实际应用中,预充电阻不仅仅是一个器件,它也需要由合适的继电器或控制器来控制。
通过控制继电器或控制器的状态,可以实现在设备运行过程中自动切换或绕过预充电阻。
总之,预充电阻在电气控制系统中起到了重要的作用,通过计算预充电阻的阻值和功率等级,并正确接线和控制,可以保护电气设备和电路,延长设备的使用寿命,提高电气系统的可靠性。
电容两端电压: Uc(t)=Us(1-e-t/RC)
电容充电电流I=C(du)/(dt)= C Us d(1- e-t/RC)/ d t= C Us e-t/RC
那么电阻的瞬时功率: P(t)=I2R= C2 Us2R e-2t/RC
电阻损耗: W=∮t0Pdt=∮t0I2Rdt= C2 Us2R( 1-0.5e-2t/RC)
电阻平均功率:P=C2 Us2R( 1-0.5e-2t/RC)/t
当t= RC时,电容电压=0.63 Us;
当t= 2RC时,电容电压=0.86 Us;
当t= 3RC时,电容电压=0.95 Us;
当t= 4RC时,电容电压=0.98 Us;
当t= 5RC时,电容电压=0.99 Us;可见,经过3~5个RC后,充电过程基本结束。
而一般金属壳电阻(铝壳电阻)的最大的负载功率为额定功率的10倍,所以选择电阻额定功率时一般按照平均功率来选型.
即:额定功率>平均功率&最大负载功率>最大的瞬时功率
一般情况下电阻的阻值在15~100Ω,功率在100~150W以内比较合适.
VPI预充电阻: 15Ω,120W 预充时间200ms 最大电压:394V 电阻最大功率:10345W,预充过程消耗的能量311J
4代预充电阻:15Ω,120W 预充时间200ms 最大电压:360V 电阻最大功率:8640W,预充过程消耗的能量260J
5代预充电阻:100Ω100W 预充时间1s 最大电压:377V 电阻最大功率:1421W,预充过程消耗的能量214J
火车项目电阻:40Ω,800W,预充时间1.8S,电容15mF,最大电压1095V,电阻最大功率:27046W,预充过程消耗能量为8113J。
阻容充电计算公式阻容充电是一种电路充电方式,它包含一个电阻和一个电容器。
在这种方式下,电压在电容器上逐渐充电,直到达到输入电压的一些百分比。
阻容充电的计算公式涉及电阻值、电容值、输入电压和所需充电百分比等参数。
阻容充电的基本公式为:V(t)=V0*(1-e^(-t/RC))其中,V(t)表示电容器上的电压随时间变化的函数,V0表示输入电压,t表示已充电时间,R表示电阻值,C表示电容值。
这个公式可以解释为,电压V(t)是一个指数函数,随着时间的增加而逐渐接近输入电压V0。
其中指数函数的底数为e,这是一个常数,约等于2.718这个公式可以通过微积分推导得出,但不必深入解释。
我们可以通过这个公式来计算电容器充电的过程。
下面是一个例子:假设我们有一个电阻为100Ω,电容为100μF的电路,输入电压为10V,我们想要计算在这个电路中,电容器充电至输入电压的60%所需的时间。
首先,我们需要把百分比转换为小数,即60%=0.6然后,我们把这些值带入公式:0.6=1-e^(-t/RC)接下来,我们对这个方程两边进行一些变换:e^(-t/RC)=0.4然后,我们可以对方程两边取自然对数(以e为底的对数):ln(e^(-t/RC)) = ln(0.4)由于自然对数的性质,我们可以把指数移到对数前面:-t/RC * ln(e) = ln(0.4)由于ln(e)等于1,我们可以消去这一项:-t/RC = ln(0.4)接下来,我们用-RC除以方程两边:t = -RC * ln(0.4)现在,我们可以带入具体的数值计算结果:t = -100Ω * 100μF * ln(0.4)所以,在以上给定的条件下,电容器充电至输入电压的60%所需要的时间为9162.9μs。
这就是阻容充电的计算公式和一个实际的计算例子。
希望以上内容对您有所帮助!。
预充电阻设计参数预充电阻是电子电路中常见的一个元件,用于对电容进行预充电,以避免在电路启动时产生大电流冲击。
预充电阻的设计参数对电路的性能和稳定性有着重要的影响。
本文将从几个方面介绍预充电阻的设计参数及其影响。
首先是预充电阻的阻值。
预充电阻的阻值决定了电路启动时的预充电时间和电路的稳定性。
通常情况下,预充电阻的阻值应该大于电容的额定电阻,以确保电路能够正常启动。
如果预充电阻的阻值过小,电路启动时会产生较大的电流冲击,可能损坏电路元件;如果阻值过大,预充电时间会过长,影响电路的启动速度。
因此,在设计预充电阻时需要根据具体的电路要求选择合适的阻值。
其次是预充电阻的功率。
预充电阻在电路启动时会消耗一定的功率,因此需要根据电路的功率需求选择合适的预充电阻功率。
如果预充电阻的功率过小,可能会导致预充电阻过热甚至烧毁;如果功率过大,则会增加电路的成本和体积。
在选择预充电阻的功率时,需要考虑电路的最大功率和额定功率,并选择一个合适的功率值。
预充电阻的温度系数也是设计参数中需要考虑的因素之一。
温度系数是指预充电阻的阻值随温度变化的程度。
在工作温度范围内,预充电阻的温度系数越小,电路的稳定性越好。
因此,在选择预充电阻时,需要注意其温度系数,并选择一个温度系数较小的预充电阻。
预充电阻的尺寸和安装方式也是需要考虑的设计参数。
预充电阻的尺寸和安装方式需要根据电路的空间限制和安装要求选择合适的尺寸和安装方式。
一般来说,预充电阻的尺寸越小越好,这样可以减小电路的体积。
安装方式可以选择表面贴装或插件式,根据具体的应用场景选择合适的方式。
预充电阻的材料也是影响设计参数的因素之一。
预充电阻的材料可以选择金属膜电阻、碳膜电阻、金属氧化物膜电阻等。
不同材料的预充电阻具有不同的特性,选择合适的材料可以提高电路的性能和稳定性。
预充电阻的设计参数包括阻值、功率、温度系数、尺寸、安装方式和材料等。
在设计预充电阻时,需要根据电路的要求和应用场景选择合适的参数,以确保电路的正常启动和稳定性。
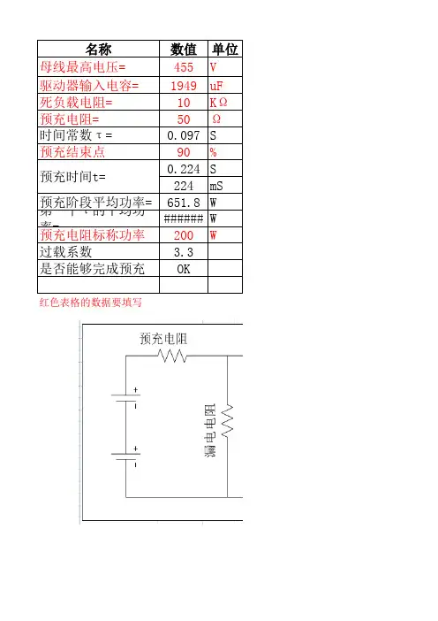
• 134•在变频器,汽车电控系统,电机控制器,电池管理系统等等电子设备内,直流母线上必须设计预充电电路,以吸收脉冲电流保护线路。
而此设计的原理为:在直流母线上存在大电容的电路内,电容并联在电源两端,在瞬间上电时,电容两端没有电荷,只有很低的残留电压,上电时电压不能突变,而电流会发生突变,相当于电容直接短路,从而导致电路的短路。
如果此时没有预充电线路的参与,短路的大电流会对桥堆芯片等其他元件造成不可逆损伤,导致元件失效。
所以,预充电电路的存在,吸收了上电瞬间的短路能量,限制了上电短路电流,保护了其他元件。
那么,在预充电电路中,根据充放电时序周期及电压电容大小,作为吸收脉冲使用的电阻又如何选型呢?接着,我们看以下预充电电路内电阻设计选型的实例。
以下为客户设计的预充电线路:项目:预充电电路内电阻试验验证策划应用耐久性需求:(1)将试验电阻、恒压源等按照图1进行连接;(2)恒压源U =420V ;DUT 为试验电阻;Rd 为放电电阻(确保1S 内电容放电完成);S 1、S 2为开关;(3)S 1、S 2开关时序如图2所示;t 1=200ms ;t 2=1S ;5000个循环;(4)在预充电阻表面记录温升;针对以上客户要求,我们设计了该预充电电路电阻的设计选型及验证。
1 电阻设计选型的思路及步骤根据以上电路要求,我们得到以下信息:母线输入为420VDC 电压,母线电容值1000uF ,DUT 电阻充电时序为:通200ms ,断1s ,循环次数连续脉冲5000次,电阻体温升需要低于300℃,测试后电阻外壳无开裂现象,电阻阻值变化率小于5%。
在预充电电路内,电阻选型时我们需要按照两种脉冲情况来参考设计,即线路内单一脉冲能量冲击和多次循环脉冲能量冲击的情况。
在单一脉冲能量冲击的情况下,因为在极短的时间内,线路中能量集中释放,这些脉冲能量必须瞬间通过电阻吸收,所以电阻必须有很强的抗脉冲能力。
此项可以通过计算得出量化数据,首先根据线路测试条件计算得到电阻的阻值,再通过参考电阻功率曲线得到电阻功率等等电阻性能参数。
新能源汽车中预充电阻的选型及分析最近几年,新能源汽车在中国得到迅猛发展。
由于其高效、节能、低噪声、无污染等特点,它已成为国内外汽车工业发展的新趋势。
虽然应用在新能源汽车上的电源、驱动以及控制系统在理论上与工业中的应用没有太大区别,但由于汽车在不同工况环境下对安全性、稳定性、可靠性等方面都有极高要求,这就使得电动汽车在电路设计和所使用的元器件选型上要做更加全面和认真的考量。
作为电动汽车动力部分的电池管理系统,它的安全性、可靠性、稳定性无疑是整车性能的关键。
本文针对电池管理系统中预充电阻的选型作以下分析和讨论。
什么是预充电阻?简单的说就是上电初期电源要向电容充电,如果不加以限制,充电电流过大,会对继电器、整流器件和待充电容造成较大冲击,所以用电阻限流,这里用到的电阻就是预充电电阻。
新能源汽车的电池管理系统都会涉及高压预充环节,这是因为电机控制器(就是我们常说的逆变器)都带有较大的母线电容。
冷态启动无预充电情况下,如主继电器直接接通,电池高压将直接加载到空的母线电容上,相当于瞬间短路,极大的瞬间电流会损坏继电器。
加入预充电阻后,通过预充电回路先将母线电容进行预充电,这样主电路接通时的电流就可以控制在安全的范围内,确保系统正常运行。
我们可以从以上介绍了解到,预充电电阻是电池管理系统中不可或缺而且十分关键的器件。
那么针对此应用我们应该如何分析及如何选择合适的电阻呢?在电阻选型前,我们首先要清楚地了解使用工况及参数要求,归纳如下:⚫高压电池电源输出电压⚫继电器的额定电流⚫母线电容容值⚫启动时可能的最高环境温度⚫电阻的温升要求⚫电容预充所需达到的电压⚫达到充电电压时所需的时间⚫单次脉冲还是连续脉冲?如果是连续脉冲,电阻能抵抗连续脉冲的次数和脉冲的间隔时间分别是?⚫电池被滥用时,要求电阻保持正常工作状态持续的时间⚫电阻的安装结构和接线方式⚫绝缘电压的要求在了解了详细工况和参数后就需要做一些基本的计算。
通常情况下预充电被要求在500ms内完成,在这么短的时间内,电流通过电阻丝或电阻体所产生的高热量来不及被电阻的骨架吸收,电阻丝或电阻体本身将不得不承担绝大部分脉冲的能量。
动力电池高压电气设计规范制定:日期审核: 日期会签: 日期批准: 日期分发部门及份数:文件变更记录1. 目的为建立健全公司技术资料,总结和完善设计开发经验,指导和规范设计人员工作标准化、规范化,提高产品开发质量和竞争力,建立动力电池高压电气设计规范,为实现产品快速准确的设计和评估提供依据。
2. 适用范围适用于汽车类(HEV、PHEV、BEV、EBUS等)锂离子电池包内高压电气设计及测试。
3. 职责与权限3.1 电池系统开发部:负责该规范的编写和更新。
3.2 品质保证部:负责规范的受控、发行和管理。
4. 术语和定义额定电流:额定电流是指,用电设备在额定电压下,按照额定功率运行时的电流,是电气设备长期连续工作时允许的电流。
峰值电流:最大荷载时的电流值浪涌电流:指电源接通瞬间,流入电源设备的峰值电流。
击穿电压:使电介质击穿的电压绝缘电阻:绝缘物在规定条件下的直流电阻,加直流电压于电介质,经过一定时间极化过程结束后,流过电介质的泄漏电流对应的电阻称绝缘电阻。
耐压:样品不会发生击穿、闪络时施加在样品两端的电压等电位:在一个带电线路中如果选定两个测试点,测得它们之间没有电压即没有电势差,则我们就认定这两个测试点是等电势的,它们之间也是没有阻值的。
X电容:X电容接在输入线两端用来消除差模干扰Y电容:Y电容接在输入线和地线之间,用来消除共模干扰过流保护:当电流超过预定最大值时,使保护装置动作的一种保护方式。
短路保护:对供电系统中不等电位的导体在电气上短接产生的短路故障进行的保护。
5. 模组/系统设计电气要求5.1.电气间隙和爬电距离1、正常使用无电解液泄漏风险的,电气间隙和爬电距离应满足GB/T16935.1的要求,常用电压平台如下:电压平台材料组别污染等级海拔高度电气间隙爬电距离450VI 600≤CTI 3≤2000m 2.06.3II 400≤CTI﹤600 3 7.1 IIIa 175≤CTI﹤400 38 IIIb 100≤CTI﹤175 3750VI 600≤CTI 32.510(9)II 400≤CTI﹤600 3 11(9.6)IIIa 175≤CTI﹤400 3 12.5(10.2)IIIb 100≤CTI﹤175 3 不适用1000VI 600≤CTI 33.012.5(10.2)II 400≤CTI﹤600 3 14(11.2)IIIa 175≤CTI﹤400 3 16(12.8)IIIb 100≤CTI﹤175 3 不适用2、如有电解液泄漏可能的,爬电距离应满足:带电端子间:爬电距离大于0.25U+5mm U:最大工作电压带电端子与可导电外壳间:爬电距离大于0.125U+5mm U:最大工作电压电气间隙大于2.5mm5.3.绝缘电阻模组/系统的总正/总负对可导电外壳或布置在不导电外壳表面电极的绝缘电阻在达到露点的测试条件下应满足大于100欧姆/V,在干燥情况下应至少满足1M欧姆/V.jd5.4.耐压模组/系统的总正/总负对可导电外壳或布置在不导电外壳表面电极施加2U+1000V 50-60HZ的交流电压,持续时间1min,期间不发生击穿或电弧现象且漏电流应小于0.1mA。
预充电阻选型计算预充电电阻是在电力系统中常用的一种电阻器,用于限制电流的突变和起动时的过电流。
在电气设备的运行过程中,预充电电阻的选型是非常关键的,它直接影响着设备的性能和安全。
我们需要了解预充电电阻的作用和原理。
预充电电阻主要用于控制电路中的充电电流,避免设备起动时电流突变过大,对设备和电网造成冲击。
在一些大型设备的起动过程中,由于设备负载较大,电流突变会导致电网电压降低,甚至引起设备损坏。
而通过使用预充电电阻,可以在设备起动时通过限制电流的增长来避免这种情况的发生。
在进行预充电电阻选型计算时,我们需要考虑以下几个因素:1. 预充电时间:预充电时间是指设备充电过程中所需的时间。
一般来说,预充电时间应根据设备的要求进行确定。
如果预充电时间过短,可能导致电流突变过大,对设备造成损害。
而预充电时间过长,则会延长设备的起动时间。
2. 预充电电阻值:预充电电阻值是通过计算得出的,其大小直接影响预充电电流的大小。
一般来说,预充电电阻的阻值应该根据设备的额定电流和电压来确定。
如果电阻值过小,预充电电流将无法有效限制,可能导致电流突变过大;而电阻值过大,则会使预充电时间过长,影响设备的起动效果。
3. 额定功率:预充电电阻的额定功率是指电阻器可以持续工作的最大功率。
在选型过程中,我们需要根据设备的额定功率来选择合适的预充电电阻。
如果电阻器的额定功率小于设备的额定功率,可能导致电阻器过热甚至烧毁。
4. 环境温度:环境温度是影响预充电电阻工作的重要因素之一。
在高温环境下,电阻器的散热能力会受到限制,容易造成电阻器过热。
因此,在选型过程中需要考虑设备所处环境的温度条件,选择适合的电阻器。
预充电电阻的选型计算需要结合设备的要求和环境条件进行综合考虑。
通过合理选择预充电电阻的阻值、预充电时间、额定功率和适应的环境温度,可以有效地限制电流的突变,保护设备和电网的安全运行。
在实际应用中,我们可以通过查阅电阻器的参数手册或者与电阻器厂家进行咨询,获取合适的预充电电阻选型信息。
储能电池簇预充电阻储能电池簇预充电阻是指在储能电池簇充电过程中,为了控制电流的大小和稳定性而采用的一种电阻。
其主要作用是限制充电电流,防止电池簇在充电过程中出现过大的电流冲击,从而保护电池簇的安全性和使用寿命。
储能电池簇是由多个电池组成的,其容量和电压通常较大。
在充电时,如果没有预充电阻的限制,电池簇会吸收过大的电流,导致充电电流过大,可能会引起电池簇内部的温度升高,甚至引发热失控的情况。
此外,过大的充电电流也会对电池簇的寿命造成损害,缩短其使用寿命。
因此,在储能电池簇的充电系统中引入预充电阻是非常必要的。
预充电阻一般安装在电池簇与充电设备之间,起到限制充电电流的作用。
当充电开始时,预充电阻会起到一个阻碍电流通过的作用,限制充电电流的大小。
随着充电时间的增加,预充电阻的阻值逐渐减小,充电电流也逐渐增大。
这样可以有效地控制充电电流的大小和稳定性,避免电流过大对电池簇造成损害。
预充电阻的阻值一般根据具体的储能电池簇的特性和充电要求来确定。
一般情况下,预充电阻的阻值应该根据电池簇的最大充电电流来确定,以保证充电电流不会超过电池簇的额定值。
同时,预充电阻的功率也需要根据充电电压和充电电流来计算,以保证预充电阻在充电过程中不会过热。
除了限制充电电流,预充电阻还可以起到平衡电池簇的作用。
由于电池簇中的电池有可能存在一定的差异,充电时可能会导致某些电池充电过程过快,而其他电池充电过慢,从而导致电池的不平衡。
而预充电阻通过限制充电电流的大小,可以让电池簇中的电池充电速度趋于一致,从而提高电池簇的整体性能和使用寿命。
在实际应用中,预充电阻的选择和设计需要根据具体的储能电池簇的要求来进行。
一般情况下,需要考虑电池簇的额定电压、额定电流、充电速度和使用环境等因素来确定预充电阻的阻值和功率。
此外,预充电阻的材料和结构也需要考虑,以保证其在充电过程中的工作稳定性和可靠性。
储能电池簇预充电阻在储能电池簇的充电系统中起到了重要的作用。
电容两端电压: Uc(t)=Us(1-e-t/RC)
电容充电电流I=C(du)/(dt)= C Us d(1- e-t/RC)/ d t= C Us e-t/RC
那么电阻的瞬时功率: P(t)=I2R= C2 Us2R e-2t/RC
电阻损耗: W=∮t0Pdt=∮t0I2Rdt= C2 Us2R( 1-0.5e-2t/RC)
电阻平均功率:P=C2 Us2R( 1-0.5e-2t/RC)/t
当t= RC时,电容电压=0.63 Us;
当t= 2RC时,电容电压=0.86 Us;
当t= 3RC时,电容电压=0.95 Us;
当t= 4RC时,电容电压=0.98 Us;
当t= 5RC时,电容电压=0.99 Us;可见,经过3~5个RC后,充电过程基本结束。
而一般金属壳电阻(铝壳电阻)的最大的负载功率为额定功率的10倍,所以选择电阻额定功率时一般按照平均功率来选型.
即:额定功率>平均功率&最大负载功率>最大的瞬时功率
一般情况下电阻的阻值在15~100Ω,功率在100~150W以内比较合适.
VPI预充电阻: 15Ω,120W 预充时间200ms 最大电压:394V 电阻最大功率:10345W,预充过程消耗的能量311J
4代预充电阻:15Ω,120W 预充时间200ms 最大电压:360V 电阻最大功率:8640W,预充过程消耗的能量260J
5代预充电阻:100Ω 100W 预充时间1s 最大电压:377V 电阻最大功率:1421W,预充过程消耗的能量214J
火车项目电阻:40Ω,800W,预充时间1.8S,电容15mF,最大电压1095V,电阻最大功率:27046W,预充过程消耗能量为8113J
欢迎您的下载,
资料仅供参考!
致力为企业和个人提供合同协议,策划案计划书,学习资料等等
打造全网一站式需求。