南瑞保护装置查看报文
- 格式:docx
- 大小:37.73 KB
- 文档页数:3
如何识读继电保护定值通知单继电保护装置是电网安全运行的保障,也是电网安全稳定“三道防线”(第一道防线:由性能良好的继电保护装置构成,确保快速、正确地切除电力系统的故障元件。
第二道防线:由电力系统安全稳定控制系统及切机、切负荷等稳定控制措施构成,确保电力系统安全稳定运行。
第三道防线:由失步解列、频率及电压紧急控制装置构成,采取解列、切负荷、切机等控制等措施,防止系统崩溃,避免出现大面积停电。
)中的第一道防线,所以说确保继电保护定值的正确性及保护装置的可靠性是电网安全的重要任务。
作为一名电网调度员(用户运行值班人员)在本电网运行操作管理中无疑要求对本电网内继电保护装置的运行情况相当了解,除了要熟知本电网继电保护装置的配备及运行情况外,还要会看懂本电网继电保护定值通知单,了解现场设备保护压板执行情况,并且在电网事故开关跳闸时还要学会进行基本的保护动作行为的分析与动作正确性的判断等。
为了让大家对微机继电保护装置有一个基本了解,我们将按照微机保护装置插件组成(实物图)、微机保护定值单的识读、现场保护压板设置及保护动作后的简单行为分析的顺序,与大家一起学习交流。
一、电网微机保护装置的使用情况目前,微机继电保护装置在电网中也得到广泛使用,农网110KV及以上主要设备(含主变压器)微机保护装置型号相对比较统一,主要有:南京南瑞RSC系列、东方电子DF3200系列、国电南自PSC600系列、北京四方CSC系列、美国SEL-311C系列等,农网35KV及以下设备微机保护装置型号很杂,大都为小厂家。
虽然保护厂家很多,保护装置不近相同,但保护原理、插件配置组成、保护压板的设置等基本相同。
微机继电保护装置定值通知单与常规继电器保护定值通知单不同,常规保护定值单整定项目简单,一台主变主、后备保护整定项目1张通知单就完了,而微机保护定值通知单整定项目相对很多、很细,一台主变压器保护整定项目就达10张通知单之多,保护整定项目多和细,使得保护的选择投、停用更加灵活。
深圳南瑞IEC103例子报文1)10 5b 0f 6a 16总控要2级数据2)10 5b 0f 6a 16 在50ms内,总控未收到应答报文。
不改变FCB状态,重发。
3)10 5b 0f 6a 16不改变FCB状态,再次重发。
4)10 40 0f 4f 16复位通讯单元(CU)(FCB、FCV都为0,功能码为0代表CU)…………………………5)10 40 0f 4f 16复位通讯单元(CU)6)10 20 0f 2f 16装置15上电,响应复位通信单元命令,ACD置1请求查询1级数据。
…………………………7)10 7a 0f 89 16总控查询1级数据8)68 15 15 68 28 0f 05 81 04 0f c2 03 03 53 5a 4e 41 52 49 20 20 01 00 01 00 c2 16上送标识厂家自定义发送原因ASCII码:SZNARI装置FUNINF=3为复位通信单元…………………………9)10 5a 0f 69 16总控继续查询1级数据,因ACD为1,且为复位10)68 15 15 68 28 0f 05 81 05 0f c2 04 03 53 5a 4e 41 52 49 20 20 01 00 01 00 c3 16上送标识发送原因重新启动装置FUN, INF=4为重新启动广播校时1) 68 0f 0f 68 44 ff 06 81 08 ff ff 00 77 d7 12 10 1b 08 02 65 16 总控下发广播对时命令发送/时间同步广播地址发送原因时间同步广播时间:02年08月27日16时18分55159ms子站校时1) 68 0f 0f 68 43 01 06 81 08 01 ff 00 71 c8 14 10 1b 08 02 87 16 总控下发子站校时命令操纵域发送/确认帧时间同步子站地址发送原因时间同步时间:02年08月27日16时20分51313ms2) 10 20 01 21 16装置1对子站校时命令确认,ACD置1请求查询1级数据。
Ethereal -抓包、报文分析工具Ethereal 是一种开放源代码的报文分析工具,适用于当前所有较为流行的计算机系统,包括 Unix、Linux 和 Windows 。
主界面如上图,点“抓包配置”按钮,出现抓包配置界面如下图。
在“Interface”中选择网卡,即用来抓包的接口,如果选择错误就不能抓到报文;“Capture packets in promiscuous mode(混杂模式抓包)”是指捕捉所有的报文,如不选中就只捕捉本机的收发报文;如果选中“Limit each packet to xx bytes(限制每个包的大小)”则只捕捉小于该限制的包;抓包时,数据量比较大,解析起来速度慢,可在“Capture Filter(抓包过滤设置“Display Options(显示设置)”中建议选中“Update list of packets in realtime(实时更新抓包列表)”、“Automatic scrolling in live capture(自动滚屏)”和“Hide capture info dialog(隐藏抓包信息对话框)”三项。
抓包配置好就可以点击“Start”开始抓包了。
抓包结束,按“停止”按钮即可停止。
为了快速查看需要的报文,在“Filter”栏中输入过滤条件后按回车键即可对抓到的包进行过滤。
注意“Filter”栏中输入的过滤条件正确则其底色为绿色,错误则其底色为红色。
常用有些报文还可以判断网络的状况,例如输入显示过滤条件tcp.analysis.flags,可以显示丢失、重发等异常情况相关的TCP报文,此类报文的出现频率可以作为评估网络状况的一个标尺。
偶尔出现属于正常现象,完全不出现说明网络状态上佳。
tcp.flags.reset==1。
SYN是TCP建立的第一步,FIN是TCP连接正常关断的标志,RST是TCP连接强制关断的标志。
统计心跳报文有无丢失。
在statistics->conversations里选择UDP,可以看到所有装置的UDP报文统计。
南瑞继保RCS-线路保护装置实验报告————————————————————————————————作者:————————————————————————————————日期:线路保护试验1.本线路保护装置设备表:名称型号RCS-941高压线路成套保护装置额定值DC V AC V A制造厂家南瑞继保电气有限公司出厂日期出厂编号2.常规检查:2.1 装置内外部检查:2.1.1检查二次设备外部应完好无损,外观清洁,并对设备进行清扫。
2.1.2检查保护装置的设备名称、屏上按钮压板名称、控制电缆编号、二次回路端子排号及端子号头应正确完整清晰。
2.1.3检查端子排的连线应接触可靠,端子螺丝紧固。
2.1.4检查保护装置各插件插、拔灵活,接触面光洁无损,各插件和插座之间定位良好。
2.1.5检查装置印刷电路无机械损伤或变形,所有元件的焊接质量良好。
2.1.6检查各插件上集成电路芯片应插紧,型号正确。
2.2检查装置面板上各个按键接触良好,各键功能符合厂家说明,按动按键可进入菜单执行相应操作。
2.3检查打印机与装置联机成功,能够打印保护装置的定值、动作报告等。
2.4整定装置的时钟与实际时间一致,并检查装置时钟的失电保护功能,即装置在失电一段时间情况下,走时仍然准确。
2.5检查装置的定值可以修改并且可保存,定值区号可切换,装置掉电后可以保存已经整定好的定值。
2.6检查装置与GPS对时装置可以实现对时。
3.二次回路绝缘测试:测试项目绝缘电阻值(MΩ)测试项目绝缘电阻值(MΩ)交流电流对地信号回路对地交流电压对地控制回路对地交流电压对交流电流信号回路对控制回路装置电源对地总回路对地注:测绝缘电阻时,施加摇表电压时间不少于5 S,待读数达到稳定时,读取绝缘电阻值,各回路对地绝缘阻值均应大于10MΩ,总回路对地绝缘电阻值大于1.0 MΩ。
弱电回路用500V摇表,强电回路用1000V摇表。
4.保护装置程序版本:装置型号版本号校验码程序时间管理序号5.保护输入接点检查:名称检查结果名称检查结果距离保护合闸位置1零序保护Ⅰ段合闸位置2零序保护Ⅱ段收相邻线零序保护Ⅲ段投距离保护S零序保护Ⅳ段投零序保护Ⅰ段S低周保护投零序保护Ⅱ段S不对称相继速动投零序保护Ⅲ段S双回线相继速动投零序保护Ⅳ段S闭锁重合闸投不对称相继速动S双回线通道试验投双回线相继速动S合后位置投闭锁重合闸S跳闸压力投低周保护S合闸压力对时开入Ⅰ母电压打印开入Ⅱ母电压检修状态跳闸位置信号复归6.保护交流采样检查:6.1零漂检查:6.1.1 DSP零漂检查:Ua(V) Ub(V) Uc(V) Ux(V) Ia(A) Ib(A) Ic(A) Io(A)6.1.2 CPU零漂检查:Ua(V) Ub(V) Uc(V) Ia(A) Ib(A) Ic(A) Io(A)6.2交流电压回路检查:6.2.1 CPU交流电压回路检查:输入电压10.0 20.0 30.0 40.0 50.0 60.0 70.0 Ua(V)Ub(V)Uc(V)6.2.2 DSP交流电压回路检查:输入电压10.0 20.0 30.0 40.0 50.0 60.0 70.0 Ua(V)Ub(V)Uc(V)Ux(V)6.3交流电流回路检查:6.3.1 CPU交流电流回路检查:输入电流0.5 1.0 2.5 4.0 5.0 6.0 10.0 Ia(A)Ib(A)Ic(A)Io(A)6.3.2 DSP交流电流回路检查:输入电流0.5 1.0 2.5 4.0 5.0 6.0 10.0 Ia(A)Ib(A)Ic(A)Io(A)6.4相角显示:加入三相额定电压57.74V,额定电流5A,电压超前电流角度60度,Ux与Ua同相同幅值,装置显示如下:(Ua-Ub)= (Ub-Uc)= (Uc-Ua)= (Ux-Ua)=(Ua-Ia)= (Ub-Ib)= (Uc-Ic)= \7.保护装置定值清单:定值名称试验定值定值名称试验定值电流变化量起动值0.50 A 零序过流Ⅲ段定值 4.00 A 零序起动电流0.50 A 零序过流Ⅲ段时间 1.00 S 负序起动电流0.50A 零序过流Ⅳ段定值 3.00A 零序补偿系数0.85 零序过流Ⅳ段时间 1.50S 振荡闭锁过流元件 5.00 A 零序过流加速段 3.00 A 接地距离Ⅰ段定值 2.73 Ω相电流过负荷定值 2.00A 距离Ⅰ段时间0S 相电流过负荷时间9.00S 接地距离Ⅱ段定值 3.41 Ω低周滑差闭锁定值3Hz/S 接地距离Ⅱ段时间0.50 S 低周低压闭锁定值60V接地距离Ⅲ段定值 4.09 Ω低周保护低频定值49Hz 接地Ⅲ段四边形 4.09 Ω低周保护时间定值1S接地距离Ⅲ段时间 1.00 S TV断线相过流I段定值 5.00 A 相间距离Ⅰ段定值 2.73 ΩTV断线相过流I段时间 1.00S 相间距离Ⅱ段定值 3.41 ΩTV断线相过流II段定值 2.50A 相间距离Ⅱ段时间0.30 S TV断线相过流II段时间 2.00 S 相间距离Ⅲ段定值 4.09 Ω固定角度差定值0.00 相间Ⅲ段四边形 4.09 Ω重合闸时间 1.00 S 相间距离Ⅲ段时间0.60 S 同期合闸角30.00 正序灵敏角79.95 线路正序电抗 3.36 Ω零序灵敏角73.39 线路正序电阻0.60 Ω接地距离偏移角0.00 线路零序电抗11.59 Ω相间距离偏移角0.00 线路零序电阻 3.46 Ω零序过流I段定值 6.00A 线路总长度100.00 KM 零序过流I段时间0.00S 线路编号941零序过流Ⅱ段定值 5.00 A / /零序过流Ⅱ段时间0.50 S / /8.保护试验:8.1距离保护:采用微机继保仪距离保护模块试验。
南瑞保护清报文摘要:一、南瑞保护简介1.南瑞保护的背景与历史2.南瑞保护的主要业务领域二、南瑞保护清报文的概述1.清报文的定义与作用2.南瑞保护清报文的特点三、南瑞保护清报文的功能与应用1.故障诊断与保护2.系统监测与控制3.设备维护与管理四、南瑞保护清报文的优势与挑战1.优势1.高可靠性2.高效处理能力3.丰富的应用场景2.挑战1.技术更新与市场竞争2.数据安全与隐私保护五、南瑞保护的发展前景1.技术创新与产品升级2.行业应用拓展3.国际合作与市场开发正文:南瑞保护是我国电力系统保护领域的知名企业,多年来致力于为电力行业提供优质、高效的保护与自动化解决方案。
南瑞保护清报文作为其核心产品之一,具有重要的技术价值和市场影响力。
清报文是南瑞保护在电力系统保护领域的一项重要技术创新,主要用于实现电力系统的故障诊断与保护。
清报文具有快速、准确的特点,能够有效提高电力系统的安全性和稳定性。
南瑞保护清报文在设计上遵循国际标准,并充分考虑了我国电力系统的实际情况,具有很强的适应性和普适性。
南瑞保护清报文的功能与应用十分广泛。
在故障诊断与保护方面,清报文能够实时监测电力系统的运行状态,对故障进行快速、准确的判断,有效防止电力系统的停电事故。
在系统监测与控制方面,清报文能够对电力系统的各项参数进行实时监测,为运行人员提供准确的运行数据,帮助他们进行有效的系统控制。
在设备维护与管理方面,清报文能够对电力设备进行远程监控,及时发现设备的异常情况,为设备维护和管理提供依据。
南瑞保护清报文的优势在于其高可靠性、高效处理能力以及丰富的应用场景。
然而,南瑞保护也面临着一些挑战,如技术更新与市场竞争、数据安全与隐私保护等问题。
展望未来,南瑞保护将继续坚持技术创新,推动清报文等核心产品的升级换代,满足不断变化的市场需求。
在行业应用拓展方面,南瑞保护将进一步拓宽清报文等产品的应用领域,助力我国电力行业的现代化发展。
南瑞加密装置管理系统操作手册
装置管理系统操作手册
1.登陆客户端
首先把PC的ip地址改为:11.22.33.43 然后点击桌面上的装置管理客户端smc-v1.0.9图标,如下图所示:
连接成功的话,会出现以下对话框;
此时输入KEK卡PIN码1234abcd,操作员卡PIN码:006702
2.增加新的站点
如下图所示,选择“增加装置节点”
填写节点名称、IP地址和导入证书:
3.查询装置状态
有加解密数据说明设备能管理而且隧道业务正常。
4.查看隧道是否正常
隧道协商状态显示OPENEN:表示隧道协商成功5.查看或者修改策略
编辑策略:可以对策略进行修改。
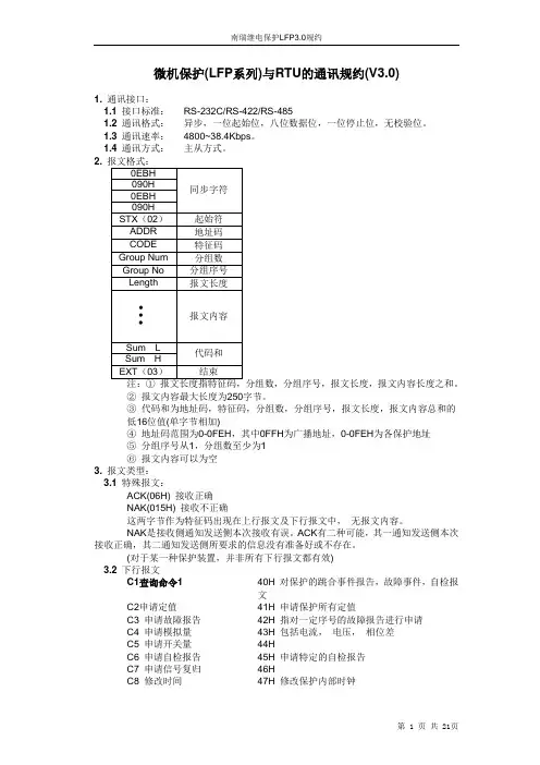
微机保护(LFP系列)与RTU的通讯规约(V3.0)1.通讯接口:1.1接口标准:RS-232C/RS-422/RS-4851.2通讯格式:异步,一位起始位,八位数据位,一位停止位,无校验位。
1.3通讯速率:4800~38.4Kbps。
1.4通讯方式:主从方式。
2.②报文内容最大长度为250字节。
③代码和为地址码,特征码,分组数,分组序号,报文长度,报文内容总和的低16位值(单字节相加)④地址码范围为0-0FEH,其中0FFH为广播地址,0-0FEH为各保护地址⑤分组序号从1,分组数至少为1⑥报文内容可以为空3.报文类型:3.1特殊报文:ACK(06H) 接收正确NAK(015H) 接收不正确这两字节作为特征码出现在上行报文及下行报文中,无报文内容。
NAK是接收侧通知发送侧本次接收有误。
ACK有二种可能,其一通知发送侧本次接收正确,其二通知发送侧所要求的信息没有准备好或不存在。
(对于某一种保护装置,并非所有下行报文都有效)3.2下行报文C1查询命令140H 对保护的跳合事件报告,故障事件,自检报文C2申请定值41H 申请保护所有定值C3 申请故障报告42H 指对一定序号的故障报告进行申请C4 申请模拟量43H 包括电流,电压,相位差C5 申请开关量44HC6 申请自检报告45H 申请特定的自检报告C7 申请信号复归46HC8 修改时间47H 修改保护内部时钟C9 修改定值命令48H 修改保护定值C10确认定值修改49H 确认本次定值修改有效C11修改定值区号4AH 改变当前运行定值区号C12确认定值区号修改4BH 确认本次定值区号修改有效C13申请定值区号4CHC14申请小电流接地数据4FHC15申请遥测50HC16申请电度51HC17遥控申请52HC18遥控确认53HC19申请全遥信54HC20查询命令255H 对遥信变位及SOE查询C21申请计算电度56HC22遥控取消57HC23电容器投切申请58HC24电容器投切确认59HC25小电流接地跳闸申请5AHC26小电流接地跳闸确认5BHC27同期合闸申请5CHC28同期合闸确认5DHC29无压合闸申请5EHC30无压合闸确认5FHC31电容器投切取消60HC32小电流接地跳闸取消61HC33同期合闸取消62HC34无压合闸取消63HC35申请装置类别64HC36申请小电流接地选线结果65HC37查询命令3申请通讯控制66H(可在一个报文中同时传送不同装置多个变单元地址的变位遥信和SOE 位遥信)C40查询命令4申请保护70H(可在一个报文中同时传送保护装置的遥单元地址的变位遥信和SOE 测、变位遥信和SOE, 仅使用在RCS装置V2.0版以上)3.3上行报文R1 跳合事件上送40H 对C1查询上送R2 定值上送41HR3 指定事故报告上送42H 一次事故完整的报告R4 模拟量上送43HR5 开关量信息44HR6 自检报文45HR7 新故障报告46H (C1查询上送)R8 新自检报告47H (C1查询上送)R9 定值区号上送48H 当前运行定值区号R10变位遥信上送49H 对C20查询上送R15遥测上送50HR16脉冲电度上送51HR17遥控返校52HR18遥控确认返回53HR19全遥信上送54HR20 SOE上送55H 对C20查询上送R21 计算电度上送56HR23 电容器投切返校58HR24 电容器投切确认返回59HR25 小电流接地跳闸返校5AHR26 小电流接地跳闸返回5BHR27 同期合闸确认返校5CHR28 同期合闸返回5DHR29 无压合闸返校5EHR30 无压合闸确认返回5FHR31 小电流接地数据上送60HR32 装置类别上送61HR33 小电流接地选线结果上送 62HR34 不同装置多个遥测量上送 63HR35 不同装置多个变位上送64HR36 故障报警信号上送(广州专用) 65HR40 保护装置遥测量、变位遥信、SOE上送70H(R40 仅使用在RCS装置V2.0版以上)4.报文交换4.1基本方式:1)查询1RTU:C1 C1 ACK C1 ACK C1 ACKRELAY:ACK R1 R7 R81.无事件发生2.故障事件存在3.存在新的故障报告4.存在新的自检报告2)查询2RTU:C20 C20 ACK C1 ACKRELAY:ACK R10 R201. 无事件发生2.遥信变位3. SOE事件3)申请定值RTU:C2 C2RELAY:ACK R21.定值未准备好2.定值上送4)申请故障报告RTU:C3 C3RELAY:ACK R31.无报告存在2.有故障报告存在5)申请模拟量RTU:C4RELAY:R41. 模拟量上送6)申请开关量(压板及外部开入状态)RTU:C5 C5RELAY:1. 开关量上送2. 不存在R5报文7)申请信号复归RTU:C7RELAY:8)修改时间(广播报文)RTU:C8RELAY:9)修改定值命令RTU:C9 C10RELAY:R2 ACK1.定值修改并确认,保护修改正确RTU:C9 C10RELAY:R2 NAK2.定值修改并确认,保护不能正确修改RTU:C9 NAKRELAY:R23.定值修改但取消修改10)修改定值区号命令RTU:C11 C12RELAY:R9 ACK1.定值区号修改并确认,保护修改正确RTU:C11 C12RELAY:R9 NAK2.定值区号修改并确认,保护不能正确修改RTU:C11 NAKRELAY:R93.定值区号修改但取消修改11)申请遥测值(50H)RTU:C15(装置地址)C15(通讯单元地址)C15(通讯单元地址)RELAY:R15 ACK1. 遥测值上送2. 多个遥测值上送3.遥测值未准备好12)申请脉冲电度(51H)RTU:C16R161. 电度值上送13)申请遥控(52H)RTU:C17 C17RELAY:R17 NAK1. 申请遥控2. 申请遥控不成功14)遥控执行(53H)RTU:C18 C18R18 NAK1. 遥控执行2. 遥控执行不成功15)申请全遥信(54H)RTU:C19RELAY:1. 全遥信上送16)申请计算电度(56H)RTU:C21RELAY:R211. 计算电度上送17) 遥控取消(57H)RTU:C2218) 申请小电流接地数据(4FH)RTU:C14RELAY:R311. 小电流接地数据上送19)申请电容器投切(58H)RTU:C23 C23RELAY:NAK1. 电容器投切申请2. 申请电容器投切不成功20)电容器投切执行(59H)RTU:C24 C24RELAY:R24 NAK1. 电容器投切执行2. 执行电容器投切不成功21) 电容器投切取消RTU:C31RELAY:22)小电流接地跳闸申请RTU:C25 C25RELAY:1. 跳闸申请2. 跳闸申请不成功23)小电流接地跳闸确认RTU:C26 C26RELAY:R26 NAK1. 跳闸确认2. 跳闸确认不成功24)小电流接地跳闸取消RTU:C32RELAY:25)同期合闸申请RTU:C27 C27RELAY:R27 NAK1. 同期合闸申请2. 同期合闸申请不成功26) 同期合闸确认RTU:C28 C28RELAY:R28 NAK1. 同期合闸确认2. 同期合闸确认不成功27)同期合闸取消RTU:C33RELAY:28) 无压合闸申请RTU:C29 C29RELAY:R29 NAK1. 无压合闸申请2. 无压合闸申请不成功29)无压合闸确认RTU:C30 C30RELAY:R30 NAK1. 无压合闸确认2. 无压合闸确认不成功30)无压合闸取消RTU:C34RELAY:31)装置类别申请RTU:C35RELAY:R321. 装置类别上送32)申请小电流接地选线结果RTU:C36RELAY:R331. 小电流接地选线结果上送33)申请通讯控制单元地址的变位遥信和SOERTU:C37 ACKRELAY:R351. 可在一个报文中同时传送不同装置多个变位遥信RTU:C37 ACK C37RELAY:R20 ACK2. SOE事件3. 无事件发生34)申请保护单元地址的遥测、变位遥信和SOERTU:C40 ACKRELAY:R40注:1.申请故障报告报文中,R3可能存在多组报文,分组序号从1开始排列,假设C3,i为申请故障报告的第i分组报文,R3.i为回答故障报告的第i分组报文,C3.i中i作为参数存在报告内容中,R3.i的i为分组序号。
南瑞 RCS-9613CS 线路光纤纵差保护装置操作指导书一:应用范围:RCS-9613CS 适用于 110kV 以下电压等级的非直接接地系统或小电阻接地系统中的线路光纤纵差和电流保护及测控装置。
在大庆石化公司范围内 6kV 变电所进线普遍使用,化工区光差改造项目涉及 10个二级单位的 36个变电所 175套综保装置。
二、使用说明:2.1装置的正面面板布置图。
2.2指示灯说明“运行”灯为绿色,装置正常运行时点亮。
“报警”灯为黄色,当发生报警时点亮。
“跳闸”灯为红色,当保护跳闸时点亮,在信号复归后熄灭。
“合闸”灯为红色,当保护合闸时点亮,在信号复归后熄灭。
“跳位”灯为绿色,当开关在分位时点亮。
“合位”灯为红色,当开关在合位时点亮。
2.3键盘说明:“ △”光标上移一行或上翻一页““ ”光标左移动一格,或启动装置,启动打印“ ”光标右移一格,或启动装置,或启动打印“+” 修改 , 增加数值“-” 修改 , 减小数值“ 确定” 进入下一级菜单或确认当前修改 , 执行当前操作“ 取消” 返回上一级菜单或取消当前修改 , 取消当前操作“ 复位” 系统重新启动 , 正常运行时请勿随意触按2.4液晶显示说明2.4.1主画面液晶显示说明装置上电后,正常运行时液晶屏幕将显示主画面,格式如下:2.4.2保护动作时液晶显示说明本装置能存储 64次动作报告,当保护动作时,液晶屏幕自动显示最新一次保护动作报告, 当一次动作报告中有多个动作元件时, 所有动作元件将滚屏显示,格式如下:2.4.3运行异常时液晶显示说明本装置能存储 64次运行报告,保护装置运行中检测到系统运行异常则立即显示运行报告, 当一次运行报告中有多个异常信息时, 所小数点前三位为整组动作的序号,由装置启动到装置返回为一次整组动作。
小数点后两位为在一次整组中各动作(返回元件的排列次序,在跳闸报告显示中仅显示动作元件。
□□□·□□ □□ □□ □□ □□ □□ □□ □□□□ □□□ □□□·□□ A □□□□□□动作元件的动作时刻年、月、日时、分、秒、毫秒前三个方框为故障相显示 (ABC, 后五个方框为最大故障相电流(以过流保护动作为例保护动作元件系统频率显示装置当前运行的定值区号实时保护 CT 的 A 、 C 相电流平均值实时线电压平均值保护实时时钟,年、月、日、时、分、秒有“ . ”显示时,表示装置正在硬件对时重合闸充电标记, 实心时表示重合闸充电有异常信息将滚屏显示,格式如下:2.4.4自检出错时液晶显示说明本装置能存储 64次装置自检报告,保护装置运行中,硬件自检出错将立即显示自检报告, 当一次自检报告中有多个出错信息时, 所有自检信息将滚屏显示,格式如下:2.4.5命令菜单使用说明本装置不提供单独的复归键,在主画面按‘确认’键可实现复归功能。
NSR—303N数字式超高压线路保护装置运行操作手册符合《南方电网南方电网220kV线路保护技术规范》国电南瑞科技股份有限公司NARI Technology Co.,LTDNSR—303N数字式超高压线路保护装置运行操作手册编制:校核:审定:版本号: V1.01发布日期:2015年**月前言为了指导变电站值班人员和保护班组人员,国电南瑞科技股份有限公司研发中心编写了《NSR—303N数字式超高压线路保护装置运行操作手册》,本手册力求实用,涵盖了保护简述、人机接口和菜单操作、压板投退说明及注意事项、日常巡视检查内容、定值区切换方法和动作报告、录波报告、事件记录格式、调取、打印、分析,事件及告警的查找方法等。
编写本手册的主要目的是为变电站值班人员和保护班组人员提供一本实用工具书,当现场遇到疑问时能通过查找手册相关内容解决大部分的工程问题。
因时间紧迫且平时支持工作繁重,可能有些地方内容不够详尽或者存在错误,欢迎大家批评指正,我们将在今后继续完善,为工程的顺利实施及产品的安全、可靠运行提供技术保障。
最后,衷心感谢国电南瑞科技股份有限公司工程服务部门在手册编制过程中给予帮助。
目录第一章概述 (1)1。
1手册内容介绍 (1)1.1.1整套手册说明 (1)1.1.2运行操作手册说明 (1)1.2适用范围及主要功能配置 (2)第二章安全须知 (4)2。
1安全标识符号 (4)2.2标识举例 (4)2。
2。
1 危险标识 (4)2。
2.2警告标识 (5)2.2.3警示标识 (5)第三章人机接口及其操作 (7)3.1人机接口概述 (7)3。
1。
1 ........................................................................................................................... 设计73.1.2保护装置键盘 (7)3.1。
IEC103规约格式1.基本报文格式1.1固定帧长报文启动字符控制域 地址域 代码和 结束字符注:代码和=控制域+地址域(不考虑溢出位,即256模和) 1.2可变帧长报文注:(1)代码和=控制域+地址域+ ASDU 代码和(不考虑溢出位,即256模和) (2)ASDU 为“链路用户数据”包,具体格式将在下文介绍 (3)Length=ASDU 字节数+2 1.3控制域定义控制域分“主∧ 从”和“从∧ 主”两种情况。
(1) “主∧ 从”报文的控制域D7 D6 D5 D4 D3 D2 D1 D0备用 PRM FCB FCV 功能码1每位的具体定义请参考详细103规约。
(2) “从∧ 主”报文的控制域D7 D6 D5 D4 D3 D2 D1 D0备用 PRM ACD DFC 功能码 0 0每位的具体定义请参考详细103规约。
———— 启动字符1(1byte ) ———— 长度(1byte )———— 长度(重复)(1byte ) ———— 启动字符2(重复)(1byte ) ———— 控制域(1byte ) ———— 地址域(1byte )———— 链路用户数据[(length-2)byte] ———— 代码和(1byte ) ————结束字符(1byte )1.4地址域地址域为主站与之通信的从站地址,0-254:设备地址,255:广播地址。
2.链路规约数据单元(LDPU)控制方向:从控制系统到继电保护设备(或间隔单元)的传输方向。
监视方向:从继电保护设备(或间隔单元)到控制系统的传输方向。
2.1控制方向●复位帧计数位●复位通信单元●召唤1级数据●召唤2级用户数据●请求链路状态2.2监视方向●确认帧:●忙帧:●无所要求的数据帧回答:●链路状态响应帧:图中*表示:=<11>=链路工作正常,:=<14>=链路服务未工作,:=<11>=链路服务未实现。
2.3可变帧长的链路规约数据单元LDPULDPU 由两部分组成:链路控制规约信息(LPCI )和应用服务数据单元(ASDU )。
RCS 9611C装置方向过流保护功能验证实验报告RCS9611C装置设有三段过流保护,各自有独立的电流定值以及控制字。
各段可以独立的选择是否经(负序电压和低电压)闭锁、是否经方向闭锁。
方向元件的灵敏角为45度,90度接线方式。
90度接线方式如表4-1所示保护处于送电侧,系统正常运行,COSψ=1时3个功率方向继电器测量的ψk均为90度注:电流、电压均为向量现以过流III段经方向闭锁A相继电器为例分析验证装置功能。
装置正向三相短路时I∙K=I∙A U∙K=U∙BC注:图中UA、UB、UC、IA、UK、UBC皆为向量灵敏角为45度,动作区内范围电压超前电流夹角为-45~+135度之间上。
注:图中UA、UB、UC、IA、UK、UBC皆为向量但当发生反方向故障,或正常运行时I∙k不在动作区内,应可靠不动作。
至于B、C两相继电器与A相原理相同。
所做试验9611C装置过流III段保护定值为6A 时间为0.2S现场试验所加数据U∙ A =57.700∠VU∙ B =57.70∠-V120U∙ C =57.70∠V120以A相电流为例当加以下电流可靠动作I∙A =7135∠- A ∠- A I∙A =743∠ A I∙A =745I∙B =7255∠- A I∙B =340∠- A ∠- A I∙B =570I∙C =715∠ A I∙C =2200∠ A ∠- A I∙C =5170以A相电流为例当加以下电流可靠不动作I∙A =7180∠ A∠ A I∙A =7200∠ A I∙A =750I∙B =570∠- A I∙B =370∠- A∠- A I∙B =370I∙C =7300∠ A∠ A I∙C =2170∠ A I∙C =5170以下分析都以U∙ A 为00 作为基准。
正常运行时动作区内I∙A 动作区在-135~45度之间。
现场装置输入电流只有A、C两相,发生单相断线的情况例如C相断线时向量图如下图所示动作区内I A 动作区在-165~15度之间即是正常运行时I A1 动作区在-135~45度之间单相断线时I A2动作区在-165~15度之间若正常运行时A相电流在-165~-135度区间处于保护的反方向保护不动作,但当发生C相断线时处于保护的正方向保护动作跳闸。
IEC103规约格式1.基本报文格式1.1固定帧长报文启动字符控制域 地址域 代码和 结束字符注:代码和=控制域+地址域(不考虑溢出位,即256模和) 1.2可变帧长报文注:(1)代码和=控制域+地址域+ ASDU 代码和(不考虑溢出位,即256模和) (2)ASDU 为“链路用户数据”包,具体格式将在下文介绍 (3)Length=ASDU 字节数+2 1.3控制域定义控制域分“主∧ 从”和“从∧ 主”两种情况。
(1) “主∧ 从”报文的控制域D7 D6 D5 D4 D3 D2 D1 D0备用 PRM FCB FCV 功能码1每位的具体定义请参考详细103规约。
(2) “从∧ 主”报文的控制域D7 D6 D5 D4 D3 D2 D1 D0备用 PRM ACD DFC 功能码 0 0每位的具体定义请参考详细103规约。
———— 启动字符1(1byte ) ———— 长度(1byte )———— 长度(重复)(1byte ) ———— 启动字符2(重复)(1byte ) ———— 控制域(1byte ) ———— 地址域(1byte )———— 链路用户数据[(length-2)byte] ———— 代码和(1byte ) ————结束字符(1byte )1.4地址域地址域为主站与之通信的从站地址,0-254:设备地址,255:广播地址。
2.链路规约数据单元(LDPU)控制方向:从控制系统到继电保护设备(或间隔单元)的传输方向。
监视方向:从继电保护设备(或间隔单元)到控制系统的传输方向。
2.1控制方向●复位帧计数位●复位通信单元●召唤1级数据●召唤2级用户数据●请求链路状态2.2监视方向●确认帧:●忙帧:●无所要求的数据帧回答:●链路状态响应帧:图中*表示:=<11>=链路工作正常,:=<14>=链路服务未工作,:=<11>=链路服务未实现。
2.3可变帧长的链路规约数据单元LDPULDPU 由两部分组成:链路控制规约信息(LPCI )和应用服务数据单元(ASDU )。
南瑞保护装置查看报文
南瑞保护装置是电力系统中的重要设备,用于保障电力系统的安全运行。
在日常维护和故障处理过程中,查看南瑞保护装置的报文是一项
必要的工作。
本文将详细介绍南瑞保护装置查看报文的相关内容。
一、南瑞保护装置报文概述
南瑞保护装置通过通信接口与上位机进行数据交换,上位机可以通过
通信接口向南瑞保护装置发送指令,并获取相应的报文返回。
这些报
文包含了丰富的信息,包括设备状态、告警信息、事件记录等。
二、查看报文的方法
1. 串口连接:可以通过串口连接上位机与南瑞保护装置进行通信。
首
先需要确认串口参数设置正确,并确保串口线连接正确。
在上位机上
打开相应的串口调试工具,设置好波特率、数据位、停止位等参数。
通过发送指定命令来获取相应的报文。
2. 网络连接:如果南瑞保护装置支持网络通信功能,可以通过网络连
接来查看报文。
首先需要确保上位机与南瑞保护装置在同一局域网中,并且IP地址设置正确。
在上位机上打开相应的网络调试工具,输入南瑞保护装置的IP地址和端口号,通过发送指定命令来获取报文。
三、报文格式
南瑞保护装置的报文格式一般采用二进制形式,具体格式根据不同的
设备型号和通信协议可能有所不同。
通常,报文包含了头部、数据区
和校验字段等部分。
1. 头部:报文头部包含了一些必要的信息,如起始标识、帧长度等。
起始标识用于标识报文的开始位置,帧长度表示整个报文的长度。
2. 数据区:数据区是报文中最重要的部分,包含了设备状态、告警信息、事件记录等数据。
不同类型的数据可能有不同的编码方式和格式。
3. 校验字段:为了确保数据传输的准确性和完整性,在报文中通常会
包含校验字段。
常见的校验方式有CRC校验、异或校验等。
四、解析报文
获取到南瑞保护装置返回的原始报文后,需要对其进行解析才能获取
到有用的信息。
解析过程需要参考南瑞保护装置提供的协议规范或者
相关技术资料。
1. 报文解析工具:可以使用专门设计用于解析报文的工具软件。
这些
工具通常提供了可视化界面,可以直观地显示报文的各个字段,并提
供相应的解析算法。
2. 自定义解析程序:如果没有现成的解析工具,也可以编写自定义的
解析程序。
根据南瑞保护装置的协议规范,解析程序可以按照报文格
式逐个字节地读取并解析报文中的各个字段。
五、报文内容
南瑞保护装置返回的报文内容丰富多样,包含了大量有用信息。
以下
是一些常见的报文内容:
1. 设备状态:报文中可能包含设备当前运行状态、告警状态等信息。
通过查看设备状态,可以及时发现设备故障或异常情况。
2. 告警信息:南瑞保护装置在发生故障或异常情况时会生成告警信息,并通过报文返回给上位机。
通过查看告警信息,可以及时采取措施进
行故障处理。
3. 事件记录:南瑞保护装置会记录一些重要事件和操作日志,并通过
报文返回给上位机。
通过查看事件记录,可以了解设备的历史运行情
况和操作记录。
六、注意事项
在查看南瑞保护装置报文时,需要注意以下几点:
1. 参数设置:在使用串口或网络连接时,需要确保参数设置正确,包
括波特率、数据位、停止位等。
如果参数设置不正确,可能无法正常
通信。
2. 协议规范:在解析报文时,需要参考南瑞保护装置的协议规范或相
关技术资料。
不同型号的设备可能采用不同的通信协议和报文格式。
3. 报文解析:对于复杂的报文格式,解析过程可能比较繁琐。
需要仔
细阅读相关资料,并根据实际情况编写相应的解析程序或使用专门的
解析工具。
总结:
查看南瑞保护装置报文是维护和故障处理过程中的重要环节。
通过串
口或网络连接上位机与南瑞保护装置进行通信,并获取返回的报文。
报文格式一般采用二进制形式,包含头部、数据区和校验字段等部分。
获取到原始报文后,可以使用专门设计的解析工具或编写自定义解析
程序来解析报文并获取有用信息。
注意事项包括参数设置、协议规范
和报文解析等方面。
通过查看南瑞保护装置报文,可以及时了解设备
状态、告警信息和事件记录等重要信息,以保障电力系统的安全运行。