电镀工艺简介
- 格式:doc
- 大小:73.00 KB
- 文档页数:7
电镀工艺流程简介一、流程步骤:电镀工艺分为三个阶段,即电镀前处理、电镀过程、电镀后处理。
1、电镀前处理:镀件在进行电镀之前,要根据镀件的材质、表面状况和表面处理的要求进行预处理,如除去待镀工件油污、氧化皮等;对有表面粗糙度或光亮度要求的待镀工件,要进行机械抛光、电化学抛光、喷砂处理等,以改善镀件表面状况,使镀层质量达到要求。
当镀件表面有油污、锈蚀、氧化皮时,就会使镀层不致密、多孔,镀件受热时会出现小气泡、鼓泡;当镀件表面附着极薄的甚至肉眼看不见的油膜或氧化膜时,虽然也可以得到外观正常、结晶致密的镀层,但镀层与基体结合的并不牢固,在遇到外力的冲击、冷热变化时,镀层就会开裂、脱落。
只有在镀液和镀件表面有良好的结合,发生分子间力和金属间力的结合时,镀层与基体的结合才是牢固的,因此在电镀前一定要将镀件清洗干净。
2.、电镀过程:其主要工作有工件电镀表面积的计算、挂具的选择或设计、阴阳极的调整(距离、面积)、非镀表面的绝缘、电镀电流密度的选择、镀液的配制,然后进入电镀。
流程如下∶毛坯→磨光→抛光→化学除油→水洗→酸洗→水洗两道→淡碱浸渍甩干→上挂具→电解除油→酸洗水洗两道→电镀第一层(铜)→浸洗回收两道→漂洗两道→电镀第二过层(镍)→浸洗回收两道→漂洗两道→电镀第三层(铬)→浸洗回收两道→漂洗两道→热水洗→下挂具→干燥→抛光。
具体到某一种镀种、镀件,根据其要求,其工艺有所增减。
3、电镀后处理:电镀后处理直接影响镀层质量的好坏,是电镀中非常重要的一个环节,其作用是清除表面残液、提高耐蚀性、提高镀层亮度、消除镀层应力、提高镀层结合力、改善镀层理化性能,它包括清洗、出光、除氢、钝化、干燥、防变色等。
二、电镀原材料电镀液的成分:电镀液主要包括主盐、导电盐、缓冲剂、络合剂、添加剂等,各自的作用如下:1、主盐:能提供镀液金属离子的盐,能在阴极上沉积,其沉积是所要求的金属盐。
主盐浓度要控制在工艺要求的范围内,并与其他成分维持恰当的浓度比例。
第1篇一、电镀工艺的基本原理电镀工艺的基本原理是利用电解质溶液中的金属离子在电极表面还原成金属,从而在工件表面形成一层金属薄膜。
电镀过程中,工件作为阳极,金属离子作为阴极,电解质溶液作为介质。
1. 电解质溶液:电解质溶液是电镀工艺的核心,它含有待镀金属的离子。
根据镀层材料的不同,电解质溶液的种类也有所区别。
2. 阳极:阳极是电镀过程中提供金属离子的电极,通常使用与镀层材料相同的金属或导电材料。
3. 阴极:阴极是电镀过程中沉积金属薄膜的电极,通常使用工件。
4. 外加电源:外加电源提供电镀过程中的电流,促使电解质溶液中的金属离子还原成金属。
二、电镀工艺流程1. 工件预处理:工件预处理是电镀工艺的第一步,主要包括表面清洗、去油、去锈、去氧化膜等,以确保工件表面干净、平整。
2. 电镀液配制:根据镀层材料的要求,配制相应的电解质溶液。
3. 电镀:将工件放入电解质溶液中,接通电源,使工件成为阴极,阳极接通电源。
在电解过程中,金属离子在工件表面还原成金属,形成镀层。
4. 镀层后处理:镀层后处理包括清洗、干燥、抛光等,以提高镀层的质量和外观。
5. 检验:对镀层进行质量检验,确保镀层厚度、均匀性、结合力等符合要求。
三、电镀工艺分类1. 按镀层材料分类:包括镀锌、镀镍、镀铜、镀银、镀金等。
2. 按镀层用途分类:包括装饰性电镀、功能性电镀、耐磨性电镀、耐腐蚀性电镀等。
3. 按电镀工艺分类:包括酸性电镀、碱性电镀、中性电镀、盐浴电镀等。
四、电镀工艺应用1. 金属制品:电镀工艺广泛应用于金属制品的表面处理,如汽车零部件、自行车、手表、首饰等。
2. 电子产品:电镀工艺在电子产品中的应用非常广泛,如手机、电脑、家电等。
3. 医疗器械:电镀工艺可以提高医疗器械的耐腐蚀性和耐磨性,如手术刀、牙科器械等。
4. 建筑材料:电镀工艺在建筑材料中的应用包括镀锌钢管、镀锌铁丝等。
5. 航空航天:电镀工艺在航空航天领域的应用包括飞机、火箭等零部件的表面处理。
第一章电镀概论1 电镀定义电镀为电解镀金属法的简称。
电镀是将镀件(制品),浸于含有欲镀上金属离子的药水中并接通阴极,药水的另一端放置适当阳极(可溶性或不可溶性),通以直流电后,镀件的表面即析出一层金属薄膜的方法。
2 电镀基本五要素1)阴极:被镀物,指各种接插件端子。
2)阳极:若是可溶性阳极,则为欲镀金属。
若是不可溶性阳极,大部分为贵金属(白金,氧化铱)。
3)电镀药水:含有欲镀金属离子的电镀药水。
4)电镀槽:可承受、储存电镀药水的槽体,一般考虑强度,耐蚀,耐温等因素。
5)整流器:提供直流电源的设备。
3 电镀目的1)镀铜:打底用,增进电镀层附着能力,及抗蚀能力。
2)镀镍:打底用,增进抗蚀能力。
3)镀金:改善导电接触阻抗,增进信号传输。
4)镀钯镍:改善导电接触阻抗,增进信号传输,耐磨性比金佳。
5)镀锡:增进焊接能力,提升基材抗氧化能力。
4 电镀流程(一般铜合金底材如下,未含水洗工程)1)除油:通常同时使用碱性溶液除油或者电解除油。
2)活化:使用稀硫酸或相关的混合酸。
3)镀镍:使用硫酸镍系及氨基磺酸镍系。
4)镀钯镍:目前皆为氨系。
5)镀金:有金钴,金镍,金铁,一般使用金钴系最多。
6)镀锡:硫酸亚锡体系、甲基磺酸体系。
7)干燥:使用热风循环烘干。
8)封孔处理:采用溶液浸泡,提升抗氧化能力,有使用水溶型及溶剂型两种。
5 电镀药水组成1)纯水:总不纯物至少要低于5ppm。
2)金属盐:提供欲镀金属离子。
3)阳极解离助剂:增进及平衡阳极解离速率。
4)导电盐:增进药水导电度。
5)添加剂:有缓冲剂、光泽剂、平滑剂、柔软剂、湿润剂、抑制剂等等。
一般起到均匀镀层,提升亮度、结合力的效果。
6 电镀条件1)电流密度:单位电镀面积下所承受的电流,通常电流密度越高膜厚越厚,但是过高时镀层会烧焦粗燥。
2)电镀位置:镀件在药水中位置,与阳极相对位置,会影响膜厚分布。
3)搅拌状况:搅拌效果越好,电镀效率越高,有空气,水流,阴极摆动等搅拌方式。
电镀工艺介绍
电镀工艺是指在金属表面上使用电化学方法沉积一层金属或非
金属的薄膜,以提高其表面的耐腐蚀性、抗磨损性、导电性或美观性等性能。
常见的电镀工艺包括镀铜、镀镍、镀铬、镀锌、镀金、镀银等。
电镀工艺主要分为以下几个步骤:清洗、脱脂、酸洗、鹰嘴处理、电镀、水洗、烘干、包装等。
其中,清洗、脱脂和酸洗是为了去除表面的油污、氧化物和杂质,鹰嘴处理是为了增加表面的粗糙度,以便电镀液更好地附着在表面上,电镀是使用电解池使金属离子还原成金属,并在表面上形成一层薄膜,水洗和烘干则是为了去除电镀过程中产生的废水和残留物质,以及保证产品的干燥程度。
电镀工艺的优点在于其能够提高材料的表面性能,同时也可以修复或改善材料表面的缺陷。
但是,电镀工艺也存在一些缺点,如容易产生废水和废气,对环境造成污染,同时也需要大量的能源和原材料。
因此,在进行电镀工艺时,需要注意环保和节约能源的问题,尽可能选择低污染的电镀工艺和设备,以及合理利用原材料和能源。
- 1 -。
电镀的工艺技术电镀工艺技术是一种将金属或合金镀在物体表面的技术。
通过电化学反应,将金属离子沉积在被镀物表面上,形成一层均匀、致密、具有特定性能的金属薄膜,以达到保护、装饰、增强或改善物体表面功能的目的。
电镀工艺技术主要分为预处理、电镀和后处理三个步骤。
预处理是电镀工艺的第一步,旨在提高被镀物表面的光洁度和附着力。
常用的预处理方法包括清洗、除油、脱氧、除锈等。
清洗是指通过机械、化学或物理方法除去被镀物表面的油污、灰尘和有害物质,以确保表面光洁。
除油是用有机溶剂或碱性溶液溶解被镀物表面的油脂。
脱氧是通过酸性溶液去除被镀物表面的氧化膜,以保证镀层与被镀物的牢固附着。
除锈则是将被镀物表面的锈蚀部分清除,以保证电镀层的质量。
电镀是指将电解槽中的金属离子沉积到被镀物表面的过程。
电解槽是由电解液、阳极和阴极等组成的设备。
电解液是指含有金属离子的溶液,它通过电流传输金属离子到被镀物表面,使其经过一定的反应,形成金属薄膜。
阳极是由纯金属制成的,它与电解液中的金属离子相反应,使其供应电流。
阴极则是被镀物所连接的电极,它接受阳极提供的电流,并使金属离子在其表面沉积。
电镀工艺的关键是控制电镀液的成分、温度和电流密度。
通过不同的电镀工艺参数控制,可以得到不同性能的金属镀层。
电镀后处理是保证电镀层质量的重要环节。
主要包括洗涤、烘干和光亮处理等。
洗涤是通过水或溶液将电镀液和表面残留物清洗干净,以避免残留物对电镀层的影响。
烘干是将被镀物经过高温加热,使水分蒸发,保证表面干燥。
光亮处理是在电镀层表面进行化学或物理处理,使镀层表面更加光亮光滑。
电镀工艺技术有着广泛的应用。
在制造业中,电镀工艺技术可以用于改善金属表面的耐腐蚀性能、硬度和电导率等。
在汽车工业中,电镀工艺技术可以用于改善汽车外观,提高车身耐腐蚀性。
在电子行业中,电镀工艺技术可以用于提高电子元器件的连接性和导电性。
在装饰行业中,电镀工艺技术可以用于制作首饰、钟表等装饰品。
电镀工艺简介一.电镀工艺的分类:酸性光亮铜电镀电镀镍/金电镀锡二.工艺流程:浸酸全板电镀铜图形转移酸性除油二级逆流漂洗微蚀二级浸酸镀锡二级逆流漂洗逆流漂洗浸酸图形电镀铜二级逆流漂洗镀镍二级水洗浸柠檬酸镀金回收2—3级纯水洗烘干三.流程说明:(一)浸酸①作用与目的:除去板面氧化物,活化板面,一般浓度在5%,有的保持在10%左右,重要防止水分带入造成槽液硫酸含量不稳定;②酸浸时间不宜太,防止板面氧化;在使用一段时间后,酸液显现浑浊或铜含量太高时应适时更换,防止污染电镀铜缸和板件表面;③此处应使用C.P级硫酸;(二)全板电镀铜:又叫一次铜,板电,Panel—plating①作用与目的:保护刚刚沉积的薄薄的化学铜,防止化学铜氧化后被酸浸蚀掉,通过电镀将其加后到肯定程度②全板电镀铜相关工艺数:槽液重要成分有硫酸铜和硫酸,采纳高酸低铜配方,保证电镀时板面厚度分布的均匀性和对深孔小孔的深镀本领;硫酸含量多在180克/升,多者达到240克/升;硫酸铜含量一般在75克/升左右,另槽液中添加有微量的氯离子,作为辅佑襄助光泽剂和铜光剂共同发挥光泽效果;铜光剂的添加量或开缸量一般在3—5ml/L,铜光剂的添加一般依照千安小时的方法来补充或者依据实际生产板效果;全板电镀的电流计算一般按2安/平方分米乘以板上可电镀面积,对全板电来说,以即板长dm板宽dm22A/DM2;铜缸温度维持在室温状态,一般温度不超过32度,多掌控在22度,因此在夏季因温度太高,铜缸建议加装冷却温控系统;③工艺维护:每日依据千安小时来适时补充铜光剂,按100—150ml/KAH补充添加;检查过滤泵是否工作正常,有无漏气现象;每隔2—3小时应用干净的湿抹布将阴极导电杆擦洗干净;每周要定期分析铜缸硫酸铜(1次/周),硫酸(1次/周),氯离子(2次/周)含量,并通过霍尔槽试验来调整光剂含量,并适时补充相关原材料;每周要清洗阳极导电杆,槽体两端电接头,适时补充钛篮中的阳极铜球,用低电流0。
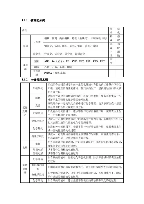
1.1.1.镀种的分类1.1.2.电镀常用术语1.1.3.锌性质和用途:锌是青白色的金属,是一种化学性质活泼的金属,化学性质的最大特征是具有两性,即其金属、金属氧化物或氢氧化物既能溶于酸,又能溶于碱。
广泛用作钢铁金属的防护镀层。
工艺类型:无氢镀锌:氨三乙酸—氯化铵型、氯化铵型、碱性锌酸盐型、硫酸盐和焦磷酸盐型等氢化镀锌:高氢、中氢、低氢镀锌1.1.4.镉性质和用途:镉是柔软带灰白的可塑性金属,化学性质与锌相似,但不溶于碱中。
基本上用镀锌层或合金镀层取代镀镉层。
工艺类型:氰化镀镉和无氰镀镉,即络合性镀镉、酸洗硫酸盐镀镉等。
1.1.5.铜性质和用途:铜是呈玫瑰红色,有光泽。
具有良好的导电性和导热性;富有延展性,易溶于硝酸,也易溶于加热的浓硫酸中,在盐酸和稀硫酸中的作用较慢。
常作为钢铁件装饰镀层的底层各其它多层电镀的中间层,也作为功能镀层。
工艺类型:按镀液性质分类:氰化镀铜、硫酸盐镀铜、焦磷酸盐镀铜、柠檬酸盐镀铜、乙二胺镀铜、有机膦酸盐镀铜等按装饰性分类:镀铜和光亮镀铜1.1.6.镍性质:具有银白色的金属,硬度高,有很高的化学稳定性,在有机酸中很稳定,在硫酸和盐酸中溶解很慢,在浓硝酸中处于钝化状态,易溶于稀硝酸中用途:镍镀层在空气中很稳定,主要是由于金属镍具有很强的钝化能力,表面能迅速地生成一层极薄的钝化膜,使镍基体与空气隔绝,所以能抵抗大气、碱和某些酸的腐蚀。
同时在镍的简单盐镀液中,可以获得结晶极其细小的镀层,且具有良好的抛光性能。
经抛光的镍镀层,可以得到镜面光亮的外表,所以镍镀层常作装饰性镀层。
广泛应用于汽车、自行车、钟表、医疗器械等工业产品中,一般用作中间层的居多。
镍镀层硬度较高,可提高制品表面耐磨性,在印刷工业中,常用镍镀层来提高铅表面的硬度。
黑镍镀层主要用于光学仪器中那些需要消光的零件。
按成分性质分类:硫酸盐镀液、氯化物镀液、柠檬酸盐镀液、氨基酸盐镀液、氟硼酸盐镀液、焦磷酸盐镀液等。
按镀层装饰性分类:普通镀液、半光亮镀液、光亮镀液按沉积速度分类:一般镀镍、快速镀镍按用途分类:一般装饰镀镍、硬镍、黑镍1.1.7.锡性质:银白色金属,具有抗腐蚀,抗变色,无毒,可焊,柔软和延展性好等特性。
电镀工艺简介
电镀生产是金属(或非金属)的表面处理工艺,是通过化学或电化学作用在金属(或非金属)制作表面形成另一种具有防腐、耐磨、表面装饰性的金属膜层,因而改变制作件表面属性的一种加工工艺。
电镀工艺过程大致可以划分为:镀前处理——电镀——镀后处理三个工序。
(1)镀前处理
由于电镀加工件的基材不同,电镀件的原始加工状态不同,镀前处理工艺也各不相同。
镀前处理的工艺方法又可分为机械法清理、除油工序、化学侵蚀。
(2)电镀
电镀是在含有金属主盐和导电盐、络合剂、添加剂的溶液中通过直流电作用在工件上沉积金属的工艺过程。
电镀液中含有高浓度的镀层金属主盐和导电盐、络合剂、添加剂等,当工件从电镀液中取出时,工件将部分电镀液带出槽外,滴落地面或者进入清洗水中,对环境造成污染,特别是滚镀生产带出液的量更大,可能随电镀带出液而排除的金属离子有锌、铜、镍、铁等。
(3)水洗
在电镀过程有许多工序,镀件进出的溶液也有很多种。
在从一种溶液进入另一种溶液前,几乎都要清洗,以除去制件表面滞留的前一种溶液。
在整个电镀过程中,有许多道水洗工序。
清洗是电镀废水的最主要来源。
采用不同的电镀工艺和不同的清洗方式,废水中的有害物质的种类、浓度、排放量等可能有很大的差别。
本项目采用无氰电镀,清洗水中就不含氰化物;在流水线上增设回收槽,清洗水中的有毒物含量及清洗水用量也能大大减少。
清洗方式选用先进的多级逆流清洗,用水量仅为单级清洗的百分之一,达到减少清洗水中污染物含量及排水量的目的。
电镀工艺技术介绍电镀是一种常用的表面处理技术,广泛应用于金属工业领域。
它通过在金属表面上镀上一层金属膜,以改善金属的外观、性能和耐腐蚀能力。
电镀工艺技术是实现电镀过程的核心技术,下面将对电镀工艺技术进行详细介绍。
电镀工艺技术主要包括预处理、电解液配方、电流密度控制和表面处理等环节。
首先是预处理,即金属表面的清洗和处理。
通常情况下,金属表面会存在一些细菌或氧化层等杂质,这些杂质会影响电镀质量。
因此,预处理工序主要是通过酸洗、碱洗和去油等方法将金属表面的杂质去除干净。
其次是电解液配方,即电镀过程中所需的化学药液。
电解液的配方需要根据不同金属的要求来进行调整,以保证电镀质量和效果。
不同的金属需要不同的电解液成分,如铜电镀需要含有铜离子的电解液,而镀锌则需要含有锌离子的电解液。
电流密度控制是电镀工艺技术中非常重要的环节,它是保证电镀质量和均匀性的关键。
电流密度指的是单位面积上通过的电流量,通过调整电流密度的大小可以控制电镀层的厚度和均匀性。
通常情况下,电流密度越大,电镀层厚度越大,但是如果电流密度过大,容易形成均匀性差的电镀层。
因此,在电镀过程中,需要根据镀层的要求和金属表面的形状来调整电流密度。
表面处理是电镀工艺技术中最后一个环节,它主要是对电镀层进行清洗和保护处理。
电镀层在电镀完成后需要进行清洗,以去除掉表面的污垢和残留物。
然后,可以选择对电镀层进行一些保护处理,如添加一层有机膜或进行热处理,以增加电镀层的耐腐蚀性和耐磨性。
总之,电镀工艺技术是实现电镀过程的关键技术之一。
通过预处理、电解液配方、电流密度控制和表面处理等环节的合理操作,可以获得高质量、均匀的电镀层。
电镀工艺技术的不断发展和创新,为各行各业提供了更多的应用和发展空间。
电镀工艺
电镀工艺是肉眼可见,是可以直观判断饰品好坏的基本工艺可以说是日常时尚饰品的品质分水岭之一。
那这篇我们就来说说关于电镀工艺,你需要知道的一些事~
1:什么是电镀工艺?
其实就是利用电解原理,在某些金属表面上镀上一层很薄的其他金属或合金。
从而达到防止金属氧化,延长使用寿命,增加美观度的效果。
2:市面上比较流行的消费级饰品多是镀金材质,一般分为两类:一个是普通电镀,另一个就是真金电镀了
普通电镀:一般为非黄金饰品镀金,也叫做异材质镀金,比如:纯银镀金、铜镀金。
这类饰品因为电镀层相对较薄,虽然保色周期相对较短,但是保养得当还是可以几个月不掉色的。
真金电镀:和名字一样,电镀层为较厚的真金(24k或者18k或者14k),光泽度很好,保色也持久,拿在手上分量感十足。
成本确实要比普通电镀高很多。
3:炉内真空电镀>炉外真空电镀>水电镀
炉内真空电镀的保色效果好,正常佩戴保持个几年不是问题。
而水电镀一般佩戴半个月左右就会开始褪色了。
电镀就是利用电解的方式使金属或合金沉积在工件表面,以形成均匀、致密、结合力良好的金属层过程。
一、ABS塑料电镀原理塑料成型后经过清洗、粗化、敏化、解胶等表面处理后,再进行沉镍、镀铜、镀镍,最后在表面镀一层致密抗氧化高强度铬层,使塑料产品呈现金属光泽,增强美感和使用寿命。
ABS塑料是塑料电镀中应用最广的一种,ABS塑料是丙烯腈(A)、丁二烯(B)、苯乙烯的三元共聚物,丁二烯的含量对电镀影响很大,一般应控制在18-23%,丁二烯含量高流动性好,易成型,与镀层的结合的附着力好。
由于ABS非2,所以电镀前必须附上导电层,形成导电层要经过粗化、中和、敏化、活化、化学镀等几个步骤。
镀铜原理同理镀镍镀铬的原理也如此,只是溶液成分和阳极板的组成不一样而已。
二、循环缸电镀流程及工艺流程部分1、素材进料检验电镀前必须对ABS素材进行进料检验,主要为外观和性能两方面。
外观检验项目主要为:尺寸、飞边、凹坑、油污、顶针印、气迹气纹、拉伤、麻点、、、性能检测项目主要有:内应力测试、死胶等2、除内应力产品在65+/-5℃的条件下烘干3小时,除去产品成型过程的内应力。
3、涂绝缘油塑料产品电镀前需要进行绝缘处理,产品表面并非100%上镀层,根据客户要求某些部位不需要上镀层,就要在这些位置做绝缘处理,涂上一层绝缘油,在化学镀过程中对这些部位表面进行保护。
4、电镀根据产品的大小和筋条框架结构选择合适的电镀挂具,产品上挂后先进行前处理(1)产品化学清洗除油化学除油的原理为利用碱性溶液对油脂的皂化作用可除去皂化性油脂,利用表面活性剂的乳化作用除去非皂化性油脂。
清洗缸液主要为去污粉、10-20g/L氢氧化钠的水溶液,在打气的作用下,产品在60-68℃温度下,时间为1-5分钟对表面脱模剂、指纹、蜡质层等可见杂质进行清理。
皂化反应方程式是:(C17H35COO)3C3H5+3NaOH=3C17H35COONa+C3H5(OH)3(2)亲水浸泡亲水缸主要成分为稀硫酸(20-30ml/L)、亲水剂(5ml/L),在30-40℃温度下对产品清洗2-8分钟,目的是使后续处理过程中溶液能充分接触产品表面。
(3)粗化处理粗化缸液主要成分为浓硫酸(380-400g/L)和铬酸酐(380-410g/L),在波美度50+/-2,68-70℃温度下对产品清洗3-20分钟(根据实际情况调整走机时间)。
主要目的是与高分子有机物表面进行反应,在强氧化和强脱水的作用下,产品表面的小分子会发生降解脱水反应,小分子脱落从而表面形成微孔结构,起到增加产品表面粗糙程度,能提高镀层与产品的附着力。
第二个目的是腐蚀产品表面未能清洗掉的有机杂质,第三个目的为增强塑料产品表面的亲水能力。
粗化程度的好坏直接影响到镀层的结合力、光亮度和完整性。
(4)纯水洗清洗硫酸及铬酸,防止杂质离子带到后续缸内。
(5)酸化还原(中和活化)缸液主要成分为稀盐酸(PH值3-4)和焦亚硫酸钠2~5g/L,目的为清洗还原粗过程中残留的高价铬离子,避免硫酸根离子和高价铬离子污染后续缸液,保证活化液的使用寿命。
(6)纯水洗清洗清除中和过程中产品附带的氯离子。
(7)预浸预浸液(盐酸150~200ml/L,BPP 18~12ml/L)可对活化液起到一个缓冲作用,减少前面可能出现的有害物质进入活化槽,防止活化液中的盐酸被稀释以及胶体钯直接和镀件表面的中性水接触而导致的破坏性水解。
(8)沉钯缸液主要成分为正二价锡离子(2-4g/L)、胶体钯(2-5%)、稀盐酸(150-200ml/L),胶体钯活性极强,能活化塑料产品表面的分子,使化学镍层能充分致密的吸附到塑料产品表面,为后面的化学镀镍提供催化中心———细微的钯金属小颗粒。
先进行预浸处理,预浸预浸作用是增加活化液的使用寿命,减少活化液的无谓损耗。
在波美度为7+/-1,温度20-30℃下对产品进行1-5分钟的浸泡清洗处理。
(8)解胶缸液主要成分为稀硫酸(25-35ml/L)和17N:(10-20g/L),解胶解胶可去除胶团表面的两价锡,使钯暴露出来成为化学镀镍的催化活性点。
吸附在塑料表面的胶体是以钯为核心、外围为二价锡的粒子团,而活化后道的清洗工序使二价锡水解成胶状,把钯严实地裹在里面,使钯催化作用无法体现。
通过45-55℃温度,波美度5+/-2,1-5分钟的浸泡清洗,能达到解胶目的。
(9)化学沉镍缸液主要成分为次氯化镍、柠檬酸钠、氨水和适量的有机酸组合络合剂、促进剂等。
化学镀镍可在钯催化,pH值为8~10波美度6+/-2,温度为25~45℃,5~8分钟时间浸泡下,在塑料表面沉积一层导电镍层。
(10)纯水洗纯水清洗沉镍过程中产品表面附带的溶液。
(11)换线将产品从前处理线转移到电镀处理线。
(12)酸化用单缸稀硫酸对产品进行浸泡清洗1分钟,为镀铜作准备。
(13)镀焦铜目的为在化学镍层表面镀上一层铜,增强导电性能,并对表面的损伤进行修复。
缸液主要成分为焦铜(CuP2O725-35g/L )、焦钾(K4 P2O7180-280g/L )、各种光剂和修复剂。
所有镀种都必须镀焦铜,具体作业为波美度20+/-2,PH 值8.5-9,电压1-4伏温度45-55℃的条件下电镀2-8分钟。
(14)纯水洗纯水清洗产品表面附带的焦铜缸溶液。
(15)镀酸铜镀焦铜后在产品铜层表面再镀一层铜,主要是增加铜层的厚度、光亮性和导电性能。
缸液成分主要为硫酸铜(190-220g/L )稀硫酸(60-70g/L ),氯离子(氯化铜60-100PPM )。
具体作业为波美度20+/-2,PH 值3.8-4.2,电压2.5-7.5伏温度24-38℃的条件下对产品进行5-45分钟的电镀。
(16)纯水洗纯水清洗产品表面附带的酸铜溶液,避免铜离子带到后续电镀缸。
(17)酸化对产品进行稀硫酸酸化预浸,为进入镀镍缸作准备。
(18)镀镍在产品表面的铜层再镀上一层镍层,增强产品表面的金属光泽。
半光镍缸液主要成分为硫酸镍(NiSO 4:220-280g/L )、氯化镍(NiCl 2:50-60g/L )、硼酸(H 3BO 3:35-45g/L )、光剂等。
具体作业为波美度20+/-2,PH 值3.8-4.2电压2-6伏温度55-60℃条件下对产品进行2-15分钟电镀处理。
光镍缸主要成分为硫酸镍(NiSO 4:220-280g/L )、氯化镍(NiCl 2:50-60g/L )、硼酸(H 3BO 3:35-45g/L )、光剂。
具体作业为波美度20±2,PH 值 4.0-4.3,温度55-60℃,电压:2-9V 条件下电镀2-10分钟。
镍封缸液主要成分为硫酸镍(NiSO 4:220-280g/L )、氯化镍(NiCl 2:50-60g/L )和硼酸(H 3BO 3:45-55g/L )。
具体作业为波美度20±2,PH 值 3.8-4.2,电压2.5-8V ,温度55-60℃下电镀处理1-5 分钟。
(19)纯水洗清洗镀镍过程中产品表面附带的镍缸溶液。
(20)酸活化对产品进行稀硫酸酸化预浸,为进入铬镍缸作准备。
(21)镀铬镀铬主要作用是在镍层表面镀上一层薄铬,主要目的是增强电镀层的强度。
三价铬缸主要成分为三价铬(Cr 3+:22-30 g/L )、添加剂(400-430g/L )、稳定剂(75-85ml/L )、调和剂(3-8ml/L )、修正剂(3-4ml/L )、硼酸(75-85g/L ),具体操作为波美度24-28,温度30-38℃,PH 值2.3-2.9,电压5-11V 条件下电镀处理120-300秒。
六价铬缸主要成分为六价铬(CrO3160-250g/L 铬酐)、硫酸(0.8-1.8g/L ),具体操作为波美度20±2,温度30-4℃,PH值2.3-2.9,电压3.8-7.0V条件下电镀处理3-15分钟。
(22)纯水洗(23)烘干处理电镀完毕后对产品进行烘干处理,在60+/-5℃的温度下烘干30分钟。
(24)电泳为增加电镀面的抗摩擦能力,对产品表面镀层进行电泳,形成一层致密的保护膜。
(25)烘干处理(26)下挂检查下挂后对产品进行简单包装,品管FQC根据客户及公司内部标准对产品进行100%全检和包装。
(27)OQC抽检根据抽样计划,OQC对FQC全检的产品进行抽检。
(28)入库出货ABS电镀工艺部分金源康(宝裕华)主要镀种有光铬、半光铬、珍珠铬、光镍、珍珠镍、碱枪色、酸枪色、浅枪色、24K金、18K金(注:带*号为可选可不选工艺)光铬半光铬珍珠铬光镍珍珠镍碱枪色酸枪色浅枪色 24K金 18K金除油除油除油除油除油除油除油除油除油除油粗化粗化粗化粗化粗化粗化粗化粗化粗化粗化沉钯沉钯沉钯沉钯沉钯沉钯沉钯沉钯沉钯沉钯解胶解胶解胶解胶解胶解胶解胶解胶解胶解胶化学镍化学镍化学镍化学镍化学镍化学镍化学镍化学镍化学镍化学镍焦铜焦铜焦铜焦铜焦铜焦铜焦铜焦铜焦铜焦铜半光镍半光镍* 半光镍* 半光镍* 半光镍* 半光镍半光镍半光镍 * 半光镍半光镍光镍光镍光镍* 光镍光镍光镍光镍光镍光镍光镍珍珠镍珍珠镍珍珠镍珍珠镍珍珠镍* 浅枪 24K金 18K金光铬光铬光铬碱枪酸枪三、电镀过程中的制程管控部分1、除油如产品有条痕或缝隙较深,应提高含量和稍微提高打气量。
打气大小按产品条痕或缝隙大小而定。
2、粗化在这个环节里,操作员应注意铬酐一定要洗干净,对于有孔的要动几下,因为孔里有空气,如果粗化不到,会造成漏镀。
(原理:把ABS里面的成份腐蚀成凹坑,以便于活化时Pa的填补。
)3、中和中和的目的是去除CR03,防止CRO3污染后面的药水,为了保持其洁净度一个星期必须换一次,平时要常加原料。
4、活化这个环节比较重要,如果活化剂较少,那Pa的填补凹坑的能力大大降低,从而造成化镍速度减慢,会发生较多的漏镀毛病。
通常在钯含量相同的情况下,塑料经过处理的活化剂活性越高,下面化学镀镍越不容易产生漏镀现象。
活化液并非普通溶液,而是胶体液。
胶体钯活化液活性的高低,并非取决于溶液中钯含量的高低,而是取决于胶体颗粒的细度及数量的多少。
一般而言,相同钯含量的活化液,制备出的胶体颗粒越细,胶体数量越多,则活化液体现出的活性越高。
注意产品要洗水到位,严禁铬水带入.本产品在此缸停留时间不要太久(若有绝缘工件,在此缸不能停留太久)小心绝缘油层沉上。
5、解胶作用:解除上工序的原子钯为核心的胶团,可去除胶团表面的两价锡,使钯暴露出来成为化学镀镍的催化活性点。
重点管控:因产品带水缸水容易被铬水污染造成黑点漏镀,要求洗水要干净,发现缸水变为青绿色时,要及时更换。
6、化学镍作用:以自动催化还原反应在钯活ABS/PC基本上使表面形成均匀化学沉镍镀层(一层导电膜)。
重点管控:严格标准范围,失调时易造成缸水分解.原料添加必须过滤干净,沉积速度在20秒左右,清缸周期为15天,次钠为加速沉积速度,柠檬酸钠和氯化铵性质为缓冲,降低沉积速度,PH 的高低也决定沉积的快慢当PH降低时,以CP氨水调整。