TSG Q7012-2007起重机械安装改造维修监督检验规则
- 格式:doc
- 大小:283.00 KB
- 文档页数:20
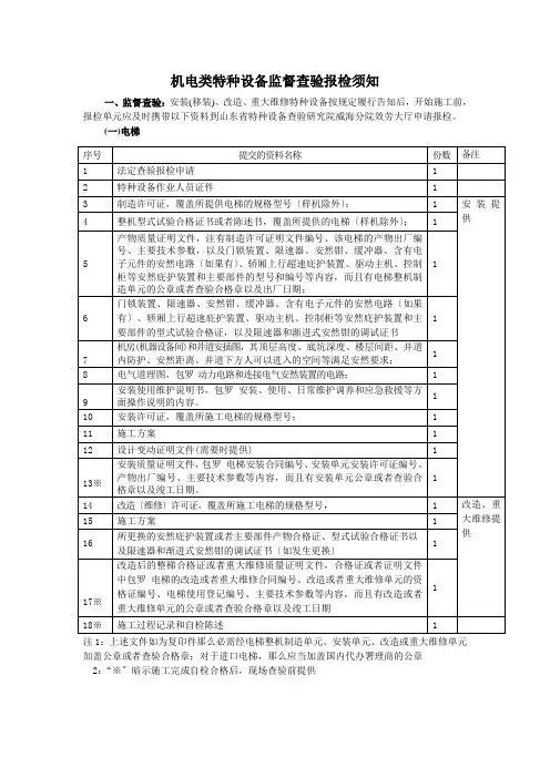
机电类特种设备监督查验报检须知
一、监督查验:安装(移装)、改造、重大维修特种设备按规定履行告知后,开始施工前,报检单元应及时携带以下资料到山东省特种设备查验研究院威海分院效劳大厅申请报检。
(一)电梯
注1:上述文件如为复印件那么必需经电梯整机制造单元、安装单元、改造或重大维修单元加盖公章或者查验合格章;对于进口电梯,那么应当加盖国内代办署理商的公章
2:“※〞暗示施工完成自检合格后,现场查验前提供
注1:上述文件如为复印件那么必需经电梯整机制造单元、安装单元、改造或重大维修单元加盖公章或者查验合格章;对于进口电梯,那么应当加盖国内代办署理商的公章
2:“※〞暗示施工完成自检合格后,现场查验前提供
注:上述文件如为复印件那么必需经制造单元、使用单元加盖公章或者查验合格章
二、按期查验
特种设备使用单元应在安然查验合格有效期届满前一个月携带以下资料到山东省特种设备查验研究院威海分院效劳大厅申请报检。
(一)电梯
三、不合格复检
特种设备查验不合格符合改造、重大维修工程,应按规定履行告知后,按上述规定程序报检;其他不合格特种设备应按“特种设备查验定见书(2)〞的要求及时整改,15日内将整改情况报山东省特种设备查验研究院威海分院。
起重机械安装改造重大维修监督检查细则1目旳为贯彻执行《起重机械安装改造重大维修监督检查规则》(TSG Q7016-),保证起重机检查工作质量,制定本细则。
2 合用范围本细则合用于附件1所列起重机械旳安装(含移装)、改造、重大维修(如下统称施工)监督检查工作(如下简称监检)。
对于未列入附件1旳起重机械,应当按照根据现行旳原则、施工单位提供旳施工资料,编制、审批监检方案并报我所技术管理部门立案,按照监检方案开展监检工作。
3 编制根据TSG Q7016- 《起重机械安装改造重大维修监督检查规则》4 监检人员与监检仪器设备4.1检查仪器和量具及精确度规定4.2 检查仪器和量具属于法定计量检定范围旳,必须经检定合格,且在有效期内。
标有*号旳仪器设备,在有防爆规定旳环境中实行检查时,应当选用防爆型。
4.3 监检人员从事起重机监检旳人员(如下简称监检人员),应当持有有效旳起重机械检查资格证书。
5、检查条件及危险源旳控制5.1实行现场检查时应具有下列条件:5.1.1起重机应到达处在正常工作状况。
5.1.2选择无雨、雪天气(对室外工作旳起重机)。
5.1.3室内工作旳起重机环境温度在-5~+40℃之间;室外工作旳起重机环境温度在-25~+40℃之间;冶金环境中旳室内温度应控制在-5~+60℃之间。
5.1.4风速不不小于8.3m/s(对室外工作旳起重机)。
5.1.5起重机外部工作电源电压波动在-15%~+10%之内。
5.1.6非防爆环境空气中一般不容许有易燃、易爆及腐蚀性气体;防爆环境易爆介质含量在适合检查范围内;特殊状况应有防护。
5.1.7检查现场应整洁,不应有影响起重机检查旳物品、设施和与检查无关旳人员,并放置表明现场正在进行检查旳警示牌。
5.2实行现场检查时要对如下危险源进行控制:5.2.1检查检查环境,与否有也许导致人员发生碰撞和磕绊旳障碍物;5.2.2 检查供电电源,与否有也许导致人员触电旳原因;5.2.3检查人员在起重机上旳站立位置应保证上方有足够旳空间,防止运行时碰撞;5.2.4登上起重机后应保证门联锁及各个联锁装置正常;5.2.5在各项检测过程中要与司机有明确旳沟通讯号,防止司机误操作;5.2.6在线路绝缘检测和接地检测过程中,要有专人监护。
起重机械安全监察规定中华人民共和国国家质量监督检验检疫总局令第92号《起重机械安全监察规定》已经2006年11月27日国家质量监督检验检疫总局局务会议审议通过,现予公布,自2007年6月1日起施行。
局长李长江二〇〇六年十二月二十九日起重机械安全监察规定第一章总则第一条为了加强起重机械安全监察工作,防止和减少起重机械事故,保障人身和财产安全,根据《特种设备安全监察条例》,制定本规定。
第二条起重机械的制造、安装、改造、维修、使用、检验检测及其监督检查,应当遵守本规定。
房屋建筑工地和市政工程工地用起重机械的安装、使用的监督管理按照有关法律、法规的规定执行。
第三条国家质量监督检验检疫总局(以下简称国家质检总局)负责全国起重机械安全监察工作,县以上地方质量技术监督部门负责本行政区域内起重机械的安全监察工作。
第二章起重机械制造第四条制造单位应当依法取得起重机械制造许可,方可从事相应的制造活动。
起重机械制造许可实施分级管理,制造单位取得制造许可应当具备相应条件,具体要求按照有关安全技术规范等规定执行。
第五条起重机械制造许可证有效期为4年。
制造单位应当在许可证有效期届满6个月前提出书面换证申请;经审查后,许可部门应当在有效期满前做出准予许可或者不予许可的决定。
起重机械制造许可证有效期届满而未换证的,不得继续从事起重机械制造活动。
第六条制造单位应当采用符合安全技术规范要求的起重机械设计文件。
第七条按照安全技术规范的要求,应当进行型式试验的起重机械产品、部件或者试制起重机械新产品、新部件,必须进行整机或者部件的型式试验。
第八条起重机械制造过程应当按照安全技术规范等规定的范围、项目和要求,由制造所在地的检验检测机构进行监督检验。
第九条制造单位应当在被许可的场所内制造起重机械;但结构不可拆分且运输超限的,可以在使用现场制造,由制造现场所在地的检验检测机构按照安全技术规范等要求进行监督检验。
第十条制造单位不得将主要受力结构件(主梁、主副吊臂、主支撑腿、标准节,下同)全部委托加工或者购买并用于起重机械制造。
TSG特种设备安全技术规范 TSG Q7012-2007起重机械安装改造维修监督检验规则cran Installation reform & maintainSupervision Inspection Regulation(征求意见稿)中华人民共和国国家质量监督检验检疫总局颁布2007年月日目录起重机械安装改造维修监督检验规则 (1)附件 A 实施安装改造维修监督检验的起重机械目录 (4)附件 B 起重机械安装改造维修监督检验大纲 (8)附件 C 起重机安装改造维修监督检验项目表 (10)附件 D 特种设备监督检验工作联络单 (14)附件 E 特种设备监督检验工作意见通知书 (15)附件 F 起重机械安装改造维修监督检验证书 (16)-2-起重机械安装改造维修监督检验规则第一条为了加强起重机械安装改造维修过程的监督管理,规范起重机械安装改造维修监督检验工作,保证起重机械的安全性能,根据《特种设备安全监察条例》(以下简称《条例》)、《起重机械安全监察规定》(以下简称《规定》)的有关要求,制定本规则。
第二条起重机械安装改造维修(以下简称施工)过程应当按照本规则的要求实施监督检验。
实施施工监督检验(以下简称施工监检)的起重机械范围,依据《实施安装改造维修监督检验的起重机械目录》(见附件A)。
属于《特种设备目录》范围内,但是按照本规则没有实施施工监检的其他类型、品种的起重机械,可以直接进行使用登记。
第三条本规则规定的施工监检,是指起重机械施工过程中,在施工单位自检合格的基础上,由国家质量监督检验检疫总局(以下简称国家质检总局)核准的检验检测机构(以下简称监检机构)对施工过程进行的强制性、验证性的法定检验。
施工监检不能代替施工单位的自检。
施工单位应当对施工质量负责,监检机构应当对所承担的施工监检工作质量负责。
第四条监检工作的技术依据主要是是《起重机械安全技术监察规程》以及相关的安全技术规范和标准。
(机械制造行业)起重机械安装改造重大维修监督检验细则1目的为了贯彻执行《起重机械安装改造重大维修监督检验规则》(TSGQ7016-2008),确保起重机械安装改造重大维修监督检验工作质量,制定本细则。
2适用范围本细则适用于附录1所列起重机械的安装(含移装)、改造、重大维修(以下统称施工)监督检验工作(以下简称监检)。
3编制依据TSGQ7016-2008起重机械安装改造重大维修监督检验规则4监检人员与监检仪器设备4.1监检人员从事起重机械监检的人员(以下简称监检人员),应当持有有效的起重机械检验资格证书。
4.2监检仪器设备各监检机构必须配备附录2所述的仪器设备。
监检人员在施工现场实施监检时所采用的仪器设备,应当满足附录2的的要求。
5监检程序、内容与要求5.1安装监检起重机械的安装,是指将未使用过的起重机械的金属结构、零部件、电气装置、安全保护装置等组装为可供正常使用的起重机械的活动,但不涉及改造、重大维修。
起重机械安装监检流程见附录3。
5.1.1监检申请的受理执行《检验工作程序》。
此外,还需满足下述要求:(1)受理人员受理监检申请时,应当查验施工单位是否提供了以下资料:——特种设备安装改造维修许可证(原件或者复印件)。
——《特种设备安装改造维修告知书》(原件)。
——施工合同(复印件)。
——施工计划。
——施工质量计划及其相应的工作见证(工作见证为空白表、卡)。
如上述资料齐全并且复印件上加盖了施工单位公章,受理人员应当登记有关情况,填写《起重机械施工资料接收清单》(以下简称《接收清单》)并签署确认。
如上述资料不齐全,或者复印件上未加盖安装单位公章,应当要求申请人补正后再次申请。
(2)受理人员应当告知申请人实施监检的部门和联系方式,并确认施工单位已经获悉配合监检方面的要求和其它相关事项。
(3)受理人员应当及时将申请情况登记资料、《接收清单》和施工单位提供的资料等交实施监检的部门。
5.1.2监检前的准备工作5.1.2.1获悉监检申请情况后,监检部门应当指定不少于2名符合4.1要求的人员,负责实施监检工作。
《起重机械监督检验规程》第一条为了加强对起重机械监督检验工作的管理,规范起重机械验收检验和定期检验的行为,提高监督检验工作质量,根据《特种设备质量监督与安全监察规定》,制定本规程。
第二条从事起重机械监督检验的技术机构必须经省级以上质量技术监督行政部门批准,并按授权项目范围开展监督检验工作。
特种设备监督检验机构(以下简称检验机构)开展起重机械的验收检验和定期检验,必须遵守本规程规定的检验内容、要求与方法。
如采用与本规程不一致的检验方法,须经国家质量监督检验检疫总局特种设备安全监察机构同意。
本规程适用于桥架型起重机、塔式起重机、流动式起重机和门座起重机(以下统称起重机)的验收检验和定期检验。
第三条安装、大修或改造后拟投入使用的起重机,应当按照本规程对验收检验规定的内容进行检验;在用起重机应当按照本规程对定期检验规定的内容,每两年进行一次检验。
遇可能影响其安全技术性能的自然灾害或者发生设备事故后的起重机,以及停止使用一年以上再次使用的起重机,进行设备大修后,应当按照验收检验的要求进行检验。
第四条本规程技术指标和要求主要引用了《起重机械安全规程》(GB6067-1985)、《起重机设计规范》(GB/T3811-1983)和各类起重机国家有关标准的规定。
如上述相关标准被修订,应以最新标准为准。
第五条检验机构应根据本规程制定包括检验程序和检验流程图在内的检验实施细则,并对检验过程实施严格控制。
检验人员实施检验过程中,如发现异常或特殊情况,经请示检验机构认可,可按照国家有关标准增加检验项目。
对于不具备现场检验条件的起重机,或者继续检验可能造成安全和健康损害时,检验人员可以中止检验并必须书面说明原因。
第六条检验机构应当在安装、大修或改造等施工单位自检合格的基础上进行验收检验。
施工单位自检的内容、要求与方法应当符合国家有关法规和标准的规定,并应当出具完整的自检报告。
第七条从事起重机验收检验、定期检验的单位,至少应当配备《起重机监督检验必备仪器设备表》(附录1,以下简称《必备仪器设备表》)所列的检测检验仪器设备、计量器具和相应的检测工具,其精度应当满足《必备仪器设备表》中提出的要求,属于法定计量检定范畴的,必须经检定合格,且在有效期内。
TSG特种设备安全技术规范 TSG Q7016-2016起重机械安装改造重大修理监督检验规则Lifting Appliances Installation,Modernization&General Overhaul Supervision Inspection Regulation中华人民共和国国家质量监督检验检疫总局颁布2016年3月23日前言2008年8月7日,国家质量监督检验检疫总局(以下简称国家质检总局)批准颁布《起重机械安装改造重大维修监督检验规则》(TSG Q7016—2008)。
2012年12月,国家质检总局特种设备安全监察局(以下简称特种设备局)向中国特种设备检测研究院(以下简称中国特检院)下达了《起重机械安装改造重大修理监督检验规则》(以下简称规则)修订起草任务书。
2013年1月,中国特检院组织有关专家成立了起草组,并在河南省郑州市召开了起草组第一次工作会议,讨论了规则的修订原则、结构框架、主要内容等,就起草工作进行了具体分工,确定了时间进度要求。
2013年3月,起草组在江苏省无锡市召开了第二次工作会议,对规则草案进行了研讨和修改,形成了征求意见稿。
2013年3月28日,国家质检总局特种设备局以质检特函〔2013〕16号文征求基层部门、有关单位、专家及公民的意见,同时提交国家质检总局特种设备安全技术委员会起重机械分委会(以下简称安委会)审议。
2013年5月,起草组在山东省青岛市召开了起草组第三次工作会议,对征求到的意见和安委会专家审议意见进行了研讨和处理,并相应地调整了规则有关内容,形成了报批稿。
2013年6月28日,国家质检总局特种设备局将规则修订内容中有关起重机械安全监控管理系统的检验项目、内容、方法和要求等以质检特函〔2013〕34号文的形式予以发布。
2014年9月,根据行政许可改革的有关要求以及《特种设备目录》调整情况,起草组又对本规则进行了修改,于2014年10月再次提交安委会审议。
TSG特种设备安全技术规范 TSG Q7012-2007起重机械安装改造维修监督检验规则cran Installation reform & maintainSupervision Inspection Regulation(征求意见稿)中华人民共和国国家质量监督检验检疫总局颁布2007年月日目录起重机械安装改造维修监督检验规则 (1)附件 A 实施安装改造维修监督检验的起重机械目录 (4)附件 B 起重机械安装改造维修监督检验大纲 (8)附件 C 起重机安装改造维修监督检验项目表 (10)附件 D 特种设备监督检验工作联络单 (14)附件 E 特种设备监督检验工作意见通知书 (15)附件 F 起重机械安装改造维修监督检验证书 (16)起重机械安装改造维修监督检验规则第一条为了加强起重机械安装改造维修过程的监督管理,规范起重机械安装改造维修监督检验工作,保证起重机械的安全性能,根据《特种设备安全监察条例》(以下简称《条例》)、《起重机械安全监察规定》(以下简称《规定》)的有关要求,制定本规则。
第二条起重机械安装改造维修(以下简称施工)过程应当按照本规则的要求实施监督检验。
实施施工监督检验(以下简称施工监检)的起重机械范围,依据《实施安装改造维修监督检验的起重机械目录》(见附件A)。
属于《特种设备目录》范围内,但是按照本规则没有实施施工监检的其他类型、品种的起重机械,可以直接进行使用登记。
第三条本规则规定的施工监检,是指起重机械施工过程中,在施工单位自检合格的基础上,由国家质量监督检验检疫总局(以下简称国家质检总局)核准的检验检测机构(以下简称监检机构)对施工过程进行的强制性、验证性的法定检验。
施工监检不能代替施工单位的自检。
施工单位应当对施工质量负责,监检机构应当对所承担的施工监检工作质量负责。
第四条监检工作的技术依据主要是是《起重机械安全技术监察规程》以及相关的安全技术规范和标准。
第五条施工单位在从事施工前,应当按照《条例》、《规定》以及相关安全技术规范的规定,在向起重机械使用地的直辖市或者设区的市级质量技术监督部门书面告知后,向当地承担相应范围的监检机构申请监督检验,并附以下资料:(一)特种设备安装改造维修告知书;(二)施工合同;(三)施工计划。
编号:SY-AQ-05476( 安全管理)单位:_____________________审批:_____________________日期:_____________________WORD文档/ A4打印/ 可编辑论起重机械安装改造重大维修监督检验规则On supervision and inspection rules for major maintenance of hoisting machinery installationand transformation论起重机械安装改造重大维修监督检验规则导语:进行安全管理的目的是预防、消灭事故,防止或消除事故伤害,保护劳动者的安全与健康。
在安全管理的四项主要内容中,虽然都是为了达到安全管理的目的,但是对生产因素状态的控制,与安全管理目的关系更直接,显得更为突出。
2009年4月,由国家质检总局修订的《起重机械安装改造重大维修监督检验规则》正式开始实行。
在新的监督检验规则下,更明确规范了起重机械的安装改造以及重大维修工作的检验规则与程序,并且对一些重型设备的检验人员的职业资格提出了进一步的要求。
起重机械是指用于垂直升降或者水平移动重物的机电设备,是现代化生产不可缺少的组成部分,它可以减轻劳动强度,提高劳动生产率,有些起重机械还能在生产过程中进行某些特殊的工艺操作,使生产过程实现机械化和自动化。
由于设备的特殊性,保证安全是工业生产中的首要问题,因此国家质检总局修订了最新的《起重机械安装改造重大维修监督检验规则》,对调整范围、实施主体、起重机械的制造、安装、改造、维修、使用、检验检测等环节的责任和义务以及监督检查、法律责任等内容都做出了具体的规定。
机械安装改造重大维修监督检验的基本模式起重机械在进行施工的时候,监督检验工作是重要的组成部分,只有在监督检验上符合基本标准,这样才能保证生产的基本安全问题。
相比于旧的规则,在最新的检验规则中,将施工的项目具体分为两类,通过类别的详细划分,确定不同施工项目的监督检验模式之间的区别。
国家质量监督检验检疫总局公告2007年第72号--关于公布《特种设备检验检测机构核准规则》(TSG Z7001-2004)第1号修改单的公告【法规类别】产品质量监督【发文字号】国家质量监督检验检疫总局公告2007年第72号【发布部门】国家质量监督检验检疫总局【发布日期】2007.05.09【实施日期】2007.06.01【时效性】现行有效【效力级别】部门规范性文件国家质量监督检验检疫总局公告(2007年第72号)关于公布《特种设备检验检测机构核准规则》(TSG Z7001-2004)第1号修改单的公告各省、自治区、直辖市质量技术监督局:根据特种设备检验检测机构核准工作的实施情况,需对《特种设备检验检测机构核准规则》(TSG Z7001-2004)的部分内容予以修改。
现将该规则第1号修改单予以公布。
修改内容自2007年6月1日起施行。
附件:《特种设备检验检测机构核准规则》(TSG Z7001-2004)第1号修改单。
二○○七年五月九日附件:《特种设备检验检测机构核准规则》(TSG Z7001-2004)第1号修改单(对2004年12月3日第1版的修改)一、对附件1《特种设备检验检测核准项目分类表》的修改1. “一、检验核准项目分类表”的修改内容对照如下表(第4、5、6页)。
2. 在“一、检验核准项目分类表”后加注(第6页):“注:出口锅炉、压力容器、气瓶的检验分别纳入相关核准项目的监督检验。
”3. 自“一、检验核准项目分类表”原条文序号21开始,凡未修改的条文,其序号均改为后一位数。
二、对附件2《特种设备检验检测机构基本条件》的修改1. 对附表2《特种设备检验检测机构资源条件表》的修改内容对照如下表(第11-17页)。
论起重机械安装改造重大维修监督检验规则(新编版) Safety management refers to ensuring the smooth and effective progress of social and economic activities and production on the premise of ensuring social and personal safety.( 安全管理)单位:_______________________部门:_______________________日期:_______________________本文档文字可以自由修改论起重机械安装改造重大维修监督检验规则(新编版)2009年4月,由国家质检总局修订的《起重机械安装改造重大维修监督检验规则》正式开始实行。
在新的监督检验规则下,更明确规范了起重机械的安装改造以及重大维修工作的检验规则与程序,并且对一些重型设备的检验人员的职业资格提出了进一步的要求。
起重机械是指用于垂直升降或者水平移动重物的机电设备,是现代化生产不可缺少的组成部分,它可以减轻劳动强度,提高劳动生产率,有些起重机械还能在生产过程中进行某些特殊的工艺操作,使生产过程实现机械化和自动化。
由于设备的特殊性,保证安全是工业生产中的首要问题,因此国家质检总局修订了最新的《起重机械安装改造重大维修监督检验规则》,对调整范围、实施主体、起重机械的制造、安装、改造、维修、使用、检验检测等环节的责任和义务以及监督检查、法律责任等内容都做出了具体的规定。
机械安装改造重大维修监督检验的基本模式起重机械在进行施工的时候,监督检验工作是重要的组成部分,只有在监督检验上符合基本标准,这样才能保证生产的基本安全问题。
相比于旧的规则,在最新的检验规则中,将施工的项目具体分为两类,通过类别的详细划分,确定不同施工项目的监督检验模式之间的区别。
A类项目要求起重机械的检验人员可以通过信息审查、现场监察以及设备排除的方式,对于起重机械安装改造重大维修进行监督监察。
桥(门)式起重机安装改造重大维修监督检验细则1 目的为了贯彻执行《起重机械安装改造重大维修监督检验规则》(TSG Q7016-2008),确保桥(门)式起重机安装改造重大维修监督检验工作质量,制定本细则。
2 适用范围本细则适用于附录中所列桥(门)式起重机的安装(含移装)、改造、重大维修(以下统称施工)监督检验工作(以下简称监检)。
对于未列入附录中的桥(门)式起重机,本单位相关人员应当按照《报告和证书控制程序》,根据施工单位提供的施工资料,编制、审批监检方案(包括报告、记录)并报本单位相关部门备案,按照监检方案开展监检工作。
3 编制依据TSG Q7016-2008 起重机械安装改造重大维修监督检验规则4 监检人员与监检仪器设备4.1 监检人员从事起重机械监检的人员(以下简称监检人员),应当持有有效的起重机械检验资格证书。
4.2 监检仪器设备必须配备附录所述的仪器设备。
监检人员在施工现场实施监检时所采用的仪器设备,应当满足附录的监检机构检验仪器设备配置要求。
5 监检程序、内容与要求5.1 安装监检起重机械的安装,是指将未使用过的起重机械的金属结构、零部件、电气装置、安全保护装置等组装为可供正常使用的起重机械的活动,但不涉及改造、重大维修。
起重机械安装监检流程见附录中的起重机械安装监督检验流程图。
5.1.1 监检申请的受理执行《特种设备安装、改造、重大维修监督检验管理程序》。
此外,还需满足下述要求:(1)受理人员受理监检申请时,应当查验施工单位是否提供了以下资料:——特种设备安装改造维修许可证(原件或者复印件)。
——《特种设备安装改造维修告知书》(原件)(对于网上告知的下载打印)。
——施工合同(复印件)。
——施工计划(施工进度安排)。
——施工质量计划及其相应的工作见证(工作见证为空白表、卡)。
如上述资料齐全并且复印件上加盖了施工单位公章,受理人员应当登记有关情况,填写《起重机械施工资料接收清单》(见附录的接收清单》)并签署确认。
起重机械安装改造重大维修监督检验规则和定期检验规则学习B1 设备选型(A项)对照产品文件、合同,检查机械的选型与使用工况匹配情况是否符合法规和合同要求,防爆起重机上的安全保护装置、电气元件、照明器材等需要采用符合防爆要求的,是否采用防爆型。
检验要点:查看订货合同使用单位用途书面说明检查方式现场查看关注点:1使用环境是否有特别要求;是否有特殊用途(冶金吊运熔融金属、吊运危险品等、防爆)2工作级别是否合适B2 产品技术文件(A项)核查产品以下出厂技术文件是否齐全(仅适用于安装监检):(1)产品设计文件(包括总图、主要受力结构件图、机械传动图和电气、液压系统原理图);(2)产品质量合格证明、安装及其使用维护说明;(3)型式试验合格证明(按覆盖原则);(4)制造监督检验证书(纳入监检范围的)。
检验要点:1、对产品质量证明书的要求可参照TSG Q0002-2008《起重机械安全技术监察规程-桥式起重机》第九条规定。
对安装使用说明书可参照第十条规定。
2、型式试验合格证明→应了解制造许可相关规定→分制造单位许可和型式试验许可两种→制造单位许可(不同的型号分别进行型式试验;相同型号按规格从高参数向低参数覆盖原则进行型式试验);型式试验许可(①列入3C认证的起重机(如汽车起重机、随车起重机、高空作业车等)不同的型号分别进行型式试验;相同型号按规格从高参数向低参数覆盖原则进行型式试验。
②超大型起重机(指桥式>320t,门式>320t 或s >50m,塔式起重机力矩>315tm,门座>60t )须逐台进行型式试验)3、对改造、大修产品技术文件要求:原技术文件不全的可以不作要求,但施工后的技术文件应当至少符合上述(1)(2)要求。
B3 安装改造维修资格核查以下证件是否符合要求:(1)安装改造维修许可证;(A项)(2)安装改造重大维修告知书;(A项)(3)现场安装改造维修作业人员的资格证件。
(B项)检验要点:1、应提供原件(样机安装须提供施工许可申请受理书原件);2、必须符合要求(施工产品与告知书填写一致;在许可证或申请受理书范围内;人员资格证书在有效期内)B4 施工作业(工艺)文件(B项)核查施工单位是否有经其负责人批准的施工作业(工艺)文件,包括作业程序、技术要求、方法和措施等。
起重机械安装改造重大维修监督检验细则1内容与范围1.1本细则规定了起重机械安装改造重大维修监督检验的基本程序、项目、要求和方法。
1.2本细则适用于《起重机械安装改造重大维修监督检验规则》所规定的各类起重机械的安装改造重大维修(以下简称施工)监督检验。
2监检依据国务院549号令《特种设备安全监察条例》国家质检总局92号令《起重机械安全监察规定》TSG Q7016-2008 《起重机械安装改造重大维修监督检验规则》TSG Z0004-2007 《特种设备制造、安装、改造、维修质量保证体系基本要求》相关产品安全技术规范、技术标准、设计文件施工单位的质量管理体系文件及有关企业标准3监检性质、内容和范围3.1监检是在起重机械施工过程中,在施工单位自检合格的基础上,对施工过程进行强制性、验证性检验。
3.2监检内容包括:①对起重机械施工过程中涉及安全性能的项目进行监检;②对施工单位质量管理体系运转情况进行监督检查。
3.3监检范围:3.3.1本中心依据浙江省质量技术监督局的授权范围,对起重机械在使用现场进行施工(包括移装)、允许范围的制作活动(包括主要受力构件的分段组装等),实施起重机械施工监检。
3.3.2实施安装监检的起重机械范围见TSG Q7016-2008附件A《实施安装监督检验的起重机械目录》;纳入《特种设备目录》的起重机械,其改造、重大维修过程都应当要求实施监检。
4监检流程(见下图)5监检步骤及要求5.1监检申请受理5.1.1中心业务部门接到申请受理单后,业务员应对部分施工单位资料进行审查,申请所持资料项目不得少于本细则6.5.1规定要求。
实施监检的起重机械应当在施工单位特种设备安装改造维修许可证的范围内。
正在申请特种设备施工许可的施工单位,在取得受理后,对其试施工的起重机械进行监检。
审查后,符合要求的应及时受理并把施工监检任务下达各检验部门,不符合要求的应及时通知施工单位。
5.1.2提交的施工质量计划应能够有效控制施工过程的质量,应能够依据各质量控制系统要求,合理设置控制环节、控制点(包括审核点、见证点、停止点),满足规则要求,并且包括以下内容:①控制内容、要求;②过程中实际操作要求;③质量控制系统责任人员和相关人员签字确认的规定。
TSG特种设备安全技术规范 TSG Q7016-2008起重机械安装改造重大维修监督检验规则Crane Installation, Modernization & General overhaul Supervision Inspection Regulation中华人民共和国国家质量监督检验检疫总局颁布2008年8月7日前言2007年1月,国家质量监督检验检疫总局(以下简称国家质检总局)特种设备安全监察局(以下简称特种设备局)向中国特种设备检测研究院(以下简称中国特检院)下达起草任务书。
2007年3月,中国特检院组织成立起草组,召开工作会议,在前期调查研究的基础上形成了草案。
2007年8月,中国特检院向特种设备局上报了征求意见稿。
2007年9月29日,特种设备局以质检特函〔2007〕44 号文征求基层部门、有关单位和专家及其公民的意见。
2007年11月,起草组根据征求到的意见,进行修改并形成送审稿。
2007年12月,送审稿提交给国家质检总局特种设备安全技术委员会审议,起草组修改后形成了报批稿。
2008年8月7日,由国家质检总局批准颁布。
本规则明确规定了起重机械安装改造重大维修监督检验的目的、性质、依据、适用范围、方式方法、工作内容、程序和要求,规定了对监督检验机构、监督检验人员和被检单位的职责要求,并根据现实情况适当调整了监督检验的项目,以指导和规范起重机械安装改造重大维修监督检验工作。
本规则主要起草单位和人员如下:江苏省特种设备安全监督检验研究院李向东国家质量监督检验检疫总局尚洪中国特种设备检测研究院董尚元国家电力公司郑州机械设计研究所司健国家起重运输机械质检中心李曙光大连市特种设备监督检验所邱洪伟国家建筑城建机械质检中心李岳伟西南交通大学程文明上海竟力机电工程信息科技有限公司乐竟辉徐工集团徐州重型机械有限公司刘木南太原重工起重机分公司张莉茹上海振华港机股份有限公司田沛清上海市特种设备监督检验技术研究院俞中建吴峰崎上海市质量技术监督局葛翔目录起重机械安装改造重大维修监督检验规则 (1)附件A 实施安装改造重大维修监督检验的起重机械目录 (7)附件B 起重机械安装改造重大维修监督检验大纲 (9)附件C 起重机安装改造重大维修监督检验项目表 (16)附件D 特种设备监督检验工作联络单 (20)附件E 特种设备监督检验工作意见通知书 (21)附件F 起重机械安装改造重大维修监督检验证书 (22)附件G 起重机械安装改造重大维修监督检验报告 (23)起重机械安装改造重大维修监督检验规则第一条为了规范起重机械安装、改造、重大维修监督检验工作,根据《特种设备安全监察条例》、《起重机械安全监察规定》,制定本规则。
TSG特种设备安全技术规范 TSG Q7012-2007起重机械安装改造维修监督检验规则cran Installation reform & maintainSupervision Inspection Regulation(征求意见稿)中华人民共和国国家质量监督检验检疫总局颁布2007年月日目录起重机械安装改造维修监督检验规则 (1)附件 A 实施安装改造维修监督检验的起重机械目录 (4)附件 B 起重机械安装改造维修监督检验大纲 (8)附件 C 起重机安装改造维修监督检验项目表 (10)附件 D 特种设备监督检验工作联络单 (14)附件 E 特种设备监督检验工作意见通知书 (15)附件 F 起重机械安装改造维修监督检验证书 (16)-2-起重机械安装改造维修监督检验规则第一条为了加强起重机械安装改造维修过程的监督管理,规范起重机械安装改造维修监督检验工作,保证起重机械的安全性能,根据《特种设备安全监察条例》(以下简称《条例》)、《起重机械安全监察规定》(以下简称《规定》)的有关要求,制定本规则。
第二条起重机械安装改造维修(以下简称施工)过程应当按照本规则的要求实施监督检验。
实施施工监督检验(以下简称施工监检)的起重机械范围,依据《实施安装改造维修监督检验的起重机械目录》(见附件A)。
属于《特种设备目录》范围内,但是按照本规则没有实施施工监检的其他类型、品种的起重机械,可以直接进行使用登记。
第三条本规则规定的施工监检,是指起重机械施工过程中,在施工单位自检合格的基础上,由国家质量监督检验检疫总局(以下简称国家质检总局)核准的检验检测机构(以下简称监检机构)对施工过程进行的强制性、验证性的法定检验。
施工监检不能代替施工单位的自检。
施工单位应当对施工质量负责,监检机构应当对所承担的施工监检工作质量负责。
第四条监检工作的技术依据主要是是《起重机械安全技术监察规程》以及相关的安全技术规范和标准。
第五条施工单位在从事施工前,应当按照《条例》、《规定》以及相关安全技术规范的规定,在向起重机械使用地的直辖市或者设区的市级质量技术监督部门书面告知后,向当地承担相应范围的监检机构申请监督检验,并附以下资料:(一)特种设备安装改造维修告知书;(二)施工合同;(三)施工计划。
第六条监检机构接到施工单位的申请后,应当根据本规则和起重机械的状况制定监检工作方案(或者监检作业指导书,以下简称监检方案),安排相应资格的检验人员-1-从事监检工作,并将承担监检工作的检验人员(以下简称监检人员)、监检方案告知施工单位。
第七条施工单位应当在施工现场向监检人员提供以下文件、资料,并且设专人进行配合:(一)施工计划;(二)质量管理手册和相关的管理制度;(三)施工设备的出厂文件、施工作业(工艺)文件以及相应的设计文件;(四)质量管理人员、责任人员、专业技术人员和专业技术工人名单和持证人员的相关证件;(五)施工过程的各种检查、验收资料;(六)监督检验工作要求的其他相关资料。
对A类监检项目,施工单位应当向监检人员告知或者约定监检时间。
根据监检工作情况,需要在现场设立固定办公场所的,施工单位应当配备必要的办公条件。
第八条起重机械施工监检包括对施工过程中涉及安全性能的项目进行监检和对质量管理体系运转情况的监督检查,其监检项目和要求见《起重机械安装改造维修监督检验大纲》(见附件B,以下简称《监检大纲》)和《起重机械安装改造维修监督检验项目表》(见附件C,以下简称《监检项目表》)。
第九条起重机械施工监检项目分A类和B类。
在起重机械施工单位自检合格后,监检员应当根据《监检大纲》要求进行资料核查、现场监督或实物检查等监检工作,并在起重机械施工单位提供的见证文件(检查报告、记录表、卡等,下同)上签字确认。
对A类项目,未经监检确认,不得流转至下一道工序。
对于A类监检项目,监检机构可以留一份施工单位提交的检查、试验的工作见证件存档。
第十条《监检大纲》所列项目和要求,是对起重机械施工监检的通用要求,监检机构可以根据起重机械施工的实际情况、起重机械特点,在制定监检方案(作业指导书)时进行适当调整,调整的项目应当有科学、合理的依据。
《监检项目表》应当按照不同的起重机械,根据《监检大纲》规定监检项目进行调整。
-2-第十一条在监检过程中,监检人员应当如实做好记录,并且根据记录填写《监检项目表》。
监检单位或者监检人员在监检中发现施工单位违反有关规定,一般问题应当向施工单位发出《特种设备监督检验工作联络单》(见附件D);严重问题应当向施工单位签发《特种设备监督检验意见通知书》(见附件E)。
施工单位对监检员发出的《特种设备监督检验工作联络单》或者监检单位发出的《特种设备监督检验意见通知书》,应当在规定的期限内处理并书面回复。
第十二条监检工作结束后,监检机构一般应当在10个工作日(大型起重机械可以在30个工作日)内出具《起重机械安装改造维修监督检验证书》(见附件F)及监检报告。
监检报告至少应当包括以下内容:(一)起重机械基本情况;(二)施工单位及现场施工过程;(三)监检工作的具体项目、内容、检查结果、监检结论(根据监检项目表);(四)监检过程中发现问题的处理情况(包括监检工作联络单、监检意见通知书等复印件)《起重机械安装改造维修监督检验证书》、监检报告各一式三份,一份送施工单位,一份由施工移交使用单位,一份监检机构存档。
第十三条各级质量技术监督部门负责监督本规则的实施。
第十四条监检机构应该依据有关规定收取监检费用。
第十五条本规则由国家质检总局负责解释。
第十六条本规则自2007年月日实施。
-3-附件A实施安装改造维修监督检验的起重机械目录-4--5-附件B起重机械安装改造维修监督检验大纲B1 监督检验工作见证的基本要求B1.1签字确认形式根据监督检验的工作方式,在施工单位提供的工作见证上签字确认有以下三种形式:(1)根据提供的资料,对项目完成情况进行确认,在相应的工作见证签字;(2)在现场对安装活动进行监督,在有关工作见证上签字确认;(3)对实物进行了检查(包括全面检查或者抽查),在有关工作见证上签字确认。
在工作见证上签字确认应当注明监检确认的方式(资料确认、现场监督、实物检查)和签字日期。
B1.2监检情况记录监督检验情况必须作详细记录,包括监检确认方式和现场检查、抽查的项目以及监检结果。
有具体数据要求的,应当记录实际测量数据的结果。
检验结果与安装单位提供的工作见证不一致时,必须将不一致情况在监检记录上做出详细记载。
监检记录表格由检验机构制订,在本机构正式颁发使用。
B1.3监检项目表《监检项目表》根据监检记录填写。
对符合要求或者不符合要求的监检项目,在《监检项目表》中“监检结果”栏内填“合格”或者“不合格”,并且在“工作见证”栏内填写监检人员签字的见证件名称、编号或者监检工作纪录的名称,对监检对不符合要求的监检项目,还应当在记事栏中记述不符合要求的具体情况、实测数据、质量保证体系运行中的问题,以及施工单位的处理情况等。
B2 施工监检项目和方法B2.1设备选型对照出厂文件、合同,现场核查实物,确定起重机械选型与使用工况是否匹配。
B2.2出厂文件-6-核查以下文件是否符合要求:(1)起重机设计文件(包括总图、主要受力结构件图、机械传动图和电气、液压系统原理图);(2)产品质量合格证明和安装及使用维修说明书;(3)有关型式试验合格证明(按覆盖原则查);(4)制造监督检验证书(纳入监检范围的)。
B2.3安装改造维修资格证件核查以下证件是否符合要求:(1)安装改造维修许可证;(2)安装改造维修告知书;(3)现场安装改造维修人员中应当持证人员的证件。
B2.4施工作业(工艺)文件核查施工单位是否有经其负责人批准的施工作业(包括施工组织方案、现场焊接、运行试验等相应工艺)。
B2.5现场施工条件(1)核查是否有经过使用单位负责人批准的基础土建施工证明文件;(2)核查施工单位是否对基础土建施工检查证明文件进行确认,有确认资料。
B2.6起重机械零部件的验收施工前,确认以下检查、测量是否符合要求:(1)检查主要受力结构件、承载件拼接、焊接;(2)测量主要受力结构件主要几何尺寸;(3)核查安全保护装置合格证、铭牌,并且核对实物;(4)核查主要零部件(如钢丝绳、吊具、压板等)合格证、铭牌,并且核对实物。
B2.7起重机械部件的施工施工过程中,确认以下检查、测量是否符合要求:(1)检查主要受力结构件(如主梁、主支撑腿、主副吊臂、标准节、缆索塔架等)的安装现场的连接(焊接、螺栓、销轴)部位;(2)测量施工后主要几何尺寸(如主梁上拱度、对角线偏差等);(3)检查钢丝绳连接部分;-7-(4)检查安全警示标志。
B2.8电气保护根据电气接线图,按照GB6067-《起重机械安全规程》要求,对以下电气保护装置试验结果进行确认:(1)电气设备及金属结构的接地情况;(2)绝缘电阻;(3)紧急断电开关;(4)短路保护;(5)失压保护;(6)零位保护;(7)过流保护;(8)超速保护;(9)失磁保护。
B2.9安全保护、防护装置按照B6067《起重机械安全规程》对以下安全防护装置的试验或检查结果进行确认:(1)超载限制器;(2)力矩限制器;(3)制动器;(4)行程限制器;(5)缓冲器和端部止挡;(6)联锁保护装置;(7)偏斜调整和显示装置;(8)风级风速报警器;(9)防风装置夹轨器锚定装置或铁鞋;(10)防倾翻安全钩;(11)扫轨板和支承架;(12)导电滑触线防护板;(13)防护罩及防雨罩;(14)起重机的其它安全防护装置;-8-(15)升降机防坠落安全器;(16)升降机的其它安全装置;(17)机械式停车设备的其它安全装置。
B2.10整机试验整机试验包括空载试验、额定载荷试验、静载荷试验、动载荷试验和有特殊要求时的试验(如门座起重机的静稳定性试验、施工升降机的吊笼坠落试验、垂直循环类机械式停车设备的最大偏载试验等)。
试验前应当核查以下准备工作:(1)核查试验方案;(2)现场核查试验条件是否满足GB/T 5905-1998《起重机试验规范和程序》、JT/T99-1994《港口门座起重机试验方法》、GB/T 10056-《施工升降机试验方法》和JB/T 10215-《垂直循环类机械式停车设备》及相关规定的要求。
试验后应当核查整机试验记录和试验报告是否符合规定。
B2.10.1空载试验在空载条件下,按照设计要求进行起升、大车行走、小车运行、吊具回转等动作的操作,并且进行起升高度限位、下降深度限位、大小车运行机构限位试验,连锁、互锁性能试验和设计规定的各机构空载速度试验,至少重复进行3个循环。
空载试验后,检查以下内容是否符合要求:(1)操纵系统、控制系统、连锁、互锁装置动作可靠、准确,馈电装置工作正常;(2)起升高度限位、下降深度限位、大小车运行限位动作可靠、准确;(3)液压系统无泄漏现象,润滑系统工作正常;(4)各机构动作平稳、运行正常,能实现规定的功能和动作,无异常震动、冲击、过热、噪声等现象;(5)起升高度、下降深度、吊具极限位置及各工作位置行程在规定范围内;(6)各机构空载速度在允差范围内。