钢梁拼接节点计算
- 格式:xls
- 大小:184.00 KB
- 文档页数:10
等强度设计法计算梁的拼接接点设计型号H900x300x20x25工字钢梁高h=900mm工字钢腹板厚t w=20mm f=295f V=工字钢上翼缘宽b1=300mm工字钢上翼缘厚t f1=25mm f=265f V=工字钢下翼缘宽b2=300mm工字钢下翼缘厚t f2=25mm f=265f V=工字钢腹板高度h w=850mm截面面积A0b=32000mm2中和轴位置h1=450mm h2=450惯性矩I0x b=3895416667mm4截面抵抗矩W0x1b=8656481.481mm3W0x2b=8656481腹板连接板的高度h wm=680mm初定螺栓型号:M24P=180KN孔径26接触面处理方法:μ=0.4传力摩擦面个数:n=22.拼接连接计算1) 梁单侧翼缘和腹杆的净截面面积估算和相应的连接螺栓数目估算:a=6375mm2净截面面积估算:Anf1A nf2a=6375mm2A nw a=14450mm2连接螺栓估算:采用n fb1a=11.7317708316n fb2a=11.7317708316n wb a=17.05902778162)翼缘外侧拼接连接板的厚度t11=15.5mm20(-18x300x1160)t12=15.5mm20(-18x300x1160)翼缘内侧拼接连接的宽度b为:b1=140mm120b2=140mm120翼缘内侧拼接连接板厚度:t21=19.625mm25(-20x120x1160)t22=19.625mm25(-20x120x1160)腹板两侧拼接连接板的厚度,t3=13.5mm16(-14x190x670)3)梁的截面特性(1)梁上的螺栓孔截面惯性矩:I rR b=637802013.3mm4(2)扣除螺栓孔后的净截面惯性矩:I nx b=3257614653mm4(3)梁的净截面抵抗矩:W nx b=7239143.674mm3(4)梁单侧翼缘的净截面面积A nF b=4900mm2(5)梁腹板的净截面面积A nw b=12320mm24)梁的拼接连接按等强设计法的设计内力值弯矩M n b=1918373074N*mm剪力V n b=2094400N5)校核在初开始估计的螺栓数目n fb1a=15.22518312<16ok!n fb2a=15.22518312<16ok!n wb=14.54444444<16ok!6)拼接连接板的校核(1)净截面面积的校核单侧翼缘拼接连接板的净截面面积A oF PL=7320>4900ok!腹板拼接连接板的净截面面积A oW PL=15104>12320ok!(2)拼接连接板刚性的校核拼接连接板的毛截面惯性矩I ox PL=4399335333cm4拼接连接板上的螺栓孔截面惯性矩I xR PL=984164237.3cm4拼接连接板扣除螺栓孔后的净截面惯性矩I nx PL=3415171096cm4拼接连接板的净截面抵抗矩W nx PL=7266321.481>7239144ok!7)按抗震设计要求对拼接连接节点的最大承载力的校核(1)梁的全塑性弯矩M px b=1821875000N*mm(2)拼接连接节点的最大承载力的校核对弯矩梁翼缘拼接连接般的净截面抗拉最大承载力的相应最大弯矩M u1=3013358000梁翼缘连接高强度螺栓的抗剪最大承载力的相应最大弯矩M u2=6617520000梁翼缘板的边端截面抗拉最大承载力的相应最大弯矩M u3=8225000000> 3.01E+09翼缘拼接连接板边端截面抗拉最大承载力的相应最大弯矩M u4=14673400000> 3.01E+09M u=3013358000> 2.19E+09ok!对剪力梁腹板净截面面积的抗剪最大承载力:V u1=3343088.999梁腹板拼接连接板净截面面积的抗剪最大承载力:V u2=4098540.279>3343089腹板连接高强度螺栓的抗剪最大承载力V u3=7562880>3343089V u=3343088.999>249309.2ok!(3)螺栓孔对梁截面的削弱校核梁的毛截面面积A0=32000mm2螺栓孔的削弱面积:A R=6760mm2螺栓孔对梁截面的削弱率μr=21%<25%ok!170 155 155。
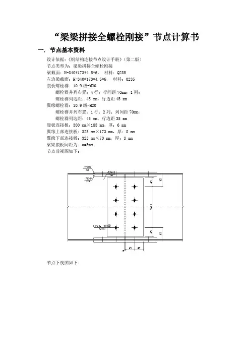
“梁梁拼接全螺栓刚接”节点计算书一. 节点基本资料设计依据:《钢结构连接节点设计手册》(第二版)节点类型为:梁梁拼接全螺栓刚接梁截面:H-340*173*4.5*6,材料:Q235左边梁截面:H-340*173*4.5*6,材料:Q235腹板螺栓群:10.9级-M20螺栓群并列布置:4行;行间距70mm;1列;螺栓群列边距:45 mm,行边距45 mm翼缘螺栓群:10.9级-M20螺栓群并列布置:1行;2列;列间距70mm;螺栓群列边距:45 mm,行边距35 mm腹板连接板:300 mm×185 mm,厚:6 mm翼缘上部连接板:325 mm×173 mm,厚:8 mm翼缘下部连接板:325 mm×70 mm,厚:8 mm梁梁腹板间距为:a=5mm节点前视图如下:节点下视图如下:二. 荷载信息设计内力:组合工况内力设计值组合工况1 0.0 115.4 152.3 否组合工况2 0.0 135.4 172.3 是三. 验算结果一览承担剪力(kN) 33.9 最大126 满足列边距(mm) 45 最小33 满足列边距(mm) 45 最大48 满足行边距(mm) 45 最小44 满足行边距(mm) 45 最大48 满足外排行间距(mm) 70 最大72 满足中排行间距(mm) 70 最大144 满足行间距(mm) 70 最小66 满足净截面剪应力比 0.426 1 满足净截面正应力比 0.000 1 满足净面积(cm^2) 25.4 最小10.8 满足承担剪力(kN) 129 最大140 满足列边距(mm) 45 最小44 满足列边距(mm) 45 最大64 满足外排列间距(mm) 70 最大96 满足中排列间距(mm) 70 最大192 满足列间距(mm) 70 最小66 满足行边距(mm) 35 最小33 满足行边距(mm) 35 最大64 满足净截面剪应力比 0.000 1满足净截面正应力比 0.500 1 满足净面积(cm^2) 18.0 最小7.74 满足净抵抗矩(cm^3) 679 最小300 满足四. 梁梁腹板螺栓群验算1 螺栓群受力计算控制工况:组合工况2,N=0 kN;V x=135.4 kN;M y=172.3 kN·m;2 腹板螺栓群承载力计算列向剪力:V=135.4 kN螺栓采用:10.9级-M20螺栓群并列布置:4行;行间距70mm;1列;螺栓群列边距:45 mm,行边距45 mm螺栓受剪面个数为2个连接板材料类型为Q235螺栓抗剪承载力:N vt=N v=0.9n fμP=0.9×2×0.45×155=125.55kN计算右上角边缘螺栓承受的力:N v=135.4/4=33.85 kNN h=0 kN螺栓群对中心的坐标平方和:S=∑x^2+∑y^2=24500 mm^2N mx=0 kNN my=0 kNN=[(|N mx|+|N h|)^2+(|N my|+|N v|)^2]^0.5=[(0+0)^2+(0+33.85)^2]^0.5=33.85 kN≤125.55,满足3 腹板螺栓群构造检查列边距为45,最小限值为33,满足!列边距为45,最大限值为48,满足!行边距为45,最小限值为44,满足!行边距为45,最大限值为48,满足!外排行间距为70,最大限值为72,满足!中排行间距为70,最大限值为144,满足!行间距为70,最小限值为66,满足!五. 腹板连接板计算1 腹板连接板受力计算控制工况:同腹板螺栓群(内力计算参上)连接板剪力:V l=135.4 kN采用一样的两块连接板连接板截面宽度为:B l=300 mm连接板截面厚度为:T l=6 mm连接板材料抗剪强度为:f v=125 N/mm^2连接板材料抗拉强度为:f=215 N/mm^2连接板全面积:A=B l*T l*2=300×6×2×10^-2=36 cm^2开洞总面积:A0=4×22×6×2×10^-2=10.56 cm^2连接板净面积:A n=A-A0=36-10.56=25.44 cm^2连接板净截面剪应力计算:τ=V l×10^3/A n=135.4/25.44×10=53.2233 N/mm^2≤125,满足!连接板截面正应力计算:按《钢结构设计规范》5.1.1-2公式计算:σ=(1-0.5n1/n)N/A n=(1-0.5×4/4)×0/25.44×10=0 N/mm^2≤215,满足!按《钢结构设计规范》5.1.1-3公式计算:σ=N/A=0/36×10=0 N/mm^2≤215,满足!2 腹板连接板刚度计算腹板的净面积为:4.5×(340-2×6)/100-4×4.5×22/100=10.8cm^2腹板连接板的净面积为:(300-4×22)×6×2/100=25.44cm^2≥10.8,满足六. 翼缘螺栓群验算1 翼缘螺栓群受力计算控制工况:组合工况2,N=0 kN;V x=135.4 kN;M y=172.3 kN·m;翼缘螺栓群承担的轴向力:F f=|M f|/(h-t f)/2=257.934kN2 翼缘螺栓群承载力计算行向轴力:H=257.934 kN为地震组合工况,取连接螺栓γRE=1螺栓采用:10.9级-M20螺栓群并列布置:1行;2列;列间距70mm;螺栓群列边距:45 mm,行边距35 mm螺栓受剪面个数为2个连接板材料类型为Q345螺栓抗剪承载力:N vt=N v=0.9n fμP=0.9×2×0.5×155=139.5kN轴向连接长度:l1=(2-1)×70=70 mm<15d0=330,取承载力折减系数为ξ=1.0折减后螺栓抗剪承载力:N vt=139.5×1=139.5 kN计算右上角边缘螺栓承受的力:N v=0 kNN h=257.93/2=128.97 kN螺栓群对中心的坐标平方和:S=∑x^2+∑y^2=2450 mm^2N mx=0 kNN my=0 kNN=[(|N mx|+|N h|)^2+(|N my|+|N v|)^2]^0.5=[(0+128.97)^2+(0+0)^2]^0.5=128.97 kN≤139.5,满足3 翼缘螺栓群构造检查列边距为45,最小限值为44,满足!列边距为45,最大限值为64,满足!外排列间距为70,最大限值为96,满足!中排列间距为70,最大限值为192,满足!列间距为70,最小限值为66,满足!行边距为35,最小限值为33,满足!行边距为35,最大限值为64,满足!七. 翼缘连接板计算1 翼缘连接板受力计算控制工况:同翼缘螺栓群(内力计算参上)连接板轴力:N l=257.934 kN采用两种不同的连接板连接板1截面宽度为:B l1=70 mm连接板1截面厚度为:T l1=8 mm连接板1有2块连接板2截面宽度为:B l2=173 mm连接板2截面厚度为:T l2=8 mm连接板材料抗剪强度为:f v=125 N/mm^2连接板材料抗拉强度为:f=215 N/mm^2连接板全面积:A=B l1*T l1*2+B l2*T l2=(70×8×2+173×8)×10^-2=25.04 cm^2开洞总面积:A0=1×22×(8+8)×2×10^-2=7.04 cm^2连接板净面积:A n=A-A0=25.04-7.04=18 cm^2连接板净截面剪应力:τ=0 N/mm^2≤125,满足!连接板截面正应力计算:按《钢结构设计规范》5.1.1-2公式计算:σ=(1-0.5n1/n)N/A n=(1-0.5×1/2)×257.934/18×10=107.473 N/mm^2≤215,满足!按《钢结构设计规范》5.1.1-3公式计算:σ=N/A=257.934/25.04×10=103.009 N/mm^2≤215,满足!2 翼缘连接板刚度计算单侧翼缘的净面积为:173×6/100-2×1×22×6/100=7.74cm^2单侧翼缘连接板的净面积为:(173-2×1×22)×8/100+(70-1×22)×8×2/100=18cm^2≥7.74,满足3 拼接连接板刚度验算梁的毛截面惯性矩:I b0=6823cm^4翼缘上的螺栓孔的惯性矩:I bbf=2×2×1×[22×6^3/12+22×6×(340/2-6/2)^2]×10^-4=1472.7cm^4腹板上的螺栓孔的惯性矩:I bbw=4×4.5×22^3/12×10^-4+4.5×22×(105^2+35^2+35^2+105^2)×10^-4=244.147cm^4梁的净惯性矩:I b=6823-1472.7-244.147=5106.16cm^4梁的净截面抵抗矩:W b=5106.16/340×2×10=300.362cm^3翼缘上部连接板的毛惯性矩:I pf1=2×[173×8^3/12+173×8×(340/2+8/2)^2]×10^-4=8381.87cm^4翼缘上部连接板上的螺栓孔的惯性矩:I pfb1=2×2×1×[22×8^3/12+22×8×(340/2+8/2)^2]×10^-4=2131.81cm^4翼缘下部连接板的毛惯性矩:I pf2=2×2×[70×8^3/12+70×8×(340/2-8/2-6)^2]×10^-4=5735.59cm^4翼缘下部连接板上的螺栓孔的惯性矩:I pfb2=2×2×1×[22×8^3/12+22×8×(340/2-8/2)^2]×10^-4=1940.32cm^4腹板连接板的毛惯性矩:I pw=2×6×300^3/12×10^-4=2700cm^4腹板连接板上的螺栓孔的惯性矩:I pbw=2×4×6×22^3/12×10^-4+2×6×22×(105^2+35^2+35^2+105^2)×10^-4=651.059cm^4连接板的净惯性矩:I p=8381.87+5735.59+2700-2131.81-1940.32-651.059=12094.3cm^4连接板的净截面抵抗矩:W p=12094.3/(340/2+8)×10=679.454cm^3≥300.362,满足。
等强度设计法计算梁的拼接接点设计型号H450x300x10x20工字钢梁高h=450mm工字钢腹板厚t w=10mm f=310f V=工字钢上翼缘宽b1=300mm工字钢上翼缘厚t f1=20mm f=295f V=工字钢下翼缘宽b2=300mm工字钢下翼缘厚t f2=20mm f=295f V=工字钢腹板高度h w=410mm截面面积A0b=16100mm2中和轴位置h1=225mm h2=225惯性矩I0x b=612534166.7mm4截面抵抗矩W0x1b=2722374.074mm3W0x2b=2722374腹板连接板的高度h wm=340mm初定螺栓型号:M22(腹板)P=180KN孔径23.5M22(翼缘) P=180KN孔径23.5接触面处理方法:μ=0.4传力摩擦面个数:n=22.拼接连接计算1) 梁单侧翼缘和腹杆的净截面面积估算和相应的连接螺栓数目估算:a=5100mm2净截面面积估算:Anf1A nf2a=5100mm2A nw a=3485mm2连接螺栓估算:采用n fb1a=10.4479166712n fb2a=10.4479166712n wb a= 4.3562542)翼缘外侧拼接连接板的厚度t11=13mm22(-22x450x840)t12=13mm22(-22x450x840)翼缘内侧拼接连接的宽度b为:b1=145mm130b2=145mm130翼缘内侧拼接连接板厚度:t21=15.53846154mm25(-25x220x840)t22=15.53846154mm25(-25x220x840)腹板两侧拼接连接板的厚度,t3=7.029411765mm12(-18x190x840)3)梁的截面特性(1)梁上的螺栓孔截面惯性矩:I rR b=94528926.25mm4(2)扣除螺栓孔后的净截面惯性矩:I nx b=518005240.4mm4(3)梁的净截面抵抗矩:W nx b=2302245.513mm3(4)梁单侧翼缘的净截面面积A nF b=4120mm2(5)梁腹板的净截面面积A nw b=1985mm24)梁的拼接连接按等强设计法的设计内力值弯矩M n b=679162426.3N*mm剪力V n b=357300N5)校核在初开始估计的螺栓数目n fb1a=10.96838544<12ok!n fb2a=10.96838544<12ok!n wb= 2.48125<4ok!6)拼接连接板的校核(1)净截面面积的校核单侧翼缘拼接连接板的净截面面积A oF PL=8682>4120ok!腹板拼接连接板的净截面面积A oW PL=7032>1985ok!(2)拼接连接板刚性的校核拼接连接板的毛截面惯性矩I ox PL=1055531767cm4拼接连接板上的螺栓孔截面惯性矩I xR PL=473665984.3cm4拼接连接板扣除螺栓孔后的净截面惯性矩I nx PL=581865782.3cm4拼接连接板的净截面抵抗矩W nx PL=2355731.912>2302246ok!7)按抗震设计要求对拼接连接节点的最大承载力的校核(1)梁的全塑性弯矩M px b=810955000N*mm(2)拼接连接节点的最大承载力的校核对弯矩梁翼缘拼接连接般的净截面抗拉最大承载力的相应最大弯矩M u1=1756321380梁翼缘连接高强度螺栓的抗剪最大承载力的相应最大弯矩M u2=2439028800梁翼缘板的边端截面抗拉最大承载力的相应最大弯矩M u3=2425200000> 1.76E+09翼缘拼接连接板边端截面抗拉最大承载力的相应最大弯矩M u4=5642538000> 1.76E+09M u=1756321380>8.92E+08ok!对剪力梁腹板净截面面积的抗剪最大承载力:V u1=538638.9336梁腹板拼接连接板净截面面积的抗剪最大承载力:V u2=1908165.734>538638.9腹板连接高强度螺栓的抗剪最大承载力V u3=1890720>538638.9V u=538638.9336>87853.46ok!(3)螺栓孔对梁截面的削弱校核梁的毛截面面积A0=16100mm2螺栓孔的削弱面积:A R=2820mm2螺栓孔对梁截面的削弱率μr=18%<25%ok!180 170 170。
“梁梁拼接全螺栓刚接”节点计算书====================================================================计算软件:MTS钢结构设计系列软件MTSTool v3.5.0.0计算时间:2012年12月02日16:53:51==================================================================== H1100梁梁拼接全螺栓刚接一. 节点基本资料节点类型为:梁梁拼接全螺栓刚接梁截面:H-1100*400*20*34,材料:Q235左边梁截面:H-1100*400*20*34,材料:Q235腹板螺栓群:10.9级-M20螺栓群并列布置:10行;行间距70mm;2列;列间距70mm;螺栓群列边距:50 mm,行边距50 mm翼缘螺栓群:10.9级-M20螺栓群并列布置:2行;行间距70mm;4列;列间距70mm;螺栓群列边距:45 mm,行边距50 mm腹板连接板:730 mm×345 mm,厚:16 mm翼缘上部连接板:605 mm×400 mm,厚:22 mm翼缘下部连接板:605 mm×170 mm,厚:24 mm梁梁腹板间距为:a=5mm节点前视图如下:节点下视图如下:二. 荷载信息设计内力:组合工况内力设计值工况N(kN) Vx(kN) My(kN·m) 抗震组合工况1 0.0 115.4 152.3 否组合工况2 0.0 135.4 172.3 是三. 验算结果一览验算项数值限值结果承担剪力(kN) 6.77 最大126 满足列边距(mm) 50 最小33 满足列边距(mm) 50 最大88 满足外排列间距(mm) 70 最大176 满足中排列间距(mm) 70 最大352 满足列间距(mm) 70 最小66 满足行边距(mm) 50 最小44 满足行边距(mm) 50 最大88 满足外排行间距(mm) 70 最大176 满足中排行间距(mm) 70 最大352 满足行间距(mm) 70 最小66 满足净截面剪应力比0.066 1 满足净截面正应力比0.000 1 满足净面积(cm^2) 163 最小162 满足承担剪力(kN) 8.93 最大140 满足极限受剪(kN·m) 9450 最小7670 满足列边距(mm) 45 最小44 满足列边距(mm) 45 最大88 满足外排列间距(mm) 70 最大176 满足中排列间距(mm) 70 最大352 满足列间距(mm) 70 最小66 满足行边距(mm) 50 最小33 满足行边距(mm) 50 最大88 满足外排行间距(mm) 70 最大176 满足中排行间距(mm) 70 最大352 满足行间距(mm) 70 最小66 满足净截面剪应力比0.000 1 满足净截面正应力比0.021 1 满足净面积(cm^2) 129 最小106 满足净抵抗矩(cm^3) 13981 最小13969 满足抗弯承载力(kN·m) 6485.0 最小6055.8 满足抗剪承载力(kN) 3516.1 最小2813.2 满足孔洞削弱率(%) 21.71% 最大25% 满足四. 梁梁腹板螺栓群验算1 螺栓群受力计算控制工况:组合工况2,N=0 kN;V x=135.4 kN;M y=172.3 kN·m;2 腹板螺栓群承载力计算列向剪力:V=135.4 kN螺栓采用:10.9级-M20螺栓群并列布置:10行;行间距70mm;2列;列间距70mm;螺栓群列边距:50 mm,行边距50 mm螺栓受剪面个数为2个连接板材料类型为Q235螺栓抗剪承载力:N vt=N v=0.9n fμP=0.9×2×0.45×155=125.55kN计算右上角边缘螺栓承受的力:N v=135.4/20=6.77 kNN h=0 kN螺栓群对中心的坐标平方和:S=∑x2+∑y2=833000 mm2N mx=0 kNN my=0 kNN=[(|N mx|+|N h|)2+(|N my|+|N v|)2]0.5=[(0+0)2+(0+6.77)2]0.5=6.77 kN≤125.55,满足3 腹板螺栓群构造检查列边距为50,最小限值为33,满足!列边距为50,最大限值为88,满足!外排列间距为70,最大限值为176,满足!中排列间距为70,最大限值为352,满足!列间距为70,最小限值为66,满足!行边距为50,最小限值为44,满足!行边距为50,最大限值为88,满足!外排行间距为70,最大限值为176,满足!中排行间距为70,最大限值为352,满足!行间距为70,最小限值为66,满足!。
设计条件与外力:1.设计外力:梁端剪力设计值: V=1459.08KN(0.75×腹板抗剪承载力)2.设计参数:1)构件尺寸钢梁,主梁型号: 次梁,钢梁型号: 主梁高: H g =800mm 200mm 腹板厚: T gw =14mm 14mm 次梁高: H=800mm 200mm 腹板厚: T w =14mm14mm2)材质钢梁,加劲板,盖板:Q345 允许拉应力: f=310MP a 允许剪应力: f v =180MPa 屈服强度: f y =345MP a 极限抗拉强度:f u =470MP a3)螺栓螺栓公称直径:M27螺栓性能等级:10.9级摩擦系数: μ=0.45290KN 螺栓抗拉强度:f ub =1040MP a 459cm 2 直径 : d=27mm 2mm孔径 :d 0=d+c 0=29mm翼缘厚: T f =预拉力: P= 有效截面积:A e = 间隙 : c 0=钢梁,次梁与主梁及钢骨混凝土梁或墙柱铰接连接计算H800x200x14x14H800x200x14x14 宽: B g = 翼缘厚: T gf =宽: B=117.45KN 234.9KN 受力边边距: b=60mm ≥58mm OK 非受力边边距:b 1=45mm ≥43.5mm OK 孔距: s=90mm ≥87mmOK腹板螺栓排数: n=7 腹板螺栓列数: m=2 腹板螺栓总数: n×m =144)盖板尺寸盖板至钢梁上下翼缘底边距离:56mm 盖板至钢梁上下翼56mm 盖板最小宽度:365mm 盖板宽度:365mm OK 盖板最小高度:660mm 盖板高度:660mm OK 盖板最大高度:660mmOK盖板厚度:20mm OK 60mmOK 43.75mmOK5)主梁加劲板加劲板尺寸:宽度=93mm 高度=772mm 厚度同次梁腹板t w =14mm采用双面角焊缝焊条:E50 焊缝强度: f fw =200MP a 取焊角尺寸 h f =10mm≥ 5.6mm OK ≤16.8mmOK3.构件内力设计值梁端剪力设计值: V=1459.08KN4.设计计算:1)螺栓抗剪验算:1104.22kN0.9759焊角尺寸满足要求摩擦面数目: n f =单个螺栓上所承受的剪力:N v =V/(n×m)= 螺栓承载力设计值折减系数α=(排)(列)(根)取用盖板尺寸:实际受力边边距b:实际非受力边边距b 1: 单个螺栓抗剪承载力(单剪): N v1=0.9×μ×P= 单个螺栓抗剪承载力(双剪): N v2 =2N v1==114.62kNOK772mm 692mm150.61MP a<200MP aOK3)盖板计算:盖板断面净面积:9720mm 2盖板剪应力:75.0556MP a <180MP aOK采用等面积计算:次梁,钢梁腹板开洞后净面积:8372mm 2OK焊缝长度: Lf =H g -2×T gf =计算长度: Lw =Lf -2×h f -60=剪应力: τfv =V/(2×0.7×h f ×Lw )=单个螺栓的抗剪承载力设计值为:2)主梁加劲肋的连接焊缝计算:。
节点(按《钢结构设计规范(GB50017-2003)钢材抗弯强度设计值 f梁高 H翼缘宽 Bc翼缘厚 tfc腹板厚 twc钢材抗剪强度设计值 fv翼缘螺栓行数INT(Xi)翼缘螺栓列数 Xi腹板螺栓行数 X最大腹板螺栓列数翼缘螺栓行距翼缘螺栓列距腹板螺栓行距腹板螺栓列距翼缘螺栓行边距翼缘螺栓列边距腹板螺栓行边距腹板螺栓列边距高强螺栓预拉力螺栓孔直径 INT(Yi)外侧翼缘连接板厚计算值 t1 Yi内侧翼缘连接板厚计算值 t211.50mm Y最大腹板拼接连接板厚计算值 t3外侧翼缘连接板厚取值 t1内侧翼缘连接板厚取值 t2腹板拼接连接板厚取值 t3屈服强度 fy极限抗拉强度最小值 fu螺栓计算面积 Aebh梁翼缘截面惯性矩 If梁腹板截面惯性矩 Iw19669.09cm^4Xi^2+Yi^2梁全截面惯性矩 I116159.01cm^4梁弹性抵抗矩 Wt3574.12cm^3梁截面面积 A157.80cm^2翼缘弯矩 Mf92036.54kN·cm腹板剪力 V1112.40kN腹板弯矩 Mw18761.28kN·cm翼缘螺栓数 n136个腹板螺栓数 n212个螺栓抗剪承载力设计值 Nvb202.50kN梁腹板内侧拼接板高度 h51.00cm梁翼缘内侧拼接板宽度 b16.00cm承载力验算翼缘螺栓承载力计算 Nf40.32kN<202.50腹板螺栓承载力计算 Nvv92.70kNNmy30.86kNNmx154.29kNNvm197.66kN<202.50梁上螺栓孔截面惯性矩 Ixrb36370.63cm^4梁静截面抵抗矩 Wnxb2455.03cm^3梁单侧翼缘静截面面积 Anfb31.36cm^2梁腹板静截面面积 Anwb46.20cm^2静截面面积校核单侧翼缘外板静截面面积 A外31.36cm^2单侧翼缘内板静截面面积 A内34.56cm^2单侧翼缘板静截面面积 Anfpl65.92cm^2>31.36腹板拼接板静截面面积 Anwpl70.80cm^2>46.20拼接连接板毛截面惯性矩 Ioxpl221379.69cm^4拼接连接板螺栓孔惯性矩 Ixrpl72911.65cm^4拼接连接板静截面抵抗矩 Wnxpl4353.90cm^4>2455.03承载力验算梁全塑性弯矩 Mp129935.33kN·cm连接板抗弯最大承载力 Mu1195947.14kN·cm螺栓抗弯最大承载力 Mu21296520.99kN·cm翼缘板边截面最大承载力 Mu3772364.16kN·cm抗弯最大承载力最小值min(Mu1,Mu2,Mu3)195947.14kN·cm>155922.39腹板抗剪最大承载力 Vu11253.70kN腹板连接板抗剪最大承载力 Vu21921.25kN螺栓抗剪最大承载力 Vu36608.16kN抗剪承载力的最小值min(Vu1,Vu2,Vu3)1253.70kN>1164.93螺栓孔的削弱面积 AR38.48cm^2螺栓孔对梁截面削弱率0.24<0.25Ncu293.28kN翼缘验算 Nvub425.86kNnNcu10558.08kN>1223.04nNvub15330.93kN>1223.04Ncu183.30kN<188.87腹板验算 Nvub425.86kN>188.87121.000.0025.000.0081.000.0016.000.0049.000.009.000.0025.000.00 4.000.009.000.00 1.000.001.000.000.000.001.00 1.00 1.00 1.001.00 1.00 1.001.00 和 1.0044.0049.000.009.000.0025.000.00 4.000.009.000.00 1.000.001.000.000.000.001.00 1.00 1.00 1.009.009.00 4.00 4.0025.0025.009.009.003.0035.0014.003.00 和35.00420.000.000.000.000.000.000.000.000.001.00 1.003.00 2.005.00 3.009.00 6.00 和9.0042432.00kN通过kN通过cm^2通过cm^2通过cm^2通过kN·cm通过kN通过通过kN通过kN通过不通过通过。
钢梁连接节点计算本夹层钢结构后置锚栓为M14*140,每个后置埋板由4个锚栓固定。
以8A-1户型为例计算埋板算,主梁跨度为4m,主梁两侧间距1.386m 。
后置埋板为150X300X10采用4根M14化学锚栓固定,上下锚栓间孔距为90cm,左右间孔距为250cm ;但有极个别情况1个钻孔碰到钢筋上,在孔距范围内躲避不开钢筋,则埋板由3个锚栓固定。
现计算结构是否可以满足安全使用要求。
一、荷载条件楼面恒荷载:20/0.1m KN q =楼面活荷载:21/0.2m KN q = 钢梁线荷载为m KN q w 544.5386.1)24.112.1(=⨯⨯+⨯=二、M14普通螺栓4.8级单根锚栓抗剪承受力KN f vb 08.43140*414*14.3*22== KN f cb 43.38305*)54(*14=+=单根螺栓抗剪力以上两者取最小值38.43KN1、化学锚栓抗剪验算现假设埋板处所有剪力全部由化学锚栓承担,则埋板所受的剪力为max V KN b l q q V 09.112/386.1*4*)2*4.11*2.1(2/**)*4.1*2.1(10max =+=+= -n 为一个埋板的化学锚栓个数则:vb f =38.43≧KN V 09.11max = 所以单根螺栓也可以满足抗剪要求 vbh N -螺栓所受承载力2、后置埋件抗拉验算埋板4个锚栓上面2个锚栓承受拉力,下面2个锚栓承受压力1)埋板受拉力N N gsd 5544=埋板受剪力N V g sd 27702/386.14=⨯=mm N M .221600802770=⨯= 2)受力最大锚栓拉力N N gsd 5544=N M n N yi y 1385)502()50221600(25544221=⨯⨯-=-∑≥0 N y y M n N N ih sd 1465100210022160025544221=⨯⨯+=''+=∑ 3)锚栓钢材所受破坏承载力锚栓钢材所受承载力标准值N f A N u s s Rk 2900050058=⨯==⋅锚栓受拉破坏承载力分项系数锚栓受拉破坏承载力设计值N N Y N N h sd N Rs s Rk s Rd 146514500229000=≥===⋅⋅⋅结论:埋板在上排两个M14化学锚栓可以满足要求!。
一、钢梁截面特征 h=360 b=200 h w =320t w =12t 1=20翼缘截面惯性矩: I 1 =2×b×t 1×(h/2-t 1/2)2=2×200×20×(360/2-20/2)^2 =231200000mm 4腹板截面惯性矩: I w =1/12×t w ×h w 3 =1/12×12×320^3 =32768000mm 4钢梁全截面惯性矩: I=I 1+I w =263968000mm 4翼缘截面抵抗矩: W 1=b×t 1×(h-t 1)=200×20×(360-20) =mm 3腹板截面抵抗矩: W w =1/6×t w ×h w 2=1/6×12×320^2 =mm 3钢梁全截面抵抗矩: W= W 1+W w =1564800mm 3二、翼缘受弯承载力计算材质:Q235钢f t w =205N/mm 2钢梁翼缘受弯承载力M u =βt f t w ×W 1=1.22*205×1360000/10^6=340.1KN.m三、腹板螺栓受剪承载力计算高强螺栓采用10.9级,材质Q345钢,表面喷砂处理单个螺栓承载力设计值为: N v b =0.9n f μP 腹板与柱采用高强螺栓连接,10.9级。
螺栓直径d=22mm 单剪螺栓个数n=3一个高强螺栓的预拉力P=190KN n f =1一个螺栓承载力设计值N v b =0.9*1*0.5*190=85.5KN全部腹板螺栓受剪承载力为:85.5*3=256.5KN四、支承板双面角焊缝计算支承板厚同梁腹板,焊接一侧的长度:240mm 焊缝高度:6mm f t w =215N/mm 2抗剪承载力为 N w =h e l w f t w =6*0.707*2*(240-10)*215/1000=419.5KN梁柱刚接节点计算1360000204800。
拼接节点设计计算书计算依据:1、《钢结构设计规范》GB50017-2003一、基本参数计算简图:高强螺栓布置图(十排)二、连接节点计算螺栓强度等级8.8级高强螺栓型号M20一个高强度螺栓的预拉力P(kN) 125 摩擦面的抗滑移系数μ0.45连接板材质Q345 节点域腹板抗剪强度设计值τ(N/mm2) 170 最外排螺栓至螺栓群形心距离:e fh=∑e f/2=(50+50+60+60+70+70+80+80+90+90+100)/2=400mm每排螺栓至螺栓群形心距离的平方和:∑e f2=e fh2+e fh2+(e fh-e f3-e f5)2+(e fh-e f4-e f6)2+(e fh-e f3-e f5-e f7)2+(e fh-e f4-e f6-e f8)2+(e fh-e f3-e f5-e f7-e f9)2+(e fh-e f-e f6-e f8-e f10)2+(e fh-e f3-e f5-e f7-e f9-e f11)2+(e fh-e f4-e f6-e f8-e f10-e f12)2=4002+4002+(400-50-60)2+(400 4-50-60)2+(400-50-60-70)2+(400-50-60-70)2+(400-50-60-70-80)2+(400-50-60-70-80)2+(400-50-60-70-80-90)2+(400-50-60-70-80-90)2=629200mm2螺栓承受的拉力:N t1=M×e fh/(2×∑e f2)=90×103×400/(2×629200)=28.608kNN t2=M×(e fh-e f3-e f5)/(2×∑e f2)=90×103×(400-50-60)/(2×629200)=20.741kNN t3=M×(e fh-e f3-e f5-e f7)/(2×∑e f2)=90×103×(400-50-60-70)/(2×629200)=15.734kNN t4=M×(e fh-e f3-e f5-e f7-e f9)/(2×∑e f2)=90×103×(400-50-60-70-80)/(2×629200)=10.013kN N t5=M×(e fh-e f3-e f5-e f7-e f9-e f11)/(2×∑e f2)=90×103×(400-50-60-70-80-90)/(2×629200)=3.576kN中和轴以下螺栓所受力大小与以上各值相等,但均为压力单个螺栓受拉承载力设计值:N t b=0.8P=0.8×125=100kNN t=28.608kN≤N t b=100kN满足要求!受拉力最大螺栓的抗剪承载力设计值为N v b=0.9n fμ(P-1.25N t)=0.9×1×0.45×(125-1.25×28.608=36.142kN若剪力按螺栓群平均承担则单个螺栓承受的剪力为N v=V/(2n)=15/(2×10)=0.75kNN v=0.75<N v b=36.142N v/N v b+N t/N t b=0.75/36.142+28.608/100=0.307≤1满足要求!三、端板支撑验算计算简图:端板支撑条件节点域腹板剪应力:τ=M/(d b×d c×t c)=90×106/(700×150×8)=107.143N/mm2≤[τ]=170N/mm2满足要求!端板所需厚度:t≥(6×e f×e w×N t/((e w×b+2e f×(e f+e w))×f))0.5=(6×50×100×28.608×103/((100×350+2×50×(50+100))×215))0.5= 8.935mmt≥(12×e f×e w×N t/((e w×b+4e f×(e f+e w))×f))0.5=(12×50×100×28.608×103/((100×350+4×50×(50+100))×215))0.5= 11.083mm t≥(3×e w×N t/((0.5a+e w)×f))0.5= (3×100×28.608×103/((0.5×206+100)×215))0.5= 14.023mm。
拼接节点设计计算书计算依据:1、《钢结构设计标准》GB50017-2017一、基本参数计算简图:高强螺栓布置图(十排)二、连接节点计算最外排螺栓至螺栓群形心距离:e fh=∑e f/2=(50+50+60+60+70+70+80+80+90+90+100)/2=400mm每排螺栓至螺栓群形心距离的平方和:∑e f2= e fh2+e fh2+(e fh-e f3-e f5)2+(e fh-e f4-e f6)2+(e fh-e f3-e f5-e f7)2+(e fh-e f4-e f6-e f8)2+(e fh-e f3-e f5-e f7-e f9)2+(e fh-e f4-e f6-e f8-e f10)2+(e fh-e f3-e f5-e f7-e f9-e f11)2+(e fh-e f4-e f6-e f8-e f10-e f12)2=4002+4002+(400-50-60)2+(400-50-60)2+(400-50-60-70)2+(400-50-60-70)2+(400-50-60-70-80)2+(400-50-60-70-80)2+(400-50-60-70-80-90)2+(400-50-60-70-80-90)2=629200mm2螺栓承受的拉力:N t1=M×e fh/(2×∑e f2)=90×103×400/(2×629200)=28.608kNN t2=M×(e fh-e f3-e f5)/(2×∑e f2)=90×103×(400-50-60)/(2×629200)=20.741kNN t3=M×(e fh-e f3-e f5-e f7)/(2×∑e f2)=90×103×(400-50-60-70)/(2×629200)=15.734kN N t4=M×(e fh-e f3-e f5-e f7-e f9)/(2×∑e f2)=90×103×(400-50-60-70-80)/(2×629200)=10.013kNN t5=M×(e fh-e f3-e f5-e f7-e f9-e f11)/(2×∑e f2)=90×103×(400-50-60-70-80-90)/(2×629200)=3.576kN中和轴以下螺栓所受力大小与以上各值相等,但均为压力单个螺栓受拉承载力设计值:N t b=0.8P=0.8×125=100kNN t=28.608kN≤N t b=100kN满足要求!受拉力最大螺栓的抗剪承载力设计值为N v b=0.9kn fμ(P-1.25N t)=0.9×1×1×0.45×(125-1.25×28.608=36.142kN若剪力按螺栓群平均承担则单个螺栓承受的剪力为N v=V/(2n)=15/(2×10)=0.75kNN v=0.75<N v b=36.142N v/N v b+N t/N t b=0.75/36.142+28.608/100=0.307≤1满足要求!三、端板支撑验算计算简图:端板支撑条件节点域腹板剪应力:τ=M/(d b×d c×t c)=90×106/(700×150×8)=107.143N/mm2≤[τ]=170N/mm2满足要求!端板所需厚度:t≥(6×e f×e w×N t/((e w×b+2e f×(e f+e w))×f))0.5=(6×50×100×28.608×103/((100×350+2×50×(50+100))×215))0.5= 8.935mmt≥(12×e f×e w×N t/((e w×b+4e f×(e f+e w))×f))0.5=(12×50×100×28.608×103/((100×350+4×50×(50+100))×215))0.5= 11.083mmt≥(3×e w×N t/((0.5a+e w)×f))0.5= (3×100×28.608×103/((0.5×206+100)×215))0.5= 14.023mm。
钢梁拼接节点计算一,GL-(WH1100X500X25X36)钢梁连接设计1,弹性设计:节点采用栓-栓连接,翼缘,腹板均采用高强螺栓连接;(1),翼缘板按仅承担弯矩;(2),腹板连接采用高强螺栓连接,螺栓设计考虑承担剪力和弯距其中:剪力取腹板全截面达到抗剪设计强度时所能承担的剪力,弯矩取母材翼缘边缘纤维达到设计强度时腹板所分担的弯矩。
梁截面h b上b下t上t下t腹H1100x5001100500500363625截面特性:A(mm2)A 上(mm2)A 下(mm2)A 腹(mm2)y 上(mm)y 下(mm)61700180001800025700550.00550.00Ix(cm4)W 上(cm3)W 下(cm3)Sc 上(cm3)Sc下(cm3)ix(mm)Iw(cm4)1245603.122647.33 22647.339576.009576.00449.31226327.91Wp(cm3)25756.9其中:梁端最大弯距为:Mt=4642.70(KN M)Mf=Iw=226327.9(cm4)Iw/Ix=0.1817故Mw=Mt*I w /Ix=843.6(KNM)V=h 0*t w *fv =3084(KN)(3),腹板螺栓连接验算:螺栓数量=33螺栓行间距=80(mm)排数m=11螺栓列间距=100(mm)列数n=3其中y1=80(mm)x1=100(mm)y2=160(mm)x2=0(mm)∑+=)(2211i i M y x Mx N y ∑+=)(2211i i M y x My N x 221)()(11v M M s N N N N y x ++=nV N v =y3=240(mm)x3=0(mm)y4=320(mm)x4=0(mm)y5=400(mm)x5=0(mm)ymax=400(mm)x max=100(mm)故N M1x =36.49(KN)N M1y =144.70(KN)N v =93.45(KN)N s1=194.48(KN)采用高强螺栓规格:M24(10.9S)螺栓孔径25.5(mm)Aeb=352.5μ=0.45f u b =1040.0n f =2(采用双剪)P=225(KN)N v b =202.5(KN)>Ns1故采用24(10.9S)高强螺栓2,柱腹板拼接连接板的厚度t=hw*tw/2h+2=16mm3,翼缘板螺栓连接验算:上翼板或下翼板一侧高强螺栓数:=17.63颗数取为204,柱翼板拼接连接板的厚度:1)、翼缘外侧拼接板t1=tfc/2+2=20mm2)、翼缘内侧拼接板宽度=180mm t2=tfc*Bc/4b+3=28mm5,上下翼缘连接板的净截面抵抗矩:上下翼缘的截面惯性矩:If=1019275.2(cm4)上下翼缘螺栓孔的截面惯性矩:Ik=207932.14(cm4)上下翼缘的净截面惯性矩:Ij=811343.06(cm4)上下翼缘的净截面抵抗矩:Ij/h=7375.85(cm3)上下翼缘连接板的截面惯性矩:Il=1131398.38(cm4)上下翼缘连接板螺栓孔的截面惯性Ilk=206818.52(cm4)Pn N f b v m 9.0=)(f BV ft h N M n -?=上下翼缘连接板的净截面惯性矩:Ilj=924579.86(cm4)上下翼缘连接板的净截面抵抗矩:Ilj/hl=8110.35(cm3)>Ij/h可6,极限承载力验算:根据《建筑抗震设计规范》(GB50011-2010)的8.2.8的要求:梁的连接的极限受弯、受剪承载力,应符合下列要求:其中:M p =Wp*fy=5795.3(KN M)翼缘连接板净截面最大承载力的相应最大弯Mu1=8524.74翼板高强螺栓抗剪最大承载力的相应最大弯Mu2=11789.861.3M p =7533.9(KNM)<="">可梁腹板抗剪(1),高强螺栓的极限承载力(2),高强螺栓连接板的极限承压强度Vu=0.58*hw*tw*fay =3353.9(KN )螺栓极限受剪Nvub=0.58*nf*Aeb*fub=425.26(KN )螺栓极限承压(对腹板承压计算)Ncub=d Σtfcub=338(KN )其中: ==149.23(KN )Nb=181(KN )<ncub< bdsfid="178" p=""></ncub<>可腹板连接板总厚度大于腹板厚度,能满足。