独立基础基计算书
- 格式:doc
- 大小:62.00 KB
- 文档页数:5
基础计算书C 轴交3轴DJ P 01计算一、计算修正后的地基承载力特征值选择第一层粉土为持力层,地基承载力特征值fak=120 kPa ,ηd=2.0,rm=17.7kN/m 3,d=1.05m ,初步确定埋深d=1.5m ,室内外高差0.45m 。
根据《建筑地基基础设计规范》(GB 50007-2011) 式5.2.4 计算修正后的抗震地基承载力特征值 = 139(kPa);二、初步选择基底尺寸A ≧Fk fa −γGA ≧949139−20×1.5=8.7㎡ 取独立基础基础地面a=b=3000mm 。
采用坡型独立基础,初选基础高度600mm ,第一阶h 1=350mm ,第二阶h 2=250mm 。
三、作用在基础顶部荷载标准值结构重要性系数: γo=1.0基础混凝土等级:C30 ft_b=1.43N/mm 2 fc_b=14.3N/mm 2柱混凝土等级: C30 ft_c=1.43N/mm 2 fc_c=14.3N/mm 2钢筋级别: HRB400 fy=360N/mm2 矩形柱宽 bc=500mm 矩形柱高 hc=500mm纵筋合力点至近边距离: as=40mm 最小配筋率: ρmin=0.150% Fgk=949.000kN Fqk=0.000kN Mgxk=14.000kN*m Mqxk=0.000kN*m Mgyk=25.000kN*m Mqyk=0.000kN*m Vgxk=45.000kN Vqxk=0.000kN Vgyk=17.000kN Vqyk=0.000kN永久荷载分项系数rg=1.20 可变荷载分项系数rq=1.40Fk=Fgk+Fqk=949.000+(0.000)=949.000kNMxk=Mgxk+Fgk*(B2-B1)/2+Mqxk+Fqk*(B2-B1)/2=14.000+949.000*(1.500-1.500)/2+(0.000)+0.000*(1.500-1.500)/2=14.000kN*mMyk=Mgyk+Fgk*(A2-A1)/2+Mqyk+Fqk*(A2-A1)/2=25.000+949.000*(1.500-1.500)/2+(0.000)+0.000*(1.500-1.500)/2=25.000kN*mVxk=Vgxk+Vqxk=45.000+(0.000)=45.000kNVyk=Vgyk+Vqyk=17.000+(0.000)=17.000kNF1=rg*Fgk+rq*Fqk=1.20*(949.000)+1.40*(0.000)=1138.800kNMx1=rg*(Mgxk+Fgk*(B2-B1)/2)+rq*(Mqxk+Fqk*(B2-B1)/2)=1.20*(14.000+949.000*(1.500-1.500)/2)+1.40*(0.000+0.000*(1.500-1.500)/2) =16.800kN*mMy1=rg*(Mgyk+Fgk*(A2-A1)/2)+rq*(Mqyk+Fqk*(A2-A1)/2)++=f a f ak b ()-b 3d m ( )-d 0.5=1.20*(25.000+949.000*(1.500-1.500)/2)+1.40*(0.000+0.000*(1.500-1.500)/2) =30.000kN*mVx1=rg*Vgxk+rq*Vqxk=1.20*(45.000)+1.40*(0.000)=54.000kNVy1=rg*Vgyk+rq*Vqyk=1.20*(17.000)+1.40*(0.000)=20.400kNF2=1.35*Fk=1.35*949.000=1281.150kNMx2=1.35*Mxk=1.35*14.000=18.900kN*mMy2=1.35*Myk=1.35*25.000=33.750kN*mVx2=1.35*Vxk=1.35*45.000=60.750kNVy2=1.35*Vyk=1.35*17.000=22.950kNF=max(|F1|,|F2|)=max(|1138.800|,|1281.150|)=1281.150kNMx=max(|Mx1|,|Mx2|)=max(|16.800|,|18.900|)=18.900kN*mMy=max(|My1|,|My2|)=max(|30.000|,|33.750|)=33.750kN*mVx=max(|Vx1|,|Vx2|)=max(|54.000|,|60.750|)=60.750kNVy=max(|Vy1|,|Vy2|)=max(|20.400|,|22.950|)=22.950kN四、计算参数1. 基础总长 Bx=B1+B2=1.500+1.500=3.000m2. 基础总宽 By=A1+A2=1.500+1.500=3.000m3. 基础总高 H=h1+h2=0.350+0.250=0.600m4. 底板配筋计算高度 ho=h1+h2-as=0.350+0.250-0.040=0.560m5. 基础底面积 A=Bx*By=3.000*3.000=9.000m26. Gk=γ*Bx*By*dh=20.000*3.000*3.000*1.000=180.000kNG=1.35*Gk=1.35*180.000=243.000kN五、计算作用在基础底部弯矩值Mdxk=Mxk-Vyk*H=14.000-17.000*0.600=3.800kN*mMdyk=Myk+Vxk*H=25.000+45.000*0.600=52.000kN*mMdx=Mx-Vy*H=18.900-22.950*0.600=5.130kN*mMdy=My+Vx*H=33.750+60.750*0.600=70.200kN*m六、验算地基承载力1. 验算轴心荷载作用下地基承载力pk=(Fk+Gk)/A=(949.000+180.000)/9.000=125.444kPa 【①5.2.1-2】因γo*pk=1.0*125.444=125.444kPa≤fa=139.000kPa轴心荷载作用下地基承载力满足要求2. 验算偏心荷载作用下的地基承载力exk=Mdyk/(Fk+Gk)=52.000/(949.000+180.000)=0.046m因|exk|≤Bx/6=0.500m x方向小偏心,由公式【①5.2.2-2】和【①5.2.2-3】推导Pkmax_x=(Fk+Gk)/A+6*|Mdyk|/(Bx2*By)=(949.000+180.000)/9.000+6*|52.000|/(3.0002*3.000)=137.000kPa Pkmin_x=(Fk+Gk)/A-6*|Mdyk|/(Bx2*By)=(949.000+180.000)/9.000-6*|52.000|/(3.0002*3.000)=113.889kPa eyk=Mdxk/(Fk+Gk)=3.800/(949.000+180.000)=0.003m因|eyk|≤By/6=0.500m y方向小偏心Pkmax_y=(Fk+Gk)/A+6*|Mdxk|/(By2*Bx)=(949.000+180.000)/9.000+6*|3.800|/(3.0002*3.000)=126.289kPaPkmin_y=(Fk+Gk)/A-6*|Mdxk|/(By2*Bx)=(949.000+180.000)/9.000-6*|3.800|/(3.0002*3.000)=124.600kPa3. 确定基础底面反力设计值Pkmax=(Pkmax_x-pk)+(Pkmax_y-pk)+pk=(137.000-125.444)+(126.289-125.444)+125.444=137.844kPa γo*P kmax=1.0*137.844=137.844kPa≤1.2*fa=1.2*139.000=166.800kPa偏心荷载作用下地基承载力满足要求七、基础冲切验算1. 计算基础底面反力设计值1.1 计算x方向基础底面反力设计值ex=Mdy/(F+G)=70.200/(1281.150+243.000)=0.046m因ex≤Bx/6.0=0.500m x方向小偏心Pmax_x=(F+G)/A+6*|Mdy|/(Bx2*By)=(1281.150+243.000)/9.000+6*|70.200|/(3.0002*3.000)=184.950kPa Pmin_x=(F+G)/A-6*|Mdy|/(Bx2*By)=(1281.150+243.000)/9.000-6*|70.200|/(3.0002*3.000)=153.750kPa1.2 计算y方向基础底面反力设计值ey=Mdx/(F+G)=5.130/(1281.150+243.000)=0.003m因ey≤By/6=0.500y方向小偏心Pmax_y=(F+G)/A+6*|Mdx|/(By2*Bx)=(1281.150+243.000)/9.000+6*|5.130|/(3.0002*3.000) =170.490kPa Pmin_y=(F+G)/A-6*|Mdx|/(By2*Bx)=(1281.150+243.000)/9.000-6*|5.130|/(3.0002*3.000)=168.210kPa1.3 因Mdx≠0 Mdy≠0Pmax=Pmax_x+Pmax_y-(F+G)/A=184.950+170.490-(1281.150+243.000)/9.000=186.090kPa1.4 计算地基净反力极值Pjmax=Pmax-G/A=186.090-243.000/9.000=159.090kPaPjmax_x=Pmax_x-G/A=184.950-243.000/9.000=157.950kPaPjmax_y=Pmax_y-G/A=170.490-243.000/9.000=143.490kPa2. 柱对基础的冲切验算2.1 因(H≤800) βhp=1.02.2 x方向柱对基础的冲切验算x冲切面积Alx=max((A1-hc/2-ho)*(bc+2*ho)+(A1-hc/2-ho)2,(A2-hc/2-ho)*(bc+2*ho)+(A2-hc/2-ho )2=max((1.500-0.500/2-0.560)*(0.500+2*0.560)+(1.500-0.500/2-0.560)2,(1.500-0.500 /2-0.560)*(0.500+2*0.560)+(1.500-0.500/2-0.560)2)=max(1.594,1.594)=1.594m2 x冲切截面上的地基净反力设计值Flx=Alx*Pjmax=1.594*159.090=253.574kNγo*Flx=1.0*253.574=253.57kN因γo*Flx≤0.7*βhp*ft_b*bm*ho (6.5.5-1)=0.7*1.000*1.43*1060*560=594.19kNx方向柱对基础的冲切满足规范要求2.3 y方向柱对基础的冲切验算y冲切面积Aly=max((B1-bc/2-ho)*(hc+2*ho)+(B1-bc/2-ho)2,(B2-bc/2-ho)*(hc+2*ho)+(B2-bc/2-ho )2)=max((1.500-0.500/2-0.560)*(0.500+2*0.560)+(1.500-0.500-0.560)2/2,(1.500-0.50 0/2-0.560)*(0.500+2*0.560)+(1.500-0.500-0.560)2/2)=max(1.594,1.594)=1.594m2 y冲切截面上的地基净反力设计值Fly=Aly*Pjmax=1.594*159.090=253.574kNγo*Fly=1.0*253.574=253.57kN因γo*Fly≤0.7*βhp*ft_b*am*ho (6.5.5-1)=0.7*1.000*1.43*1060.000*560=594.19kNy方向柱对基础的冲切满足规范要求八、柱下基础的局部受压验算因为基础的混凝土强度等级大于等于柱的混凝土强度等级,所以不用验算柱下扩展基础顶面的局部受压承载力。
锥形基础计算项目名称_____________日期_____________设计者_____________校对者_____________一、设计依据《建筑地基基础设计规范》 (GB50007-2002)①《混凝土结构设计规范》 (GB50010-2002)②《简明高层钢筋混凝土结构设计手册》李国胜二、示意图三、计算信息构件编号: JC-2 计算类型: 自动计算截面尺寸1. 几何参数矩形柱宽bc=500mm 矩形柱高hc=1654mm基础端部高度h1(自动计算)=250mm基础根部高度h2(自动计算)=250mm基础长宽比 1.000基础长度B1(自动计算)=1250mm B2(自动计算)=1250mm基础宽度A1(自动计算)=1250mm A2(自动计算)=1250mm2. 材料信息基础混凝土等级: C30 ft_b=1.43N/mm2fc_b=14.3N/mm2柱混凝土等级: C30 ft_c=1.43N/mm2fc_c=14.3N/mm2钢筋级别: HPB235 fy=210N/mm23. 计算信息结构重要性系数: γo=1.0基础埋深: dh=2.000m纵筋合力点至近边距离: as=40mm基础及其上覆土的平均容重: γ=20.000kN/m3最小配筋率: ρmin=0.150%4. 作用在基础顶部荷载标准值Fgk=650.000kN Fqk=0.000kNMgxk=408.000kN*m Mqxk=0.000kN*mMgyk=408.000kN*m Mqyk=0.000kN*mVgxk=0.000kN Vqxk=0.000kNVgyk=0.000kN Vqyk=0.000kN永久荷载分项系数rg=1.20可变荷载分项系数rq=1.40Fk=Fgk+Fqk=650.000+(0.000)=650.000kNMxk=Mgxk+Mqxk=408.000+(0.000)=408.000kN*mMyk=Mgyk+Mqyk=408.000+(0.000)=408.000kN*mVxk=Vgxk+Vqxk=0.000+(0.000)=0.000kNVyk=Vgyk+Vqyk=0.000+(0.000)=0.000kNF1=rg*Fgk+rq*Fqk=1.20*(650.000)+1.40*(0.000)=780.000kNMx1=rg*Mgxk+rq*Mqxk=1.20*(408.000)+1.40*(0.000)=489.600kN*mMy1=rg*Mgyk+rq*Mqyk=1.20*(408.000)+1.40*(0.000)=489.600kN*mVx1=rg*Vgxk+rq*Vqxk=1.20*(0.000)+1.40*(0.000)=0.000kNVy1=rg*Vgyk+rq*Vqyk=1.20*(0.000)+1.40*(0.000)=0.000kNF2=1.35*Fk=1.35*650.000=877.500kNMx2=1.35*Mxk=1.35*408.000=550.800kN*mMy2=1.35*Myk=1.35*408.000=550.800kN*mVx2=1.35*Vxk=1.35*(0.000)=0.000kNVy2=1.35*Vyk=1.35*(0.000)=0.000kNF=max(|F1|,|F2|)=max(|780.000|,|877.500|)=877.500kNMx=max(|Mx1|,|Mx2|)=max(|489.600|,|550.800|)=550.800kN*mMy=max(|My1|,|My2|)=max(|489.600|,|550.800|)=550.800kN*mVx=max(|Vx1|,|Vx2|)=max(|0.000|,|0.000|)=0.000kNVy=max(|Vy1|,|Vy2|)=max(|0.000|,|0.000|)=0.000kN5. 修正后的地基承载力特征值fa=400.000kPa四、计算参数1. 基础总长 Bx=B1+B2=1.250+1.250=2.500m2. 基础总宽 By=A1+A2=1.250+1.250=2.500m3. 基础总高 H=h1+h2=0.250+0.250=0.500m4. 底板配筋计算高度 ho=h1+h2-as=0.250+0.250-0.040=0.460m5. 基础底面积 A=Bx*By=2.500*2.500=6.250m26. Gk=γ*Bx*By*dh=20.000*2.500*2.500*2.000=250.000kNG=1.35*Gk=1.35*250.000=337.500kN五、计算作用在基础底部弯矩值Mdxk=Mxk-Vyk*H=408.000-0.000*0.500=408.000kN*mMdyk=Myk+Vxk*H=408.000+0.000*0.500=408.000kN*mMdx=Mx-Vy*H=550.800-0.000*0.500=550.800kN*mMdy=My+Vx*H=550.800+0.000*0.500=550.800kN*m六、验算地基承载力1. 验算轴心荷载作用下地基承载力pk=(Fk+Gk)/A=(650.000+250.000)/6.250=144.000kPa 【①5.2.1-2】因γo*pk=1.0*144.000=144.000kPa≤fa=400.000kPa轴心荷载作用下地基承载力满足要求2. 验算偏心荷载作用下的地基承载力exk=Mdyk/(Fk+Gk)=408.000/(650.000+250.000)=0.453m因 |exk| >Bx/6=0.417m x方向大偏心, 由公式【①8.2.2-2】推导axk=Bx/2-|exk|=2.500/2-|0.453|=0.797mPkmax_x=2*(Fk+Gk)/(3*By*axk)=2*(650.000+250.000)/(3*2.500*0.797)=301.255kPaPkmin_x=(Fk+Gk)/A-6*|Mdyk|/(Bx2*By)=(650.000+250.000)/6.250-6*|408.000|/(2.5002*2.500)=-12.672kPaeyk=Mdxk/(Fk+Gk)=408.000/(650.000+250.000)=0.453m因 |eyk| >By/6=0.417m y方向大偏心, 由公式【①8.2.2-2】推导ayk=By/2-|eyk|=2.500/2-|0.453|=0.797mPkmax_y=2*(Fk+Gk)/(3*Bx*ayk)=2*(650.000+250.000)/(3*2.500*0.797)=301.255kPaPkmin_y=(Fk+Gk)/A-6*|Mdxk|/(By2*Bx)=(650.000+250.000)/6.250-6*|408.000|/(2.5002*2.500)=-12.672kPa3. 确定基础底面反力设计值Pkmax=(Pkmax_x-pk)+(Pkmax_y-pk)+pk=(301.255-144.000)+(301.255-144.000)+144.000=458.510kPaγo*Pkmax=1.0*458.510=458.510kPa≤1.2*fa=1.2*400.000=480.000kPa偏心荷载作用下地基承载力满足要求七、基础冲切验算1. 计算基础底面反力设计值1.1 计算x方向基础底面反力设计值ex=Mdy/(F+G)=550.800/(877.500+337.500)=0.453m因 (ex >Bx/6.0) x方向大偏心ax=Bx/2-|ex|=2.500/2-|0.453|=0.797mPmax_x=2*(F+G)/(3*By*ax)=2*(877.500+337.500)/(3*2.500*0.797)=406.695kPaPmin_x=01.2 计算y方向基础底面反力设计值ey=Mdx/(F+G)=550.800/(877.500+337.500)=0.453m因 ey >By/6=0.417 y方向大偏心, 由公式【①8.2.2-2】推导ay=By/2-|ey|=2.500/2-|0.453|=0.797mPmax_y=2*(F+G)/(3*Bx*ay)=2*(877.500+337.500)/(3*2.500*0.797)=406.695kPaPmin_y=01.3 因 Mdx≠0 Mdy≠0Pmax=Pmax_x+Pmax_y-(F+G)/A=406.695+406.695-(877.500+337.500)/6.250=618.989kPa1.4 计算地基净反力极值Pjmax=Pmax-G/A=618.989-337.500/6.250=564.989kPaPjmax_x=Pmax_x-G/A=406.695-337.500/6.250=352.695kPaPjmax_y=Pmax_y-G/A=406.695-337.500/6.250=352.695kPa2. 柱对基础的冲切验算因 (bc+2*ho)<Bx基础底面处边缘均位于冲切锥体以外, 需要验算柱对基础的冲切2.1 因 (H≤800) βhp=1.02.2 x方向柱对基础的冲切验算因 (hc+2*ho)≥By)x方向基础底面外边缘位于冲切破坏锥体以内, 不用计算x方向的柱对基础的冲切验算2.3 y方向柱对基础的冲切验算y冲切位置斜截面上边长at=hc=1.654my冲切位置斜截面下边长ab=hc+2*ho=2.574m因(ab ≥By) ab=By=2.500my冲切不利位置am=(at+ab)/2=2.077my冲切面积(ab=By) Aly=(Bx/2-ho-bc/2)*By=(2.500/2-0.460-0.500/2)*2.500=1.350m2y冲切面积(Bx≥By) Aly=(Bx/2-bc/2-ho)*By-(By/2-hc/2-ho)2=(2.500/2-0.500/2-0.460)*2.500-(2.500/2-1.654/2-0.460)2=1.349m2y冲切截面上的地基净反力设计值Fly=Aly*Pjmax=1.349*564.989=761.962kNγo*Fly=1.0*761.962=761.96kN因γo*Fly≤0.7*βhp*ft_b*am*ho=0.7*1.000*1.43*2077.000*460=956.38kNy方向柱对基础的冲切满足规范要求八、柱下基础的局部受压验算因为基础的混凝土强度等级大于等于柱的混凝土强度等级,所以不用验算柱下扩展基础顶面的局部受压承载力。
0mmh0=720mm Y向轴力点=Fk2*cy/(Fk1+Fk2)=0mm(双柱)柱根宽度bc600mm X向轴力偏心距ex0=0mm(双柱)柱根长度hc600mm Y向轴力偏心距ey0=0mmFk=2540.00kN fc=11.9N/mm^2竖向力F=γz*Fk=3429.00kN ft= 1.27N/mm^2 fa=fak+ηb*γ*(b-3)+ηd*γm*(d-0.5)=240kpa轴心受压基底面积=(Fk+Gk)/(fa-γg*ds)12.70M^2(注:γg取20.0kN/M^3)计算基础长度b=3564mm 取基础长度b=计算基础宽度L=3564mm 取基础宽度L=Mx=γz*{(Mkx1'+Mkx2')-(Vky1+Vky2)*H+Fk*ey0}=-55.4kN·MMy=γz*{(Mky1'+Mky2')+(Vkx1+Vky2)*H+Fk*ex0}=-50.2kN·MY 轴方向截面面积 Acb 2.3M^2X 轴方向截面面积 AcL 2.3M^2X轴基础顶面坡度15.42°Y轴基础顶面坡度15.42°基础底面积A12.96M^2X向Wx=l * b * b / 67.78M^3Y向Wy = b * l * l / 67.78M^3基础及土自重标准值Gk=γg*A*ds=518.40kN基础及的土重设计值G=γz*Gk=699.84kN轴心荷载作用下pk = (Fk+ Gk) / A235.99<fa=240.0kpa通过X向pkmaxX=(Fk+Gk)/A+|Mky|/Wx=240.77< 1.2*fa=288.0kpa通过X向pkminX=(Fk+Gk)/A-|Mky|/Wx=231.20>0.00kpa >0可以X向偏心矩ex=Mky/(Fk+Gk)=-0.012<b/6=0.60mY向pkmaxY=(Fk+Gk)/A+|Mkx|/Wy=241.26< 1.2*fa=288.0kpa通过Y向pkminY=(Fk+Gk)/A-|Mkx|/Wy=230.72>0.00kpa >0可以Y向偏心矩ey=Mkx/(Fk+Gk)=-0.013<L/6=0.600mpmaxX=γz*PkmaxX=325.04kpa pjmaxX=pmaxX-G/A=271.0kpapmaxY=γz*PkmaxY=325.70kpa pjmaxY=pmaxY-G/A=271.7kpaX方向冲切验算因b - hc=3000=L - bc=3000mmb=3600>hc+2*Ho=2040mmL=3600>b c+2*Ho=2040mm Alx=0.5*(b-hc+2*bc+2*Ho)*[(b-hc)/2-Ho]=2199600mm^2 ab = Min{bc + 2 *Ho,l} =2040mmamx = (bc + ab) / 2=1320mm0.7 * βhp * ft * amx* Ho =760.42>Flx=pjmaxX*Alx=596.18通过Y方向冲切验算Aly=0.5*(l-bc+2*hc+2*Ho)*[(l-bc)/2-Ho]=2199600m m^2 ab = Min{hc + 2 *Ho,b}2040mmamy = (hc + ab) / 21320mm0.7 * βhp * ft * amY* Ho =760.42>Fly=pjmaxY*Aly=597.63通过X 方向(b 方向)剪切验算计算宽度Lo={1.0-0.5*[1.0-(bc+2*50)/L]*(Ho-h1)/Ho}*L=2955.56mmVx=pj*Ax=pj*(b-hc)*L/2=1463.63<0.7*βh*ft*Lo*Ho=1891.79通过Y 方向(l 方向)剪切验算计算宽度bo={1.0-0.5*[1.0-(hc+2*50)/b]*(Ho-h1)/Ho}*b=2955.56mmVy=pj*Ay=pj*(l-bc)*b/2=1463.63<0.7*βh*ft*bo*Ho=1891.79通过X 方向(b 方向)柱边(绕 Y 轴)抗弯计算pmaxX=γz*PkmaxX=325.04kpapminX=γz*PkminX=312.13kpapX=pminX+(pmaxX-pminX)*(b+hc)/b/2=319.66kpaMIx=(b-hc)^2*[(2*L+bc)*(pmaxX+pX-2*G/A)+(pmaxX-pX)*L]/48=788.6kN·M MⅡx=(L-bc)^2*(2*b+hc)*(pmaxX+pminX-2*G/A)/48=773.9kN·M Y 方向(l 方向)柱边(绕 X 轴)抗弯计算pmaxY=γz*PkmaxY=325.70kpapminY=γz*PkminY=311.47kpapY=pminY+(pmaxY-pminY)*(L+bc)/L/2=319.77kpaMIy=(b-hc)^2*[(2*L+bc)*(pmaxY+pY-2*G/A)+(pmaxY-pY)*L]/48=790.1kN·M MⅡy=(L-bc)^2*(2*b+hc)*(pmaxY+pminY-2*G/A)/48=773.9kN·M MⅠ= Max{MⅠx,MⅡy} =788.56kN·MAsⅠ=MⅠ/0.9*h0*fy*L=1127mm^2/MΦ12@100 MⅡ= Max{MⅡx,MⅠy} =790.06kN·MAsⅡ=MⅡ/0.9*h0*fy*B=1129mm^2/MΦ12@100柱下局部受压承载力计算混凝土局部受压面积 Al= bc * hc =360000mm^2Ab = (bx + 2 * c) *(by + 2 * c)=490000mm^2βl = Sqr(Ab / Al)= 1.171.35 * βc * βl * fc *Al =6747.30> F =3429.0kN通过注意:轴心荷载pk通过X向pkmaxX通过X向pkminX>0可以Y向pkmaxY通过Y向pkminY>0可以X方向冲切验算通过Y方向冲切验算通过X方向剪切验算通过Y方向剪切验算通过柱下局部受压通过AsI=1127mm^2/M AsⅡ=1129mm^2/MΦ12@100Φ12@100中间结果Alx=0.5*(L+bc+2*Ho)*(L-bc-2*Ho)/2+L*(b-hc-L+bc)/2=2199600 Alx=L*[0.5*(b-hc)-h0]=2808000 Alx=0.5*(b-hc+2*bc+2*Ho)*[(b-hc)/2-Ho]=2199600 Aly=0.5*(b+hc+2*Ho)*(b-hc-2*Ho)/2+b*(L-bc-b+hc)/2=2199600 Aly=b*[0.5*(L-bc)-h0]=2808000 Aly=0.5*(l-bc+2*hc+2*Ho)*[(l-bc)/2-Ho]=2199600。
独立柱基础计算书一、基础类型及计算形式基础类型:阶梯柱基计算形式:验算截面尺寸二、依据规范《建筑地基基础设计规范》(GB 50007--2002)《混凝土结构设计规范》(GB 50010--2002)三、几何数据及材料特性基础(J-1)几何数据:B1 = 1250mm, W1 = 1250mmH1 = 300mm, H2 = 300mmB = 400mm, H = 400mmB3 = 1400mm, W3 = 1400mm基础沿x方向的长度l= 2B1= 2.50 m基础沿y方向的长度b= 2W1= 2.50 m埋深d= 1200mm a s= 70mm材料特性:混凝土:C25 钢筋:HRB335(20MnSi)四、荷载数据1.作用在基础顶部的基本组合荷载竖向荷载F= 778.00kN基础自重和基础上的土重为:G= 1.35×γm×l×b×d= 1.35×20.0×2.50×2.50×1.20 = 202.5kN M x= 0.00kN·m M y= 0.00kN·mV x= 0.00kN V y= 0.00kN2.作用在基础底部的弯矩设计值绕X轴弯矩: M0x= M x- V y×(H1+ H2) = 0.00 - 0.00 ×(0.30 + 0.30) = 0.00kN·m绕Y轴弯矩: M0y= M y+ V x×(H1+ H2) = 0.00 + 0.00 ×(0.30 + 0.30) = 0.00kN·m3.折减系数K s= 1.35五、修正地基承载力计算公式:《建筑地基基础设计规范》(GB 50007--2002)(5.2.4)f a= f ak+ ηbγ(b- 3) + ηdγm(d- 0.5) (式5.2.4)式中: f ak= 120.00 kPaηb= 0.00,ηd= 2.00γ= 18.00kN/m3γm= 18.00kN/m3b= 2.50m, d= 1.20m如果b<3m,按b= 3m; 如果b> 6m,按b= 6m如果d<0.5m, 按d= 0.5mf a= f ak+ ηbγ(b- 3) + ηdγm(d- 0.5)= 120.00 + 0.00×18.00×(3.00 - 3.00) + 2.00×18.00×(1.20 - 0.50)= 145.20 kPa修正后的地基承载力特征值f a= 145.20 kPa六、轴心荷载作用下地基承载力验算p k= (F k+G k)/A其中:A= 2.50×2.50 = 6.25m2F k s= 778.00G k= G/1.35 = 202.5/1.35 = 150.00kNp k= 143.5kPa ≤f a, 满足要求七、基础抗冲切验算计算公式:按《建筑地基基础设计规范》(GB 50007--2002)下列公式验算:F l≤0.7βhp f t a m h0(8.2.7-1)αm= (a t+a b)/2 (8.2.7-2)F l= p j A l(8.2.7-3)1.基底最大净反力基底平均净反力p c= 168.05 kPa基底最大净反力p j= p jx+ p jy- p c=168.05+168.05-168.05 = 168.05 k Pa2.柱子对基础的冲切验算:X方向:基础有效高度:h0=( h0x+h0y)/2=(550+530)/2=540mmA lx=0.5*(2.5+(2.5-0.51*2))*0.51=1.015 m2A lx= 1.015m2F lx= p j×A lx= 124.48 ×1.015 = 126.35kNa mx=( a t+a b)/2=(1400*2+540*2)/2=0.94mF lx≤0.7×βhp×f t×a mx×h0= 0.7×1.00×1.27×0.94×0.54×1000= 451.00kN, 满足要求Y方向:A ly= 1.015m2F ly= p j×A ly= 124.48 ×1.015 = 126.35kNa my= (a t+a b)/2 = =(400+400*540*2)/2=0.94mF ly≤0.7×βhp×f t×a my×h0= 0.7×1.00×1.27×0.94×0.54×1000= 451.00kN, 满足要求3.变阶处基础的冲切验算:X方向:基础有效高度:h0=( h0x+h0y)/2=(250+230)/2=240mmA lx=0.5*(1.4+(1.4-0.50*2))*0.5=0.45 m2A lx= 0.45m2F lx= p j×A lx= 124.48 ×0.45 = 56.02kNa mx= (a t+a b)/2 a m=( a t+a b)/2 =(1.40+1.40+0.24*2)/2=1.64mF lx≤0.7×βhp×f t×a mx×h0= 0.7×1.00×1.27×1.64×0.24×1000= 349.91kN, 满足要求Y方向:A ly= 0.45m2F ly= p j×A ly= 124.48 ×0.45 = 56.02kNa my= (a t+a b)/2 a m=( a t+a b)/2 =(1.40*2+0.24*2)/2=1.64mF ly≤0.7×βhp×f t×a mx×h0= 0.7×1.00×1.27×1.64×0.24×1000= 349.91kN, 满足要求八、基础局部受压验算计算公式:《混凝土结构设计规范》(7.8.1-1)F l≤1.35×βc×βl×f c×A ln局部荷载设计值:F l= 778.00*1.35kN=1050.3 kN混凝土局部受压面积:A ln= b c×h c= 0.40×0.40 = 0.16m2混凝土受压时计算底面积:A b= 6.25m2混凝土受压时强度提高系数:1.35×βc×βl×f c×A ln= 1.35×1.00×6.25×12700.00×0.16= 17145.00 kN > F l= 778.00 kN 满足要求!九、受弯计算结果1.柱根部受弯计算:轴心荷载作用下截面基底反力设计值:Ⅰ-Ⅰ截面处弯矩设计值:a1= 2.50/2 - 0.40/2 = 1.05*1.35= 225.11kN·mX方向计算面积:1488mm2根据《混凝土结构设计规范》第9.5.2条,取最小配筋率为0.15%,X方向构造配筋面积:2250.00mm2Y方向计算面积:1488mm2,Y方向构造配筋面积:2250.00mm22.变阶处受弯计算:轴心荷载作用下截面基底反力设计值:Ⅱ-Ⅱ截面处弯矩设计值:a1= 2.50/2 - 1.40/2 = 0.55*1.35= 73.20kN·mX方向计算面积:1129.58mm2根据《混凝土结构设计规范》第9.5.2条,取最小配筋率为0.15%,X方向构造配筋面积:1125.00mm2Y方向计算面积:1129.58mm2,Y方向构造配筋面积:1125.00mm2X方向弯矩计算结果:计算面积:2250.00mm2采用方案:B12@130X方向钢筋总根数为: 20实配面积:2262mm2Y方向弯矩计算结果:计算面积:2250.00mm2采用方案:B12@130Y方向钢筋总根数为: 20实配面积:2262mm2。
J—1、一、基础设计(f ak=180kPa)1.基础上荷载N k=3116kN.m N=3852kN。
mM xk=—6kN.m M x=-8kN.mM yk=—41kN。
m M y=—51kN.mQ xk=—82kN Q x=-101kNQ yk=49kN Q y=61kN轴向力最大标准组合轴向力最大基本组合基础埋深为2.5m,地下水位为未知,不考虑。
2.确定基础底面尺寸及地基承载力验算查规范,粉质黏土的承载力修正系数为:ηb=0,ηd=1.6 (只进行深度修正)f a=f ak+ηbγ(b—3)+ηdγm(d-0。
5)=180+1。
6×18×(2.5—0.5)=237。
6kPa(1)基础底面尺寸的确定在轴力荷载F作用下,基础底面积A´为:A´=N k/(f a—γm d)=3116/(237.6—18×2.5)=16。
17m2选取基础尺寸为:A=4.1×4.1=16.81m²,取基础高度为700mm。
(2)地基承载力验算W=bl2/6=4.13/6=13。
25m3基础底面的压力为:p k=(F k+G k)/A±M xk/W x=(3116+16.81×2。
5×18)/ 16。
81±(6+82×0.7)/11.49=230.37±5.52p kmax=235。
89kPa<1.2f a=1。
2×237。
6=285.12kPaP kmin=224。
85kPa〉0,均满足要求。
(3)受冲切承载力验算进行冲切计算式,按由柱边起成45°的冲切角椎体的斜面进行验算。
p=(F+G)/A±M x/W x=(3852+1。
35×16。
81×2。
5×18)/ 16。
81±(8+101×0。
7)/13.25=289。
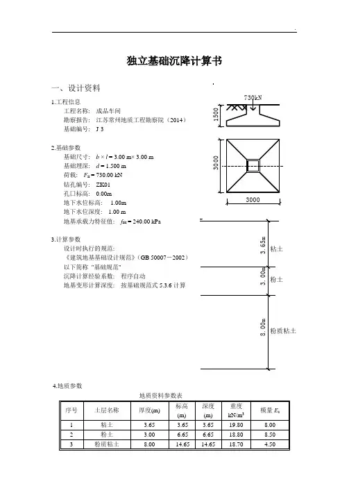
独立基础沉降计算书一、设计资料1.工程信息工程名称: 成品车间勘察报告: 江苏常州地质工程勘察院(2014)基础编号: J-32.基础参数基础尺寸: b ×l = 3.00 m× 3.00 m基础埋深: d = 1.500 m荷载: F k = 730.00 kN钻孔编号: ZK01孔囗标高: 0.00m地下水位标高: -1.00m地下水位深度: 1.00 m地基承载力特征值: f ak = 240.00 kPa3.计算参数设计时执行的规范:《建筑地基基础设计规范》(GB 50007-2002)以下简称"基础规范"沉降计算经验系数: 程序自动地基变形计算深度: 按基础规范式5.3.6计算4.地质参数二、计算步骤1.计算基础底面的附加压力基础自重和其上的土重为:G k = γG Ad-γW Ad w = 20 × 3.00 × 3.00 × 1.50- 10 × 3.00 × 3.00 × 0.50 = 225.00 kN基础底面平均压力为:p k = F k + G kA=730.00 + 225.003.00 × 3.00= 106.11 kPa基础底面自重压力为:σch = γm d = 16.47 × 1.50 = 24.70 kPa上式中γm为基底标高以上天然土层的加权平均重度,其中地下水位下的重度取浮重度γm = ∑γi h i∑h i=19.80×1.00+9.80×0.501.00+0.50=24.701.50= 16.47 kN/m3基础底面的附加压力为:p0 = p k - σch = 106.11 - 24.70 = 81.41 kPa2.确定分层厚度按"基础规范"表5.3.6:由b = 3.00m 得∆z = 0.60m3.确定沉降计算深度按"基础规范"式(5.3.6)确定沉降计算深度.z n = 8.40 m4.计算分层沉降量根据"基础规范"表K.0.1-2可得到平均附加应力系数,计算的分层沉降值见下表:上表中l1 = l/2 = 1.50m b1 = b/2 = 1.50mz = 8.40m范围内的计算沉降量∑∆s = 30.99 mm, z = 7.80m至8.40m(∆z为0.60m)土层计算沉降量∆s'i = 0.67 = s'i = 0.67 mm ≤0.025∑∆s'i = 0.025 × 30.99 = 0.77 mm,满足要求。
基础JC-1计算书项目名称: JC-1设计:校对:专业负责人:1 计算依据的规范和规程1.1 《建筑地基基础设计规范》(GB 50007--2002)1.2 《混凝土结构设计规范》(GB 50010--2002)1.3 《建筑抗震设计规范》(GB 50011--2001)1.4 《建筑结构荷载规范》(GB 50009--2001)2 几何数据及材料2.1 基础混凝土等级: C35; 抗压强度fc=16.7(MPa); 抗拉强度ft=1.57(MPa)2.2 钢筋等级: HRB335; 强度设计值fy=300(MPa); 纵筋合力点至近边距离as=50(mm)2.3 基础类型: 锥型基础2.4 基础长l=1500(mm); 基础宽b=1500(mm); 基础高h=1000(mm)2.5 柱高Hc=400(mm); 柱宽Bc=400(mm);柱周加大尺寸(相当于杯口厚度) ac=50(mm); 加大高度hc=300(mm)2.6 基础端部高h1=300(mm)2.7 基础底面积A=l*b=1500*1500=2.250(m2)基础顶部面积At=(Hc+2*ac)*(Bc+2*ac)=(400+2*50)*(400+2*50)=0.250(m2)基础体积Vjc=l*b*h1+[(Bc+2*ac)*(Hc+2*ac)+(l-Hc-2*ac)*(b-Bc-2*ac)/3+(l-Hc-2*ac)*(Bc+2*ac)/2+(b-Bc-2*ac)*(Hc+2*ac)/2]*(h-h1-hc)+(Hc+2*ac)*(Bc+2*ac)*hc=1500*1500*300+[(400+2*50)*(400+2*50)+(1500-400-2*50)*(1500-400-2*50)/3+(1500-400-2*50)*(400+2*50)/2+(1500-400-2*50)*(400+2*50)/2]*(1000-300-300)+(400+2*50)*(400+2*50)*300=1.183(m3)2.8 基础自重和上部土重基础混凝土的容重γc=25.00(kN/m3)基础顶面以上土的容重γs=18(kN/m3)基础及以上土重Gk=Vjc*γc+[A*d-Vjc-Bc*Hc*(d-h)]*γs=1.183*25.0+[2.250*1.500-1.183-0.400*0.400*(1.500-1.000)]*18=67.593(kN)G=1.2*Gk=81.112(kN)3 地基承载力信息3.1 已知条件地基承载力特征值fak=180(kPa)当地震参与荷载组合时地耐力提高系数ξa=1宽度修正系数ηb=0; 深度修正系数ηd=1土的重度γ=18(kN/m3); 土的加权平均重度γm=20(kN/m3)基础短边尺寸b=1500(mm); 基础埋置深度d=1500(mm); 深度修正起算深度d1=0(mm) 3.2 承载力设计值fa=fak+ηb*γ*(b-3)+ηd*γm*(d-d1-0.5) (GB 50007--2002 式5.2.4, 按北京规范可把d1加大1m)fa=180+0*18*(1.5-3)+1*20*(1.5-0-0.5)=200.000(kPa)faE=ξa*fa (GB 50011--2001 式4.2.3)faE=1*200.000=200.000(kPa)3.3 基底允许出现零应力区占基底总面积的百分比: 0%4 荷载信息4.1 符号说明:N 、Nk----------- 柱底轴向力设计值、标准值(kN)F 、Fk----------- 作用于基础顶面的竖向力设计值、标准值(kN)Q 、Qk----------- 作用于地面的附加地面堆载设计值、标准值(kN/m2)Fx' 、Fy' 、Fkx' 、Fky'----------- 作用于基础顶面的附加荷载设计值、标准值(kN) Fx'=0; Fy'=0; Q=0; 地面堆载按活荷载考虑(考虑最不利情况)ax' 、ay'----------- 作用于基础顶面的附加荷载偏心(mm)ax'=0; ay'=0Vx 、Vy ---- 作用于基础顶面的剪力设计值(kN)Vkx 、Vky ---- 作用于基础顶面的剪力标准值(kN)Mx'、My' --- 作用于基础顶面的弯矩设计值(kN*m)Mkx'、Mky' --- 作用于基础顶面的弯矩标准值(kN*m)Mkx 、Mky ---- 作用于基础底面的弯矩标准值(kN*m)γz ---------- 荷载设计值换算为标准值的折减系数γz=1.3Fk=Nk+Fkx'+Fky'Mkx =Mkx'-Vky*H-Fky'*ay'、Mky=Mky'+Vkx*H+Fkx'*ax'Fk=F/γz Mkx'=Mx/γz Mky'=My/γz4.2 直接输入荷载设计值N=110; Mx=5; My=5; Vx=10; Vy=10Fk=(N+Fx'+Fy')/γz=(110+0+0)/1.3=84.615(kN)Mkx=(Mx'-Vy*H-Fy'*ay')/γz=(5-10*1-0*0)/1.3=-3.846(kN*m)Mky=(My'+Vx*H+Fx'*ax')/γz=(5+10*1+0*0)/1.3=11.538(kN*m)5 轴心荷载作用下验算pk=(Fk+Gk+Qk)/A (GB 50007--2002 式5.2.2-1)pk=(84.615+67.593+0.000)/2.250=67.648(kPa) ≤200.000 满足要求6 偏心荷载作用下验算单向偏心荷载作用下公式pkmax=(Fk+Gk+Qk)/A+Mk/W (GB 50007--2002 式5.2.2-2)pkmin=(Fk+Gk+Qk)/A-Mk/W (GB 50007--2002 式5.2.2-3)当基底出现拉力区时, Pkmax=2*(Fk+Gk)/l/a/3 (GB 50007--2002 式5.2.2-4) 双向偏心荷载作用下公式pkmax=(Fk+Gk+Qk)/A+Mkx/Wx+Mky/Wypkmin=(Fk+Gk+Qk)/A-Mkx/Wx-Mky/Wy当基底出现拉力区时, Pkmax按与Fk+Gk+Qk等值原则进行修正基础底面抵抗矩Wx=l*b*b/6=1500*1500*1500/6=0.563(m3)Wy=b*l*l/6=1500*1500*1500/6=0.563(m3)pkmax=(84.615+67.593+0.000)/2.250+3.846/0.563+11.538/0.563=88.161(kPa) ≤1.2*200.000=240.000(kPa) 满足要求pkmin=(Fk+Gk+Qk)/A-Mkx/Wx-Mky/Wypkmin=(84.615+67.593+0.000)/2.250-3.846/0.563-11.538/0.563=40.298(kPa)出现拉应力区面积占基底面积百分比=0.000% ≤0.000% 满足要求偏心矩ex=Mky/(Fk+Gk)=11.538/(84.615+67.593+0.076)=0.000(m)ey=Mkx/(Fk+Gk)=-3.846/(84.615+67.593)=-0.025(m)7 基础冲切验算FlγRE≤0.7*βhp*ft*am*h0 (GB 50007--2002 式8.2.7-1)γRE--承载力抗震调整系数,当有地震参与时取0.85,其它取1.0h0=h-asam=(at+ab)/2 (GB 50007--2002 式8.2.7-2)abx=Min(l,atx+2*h0)aby=Min(b,aty+2*h0)Fl=pj*Al (GB 50007--2002 式8.2.7-3)Alx=(b-aby)*l/2.0-(l-abx)*(l-abx)/4.0Aly=(l-abx)*b/2.0-(b-aby)*(b-aby)/4.0pj=γz*(Pkmax-Gk/A)7.1 柱底边冲切面验算βhp=0.98; h0=0.95(mm)atx=Hc=0.4(m); abx=1.5(m); amx=0.95(m)aty=Bc=0.4(m); aby=1.5(m); amy=0.95(m)Alx=0(m2); Aly=0(m2)pj=1.3*(88.1611-67.593/2.250)=75.556(kPa)FlxγRE=75.556*0.000*0.85=0.000(kN) ≤975.317(kN) 满足要求FlyγRE=75.556*0.000*0.85=0.000(kN) ≤975.317(kN) 满足要求7.2 柱周加大底边(基础顶)冲切面验算βhp=1.00; h0=0.65(mm)atx=Hc=0.5(m); abx=1.5(m); amx=1(m)aty=Bc=0.5(m); aby=1.5(m); amy=1(m)Alx=0(m2); Aly=0(m2)pj=1.3*88.1611-67.593/2.250=75.556(kPa)FlxγRE=75.556*0.000*0.85=0.000(kN) ≤714.350(kN) 满足要求FlyγRE=75.556*0.000*0.85=0.000(kN) ≤714.350(kN) 满足要求8 柱下局部受压承载力验算Fl≤ω*βl*fcc*Al (GB 50010--2002 式A.5.1-1)Fl=110(kN)fcc=0.85*fc混凝土局部受压面积Al=Bc*Hc=0.4*0.4=0.160(m2)局部受压时的计算底面积Ab=(Hc+2*c)*(Bc+2*c)=0.25(m2)βl=Sqrt(Ab/Al)=Sqr(0.250/0.160)=1.250ω*βl*fcc*Al=1.0*1.250*0.85*16.700*0.160=2839.000(kN)≥Fl=110.000(kN) 满足要求9 抗弯计算MⅠ=a1^2*[(2*l+a')*(pmax+p-2*G/A)+(pmax-p)*l]/12*γRE (GB 50007--2002 式8.2.7-4) =a1^2*[(2*l+a')*(Pjmax+pj)+(Pjmax-pj)*l]/12*γREMⅡ=(l-a')^2*(2*b+b')*(pmax+pmin-2*G/A)/48*γRE (GB 50007--2002 式8.2.7-5) =(l-a')^2*(2*b+b')*(Pjmax+Pjmin)/48*γREγRE--承载力抗震调整系数,当有地震参与时取0.75,其它取1.09.1 柱边弯矩计算9.1.1 绕Y轴方向弯矩计算:l=1.500(m); a'=0.400(m); a1=0.550(m)Pjmax=84.444(kPa); Pjmin=2.051(kPa)pj=Pjmax-(Pjmax-Pjmin)*a1)/l=58.353(kPa)MⅠ=a1^2*[(2*l+a')*(Pjmax+pj)+(Pjmax-pj)*l]/12)*γRE=0.550^2*[(2*1.500+0.400)*(84.444+58.353)+(84.444-58.353)*1.500]/12*0.75=9.919(kN*m)截面面积A=1.000(m2), 受压区高度x=0.001(m)As=33.085(mm2); 配筋率ρ=0.00%9.1.2 绕X轴方向弯矩计算:l=1.500(m); a'=0.400(m); a1=0.550(m)Pjmax=84.444(kPa); Pjmin=2.051(kPa)Pj=Pjmax-(Pjmax-Pjmin)*a1)/l=58.353(kPa)MⅠ=a1^2*[(2*l+a')*(Pjmax+pj)+(Pjmax-pj)*l]/12)*γRE=0.550^2*[(2*1.500+0.400)*(84.444+58.353)+(84.444-58.353)*1.500]/12*0.75=9.919(kN*m)截面面积A=1.000(m2), 受压区高度x=0.001(m)As=33.085(mm2); 配筋率ρ=0.00%9.2 柱周加大底边(基础顶)弯矩计算9.2.1 绕Y轴方向弯矩计算:l=1.500(m); a'=0.500(m); a1=0.500(m)Pjmax=84.444(kPa); Pjmin=2.051(kPa)pj=Pjmax-(Pjmax-Pjmin)*a1)/l=56.980(kPa)MⅠ=a1^2*[(2*l+a')*(Pjmax+pj)+(Pjmax-pj)*l]/12)*γRE=0.500^2*[(2*1.500+0.500)*(84.444+56.980)+(84.444-56.980)*1.500]/12*0.75=8.378(kN*m)截面面积A=0.850(m2), 受压区高度x=0.002(m)As=39.938(mm2); 配筋率ρ=0.00%控制最小配筋率ρmin=0.15%; As=1275.000(mm2)9.2.2 绕X轴方向弯矩计算:l=1.500(m); a'=0.500(m); a1=0.500(m)Pjmax=84.444(kPa); Pjmin=2.051(kPa)Pj=Pjmax-(Pjmax-Pjmin)*a1)/l=56.980(kPa)MⅠ=a1^2*[(2*l+a')*(Pjmax+pj)+(Pjmax-pj)*l]/12)*γRE=0.500^2*[(2*1.500+0.500)*(84.444+56.980)+(84.444-56.980)*1.500]/12*0.75=8.378(kN*m)截面面积A=0.850(m2), 受压区高度x=0.002(m)As=39.938(mm2); 配筋率ρ=0.00%控制最小配筋率ρmin=0.15%; As=1275.000(mm2),Ax=2.24709e-2359.3 配筋结果:沿X向钢筋As=1275.000(mm2); 实配13φ12@125(As=1470.265)沿Y向钢筋As=1275.000(mm2); 实配13φ12@125(As=1470.265)=========================TAsd结构设计软件基础JC-1计算书结束=========================。
独立基础计算书计算依据:1、《建筑地基基础设计规范》GB50007-20112、《混凝土结构设计规范》GB50010-20103、《建筑结构荷载规范》GB50009-2012一、基本参数1、上部荷载参数基础顶部柱子轴力设计值F(kN)200基础顶部柱子弯矩设计值Mx(kN·m) 50 基础顶部柱子弯矩设计值My(kN·m) 50 基础顶部柱子剪力设计值Vx (kN)10 基础顶部柱子剪力设计值Vy (kN) 10 标准组合分项系数Ks1.3基本组合分项系数Kc1.352、基础上部柱子参数基础类型阶梯形 基础台阶数三阶基础底面长L×宽B×高h 1(mm) 3600×2800×400 基础二阶底面长L 1×宽B 1×高h 2(mm) 2800×2000×400 基础柱边面长dx×宽dy×高h 3(mm) 600×300×400 基础埋置深度H 1(m)2.4 混凝土强度等级 C30 基础自重γc (kN/m3)24 基础上部覆土厚度h′(m) 1.2 基础上部覆土的自重γ′(kN/m3)17基础混凝土保护层厚度δ(mm)504、地基参数平面图剖面图1-1剖面图2-2三、承台验算1、基础受力设计值计算:F=200KNM x′=M x+H1×V x=50+2.4×10=74kN·mM y′=M y+H1×V y=50+2.4×10=74kN·m标准值计算:(标准组合)F k=K s×F=1.3×200=260kNM xk=K s×M x′=1.3×74=96.2kN·mM yk=K s×M y′=1.3×74=96.2kN·m2、基础及其上土的自重荷载标准值:G k=L×B×(γc×h1+ (h′+h2+h3) ×γ′)+L1×B1×h2×(γc-γ′)+(d x×2+a )×(d y×2+b)×h3×(γc-γ′)=3.6×2.8×(24×0.4+ (1.2+0.4+0.4)×17)+2.8×2×0.4×(24-17)+(0.6×2+0.8 ) ×(0.3×2+0.6)×0.4×(24-17)=461.888kN 3、基础底面压应力计算p k = (F k + G k)/A=(260+461.888)/(2.8×3.6)=71.616kPa基础底面抵抗矩:W X= BL2/6=2.8×3.62/6=6.048m3基础底面抵抗矩:W Y= LB2/6=3.6×2.82/6=4.704m3e x=M xk /(F k+G k)=96.2/(260+461.888)=0.133p xkmax= (F k + G k)/A + |M xk|/W x=71.616+96.2/6.048=87.522kPap xkmin= (F k + G k)/A - |M xk|/W x=71.616-96.2/6.048=55.71kPap x增= p xkmax-p k=15.906kPap x减= p k-p xkmin=15.906kPae y=M yk/(F k+G k)=96.2/(260+461.888)=0.133p ykmax= (F k + G k)/A + |M yk|/W y=71.616+96.2/4.704=92.067kPap ykmin= (F k + G k)/A - |M yk|/W y=71.616-96.2/4.704=51.165kPap y增= p ykmax-p k=20.451kPap y减= p k-p ykmin=20.451kPap kmax = p k+ p x增+ p y增=71.616+15.906+20.451=107.973kPap kmin = p k- p x减- p y减=71.616-15.906-20.451=35.259kPa基座反力图1)轴心作用时地基承载力验算P k=71.616kPa≤f a=224.72kPa满足要求!2)偏心作用时地基承载力验算P kmax=107.973kPa≤1.2f a=1.2×224.72=269.664kPa满足要求!4、软弱下卧层验算基础底面处土的自重压力值:p c= H1×γm=2.4×18=43.2kPa下卧层顶面处附加压力值:p z=l b×(p kmax-p c)/((b+2ztanθ)(l+2ztanθ))=3.6×2.8×(107.973-43.2)/((2.8+2×2×tan23)×(3.6+2×2×tan23))=27.399kPa软弱下卧层顶面处土的自重压力值:p cz=z×γ=2×20=40kPa作用在软弱下卧层顶面处总压力:p z+p cz=27.399+40=67.399kPa≤f az=160kPa满足要求!5、基础抗剪切验算P jmax= K c×(p kmax-G k /A) =1.35×(107.973-461.888/(3.6×2.8))=83.904kPa P jmin=0kPa1)第一阶验算抗剪切计算简图一阶X向抗剪切计算简图一阶y向h0x=h1-(δ+φx/2) = 400-(50+10/2)=345mmβhx=(800/ h0x)0.25=1A cx1= Lh0x=3600×345=1242000 mm2V x=0.7×βhx×f t ×A cx1=0.7×1×1.43×1242000=1243242N=1243.242kN≥p jmax×L×(B-B1 )/2=83.904×3.6×(2.8-2)/2=120.822kNh0y=h1-(δ+φy /2)= 400-(50+10/2)=345mmβhy=(800/h0y)0.25=1A cy1=Bh0y= 600×345=207000 mm2V y=0.7×βhy×f t×A cy1=0.7×1×1.43×207000=207207N=207.207kN≥p jmax×B×(L- L1 )/2=83.904×2.8×(3.6-2.8)/2=93.972 kN满足要求!2)第二阶验算抗剪切计算简图二阶X向抗剪切计算简图二阶y向h0x=h1-(δ+φx/2)+ h2 =400-(50+10/2)+400=745mmβhx=(800/h0x)0.25=1A cx2 =L×(h0x-h2) + L1 ×h2=3600×(745-400)+2800×400=2362000 mm2V x=0.7×βhx×f t×A cx2=0.7×1×1.43×2362000=2364362N=2364.362kN≥p jmax×L×(B-(b+2d y ))/2=83.904×3.6×(2.8-0.6-2×0.3)/2=241.644 kNh0y=h1-(δ+φy/2)+ h2 =400-(50+10/2)+400=745mmβhy=(800/h0y)0.25=1A cy2 =B×(h0y-h2) + B1 ×h2=2800×(745-400)+2000×400=1766000 mm2V y=0.7×βhy×f t×A cy2=0.7×1×1.43×1766000=1767766N=1767.766kN≥p jmax×B×(L-(a+2d x ))/2=83.904×2.8×(3.6-0.8-2×0.6)/2=187.945 kN满足要求!3)第三阶验算抗剪切计算简图三阶X向抗剪切计算简图三阶y向h0x=h1-(δ+φx/2) + h2+ h3=400-(50+10/2)+400+400=1145mmβhx=(800/h0x)0.25=0.914A cx3=L×(h0x-h2-h3)+L1×h2+(a+2d x)×h3=3600×(1145-400-400)+2800×400+(800+2×600)×400=3162000 mm2V x=0.7×βhx×f t×A cx3=0.7×0.914×1.43×3162000=2892958.068N=2892.958kN≥p jmax ×L×(B-b)/2=83.904×3.6×(2.8-0.6)/2=332.26kNh0y=h1-(δ+φy/2) + h2+ h3= 400-(50+10/2)+400+400=1145mmβhy=(800/h0y)0.25=0.914A cy3=B×(h0y-h2-h3)+B1×h2+(b+2d y)×h3=2800×(1145-400-400)+2000×400+(600+2×300)×400=2246000 mm2V y=0.7×βhy×f t×A cy3=0.7×0.914×1.43×2246000=2054896.844N=2054.897kN≥p jmax×B×(L-a)/2=83.904×2.8×(3.6-0.8)/2=328.904kN满足要求!6、基础抗冲切验算1)第一阶验算k=(L1 -B1 )/2=(2800-2000)/2=400mmX方向验算:抗冲切验算一阶X向a bx=2h0x +L1=2×345+2800=3490 mm≤L=3600mm,取a bx=2h0x+L1=3490 mmy1= L/2-k=3600/2-400 =1400 mm≥B/2=1400 mmx1=2×(B/2+k) =2×(2800/2+400) =3600 mmy2=h0x +B1/2=345+2000/2 =1345 mmA lx=(B/2-y2)(a bx+x1)/2 = (2800/2-1345)( 3490+3600)/2=194975 mm2Y方向验算:抗冲切验算一阶y向a by=2h0y+B1=2×345+2000=2690mm≤B=2800mm,取a by=2h0y+B1=2690mmx1= B/2+k= 2800/2+400=1800 mm≥3600/2=1800 mmy1=2×(L/2-k) =2×(3600/2-400)=2800 mmx2= h0y +L1/2=345+2800/2=1745mmA ly= (L/2-x2)(a by+y1)/2 = (3600/2-1745)(2690+2800)/2=150975mm2a mx=(a t +a bx)/2=(2800+3490)/2=3145mma my=(a t +a by)/2 =(2000+2690)/2=2345mmA q1x=a mx×h0x=3145×345=1085025 mm2A q1y=a my×h0y=2345×345=809025 mm2F lx=0.7×βhp ×f t ×A q1x=0.7×1×1.43×1085025=1086110.025N=1086.11kN≥p jmax ×A lx=83.904×0.001×194975=16359.182N=16.359kNF1y=0.7×βhp×f t ×A q1y=0.7×1×1.43×809025=809834.025N=809.834kN≥p jmax ×A ly=83.904×0.001×150975=12667.406N=12.667kN满足要求!2)第二阶验算k=((a+2d x) -(b+2d y) )/2=((800+2×600)-(600+2×300))/2=400mmX方向验算:抗冲切验算二阶X向a bx=2h0x +(a+2d x)=2×745+(800+2×600)=3490 mm≤L=3600mm,取a bx=2h0x+(a+2d x)=3490 mmy1= L/2-k=3600/2-400 =1400 mm≥B/2=1400 mmx1=2×(B/2+k) =2×(2800/2+400) =3600 mmy2=h0x +(b+2d y)/2=745+(600+2×300)/2 =1345 mmA lx=(B/2-y2)(a bx+x1)/2 = (2800/2-1345)( 3490+3600)/2=194975 mm2Y方向验算:抗冲切验算二阶y向a by=2h0y+(b+2d y)=2×745+(600+2×300)=2690mm≤B=2800mm,取a by=2h0y+(b+2d y)=2690mmx1= B/2+k= 2800/2+400=1800 mm≥3600/2=1800 mmy1=2×(L/2-k) =2×(3600/2-400)=2800 mmx2= h0y +(a+2d x)/2=745+(800+2×600)/2=1745mmA ly= (L/2-x2)(a by+y1)/2 = (3600/2-1745)(2690+2800)/2=150975mm2a mx=(a t +a bx)/2=(2000+3490)/2=2745mma my=(a t +a by)/2 =(1200+2690)/2=1945mmA q1x=a mx×h0x=2745×745=2045025 mm2A q1y=a my×h0y=1945×745=1449025 mm2F lx=0.7×βhp ×f t ×A q1x=0.7×1×1.43×2045025=2047070.025N=2047.07kN≥p jmax ×A lx=83.904×0.001×194975=16359.182N=16.359kNF1y=0.7×βhp×f t ×A q1y=0.7×1×1.43×1449025=1450474.025N=1450.474kN≥p jmax ×A ly=83.904×0.001×150975=12667.406N=12.667kN满足要求!3)第三阶验算k=(a -b )/2=(800-600)/2=100mmX方向验算:抗冲切验算三阶X向a bx=2h0x+a=2×1145+800=3090 mm≤L=3600mm,取a bx=2h0x+a=3090 mm y1= L/2-k=3600/2-100 =1700 mm≥B/2=1400 mmx1=2×(B/2+k) =2×(2800/2+100) =3000 mmy2=h0x +b/2=1145+600/2 =1445 mmA lx=(B/2-y2)(a bx+x1)/2 = (2800/2-1445)( 3090+3000)/2=-137025 mm2因为A lx<0,即A lx不存在,故取A lx=0Y方向验算:抗冲切验算三阶y向a by=2h0y+b=2×1145+600=2890mm> B=2800mm,取a by=B=2800mmx2= h0y +a/2= 1145 +800/2=1545mmA ly= (L /2- x2) ×a by= (3600 /2- 1545) ×2800=714000mm2a mx=(a t +a bx)/2=(800+3090)/2=1945mma my=(a t +a by)/2 =(600+2800)/2=1700mmA q1x=a mx×h0x=1945×1145=2227025 mm2A q1y=a my×h0y=1700×1145=1946500 mm2F lx=0.7×βhp ×f t ×A q1x=0.7×0.914×1.43×2227025=2037536.351N=2037.536kN≥p jmax ×A lx=83.904×0.001×0=0N=0kNF1y=0.7×βhp×f t ×A q1y=0.7×0.914×1.43×1946500=1780880.101N=1780.88kN≥p jmax ×A ly=83.904×0.001×714000=59907.456N=59.907kN满足要求!四、承台配筋计算基础底板受力配筋图P j= K c ×(p k-G k /A) =1.35×(71.616-461.888/(3.6×2.8))=34.822kPa1)第一阶验算M1x=1/48[(p jmax+ p j) ×(2L+ L1)+ (p jmak-p j) ×L] ×(B -B1)2 =1/48×[(83.904+ 34.822) × (2×3600+ 2800)+ (83.904-34.822 ) ×3600] ×(2800- 2000)2=18.186 kN·m M1y=1/48[(p jmax+ p j) ×(2B+ B1)+ (p jmak-p j) ×B] ×(L -L1)2 =1/48×[(83.904+ 34.822) × (2×2800+ 2000)+ (83.904-34.822 ) ×2800] ×(3600- 2800)2=13.863 kN·mA sx1=M1x/(0.9×f yx ×h0x ) =18.186×106/(0.9×300×345)=195.233mm2A sy1=M1y/(0.9×f yy ×h0y ) =13.863×106/(0.9×300×345)=148.824mm22)第二阶验算M2x=1/48[(p jmax+ p j) ×(2L+ (a+2d x))+ (p jmak-p j) ×L] ×(B -(b+2d y))2 =1/48×[(83.904+ 34.822) × (2×3600+ (800+2×600))+ (83.904-34.822 ) ×3600] ×(2800-(600+2×300))2=67.679 kN·mM2y=1/48[(p jmax+ p j) ×(2B+ (b+2d y))+ (p jmak-p j) ×B] ×(L -(a+2d x))2=1/48×[(83.904+ 34.822) × (2×2800+ (600+2×300))+ (83.904-34.822 ) ×2800] ×(3600- (800+2×600))2=50.388 kN·mA sx2=M2x/(0.9×f yx ×h0x ) =67.679×106/(0.9×300×745)=336.46mm2A sy2=M2y/(0.9×f yy ×h0y ) =50.388×106/(0.9×300×745)=250.5mm23)第三阶验算M3x=1/48[(p jmax+ p j) ×(2L+ a)+ (p jmak-p j) ×L] ×(B -b)2 =1/48×[(83.904+ 34.822) ×(2×3600+ 800)+ (83.904-34.822 ) ×3600] ×(2800- 600)2=113.589 kN·m M3y=1/48[(p jmax+ p j) ×(2B+ b)+ (p jmak-p j) ×B] ×(L -a)2 =1/48×[(83.904+ 34.822) ×(2×2800+ 600)+ (83.904-34.822 ) ×2800] ×(3600- 800)2=142.677 kN·mA sx3=M3x/(0.9×f yx ×h0x ) =113.589×106/(0.9×300×1145)=367.424mm2A sy3=M3y/(0.9×f yy ×h0y ) =142.677×106/(0.9×300×1145)=461.514mm2A sx=max(A sx1,A sx2,A sx3)=max(195.233,336.46,367.424)=367.424mm2≤A SX=[(2800/120)+1]×3.14×102/4=1910.167 mm2A sy=max(A sy1,A sy2,A sy3)=max(148.824,250.5,461.514)=461.514mm2≤A SY=[(3600/110)+1]×3.14×102/4=2647.591 mm2 满足要求!。
目录1 基本条件的确定 (2)2 确定基础埋深 (2)2.1设计冻深 (2)2.2选择基础埋深 (2)3 确定基础类型及材料 (2)4 确定基础底面尺寸 (2)4.1确定B柱基底尺寸 (2)4.2确定C柱基底尺寸 (3)5 软弱下卧层验算 (3)5.1 B柱软弱下卧层验算 (3)5.2 C柱软弱下卧层验算 (4)6 计算柱基础沉降 (4)6.1计算B柱基础沉降 (4)6.2计算C柱基础沉降 (6)7 按允许沉降量调整基底尺寸 (7)8 基础高度验算 (8)8.1 B柱基础高度验算 (9)8.2 C柱基础高度验算 (10)9 配筋计算 (12)9.1 B柱配筋计算 (12)9.2 C柱配筋计算 (14)1 基本条件确定人工填土不能作为持力层,选用亚粘土作为持力层。
2 确定基础埋深2.1设计冻深⋅⋅⋅Z =Z zw zs o d ψψze ψ=2.01.000.950.90⨯⨯⨯1.71=m2.2选择基础埋深根据设计任务书中给出的数据,人工填土d 1.5m =,因持力层应选在亚粘土层处,故取0m .2d =3 确定基础类型及材料基础类型为:柱下独立基础基础材料:混凝土采用C25,钢筋采用HPB235。
4 确定基础底面尺寸根据亚粘土e=0.95,l I 0.65=,查表得0, 1.0b d ηη==。
因d=2.0m 。
基础底面以上土的加权平均重度:1[18.0 1.519.0(2.0 1.5)]/2.018.25o γ=⨯+⨯-=3/m KN 地基承载力特征值a f (先不考虑对基础宽度进行修正):11(0.5)150 1.018.25(2.00.5)177.38a a d m f f d ηγ=+⋅-=+⨯⨯-=a KP 4.1 确定B 柱基底尺寸20240017.47.177.3820 2.0K a G F A m f d γ≥==--⨯由于偏心力矩不大,基础底面面积按20%增大,即A=1.20A =20.962m 。
独立基础验算计算书==================================================================== 计算软件:MTS钢结构设计系列软件MTSTool v2.0.1.6计算时间:2012年11月26日13:37:14====================================================================一. 设计资料1 基本信息验算依据:建筑地基基础设计规范(GB 50007-2002)混凝土结构设计规范(GB 50010-2002)钢结构设计规范(GB 50017-2003)建筑结构荷载规范(GB 50009-2001)连接柱子数目:1 个连接柱子类型:单肢混凝土柱柱子X向尺寸:X c=450 mm柱子Y向尺寸:Y c=450 mm2 地基信息基础埋深:d=1.5 m室内外地面高差:Δd=0 m地基名称: 缺省地基本地基现有3个土层受力土层范围内没有地下水。
地基土层分布示意图如下:地基土层具体信息列表如下:序厚(m) Es(mPa) γ/γs(kN/m3) Fak(kPa) δa 参数参数1 3.00 5.00 18.00/19.00 60.0 1.00 εb=0.0 εd=1.02 1.25 8.00 18.00/19.00 120.0 1.30 εb=0.0 εd=1.03 2.50 4.00 18.00/19.00 120.0 1.10 εb=0.3 εd=1.5 3 荷载信息基顶荷载模式:组合工况内力设计值基础顶面的基本组合工况不由恒载控制基础拉梁弯矩分担百分比:ε=0%基顶各工况荷载数值列表如下:工况N(kN) Vx(kN) Vy(kN) Mx(kN·m) My(kN·m) 基本组合61.0 -1.0 -0.2 0.0 0.0标准组合48.8 -0.8 -0.1 0.0 0.0准永久组合30.5 -0.5 -0.1 0.0 0.04 基础信息基础类型:锥形基础基础连接方式:短柱连接基础阶数:1 阶基础混凝土标号:C30基础尺寸示意图如下:基础底面X向长度:B x1=1200 mm基础底面Y向长度:B y1=1200 mm锥形基础边缘高度:H1=350 mm锥形基础斜面高度:H2=250 mm基础二阶底面X向长度:B x2=2900 mm基础二阶底面Y向长度:B y2=2200 mm二阶底面X向左侧伸出柱边长度:B x21=1450 mm二阶底面Y向下侧伸出柱边长度:B y21=1100 mm基础短柱X向伸出柱边长度:D x=50 mm基础短柱Y向伸出柱边长度:D y=50 mm基础第二台阶高度:H2=250 mm基础短柱高度:H z=900 mm5 配筋信息基础配筋示意图如下:5.1 基础底板配筋信息基底有垫层,钢筋保护层厚度:C=40 mm底板X向钢筋:D12@100X向钢筋每米面积:A bx=11.31 cm2X向钢筋抗拉强度:f bx=300 N/mm2底板Y向钢筋:D12@100Y向钢筋每米面积:A by=11.31 cm2Y向钢筋抗拉强度:f by=300 N/mm25.2 基础短柱配筋信息工程抗震设防烈度:7度纵筋保护层厚度:C z=40 mm纵筋方案选用:D20+D16+D20X向中筋根数:N zxz=2 根Y向中筋根数:N zyz=2 根箍筋方案选用:矩形箍Φ8@100箍筋X向肢数:N gxz=4 肢中筋Y向肢数:N gyz=4 肢二. 验算结果一览验算项验算工况数值限值结果基底平均压力(kPa) 标准组合72.4 最大78.0 满足基底最大压力(kPa) 标准组合77.4 最大93.6 满足冲切应力比基本组合0 最大1.00 满足剪切应力比基本组合0.03 最大1.00 满足局压应力比基本组合0.02 最大1.00 满足混凝土强度标号——C30 最低C20 满足边缘高度(mm) ——350 最小200 满足X向压区高度(mm) 基本组合13.0 最大303 满足X向抗弯应力比基本组合0.01 最大1.00 满足Y向压区高度(mm) 基本组合9.89 最大303 满足Y向抗弯应力比基本组合0.01 最大1.00 满足保护层厚度(mm) ——40.0 最小40.0 满足X向配筋率(%) ——0.23 最小0.15 满足X向钢筋直径(mm) ——12.0 最小10.0 满足X向钢筋间距(mm) ——100 最小100 满足X向钢筋间距(mm) ——100 最大200 满足Y向配筋率(%) ——0.23 最小0.15 满足Y向钢筋直径(mm) ——12.0 最小10.0 满足Y向钢筋间距(mm) ——100 最小100 满足Y向钢筋间距(mm) ——100 最大200 满足压/拉弯应力比基本组合0.02 最大1.00 满足X向单侧配筋率(%) ——0.42 最小0.05 满足Y向单侧配筋率(%) ——0.34 最小0.05 满足X向中筋直径(mm) ——20.0 最小12.0 满足X向中筋间距(mm) ——150 最大300 满足X向中筋净距(mm) ——130 最小50.0 满足Y向中筋直径(mm) ——16.0 最小12.0 满足Y向中筋间距(mm) ——150 最大300 满足Y向中筋净距(mm) ——133 最小50.0 满足X向抗剪承载力基本组合0.00 最大1.00 满足Y向抗剪承载力基本组合0.00 最大1.00 满足X向受剪截面强度基本组合0.00 最大1.00 满足Y向受剪截面强度基本组合0.00 最大1.00 满足箍筋直径(mm) ——8.00 最小6.00 满足箍筋间距(mm) ——100 最大240 满足箍筋形式——复合复合满足三. 地基承载力验算1 地基承载力特征值计算基础覆土的加权平均重度:γm=(18×1.5)/1.5=18 kN/m3基底处土层重度:γ=18 kN/m3基础底面宽度小于3m,按3m计算地基承载力特征值:f a=f ak+εbγ*(b-3)+εd*γm*(d-0.5)=60+0×18×(3-3)+1×18×(1.5-0.5)=78 kPa地基抗震承载力特征值:f aE=δa*f a=78×1=78 kPa2 基础和回填土总重标准值计算基底以上总体积:V=L*B*(d-Δd)=1200×1200×(1.5-0×0.5)×10-6=2.16 m3基础体积:V c=2.371 m3基础与回填土总重标准值:G k=(V-V c)*γm+V c*ρc*g=[(2.16-2.371)×1.8e-005+2.371×2.5e-005]×106=55.479 kN3 地基承载力验算控制工况:标准组合工况内力:N=48.822 kN;V x=-0.8216 kN;V y=-0.1344 kN;M x=0 kN·m;M y=0 kN·m 基底作用力标准值计算:基础总高度:H=1500 mm柱子中心对基底X向偏心:E x=0 mm柱子中心对基底Y向偏心:E y=0 mm基底竖向力值:F k=N=48.822 kN基底竖向合力值:F k+G k=48.822+55.479=104.3 kN基底X向力矩值:M xk=(M x-V y*H-N*E y)*(1-ε)=(0--0.1344×1500×10-3-48.822×0×10-3)×(1-0)=0.2016 kN·m基底Y向力矩值:M yk=(M y+V x*H-N*E x)*(1-ε)=(0--0.8216×1500×10-3-48.822×0×10-3)×(1-0)=-1.232 kN·m 标准组合工况下基底压力分布图(kPa)如下基底平均压力值:P k=(F k+G k)/A=104.3/14400×104=72.431 kPa≤78,满足基底最大压力值:P kmax=(F k+G k)/A+|M xk|/W x+|M yk|/W y=104.3/14400×104+0.2016/288000×106+1.232/288000×106=77.41 kPa≤93.6,满足四. 基础抗冲切验算控制工况:基本组合工况内力:N=61.027 kN;V x=-1.027 kN;V y=-0.168 kN;M x=0 kN·m;M y=0 kN·m基底作用力计算:基础与覆土自重设计值:G=(55.479+0)×1.2-0=66.575 kN基底竖向力值:F d=N+G=61.027+66.575=127.602 kN基底X向力矩值:M xd=(0--0.168×1500×10-3-61.027×0×10-3)×(1-0)=0.252 kN·m基底Y向力矩值:M yd=(0--1.027×1500×10-3-61.027×0×10-3)×(1-0)=-1.54 kN·m基本组合工况下基底压力分布图(kPa)如下基础的最大冲切应力出现在基础X向右侧第1阶处冲切锥体抗冲切承载力计算:基础第1阶有效高度:h0=600-40-10=550 mmH0≤800,取βh=1.0冲切破坏锥体上边长:b t=550 mm冲切破坏锥体下边长:b b=1200 mm冲切破坏锥体中边长:b m=(b b+b t)*0.5=(1200+550)×0.5=875 mm抗冲切承载力:F h=0.7*βh*b m*H0*f t=0.7×1×875×550×1.43×10-3=481.731 kN 冲切验算取用的基底面积呈矩形分布,区域内地基净压力分布图(kPa)如下冲切矩形宽度:l=a r=1200 mm冲切矩形高度:h=0 mm基底冲切压力值:F l=0 kN≤481.731 kN,满足按保守简化方法(均布最大净反力)计算的冲切压力为:冲切作用基底面积:A l=l*h=1200×0×10-2=0 cm2冲切压力值:F l=A l*(p max-G/A)=0×(94.836-46.232)×10-4=0 kN≤481.731 kN,满足五. 基础抗剪切验算控制工况:基本组合基底作用力和净压力分布同冲切验算时,详见冲切验算基础的最大剪切应力出现在基础X向左侧第1阶处基础第1阶有效高度:h0=600-40-10=550 mmH0<800,取βh=1.0基础第1阶抗剪切面面积为:A v=(1200×300+(1200+550)×250×0.5)×10-6=0.5787 m2抗剪切承载力:F v=0.7*βh*A v*f t=0.7×1×0.5787×1.43×103=579.329 kN 基底剪切矩形内地基净压力分布图(kPa)如下基底剪切矩形宽度:l=1200 mm基底剪切矩形高度:h=325 mm经积分计算,剪切压力值:F l=15.007 kN≤481.682 kN,满足按保守简化方法(均布最大净反力)计算的剪切压力:剪切作用基底面积:A l=l*h=1200×325×10-2=3900 cm2剪切压力值:F l=A l*(p max-G/A)=3900×(94.836-46.232)×10-4=18.955 kN≤481.682 kN,满足六. 控制工况下基础局部受压验算按素混凝土验算柱下基础混凝土的局部受压考虑局部受压面上荷载均匀分布,取荷载分布影响系数:ω=1基础素混凝土轴心抗压强度设计值:f cc=0.85*f c=0.85×14.3=12.155 N/mm2控制工况:基本组合控制内力:N=61.027 kN局部受压面积:A l=X c*Y c=450×450×10-2=2025 cm2计算底面X向增大宽度:b x=50 mm计算底面Y向增大宽度:b y=50 mm计算底面积:A b=(X c+2*b x)*(Y c+2*b y)=(450+2×50)×(450+2×50)×10-2=3025 cm2强度提高系数:βl=(A b/A l)0.5=(3025/2025)0.5=1.222柱下局压应力比:ξ=N/(ω*f cc*βl*A l)=61.027/(12.155×1.222×2025)×10=0.02029≤1,满足七. 基础底板配筋验算1 基础底板X向配筋验算控制工况:基本组合基底作用力和净压力分布同前基础X向最大有效面积:A x=5787.5 cm2基础X向实配钢筋面积:A sx=13.572 cm2基础X向配筋率:ρsx=A sx/A x*100=13.572/5787.5×100=0.2345%≥0.15%,满足基础的最大抗弯应力出现在基础X向左侧第1阶处底板钢筋总拉力:F s=f bx*A bx*l=300×1130.973×1200×10-3=407.15 kN基础作用面有效高度:h0=600-40-10=550 mm混凝土受压区高度:x=13.045 mm相对受压区高度:ξ=x/h0=13.045/550=0.02372≤ξb=0.55,满足底板钢筋力臂长度:S=h0-x/2=550-13.045/2=543.477 mm第1阶的抗弯承载力为:M u=F s*S=221.277 kN·m抗弯验算取用的基底面积呈梯形分布,区域内地基净压力分布图(kPa)如下基底梯形下宽:l=1200 mm基底梯形上宽:b c=550 mm梯形上边到基础下边距离为325 mm基底梯形高度:h=325 mm基底净压力对第1阶的截面弯矩为:2.434 kN·m≤221.277 kN·m,满足按(保守简化方法)均布最大净反力计算的截面弯矩:M=h2*(2*l+b c)*(p max-G/A)/6=3252×(2×1200+550)×(94.836-46.232)/6×10-9=2.524 kN·m≤221.277 kN·m,满足2 基础底板Y向配筋验算控制工况:基本组合基底作用力和净压力分布同前基础Y向最大有效面积:A y=5787.5 cm2基础Y向实配钢筋面积:A sy=13.572 cm2基础Y向配筋率:ρsy=A sy/A y*100=13.572/5787.5×100=0.2345%≥0.15%,满足基础的最大抗弯应力出现在基础Y向下侧第1阶处底板钢筋总拉力:F s=f by*A by*l=300×1130.973×1200×10-3=407.15 kN基础作用面有效高度:h0=600-40-10=550 mm混凝土受压区高度:x=9.895 mm相对受压区高度:ξ=x/h0=9.895/550=0.01799≤ξb=0.55,满足底板钢筋力臂长度:S=h0-x/2=550-9.895/2=545.053 mm第1阶的抗弯承载力为:M u=F s*S=221.918 kN·m抗弯验算取用的基底面积呈梯形分布,区域内地基净压力分布图(kPa)如下基底梯形下宽:l=1200 mm基底梯形上宽:b c=550 mm梯形上边到基础左边距离为325 mm基底梯形高度:h=325 mm基底净压力对第1阶的截面弯矩为:2.239 kN·m≤221.918 kN·m,满足按(保守简化方法)均布最大净反力计算的截面弯矩:M=h2*(2*l+b c)*(p max-G/A)/6=3252×(2×1200+550)×(94.836-46.232)/6×10-9=2.524 kN·m≤221.918 kN·m,满足八. 基础短柱压/拉弯承载力验算短柱按素混凝土构件验算压/拉弯承载力控制工况:基本组合顶部作用力:N z=61.027 kN;V xz=-1.027 kN;V yz=-0.168 kN;M xz=0 kN·m;M yz=0 kN·m 短柱X向尺寸:X=550 mm短柱Y向尺寸:Y=550 mm短柱计算长度:l o=2*H z=1800 mml0/b=l0/min(X, Y)=1800/min(550, 550)=3.273由《GB 50010-2002》之表A.2.1,可得:ψ=1轴心受压承载力设计值:N u=ψ*f cc*X*Y=1×12.155×550×550×10-3=3676.888 kN轴心受压应力比:ξ=N z/N u=61.027/3676.888=0.0166≤1,满足九. 基础短柱配箍验算1 短柱抗剪截面验算控制工况:基本组合短柱作用力:N z=61.027 kN;V xz=-1.027 kN;V yz=-0.168 kN;M xz=0 kN·m;M yz=0 kN·m max(X, Y)/min(X, Y)=1≤4,取截面抗剪系数为0.25剪力作用方向与X轴夹角正弦值:sinζ=0.1614剪力作用方向与X轴夹角余弦值:cosζ=0.9869X向截面强度比:ξx=V xz/(0.25*βc*f c*Y*X0*cosζ)=0.001059≤1.0,满足Y向截面强度比:ξy=V yz/(0.25*βc*f c*X*Y0*sinζ)=0.001059≤1.0,满足2 短柱配箍验算有效轴力:N a=min(N, 0.3*f c*X*Y)=61.027 kN取计算截面剪跨比:λ=1.5X向抗剪承载力设计值:V ux=1.75/(1+λ)*f t*Y*X0+f yv*A svx/S*X0+0.07*N a=490.662 kNY向抗剪承载力设计值:V uy=1.75/(1+λ)*f t*X*Y0+f yv*A svy/S*Y0+0.07*N a=490.662 kN剪力作用方向与X轴夹角正切值:tanζ=V yz/V xz=0.1636X向剪切应力比:ξx=V xz*(1+(V ux*tanζ/V uy)2)0.5/V ux=0.002121≤1.0,满足Y向剪切应力比:ξy=V yz*(1+(V uy/V ux/tanζ)2)0.5/V uy=0.002121≤1.0,满足。
J-1C40 fak(kPa)= 220.0 q= 2.00m Pt= 40.0kPa fy=360MPa宽度修正系数= 0.30 深度修正系数= 1.60Load Mx'(kN*m) My'(kN*m) N(kN) Pmax(kPa) Pmin(kPa) fa(kPa) S(mm) B(mm)4 0.00 0.00 1093.53 267.42 267.42 268.00 2192 2192柱下独立基础冲切计算:at(mm) load 方向p_(kPa) 冲切力(kN) 抗力(kN) H(mm)500. 6 X+ 293. 268.7 274.3 340.500. 6 X- 293. 268.7 274.3 340.500. 6 Y+ 293. 268.7 274.3 340.500. 6 Y- 293. 268.7 274.3 340.基础底面长、宽大于柱截面长、宽加两倍基础有效高度!不用进行受剪承载力计算基础各阶尺寸:No S B H1 2200 2200 400柱下独立基础底板配筋计算:Load M1(kN*m) AGx(mm*mm) Load M2(kN*m) AGy(mm*mm)6 172.6 1567.2 6 172.6 1567.2x实配:C12@150(0.19%) y实配:C12@150(0.19%)J-2C40 fak(kPa)= 220.0 q= 2.00m Pt= 40.0kPa fy=360MPa宽度修正系数= 0.30 深度修正系数= 1.60Load Mx'(kN*m) My'(kN*m) N(kN) Pmax(kPa) Pmin(kPa) fa(kPa) S(mm) B(mm)4 0.00 0.00 3668.41 273.11 273.11 273.80 3966 3966柱下独立基础冲切计算:at(mm) load 方向p_(kPa) 冲切力(kN) 抗力(kN) H(mm)500. 6 X+ 295. 931.5 938.6 720.500. 6 X- 295. 931.5 938.6 720.500. 1186 Y+ 299. 938.1 960.7 730.500. 6 Y- 295. 931.5 938.6 720.2200. 6 X+ 295. 659.0 669.2 280.2200. 6 X- 295. 659.0 669.2 280.2200. 6 Y+ 295. 659.0 669.2 280.2200. 6 Y- 295. 659.0 669.2 280.基础底面长、宽大于柱截面长、宽加两倍基础有效高度!不用进行受剪承载力计算基础各阶尺寸:No S B H1 4000 4000 4002 2200 2200 350柱下独立基础底板配筋计算:Load M1(kN*m) AGx(mm*mm) Load M2(kN*m) AGy(mm*mm)6 1281.5 5732.4 1186 1293.0 5783.6x实配:C14@100(0.26%) y实配:C14@100(0.26%)J-3C40 fak(kPa)= 220.0 q= 2.00m Pt= 40.0kPa fy=360MPa宽度修正系数= 0.30 深度修正系数= 1.60Load Mx'(kN*m) My'(kN*m) N(kN) Pmax(kPa) Pmin(kPa) fa(kPa) S(mm) B(mm)4 0.00 0.00 3685.23 273.69 273.69 273.83 3971 3971柱下独立基础冲切计算:at(mm) load 方向p_(kPa) 冲切力(kN) 抗力(kN) H(mm)600. 6 X+ 297. 926.8 950.2 690.600. 6 X- 297. 926.8 950.2 690.600. 6 Y+ 297. 926.8 950.2 690.600. 6 Y- 297. 926.8 950.2 690.2300. 6 X+ 297. 631.4 663.8 270.2300. 6 X- 297. 631.4 663.8 270.2300. 6 Y+ 297. 631.4 663.8 270.2300. 6 Y- 297. 631.4 663.8 270.基础底面长、宽大于柱截面长、宽加两倍基础有效高度!不用进行受剪承载力计算基础各阶尺寸:No S B H1 4000 4000 3002 2300 2300 400柱下独立基础底板配筋计算:Load M1(kN*m) AGx(mm*mm) Load M2(kN*m) AGy(mm*mm)6 1231.9 5941.0 6 1231.9 5941.0x实配:C14@100(0.29%) y实配:C14@100(0.29%)J-4C40 fak(kPa)= 220.0 q= 2.00m Pt= 40.0kPa fy=360MPa宽度修正系数= 0.30 深度修正系数= 1.60Load Mx'(kN*m) My'(kN*m) N(kN) Pmax(kPa) Pmin(kPa) fa(kPa) S(mm) B(mm) 548 -159.92 62.26 5356.30 290.60 265.61 278.46 4742 4742柱下独立基础冲切计算:at(mm) load 方向p_(kPa) 冲切力(kN) 抗力(kN) H(mm)600. 1186 X+ 304. 1367.6 1386.0 870.600. 1186 X- 297. 1345.6 1360.6 860.600. 1186 Y+ 310. 1389.6 1411.6 880.600. 1186 Y- 294. 1332.1 1360.6 860.2000. 1186 X+ 304. 1144.9 1183.1 460.2000. 1186 X- 297. 1127.3 1149.4 450.2000. 1186 Y+ 310. 1169.2 1183.1 460.2000. 1186 Y- 293. 1113.0 1149.4 450.3400. 1186 X+ 304. 686.9 726.6 220.3400. 1186 X- 296. 680.5 682.0 210.3400. 1186 Y+ 310. 701.5 726.6 220.3400. 1186 Y- 291. 669.0 682.0 210.基础底面长、宽大于柱截面长、宽加两倍基础有效高度!不用进行受剪承载力计算基础各阶尺寸:No S B H1 4800 4800 3002 3400 3400 3003 2000 2000 300柱下独立基础底板配筋计算:Load M1(kN*m) AGx(mm*mm) Load M2(kN*m) AGy(mm*mm)1186 2268.0 8333.3 1186 2305.1 8469.7x实配:C16@100(0.32%) y实配:C16@100(0.32%)J-5C40 fak(kPa)= 220.0 q= 2.00m Pt= 40.0kPa fy=360MPa宽度修正系数= 0.30 深度修正系数= 1.60Load Mx'(kN*m) My'(kN*m) N(kN) Pmax(kPa) Pmin(kPa) fa(kPa) S(mm) B(mm)4 0.00 0.00 2895.79 271.08 271.08 271.24 3539 3539柱下独立基础冲切计算:at(mm) load 方向p_(kPa) 冲切力(kN) 抗力(kN) H(mm)600. 7 X+ 281. 712.5 737.1 590.600. 7 X- 281. 712.5 737.1 590.600. 7 Y+ 281. 712.5 737.1 590.600. 7 Y- 281. 712.5 737.1 590.2100. 6 X+ 279. 482.2 491.4 230.2100. 6 X- 279. 482.2 491.4 230.2100. 6 Y+ 279. 482.2 491.4 230.2100. 6 Y- 279. 482.2 491.4 230.基础底面长、宽大于柱截面长、宽加两倍基础有效高度!不用进行受剪承载力计算基础各阶尺寸:No S B H1 3600 3600 3002 2100 2100 300柱下独立基础底板配筋计算:Load M1(kN*m) AGx(mm*mm) Load M2(kN*m) AGy(mm*mm)7 822.4 4700.2 7 822.4 4700.2x实配:C16@150(0.28%) y实配:C16@150(0.28%)。
独立基础计算书计算依据:1、《建筑地基基础设计规范》GB50007-20112、《混凝土结构设计规范》GB50010-20103、《建筑结构荷载规范》GB50009-2012一、基本参数1、上部荷载参数(kN/m3)fa(kPa)2 地基压力扩散角θ(°)23 基础底面至软弱下卧层顶部的距离z(m)160软弱下卧层顶处修正后的地基承载力设计值faz(kPa)平面图剖面图1-1剖面图2-2三、承台验算1、基础受力设计值计算:F=200KNM x′=M x+H1×V x=50+2.4×10=74kN·m M y′=M y+H1×V y=50+2.4×10=74kN·m 标准值计算:(标准组合)F k=K s×F=1.3×200=260kNM xk=K s×M x′=1.3×74=96.2kN·mM yk=K s×M y′=1.3×74=96.2kN·m2、基础及其上土的自重荷载标准值:G k=L×B×(γc×h1+ (h′+h2+h3) ×γ′)+L1×B1×h2×(γc-γ′)+(d x×2+a )×(d y×2+b)×h3×(γc-γ′)=3.6×2.8×(24×0.4+ (1.2+0.4+0.4)×17)+2.8×2×0.4×(24-17)+(0.6×2+0.8 ) ×(0.3×2+0.6)×0.4×(24-17)=461.888kN 3、基础底面压应力计算p k = (F k + G k)/A=(260+461.888)/(2.8×3.6)=71.616kPa基础底面抵抗矩:W X= BL2/6=2.8×3.62/6=6.048m3基础底面抵抗矩:W Y= LB2/6=3.6×2.82/6=4.704m3e x=M xk /(F k+G k)=96.2/(260+461.888)=0.133p xkmax= (F k + G k)/A + |M xk|/W x=71.616+96.2/6.048=87.522kPap xkmin= (F k + G k)/A - |M xk|/W x=71.616-96.2/6.048=55.71kPap x增= p xkmax-p k=15.906kPap x减= p k-p xkmin=15.906kPae y=M yk/(F k+G k)=96.2/(260+461.888)=0.133p ykmax= (F k + G k)/A + |M yk|/W y=71.616+96.2/4.704=92.067kPap ykmin= (F k + G k)/A - |M yk|/W y=71.616-96.2/4.704=51.165kPap y增= p ykmax-p k=20.451kPap y减= p k-p ykmin=20.451kPap kmax = p k+ p x增+ p y增=71.616+15.906+20.451=107.973kPap kmin = p k- p x减- p y减=71.616-15.906-20.451=35.259kPa基座反力图1)轴心作用时地基承载力验算P k=71.616kPa≤f a=224.72kPa满足要求!2)偏心作用时地基承载力验算P kmax=107.973kPa≤1.2f a=1.2×224.72=269.664kPa满足要求!4、软弱下卧层验算基础底面处土的自重压力值:p c= H1×γm=2.4×18=43.2kPa下卧层顶面处附加压力值:p z=l b×(p kmax-p c)/((b+2ztanθ)(l+2ztanθ))=3.6×2.8×(107.973-43.2)/((2.8+2×2×tan23)×(3.6+ 2×2×tan23))=27.399kPa软弱下卧层顶面处土的自重压力值:p cz=z×γ=2×20=40kPa作用在软弱下卧层顶面处总压力:p z+p cz=27.399+40=67.399kPa≤f az=160kPa 满足要求!5、基础抗剪切验算P jmax= K c×(p kmax-G k/A) =1.35×(107.973-461.888/(3.6×2.8))=83.904kPaP jmin=0kPa1)第一阶验算抗剪切计算简图一阶X向抗剪切计算简图一阶y向h0x=h1-(δ+φx/2) = 400-(50+10/2)=345mmβhx=(800/ h0x)0.25=1A cx1= Lh0x=3600×345=1242000 mm2V x=0.7×βhx×f t×A cx1=0.7×1×1.43×1242000=1243242N=1243.242kN≥p jmax ×L×(B-B1)/2=83.904×3.6×(2.8-2)/2=120.822kNh0y=h1-(δ+φy /2)= 400-(50+10/2)=345mmβhy=(800/h0y)0.25=1A cy1=Bh0y= 600×345=207000 mm2V y=0.7×βhy×f t×A cy1=0.7×1×1.43×207000=207207N=207.207kN≥p jmax×B×(L-L1)/2=83.904×2.8×(3.6-2.8)/2=93.972 kN满足要求!2)第二阶验算抗剪切计算简图二阶X向抗剪切计算简图二阶y向h0x=h1-(δ+φx/2)+ h2 =400-(50+10/2)+400=745mmβhx=(800/h0x)0.25=1A cx2=L×(h0x-h2) + L1×h2=3600×(745-400)+2800×400=2362000 mm2V x=0.7×βhx×f t×A cx2=0.7×1×1.43×2362000=2364362N=2364.362kN≥p jmax×L×(B-( b+2d y))/2=83.904×3.6×(2.8-0.6-2×0.3)/2=241.644 kNh0y=h1-(δ+φy/2)+ h2 =400-(50+10/2)+400=745mmβhy=(800/h0y)0.25=1A cy2=B×(h0y-h2) + B1×h2=2800×(745-400)+2000×400=1766000 mm2V y=0.7×βhy×f t×A cy2=0.7×1×1.43×1766000=1767766N=1767.766kN≥p jmax×B×(L-( a+2d x))/2=83.904×2.8×(3.6-0.8-2×0.6)/2=187.945 kN满足要求!3)第三阶验算抗剪切计算简图三阶X向抗剪切计算简图三阶y向h0x=h1-(δ+φx/2) + h2+ h3=400-(50+10/2)+400+400=1145mmβhx=(800/h0x)0.25=0.914A cx3=L×(h0x-h2-h3)+L1×h2+(a+2d x)×h3=3600×(1145-400-400)+2800×400+(800+2×600)×400=3162000 mm2V x=0.7×βhx×f t×A cx3=0.7×0.914×1.43×3162000=2892958.068N=2892.958kN≥p jmax ×L×(B-b)/2=83.904×3.6×(2.8-0.6)/2=332.26kNh0y=h1-(δ+φy/2) + h2+ h3= 400-(50+10/2)+400+400=1145mmβhy=(800/h0y)0.25=0.914A cy3=B×(h0y-h2-h3)+B1×h2+(b+2d y)×h3=2800×(1145-400-400)+2000×400+(600+2×300)×400=2246000 mm2V y=0.7×βhy×f t×A cy3=0.7×0.914×1.43×2246000=2054896.844N=2054.897kN≥p jmax ×B×(L-a)/2=83.904×2.8×(3.6-0.8)/2=328.904kN满足要求!6、基础抗冲切验算1)第一阶验算k=(L1 -B1 )/2=(2800-2000)/2=400mmX方向验算:抗冲切验算一阶X向a bx=2h0x +L1=2×345+2800=3490 mm≤L=3600mm,取a bx=2h0x+L1=3490 mm y1= L/2-k=3600/2-400 =1400 mm≥B/2=1400 mmx1=2×(B/2+k) =2×(2800/2+400) =3600 mmy2=h0x +B1/2=345+2000/2 =1345 mmA lx=(B/2-y2)(a bx+x1)/2 = (2800/2-1345)( 3490+3600)/2=194975 mm2Y方向验算:抗冲切验算一阶y向a by=2h0y+B1=2×345+2000=2690mm≤B=2800mm,取a by=2h0y+B1=2690mm x1= B/2+k= 2800/2+400=1800 mm≥3600/2=1800 mmy1=2×(L/2-k) =2×(3600/2-400)=2800 mmx2= h0y +L1/2=345+2800/2=1745mmA ly= (L/2-x2)(a by+y1)/2 = (3600/2-1745)(2690+2800)/2=150975mm2a mx=(a t +a bx)/2=(2800+3490)/2=3145mma my=(a t +a by)/2 =(2000+2690)/2=2345mmA q1x=a mx×h0x=3145×345=1085025 mm2A q1y=a my×h0y=2345×345=809025 mm2F lx=0.7×βhp×f t×A q1x=0.7×1×1.43×1085025=1086110.025N=1086.11kN≥p jmax ×A lx=83.904×0.001×194975=16359.182N=16.359kNF1y=0.7×βhp×f t×A q1y=0.7×1×1.43×809025=809834.025N=809.834kN≥p jmax ×A ly=83.904×0.001×150975=12667.406N=12.667kN满足要求!2)第二阶验算k=((a+2d x) -(b+2d y) )/2=((800+2×600)-(600+2×300))/2=400mmX方向验算:抗冲切验算二阶X向a bx=2h0x +(a+2d x)=2×745+(800+2×600)=3490 mm≤L=3600mm,取a bx=2h0x+(a+2d x)=3490 mmy1= L/2-k=3600/2-400 =1400 mm≥B/2=1400 mmx1=2×(B/2+k) =2×(2800/2+400) =3600 mmy2=h0x +(b+2d y)/2=745+(600+2×300)/2 =1345 mmA lx=(B/2-y2)(a bx+x1)/2 = (2800/2-1345)( 3490+3600)/2=194975 mm2Y方向验算:抗冲切验算二阶y向a by=2h0y+(b+2d y)=2×745+(600+2×300)=2690mm≤B=2800mm,取a by=2h0y+(b+2d y)=2690mmx1= B/2+k= 2800/2+400=1800 mm≥3600/2=1800 mmy1=2×(L/2-k) =2×(3600/2-400)=2800 mmx2= h0y +(a+2d x)/2=745+(800+2×600)/2=1745mmA ly= (L/2-x2)(a by+y1)/2 = (3600/2-1745)(2690+2800)/2=150975mm2a mx=(a t +a bx)/2=(2000+3490)/2=2745mma my=(a t +a by)/2 =(1200+2690)/2=1945mmA q1x=a mx×h0x=2745×745=2045025 mm2A q1y=a my×h0y=1945×745=1449025 mm2F lx=0.7×βhp×f t×A q1x=0.7×1×1.43×2045025=2047070.025N=2047.07kN≥p jmax×A lx=83.904×0.001×194975=16359.182N=16.359kNF1y=0.7×βhp×f t×A q1y=0.7×1×1.43×1449025=1450474.025N=1450.474kN≥p jmax ×A ly=83.904×0.001×150975=12667.406N=12.667kN满足要求!3)第三阶验算k=(a -b )/2=(800-600)/2=100mmX方向验算:抗冲切验算三阶X向a bx=2h0x+a=2×1145+800=3090 mm≤L=3600mm,取a bx=2h0x+a=3090 mmy1= L/2-k=3600/2-100 =1700 mm≥B/2=1400 mmx1=2×(B/2+k) =2×(2800/2+100) =3000 mmy2=h0x +b/2=1145+600/2 =1445 mmA lx=(B/2-y2)(a bx+x1)/2 = (2800/2-1445)( 3090+3000)/2=-137025 mm2因为A lx<0,即A lx不存在,故取A lx=0Y方向验算:抗冲切验算三阶y向a by=2h0y+b=2×1145+600=2890mm> B=2800mm,取a by=B=2800mm x2= h0y +a/2= 1145 +800/2=1545mmA ly= (L /2- x2) ×a by= (3600 /2- 1545) ×2800=714000mm2a mx=(a t +a bx)/2=(800+3090)/2=1945mma my=(a t +a by)/2 =(600+2800)/2=1700mmA q1x=a mx×h0x=1945×1145=2227025 mm2A q1y=a my×h0y=1700×1145=1946500 mm2F lx=0.7×βhp×f t×A q1x=0.7×0.914×1.43×2227025=2037536.351N=2037.536kN≥p jmax×A lx=83.904×0.001×0=0N=0kNF1y=0.7×βhp×f t×A q1y=0.7×0.914×1.43×1946500=1780880.101N=1780.88kN≥p jmax×A ly=83.904×0.001×714000=59907.456N=59.907kN满足要求!四、承台配筋计算承台底部X轴向配筋HRB335Ф10@120承台底部Y轴向配筋HRB335Ф10@110基础底板受力配筋图P j= K c×(p k-G k/A) =1.35×(71.616-461.888/(3.6×2.8))=34.822kPa1)第一阶验算M1x=1/48[(p jmax+ p j) ×(2L+ L1)+ (p jmak-p j) ×L] ×(B -B1)2=1/48×[(83.904+ 34.822) × (2×3600+ 2800)+ (83.904-34.822 ) ×3600] ×(2800- 2000)2=18.186 kN·m M1y=1/48[(p jmax+ p j) ×(2B+ B1)+ (p jmak-p j) ×B] ×(L -L1)2=1/48×[(83.904+ 34.822) × (2×2800+ 2000)+ (83.904-34.822 ) ×2800] ×(3600- 2800)2=13.863 kN·mA sx1=M1x/(0.9×f yx×h0x) =18.186×106/(0.9×300×345)=195.233mm2A sy1=M1y/(0.9×f yy×h0y) =13.863×106/(0.9×300×345)=148.824mm22)第二阶验算M2x=1/48[(p jmax+ p j) ×(2L+ (a+2d x))+ (p jmak-p j) ×L] ×(B -(b+2d y))2=1/48×[(83.904+ 34.822) × (2×3600+ (800+2×600))+ (83.904-34.822 ) ×3600]×(2800- (600+2×300))2=67.679 kN·mM2y=1/48[(p jmax+ p j) ×(2B+ (b+2d y))+ (p jmak-p j) ×B] ×(L -(a+2d x))2=1/48×[(83.904+ 34.822) × (2×2800+ (600+2×300))+ (83.904-34.822 ) ×2800]×(3600- (800+2×600))2=50.388 kN·mA sx2=M2x/(0.9×f yx×h0x) =67.679×106/(0.9×300×745)=336.46mm2A sy2=M2y/(0.9×f yy×h0y) =50.388×106/(0.9×300×745)=250.5mm23)第三阶验算M3x=1/48[(p jmax+ p j) ×(2L+ a)+ (p jmak-p j) ×L] ×(B -b)2=1/48×[(83.904+ 34.822) × (2×3600+ 800)+ (83.904-34.822 ) ×3600] ×(2800- 600)2=113.589 kN·m M3y=1/48[(p jmax+ p j) ×(2B+ b)+ (p jmak-p j) ×B] ×(L -a)2=1/48×[(83.904+ 34.822) × (2×2800+ 600)+ (83.904-34.822 ) ×2800] ×(3600- 800)2=142.677 kN·mA sx3=M3x/(0.9×f yx×h0x ) =113.589×106/(0.9×300×1145)=367.424mm2A sy3=M3y/(0.9×f yy×h0y) =142.677×106/(0.9×300×1145)=461.514mm2A sx=max(A sx1,A sx2,A sx3)=max(195.233,336.46,367.424)=367.424mm2≤A SX=[(2800/120)+1]×3.14×102/4=1910.167 mm2A sy=max(A sy1,A sy2,A sy3)=max(148.824,250.5,461.514)=461.514mm2≤A SY=[(3600/110)+1]×3.14×102/4=2647.591 mm2满足要求!(此文档部分内容来源于网络,如有侵权请告知删除,文档可自行编辑修改内容,供参考,感谢您的配合和支持)。
独立基础计算书1基本资料地基承载力设计值400 4.419 2.8修正后的地基承载力设计值592.28取590室内外高差0.15 2.8752ZJ-1作用在柱底的荷载标准值:382.40作用在柱底的荷载设计值:500.150初步选择基底尺寸:0.718122由于偏心不大,基础底面积按20%增大,即:0.861746初步选择基础底面积1×1=11 ,b=1<3m,不需再对fa 修正。
验算持力层地基承载力:基础回填土自重:57.5基础高度h=350偏心距0439.9 <1.2fa=708,满足439.9 >0,满足439.9<fa=590,满足计算基底净反力(用这个,<b/6):0基础边缘处的最大和最小净反力:基础边缘处的最大和最小地500.15500.15柱边基础截面抗冲切验算L=1b=1at=ac=0.4bc=0.33501.1<b=1取 1.1=-+=)5.0(d f f m d ak a γη==FM e n 0,=ak f =d η=m γ=d kPa mkPa=a f kPa 3/m KN =∆H m =∆+='H d d 21m=k F =k M =k V kNkN m kN ⋅=F =M =V kN mkN ⋅kN=-=df F A G a kγ02m ==02.1A A 2m =⋅=b l A 2m =l m m =⋅⋅=A d G G k γkNm=⎪⎪⎭⎫⎝⎛±=l e lb F p n n n 0,max ,min ,61m m m m m =0h =+02h a t m m=b a m =+=2bt m a a a mm =+=kk kk G F M e =±⋅+=)61(max ,min ,leb l G F p k k k k k kPa kPa kPa =+=AG F p kk k kPakPa kPakPam ⎪⎪⎭⎫⎝⎛±+=l e lb G F pn n n 0,max ,min,610.75冲切力:选用C30混凝土,1.43-25.0075抗冲切力:262.7625 >-25.0075可以软弱下卧验算:γ1=18γ2=18γ3=18γ4=8h 1=2h 2=1.61h 3=3.5h4=0.5 软弱下卧层顶Pcz=0.5*D8*C56+γ1×h1+γ2×h2+γ3×h3+γ4×h4=133.33 软弱下卧层顶面以上土的加权平均重度 γm2=Pcz/d1=17.34938d1=7.685m d2=由淤泥质粘土,95 >50kpa 查表得1218.354157.5439.9 4.81由Es1/Es2=7.5/2.5=3,以及z/b=4.05/1.6=2.53,查表得地基压力扩散角θ=23.5 tan θ=0.434812414.34254 所以147.6725 (<faz=218.3541kpa,满足)基础配筋:选用HRB335级钢筋:360基础长边方向:Ⅰ—Ⅰ截面(柱边)柱边净反力:577.775弯矩:17.25518152.162152.16204 取Φ 10@200基础短边方向:Ⅱ—Ⅱ截面(柱边)24.50735=b a =+=2bt m a a a m=⎥⎥⎦⎤⎢⎢⎣⎡⎪⎭⎫ ⎝⎛---⎪⎭⎫ ⎝⎛--=200max ,2222h b b b h a l p F c c n l kN=07.0h a f m t hp βkNkN kPa =ak f kPa =d η=az f kPa =k G kN=+=AG F p kk k kPa=-=d d z 2m=+z cz p p kPa 3/m kN kPa=++-=)tan 2)(tan 2()(θθγz b z l d p lb p m k z =y f 2/m m N =-++=I )(2min ,max ,min ,,n n cn n p p la l p p ()()=⎥⎦⎤⎢⎣⎡-+⎪⎭⎫ ⎝⎛-++-=I I b p p bl G p p b b a l M n n c c ,max ,max 212248)(m kN ⋅==I 01,9.0h f M A y s 2m m =I bA s ,2m m =-++-=∏)2)(2(48)(min max 2blG p p a l b b M c c mkN ⋅=t f 2/mm N kPa216.1142216.1142 取Φ 10@200=-++-=∏)2)(2(48)(min max 2blG p p a l b b M c c ==∏∏0,9.0h f M A y s =∏lA s ,2m m2m m对fa 修正。
独立基础计算书一、设计依据《建筑地基基础设计规范》(GB50007-2011)《混凝土结构设计规范》(GB50010-2010)《变电站建筑结构设计技术规程》(DL/T5457-2012)二、基本参数1.地基信息修正后地基承载力特征值fa(kPa):200.00基础埋深d(m): 1.70基础反力作用点处标高(m):0.002.容重信息基础底面以上土的重度(kN∕m3):20.00基础底面以下土的重度(kN∕m3):18.00混凝土容重(kN∕m3):25.003.尺寸参数截面类型:方形截面尺寸be1,he1(mm):700,700 基础类型:阶梯形基础基础台阶数:2阶柱与基础连接方式:平台4.设计选项重要性系数:1.00基础底面允许部分脱开:否考虑抗震承载力调整:否考虑地下水:否考虑软弱下卧层:否5.基础配筋信息基础混凝土等级:C30基础底板钢筋等级:HRB400底板最小配筋率(%):0.15基础板筋合力点至截面近边的距离as(mm):45.006.柱信息柱混凝土等级:C30柱纵筋等级:HRB400柱箍筋等级:HPB300柱纵筋合力点至截面近边的距离as(mm):45.00设计用角筋直径(mm):207.抗拔验算验算方法:《高耸规范》土重法临界深度:3倍基础边长抗拔角:25.00 土体重量(kN∕m3):17.008.抗倾覆验算抗倾覆验算:《变电站规程》11.2.5稳定系数:1.509.抗滑移验算抗滑移验算:否三、组合内力表基础X向与整体坐标系X轴的夹角:0.001.基本组合注:原组合数过多,仅显示前10组2.标准组合注:原组合数过多,仅显示前10组3.附加荷载四、验算结果五、基础自重计算第1阶体积V1=1.80×2.80X0.50=2.52m3第2阶体积V2=0.80X1.20×0.50=0.48m3混凝土柱体积V c=0.70×0.70×0.70=0.34nr总体积V=2.52+0.48+0.34=3.34m3基础自重G0=γV=25×3.34=83.58kN六、地基承载力验算1.1 轴心荷载作用下的地基承载力验算控制组合:标准组合组合7序号1内力标准值计算N k=N+N da+0.7×N la=29.96+0.00+0.7X0.00=29.96kN基础底面积A=B x×B y=1.80X2.80=5.04m2基础上土重G s=γ(^Ad-V)=20.0X(5.04X1.70-3.34)=104.50kN基础自重和基础上的土重G k=G s+G0=104.50+83.58=188.07kN标准组合下的基础底面平均压力值29.96+188.07P∕c=—= --------------- —— ------- =43.26kPa≤f a=200.00kPaA 5.04满足《建筑地基基础设计规范》GB50007-2011第5.2.1条第1款。
阶梯柱基计算书项目名称_____________日期_____________设计者_____________校对者_____________一、示意图基础类型:阶梯柱基计算形式:验算截面尺寸平面:剖面:二、基本参数1.依据规范《建筑地基基础设计规范》(GB 50007-2002)《混凝土结构设计规范》(GB 50010-2002)《简明高层钢筋混凝土结构设计手册(第二版)》2.几何参数:已知尺寸:B1 = 1400 mm, A1 = 700 mmH1 = 300 mm, H2 = 300 mmB = 800 mm, A = 500 mmB3 = 1400 mm, A3 = 700 mm无偏心:B2 = 1400 mm, A2 = 700 mm基础埋深d = 1.50 m钢筋合力重心到板底距离a s = 80 mm3.荷载值:(1)作用在基础顶部的基本组合荷载F = 146.15 kNM x = 0.00 kN·mM y = 105.38 kN·mV x = 25.37 kNV y = 0.00 kN折减系数K s = 1.35(2)作用在基础底部的弯矩设计值绕X轴弯矩: M0x = M x-V y·(H1+H2) = 0.00-0.00×0.60 = 0.00 kN·m绕Y轴弯矩: M0y = M y+V x·(H1+H2) = 105.38+25.37×0.60 = 120.60 kN·m(3)作用在基础底部的弯矩标准值绕X轴弯矩: M0xk = M0x/K s = 0.00/1.35 = 0.00 kN·m绕Y轴弯矩: M0yk = M0y/K s = 120.60/1.35 = 89.33 kN·m4.材料信息:混凝土:C30 钢筋:HRB400(20MnSiV、20MnSiNb、20MnTi) 5.基础几何特性:底面积:S = (A1+A2)(B1+B2) = 1.40×2.80 = 3.92 m2绕X轴抵抗矩:Wx = (1/6)(B1+B2)(A1+A2)2 = (1/6)×2.80×1.402 = 0.91 m3绕Y轴抵抗矩:Wy = (1/6)(A1+A2)(B1+B2)2 = (1/6)×1.40×2.802 = 1.83 m3三、计算过程1.修正地基承载力修正后的地基承载力特征值f a = 110.00 kPa2.轴心荷载作用下地基承载力验算计算公式:按《建筑地基基础设计规范》(GB 50007-2002)下列公式验算:p k = (F k+G k)/A (5.2.2-1)F k = F/K s = 146.15/1.35 = 108.26 kNG k = 20S·d = 20×3.92×1.50 = 117.60 kNp k = (F k+G k)/S = (108.26+117.60)/3.92 = 57.62 kPa ≤f a,满足要求。
3.偏心荷载作用下地基承载力验算计算公式:按《建筑地基基础设计规范》(GB 50007-2002)下列公式验算:当e≤b/6时,p kmax = (F k+G k)/A+M k/W (5.2.2-2)p kmin = (F k+G k)/A-M k/W (5.2.2-3) 当e>b/6时,p kmax = 2(F k+G k)/3la (5.2.2-4) X方向:偏心距e xk = M0yk/(F k+G k) = 89.33/(108.26+117.60) = 0.40 me = e xk = 0.40 m ≤(B1+B2)/6 = 2.80/6 = 0.47 mp kmaxX = (F k+G k)/S+M0yk/W y= (108.26+117.60)/3.92+89.33/1.83 = 106.45 kPa≤1.2×f a = 1.2×110.00 = 132.00 kPa,满足要求。
4.基础抗冲切验算计算公式:按《建筑地基基础设计规范》(GB 50007-2002)下列公式验算:F l≤0.7·βhp·f t·a m·h0(8.2.7-1)F l = p j·A l(8.2.7-3)a m = (a t+a b)/2 (8.2.7-2)p jmax,x = F/S+M0y/W y = 146.15/3.92+120.60/1.83 = 103.21 kPap jmin,x = F/S-M0y/W y = 146.15/3.92-120.60/1.83≤0, p jmin.x = 0.00 kPap jmax,y = F/S+M0x/W x = 146.15/3.92+0.00/0.91 = 37.28 kPap jmin,y = F/S-M0x/W x = 146.15/3.92-0.00/0.91 = 37.28 kPap j = p jmax,x+p jmax,y-F/S = 103.21+37.28-37.28 = 103.21 kPa(1)柱对基础的冲切验算:H0 = H1+H2-a s = 0.30+0.30-0.08 = 0.52 mX方向:A lx = 1/2·(B1+B2-B-2H0)(A1+A2)= (1/2)×(2.80-0.80-2×0.52)×1.40= 0.67 m2F lx = p j·A lx = 103.21×0.67 = 69.36 kNa b = min{A+2H0, A1+A2} = min{0.50+2×0.52, 1.40} = 1.40 ma mx = (a t+a b)/2 = (A+a b)/2 = (0.50+1.40)/2 = 0.95 mFlx ≤0.7·βhp·f t·a mx·H0 = 0.7×1.00×1430.00×0.950×0.520= 494.49 kN,满足要求。
(2)变阶处基础的冲切验算:X方向:A lx = 1/2·(A1+A2)(B1+B2-B3-2H0)-1/4·(A1+A2-A3-2H0)2= (1/2)×1.40×(2.80-1.40-2×0.22)-(1/4)×(1.40-0.70-2×0.22)2= 0.66 m2F lx = p j·A lx = 103.21×0.66 = 67.61 kNa b = min{A3+2H0, A1+A2} = min{0.70+2×0.22, 1.40} = 1.14 ma mx = (a t+a b)/2 = (A3+a b)/2 = (0.70+1.14)/2 = 0.92 mFlx ≤0.7·βhp·f t·a mx·H0 = 0.7×1.00×1430.00×0.920×0.220= 202.60 kN,满足要求。
Y方向:A ly = 1/4·(2B3+2H0+A1+A2-A3)(A1+A2-A3-2H0)= (1/4)×(2×1.40+2×0.22+1.40-0.70)(1.40-0.70-2×0.22)= 0.26 m2F ly = p j·A ly = 103.21×0.26 = 26.43 kNa b = min{B3+2H0, B1+B2} = min{1.40+2×0.22, 2.80} = 1.84 ma my = (a t+a b)/2 = (B3+a b)/2 = (1.40+1.84)/2 = 1.62 mFly ≤0.7·βhp·f t·a my·H0 = 0.7×1.00×1430.00×1.620×0.220= 356.76 kN,满足要求。
5.基础受压验算计算公式:《混凝土结构设计规范》(GB 50010-2002)F l≤1.35·βc·βl·f c·A ln(7.8.1-1)局部荷载设计值:F l = 146.15 kN混凝土局部受压面积:A ln = A l = B×A = 0.80×0.50 = 0.40 m2混凝土受压时计算底面积:A b = min{B+2A, B1+B2}×min{3A, A1+A2} = 2.10 m2混凝土受压时强度提高系数:βl = sq.(A b/A l) = sq.(2.10/0.40) = 2.291.35βc·βl·f c·A ln= 1.35×1.00×2.29×14300.00×0.40= 17693.32 kN ≥F l = 146.15 kN,满足要求。
6.基础受弯计算计算公式:按《建筑地基基础设计规范》(GB 50007-2002)下列公式验算:MⅠ=a12[(2l+a')(p max+p-2G/A)+(p max-p)·l]/12 (8.2.7-4)MⅡ=(l-a')2(2b+b')(p max+p min-2G/A)/48 (8.2.7-5)(1)柱根部受弯计算:G = 1.35G k = 1.35×117.60 = 158.76kNX方向受弯截面基底反力设计值:p minx = (F+G)/S-M0y/W y = (146.15+158.76)/3.92-120.60/1.83 = 11.86 kPap maxx = (F+G)/S+M0y/W y = (146.15+158.76)/3.92+120.60/1.83 = 143.71 kPap nx = p minx+(p maxx-p minx)(2B1+B)/[2(B1+B2)]= 11.86+(143.71-11.86)×3.60/(2×2.80)= 96.62 kPaⅠ-Ⅰ截面处弯矩设计值:MⅠ= [(B1+B2)/2-B/2]2{[2(A1+A2)+A](p maxx+p nx-2G/S)+(p maxx-p nx)(A1+A2)}/12= (2.80/2-0.80/2)2((2×1.40+0.50)(143.71+96.62-2×158.76/3.92)+(143.71-96.62)×1.40)/12= 49.31 kN.mⅡ-Ⅱ截面处弯矩设计值:MⅡ= (A1+A2-A)2[2(B1+B2)+B](p maxx+p minx-2G/S)/48= (1.40-0.50)2(2×2.80+0.80)(143.71+11.86-2×158.76/3.92)/48= 8.05 kN.mⅠ-Ⅰ截面受弯计算:相对受压区高度:ζ= 0.009151 配筋率:ρ= 0.000363ρ < ρmin = 0.001500 ρ = ρmin = 0.001500计算面积:900.00 mm2/mⅡ-Ⅱ截面受弯计算:相对受压区高度:ζ= 0.000744 配筋率:ρ= 0.000030ρ < ρmin = 0.001500 ρ = ρmin = 0.001500计算面积:900.00 mm2/m(2)变阶处受弯计算:X方向受弯截面基底反力设计值:p minx = (F+G)/S-M0y/W y = (146.15+158.76)/3.92-120.60/1.83 = 11.86 kPap maxx = (F+G)/S+M0y/W y = (146.15+158.76)/3.92+120.60/1.83 = 143.71 kPap nx = p minx+(p maxx-p minx)(2B1+B3)/[2(B1+B2)]= 11.86+(143.71-11.86)×4.20/(2×2.80)= 110.75 kPaⅠ-Ⅰ截面处弯矩设计值:MⅠ= [(B1+B2)/2-B3/2]2{[2(A1+A2)+A3](p maxx+p nx-2G/S)+(p maxx-p nx)(A1+A2)}/12= (2.80/2-1.40/2)2((2×1.40+0.70)(143.71+110.75-2×158.76/3.92)+(143.71-110.75)×1.40)/12= 26.67 kN.mⅡ-Ⅱ截面处弯矩设计值:MⅡ= (A1+A2-A3)2[2(B1+B2)+B3](p maxx+p minx-2G/S)/48= (1.40-0.70)2(2×2.80+1.40)(143.71+11.86-2×158.76/3.92)/48= 5.33 kN.mⅠ-Ⅰ截面受弯计算:相对受压区高度:ζ= 0.027918 配筋率:ρ= 0.001109ρ < ρmin = 0.001500 ρ = ρmin = 0.001500计算面积:450.00 mm2/mⅡ-Ⅱ截面受弯计算:相对受压区高度:ζ= 0.002753 配筋率:ρ= 0.000109ρ < ρmin = 0.001500 ρ = ρmin = 0.001500计算面积:450.00 mm2/m四、计算结果1.X方向弯矩验算结果:计算面积:900.00 mm2/m采用方案:f14@150实配面积:1026.25 mm2/m2.Y方向弯矩验算结果:计算面积:900.00 mm2/m采用方案:f14@150实配面积:1026.25 mm2/m。