国家三等、四等水准测量规范
- 格式:xlsx
- 大小:10.71 KB
- 文档页数:1
国家三四等水准测量规范水准测量国家等级划分为一、二、三、四等水准测量,水准测量的等级是根据国家水准网来定的。
国家水准网布设成一等、二等、三等、四等4个等级。
一等、二等要求:
光学水准仪:往测时奇数站顺序为:后—前—前—后;往测时偶数站顺序为:前—后—后—前;返测时,奇、偶测站顺序分别与往测偶、奇测站相同;
数字水准仪:往、返测奇数站顺序为:后—前—前—后;往、返测偶数站顺序为:前—后—后—前
三等要求:后—前—前—后
四等要求:后—后—前—前
每千米水准测量的偶然中误差和每千米水准测量的全中误差不应超过下表规定:
四等水准测量的基本技术要求是:
1.视距小于100m;
2.前后视距差小于3m;
3.视距累积差小于10m;
4.黑红面读数差小于3mm;
5.黑红面高差之差小于5mm。
三、四等水准测量除用于国家高程控制网的加密外,还常用作小地区的首级高程控制。
工程建设地区的三、四等水准点的间距可根据实际需要决定,应埋设普通水准标石或临时水准点标志。
区别是:
第一:测站观测程序不同;三等:后—前—前—后;四等:后—后—前—前;
第二:允许最大视距不同;三等:75米;四等:100米;
第三:每段前后视距差不同;三等:≤±2.0米;四等:≤±3.0米;
第四:视距累计差不同;三等:≤±6.0米;四等:≤±10.0米;
第五:K+黑-红不同;三等:≤±2mm;四等:≤±3mm;
第六:红黑面高差之差不同;三等:≤±3mm;四等:≤±5mm;
第七:路线总厂(L)不同:三等:≤200km;四等:≤80km;
第八:高差闭合差不同:三等:≤±12√ ̄Lmm;四等::≤±20√ ̄Lmm。
四等水准测量规范四等水准测量是一种用于测量地面相对高程的方法,主要适用于工程测量中较为简单的高程控制。
为了确保测量结果的准确性和可靠性,需要按照一定的规范进行测量操作。
以下是四等水准测量的一般规范。
一、仪器和设备1. 使用精度符合四等水准测量要求的水准仪、测杆、三脚架、反光板等设备,并保持其良好的工作状态。
2. 定期对仪器进行校准和检查,确保测量精度符合要求。
二、测量前的准备工作1. 在测量区域选择合适的基准点和监测点,确定测量线路,并编制测量方案。
2. 清理测量线路上的障碍物,保持测量视线畅通,并在需要的地方设置转点和基准点。
3. 在每个监测点上设置固定点,并进行编号和标识。
三、测量操作1. 首先进行水准仪的精密调平,保证水准仪的水平度。
2. 使用测杆在各个监测点上进行读数,同时进行板面校正和零位调整。
3. 每次观测前后都要进行查看,保证读数准确无误。
4. 在不同高程点上进行反光板的移动,分别进行前视和后视观测。
5. 进行远景观测时,要注意防止光线反射,避免误差的发生。
四、数据处理和计算1. 对每个监测点的观测数据进行逐个比较和验证,发现异常数据时要进行重新观测。
2. 根据实测数据计算各监测点之间的高差和高程差,同时计算出误差和精度等指标。
3. 根据测量结果绘制高程平面图,并编制相应的测量报告。
五、质量控制1. 测量人员应持证上岗,并具备一定的测量经验和操作能力。
2. 进行质量控制的同时,要进行各个流程的验收和评估,确保测量过程的可靠性和精确性。
3. 针对测量结果进行回顾和评估,及时发现问题并进行改进。
六、安全措施1. 在进行测量操作时,要注意人身安全,穿戴合适的劳保装备。
2. 注意环境和天气的变化,避免在恶劣天气下进行测量操作。
综上所述,四等水准测量是一项需要严格操作的测量工作,只有按照规范进行测量操作,才能够保证测量结果的准确性和可靠性,为工程项目的设计和施工提供正确的高程数据。
同时,进行质量控制和安全措施的落实也是十分重要的。
三、四等水准测量控制测量除了要完成平面控制测量外,还要进行高程控制测量。
小区域地形测图或施工测量中,多采用三、四等水准测量作为高程控制测量的首级控制。
一、三、四等水准测量(leveling)的技术要求1、高程系统:三、四等水准测量起算点的高程一般引自国家一、二等水准点,若测区附近没有国家水准点,也可建立独立的水准网,这样起算点的高程应采用假定高程。
2、布设形式:如果是作为测区的首级控制,一般布设成闭合环线;如果进行加密,则多采用附合水准路线或支水准路线。
三、四等水准路线一般沿公路、铁路或管线等坡度较小、便于施测的路线布设。
3、点位的埋设:其点位应选在地基稳固,能长久保存标志和便于观测的地点,水准点的间距一般为1—1.5km,山岭重丘区可根据需要适当加密,一个测区一般至少埋设三个以上的水准点。
4、三、四等及五等水准测量的精度要求和技术要求列于表中。
二、三、四等水准测量的观测方法三、四等水准测量观测应在通视良好、望远镜成像清晰及稳定的情况下进行。
一般采用一对双面尺。
1、三等水准一个测站的观测步骤:(后-前-前-后;黑-黑-红-红)(1)照准后视尺黑面,精平,分别读取上、下、中三丝读数,并记为(1)、(2)、(3)。
(2)照准前视尺黑面,精平,分别读取上、下、中三丝读数,并记为(4)、(5)、(6)。
(3)照准前视尺红面,精平,读取中丝读数,记为(7)(4)照准后视尺红面,精平,读取中丝读数,记为(8)这四步观测,简称为“后一前一前一后(黑一黑一红一红)”,这样的观测步骤可消除或减弱仪器或尺垫下沉误差的影响。
对于四等水准测量,规范允许采用“后一后一前一前(黑一红一黑一红)”的观测步骤。
2、一个测站的计算与检核:观测记录参看书本表7-11。
①视距的计算与检核后视距(9)=[(1)—(2)]X100m前视距(10)=[(4)—(5)]Xl00m 三等≯75m,四等≯l00m前、后视距差(11)=(9)—(10) 三等≯3m,四等≯5m前、后视距差累积(12)=本站(11)+上站(12) 三等≯6m,四等≯l0rn②水准尺读数的检核同一根水准尺黑面与红面中丝读数之差:前尺黑面与红面中丝读数之差13)=(6)十K—(7)后尺黑面与红面中丝读数之差(14)=(3)十K—(8) 三等≯2mm,四等≯3mm(上式中的K为红面尺的起点数,为4.687m或4.787m)③高差的计算与检核黑面测得的高差(15)=(3)—(6)红面测得的高差(16)=(8)—(7)校核:黑、红面高差之差(17)=(15)—[(16)±0.100]或(17)=(14)—(13) 三等≯3mm,四等≯5mm高差的平均值(18)= [(15)+(16)±0.100]/2在测站上,当后尺红面起点为4.687m,前尺红面起点为4.787m时,取十0.100,反之,取—0.100。
三、四等水准测量控制测量除了要完成平面控制测量外,还要进行高程控制测量。
小区域地形测图或施工测量中,多采用三、四等水准测量作为高程控制测量的首级控制。
一、三、四等水准测量(leveling)的技术要求1、高程系统:三、四等水准测量起算点的高程一般引自国家一、二等水准点,若测区附近没有国家水准点,也可建立独立的水准网,这样起算点的高程应采用假定高程。
2、布设形式:如果是作为测区的首级控制,一般布设成闭合环线;如果进行加密,则多采用附合水准路线或支水准路线。
三、四等水准路线一般沿公路、铁路或管线等坡度较小、便于施测的路线布设。
3、点位的埋设:其点位应选在地基稳固,能长久保存标志和便于观测的地点,水准点的间距一般为1—1.5km,山岭重丘区可根据需要适当加密,一个测区一般至少埋设三个以上的水准点。
4、三、四等及五等水准测量的精度要求和技术要求列于表中。
二、三、四等水准测量的观测方法三、四等水准测量观测应在通视良好、望远镜成像清晰及稳定的情况下进行。
一般采用一对双面尺。
1、三等水准一个测站的观测步骤:(后-前-前-后;黑-黑-红-红)(1)照准后视尺黑面,精平,分别读取上、下、中三丝读数,并记为(1)、(2)、(3)。
(2)照准前视尺黑面,精平,分别读取上、下、中三丝读数,并记为(4)、(5)、(6)。
(3)照准前视尺红面,精平,读取中丝读数,记为(7)(4)照准后视尺红面,精平,读取中丝读数,记为(8)这四步观测,简称为“后一前一前一后(黑一黑一红一红)”,这样的观测步骤可消除或减弱仪器或尺垫下沉误差的影响。
对于四等水准测量,规范允许采用“后一后一前一前(黑一红一黑一红)”的观测步骤。
2、一个测站的计算与检核:观测记录参看书本表7-11。
①视距的计算与检核后视距 (9)=[(1)—(2)]X100m前视距 (10)=[(4)—(5)]Xl00m 三等≯75m,四等≯l00m前、后视距差 (11)=(9)—(10) 三等≯3m,四等≯5m前、后视距差累积 (12)=本站(11)+上站(12) 三等≯6m,四等≯l0rn②水准尺读数的检核同一根水准尺黑面与红面中丝读数之差:前尺黑面与红面中丝读数之差 13)=(6)十K—(7)后尺黑面与红面中丝读数之差 (14)=(3)十K—(8) 三等≯2mm,四等≯3mm(上式中的K为红面尺的起点数,为4.687m或4.787m)③高差的计算与检核黑面测得的高差 (15)=(3)—(6)红面测得的高差(16)=(8)—(7)校核:黑、红面高差之差 (17)=(15)—[(16)±0.100]或 (17)=(14)—(13) 三等≯3mm,四等≯5mm高差的平均值(18)= [(15)+(16)±0.100]/2在测站上,当后尺红面起点为4.687m,前尺红面起点为4.787m时,取十0.100,反之,取—0.100。
三、四等水准测量控制测量除了要完成平面控制测量外,还要进行高程控制测量。
小区域地形测图或施工测量中,多采用三、四等水准测量作为高程控制测量的首级控制。
一、三、四等水准测量(leveling)的技术要求1、高程系统:三、四等水准测量起算点的高程一般引自国家一、二等水准点,若测区附近没有国家水准点,也可建立独立的水准网,这样起算点的高程应采用假定高程。
2、布设形式:如果是作为测区的首级控制,一般布设成闭合环线;如果进行加密,则多采用附合水准路线或支水准路线。
三、四等水准路线一般沿公路、铁路或管线等坡度较小、便于施测的路线布设。
3、点位的埋设:其点位应选在地基稳固,能长久保存标志和便于观测的地点,水准点的间距一般为1—1.5km,山岭重丘区可根据需要适当加密,一个测区一般至少埋设三个以上的水准点。
4、三、四等及五等水准测量的精度要求和技术要求列于表中。
二、三、四等水准测量的观测方法三、四等水准测量观测应在通视良好、望远镜成像清晰及稳定的情况下进行。
一般采用一对双面尺。
1、三等水准一个测站的观测步骤:(后-前-前-后;黑-黑-红-红)(1)照准后视尺黑面,精平,分别读取上、下、中三丝读数,并记为(1)、(2)、(3)。
(2)照准前视尺黑面,精平,分别读取上、下、中三丝读数,并记为(4)、(5)、(6)。
(3)照准前视尺红面,精平,读取中丝读数,记为(7)(4)照准后视尺红面,精平,读取中丝读数,记为(8)这四步观测,简称为“后一前一前一后(黑一黑一红一红)”,这样的观测步骤可消除或减弱仪器或尺垫下沉误差的影响。
对于四等水准测量,规允许采用“后一后一前一前(黑一红一黑一红)”的观测步骤。
2、一个测站的计算与检核:观测记录参看书本表7-11。
①视距的计算与检核后视距(9)=[(1)—(2)]X100m前视距(10)=[(4)—(5)]Xl00m 三等≯75m,四等≯l00m前、后视距差(11)=(9)—(10) 三等≯3m,四等≯5m前、后视距差累积(12)=本站(11)+上站(12) 三等≯6m,四等≯l0rn②水准尺读数的检核同一根水准尺黑面与红面中丝读数之差:前尺黑面与红面中丝读数之差13)=(6)十K—(7)后尺黑面与红面中丝读数之差(14)=(3)十K—(8) 三等≯2mm,四等≯3mm(上式中的K为红面尺的起点数,为4.687m或4.787m)③高差的计算与检核黑面测得的高差(15)=(3)—(6)红面测得的高差(16)=(8)—(7)校核:黑、红面高差之差(17)=(15)—[(16)±0.100]或(17)=(14)—(13) 三等≯3mm,四等≯5mm高差的平均值(18)= [(15)+(16)±0.100]/2在测站上,当后尺红面起点为4.687m,前尺红面起点为4.787m时,取十0.100,反之,取—0.100。
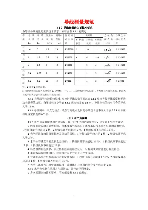
导线测量规范(Ⅰ)导线测量的主要技术要求各等级导线测量的主要技术要求,应符合表3.3.1的规定。
注:1 表中n为测站数。
2 当测区测图的最大比例尺为1:1000时,一、二、三级导线的导线长度,、平均边长可适当放长,但最大长度不应大于表中规定相应长度的2倍。
3.3.2 当导线平均边长较短时,应控制导线边数不超过表3.3.1相应等级导线长度和平均边长算得的边数;当导线长度小于表3.3.1规定长度的1/3时,导线全长的绝对闭合差不应大于13㎝。
3.3.3 导线网中,结点与结点、结点与高级点之间的导线段长度不应大于表3.3.1中相应等级规定长度的0.7倍。
(Ⅲ)水平角观测3.3.7 水平角观测所使用的全站仪、电子经纬仪和光学经纬仪,应符合下列相关规定:1 照准部旋转轴正确性指标:管水准器气泡或电子水准器长气光在各位置的读数较差,1秒级仪器不应超过2格,2秒级仪器不应超过1格,6秒级仪器不应超过1.5格。
2 光学经纬仪的测微器行差及隙动差指标:1秒级仪器不应大于1秒,2秒级仪器不应大于2秒。
3 水平轴不垂直于垂直轴之差指标;1秒级仪器不应超过10秒,2秒级仪器不应超过15秒,6秒级仪器不应超过20秒。
4 补偿器的补偿要求:在仪器补偿器的补偿区间,对观测成果应能进行有效补偿。
5 垂直微动旋转使用时,视准轴在水平方向上不产生偏移。
6 仪器的基座在照准部施转时的位移指标:1秒级仪器不应超过0.3秒,2秒级仪器不应超过1秒,6秒级仪器不应超过1.5秒。
7 光学(或激光)对中器的视轴(或射线)与竖轴的重合度不应大于1㎜。
3.3.8 水平角观测宜采用方向观测法,并符合下列规定:1 方向观测法的技术要求,不应超过表3.3.8的规定。
表3.3.8水平角方向观测法的技术要求注;1 全站仪、电子经纬仪水平角观测时不受光学测微器两次重合读数之差指标的限制。
2 当观测方向的垂直角超过±30的范围时,该方向2C互差可按相邻测回同方向进行比较,其值应满足表中一测回内2C互差的限值。
三、四等水准测量主要技术要求三、四等水准测量除用于国家高程控制网加密外,还常用于建立局部区域地形测量、工程测量高程首级控制,其高程应就近由国家高一级水准点引测。
根据测区条件和用途,三、四等水准路线可布设成闭合或附和水准路线,水准点应埋设普通标石或作临时水准点,亦可和平面控制点共享,三、四等水准测量的技术要求见表。
表三、四等水准测量技术指标注:计算往返较差时,L 为单程路线长,以km 计;n 为单程测站数。
一个测站的观测程序三、四等水准测量采用成对双面尺观测。
测站观测程序(表如下。
安置水准仪,粗平。
瞄准后视尺黑面,读取下、上、中丝的读数,记入手簿(1)、(2)、(3)栏。
瞄准前视尺黑面,读取下、上、中丝的读数,记入手簿(4)、(5)、(6)栏。
瞄准前视尺红面,读取中丝的读数,记入手簿(7)栏。
瞄准后视尺红面,读取中丝的读数,记入手簿(8)栏。
以上观测程序归纳为“”,可减小仪器下沉误差。
四等水准测量亦可按“”程序观测。
后,前,前,后112)上述观测完成后,应立即进行测站计算与检核,的限差要求后,方可迁站。
测站计算与检核1. 视距计算与检核后视距d 后:(9)=[(1)-(2)]×100 前视距d 前:(10)=[(4)-(5)] ×100前后视距差Δd :(11)=(9)-(10) 前后视距累计差Σ Δd :(12) =上站(12)+本站(11) 以上计算的d 后、d 前、Δd 、ΣΔd 的规定,以满足中间法的要求。
因此,每站安置仪器时,尽可能使Σd 后=Σd 前。
2. 读数检核设后、前视尺的红、黑面零点常数分别为K 1(如4.787)、K 2(如4.687),同一尺的黑、红面读数差为:前视尺 (13)=(6)+K 2-(7) 后视尺 (14)=(3)+K 1-(8)(13)、(14)之值均应满足表2-3的要求,即三等水准不大于2mm ,四等水准不大于3mm 。
否则应重新观测。
国家三四等水准测量规范一、引言三四等水准测量是国家测绘工作的重要组成部分,是对地球形状和地球重力场的测量。
其精度和精密度要求高,对全国测绘工作及相关领域的发展具有重要意义。
因此,国家对三四等水准测量工作的规范十分重视,制定了相关的测量规范,以确保测量结果的准确性和可靠性。
二、三四等水准测量的定义和目的三四等水准测量是指对地球表面高程的测量,通常在大地测量网中进行。
其目的是确定地表上任意点的高程数值,为工程测量、地质勘探、测绘建设等提供高程控制,为国家地理信息基础数据库的建设提供数据支撑。
三、三四等水准测量的分类和特点1.三等水准测量三等水准测量是对地球表面高程的高精度测量,其精度要求高,通常用于巨细地貌、测量较高精度的建筑工程等需要高精度高程控制的领域。
2.四等水准测量四等水准测量是对地球表面高程的中等精度测量,其精度要求适中,通常用于一般地貌、普通建筑工程等需要一般精度高程控制的领域。
三四等水准测量的特点包括:(1)精度高:三四等水准测量的精度要求高,是国家有关部门对测绘工作的严格要求;(2)数据量大:由于测量需要覆盖较大范围的地域,因此三四等水准测量的数据量较大;(3)工作量大:三四等水准测量是一项系统工程,需要一定数量的测量人员及设备;(4)成本高:三四等水准测量的成本较高,包括人力、物力和财力。
四、三四等水准测量的基本原理1.大地水准面大地水准面是一个理想的参考曲面,它与地球的真实形状比较接近。
大地水准面是地球的等势面,它控制着地球表面上任意点的高程。
2.高程测量高程测量是对地球表面上任意点的高程数值进行测量。
常见的高程测量方法包括水准测量、高程传感器测量等。
水准测量是通过在不同地点设立水准点,用水准仪观测两个水准点之间的高程差,从而确定各个水准点的高程。
3.大地水准面的建立大地水准面的建立是通过连接各个水准点,确定它们之间的高程差,为地球表面上任意点的高程提供基准。
同时,大地水准面的建立还需要考虑地球的形状、重力场、潮汐等因素。
三、四等水准测量控制测量除了要完成平面控制测量外,还要进展高程控制测量。
小区域地形测图或施工测量中,多采用三、四等水准测量作为高程控制测量的首级控制。
一、三、四等水准测量(leveling)的技术要求1、高程系统:三、四等水准测量起算点的高程一般引自国家一、二等水准点,假设测区附近没有国家水准点,也可建立独立的水准网,这样起算点的高程应采用假定高程。
2、布设形式:如果是作为测区的首级控制,一般布设成闭合环线;如果进展加密,那么多采用附合水准路线或支水准路线。
三、四等水准路线一般沿公路、铁路或管线等坡度较小、便于施测的路线布设。
3、点位的埋设:其点位应选在地基稳固,能长久保存标志和便于观测的地点,水准点的间距一般为1—1.5km,山岭重丘区可根据需要适当加密,一个测区一般至少埋设三个以上的水准点。
4、三、四等及五等水准测量的精度要求和技术要求列于表中。
二、三、四等水准测量的观测方法三、四等水准测量观测应在通视良好、望远镜成像清晰及稳定的情况下进展。
一般采用一对双面尺。
1、三等水准一个测站的观测步骤:〔后-前-前-后;黑-黑-红-红〕〔1〕照准后视尺黑面,精平,分别读取上、下、中三丝读数,并记为〔1〕、〔2〕、〔3〕。
〔2〕照准前视尺黑面,精平,分别读取上、下、中三丝读数,并记为〔4〕、〔5〕、〔6〕。
〔3〕照准前视尺红面,精平,读取中丝读数,记为〔7〕〔4〕照准后视尺红面,精平,读取中丝读数,记为〔8〕这四步观测,简称为“后一前一前一后(黑一黑一红一红)〞,这样的观测步骤可消除或减弱仪器或尺垫下沉误差的影响。
对于四等水准测量,标准允许采用“后一后一前一前〔黑一红一黑一红)〞的观测步骤。
2、一个测站的计算与检核:观测记录参看书本表7-11。
①视距的计算与检核后视距(9)=[(1)—(2)]X100m前视距(10)=[(4)—(5)]Xl00m 三等≯75m,四等≯l00m前、后视距差(11)=(9)—(10) 三等≯3m,四等≯5m前、后视距差累积(12)=本站(11)+上站(12) 三等≯6m,四等≯l0rn②水准尺读数的检核同一根水准尺黑面与红面中丝读数之差:前尺黑面与红面中丝读数之差13)=(6)十K—(7)后尺黑面与红面中丝读数之差(14)=(3)十K—(8) 三等≯2mm,四等≯3mm(上式中的K为红面尺的起点数,为4.687m或4.787m)③高差的计算与检核黑面测得的高差(15)=(3)—(6)红面测得的高差〔16)=(8)—(7)校核:黑、红面高差之差(17)=(15)—[(16)±0.100]或(17)=(14)—(13) 三等≯3mm,四等≯5mm高差的平均值〔18)= [〔15)+(16)±0.100]/2在测站上,当后尺红面起点为4.687m,前尺红面起点为4.787m时,取十0.100,反之,取—0.100。
《建筑工程测量》三、四等水准测量小地区地形测图或施工测量中,多采用三、四等水准测量作为高程控制测量的首级控制;当水准测量作高程控制时,因困难大或无法施用时,这时可考虑采用三角高程测量。
一.三、四等水准测量的施测仪器三、四等水准路线用于建立小区域首级控制网和工程施工高程控制网。
水准观测的主要技术要求见表1,仪器等级采用DS3级水准仪,水准尺不同于普通水准尺,它是双面水准尺,每次观测使用两把尺子,称为一对,每根水准尺一面为红色,另一面为黑色。
一对水准尺的黑面尺底刻划均为零,而红面尺一根尺底刻划为4.687 m,另一根尺底刻划为4.787 m,这一数值用k表示,称为同一水准尺红、黑面常数。
下面以四等水准测量为例,介绍用双面水准尺法在一个测站的观测程序、记录与计算。
表1 水准测量主要技术要求等级水准仪的型号视线长度/m前后视较差/m前后视距累计差/m视线离地面最低高度/m黑、红面读数较差/mm黑红面所测高差较差/mm三等DS1100360.3 1.0 1.5DS375360.3 2.0 3.0四等DS31005100.2 3.0 5.0二.三、四等水准测量的观测方法与记录四等水准测量每站的观测顺序和记录见表2,括号中数字1~8号代表观测记录顺序(蓝色底纹),9~18号为计算的顺序与记录位置(棕粉色底纹)。
观测步骤为:(1)照准后视水准尺黑面,读取下、上、中三丝读数。
(2)转动水准仪,照准前视水准尺黑面读取中丝读数,下、上、中三丝读数。
(3)将水准尺转为红面,前视水准尺红面,读取中丝读数。
(4)转动水准仪,照准后视水准尺红面,读取中丝读数。
这样的观测顺序简称为“后—前—前—后”或“黑—黑—红—红”。
表2 四等水准测量记录表时间:××年××月××日天气:晴成像:清晰仪器及编号:DS××××观测者:×××记录者:×××测站编号点号后尺下丝前尺下丝方向及尺号标尺读数/m黑+K-红/mm高差中数/m备注上丝上丝黑面红面后视距/m前视距/m视距差d/m∑d/m1BN114后K01 3 8 1318K01:4687K02:4787 TP125前K026714910后-前1516171112BM1 1.8910.758后K01 1.708 6.3950+1.1340TP1 1.5250.390前K020.574 5.361036.636.8后-前+1.134+1.0340-0.2-0.2TP1 2.7460.867后K02 2.5307.319-2+1.8850TP2 2.3130.425前K010.646 5.333043.3-44.2后-前+1.884+1.986-2-0.9-1.1三.三、四等水准测量的计算与检核1.测站上的计算与检核A.视距计算:根据视线水平时的视距原理(下丝-上丝)×100计算前、后视距离。
3.3.2 高程控制测量
3.3.2.1 四等水准相关规范
在地形测量和施工测量中,多采用三、四等水准测量作为基本的高程控制。
四等水准测量需满足以下相关规范:
一、观测顺序
四等水准采用水准尺进行观测的步骤如下:后、前、前、后。
安置水准仪的测站至前、后视立尺点的距离,应该用步测使其相等。
在每一测站,按下列顺序进行观测:
后视水准尺黑色面,读上、下丝读数,精平,读中丝读数;
前视水准尺黑色面,读上、下丝读数,精平,读中丝读数;
前视水准尺红色面,精平,读中丝读数;
后视水准尺红色面,精平,读中丝读数。
二、读数规范
1.视距小于100m;
2.前后视距差小于3m;
3.视距累积差小于10m;
4.黑面和红面读数差小于3mm;
5.黑面和红面高差之差小于5mm;
6.四等水准的路线长度不得超过16km
水准测量的等级是根据国家水准网来定的。
国家水准网布设成一等、二等、三等、四等4个等级。
其布设原则采用从高级到低级,从整体到局部,分级布置,逐级加密的原则,等级划分是根据环线周长、附和路线长、偶然中误差、全中误差来分的。
四等水准测量直接为地形测图和各种工程建设提供所必需的高程控制。
国家一、二、三、四等水准测量及要求测站观测顺序和方法一等、二等要求:光学水准仪:往测时奇数站顺序为:后—前—前—后;往测时偶数站顺序为:前—后—后—前;返测时,奇、偶测站顺序分别与往测偶、奇测站相同;数字水准仪:往、返测奇数站顺序为:后—前—前—后;往、返测偶数站顺序为:前—后—后—前三等要求:后—前—前—后四等要求:后—后—前—前每千米水准测量的偶然中误差和每千米水准测量的全中误差不应超过下表规定:水准仪i角检验:自动安平光学水准仪每天检校一次i角,气泡式水准仪每天上、下午各检校一次i角,作业开始后的7个工作日内,若i角较为稳定,以后每隔15天检校一次。
数字水准仪,整个作业期间应每天开测前进行i角测定。
若开测为未结束测段,则在新测段开始前进行测定。
观测方式:一、二等水准测量采用单路线往返观测。
同一区段的往返测,应使用同一类型的仪器和转点尺承沿同一道路进行。
在每一区段内,先连续进行所有测段的往测(或返测),随后再连续进行该区段的返测(或往测)。
若区段较长,也可将区段分成20km—30km的几个分段,在分段内连续进行所有测段的往返观测。
同一测段的往测(或返测)与返测〔或往测)应分别在上午与下午进行.在日间气温变化不大的阴天和观测条件较好时,若干里程的往返测可同在上午或下午进行。
但这种里程的总站数,一等不应超过该区段总站数的20%,二等不应超过该区段总站数的30%。
三等水准测量采用中丝读数法进行往返测。
当使用有光学测微器的水准仪和线条式因瓦水准标尺观测时,也可进行单程双转点观测。
四等水准测量采用中丝读数法进行单程观测。
支线应往返测或单程双转点观测。
测站视线长度、视距差等要求单位:米测站观测限差对于数字水准仪,同一标尺两次读数差不设限差,两次读数所测高差的差执行基辅分划所测高差之差的限差。
测站观测误差超限,在本站发现后可立即重测,若迁站后才检查发现,则应从水准点或间歇点(应经检测符合限差)起始,重新观测。