工程力学-考前复习-计算题资料
- 格式:ppt
- 大小:4.78 MB
- 文档页数:121
课程考试复习题及参考答案工程力学一、填空题:1.受力后几何形状和尺寸均保持不变的物体称为。
2.构件抵抗的能力称为强度。
3.圆轴扭转时,横截面上各点的切应力与其到圆心的距离成比。
4.梁上作用着均布载荷,该段梁上的弯矩图为。
5.偏心压缩为的组合变形。
6.柔索的约束反力沿离开物体。
7.构件保持的能力称为稳定性。
8.力对轴之矩在情况下为零。
9.梁的中性层与横截面的交线称为。
10.图所示点的应力状态,其最大切应力是。
11.物体在外力作用下产生两种效应分别是。
12.外力解除后可消失的变形,称为。
13.力偶对任意点之矩都。
14.阶梯杆受力如图所示,设AB和BC段的横截面面积分别为2A和A,弹性模量为E,则杆中最大正应力为。
15.梁上作用集中力处,其剪力图在该位置有。
16.光滑接触面约束的约束力沿指向物体。
17.外力解除后不能消失的变形,称为。
18.平面任意力系平衡方程的三矩式,只有满足三个矩心的条件时,才能成为力系平衡的充要条件。
19.图所示,梁最大拉应力的位置在点处。
20.图所示点的应力状态,已知材料的许用正应力[σ],其第三强度理论的强度条件是。
21.物体相对于地球处于静止或匀速直线运动状态,称为。
22.在截面突变的位置存在集中现象。
23.梁上作用集中力偶位置处,其弯矩图在该位置有。
24.图所示点的应力状态,已知材料的许用正应力[σ],其第三强度理论的强度条件是。
25.临界应力的欧拉公式只适用于杆。
26.只受两个力作用而处于平衡状态的构件,称为。
27.作用力与反作用力的关系是。
28.平面任意力系向一点简化的结果的三种情形是。
29.阶梯杆受力如图所示,设AB和BC段的横截面面积分别为2A和A,弹性模量为E,则截面C的位移为。
30.若一段梁上作用着均布载荷,则这段梁上的剪力图为。
二、计算题:1.梁结构尺寸、受力如图所示,不计梁重,已知q=10kN/m,M=10kN·m,求A、B、C处的约束力。
2.铸铁T梁的载荷及横截面尺寸如图所示,C为截面形心。
⼯程⼒学复习资料题型⼀、单项选择题1、“⼆⼒平衡公理”和“⼒的可传性原理”适⽤于()A 、任何物体;B 、固体;C 、弹性体;D 、刚体。
2、伸长率(延伸率)公式%1001?-=ll l δ中的1l 指的是什么?() A 、断裂时试件的长度; B 、断裂后试件的长度;C 、断裂时实验段的长度;D 、断裂后实验段的长度。
3、若将受扭空⼼圆轴的内、外直径均缩⼩为原尺⼨的⼀半,则该轴的最⼤剪应⼒是原来的()倍。
A 、 2B 、 4C 、 8D 、 164、下图所⽰诸单元体中标⽰正确的是()A 、B 、C 、D 、5、图⽰⽊拉杆榫接接头其剪切⾯为( )。
A 、ab ⾯B 、cd ⾯C 、be ⾯和cf ⾯D 、bc ⾯6、在下述公理、法则、定律中,只适⽤于刚体的是()A 、⼆⼒平衡公理;B 、⼒的平⾏四边形法则;C 、加减平衡⼒系公理;D 、⼒的可传性。
7、拉(压)杆应⼒公式AN =σ的应⽤条件是:() A 、应⼒在⽐例极限内; B 、外⼒合⼒作⽤线必须沿着杆的轴线;C 、应⼒在屈服极限内;D 、杆件必须为矩型截⾯杆。
8、若将受扭空⼼圆轴的内、外直径均缩⼩为原尺⼨的⼀半,则该轴的单位长度扭转⾓是原来的()倍。
A 、2B 、4C 、8D 、169、关于图⽰AC 杆的结论中,正确的是()A 、BC 段有变形,没有位移;B 、BC 段没有变形,没有位移;C 、BC 段没有变形,有位移;D 、BC 段有变形,有位移。
10 、情况如下图所⽰,设杆内最⼤轴⼒和最⼩轴⼒分别为max N 和min N ,则下列结论正确的是()A 、 max N =50KN ,-=min N 5KN ;B 、 max N =55KN ,-=min N 40KN ;C 、 max N =55KN ,-=min N 25KN ;D 、 max N =20KN ,5min -=N KN ;11、⼀铆钉受⼒如下图所⽰,铆钉直径为d ,钢板厚度均为t ,其剪切⾯⾯积和剪⼒⼤⼩分别为()。
《工程力学》考试复习题库(含答案)一、选择题1. 工程力学是研究()A. 材料力学性能B. 力的作用和物体运动规律C. 结构的计算和分析D. 机器的设计与制造答案:B2. 在静力学中,力的作用效果取决于()A. 力的大小B. 力的方向C. 力的作用点D. A、B、C均正确答案:D3. 平面汇交力系的平衡条件是()A. 力的代数和为零B. 力矩的代数和为零C. 力的投影和为零D. 力的投影和为零且力矩的代数和为零答案:D4. 拉伸或压缩时,杆件横截面上的正应力等于()A. 拉力或压力B. 拉力或压力除以横截面面积C. 拉力或压力乘以横截面面积D. 拉力或压力除以杆件长度答案:B5. 材料在屈服阶段之前,正应力和应变的关系符合()A. 胡克定律B. 比例极限C. 屈服强度D. 断裂强度答案:A二、填空题1. 工程力学中的基本单位有()、()、()。
答案:米、千克、秒2. 二力平衡条件是:作用在同一个物体上的两个力,必须()、()、()。
答案:大小相等、方向相反、作用在同一直线上3. 材料的弹性模量表示材料在弹性范围内抵抗()的能力。
答案:变形4. 在剪切力作用下,杆件横截面沿剪切面发生的变形称为()。
答案:剪切变形5. 梁的挠度是指梁在受力后产生的()方向的位移。
答案:垂直三、判断题1. 力偶的作用效果只与力偶矩大小有关,与力偶作用点位置无关。
()答案:正确2. 在拉伸或压缩过程中,杆件的横截面面积始终保持不变。
()答案:正确3. 材料的屈服强度越高,其抗断裂能力越强。
()答案:错误4. 在受弯构件中,中性轴是弯矩等于零的轴线。
()答案:错误5. 梁的挠度曲线是梁的轴线在受力后的实际位置。
()答案:正确四、计算题1. 一根直径为10mm的圆形杆,受到轴向拉力1000N的作用。
求杆件的伸长量。
答案:杆件的伸长量约为0.005mm。
2. 一根简支梁,受到均布载荷q=2kN/m的作用,跨度l=4m。
求梁的最大挠度。
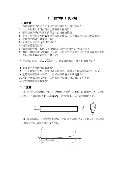
《 工程力学 》复习题一、思考题1. 力是如何定义的?力的作用效应有哪些?力的三要素?2. 什么是约束?常见的典型约束有哪几种类型?3. 平面任意力系向作用面内任意一点简化的结果?4. 平面任意力系平衡的必要充分条件是什么?其平衡方程的基本形式如何?5. 材料力学的研究对象是什么?6. 可变性固体的基本假设有哪些?7. 截面法的适用范围?8. 低碳钢拉伸时,其应力-应变曲线的四个特征阶段分别是什么?9. 如何计算圆轴扭转横截面上任意一点的应力及其最大应力?圆形截面的极惯性矩与抗扭截面系数的计算公式? 10. 在梁的正应力公式zI My=σ中,z I 是梁横截面对于哪个轴的惯性矩? 11. 提高梁的强度的措施有哪些?12. 什么是静矩?若某一轴通过截面的形心,则截面对该轴的静矩等于多少? 13. 梁的变形用什么来表示?计算梁变形的基本方法是什么?14. 何谓一点处的应力状态?如何确定一点的主应力的大小与方位? 15. 常见的强度理论有哪些?二、计算题(1)图示空心圆截面杆,外径mm 20=D ,内径mm 15=d ,承受轴向载荷kN 20=F 作用,材料的屈服应力MPa 235=S σ,安全因数51.=S n ,试校核杆的强度。
(2)图示悬臂梁,自由端受集中载荷F 作用,试建立梁的挠度与转角方程,并计算最大挠度与转角。
设弯曲刚度EI 为常数。
(3)图示受扭圆杆中,mm 100=d ,材料的许用切应力MPa 40][=τ,试校核该杆的强度。
(4)单元体的应力情况如图所示,试求该点的主应力和最大切应力。
(5)图示槽型截面悬臂梁,kN 10=F ,m kN 70e ⋅=M ,许用拉应力[]MPa 35t =σ,许用压应力[]MPa 120c =σ,惯性矩44m 10021-⨯=.z I ,截面形心C 离顶边与底边的距离分别为m m 961=y 与m m 1542=y ,试校核梁的强度。
(6)图示水平直角折杆受铅直力F 作用。
《建筑力学》复习题一、选择题 (一)静力学:1、以下四种说法,正确的是( )。
A.受力物体都可视为刚体 B.平衡的物体都可视为刚体 C.变形微小的物体都可视为刚体 D.受力后不变形的物体视为刚体2、以下有关刚体的四种说法,正确的是( )。
A.处于平衡的物体都可视为刚体B.变形小的物体都可视为刚体C.自由飞行的物体都可视为刚体D.在外力作用下,大小和形状看作不变的物体是刚体3、 下列静力学公理、原理或定律,对于变形体成立的是 ( )。
A.二力平衡公理B.加减平衡力系公理C.力的可传性原理D.作用和反作用定律(或者D.力的平行四边形定理)4、 力的可传性原理是指作用于刚体上的力可在不改变其对刚体的作用效果下 ( )。
A •平行其作用线移到刚体上任一点B •沿其作用线移到刚体上任一点C •垂直其作用线移到刚体上任一点D •任意移动到刚体上任一点5、物系中的作用力和反作用力应是( )。
A.等值、反向、共线B.等值、反向、共线、同体C.等值、反向、共线、异体D.等值、同向、共线、异体6•图示杆的重量为P ,放置在直角槽。
杆与槽为光滑面接触,A 、B 、C 为三个接触点,则该 杆的正确受力图是( )。
7•光滑面对物体的约束力,作用在接触点处,万向沿接触面的公法线,且 ( )。
A •指向受力物体,恒为拉力B •指向受力物体,恒为压力C •背离受力物体,恒为拉力D •背离受力物体,恒为压力8、柔索对物体的约束反力,作用在连接点,方向沿柔索( )。
A.指向被约束体,恒为拉力 B .背离被约束体,恒为拉力 C.指向被约束体,恒为压力 D.背离被约束体,恒为压力9、 力偶()。
A.有合力B.可以使物体移动和转动C.只能使物体转动D.可以和一个力等效 10力偶()。
A.可以使物体移动B.可以和一个力等效C.只能使物体转动11.平面一般力系向其作用平面任意一点简化的最终结果可能是()D.可以和一个力平衡D. 一个力,一个力偶,平衡12、平面一般力系向一点O 简化结果,得到一个主矢量F R 和一个主矩M o ,下列四种情况, 属于平衡的应是( )。
工程力学计算题汇总-标准化文件发布号:(9456-EUATWK-MWUB-WUNN-INNUL-DDQTY-KII《工程力学及机械设计基础》计算题练习第四章:1.解析法求平面汇交力系的合力(大小)2.单个物体的平衡问题1.试计算题1图所示悬臂梁支座A 处的约束力。
2.题2图所示系统受力F 作用,斜面的倾角θ=30°,试判断A 处约束力的方向,并计算A 、B 处约束力的大小。
3.外伸梁AC 如题7图所示,试求支座A 、B4.外伸梁如题3图所示,试求支座A 和B 的约束力。
题1图 题2图 题3图题4图5.平面刚架ABC 如题8 图所示,若不计刚架自重,试求支座A 处的约束力。
6.悬臂梁AB 如题10图所示,试求支座A 处的约束力。
7.外伸梁如题13图所示,试计算A 、B 支座处的约束力。
题5图题6图第五章:物体系统的平衡问题(共2各图形)8.试求题16图所示多跨静定梁A 、C 支座处的约束力。
题8图9.多跨静定梁如题17图所示,试求A 、C 支座处的约束力。
10.试求题18图所示多跨静定梁A 、C 支座处的约束力。
题9图题7图11.组合梁如题20图所示,试求支座A 、C12.组合梁如题9图所示,试求支座A 、B 、C 处的约束力。
13.多跨静定梁如题21图所示,试求A 、B 、C 支座处的约束力。
题10图题11图题12图第八、九章:1.画轴力图;2.拉压杆横截面上的应力计算;3.铆钉挤压、剪切强度计算14.阶梯形杆ABC 受力如题所示,已知力F =10 kN ,l 1=l 2=400mm ,AB 段的横截面面积A 1=100mm 2,BC 段的横截面面积A 2=50mm 2。
(1)画杆的轴力图;(2)计算杆横截面上的应力;15.如图两块厚度为 10 mm 的钢板,用两个直径为 17 mm 的铆钉搭接在一起,钢板受拉力 P = 60 kN ,已知铆钉和钢板的许用剪应力[τ] = 140 MPa ,许用挤压应力[bs ] = 280 MPa ,假定每个铆钉受力相等,试校核铆钉的强度。
工程力学复习资料一、填空题1、理论力学中的三个组成部分为 静力学、运动学和 动力学 。
绪2、力是物体之间相互的 机械 作用、力的作用效应是使物体的运动状态 发生改变,也可使物体的 形状 发生改变。
3、力的基本单位名称是 牛顿 ,符号是 N 。
4、力是 矢量 量,力的三要素可用 带箭头的线段 来表示,其长度(按一定比例)表示力的 大小 ,箭头的指向表示力的 方向 ,线段的起点或终点表示力的 作用点 。
5、共线力系是 平面汇交 力系的特例。
2.16、平面力系分为平面汇交力系、 平面平行力系和 平面一般力系 力系。
7、在力的投影中,若力平行于X 轴,则Fx=若力平行于y 轴,则 F y=;若力垂直于X 轴,则Fx= F ±F ±0 ;若力垂直于y 轴F y= 0 。
8、作用在物体上各力的作用线都在 同一平面 ,并呈 任意分布 的力系,称为平面一般力系。
9、平面一般力系面已知中心点简化后,得到一力 和 一力偶 。
、若力系中的各力作用线在 同一平面 且相互 平行 ,称平面平行力系,它是平面一般力系 的特殊情况。
、平衡是指物体相对于地球保持 静止 或 匀速直线运动 状态。
绪、对非自由体的运动的限制叫做 。
约束反力的方向与约束所能 限制 运动方向相反。
、作用于物体上的各力作用线都在 同一平面 ,而且 汇交 的力系,称为平面汇交力系。
、力的三要素是力的大小,力的 方向 ,力的 作用点、材料力学中,构件的安全性指标是指: 强度 , 刚度 , 稳定性 。
、力是物体间相互的 机械 作用,这种作用的效果是使物体的 运动状态 发生改变,也可使物体的 形状发生变化。
、力对物体的作用效果取决于力的 大小 、 方向 和 作用点 。
、欲使作用在刚体上的两个力平衡,其必要与充分条件是两个力的大小 相等 、方向 相反 ,且作用在一条直线上 。
19.作用于物体上的各力作用线都在 同一平面内 内,并且都 相较于一点 的力系,称为平面汇交力系。
一、选择题与填空题(共8小题,每题4分)1、图示等直杆,杆长为3a ,材料的抗拉刚度为EA ,受力如图。
杆中点横截面的铅垂位移为 。
A 、0;B 、Fa /(EA );C 、2Fa /(EA );D 、3 Fa /(EA )。
2、已知W =60kN ,F =20kN ,物体与地面间的静摩擦系数s f =0.5,动摩擦系数f =0.4,则物体所受的摩擦力的大小为_______________。
A 、25kN ;B 、20kN ;C 、17.3kN ;D 、0。
3、已知一边长为a 的正方体,沿对角线BH作用一个力F,则该力在1Z 轴上的投影为﹍﹍﹍。
A 、6F ; B 、0; C 、2F ; D 、3F。
4、三根杆的横截面面积及长度均相同,其材料的应力-应变曲线分别如图所示。
其中强度最高,刚度最大,塑性最好的杆分别是 。
(A )a ,b ,c ; (B )b ,c ,a ; (C )b ,a ,c ; (D )c ,b ,a 。
5、已知图(a )梁B 端挠度为48ql EI , 转角为36ql EI, 则图(b )梁C 截面的转角为 。
6、图中Z 轴与C Z 轴均平行于1Z 轴,43C Z I a =,则三角形ABO 对1Z 轴的惯性矩1Z I 等于_______________,而三角形ADE 对Z 轴的惯性矩Z I 等于________________。
7、一刚体只有两力F A ,F B 作用,且F A +F B =0,则此刚体______________________________;一刚体上只有两个力偶M A ,M B 作用,且M A +M B =0,则此刚体_______________。
(填一定平衡,一定不平衡或者平衡与否不能判定)8、铆接头的连接板厚度t=d ,则铆钉切应力为τ= ,最大挤压应力bs σ= 。
二、计算题(13分)图示结构,由杆AB 、DE 、BD 组成,各杆自重不计,D 、C 、B 处均为铰链连接,A 端为固定端约束。
工程力学(理、材)_复习题(总16页)--本页仅作为文档封面,使用时请直接删除即可----内页可以根据需求调整合适字体及大小--2《工程力学》本科复习题一、 单项选择题:解题要求:根据工程力学的基本概念和理论,从每小题的四个备选答案中选出一个正确的答案,并将正确答案的字母填写在相应的括号内。
1.若( B )中各分力对任意点之矩的矢量和为零,则该力系一定为平衡力系。
(A )汇交力系; (B )力偶系; (C ) 平面一般力系; (D )空间一般力系。
2. 应力是指( B )。
(A )受力物体截面上内力的分力, (B )受力物体截面上内力的分布集度, (C )受力物体截面上每一点的内力, (D )受力物体内部对外力的响应力。
(A )比例极限P σ; (B )弹性极限e σ; (C )屈服极限s σ; (D )强度极限b σ。
3. 用公式[]nuσσ=确定材料的许用应力值时,通常脆性材料是以其( D )作为极限应力(式中的u σ)。
(A )比例极限P σ; (B )弹性极限e σ; (C )屈服极限s σ; (D )强度极限b σ。
4. 杆件内力矢量沿其轴线的分量,称为( A )。
(A )轴力, (B )剪力, (C )扭矩, (D )弯矩。
5.关于扭弯组合:①公式WT M 22+≤[]σ是用( ①C )强度理论,为扭弯组合下的圆轴所建立的强度条件计算式。
② 公式WT M 2275.0+≤[]σ是用( D )强度理论,为扭弯组合下的圆轴所建立的强度条件计算式。
(A )第一 ; (B )第二; (C )第三; (D )第四6. 题图所示四个力系中,各力大小均为F ,分别以不同方式作用在边长为a 的正方形的四个顶点,其中一个力系的最简结果是一个力偶之矩M =Fa 且逆时针转动的合力偶,该力系是( D )。
(A )(B )(C )(D )一、6题 图7. 如图(a )所示,重为G 的均质圆柱在夹板AB 与墙壁AC 之间,夹板A 端有固定铰链支座与墙壁连接,B 端用绳索CB 拉住,CB 垂直于墙壁,若不计夹板AB 的自重和各接触处的摩擦。
工程力学复习题计算题部分答案新【完整版】(文档可以直接使用,也可根据实际需要修订后使用,可编辑放心下载)三、计算题力法局部第1题:〔1〕根本结构和根本未知量〔3〕M1、M2、MP图〔略,学生自己完成〕〔4〕系数、自由项和位移法方程第2题(2)做M1、M2、MP图第4题〔1〕根本结构和根本未知量〔 2〕M1、M2、MP 图 略 〔学生自己绘制〕 〔3〕计算系数和自由项并列力法方程 第5题第6题用力法计算图示结构,作弯矩图。
EI =常数。
1〕分解成两对荷载2〕计算反对称荷载作用下的弯矩图。
ll即为原来荷载作用下的弯矩图。
第7题答案: 略 〔答案见作业二〕位移法局部 第1题1. 用位移法计算图示刚架,求出系数项及自由项。
EI =常数。
〔15分〕 解:Δ1224(1)根本未知量这个刚架根本未知量只有一个结点B 的角位移1∆。
(2)根本体系在B 点施加附加刚臂,约束B 点的转动,得到根本体系。
(3)位移法方程01111=+∆P F k(4)计算系数和自由项 令6EI i =,作1M 图=11k 11i作P M 图由0=∑B M ,得=P F 1m kN ⋅-21⑸解方程组,求出=∆1i1121 22P F解:〔1〕根本结构与根本未知量〔2〕M1、MP图第2题第3题〔1〕根本结构、根本未知量〔略,学生自己绘制〕〔2〕M1、MP图〔略,学生自己绘制〕〔3〕位移法方程并计算第4题解:〔1〕根本结构、根本未知量〔略,学生自己绘制〕〔2〕M1、MP图〔略,学生自己绘制〕〔3〕位移法方程并计算第5题第6题影响线局部第1题第2题第3题第4题第5题解:第6题解:。
工程力学(2)复习资料一、复习知识点1、直径为D 的实心轴,两端受扭转力偶作用,轴内最大剪应力为τ,若轴的直径改为D /2,则轴内的最大剪应力变为8τ。
(提示 )2.圆轴扭转,横截面上任意点处的切应力沿半径成线性变化。
3、空心圆截面外径为D ,内径为d ,其抗弯截面系数为。
4、脆性材料的极限应力为材料的强度极限,塑性材料的极限应力为材料的屈服极限。
5.简支梁在集中力作用处,其剪力图发生突变;在集中力偶处,其弯矩图发生突变。
6、梁纯弯曲时,横截面上最大正应力发生在距离中性轴最远的各点处,在中性轴处正应力为零。
矩形截面梁横力弯曲时,横截面上最大切应力发生在中性轴上。
7、图示矩形截面对z 、y 两形心轴的惯性矩分别为33121,121hb I bh I y z ==8、设矩形截面对其一对称轴z 的惯性矩为I z ,则当长宽分别为原来的2倍时,该矩形截面对z 的惯性矩将变为16I z 。
9、梁发生平面弯曲时,其纵向纤维既不伸长也不缩短的一层称为中性层。
10、横力弯曲矩形截面梁横截面上的最大切应力是横截面上平均应力值的1.5倍。
11、横力弯曲圆形截面梁横截面上的最大切应力是横截面上平均应力值的4/3倍。
12、.梁的横截面对中性轴的静矩等于零。
13、.梁的弯曲应力公式zW M max max =σ适用于矩形截面形状的梁。
14、梁的弯曲变形中,挠度y 与转角θ间的微分关系式是dx dy ≈θ;15、梁的弯矩方程对轴线坐标x 的二阶导数等于集度q 。
16、平面应力状态下,不等于零的主应力有1个或2个;空间应力状态下,不等于零的主应力有3个。
用单元体表示点的应力状态,在主平面上切应力一定为零。
17、应力圆上的一个点的坐标值就是单元体上某一截面的应力值,所以应力圆和单元体有着一一对应的关系。
pW T =τ18、 受力构件内单元体各主平面相交成90度角。
19、第一、二强度理论主要适用于脆性材料,如铸铁、木材等。
第三、四强度理论主要适用于塑性材料。
《工程力学》复习题一、名词解释1. 平衡:指物体相对于地面保持静止或匀速直线运动的状态。
2. 力:物体间的相互的机械作用,这种作用使物体的机械运动状态发生变化,或者使物体发生变形。
3. 力的三要素:力的大小、方向和作用点称为力的三要素。
4. 刚体:在任何情况下都不发生变形的物体。
5. 二力平衡公理:作用于刚体上的两个力平衡的必要和充分条件是:这两个力大小相等方向相反,并作用在一条直线上。
6. 加减平衡力系公理:在作用于刚体上的任何一个力系上,加上或减去任一平衡力系,并不改变原力系对刚体的作用效应。
7. 力的可传性原理:作用于刚体上的力,可以沿其使用线移至刚体内任意一点,而不改变它对刚体的作用效应。
8. 三力平衡定理:刚体受不平行的三力作用而平衡,则三力作用线必汇交于一点且位于同一平面内。
9. 刚化公理:变形体在某一力系作用下处于平衡,若将此变形体刚化为刚体,其平衡状态不变。
10. 约束:阻碍非自由体运动的限制条件称为非自由体的约束。
11. 约束反力:约束对物体的作用力。
12. 平面汇交力系:力系中各力的作用线都在同一平面内,且汇交于一点的力系。
13. 力偶:大小相等、方向相反、作用线互相平行的两个力。
14. 平面力偶的等效定理:在同一平面内的两个力偶,只要它们的力偶矩大小相等、转动方向相同,则两个力偶必等效。
15. 力线平移定理:作用在刚体上的力可以平移到刚体内任一点,但必须同时附加一个力偶,其力偶矩等于原力对平移点之矩。
16. 合力矩定理:当平面力系可以合成为一个合力时,则其合力对于作用面内的任一点之矩,等于力系中各分力对于同一点之矩的代数和。
17. 平面一般力系平衡的解析条件是:力系中各力在两个正交的坐标轴上的每一轴上的投影的代数和分别等于零,以及各力对于平面内任意一点之矩的代数和也等于零。
18. 强度:构件抵抗塑性变形和断裂的能力。
19. 刚度:构件抵抗弹性变形的能力。
20. 稳定:构件承受载荷作用时其原有形状下的平衡应该是稳定的平衡。
《工程力学》复习资料一、填空题1. 促使物体运动(或具有运动趋势)的力称主动力, 其大小和方向通常是预先确定的。
约束力是阻碍物体运动的力, 称为被动力, 通常是未知的。
2.平面汇交力系平衡方程表达式应为∑Fx=0 和∑Fy=0 , 此表达式又称为平面汇交力系的平衡方程。
3.若力系中各力作用线在同一平面内且相互平行, 称为平面平行力系。
它是平面一般力系的特殊情况。
二、选择题1. 理论力学中的三个组成部分为 A 、运动学、动力学。
A. 静力学B. 运动力学C. 流体力学2. 平衡是指物体相对于地球保持 B 或作匀速直线运动状态。
A. 运动B. 静止C. 加速运动3.力是物体之间相互的 C 作用, 力的作用效应有外效应和内效应。
A. 吸引B. 排斥C. 机械4. 力的三要素为力的 A 、方向和作用点。
A. 大小B. 指向C. 作用位置5.作用力和反作用力是一对等值, 反向,共线, 作用在 A 物体上的力。
A. 两个B. 三个C. 四个6.欲使作用在刚体上的两个力平衡, 其充分必要条件是两个力大小C 、方向相反, 且作用在同一条直线上。
A. 相反B. 不等C. 相等7.只有两个着力点且处于平衡的构件, 称为 A 。
A. 二力杆B. 三力杆C. 四力杆8.力的平行四边形公理说明, 共点二力的合力等于两个分力的 C 和。
A. 标量B. 代数C. 矢量9.促使物体运动的力称 A , 阻碍物体运动的力称约束力。
A. 主动力B. 被动力C. 支反力10.柔性约束的特点是只能承受 A , 不能承受压力。
A. 拉力B. 推力C. 重力11. 力和物体的关系是 A 。
A. 力不能脱离物体而独立存在B. 一般情况下力不能脱离物体而存在C. 力可以脱离物体而独立存在12. 物体的受力效果取决于力的 C 。
A.大小、方向B.大小, 作用点C.大小、方向、作用点13. 静力学研究对象主要是 C 。
A. 受力物体B. 施力物体C. 平衡物体14.在静力学中, 将受力物体视为刚体 A 。
《工程力学》复习题及答案一、填空题1、工程力学包括、、和动力学的有关内容。
2、力的三要素是力的、、。
用符号表示力的单位是或。
3、力偶的三要素是力偶矩的、和。
用符号表示力偶矩的单位为或。
4、常见的约束类型有约束、约束、约束和固定端约束。
5、低碳钢拉伸时的大致可分为、、和阶段。
6、剪切变形的特点是工件受到一对大小、方向、作用线且相距很近的外力作用。
7、圆轴扭转的变形特点是:杆件的各横截面绕杆轴线发生相对,杆轴线始终保持。
8、平面弯曲变形的变形特点是杆的轴线被弯成一条。
9、静定梁可分为三种类型,即、和。
10、是指由无数个点组成的不变形系统。
11、规定动点对于定参考系的运动称为运动。
动点对于动参考系的运动称为运动,把动参考系对于定参考系的运动称为运动。
12、平面汇交力系平衡的解析条件是:力系中所有的力在投影的代数均为。
13、在工程中受拉伸的杆件,其共同的特点是:作用于杆件上的外力或外力的合力的作用线与构件轴线,杆件发生方向,伸长或压缩。
14、空间汇交力系的合力在任意一个坐标轴上的投影,等于在同一轴上投影的,此称为空间力系的。
15、力矩的大小等于和的乘积。
通常规定力使物体绕矩心时力矩为正,反之为负。
16、大小,方向,作用线的两个力组成的力系,称为力偶。
力偶中二力之间的距离称为,力偶所在的平面称为。
17、力的平将作用在刚体某点的力平移到刚体上别指定一点,而不改变原力对刚体的作用效果,则必须附加一力偶,其力偶矩等于。
18、构件的强度是指的能力;构件的刚度是指的能力;构件的稳定性是指的能力。
二、判断题:(对的画“√”,错的画“×”)1、力的可传性定理,只适用于刚体。
()2、两物体间相互作用的力总是同时存在,并且两力等值、反向共线,作用在同一个物体上。
()3、力的大小等于零或力的作用线通过矩心时,力矩等于零。
()4、力偶无合力,且力偶只能用力偶来等效。
()5、柔体约束特点是限制物体沿绳索伸长方向的运动,只能给物体提供拉力。
《工程力学》复习题及答案一、填空题1、平面汇交力系平衡的解析条件为力系中所有各力在两个坐标轴中投影的代数和都等于0 ,其表达式为∑F ix 和∑F iy=0。
2、一个力系的合力不为零,而∑FX=0,则该合力R必平行Y轴或垂直于X轴。
3、用力拧紧螺帽,其拧紧的程度不仅与力的_大小_有关,而且与力的作用线到螺帽中心的距离有关。
此外还与力的作用方向有关。
4、大小相等,方向相反,作用线平行且不重合的二力组成的力系,称为力偶,可记作(F,F’)。
力偶中二力之间的垂直距离,称为力偶臂。
力偶所在的平面,称为力偶作用平面。
5、平面任意力系的平衡条件为,力系中所有各力在两个不同方向的坐标轴X、Y上投影的代数和等于零;力系中所有的力对平面内一点的矩的代数和等于零。
6、用截面法求得圆轴的扭矩表示圆轴扭转时的内力_,用符号T表示,其正负则可以用右手螺旋法则来判定。
四、综合概念题1、试比较常见的几种约束,按表列项目填入相应的栏内。
2、比较平面汇交力系与平面平行力系的平衡条件,平衡方程及其应用特点。
3、比较静摩擦与动摩擦,找出它们的区别与联系,填入表内。
五、计算题12、图示简易起重机用钢丝绳吊起重力G=2kN 的重物,不计杆件自重、磨擦及滑轮大小,A 、B 、C 三处简化为铰链连接;求杆AB 和AC 所受的力。
① 受力图 ② 坐标 ③ 方程 ④ 解方程 ⑤ 答:解:∑F X =0F AC ·Sin30°- F AB ·sin60°- F AD ·cos15°=0 ——① F AC · Cos30°+ F AB ·Cos60°-G- Sin15°·F AD =0 ——②F AD=G由①,②式解:-0.414KN,-3.15KN3、如图所示,行动式起重机不计平衡锤的重为P = 500 kN,其重心在离右轨1.5m处。