M7.5 水泥砂浆配合比设计试验检测报告
- 格式:xlsx
- 大小:72.99 KB
- 文档页数:1
M7.5 水泥砂浆配合比介绍水泥砂浆是建筑施工中常用的材料之一,用于粘结砖块、石材等建筑材料。
M7.5 水泥砂浆是指强度等级为M7.5的砂浆,其强度等级由水泥与砂的配合比决定。
配合比的合理选择对砂浆强度、工作性能、耐久性等方面有重要影响。
本文将介绍M7.5水泥砂浆的配合比设计原则和步骤。
配合比设计原则1.满足工程强度要求:M7.5水泥砂浆的强度等级为M7.5,应根据工程需要确定。
2.保证砂浆的工作性能:砂浆的工作性能包括可塑性、保水性、硬化时间等多个方面,在确定配合比时需考虑这些工作性能的指标。
3.提高砂浆的耐久性:合适的配合比可提高砂浆的抗渗性、耐久性,延长建筑物的使用寿命。
4.节约材料:选用经济合理的配合比,尽量减少水泥和砂的用量,从而节约材料成本。
配合比设计步骤以下介绍M7.5水泥砂浆配合比的设计步骤:步骤一:确定强度等级和工作性能要求根据工程需要,确定M7.5水泥砂浆的强度等级和工作性能要求。
强度等级通常根据设计要求或相关规范确定,而工作性能要求可根据具体施工情况、砂浆使用的环境等因素确定。
步骤二:选择合适的砂和水泥选择合适的砂和水泥对配合比设计至关重要。
合适的砂应具有良好的分级、坚固耐磨的颗粒,而水泥则应选用强度合适的产品。
步骤三:确定最佳配合比确定最佳配合比是保证砂浆强度和工作性能的关键一步。
配合比的确定需要根据试验结果和经验进行。
试验中,可以根据设定的配合比,进行逐步试配,通过试验结果来确定最佳的配合比。
常见的M7.5水泥砂浆的配合比为1:3(水泥:砂),即每份水泥将配3份砂。
根据试验结果和实际工程需求,适量调整水泥和砂的比例,以满足工程要求。
步骤四:考虑现场条件和加工性能在确定最终的配合比之前,需要考虑现场的施工条件和保证砂浆加工性能的因素。
根据施工要求和现场条件,对配合比进行适当调整,以保证施工顺利进行。
结论M7.5水泥砂浆的配合比设计需根据工程要求、砂浆的工作性能和施工条件等因素进行综合考虑。
M7.5和M10砂浆配合比
M7.5 水泥砂浆配合比:水泥砂浆配合比:
要求设计用于砌筑沟井的水泥砂浆,设计强度为M7.5,稠度30~50mm。
原材料的主要参数,水泥:32.5 级水泥;中砂,堆积密度为1541kg/m3;施工水平:一般。
(1)根据《砌筑砂浆配合比设计规程》(JGJ98-2000)选取水泥用量260kg/m3
(2)砂子用量QS QS=1541kg/m3
(3)根据《砌筑砂浆配合比设计规程》(JGJ98-2000)选取用水量为280kg/m3 ,砂浆试配时各材料的用量比例:
水泥∶砂=260∶1541=1∶5.93
M10 水泥砂浆配合比:水泥砂浆配合比:
要求设计用于砌筑毛石挡土墙的水泥砂浆,设计强度为M10,稠度30~50mm。
原材料的主要参数,水泥:32.5 级水泥;中砂,堆积密度为1221kg/m3;施工水平:一般。
(1)根据《砌筑砂浆配合比设计规程》(JGJ98-2000)选取水泥用量240kg/m3
(2)砂子用量QS QS=1221kg/m3
根据《砌筑砂浆配合比设计规程》(JGJ98-2000)选取用水量为290kg/m3 砂浆各材料的用量比例:
水泥∶砂=240∶1221=1∶5.09。
m7.5和M10砂浆配比M7.5和M10砂浆配合比
M7.5 水泥砂浆配合比: 水泥砂浆配合比:
要求设计用于砌筑沟井的水泥砂浆,设计强度为 M7.5,稠度 30~50mm.原材料的主要参数,水泥:32.5 级水泥;中砂,堆积密度为 1541kg/m3;施工水平:一般。
(1)根据《砌筑砂浆配合比设计规程》(JGJ98-2000)选取水泥用量 260kg/m3
(2)砂子用量 QS QS=1541kg/m3
(3)根据《砌筑砂浆配合比设计规程》 (JGJ98-2000)选取用水量为 280kg/m3 ,砂浆试配时各材料的用量比例:
水泥∶砂=260∶1541=1∶5.93
M10 水泥砂浆配合比:水泥砂浆配合比:
要求设计用于砌筑毛石挡土墙的水泥砂浆, 设计强度为 M10, 稠度 30~50mm。
原材料的主要参数,水泥:32.5 级水泥;中砂,堆积密度为 1221kg/m3;施工水平:一般。
(1)根据《砌筑砂浆配合比设计规程》(JGJ98—2000)选取水泥用量 240kg/m3
(2)砂子用量 QS QS=1221kg/m3
根据《砌筑砂浆配合比设计规程》(JGJ98-2000)选取用水量为 290kg/m3 砂浆各材料的用量比例:
水泥∶砂=240∶1221=1∶5。
09。
欢迎共阅M7.5砂浆配合比设计一、设计依据:1.《硅酸盐水泥、普通硅酸盐水泥》GB175-2007。
2.《建筑用砂》GB/T 14684-2011。
3.《公路桥涵施工技术规范》JTG/T F50-2011。
4.《砌筑砂浆配合比设计规程》JGJ /T 98-2010。
5.《混凝土拌合用水标准》JGJ63-2006。
6.《建筑砂浆基本性能试验方法标准》JTJ/T 70-2009。
7.《平山至赞皇高速公路两阶段施工图设计》二、设计要求:1、设计强度:7.5Mpa2、稠度:30-50mm3、拟用部位:隧道截水天沟、防护工程及桥梁附属结构三、原材料组成:1、水泥:河北金隅鼎鑫水泥有限公司第一分公司 P.0 42.52、砂:灵寿县平邦建材有限公司,细度模数:2.75,堆积密度为:1.592g/cm33、水:饮用水四、设计步骤:(一)计算初步配合比:1、确定砂浆的试配强度f m,of m,o= kf2 式中k—系数、f2—砂浆强度等级值,按JGJ/T 98-2010查表5.1.1 σ取 1.88Mpa, k取1.20。
f m,o= kf2 =1.20×7.5=9.0Mpa2、计算水泥用量(Q c)水泥富裕系数γc取1.0 ,a,β砂浆的特征系数,a取3.03 、β取-15.09。
Q c =1000·(f m,o-β)/(α·f ce )=1000·(9.0+15.09)/(3.03×1.0×42.5)=187 Kg/m3,计算水泥用量不满足设计规程要求,依据JGJ/T 98-2010砌筑砂浆配合比设计规程选用水泥用量260 Kg/ m3。
3、确定单位用水量:根据砂浆稠度等要求初步选定每立方米的用水量Q w为280 Kg/m3。
4、计算细集料的单位用量(Q s)(采用重量法):根据细集料堆积密度选定细集料质量为:1592Kg/m3五、确定基准配合1、对计算的配合比进行试拌,确定砂浆强度试验用基准配合比即:Q c: Q s: Q w =260:1592 :2802、根据基准配合比,水泥用量分别增加10%.在满足砂浆拌和物性能要求下。
砂浆配合比设计说明书强度等级: M7.5水泥砂浆编制:审核:日期:检验单位:***监理单位:***M7.5水泥砂浆配合比设计说明书一、设计依据1、JGJ∕T 98-2010 《砌筑砂浆配合比设计规程》2、JGJ/T70-2009《建筑砂浆基本性能试验方法标准》3、JTG/T F50—2011《公路桥涵施工技术规范》4、施工图设计二、工程要求1、强度等级:M7.5;2、稠度要求:50~70mm3、保水率(%):≥804、拌和方法:机械;捣实方法:人工插捣。
三、使用部位:涵洞铺砌、浆砌、护坡、踏步、基础、防护工程、排水沟、隔水墙、抹面、锥坡、护脚、护肩。
四、材料要求:1、水泥:采用台泥(英德)水泥有限公司生产的P·O 42.5 水泥,报告编号:**;2、砂:西江,Ⅱ区中砂,报告编号:***;3、水:采用自来水,报告编号:***;五、配合比的设计与计算:1、计算试配强度:f m,0=kf2=1.20×7.5=9.0(MPa)式中:f m,0——砂浆的试配强度(MPa);f2——砂浆设计强度等级值(MPa);k——系数,取1.20。
2、计算水泥用量:Qc=1000×(ƒm,0–β) /(α׃ce)= 1000×(9.0+15.09) /(3.03×42.5)=187 kg/m3根据查JGJ/T98-2010砌筑砂浆配合比设计规程表5.1.2-1中规定M7.5水泥用量不得低于230kg/m3适当调整,初步确定水泥用量为270 kg/m3式中:Qc——每立方米砂浆的水泥用量(kg);ƒce——水泥实测强度(MPa),此处取42.5MPa;α、β——为砂浆的特征系数,其中α取3.03,β取-15.09。
3、每立方米砂浆砂子用量:采用砂的堆积密度1540kg/m34、选用每立方米砂浆用水量:根据现场施工需要,查JGJ/T98-2010砌筑砂浆配合比设计规程表5.1.2-1砂浆用水量取275 kg/m3六、经初步计算和调整水泥用量后的每方材料用量:3)六、计算试10L水泥砂浆的材料用量:七、水泥砂浆力学性能试验:八、配合比的选定在满足设计和施工要求的条件下,本着经济节约、优选的原则,选用编号为3的配合比为M7.5砂浆配合比。
M7.5砂浆配合比设计书一、设计依据:1、设计图纸2、招标文件3、JTG/T 98-2010《砌筑砂浆配合比设计规程》4、JTG E30-2005《公路工程水泥及水泥混凝土试验规程》5、JTG/T F50-2011《公路桥涵施工技术规范》6、JTG E42-2005《公路工程集料试验规程》二、设计说明:1、设计强度等级:M7.5。
2、设计施工稠度:50~70mm。
3、水泥:海螺水泥P.O 32.5。
细集料:选用策底坡石料厂0~4.75mm砂。
拌合水:饮用水。
4、材料主要技术指标及试验结论(1:水泥)(2:细集料)三、砂浆初步配合比设计1、计算配制强度砂浆设计强度:0,m f =7.5MPa砂浆配制强度:(k 值取施工水平一般1.20)0,m f =2kf 7.5×1.20=9MPa 2、水泥用量计算:γc----水泥强度等级值的富余系数,取1.0)0(1000Q c β-=,fm /(αfce ⨯)=1000×[9.0-(-15.09)]/(3.03×32.5)=245kg α,β—砂浆的特征系数,其中α取3.03,β取-15.09 3、计算水用量:依据JTG/T 98-2010《砌筑砂浆配合比设计规程》表5.1.2及试拌情况取用水量230kg 4、计算砂用量依据JTG/T 98-2010《砌筑砂浆配合比设计规程》表4.0.2 取值为≧1900kg砂用量=1900-245-230=1425kg5、计算配合比:配合比:水泥:砂:水 :=245:1425:230比例为:1:5.82:0.941、根据砂浆配合比选定要求,以基准配合比为基础,另选配两个调整配合比,其用水量与基准配合比相同,胶凝材料较基准配合比分别增加或减少10%,计算配合比材料用:2、根据各选定配合比混凝土拌合物工作性能及抗压强度值,假定容重与实测容重之差少于2%,结合工地施工实际情况,拟选用申报配合比: 配合比:水泥:砂:水 :=245:1425:230比例为:1:5.82:0.94。
M7.5砂浆配合比设计说明一、设计说明;我 XXX合同,因工程施工需要,设计水泥砂浆配合比,设计砂浆标号为M7.5。
二、设计依据;1、《公路工程水泥及水泥混凝土试验规程》JTG E30-20052、《公路工程集料试验规程》JTJ E42-20053、《通用硅酸盐水泥》GB 175-20074、《砌筑砂浆配合比设计规程》JGT98-20105、《建筑用砂》GB/T14684-20116、《XXX》施工图纸设计三、设计要求;1、细集料采用级配良好的中砂;2、设计强度:M7.5(Mpa);3、设计稠度:50-70(mm);四、材料要求;1、水泥:P·S·A 32.5(邯郸金隅太行水泥厂);2、细集料:中砂 (邢台白马河沙场);3、水:饮用水;五、配合比设计过程;1、计算砂浆试配强度:ƒm,0=ƒ2×k=7.5×1.2=9.0MPa2、水泥用量的计算:每立方米砂浆中水泥用量Qc=1000(ƒm,o-β)/(ᕃce)=1000×(9.0+15.09)/(3.03×32.5)=245kg根据经验,经我部试验室调整取每立方米砂浆中水泥用量为285kg。
每立方米河砂的密度为1500kg/m3。
每立方米砂浆中水用量取290kg。
水泥:中砂:水=285:1500:290做为基准配合比3、按基准配合比增加水泥10%,调整后比例:水泥:中砂:水=314:1500:3004、按基准配合比减少水泥10%,调整后比例:水泥:中砂:水=256:1500:280六、配合比试拌:1、每立方米砂浆材料理论用量,基准配合比:水泥:中砂:水=285:1500:290=1:5.26:1.02试拌5kg水泥,水泥:中砂:水=5:26.30:5.12、按基准配合比增加水泥10%,调整后比例:水泥:中砂:水=314:1500:300=1:4.78:0.96试拌5kg水泥,水泥:中砂:水=5:23.9:4.803、按基准配合比减少水泥10%,调整后比例:水泥:中砂:水=256:1500:280=1:5.86:1.09试拌5kg水泥,水泥:中砂:水=5:29.3:5.45经检验,从耐久性、强度和经济性综合考虑选定水泥:中砂:水=285:1500:290=1:5.26:1.02为理论配合比。
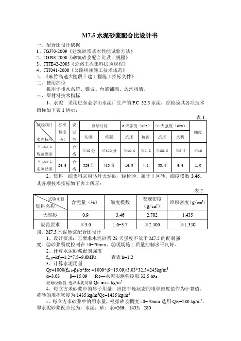
M7.5水泥砂浆配合比设计书一、配合比设计依据1、JGJ70-2009《建筑砂浆基本性能试验方法》2、JGJ98-2000《砌筑砂浆配合比设计规程》3、JTJE42-2005《公路工程集料试验规程》4、JTJ041-2000《公路桥涵施工技术规范》5、《麻竹高速大随段土建工程施工招标文件》二、使用部位拟用于排水系统、锥坡、台前铺砌、边沟挡墙。
三、原材料技术指标1、水泥采用巴东金字山水泥厂生产的P.C 32.5水泥,经检验其各项技术指标如下表1所示:2、集料细集料采用马坪天然砂,经检验,属于Ⅰ区砂,细度模数3.46。
其各项技术指标如下表2所示:1、设计要求:①要求水泥砂浆28天强度不低于M7.5的配制强度。
②砂浆稠度控制在50~70mm。
③现场施工质量控制水平良好。
2、计算水泥砂浆配制强度f m,0=kf2=1.2*7.5=9.0MPa 查表k=1.23、计算水泥用量Qc=1000(f m,0-β)/α*fce =1000*(9+15.09)/3.03*32.5=245kg/m3α=3.03 β=-15.09 fce—水泥实测强度取32.5 MPa根据经验值,选取水泥用量Qc =266 kg/m34、每立方米砂浆中的砂子用量,应按干燥状态的堆积密度值作为计算值。
黄砂的堆积密度为1435 kg/m3Qc=1435 kg/m35、每立方米砂浆中的用水量,根据砂浆稠度50~70mm选用Qw=280 kg/m3。
即水泥砂浆配合比为:水泥:砂:水=266:1435:280五、砂浆试配根据计算水泥砂浆配合比试配其稠度为55mm,满足设计要求。
将水泥用量按砂浆配合比为:水泥:砂:水=266:1435:280六、水泥砂浆配合比确定M7.5水泥砂浆配合比试验室配合比为:水泥:砂:水=266:1435:280现场施工根据砂的含水率和砂浆稠度调整用水量控制施工配合比。
精心整理精心整理M7.5砂浆配合比设计书一、设计依据:1、设计图纸2、招标文件3、JTG/T98-2010《砌筑砂浆配合比设计规程》4、JTGE30-2005《公路工程水泥及水泥混凝土试验规程》5、JTG/TF50-2011《公路桥涵施工技术规范》6、JTGE42-2005《公路工程集料试验规程》二、设计说明:1、设计强度等级:M7.5。
2、设计施工稠度:50~70mm 。
3、水泥:海螺水泥P.O32.5。
细集料:选用策底坡石料厂0~4.75mm 砂。
拌合水:饮用水。
4、材料主要技术指标及试验结论(1:水泥)材料名称规格主要试验检测项目备注细度80μm筛余标准稠度凝结时间安定性 抗压强度MPa 抗折强度MPa 水泥 P.O32.5初凝终凝试饼法雷式夹法 3d 强度28d 强度3d 强度28d 强度后附检测报告规定值 ≤10% /≥45min ≤600min 无弯曲无裂缝<5≥17 ≥42.5 ≥3.5 ≥6.5实测测3.3 142.5g140 170 合格 1.0 23.6 42.2 4.8 8.1(2:细集料) 材料名称 规格 主要试验检测项目备注细集料0-4.75mm 细度模数 表观密度 堆积密度 空隙率含泥量压碎值后附检测报告规定值 2.3-3.0 >2500kg/m3 >1350kg/m3<47% <3.0% <30% 实测测2.762521 149240.82.726.6三、砂浆初步配合比设计精心整理精心整理1、计算配制强度砂浆设计强度:0,m f =7.5MPa砂浆配制强度:(k 值取施工水平一般1.20)0,m f =2kf 7.5×1.20=9MPa2、水泥用量计算:γc----水泥强度等级值的富余系数,取1.0)0(1000Q c β-=,fm /(αfce ⨯)=1000×[9.0-(-15.09)]/(3.03×32.5)=245kgα,β—砂浆的特征系数,其中α取3.03,β取-15.09 3、计算水用量: 4、计算砂用量依据JTG/T98-2010《砌筑砂浆配合比设计规程》表4.0.2取值为≧1900kg砂用量=1900-245-230=1425kg5、计算配合比:配合比:水泥:砂:水:=245:1425:230比例为:1:5.82:0.941、根据砂浆配合比选定要求,以基准配合比为基础,另选配两个调整配合比,其用水量与基准配合比相同,胶凝材料较基准配合比分别增加或减少10%,计算配合比材料用:序号水泥(kg ) 砂(kg )水(kg )假定容重(kg/m3) 7d 强度 28d 强度配合比 C :S :W基准 245 1425 230 1900 10.9 17.8 1:5.82:0.94 参照1270 1400 230 1900 13.1 20.6 1:5.19:0.85 参照2221144923019007.313.21:6.56:1.042、根据各选定配合比混凝土拌合物工作性能及抗压强度值,假定容重与实测容重之差少于2%,结合工地施工实际情况,拟选用申报配合比: 配合比:水泥:砂:水:=245:1425:230比例为:1:5.82:0.94。
M7.5水泥砂浆配合比设计说明一、配合比设计依据:1.《xx工程施工图设计文件》;2.《砌筑砂浆配合比设计规程》(JGJ/T 98―2010);3.《建筑砂浆基本性能试验方法》(JGJ/T 70-2009);4.《公路工程集料试验规程》(JTG E42-2005);5.《公路工程水泥及水泥混凝土试验规程》(JTG E30-2005);6.《公路桥涵施工技术规范》(JTG/T F50-2011)。
二、设计要求:1、设计砂浆强度等级:7.5Mpa;2、设计砂浆稠度要求:30~50mm;三、拟使用工程项目和部位:用于路基防护工程、桥台护坡、附属工程。
四、原材料技术要求:1、水泥厂家:xx水泥有限责任公司;品种标号:P·F32.5级;2、砂厂家:xx砂厂;3、水:生活用水。
五、配合比设计过程:1.计算砂浆试配强度f m,0f m,0=kf2=1.20×7.5=9(Mpa)式中:f m,0—砂浆的试配强度(Mpa);f2—砂浆强度等级值(Mpa);k—系数,按《砌筑砂浆配合比设计规程》(JGJ/T98-2010)表5.1.1,取k=1.20。
2.每立方米砂浆中水泥用量按《砌筑砂浆配合比设计规程》(JGJ/T98-2010)表5.1.2-1及公式5.1.1-3:Qc=1000(f m,0-β)/α*fce=1000*(9+15.09)/3.03*32.5=245kg/m3α=3.03 β=-15.09 fce—水泥实测强度取32.5 MPa 取Q c=245kg/m3。
3、每立方米砂浆中砂用量按《砌筑砂浆配合比设计规程》(JGJ/T98-2010)表5.1.2-1,取砂的堆积密度值作为每立方米水泥砂浆砂的用量Q s=1515 kg/m3。
4、每立方米砂浆中水用量按《砌筑砂浆配合比设计规程》(JGJ/T98-2010)表5.1.2-1,并根据稠度要求,取Q w=240 kg/m3。
8、确定初步试验配合比:水泥:砂:水=245:1515:240(kg/m3)=1:6.18:0.98六、试拌1、试拌10L,稠度为40mm,和易性良好。
M7.5水泥砂浆配合比设计书一、工程名称:路基工程二、使用部位:浆砌片石、护肩、边沟、截水沟、急流槽等三、设计强度等级:M7.5四、设计砂浆稠度:30-50㎜五、设计砂浆分层度:≯30㎜六、设计要素1.设计依据依据设计文件要求及JGJ/T 98-2010砌筑砂浆配合比设计规程。
2.所用原材料的产地与规格:(1)水泥:P.C 32.5(2)细集料:中砂(4)水:当地饮用水七、配合比计算过程1.计算试配强度:f m.o=k f2=1.5*7.5=11.3MPa (k值根据JGJ/T 98-2010规程表5.1.1施工水平差查得)2.计算单位水泥用量Q c=1000(f m.o-β)/α·f ce=1000*(11.3 +15.09)/3.03·32.5=268kg/m3α、β——砂浆的特征系数,其中α=3.03, β=-15.09f ce=у·f ce,k =1.0·32.5=32.5 MPa, у=1.0为强度等级值的富余系数,无统计资料时的取值3.每立方米砂浆中的砂子用量,按其干燥状态的堆积密度值作为计算值,取1532 kg/m34.选取用水量,根据JGJ/T 98-2010规程,选取用水量为250 kg/m35.由以上,确定初步计算配合比基准配合比水泥:河砂:水=268:1532:270………….①水泥用量加10% 水泥:河砂:水=295:1532:270………….②水泥用量减10% 水泥:河砂:水=241:1532:270………….③八.试拌调整、确定试验室理论配合比1.按基准配合比拌和砂浆10L时,称取各种材料用量如下:经拌和砂浆稠度为40㎜,分层度为12㎜,符合设计要求。
2.按水泥用量加10%拌和砂浆10L时,称取各种材料用量如下:经拌和砂浆稠度为50㎜,分层度为11㎜,符合设计要求。
3.按水泥用量减10%拌和砂浆10L时,称取各种材料用量如下:经拌和砂浆稠度为45㎜,分层度为14㎜,符合设计要求。