m10水泥砂浆配合比设计总说明书
- 格式:doc
- 大小:44.50 KB
- 文档页数:3
M10砂浆配合比设计计算书一、设计依据1、《砌筑砂浆配合比设计规程》(JGJ98-2000)二、设计要求1、强度等级:M102、砂浆稠度:30-50mm3、砂浆分层度:10-30mm三、使用部位挡墙、护坡、水沟四、原材料1、1、水泥:冀东海德堡(泾阳)水泥有限公司盾石牌P.O42.5级水泥,密度ρc=3090Kg/m3,其技术指标经试验结果为表1。
水泥技术指标表12、细集料:山西省临县克虎镇大桥沟砂场,其技术指标经试验结果见表2砂技术指标表23、水:当地的饮用水, 密度ρw =1000Kg/m3五、配制强度计算1、f m,o=f2+0.645σ根据《砌筑砂浆配合比设计规程》(JGJ98-2000)、选取σ=2.50,由此可得:f m,o=f2+0.645σ=10+0.645×2.50=11.6Mpa;2、计算单位水泥用量Q c=1000(f m,o-β)/(α×f ce)其中α=3.03,β=-15.09f ce=γ×f ce,k=1.0×42.5=42.5Mpa;由此可得:Q c=207kg;根据《砌筑砂浆配合比设计规程》(JGJ98-2000)、施工工艺和以往经验,单位水泥用量确定为300kg;M co=300kg;3、计算单位砂用量根据《砌筑砂浆配合比设计规程》(JGJ98-2000)中的要求,每立方米砂浆中的砂用量,宜用干燥状态的堆积密度作为计算值,结合经验取M so=1450kg;4、确定单位用水量根据《砌筑砂浆配合比设计规程》(JGJ98-2000),且砂浆设计稠度为30-50mm。
因此,单位用水量M wo选定为230kg;则:M wo=230kg;5、确定初步配合比由以上计算可得出砂浆的初步配合比为:C : S : W=300:1450:230=1:4.83:0.77六、试拌1、根据计算出的初步配合比C : S : W=300:1450:230进行试拌,得出砂浆稠度为45mm;分层度为25mm,砂浆稠度符合设计满足施工要求。
M10水泥砂浆配合比设计说明一、设计资料及依据:1、设计强度:ƒ2=10MPa2、设计用途:砌石工程。
3、设计砂浆稠度:H=50-70mm,分层度<30mm。
4、《施工图设计》、《公路工程集料试验规程》、《砌筑砂浆配合比设计规程》等。
二、原材料:1、水泥:安丘担山产“恒日”牌P.C32.5级水泥。
2、砂:安丘汶河中砂。
3、水:采用洁净的饮用水。
三、配合比设计1、确定砂浆的试配强度ƒm,o查表取:强度标准差σ为2.50Mpa,试配强度ƒm,o= ƒ2 +0.645σ=10+0.645×2.50=11.6Mpa。
2、确定砂浆用水量、水泥用量及砂子用量根据《砌筑砂浆配合比设计规程》表5.2.1及现场施工经验选取:Q W=300kg,Q C=380kg,Q S=14503、确定配合比:水泥:砂子:水W/C=0.79 380 :1450 :3001 :3.82 :0.79将水泥用量上下各调10%,并制作试件两组测其强度。
根据2、3计算步骤,得出配合比为:水泥:砂子:水W/C=0.88 342 :1450 :3001 :4.24 :0.88水泥:砂子:水W/C= 0.72 418 :1450 :3001 : 3.47 :0.724、根据上述三组配合比进行试拌,测得稠度均在设计稠度范围内,分层度满足要求且和易性好,用7.07*7.07*7.07的标准试模进行制件,测其28天抗压强度,最终确定配合比。
5、从强度结果看,试验室建议采用水灰比为0.79这组配合比进行现场施工,即:水泥:砂子:水380 :1450 :300质量比: 1 :3.82 :0.79。
M10砌筑砂浆配合比设计一、 试配强度,0210*1.2512.5m f kf Mpa ===(系数取值表5.1.1)二、 设计依据(一)使用部位皖赣四电房屋墙体砌筑(二)砌筑砂浆配合比设计技术条件项目 表观密度(kg/m 3)稠度(mm )保水率(%)材料用量(kg/m 3) 砌筑砂浆≥190050-70≥80≥200设计稠度50~70mm ,采用机械拌合。
(三)设计依据标准 1.设计图纸2.《建筑砂浆基本性能试验方法》JGJ/T70-20093.《砌筑砂浆配合比设计规程》TGJ/T98-20104.《铁路混凝土与砌体工程施工质量验收标准》TB10424-2003 三、 原材料1.水泥:白马山水泥P.C32.5 2.细骨料:宣城堆积密度为1530kg/m 33.水:饮用水四、 砂浆配合比的确定与要求1. 砂浆的试配强度计算:,02m f f κ==12.5(MPa) ,0m f —砂浆的试配强度(MPa)κ—系数κ=1.25强度等级 施工水平 强度标准差a(MPa) KM5 M7.5 M10 M15 M20 M25 优良 1.00 1.5 2.00 3.00 4.5 6.00 1.15 一般1.251.882.53.75 7.57.501.202. 水泥用量的计算,*ce c ce k f f γ==32.5(MPa )ce f —水泥强度等级值(MPa )c γ—水泥强度等级的富余系数,取c γ=1.0,01000()/(*)c m ce Q f f βα=-=280c Q —每立方米砂浆中的水泥用量(Kg ) ce f —水泥的实测强度(MPa )α、β—砂浆的特征系数,α=3.03,β=-15.09.根据经验,取每方水泥用量为280kg ,用水量取310kg 。
3.砂干燥状态堆积密度为1530kg/m 3。
五、 砌筑砂浆配合比试配、调整1. 根据砂浆配合比各种材料用量确定砌筑砂浆理论表观密度为ρ=2120kg/m 3得基准配合比:试配拌制9L ,各材料用量如下:原材料kg/m 3水泥 砂 水280 1530 310kg/9L2.8813.722.52水泥用量为280kg/m 3时,稠度65mm ,保水率为>80%,实测表观密度为32120/kg m ρ=,粘聚性良好,保水性良好,工作性满足施工要求。
M10水泥砂浆配合比设计说明一、设计说明M10水泥砂浆用于勾缝抹面,稠度50~70mm二、设计依据1.《砌筑砂浆配合比设计规程》JGJ98-20102.《建筑砂浆基本性能试验方法标准》JGJ/T70-20093.《公路工程水泥及水泥混凝土试验规程》JTG E30-20054.《公路工程集料试验规程》JTG E42-20055.《公路桥涵施工技术规范》JTG/T F50-20116.《国道G320线保山境内段蒲缥至潞江坝公路改建工程第二合同两阶段施工图》三、原材料1.水泥:保山昆钢嘉华水泥建材有限公司 P.C32.5R2.砂:大白河石料场机制砂3.拌合水:饮用水四、计算步骤1.砂浆试配强度计算ƒm,0=κƒ2表1 砂浆强度标准差及σ及κ值ƒm,0=κƒ2=1.25×10=12.5MPa2.水泥用量计算QC=1000(ƒm,0-β)/( α·ƒce)=1000×(12.5+15.09)/(3.03×32.5)=280㎏根据经验适当调整,初步确定水泥用量为340Kg。
式中ƒce-水泥实测强度(MPa),精确至0.1Mpa;此处取32.5MPaα、β-为砂浆的特征系数,其中α取3.03,β取-15.093.每立方米砂浆中的砂用量,按干燥状态(含水率小于0.5%),的堆积密度作为计算值;砂的实测自然堆积密度值1605kg/m3。
4.每立方米砂浆中的水用量,可根据砂浆稠度等要求选用270~330kg;此处根据砂浆细度模数及石粉含量取317kg。
五、经初步计算和调整水泥用量后的每方材料用量表2 M10砌筑水泥砂浆材料用量(kg/m3)六、计算试6L水泥砂浆的材料用量表3 6L水泥砂浆拌合物的材料用量七、经试配后水泥砂浆拌合物性能表4 试配砂浆的基本性能注:表观密度精确到10Kg/ m3。
八、水泥砂浆力学性能试验表5 砂浆的抗压强度(MPa)七、通过试验确定基准配合比为水泥270kg,砂1605kg,水270kg。
M10砂浆配合比设计书一、设计要素1、设计依据(1)《铁路混凝土工程施工质量验收标准》TB10424-2010;(2)《建筑砂浆基本性能试验方法》JGJ70-2009;(3)xxxxxxxxxxxxxxxxxxxxxxxxxxxxxxxxx。
2、设计技术指标及要求(1)设计强度等级M10;(2)设计稠度要求70~90mm;3、配合比使用的材料(1)水泥:P·O42.5水泥;(2)砂:xxxxxⅡ区中砂;(3)水:地下水;4、拟用工程部位附属工程。
二、配合比设计过程1、确定基准配合比(1)、计算试配强度f m,0=f2+0.645σ=10.0+0.645×3=11.9MPa(2)、计算水灰比(水胶比)W/C=0.71fce/(f m,0+0.71×0.91fce)= (0.71×42.5)/(11.9+0.71×0.91×42.5)=0.77,根据设计图纸要求砂浆配合比设计要求,水胶比取W/C=0.77。
(3)、确定单位用水量根据稠度要求,选取砂浆混凝土单位用水量Mw=220kg。
(4)、砂浆的水泥用量M C=M W/(W/C)=220/0.77=286kg/m3。
(5)、砂浆的砂用量,采用重量法确定(假设容重为:2100 kg/m3)M S=M mp-M W-M C=2100-286-220=1594kg/m3。
(6)、试拌调整试拌10L混合料测定砂浆的工作性能,各种材料(砂为干燥状态)用量见表1。
表1试拌材料用量表表2 拌合物性能实测结果汇总表通过试拌可确定基准配合比如下:水泥:砂:水=286:1594:2202、参照配合比按前述方法得出的基准配合比,水胶比减少0.05。
(1)、1#参照配合比1#参照配合比试拌材料用量及拌合物性能分别见表3和表4。
水泥:砂:水=306:1574:220表3试拌材料用量表表4 拌合物性能实测结果汇总表(2)、2#参照配合比1、按前述方法得出的基准配合比,水胶比增加0.05。
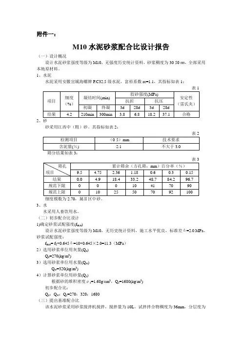
附件一:M10水泥砂浆配合比设计报告(一)设计概况设计水泥砂浆强度等级为M10,无强度历史统计资料,砂浆稠度为30-50㎜,全部采用本地原材料。
1、水泥水泥采用安徽宣城海螺牌P.C32.5级水泥,富裕系数rc=1.1,其指标如表1:2、砂砂采用江西中(粗)砂。
其指标如表2:筛分结果如表3:表33、水水采用人畜饮用水。
(二)初步配合比设计1)确定砂浆试配强度(f m,o)设计水泥砂浆强度等级为M10,无历史统计资料,施工水平优良,标准差δ=2.0 MPa。
砂浆试配强度:f m,o= f2+0.645δ=10+0.645×2.0=11.3(MPa)2)选用砂浆单位用灰量(Q c)Q c=270(kg/m3)3)选用砂浆单位用水量(Q w)Q w=320(kg/m3)4)计算砂浆单位用砂量(Q s)根据砂的堆积密度ρs=1.68g/cm3,Q s=1680(kg/m3)初步配合比:Q c:Q w:Q s=270:320:1680(三)提出基准配合比该水泥砂浆采用砂浆搅拌机搅拌,搅拌量为10L。
试拌拌合物稠度为36mm,分层度为12mm 。
基准配合比为:Q c :Q w :Q s =270:320:1680 (四)确定试验室配合比在基准配合比的基础上,再分别增加和减少10%水泥用量,通过试拌、调整、确定三种不同配合比,并以此三种配合比拌制砂浆进行抗压强度试验,结果如表4:表4绘制水泥用量—抗压强度关系图如下:M10水泥沙浆水泥用量—抗压强度关系图9101112220240260280300320水泥用量(kg/m 3)抗压强度(M P a )从图中求得试配强度对应水泥用量为288kg 。
确定每立方米用水量为Q w =325kg ,用砂量为Q s =1680kg 。
试验室配合比为:Q c :Q w :Q s =288:325:1680。
M10砂浆配合比设计说明一、设计说明M40压降配合比主要用于预应力锚索压浆,稠度选用14~18s 二、设计依据:JTJ041—2000《公路桥涵施工技术规范》;JGJ/T 70—2009《公路工程水泥及水泥混凝土试验规程》;GB/T1346-2001《水泥标准稠度用水量、凝结时间、安定性检验方法》;GB175-2001《硅酸盐水泥》。
三、原材料:水泥:义煤集团水泥有限公司拌合水:拌合水为饮用水外加剂:山东华伟NOF-2C缓凝高效减水剂原材料均检验合格,详见附后试验报告。
四、设计步骤:1、确定适配强度RpRp= R+1.645σ=40+1.645×2.5=44.1(MPa)②计算水泥用量: Qc= 1000(f m.0-β)/(α×f ce)砂浆特征系数α=3.03,β=-15.09,无统计资料,水泥富余系数取1;=1000[11.9-(-15.09)]/3.03×(32.5×1)=274水泥用量满足规范要求。
③砂用量:堆积密度为1738 kg/m3;④用水量:根据所需砂浆稠度,选取用水量280kg⑤确认基准配合比编号为S2-A水泥:砂:水=274:1738:280实测拌和物性能良好,稠度65mm可以满足施工需求。
该配合比可不做调整。
b、调整配合比(S2-B)水泥用量增加10%,则水泥:砂:水=298:1650:280c、调整配合比(S2-C)水泥用量减少10%,则水泥:砂:水=244:1650:280d、试拌校正(均按36L试拌)确定理论配合比:确定设计编号为005—A的配合比为C15混凝土的理论配合比,则:水泥:砂:碎石:水231 : 893 : 1091 :1851 :3.87 : 4.72 :0.80水灰比W/C=0.80,砂率βs0=43%;。
M10水泥砂浆配合比设计说明一、配合比设计依据:1.《xxx路面工程施工招标文件》;2.《xxx路面工程施工设计文件》;3.《砌筑砂浆配合比设计规程》(JGJ/T98―2010);4.《建筑砂浆基本性能试验方法》(JGJ70-2009);5.《公路工程集料试验规程》(JTJE42-2005);6.《公路工程水泥及水泥混凝土试验规程》(JTG E30-2005);7.《公路桥涵施工技术规范》(JTJ041-2000)。
二、设计要求:1、设计砂浆强度等级:10.0Mpa;2、设计砂浆稠度要求:30~50mm。
三、拟使用工程项目和部位:用于中央分隔带。
四、原材料技术要求:1、水泥厂家:xx水泥制造有限公司,品种标号:P·F32.5级;2、砂产地:xxx河沙销售有限公司;3、水:生活用水。
五、配合比设计过程:1.计算砂浆试配强度f m,0f m,0=kf2=1.20×10=12(Mpa)式中:f m,0—砂浆的试配强度(Mpa);f2—砂浆强度等级值(Mpa);k—系数,按《砌筑砂浆配合比设计规程》(JGJ/T98-2010)表5.1.1,取k=1.20。
2.每立方米砂浆中水泥用量按《砌筑砂浆配合比设计规程》(JGJ/T98-2010)表5.1.2-1及公式5.1.1-3:Q c=1000(f m,0-β)/α*fce=1000*(12+15.09)/(3.03*32.5)=275kg/m3α=3.03 β=-15.09 fce—水泥实测强度取32.5 MPa取Q c=275kg/m3。
3、每立方米砂浆中砂用量按《砌筑砂浆配合比设计规程》(JGJ/T98-2010)表5.1.2-1,取砂的堆积密度值作为每立方米水泥砂浆砂的用量Q s=1515 kg/m3。
4、每立方米砂浆中水用量按《砌筑砂浆配合比设计规程》(JGJ/T98-2010)表5.1.2-1,并根据稠度要求,取Q w=250 kg/m3。
M10水泥砂浆配合比设计一.设计依据:1、招标文件2、设计图纸及技术要求3、《砌筑砂浆配合比设计规程》 JGJT 98—20104、《公路桥涵施工技术规范》JTG/T F50-2011 二.原材料1、河砂:Ⅱ类,中砂(**砂场)2、水泥:***水泥有限公司(P.O42.5R);3、水:拌合站井水三.设计步骤1 配合比试配强度fm,o=Kf2式中f2=10MPa现场施工水平一般,(查表5.1.1)取K=1.20 MPafm,o =10*1.20=12.0 MPa2 水泥的用量根据表5.1.2-1及以往经验水泥用量采用319 kg/m33 河砂的堆积密度为Qs=1506 kg/m3则砂子用量 Qs=1506 kg/m34选择用水量,查表5.1.2-1及以往经验取用水量Qw=307 kg/m3通过试拌,稠度偏大,保水率满足规范要求,调整用水量后,满足要求,此时各材料的用量比例为:水泥:砂:水=319:1506:302四.试配、调整砂浆配合比1 基准配合比为:2#组:水泥:砂:水=319:1506:302=1:4.72:0.952 水泥减少10%时,各材料用量比例:3#组:水泥:砂:水=287:1506:302=1:5.25:1.053 水泥增加10%时,各材料用量比例:1#组:水泥:砂:水=351:1506:302=1:4.29:0.86各组配合比拌制砂浆拌和物,在标准条件养护28d后,测其抗压强度如下:根据28天试验结果,试验室推荐采用M7.5水泥砂浆为2#配合比:水泥:砂:水=319:1506:302=1:4.72:0.95五、砂浆配合比校正因实测表观密度与理论表观密度之差的绝对值不超过理论值的2%,所以不需要进行校正。
选定配合比:水泥:砂:水=319:1506:302=1:4.72:0.95。
国道同哈公路方依界至方宾界段改扩建工程(K0+000—K20+000)M10水泥砂浆配合比报告金光道环境建设集团有限公司A1标段M10水泥砂浆配合比设计一、设计说明:砂浆强度等级为M10水泥砂浆,要求砂浆稠度为50~70mm;使用部位:涵洞工程浆砌片石。
二、原材料情况:1.水泥:采用呼兰虎鼎P.c32.5水泥;2.细集料:蚂蚁河中砂,细度模数M x=2.82,3.水:饮用水原材料的各项指标均满足规范要求,可进行配合比设计。
三、设计步骤1、计算初步配合比(1)确定砂浆试配强度(ƒm,o)ƒm,o=k ƒ2式中:ƒm,o—水泥砂浆试配强度:K—系数,取1.20ƒ2—砂浆强度等级值ƒm,o=k ƒ2=1.2×10=12(2)计算单位水泥用量(m co)m co =1000×( f cu,o-β)/ α×f c=1000×( 12.0+15.09)/ (3.03×32.5)=275式中:m co—单位水泥用量;f cu,o—水泥砂浆试配强度:f c—估计水泥强度;α,β—系数α=3.03,β=-15.09。
根据经验确定水泥用量300 kg/m3(3)确定砂用量m so为1480 kg/m3(4)每立方米砂浆中用水量m wo,预先试拌确定为260 kg/m3(5)计算砂浆初步配合比:m co:m so:m wo=300:1480:260=1:4.93:0.872.配合比试配、调整与确定:试拌,检验强度确定试验室配合比根据经验确定三组配合比,水泥用量增减10%,用水量随之变化,如下表所示,经拌和测定稠度、分层度均满足要求,制作标准试件成型后,在标准条件下养护28天,按规定方法测定其立方体抗压强度值如表:3.确定试验室配合比按强度试验结果确定B组为试验室配合比m co:m so:m wo=300:1480:260=1:4.93:0.87监理单位长春市公路工程监理咨询有限公司编号水泥砂浆配合比试验报告D—63水泥砂浆配合比试验试验监理单位长春市公路工程监理咨询有限公司编号水泥混凝土(砂浆)抗压强度试验D—13监理单位长春市公路工程监理咨询有限公司编号水泥混凝土(砂浆)抗压强度试验D—13监理单位长春市公路工程监理咨询有限公司编号水泥混凝土(砂浆)抗压强度试验D—13监理单位长春市公路工程监理咨询有限公司编号水泥试验报告D—11国道同哈公路方依界至方宾界段改扩建工程建设项目承包单位金光道环境建设集团有限公司合同号A1监理单位长春市公路工程监理咨询有限公司编号水泥物理力学性能试验D—12国道同哈公路方依界至方宾界段改扩建工程建设项目承包单位金光道环境建设集团有限公司合同号A1监理单位长春市公路工程监理咨询有限公司编号水泥混凝土细集料技术性能试验报告D—19水泥混凝土细集料技术性能试验报告监理单位长春市公路工程监理咨询有限公司编号水泥混凝土细集料技术性能试验(一)D—20监理单位长春市公路工程监理咨询有限公司编号水泥混凝土细集料技术性能试验(三)D—22水泥混凝土细集料技术性能试验抽检监理单位长春市公路工程监理咨询有限公司编号水泥砂浆配合比试验报告D—63水泥砂浆配合比试验试验监理单位长春市公路工程监理咨询有限公司编号水泥混凝土(砂浆)抗压强度试验D—13监理单位长春市公路工程监理咨询有限公司编号水泥混凝土(砂浆)抗压强度试验D—13监理单位长春市公路工程监理咨询有限公司编号水泥混凝土(砂浆)抗压强度试验D—13监理单位长春市公路工程监理咨询有限公司编号水泥试验报告D—11国道同哈公路方依界至方宾界段改扩建工程建设项目承包单位金光道环境建设集团有限公司合同号A1监理单位长春市公路工程监理咨询有限公司编号水泥物理力学性能试验D—12国道同哈公路方依界至方宾界段改扩建工程建设项目承包单位金光道环境建设集团有限公司合同号A1监理单位长春市公路工程监理咨询有限公司编号水泥混凝土细集料技术性能试验报告D—19水泥混凝土细集料技术性能试验报告监理单位长春市公路工程监理咨询有限公司编号水泥混凝土细集料技术性能试验(一)D—20监理单位长春市公路工程监理咨询有限公司编号水泥混凝土细集料技术性能试验(三)D—22水泥混凝土细集料技术性能试验。
M10砂浆配合比设计说明书
一、设计依据
JGJ98-2000
二、设计要求
砂浆强度等级:M10
使用部位:浆砌工程砌筑、勾缝、抹面
设计稠度:30-50 mm
三、所用原材料
1 、水泥:湖北华新堡垒牌P.O32.5水泥,经试验,各项技术指标符合规范要求。
2 、砂:狮形河中砂,经试验,各项技术指标符合规范要求。
3 、水:饮用水
四、配合比设计
1 、计算砂浆试配强度f m,o:
砂浆现场强度标准差б经查JGJ98-2000表5.1.3,б取值2.50MPa
f m,o= f2 +0.645σ=10+0.645×2.50=11.6MPa
2 、M10水泥砂浆配合比选用:
经试验,所用砂子堆积密度值为1370kg/m3,根据JGJ98-2000表5.2.1,M10水泥砂浆配合比每方用量(㎏/m3)选取为水泥:砂:水=477:1370:310 质量比为1:2.87:0.65
3 、试配调整:
试拌10L材料用量:水泥=477×0.010=4.77kg
砂=1370×0.010=13.7kg
水=310×0.010=3.10kg
经试拌,测得砂浆拌合物稠度为50mm,分层度为20mm均满足设计要求,又测砂浆拌合物密度为2180kg/m3,实测值与设计值之差的绝对值未超过设计值得2%,则不必进行校正。
4 、M10砂浆基准配合比即为:
1m3砂浆材料用量(kg/m3)水泥:砂:水=477:1370:310 质量比为1:2.87:0.65。
M10砂浆配合比设计说明书
一、设计要求
1.砂浆设计强度等级为M10
2.要求砂浆稠度30mm-50mm。
3.砂浆保水率≥80%。
二、设计依据
1.砌筑砂浆配合比设计规程JGJ/T 98-2010
2.建筑砂浆基本性能试验方法标准 JGJ/T 70-2009
3.公路工程集料试验规程JTG E42-2005
4. 公路工程水泥及水泥混土试验规程JTG E30-2005
5.泉州湾跨海大桥A5合同段项目经理部施工图纸
三、使用部位:防护工程等
四、选用材料
1.水泥:建福P.C3
2.5。
批号:, 报告编号:
2.砂:II区中砂,产地:漳州砂, 报告编号:S-12-144。
3.水:饮用自来水,报告编号:11501894
四、配合比计算书:
1、设计条件
配合比使用部位:防护工程等。
设计标号:M10
稠度:30mm ~50mm
砂浆保水率≥80%
2、确定试配强度:f m.o= k*f2=12.5Mpa
3
① (为保证质量取② 计算砂子用量:砂的干燥状态堆积密度为1500 kg/m 3
m so =1500 kg
③ 每立方砂浆用水量:查表取280kg
④ 每立方基准砂浆配合比材料用量:
Q c =330kg m w =280kg m so =1500 kg
以基准砂浆配合比水泥用量分别增加及减少10%试拌,见下表:。
M10砂浆配合比设计说明书
一、工程名称及拟用施工部位
桥涵工程锥体护坡、平台、石裙,路基工程路堑天沟、截水沟骨架、镶边、基础、边坡平台、踏步等项目用浆砌片石及砌体勾缝、抹面等;
二、配合比设计要求
1、强度等级:M10
2、拌合物工作性:稠度40-60mm,分层度<30mm:;
3、施工工艺:机拌,人工砌筑;
4、胶凝材料限值:胶凝材料用量限值为≥300kg/m3;
5、拌和物密度要求:≥1900kg/m3
7、力学性能:满足M10砂浆力学性能指标要求。
三、配合比设计依据
1、《砌筑砂浆配合比设计规程》(JGJ98-2000);
2、《建筑砂浆基本性能试验方法标准》(JGJ/T70-2009);
3、《铁路混凝土与砌体工程施工质量验收标准》(TB10424-2003);
四、配合比所用原材料选用情况
1、水泥:采用湖北黄石华新水泥股份有限公司生产的堡垒牌P·O42.5水泥,经检验,其各项指标均符合铁建设【2009】152号文中相关规定,试验结果详见附件水泥试验报告;
2、粉煤灰:采用阳逻电厂Ⅱ级粉煤灰,因本配合比设计强度等级较低,而水泥为42.5级,故掺量为50%,经检验,原材料各项指标均符合铁建设【2009】152号文中相关规定,试验结果详见粉煤灰试验报告;
3、细骨料:采用巴河河砂,细度模数2.8,经检验,其各项指标均符合铁建设【2009】152号文中相关规定,试验结果详见附件;
4、水:本项目部二号拌和站地下水水,经检验,其各项指标均符合铁建设【2009】152号文中相关规定,试验结果详见附表。
五、配合比试验
根据设计要求多次进行对比试验,确定下表中数据为M7.5砂浆配合比。
M10砌筑水泥砂浆配合比设计说明
一、设计说明
M10水泥砂浆用于砌体、勾缝、抹面,稠度70-90mm
二、设计依据
1. 《砌筑砂浆配合比设计规程》JGJ 98-2010
2. 《公路工程水泥及水泥混凝土试验规程》JTG E30-2005
3. 《公路工程集料试验规程》JTG E42-2005
5.二阶段施工设计图纸
三、原材料
1. 水泥:毕节赛德水泥有限公司P.O4
2.5
2. 砂:青场砂石厂机制砂
3. 拌合水:自来水
四、计算步骤
1.砂浆试配强度计算
K?
,0=
K?= 1.2*10 = 12.0 MPa
,0=
2 •水泥用量计算
QC= 1000(? m,0- ®/( a ?ce)
=210 Kg
根据经验适当调整,初步确定水泥用量为260Kg
式中?ce-水泥实测强度(MPa),精确至0.1 Mpa;此处取42.5 MPa
a、+为砂浆的特征系数,其中a取3.03,3取15.09
3•每立方米砂浆中的砂用量,按干燥状态,的堆积密度作为计算值;砂的实测自然堆积密度值1631kg/m3
4•每立方米砂浆中的水用量,根据砂浆稠度(70〜90mm)小于70mm;
取水用量260kg.
五、经初步计算和调整水泥用量后的每方材料用量
3
六、计算试5L水泥砂浆的材料用量
表3 5L水泥砂浆拌合物的材料用量
七、经试配后水泥砂浆拌合物性能
表4试配砂浆的基本性能
八、水泥砂浆力学性能试验
表5砂浆的抗压强度(MPa)
九、结果分析:
经检验,从耐久性、强度和经济性综合考虑选定:
水泥:砂:水=260:1631:260为设计配合比。
M10砌筑砂浆配合比设计一、设计要求:所配置混凝土R10天抗压强度不得低于11.6Mpa,稠度控制在30~50mm,洁净的中砂,采用机械搅拌.二、各项材料如下:1、水泥: 宁波海螺P.O42.5水泥,密度p0=3100kg/m3.2、黄砂: 采用福建福州砂.Mx=2.68,表观密度p s=2.649g/cm3.4、水: 采用现场河水。
三、计算试配强度:f m,o=f2+0.645σσ取2.5f m,o=10+0.645×2.5=11.6Mpa四、计算水泥用量::Qc=(1000×(f m,o-β))/(α×f c,e)=(1000×(11.6+15.09))/(3.03×42.5)=207(kg)Qc ——每立方米砂浆的水泥用量,精确至1kg;f m,o——砂浆的试配强度,精确至0.1Mpa;f c,e——水泥的实测强度,精确至0.1Mpa;α、β——水泥的特征系数,其中α=3.03,β=-15.09.五、砂子用量:每立方砂浆中的用水量,按堆积密度值作为计算值(kg)。
实际试验砂的堆积密度为:1438 kg/m3由计算得M10水泥砂浆材料用量为:Qc=260 kg, Qs=1438 kg六、水的用量:270七、根据试拌实测稠度为38 mm ,分层度为12mm砂浆工作性良好。
①基准配合比为:m co:m so:m wo=270:1438:270②+30kg水泥配合比为:m co:m so:m wo=300:1438:270实测稠度为30 mm,分层度为11mm 砂浆工作性良好③-30kg水泥配合比为:m co:m so:m wo=240:1438:270实测稠度为40 mm,分层度为13mm,砂浆工作性良好4、检验强度及确定试验室配合比5、确定试验室配合比经综合比较,我部认为试配1配合比符合设计要求,确定选用。
试配1配合比为:m co:m so:m wo=270:1438:270杭州市交通工程集团有限公司象山港大桥及接线工程第三合同段项目部试验室年月日。
M10砂浆配合比设计报告
该配比为M10砂浆配合比,主要用于本工程锥坡砌石、涵洞底铺砌等工程,原材料试验及配合比设计过程均符合有关试验操作规程及技术规范要求。
一、设计要求:
水泥砂浆设计强度:M10 设计稠度:50-70mm
二、组成材料:
1、水泥:山水牌 P.C 32.5水泥。
2、细集料:砂,细度模数:2.3-3.0,实测值2.85,水:饮用水。
三、计算初步配合比
1、确定砂浆的配制强度:
fm.o=f+0.645×δ其中:δ取3.0 =10+0.645×3.0
=11.9M pa
2、计算水泥用量:
Qc=1000×(fm.o-β)/α×f ce其中:α=3.03
=1000×(11.9+15.09)/3.03×32.5×1.0 β=-15.09 =274kg/m3,水泥用量选用300Kg/ m3
3、选定单位用水量:
Qw=300kg
4、计算水灰比:
W/C=Qw/Qc=270/300=0.90
5、由W/C=0.90通过增加及减少10%水泥得出(增加10%水泥)
W/C'=0.82(减少10%水泥) W/C"=1.0
四、试验室配合比的确定:
由已知三个水灰比,配制水泥浆,用填砂法试配,确定稠度在50-70mm之间的砂灰比,确定三个水灰比对应得配合比分别为:
配合比(kg/m3)
水灰比
水泥水砂
0.82 330 270 1520
0.90 300 270 1520
1.00 270 270 1520。
M10水泥砂浆配合比设计总说明书一、试验所用仪器设备及试验环境试验过程中使用的仪器设备精度、规格、准确性等均符合规范要求,且均通过某省计量测试所检定合格,试验室、标养室,温度、湿度符合规范要求。
二、材料的选用1、水泥:选用分宜海螺牌复合硅酸盐水泥,依据GB/T17671-1999、GB/T1346-2001及GB/T1345-1991试验,各项指标均符合GB175-1999规范要求,详见下表表12、细骨料:选用金凤砂石厂河砂,依据JTJ058-2000试验,其各项指标均符合JTJ041-2000规范要求,详见下表表23、水:饮用水,符合JTJ041-2000规范砼用外加剂要求,其各项性能指标详见厂家产品说明书及外委试验报告。
三、配合比的设计与计算依据JGT98-2000及公路工程国内招标文件范本2003版下册,结合工地实际情况对水泥砂浆进行设计与计算,具体过程如下:1、计算试配强度:f m,o=f2+δ=2、计算每立方米砂浆水泥用量:Qc=1000*(fm,o-β)/( a* f ce )=1000*(9+/*=274 Kg 取水泥用量为444Kg3、选用每立方米砼用水量:m wo=280Kg/m34、计算水灰比:W/C=280/444=5、每立方米砂浆中的砂子用量:采用砂的堆积密度1476 Kg/m36、计算每立方米水泥砂浆用量:Qc=444 Kg m wo=280 Kgm so=1476Kgm co:m so:m wo=444:1476:280=1::四、通过上述(三)的计算,以上计算配合比为基准配合比,另外分别增减水泥用量10%,进行试拌,对其拌和物稠度、分层度分别进行检测,均能满足设计要求,并分别将拌和物制件,标准养护,进行7d和28d的抗压强度检验,详见下表表4试验编号设计强度水灰比砂率(%)试配强度(Mpa)各项材料用量(Kg/m3)设计稠度(mm)实测稠度(mm)7d抗压强度(Mpa)28d抗压强度(Mpa)水泥砂子卵石水外加剂H-064M10/4881476/280/50-7050 H-065M10/4441476/280/50-7060 H-066M10/4001476/280/50-7063五、根据经济合理,保证工程质量,方便施工的原则,拟订表4中试样编号为H-065的配合比为M10水泥砂浆的配合比,具体用于砂浆勾缝、抹面。
M10水泥砂浆配合比设计总说明书
一、试验所用仪器设备及试验环境
试验过程中使用的仪器设备精度、规格、准确性等均符合规范要求,且均通过某省计量测试所检定合格,试验室、标养室,温度、湿度符合规范要求。
二、材料的选用
1、水泥:选用分宜海螺牌复合硅酸盐32.5水泥,依据GB/T17671-1999、GB/T1346-2001及GB/T1345-1991试验,各项指标均符合GB175-1999规范要求,详见下表
表1
2、细骨料:选用金凤砂石厂河砂,依据JTJ058-2000试验,其各项指标均符合JTJ041-2000规范要求,详见下表
表2
3、水:饮用水,符合JTJ041-2000规范砼用外加剂要求,其各项性能指标详见厂家产品说明书及外委试验报告。
三、配合比的设计与计算
依据JGT98-2000及公路工程国内招标文件范本2003版下册,结合工地实际
情况对M7.5水泥砂浆进行设计与计算,具体过程如下:
1、计算试配强度:
f m,o=f2+0.645δ=11.9Mpa
2、计算每立方米砂浆水泥用量:
Qc=1000*(fm,o-β)/( a* f ce )=1000*(9+15.09)/(3.03*32.5)=274 Kg
取水泥用量为444Kg
3、选用每立方米砼用水量:
m wo=280Kg/m3
4、计算水灰比:
W/C=280/444=0.63
5、每立方米砂浆中的砂子用量:
采用砂的堆积密度1476 Kg/m3
6、计算每立方米水泥砂浆用量:
Qc=444 Kg m wo=280 Kg
m so=1476Kg
m co:m so:m wo=444:1476:280=1:3.32:0.63
四、通过上述(三)的计算,以上计算配合比为基准配合比,另外分别增减水
泥用量10%,进行试拌,对其拌和物稠度、分层度分别进行检测,均能满足
设计要求,并分别将拌和物制件,标准养护,进行7d和28d的抗压强度检
验,详见下表
表4
五、根据经济合理,保证工程质量,方便施工的原则,拟订表4中试样编号为H-065的配合比为M10水泥砂浆的配合比,具体用于砂浆勾缝、抹面。
六、附件
1、水泥砂浆设计配合比试验记录
2、水泥物理力学性能试验记录
3、砂子试验记录。