吊车梁设计计算书
- 格式:doc
- 大小:319.00 KB
- 文档页数:8
(一)修正后的地基承载力特征值计算一、工程名称: 吊车梁基础计算二、勘察报告: 《岩土工程勘察报告》南侧1m埋深部位平均fak = 218 kPa;北侧1m埋深部位平均fak = 159 kPa;计算取fak = 150 kPa三、计算参数fak = 150.000 kPa(根据钎探平均结果及经验)ηb = 0ηd = 1γ = 18.000 kN/m3γm = 18.000 kN/m3b = 3.000 md = 1.000 m四、计算修正后的地基承载力特征值【5.2.4】fa=fak+ηb*γ*(b-3)+ηd*γm*(d-0.5)=150.000+0*18.000*(3.000-3)+1*18.000*(1.000-0.5)=159.000 kpa(二)梁基底应力及基础内力计算一、基底宽度计算假设基础梁高1m,基底宽度按1.5m,上部吊车单个轮子荷载在纵向分布宽度2m,在两个1.8m间距部位两个两个计算:P=(360+20*1*2*1.5)/(1.5*2)=140 kPa< fa(159.000 kpa)K1=(360*2+20*1*3.8*1.5)/(1.5*3.8)=146 kPa< fa(159.000 kpa) PK2假设基础梁采用1.4m宽度;=(360*2+20*1*3.8*1.4)/(1.4*3.8)=155 kPa< fa(159.000 kpa) PK2通过计算采用1.4m宽基础较接近承载力极限,因此选用1.5m宽基础梁。
二、基础梁内力计算基础梁按弹性地基梁考虑,地基反力系数根据经验分别取10Mpa及20Mpa,按不利情况内力考虑,基础梁内力计算结果如下图所示:图1 最不利弯矩计算结果图2 最不利剪力计算结果三、基础梁配筋计算1 已知条件及计算要求:(1)已知条件:矩形梁b=500mm,h=1000mm。
砼强度等级 C30,fc=14.30N/mm2,纵筋级别 HRB335,fy=300N/mm2,箍筋级别 HPB235,fy=210N/mm2。
简支焊接工字型钢吊车梁设计输出文件设计依据:《建筑结构荷载规范GB50009-2001》《钢结构设计规范GB50017-2003》设计时间: 2010.12.09吊车数据:(重量单位为 t;长度单位为 m) 序号起重量工作级别一侧轮数 Pmax Pmin 小车重吊车宽度轨道高度1 10 A1~A3软钩2 7.86 2.55 3.30 6.100 0.140卡轨力系数α: 0.00 轮距: 5.000输入数据说明:Lo: 吊车梁跨度Lo2: 相邻吊车梁跨度Sdch: 吊车台数Dch1: 第一台的序号Dch2: 第二台的序号(只有一台时=0)Kind: 吊车梁的类型,/1无制动结构/2制动桁架/3制动板/Ig1: 钢材钢号,/3.Q235/16.Q345/Izxjm:自选截面/1.程序自动选择截面/0.验算截面/h: 吊车梁总高db: 腹板的厚度b: 上翼缘的宽度tT: 上翼缘的厚度b1: 下翼缘的宽度t1: 下翼缘的厚度d1: 连接吊车轨道的螺栓孔直径d2: 连接制动板的螺栓孔直径e1: 连接轨道的螺栓孔到吊车梁中心的距离e2: 连接制动板的螺栓孔到制动板边缘的距离Iend: 变截面类型/0圆弧形/1直角/2梯形/dbH: 变截面吊车梁端部的高度dbL: 变截面吊车梁变截面位置到支座的距离dbTw:变截面吊车梁端部腹板厚度dbR: 圆弧形变截面处半径===== 输入数据 =====Lo Lo2 SDCH DCH1 DCH2 KIND IG1 IZXJM8.000 8.000 1 1 0 1 16 0H DB B TT B1 T1 D1 D2 E1 E20.600 0.006 0.340 0.016 0.240 0.016 0.030 0.000 0.080 0.000IEND DBH DBL DBTW DBR0 0.600 0.000 0.000 0.200===== 计算结果 ========== 梁绝对最大竖向、水平弯矩(标准值)计算 =====BWH: 最大弯矩对应梁上的轮子序号(从左到右) EWH: 最大弯矩对应梁上有几个轮CSS: 最大弯矩对应轮相对梁中点的距离,(轮在中点左为正) MP: 吊车最大轮压(标准值)产生的最大竖向弯矩MT: 吊车横向水平荷载(标准值)产生的最大水平弯矩P(J): 吊车最大轮压(kN),按每台吊车一侧的轮数排列T(J): 吊车横向水平荷载(kN),按每台吊车一侧的轮数排列CC(J):吊车轮距,按每台吊车一侧的轮数排列BWH EWH CSS MP MT1 1 0.000 154.166 7.826P(J) 77.083 77.083T(J) 3.913 3.913CC(J) 5.000===== 梁绝对最大竖向、水平弯矩(设计值)计算 =====MPP: 绝对最大竖向弯矩MTT: 绝对最大水平弯矩(由横向水平制动力产生) Madd: 考虑其他荷载作用时绝对最大竖向弯矩设计值增大MTadd: 考虑其他荷载作用时绝对最大水平弯矩设计值增大MPP MTT Madd MTadd235.689 10.956 0.000 0.000===== 梁绝对最大剪力(设计值)计算 =====Qmaxk: 绝对最大剪力(标准值)Qmax: 绝对最大剪力(设计值)MM: 计算最大剪力对应的轮子序号(从左往右)Qadd: 考虑其他荷载作用时绝对最大剪力设计值增大QMAXk QMAX MM Qadd105.989 162.036 1 0.000===== 吊车梁、制动梁的净截面截面特性计算 =====YCJ: 吊车梁重心位置(相对于下翼缘下表面m)JXJ: 吊车梁对于x 轴的惯性矩(m^4)WXJ: 吊车梁对于x 轴的抵抗矩(m^3)JYJ: 制动梁对于y 轴的惯性矩(m^4)WYJ: 制动梁对于y 轴的抵抗矩(m^3)YCJ JXJ WXJ JYJ WYJ0.315935E+00 0.798044E-03 0.280937E-02 0.461893E-04 0.271702E-03===== 吊车梁上翼缘宽厚比计算 =====Bf/Tf: 吊车梁上翼缘自由外伸宽度与其厚度的比值Bf/Tf = 10.438 <= [Bf/Tf] = 12.380===== 梁截面应力、局部挤压应力计算 =====CM: 上翼缘最大应力DM: 下翼缘最大应力TU: 平板支座时的剪应力TU1: 突缘支座时的剪应力JBJYYL: 吊车最大轮压作用下的局部挤压应力CMZj: 吊车横向荷载作用下的制动梁(或桁架)边梁的应力CM DM TU TU1 JBJYYL CMZJ124.219 93.306 49.024 57.055 46.062 0.000CM = 124.219 <= [CM] = 310.000DM = 93.306 <= [DM] = 310.000TU = 49.024 <= [TU] = 180.000TU1 = 57.055 <= [TU1] = 180.000JBJYYL = 46.062 <= [CJ] = 310.000CMZJ = 0.000 <= [CMZJ] = 310.000===== 无制动结构的吊车梁整体稳定计算 =====Wx: 吊车梁对于x 轴的毛截面抵抗矩(m^3) Wy: 制动梁对于y 轴的毛截面抵抗矩(m^3) Faib: 整体稳定系数ZTWDYL: 整体稳定应力----------------------------------------------------------------------------- Wx Wy Faib ZTWDYL0.328930E-02 0.308267E-03 0.679 141.042ZTWDYL = 141.042 <= [ZTWDYL] = 310.000-----------------------------------------------------------------------------===== 梁竖向挠度计算 =====| 注:吊车荷载按起重量最大的一台吊车确定,采用标准值 | | | | MPN: 最大一台吊车竖向荷载标准值作用下的最大弯矩 | | MKadd: 考虑其他荷载作用时绝对最大竖向弯矩标准值增大 | | L/f: 吊车梁跨度与竖向挠度之比 | ----------------------------------------------------------------------------- MPN MKadd L/F160.333 0.000 1390.300L/F = 1390.300 >= [L/F] = 800.000===== 梁截面加劲肋计算 =====梁腹板高厚比h0/tw= 94.667计算只需配横向加劲肋A1: 横向加劲肋的最大容许间距BP,TP: 横向加劲肋的宽度,厚度----------------------------------------------------------------------------- A1 BP TP1.000 0.090 0.006计算结果: 0.270≤1,横加劲肋区格验算满足===== 突缘式支座端板和角焊缝计算 =====SB: 支座端板的宽度ST: 支座端板的厚度HF1: 吊车梁下翼缘与腹板的角焊缝厚度HF2: 支座端板与吊车梁腹板的角焊缝厚度----------------------------------------------------------------------------- SB ST HF1 HF20.230 0.010 0.006 0.006-----------------------------------------------------------------------------===== 平板式支座加劲肋和角焊缝计算 =====PSB: 平板式支座加劲肋的宽度PST: 平板式支座加劲肋的厚度HF3: 支座加劲肋与吊车梁腹板的角焊缝厚度----------------------------------------------------------------------------- PSB PST HF30.110 0.010 0.006-----------------------------------------------------------------------------===== 吊车梁总重量和刷油面积计算 =====WW: 吊车梁总重量(包括加劲肋,端板等)(t) BPF: 刷油面积(m^2) ----------------------------------------------------------------------------- WW BPF0.851 29.836-----------------------------------------------------------------------------===== 吊车轮压传至柱牛腿的反力计算 =====(结果为标准值,单位kN,用于计算排架)RMAX: 吊车最大轮压传至柱牛腿的反力RMIN: 吊车最小轮压传至柱牛腿的反力TMAX: 吊车横向荷载传至两侧柱上的总水平力WT: 最大的一台吊车桥架重量Wt=吊车总重-额定起重量(硬钩吊车-0.7*额定起重量) MM1: 产生最大反力时压在支座上的轮子的序号----------------------------------------------------------------------------- RMAX RMIN TMAX WT MM1105.989 34.386 10.761 106.112 1----------------------------------------------------------------------------- | |===== 吊车梁与柱的连接计算 =====TQmaxK: 吊车横向荷载产生的最大水平剪力标准值TQmax: 吊车横向荷载产生的最大水平剪力设计值NHSBolt: 吊车梁与柱的连接需要高强度螺栓个数(摩擦型高强度螺栓 d=20 10.9级钢丝刷除绣表面处理) ----------------------------------------------------------------------------- TQmaxK TQmax NHSBolt5.380 7.909 1===== 设计满足 ========== 计算结束 =====。
简支吊车梁验算计算书==================================================================== 计算软件:TSZ结构设计系列软件 TS_MTSTool v4.6.0.0计算时间:2016年04月10日 07:07:07====================================================================一. 设计资料1 基本信息:验算依据:钢结构设计规范(GB 50017-2003)建筑结构荷载规范(GB 50009-2012)吊车梁跨度:l=6000 mm吊车梁平面外计算长度:l0=6000 mm吊车梁所在柱列:边列柱吊车梁所在位置类型:中间跨2 吊车信息:吊车梁上有两台不同吊车同时运行第一台吊车基本信息(参图Ⅰ)吊车类型:T5t105_中级软钩吊车吊车跨度:10500 mm吊车自重:12.715 t小车重量:2.126 t吊车起重量:5 t工作级别:A4~A5(中级)吊钩形式:软钩吊车单侧轮子数:2个最大轮压:74 kN最小轮压:26.3 kN制动轮子数:1个轨道类型:43Kg/m吊车宽度:5050 mm吊车额定速度:90 m/min小车额定速度:40.1 m/min吊车轮距C1:3400 mm第二台吊车基本信息(参图Ⅱ)吊车类型:T5t105_重级软钩吊车吊车跨度:10500 mm吊车自重:13.9 t小车重量:2.762 t吊车起重量:5 t工作级别:A6(重级)吊钩形式:软钩吊车单侧轮子数:2个最大轮压:63.7 kN最小轮压:29 kN制动轮子数:1个轨道类型:38Kg/m吊车宽度:5622 mm吊车额定速度:90 m/min小车额定速度:40.1 m/min吊车轮距C1:3850 mm3 荷载信息:吊车竖向荷载增大系数:ηv=1.03吊车荷载分项系数:γc=1.4当地重力加速度值:g=9.8附加竖向均布活载标准值:0 kN/m附加水平均布活载标准值:0 kN/m吊车一动力系数:μ1=1.05吊车一横向水平刹车力系数:β1=0.12吊车一摆动力系数:α1=0吊车二动力系数:μ2=1.1吊车二横向水平刹车力系数:β2=0.12吊车二摆动力系数:α2=0.14 验算控制信息:吊车梁竖向挠度允许值:l/1000吊车梁水平挠度允许值:l/22005 吊车梁截面信息:截面型号:H-750*300*10*12用户自定义截面截面材料类型:Q235截面每米质量:113.51 kg/m截面几何参数如下:截面高度 H=750 mm上翼缘宽度 B1 =300 mm下翼缘宽度 B2 =300 mm腹板厚度 T w =10 mm上翼缘厚度 T f1=12 mm下翼缘厚度 T f2=12 mm截面力学参数如下:x轴毛截面惯性矩 I x =129932.658 cm^4 x轴净截面惯性矩 I nx =122646.136 cm^4 x轴上翼毛截面抵抗矩 W x =3464.871 cm^3 x轴上翼净截面抵抗矩 W nx =3155.656 cm^3 x轴下翼净截面抵抗矩 W nx1 =3394.155 cm^3 y轴上翼毛截面抵抗矩 W y =360.403 cm^3y轴上翼净截面抵抗矩 W ny =152.003 cm^3上翼缘有效净面积 A ne =30.84 cm^2净截面中和轴高度 C ny =361.345 mm吊车梁截面为梯形渐变式变腹板高度截面:截面端部高度 h d =400mm端部x轴毛截面惯性矩 I d =31536.341 cm^4端部x轴毛截面静矩 S d =875.12 cm^3端部x轴上翼缘静矩 S du =698.4 cm^3端部x轴下翼缘静矩 S dd =698.4 cm^36 吊车梁制动结构信息:吊车梁采用制动板结构制动结构宽度:B=1000 mm制动板搭在吊车梁上间距:70 mm制动板厚度:T=6 mm制动板宽度:B b=924.9 mm边梁截面选用:C-160*63*6.5*10制动板搭在边梁上间距:=50mm边梁面积:A e=21.95 cm^2边梁Y向惯性矩:I ye=73.4 cm^4边梁X向惯性矩:I xe=866.2 cm^4边梁形心到右下点X向距离:C xe=1.79 cm边梁形心到右下点Y向距离:C ye=8 cm制动结构绕y轴净截面惯性矩:I ny=174485 cm^4制动结构对梁上翼缘边净抵抗矩:W ny1=2769.05 cm^3制动结构对边梁翼缘边净抵抗矩:W ny2=3242.49 cm^3制动结构绕y轴毛截面惯性矩:I y=186286 cm^4吊车梁上翼缘对y轴的毛截面静矩:S y=1651.83 cm^37 吊车梁截面焊缝信息:吊车梁腹板与上翼缘采用焊透的T形组合焊缝吊车梁腹板与下翼缘采用部分焊透的T形组合焊缝下翼缘坡口深度:s d=5 mm吊车梁腹板与翼缘焊缝采用:自动焊8 腹板加劲肋信息:横向加劲肋布置方式:两侧成对布置横向加劲肋端部焊接方式:连续回焊,不断弧横向加劲肋选用:SB6_Q235横向加劲肋间距:a=1200 mm变截面区段横向加劲肋间距:a'=1200 mm横向加劲肋宽度:65 mm横向加劲肋端部到下翼缘距离:50 mm吊车梁不配纵向加劲肋和横向短加劲肋9 支座信息:吊车梁采用的支座类型:全部平板式支座,吊车梁下翼缘直接与牛腿栓接平板支座加劲肋选用:SB6_Q235平板支座加劲肋宽度:65 mm加劲肋焊缝焊脚高度:7 mm平板支座选用:SB20_Q235平板支座宽度:90 mm平板支座长度:540 mm10 计算参数:梁截面材料屈服强度:f y=235 N/mm^2梁截面材料转换系数:C F=(235/235)^0.5=1上翼缘截面抗拉强度:f t=215 N/mm^2下翼缘截面抗拉强度:f b=215 N/mm^2梁腹板截面抗剪强度:f v=125 N/mm^2梁腹板端面承压强度:f ce=325 N/mm^2吊车梁焊缝抗剪强度:f w=160 N/mm^2二. 验算结果一览受压(上)翼缘宽厚比 12.08 最大15.0 满足腹板高厚比 72.60 最大250.0 满足上翼缘受压强度比 0.37 最大1.0 满足下翼缘受拉强度比 0.33 最大1.0 满足端部腹板剪应力强度比 0.53 最大1.0 满足腹板局部承压强度比 0.16 最大1.0 满足腹板折算应力强度比 0.28 最大1.0 满足整体稳定强度比设制动结构不需验算满足竖向挠度计算值(mm) 1.72 最大6.0 满足水平挠度计算值(mm) 0 不需验算满足上翼缘焊缝强度比 T形组合焊缝不验算满足下翼缘焊缝强度比 0.76 最大1.0 满足下翼处金属应力幅(N/mm2) 19.53 最大118.0 满足下翼角焊缝剪应力幅(N/mm2) 6.51 最大59.0 满足肋端金属应力幅(N/mm2) 16.84 最大103.0 满足区格Ⅰ局稳强度比 0.27 最大1.0 满足区格Ⅱ局稳强度比 0.25 最大1.0 满足区格Ⅲ局稳强度比 0.22 最大1.0 满足区格Ⅳ局稳强度比 0.20 最大1.0 满足加劲肋布置方式双侧成对重级满足横向加劲肋间距(mm) 1200.00 最大1452.0 满足横向加劲肋间距(mm) 1200.00 最小363.0 满足横向加劲肋间距1(mm) 1200.00 最大1452.0 满足横向加劲肋间距1(mm) 1200.00 最小363.0 满足横向加劲肋外伸宽度(mm) 65.00 最小64.2 满足横向加劲肋厚度(mm) 6.00 最小4.3 满足无纵向加劲肋时ho/Tw 72.60 最大170.0 满足平板加劲肋稳定强度比 0.34 最大1.0 满足平板加劲肋焊缝强度比 0.22 最大1.0 满足平板加劲肋外伸宽度(mm) 65.00 最小64.2 满足横向加劲肋厚度(mm) 6.00 最小4.3 满足平板加劲肋焊脚高度(mm) 7.00 最小6.0 满足平板加劲肋焊脚高度(mm) 7.00 最大7.0 满足上翼柱侧板件正应力(MPa) 25.6 最大215 满足上翼柱侧角焊缝应力(MPa) 21.0 最大160 满足上翼柱侧角焊缝焊脚高度(mm) 4.00 最小4.00 满足上翼柱侧角焊缝焊脚高度(mm) 4.00 最大6.00 满足上翼梁柱连接板正应力(MPa) 31.0 最大215 满足上翼梁柱螺栓承担剪力(kN) 8.92 最大62.8 满足上翼梁柱螺栓轴向边距(mm) 35.0 最小33.0 满足上翼梁柱螺栓轴向边距(mm) 35.0 最大88.0 满足上翼梁柱螺栓垂向边距(mm) 45.0 最小44.0 满足上翼梁柱螺栓垂向边距(mm) 45.0 最大88.0 满足牛腿最大正应力(Mpa) 74.3 最大215 满足牛腿最大剪应力(Mpa) 110 最大125 满足牛腿最大折算应力(Mpa) 176 最大237 满足牛腿翼缘宽厚比 10.1 最大15.0 满足牛腿集中力截面剪应力(Mpa) 124 最大125 满足牛腿局部承压应力(Mpa) 83.4 最大325 满足牛腿综合应力(MPa) 149 最大160 满足牛腿焊脚高度(mm) 8.00 最大9.60 满足牛腿焊脚高度(mm) 8.00 最小4.74 满足支座螺栓承担剪力(kN) 49.5 最大62.8 满足支座螺栓轴向边距(mm) 55.0 最小44.0 满足支座螺栓轴向边距(mm) 55.0 最大96.0 满足支座螺栓垂向边距(mm) 55.0 最小33.0 满足支座螺栓垂向边距(mm) 55.0 最大96.0 满足支座螺栓垫板正应力(MPa) 206 最大215 满足支座螺栓垫板角焊缝应力(MPa) 58.7 最大160 满足支座螺栓垫板焊脚高度(mm) 8.00 最小7.00 满足支座螺栓垫板焊脚高度(mm) 8.00 最大9.00 满足上翼柱加劲肋板件宽厚比 14.0 最大14.9 满足上翼柱加劲肋板件剪应力(MPa) 1.69 最大180 满足上翼柱加劲肋焊缝剪应力(MPa) 2.95 最大200 满足牛腿处柱加劲肋板件宽厚比 14.5 最大14.9 满足牛腿处柱加劲肋板件剪应力(MPa) 23.2 最大180 满足牛腿处柱加劲肋焊缝剪应力(MPa) 40.5 最大200 满足纵向连接螺栓承担剪力(kN) 9.64 最大126 满足纵向连接螺栓轴向边距(mm) 45.0 最小44.0 满足纵向连接螺栓轴向边距(mm) 45.0 最大88.0 满足纵向连接螺栓竖向边距(mm) 35.0 最小33.0 满足纵向连接螺栓竖向边距(mm) 35.0 最大88.0 满足纵向连接螺栓间距(mm) 70.0 最小66.0 满足纵向连接螺栓间距(mm) 70.0 最大96.0 满足车挡截面自由外伸宽厚比 8.00 最大15.0 满足车挡截面腹板宽厚比 53.3 最大80.0 满足车挡截面最大剪应力(MPa) 40.9 最大125 满足车挡截面最大正应力(MPa) 131 最大215 满足车挡截面折算应力(MPa) 140 最大237 满足车挡集中力处板件宽厚比 10.0 最大14.9 满足车挡集中力处板件剪应力(MPa) 21.2 最大180 满足车挡集中力处焊缝剪应力(MPa) 15.8 最大200 满足车挡截面最大拉应力(MPa) 141 最大215 满足车挡截面最大压应力(MPa) -141 最小-215 满足车挡截面综合应力(MPa) 141 最大160 满足车挡截面腹板焊脚高(mm) 6.00 最大7.20 满足车挡截面腹板焊脚高(mm) 6.00 最小3.67 满足三. 吊车梁截面内力计算:1 吊车梁支座处最大剪力Vd计算(参图Ⅲ):竖向附加活载作用下端部剪力V da=0 kN吊车考虑动力系数后最大轮压标准值:P=1.05×74=77.7 kN吊车竖向荷载作用下端部剪力:V dc=1.4×1.03×77.7×(2×6000-1711)/6000=197.7 kN端部最大剪力计算值:V d=197.7 kN2 跨中最大竖向弯矩Mvm计算(参图Ⅳ):竖向附加活载作用下跨中弯矩M va=0 kN·m吊车考虑动力系数后单轮竖向作用力标准值:P=1.05×74=77.7 kN吊车荷载合力:F=77.7×2=147.8 kN左支座反力:R=147.8×2594/6000=63.89 kN吊车梁跨中弯矩M vc计算:M vc=1.4×1.03×63.89×2594×10^-3=239 kN·m跨中最大弯矩计算值:M vm=239 kN·m3 跨中最大竖向弯矩对应剪力Vm计算(参图Ⅳ):自重和竖向附加活载作用下端部剪力:V ma=(1.4*g v+1.2*q s)*S/l0=(1.4×0+1.2×1.135)×2594/6000×10^-3=0 kN 吊车考虑动力系数后单轮竖向作用力标准值:P=1.05×74=77.7 kN吊车荷载合力:F=77.7×2=147.8 kN左支座反力:R=147.8×2594/6000=63.89 kN最大弯矩点左侧剪力计算:V ml=1.4×1.03×63.89=92.14 kN最大弯矩点右侧剪力计算:V mr=V ml-1.4×1.03×77.7=(-19.91) kN跨中最大弯矩对应的剪力计算值:V m=92.14 kN4 吊车梁跨中最大水平弯矩Mhm计算(参图Ⅴ):水平附加活载作用下跨中弯矩M ha=0 kN·m吊车考虑卡轨力系数后单轮横向作用力标准值:Q=0.1×63.7=6.37 kN吊车荷载合力:F=6.37×1=6.37 kN左支座反力:R=6.37×3000/6000=3.185 kN吊车梁跨中弯矩M hc计算:M hc=1.4×3.185×3000×10^-3=13.38 kN·m跨中最大水平弯矩计算值:M hm=13.38 kN·m5 跨中最大竖向弯矩标准值Mvk计算(参图Ⅵ):竖向附加活载作用下跨中弯矩M vka=0 kN·m吊车单轮最大轮压标准值:P=1.0×74=74 kN吊车荷载合力:F=74×2=148 kN左支座反力:R=148×3850/6000=94.97 kN吊车梁跨中弯矩M vkc计算:M vkc=1×1.03×(94.97×3850-74×3400)×10^-3=117.4 kN·m 跨中最大弯矩计算值:M vk=117.4 kN·m6 跨中最大水平弯矩标准值Mhk计算(参图Ⅵ):水平附加活载作用下跨中弯矩M hka=0 kN·m吊车考虑刹车力系数及其放大后单轮横向作用力标准值:P=0.12×(5+2.126)/2×g/2=2.095 kN吊车荷载合力:F=2.095×2=4.19 kN左支座反力:R=4.19×3850/6000=2.689 kN吊车梁跨中弯矩M hkc计算:M hkc=1×(2.689×3850-2.095×3400)×10^-3=3.228 kN·m 跨中最大水平弯矩计算值:M hk=3.228 kN·m7 跨中最大竖向弯矩标准值Mvp计算(参图Ⅶ):竖向附加活载作用下跨中弯矩M vpa=0 kN·m吊车单轮最大轮压标准值:Q=1.0×63.7=101.9 kN吊车荷载合力:F=63.7×1=63.7 kN左支座反力:R=63.7×3000/6000=31.85 kN吊车梁跨中弯矩M vpc计算:M vpc=1×31.85×3000×10^-3=95.55 kN·m跨中最大弯矩计算值:M vp=95.55 kN·m8 支座最大竖向剪力标准值Vp计算(参图Ⅷ):竖向附加活载作用下端部剪力V pa=0 kN吊车最大轮压标准值:Q=1.0×63.7=101.9 kN吊车竖向荷载作用下端部剪力:V pc=1×1.03×101.9×(2×6000-3850)/6000=55.7 kN 端部最大剪力计算值:V p=55.7 kN四. 吊车梁板件宽厚比验算:1 受压(上)翼缘宽厚比验算:受压翼缘宽厚比限值:[b0/t]=15*(235/f y)^0.5=15翼缘自由外伸宽度:b0=145 mm翼缘宽厚比:b0/T f1=145/12=12.082 腹板高厚比验算:腹板高厚比限值:[h0/t]=250腹板计算高度:h0=726 mm腹板高厚比:h0/T w=726/10=72.6五. 吊车梁截面强度验算:1 上翼缘受压强度验算:吊车梁采用制动板吊车梁须验算疲劳强度或b0/T f1=12.08>13,取γx=1.0吊车梁须验算疲劳强度,取γy=1.0ξ=(M vm/W nx/γx+M hm/W ny1/γy)/f t=(239/3156/1+13.38/2769/1)×10^3/215=0.37482 下翼缘受拉强度验算:ξ=M vm/W nx1/f b=239×10^3/3394/215=0.32763 端部腹板剪应力强度验算:考虑截面削弱系数1.2τ=V d*S dx/(I dx*T w/1.2)/f v=197.7×875.1/(3.154e+004×10/1.2)/125×10^2=0.52684 最大轮压下腹板局部承压强度验算:考虑集中荷载增大系数后的最大轮压设计值按第二台吊车计算:吊车最大轮压:P max=63.7 kN轻、中级工作制吊车梁,依《钢规》4.1.3取增大系数:ψ=1.0 F=γc*ψ*μ*P max=1.4×1.35×1.1×63.7=132.4 kN 梁顶到腹板计算高度上边缘距离:h y=T f1=12 mm轨道高度:h R=140 mm集中荷载沿跨度方向支承长度取为:50 mm集中荷载在腹板计算高度上边缘的假定分布长度:l z=50+5*h y+2*h R=50+5×12+2×140=390 mmσc=F/T w l z=132.4×10^3/10/390=33.96 N/mm^2腹板抗压强度设计值:f=215 N/mm^2局部承压强度比ξ=σc/f=33.96/215=0.15795 腹板与上翼缘交接处折算应力强度验算:按跨中最大弯矩及其对应的剪力和最大轮压计算计算点局部压应力:σc=33.96 N/mm^2(参见腹板局部承压验算) 计算点正应力计算计算点到中和轴的距离:y1=H-C ny-T f1=376.7 mmσ=M vm/I n*y1=239/1.226e+005×376.7×10^2=73.41 N/mm^2计算点剪应力计算上翼缘对中和轴静矩:S1=(y1+0.5*T f1)*B1*T f1×10^-3=1378 cm^3τ=V m*S1/I x/T w=92.14×1378/1.299e+005/10×10^2=9.768 N/mm^2σ与σc同号,强度设计值增大系数:β1=1.1折算应力强度比ξ=(σ^2+σc^2-σ*σc+3*τ^2)^0.5/(β1*f)=(73.41^2+33.96^2-73.41×33.96+3×9.768^2)^0.5/(1.1×215) =0.27846 吊车梁整体稳定性验算吊车梁设置了制动结构,整体稳定不需验算。
简支吊车梁计算书. .简支吊车梁验算计算书一. 设计资料1 基本信息: 验算依据:钢结构设计规范(GB 50017-钢结构设计规范(GB 50017:l=6000 mm 吊车梁平面外计算长度:l0=6000 mm 吊车梁所在柱列:边列柱吊车梁所在位置类型:中间跨2 吊车信息: 吊车梁上有两台完全相同的吊车同时运行第一台吊车基本信息(参图Ⅰ) 吊车类型:T5t105_中级软钩吊车吊车跨度:10500 mm 吊车自重:12.715 t 小车重量:2.126 t 吊车起重量:5 t 工作级别:A4~A5(中级) 吊钩形式:软钩吊车单侧轮子数:2个最大轮压:74 kN 最小轮压:26.3 kN 制动轮子数:1个轨道类型:43Kg/m 吊车宽度:5050 mm 吊车额定速度:90 m/min 小车额定速度:40.1 m/min 吊车轮距C1:3400 mm3 荷载信息: 吊车竖向荷载增大系数:ηv=1.03 吊车荷载分项系数:γc=1.4 当地重力加速度值:g=9.8 附加竖向均布活载标准值:0 kN/m 附加水平均布活载标准值:0 kN/m 吊车一动力系数:μ1=1.05 吊车一横向水平刹车力系数:β1=0.12 吊车一摆动力系数:α1=04 验算控制信息: 吊车梁竖向挠度允许值:l/1000 吊车梁水平挠度允许值:l/2200 对中级工作制吊车梁按《钢规》要求不进行疲劳验算5 吊车梁截面信息: 截面型号:H-l0=6000 mm 吊车梁所在柱列:边列柱吊车梁所在位置类型:中间跨2 吊车信息: 吊车梁上有两台完全相同的吊车同时运行第一台吊车基本信息(参图Ⅰ) 吊车类型:T5t105_中级软钩吊车吊车跨度:10500 mm 吊车自重:12.715 t 小车重量:2.126 t 吊车起重量:5 t 工作级别:A4~A5(中级) 吊钩形式:软钩吊车单侧轮子数:2个最大轮压:74 kN 最小轮压:26.3 kN 制动轮子数:1个轨道类型:43Kg/m 吊车宽度:5050 mm 吊车额定速度:90 m/min 小车额定速度:40.1 m/min 吊车轮距C1:3400 mm3 荷载信息: 吊车竖向荷载增大系数:ηv=1.03 吊车荷载分项系数:γc=1.4 当地重力加速度值:g=9.8 附加竖向均布活载标准值:0 kN/m 附加水平均布活载标准值:0 kN/m 吊车一动力系数:μ1=1.05 吊车一横向水平刹车力系数:β1=0.12 吊车一摆动力系数:α1=04 验算控制信息: 吊车梁竖向挠度允许值:l/1000 吊车梁水平挠度允许值:l/2200 对中级工作制吊车梁按《钢规》要求不进行疲劳验算5 吊车梁截面信息: 截面型号:H:角焊缝焊脚高度:hf=6 mm;有效高度:he=4.2 mm1 内力分配对接焊缝面积:Ab=48cm 角焊缝有效面积:Aw=0.7×6×(772-hf=6 mm;有效高度:he=4.2 mm1 内力分配对接焊缝面积:Ab=48cm 角焊缝有效面积:Aw=0.7×6×(772:N1=Ab/(Ab+Aw)*N=48/(48+31.42)×0=0kN 角焊缝承受轴力:N2=Aw/(Ab+Aw)*N=31.42/(48+31.42)×0=0kN 腹板塑性截面模量:Iw=8×(450-N2=Aw/(Ab+Aw)*N=31.42/(48+31.42)×0=0kN 腹板塑性截面模量:Iw=8×(450:If=200×450 /12-200×(450-2×12) /12=2.303e+004 cm 翼缘弯矩分担系数:ρf=2.303e+004/(5154+2.303e+004)=0.8171 翼缘对接焊缝分担弯矩:Mf=0.8171×161.8=29.6 kN*m 腹板角焊缝分担弯矩:Mw=(1-ρf=2.303e+004/(5154+2.303e+004)=0.8171 翼缘对接焊缝分担弯矩:Mf=0.8171×161.8=29.6 kN*m 腹板角焊缝分担弯矩:Mw=(1:N=0 kN;Mx=0 kN·mMy=132.2kN·m 抗拉强度:Ft=215N/mm 抗压强度:Fc=215N/mm 轴力N为零,σN=0 N/mm 弯矩Mx为零,σMx=0 N/mm Wy=1023cm σMy=|My|/Wy=132.2/1023×1000=129.2N/mm 最大拉应力:σt=σN+σMx+σMy=0+0+129.2=129.2N/mm ≤215,满足最大压应力:σc=σN-Mx=0 kN·mMy=132.2kN·m 抗拉强度:Ft=215N/mm 抗压强度:Fc=215N/mm 轴力N为零,σN=0 N/mm 弯矩Mx为零,σMx=0 N/mm Wy=1023cm σMy=|My|/Wy=132.2/1023×1000=129.2N/mm 最大拉应力:σt=σN+σMx+σMy=0+0+129.2=129.2N/mm ≤215,满足最大压应力:σc=σN:N=0kN;Vx=119.9kN;Vy=0kN;Mx=0kN·m;My=29.6kN·m;T=0kN·m 未直接承受动力荷载,取正面角焊缝强度设计值增大系数βf=1.22 有效面积:A=31.42 cm 形心到左下角距离:Cx=187 mm;Cy=10 mm 对形心惯性矩:Ix=12.15 cm ;Iy=3662 cm Vx作用下:τvx=Vx/A=119.9/31.42×10=38.16 MPa 角点平面内综合应力:σ//=|τvx|=38.16 MPa 绕Y轴弯矩下:σMy=My*Cx/Ix=29.6×187/3662×10 =151.2 MPa 角点平面外正应力:σ⊥=|σMy|=|151.2|=151.2 MPa 角点最大综合应力:σm=[(σ⊥/βf) +σ// ].5=[(151.2/1.22) +38.16 ] .5=129.6 MPa≤160,满足4 角焊缝构造检查腹板角焊缝连接板最小厚度:Tmin=6 mm 腹板构造要求最大焊缝高度:hfmax=1.2*Tmin=7.2 mm≥6,满足腹板角焊缝连接板最大厚度:Tmax=6 mm 构造要求最小腹板焊脚高度:hfmin=1.5*Tmax .5=3.674 mm≤6,满足word教育资料达到当天最大量API KEY 超过次数限制。
混凝土吊车梁计算书设计:____________校核:____________审核___________日期________一、基本数据(一)、吊车及吊车梁基本数据吊车数据:1、吊车起重量Q= 16 t2、吊车跨度= 16.5 m3、吊车总重G=15 t4、小车重量g= 1.37 t5、最大轮压Pmax= 12.5 kN6、吊车总宽B= 2.8 m7、吊车轮距W= 2.5 m8、吊车数量n= 两台吊车梁数据:1、吊车梁宽b= 200 mm2、上翼缘宽bf= 200 mm3、吊车梁高h= 500 mm4、上翼缘高hf= 0 mm5、吊车梁跨度L= 6000 mm(二)、材料信息混凝土材料:C30 f c=14.3 N/mm2f t=1.43 N/mm2f tk=2.01 N/mm2钢筋:纵筋:HRB 335 f y=300 N/mm2箍筋:HRB 335 f yv=300 N/mm2(三)、其他信息吊车工作级别:A4 中级动力系数μ:1.05钢筋混凝土保护层厚度:25 mm裂缝宽度限制:0.2 mm挠度计算限制:1/600 Lo二、正截面设计(一)计算吊车梁的绝对最大弯矩位置计算长度取为:L0= 5.8 m由结构力学可判断,吊车轮按上述作用时才能产生绝对最大弯矩计算可得:合力R = 3×μ×Pmax = 52.5 kNa0 = B-W2= 0.15 m(二)正截面配筋计算1、内力计算吊车梁自重:q1 = 25×[b×h+(b f-b)×h f] = 2.5 kN/m轨道联结重:q2 = 1.5 kN/m自重总和:q = q1 + q2 = 4 kN/m由自重在k点产生的弯矩:Mqk = qx2(Lo-x) = 16.81 kN・m由吊车荷载在k点产生的弯矩:Mpk = R(L0-a0)24L0= 39.43 kN・m总弯矩:M maxk = M qk + M pk= 56.24 kN・m2、按T型梁计算配筋按照混凝土规范7.2.2条a s = 35 mmh0 = h-2a s = 430 mmM = f c b f h f(h0-h f/2) = 0 < M maxk = 56.24 属于II类T型截面3验算垂直截面的双向受弯强度每个轮子产生的刹车力:T = 0.25×α(Q+g)×9.8 = 4.26 kN为简化计算,假设每个轮子都作用在吊车梁跨中,由水平力产生的弯矩为:M H =nT4Lo = 24.708 kN ・m 可见,水平方向产生的弯矩很小,双向受弯强度验算可以忽略 三、斜截面设计(一)复核截面条件吊车梁自重荷载作用下产生的剪力: V 1 = 0.5×q×Lo = 11.6 kN 吊车荷载按下图作用时产生最大剪力:由结构力学可知:V 2 = μP max (4-2B+WLo ) = 28.51 kN 最大总剪力:V = V 1 + V 2 = 40.11 kN 由混凝土规范7.5.1条:0.25βc f c bh 0 = 307.45 kN > V 截面满足要求 (二)计算所需箍筋1、确定计算方法y a = ΣI y y iΣI y = 112 h f b f 3×12 h f +112 (h-h f )b 3×(h/2+h f /2)112 h f b f 3+112 (h-h f )b 3= 250 mm 每个吊车轮产生的扭矩: m t = 0.7[μP max ×0.02+T(y a +0.2)] = 1.53 kN ・m则支座截面产生的最大扭矩为:T = 1.4×m t ×(4-2B+2WLo ) = 4.65 kN ・m 构件截面信息腹板: W tw = b 2(3h-b)/6 = 8666666.66666667mm 3 翼缘: W tf = h f 2(b f '-b)/2 = 0mm 3W t = W tw + W tf = 8666666.66666667 mm 3 由混凝土规范7.6.1V bh 0 + T0.8W t= 1.1371 < 0.25βc f c = 3.575截面尺寸满足按弯剪扭共同作用的构件计算腹板受扭矩: T w = W twW t ×T = 4.650 kN ・m翼缘受扭矩: T f ' = W tfW t×T = 0.000 kN ・m2、腹板配筋计算A cor = b cor h cor = 67500 mm 2 u cor = 2×(b cor + h cor ) = 1200 mma.腹板受扭箍筋计算,按混凝土规范7.6.8:T = 0.35f t βt W t + 1.2ζ f yv A st1A cor sβt =1.51+0.5 VW tTbh 0= 0.93 A st1s = T w -0.35βt f t W tw1.2ζ f yv A cor= 0.032136 mm 2/mm b.腹板受剪箍筋计算,按混凝土规范7.6.8:A sv1s = V -0.7(1.5-βt )f t bh 01.25f yv h 0= 0.045301 mm 2/mm腹板所需单肢箍筋总面积为:A st1s + A sv1s= 0.0547865 mm 2/mm实际配置:8@100 满足c.腹板抗扭纵筋计算,按混凝土规范7.6.4-2:A stl = ζf yv A st1u corf y s= 23.14 mm 2 构造配置钢筋3、翼缘配筋计算b 'cor = b f - b - 50 = -50 mm h 'cor = h f - 50 = -50 mmA 'cor = b 'cor ×h 'cor = 2500 mm 2 U 'cor = 2(b 'cor + h 'cor ) = -200 mm a.翼缘抗扭箍筋计算,按混凝土规范7.6.8:A st1s = T f -0.35βt f t W tf1.2ζ f yv A cor= 0.000 mm 2/mm 实际配置:8@100 满足b.翼缘抗扭纵筋计算,按混凝土规范7.6.4-2:A stl = ζf yv A st1u corf y s= 0.00 mm 2 构造配置钢筋四、验算吊车梁疲劳强度(一)验算正截面疲劳强度1、验算受压区混凝土边缘纤维的应力 一台吊车产生的最大弯矩:由结构力学可判断,吊车轮按上述作用时才能产生绝对最大弯矩计算可得:合力R = 2×μ×Pmax = 26.25 kNa0 = B-W2= 0.15 m由自重在k点产生的弯矩:Mqk = qx2(Lo-x) = 16.82 kN・m由吊车荷载在k点产生的弯矩:Mpk = μP max(L0-a0)22L0= 38.06 kN・m总弯矩:M maxk = M qk + M pk= 54.88 kN・mαf E= E sE f c= 13.33先假定中和轴通过翼缘,换算截面的受压区高度:b2x02 - αfE A s(h0 - x0) = 0 公式见《钢筋混凝土结构计算手册》P624简化:Ax02 + Bx0 + C = 0 其中:A = 100B = 20593.2504C = -9266962.68解方程得:x0 = 218.39mm >h f = 0 mm 所以须按下列公式重新计算:b f2x02 - αfE A s(h0 - x0)-(b f - b)(x0 - h f)22= 0简化:Ax02 + Bx0 + C = 0 其中:A = 100B = 20593.2504C = -9266962.68 解方程得:x0 = 218.39mmI fo=h f x033-(b f - b)(x0 - h f)33+αfE A s(h0 - x0)2 = 1799083328.02ρfc=ρfcminρfcmax=MqkMqk+Mpk= 0.317589268845645查混凝土规范表4.1.6得: γρ = 0.86σf cmax = M f max x 0I fo = 6.662 < f fc = γρf c = 12.298满足要求 2、验算受拉钢筋的应力σf simin = αf E M f min (h 0-x 0)I f o = 30.342 N/mm 2σf simax = αf E M fmax (h 0-x 0)I f o = 65.196 N/mm 2Δσf si = σf simax - σfsimin = 34.854 N/mm 2 ρf s= σfsiminσfsimax = 0.465根据混凝土规范表4.2.5-1,可查得:Δf f y = 135 > Δσfsi = 34.854 满足要求(二)验算斜截面疲劳强度 1、验算中和轴处的主应力 计算从略2、验算弯起钢筋所需面积 计算从略五、验算吊车梁裂缝宽度σρsk = M maxk0.87h 0A s= 92.9862630983486 N/mm 2A te = 0.5bh = 50000 mm 2 ρte = A s /A te = 0.0308976d eq = Σn i d i 2Σn i νd i= 18.2222222222222 mmψ=1.1-0.65f tkρte σρsk= 0.645257156827881由混凝土规范8.1.2得: αcr = 2.1 c=20 ψ=1.0ωmax = αcr ψσρsk E s 1.9c+0.08d eqρte= 0.0536640377934194 < 0.2 满足规范要求六、验算吊车梁挠度由混凝土规范8.2.3:B s = E s A s h 021.15ψ+0.2+6αE ρ1+3.5γf'其中: ψ=1.0 αE = 13.33 E s = 200000 A s = 1544.88 h 0 = 430 γf ' = 0ρ= A sbh 0= 0.0171653333333333代入公式可得:B s = 27027886193474.9 由混凝土规范8.2.2:B = M kM q (θ-1)+M k B s其中: θ=1.6 M k = 38.06 M q = 16.82 代入公式可得:B = 21128148926726.3f=5qlo 4384B= 2.78964728702648f/Lo=1/1981 < 1/600 满足要求七、验算吊车梁配筋率计算从略。
简支吊车梁验算计算书设计资料1基本信息:验算依据:钢结构设计规范(GB 50017-2003) 建筑结构荷载规范(GB 50009-2012)吊车梁跨度:1=6000 mm吊车梁平面外计算长度:I 0=6000 mm吊车梁所在柱列:边列柱吊车梁所在位置类型:中间跨2吊车信息:吊车梁上有两台完全相同的吊车同时运行第一台吊车基本信息(参图I)图I吊车一几何尺寸示意图吊车类型:T5t105_中级软钩吊车吊车跨度:10500 mm吊车自重:12.715 t小车重量:2.126 t吊车起重量:5 t工作级别:A4~A5(中级)吊钩形式:软钩吊车单侧轮子数:2个最大轮压:74 kN最小轮压:26.3 kN制动轮子数:1个轨道类型:43Kg/m吊车宽度:5050 mm吊车额定速度:90 m/min小车额定速度:40.1 m/min吊车轮距G:3400 mm3荷载信息:吊车竖向荷载增大系数:n v=1.03吊车荷载分项系数:丫 c =1.4当地重力加速度值:g=9.8附加竖向均布活载标准值: 0 kN/m 附加水平均布活载标准值:0 kN/m 吊车一动力系数:卩1=1.05吊车一横向水平刹车力系数:B 1=0.12 吊车一摆动力系数:a 1=0 4验算控制信息:吊车梁竖向挠度允许值:1/1000 吊车梁水平挠度允许值:1/2200对中级工作制吊车梁按《钢规》要求不进行疲劳验算 5吊车梁截面信息PP‘ d> I,I 1390 I 1650 I2^60L吊车梁示意图截面型号:H-750*300*10*12 用户自定义截面 截面材料类型:Q235 截面每米质量:113.51 kg/m截面几何参数如下截面咼度 H=750 mm上翼缘宽度 B 1 =300 mm 下翼缘宽度 B 2 =300 mm 腹板厚度 Tw=10 mm上翼缘厚度 T f1 =12 mm 下翼缘厚度T f2 =12 mm截面力学参数如下: x 轴毛截面惯性矩 I x 轴净截面惯性矩 I x 轴上翼毛截面抵抗矩 x 轴上翼净截面抵抗矩 =129932.658 cm=122646.136 cm=3464.871 cmA3 =3155.656 cm A3A4A4nxw x7吊车梁截面焊缝信息:吊车梁腹板与上翼缘采用焊透的T 形组合焊缝吊车梁腹板与下翼缘采用部分焊透的 T 形组合焊缝下翼缘坡口深度:S d =4 mm 吊车梁腹板与翼缘焊缝采用:自动焊 8腹板加劲肋信息:横向加劲肋布置方式:两侧成对布置 横向加劲肋端部焊接方式:连续回焊,不断弧 横向加劲肋选用:SB6_Q235 横向加劲肋间距:a=1200 mm 横向加劲肋宽度:65 mm 横向加劲肋端部到下翼缘距离:50 mm吊车梁不配纵向加劲肋和横向短加劲肋 9支座信息:吊车梁采用的支座类型:全部平板式支座,吊车梁下翼缘直接与牛腿栓接 平板支座加劲肋选用:SB6_Q235 平板支座加劲肋宽度:65 mm 加劲肋焊缝焊脚高度:7 mm 平板支座选用:SB20_Q235 平板支座宽度:90 mm 平板支座长度:540 mm轴下翼净截面抵抗矩 轴上翼毛截面抵抗矩 轴上翼净截面抵抗矩 上翼缘有效净面积 A 净截面中和轴高度CWnd =3394.155 cm 3 A3 W =360.403 cm A3W =152.003 cm A2ne=30.84 cmny=361.345 mm吊车梁采用等截面梁: 截面端部高度 h d =400mm 端部x 轴毛截面惯性矩 端部x 轴毛截面静矩 端部x 轴上翼缘静矩 端部x 轴下翼缘静矩 吊车梁制动结构信息: 吊车梁不采用任何制动结构I SS S du dd A4=129932.658 cm A3=1987.245 cm=68.4 cm A3 A3=1328.4 cm10计算参数:梁截面材料屈服强度梁截面材料转换系数上翼缘截面抗拉强度下翼缘截面抗拉强度A2f y=235 N/mmA0 5 C F=(235/235). =1f t=215 N/mm A2A2f b=215 N/mm梁腹板截面抗剪强度:梁腹板端面承压强度:吊车梁焊缝抗剪强度:二.验算结果一览劲肋时ho/Tw 72.60满足平板加劲肋稳定强度比最大1.0 满足0.10 最大1.0伸宽度(mm)65.00满足横向加劲肋厚度(mm)最小4.3 满足7.00 最小6.0脚高度(mm)7.00满足上翼柱侧板件正应力(MPa)最大215满足最大170.00.39平板加劲肋焊缝强度比满足平板加劲肋外最小64.26.00平板加劲肋焊脚高度(mm)满足平板加劲肋焊最大7.010.4受压(上)翼缘宽厚比大15.0 满足72.60 最大250.0缘受压强度比0.52满足下翼缘受拉强度比最大1.0 满足0.31 最大1.0承压强度比0.13满足腹板折算应力强度比最大1.0 满足0.47 最大1.0计算值(mm) 1.58满足水平挠度计算值(mm)不需验算满足T形组合焊缝不验算下翼缘焊缝强度比0.75满足区格I局稳强度比最大1.0 满足0.20 最大1.0局稳强度比0.22满足加劲肋布置方式轻/中级满足1200.00 最大1452.0加劲肋间距(mm)1200.00满足横向加劲肋外伸宽度(mm)最小64.2 满足6.00 最小4.3 12.08 最腹板高厚比满足上翼最大1.00.34端部腹板剪应力强度比满足最大0.29整体稳定强度比满足最大上翼缘焊缝强度比腹板局部1.0竖向挠度6.0满足最大1.00.16区格n局稳强度比满足最大双侧成对横向加劲肋间距(mm)满足横向最小363.065.00横向加劲肋厚度(mm)满足无纵向加区格川1.0f v=125 N/mm"人2 f ce=325 N/mm人2 f w=160 N/mm上翼柱侧角焊缝应力(MPa)4.57 最大160 满足上翼柱侧角焊缝焊脚高度(mm) 6.00 最小4.00满足上翼柱侧角焊缝焊脚高度(mm) 6.00最大5.00 不满足上翼梁柱连接板正应力(MPa)5.95 最大215 满足上翼梁柱螺栓承担剪力(kN) 2.76 最大62.8满足上翼梁柱螺栓轴向边距(mm) 40.0最小33.0 满足上翼梁柱螺栓轴向边距(mm)40.0 最大88.0 满足上翼梁柱螺栓垂向边距(mm) 40.0 最小44.0不满足上翼梁柱螺栓垂向边距(mm) 40.0最大88.0 满足上翼梁柱螺栓间距(mm)80.0 最小66.0 满足上翼梁柱螺栓间距(mm) 80.0 最大90.0满足牛腿最大正应力(Mpa) 43.8最大215 满足牛腿最大剪应力(Mpa)72.3 最大125 满足牛腿最大折算应力(Mpa) 110 最大237满足牛腿翼缘宽厚比7.00最大15.0 满足牛腿集中力截面剪应力(Mpa)84.9 最大125 满足牛腿局部承压应力(Mpa) 0 最大325满足支座螺栓承担剪力(kN) 45.1最大62.8 满足支座螺栓轴向边距(mm)40.0 最小44.0 不满足支座螺栓轴向边距(mm) 40.0 最大96.0满足支座螺栓垂向边距(mm) 50.0最小33.0 满足支座螺栓垂向边距(mm)50.0 最大96.0 满足支座螺栓垫板正应力(MPa) 166 最大215满足支座螺栓垫板角焊缝应力(MPa) 41.3最大160 满足支座螺栓垫板焊脚高度(mm)8.00 最小7.00 满足支座螺栓垫板焊脚高度(mm) 8.00 最大7.00不满足上翼柱加劲肋板件宽厚比10.0最大14.9 满足上翼柱加劲肋板件剪应力(MPa)4.32 最大180 满足上翼柱加劲肋焊缝剪应力(MPa) 3.43 最大200满足牛腿处柱加劲肋板件宽厚比10.0最大14.9 满足牛腿处柱加劲肋板件剪应力(MPa)129 最大180 满足牛腿处柱加劲肋焊缝剪应力(MPa) 103 最大200满足纵向连接螺栓承担剪力(kN) 3.45最大126 满足纵向连接螺栓轴向边距(mm)三.吊车梁截面内力计算:1吊车梁支座处最大剪力Vd计算(参图川):图皿吊车梁支座处最大剪力⑷计算简图竖向附加活载作用下端部剪力V da=0 kN吊车考虑动力系数后最大轮压标准值:P=1.05X 74=77.7 kN吊车竖向荷载作用下端部剪力:V dc=1.4 X 1.03 X 77.7 X (2 X 6000 -1650)/6000=211 kN45.0 最小44.0向边距(mm)45.0满足纵向连接螺栓竖向边距(mm)最小33.0 不满足-20.0 最大88.0螺栓间距(mm)120满足纵向连接螺栓间距(mm)最大96.0 不满足8.00 最大15.0腹板宽厚比53.3满足车挡截面最大剪应力(MPa)最大125 满足120 最大215应力(MPa)129满足车挡集中力处板件宽厚比最大14.9 满足19.4 最大180剪应力(MPa)14.5满足车挡截面最大拉应力(MPa)最大215 满足-129 最小-215应力(MPa)130满足车挡截面腹板焊脚高(mm)最大7.20 满足6.00 最小3.67满足纵向连接螺栓轴最大88.0-20.0纵向连接螺栓竖向边距(mm)满足最小66.0纵向连接120车挡截面自由外伸宽厚比满足车挡截面最大80.037.6车挡截面最大正应力(MPa)满足车挡截面折算最大23710.0车挡集中力处板件剪应力(MPa)满足车挡集中力处焊缝最大200129车挡截面最大压应力(MPa)满足车挡截面综合最大1606.00车挡截面腹板焊脚高(mm)1890 I 1650 I 2^60端部最大剪力计算值:V d=211 kN2跨中最大竖向弯矩Mvm计算(参图W ):P PF—f 睨石f 罔-------------------------------------- ----- --------------- 1卜別DD * 別IJD }團IV跨中最大竖向弯矩hA/nn和勇力Vm计算简因竖向附加活载作用下跨中弯矩M a=0 kN •m吊车考虑动力系数后单轮竖向作用力标准值:P=1.05X 74=77.7 kN吊车荷载合力:F=77.7 X 2=155.4 kN左支座反力:R=155.4X 3413/6000=8 8.38 kN吊车梁跨中弯矩M e计算:M ve=1.4 X 1.03 X (88.38 X 3413 -77.7 X 1650) X 10 心3 =250 kN •m跨中最大弯矩计算值:Mn=250 kN •m3跨中最大竖向弯矩对应剪力Vm计算(参图W ):自重和竖向附加活载作用下端部剪力:A 3V ma=(1.4*g v+1.2*q s)*S/l o=(1.4 X 0+1.2 X 1.135) X 3413/6000 X 10 - =0 kN 吊车考虑动力系数后单轮竖向作用力标准值:P=1.05X 74=77.7 kN吊车荷载合力:F=77.7 X 2=155.4 kN左支座反力:R=155.4X 3413/6000=88.38 kN最大弯矩点左侧剪力计算:V mi=1.4 X 1.03 X (88.38 - 7.77e+004 X 1)=15.41 kN最大弯矩点右侧剪力计算:V mr=V mi-1.4 X 1.03 X 77.7=( -96.64) kN跨中最大弯矩对应的剪力计算值:V m=96.64 kN4吊车梁跨中最大水平弯矩Mhm计算(参图V ):, d> 「i卜1763i- 325L \I L,25eer\30UD } 刘OU ]图V吊车梁跨中最大水平弯矩価rr,计算简图水平附加活载作用下跨中弯矩M a=0 kN •m吊车考虑刹车力系数及其放大后单轮横向作用力标准值:P=0.12X (5+2.126)/2 X g/2=2.095 kN吊车荷载合力:F=2.095 X 2=4.19 kN左支座反力:R=4.19X 3413/6000=2.383 kN吊车梁跨中弯矩M e计算:A 3M he=1.4 X (2.383 X 3413 -2.095 X 1650) X 10 - =6.546 kN-m跨中最大水平弯矩计算值:Mm=6.546 kN -m参图):5跨中最大竖向弯矩标准值Mvk计算SVI跨中最大弯矩标卷值际心嗣伙计算简图竖向附加活载作用下跨中弯矩M ka=0 kN -m吊车单轮最大轮压标准值:P=1.0X 74=74 kN吊车荷载合力:F=74X 2=148 kN左支座反力:R=148X 3850/6000=94.97 kN吊车梁跨中弯矩M kc计算:A 3M vke=1 X 1.03 X (94.97 X 3850 -74X 3400) X 10 - =117.4 kN -m跨中最大弯矩计算值:M k=117.4 kN -m6跨中最大水平弯矩标准值Mhk计算(参图W ):水平附加活载作用下跨中弯矩M ka=0 kN -m吊车考虑刹车力系数及其放大后单轮横向作用力标准值:P=0.12X (5+2.126)/2 X g/2=2.095 kN吊车荷载合力:F=2.095 X 2=4.19 kN左支座反力:R=4.19X 3850/6000=2.689 kN吊车梁跨中弯矩M kc计算:A 3M hkc=1 X (2.689 X 3850 - 2.095 X 3400) X 10 - =3.228 kN •m跨中最大水平弯矩计算值:Mk=3.228 kN •m四.吊车梁板件宽厚比验算:1受压(上)翼缘宽厚比验算:受压翼缘宽厚比限值:[b o/t]=15*(235/f y)A0.5 =15翼缘自由外伸宽度:b o=145 mm翼缘宽厚比:b o/T fi =145/12=12.082腹板高厚比验算:腹板高厚比限值:[h o/t]=250腹板计算高度:h o=726 mm腹板高厚比:h o/T w=726/10=72.6五.吊车梁截面强度验算:1上翼缘受压强度验算:吊车梁不采用制动结构吊车梁无须验算疲劳强度且b o/T f1=12.08< 13,取丫x=1.05吊车梁无须验算疲劳强度,取丫y=1.2E =(M vm/W nx/ 丫x + M m/Wi y/ 丫y)/f tA3=(250/3156/1.05+6.546/152/1.2) X 10 /215 =0.51792下翼缘受拉强度验算:A3E =IMn/W nx1/f b=250X 10 /3394/215=0.34273端部腹板剪应力强度验算:考虑截面削弱系数1.2T =V d*S dx/(l dx*T w/1.2)/f vA2=211X 1987/(1.299e+005 X 10/1.2)/125 X 10 =0.30984最大轮压下腹板局部承压强度验算:考虑集中荷载增大系数后的最大轮压设计值按第一台吊车计算:吊车最大轮压:P max=74 kN轻、中级工作制吊车梁,依《钢规》 4.1.3取增大系数=1.0 F=Y c* 2 * 卩*P max=1.4 X 1 X 1.05 X 74=108.8 kN 梁顶到腹板计算高度上边缘距离:h y=T f1 =12 mm轨道高度:h R=140 mm集中荷载沿跨度方向支承长度取为:50 mm集中荷载在腹板计算高度上边缘的假定分布长度:I z=50+5*h y+2*h R=50+5X 12+2X 140=390 mmA3 A2d c=F/T w| z=108.8 X 10 /10/390=27.89 N/mm腹板抗压强度设计值:f=215 N/mm " 局部承压强度比E =b c /f=27.89/215=0.12975腹板与上翼缘交接处折算应力强度验算:按跨中最大弯矩及其对应的剪力和最大轮压计算计算点局部压应力c =27.89 N/mm "(参见腹板局部承压验算) 计算点正应力计算计算点到中和轴的距离: y i =H-C ny -T fi =376.7 mm CT =M Vm /I n *y 1计算点剪应力计算上翼缘对中和轴静矩: S i =(y i +0.5*T fi )*B i *T fi X 10A-3=1378 cm "3T =V*S i /l x /T w=96.64 X 1378/1.299e+005/10 X 10=10.25 N/mmC 与C C 同号,强度设计值增大系数:B1= 1.1折算应力强度比A2 A2 A2 A0 5E =( C +C C - C * C c +3* T ) . /( B 1*f)A2 A2A2 A0 5=(76.79 +27.89 -76.79 X 27.89+3 X 10.25) ./(1.1 X 215)=0.29446吊车梁整体稳定性验算双轴对称截面:nb=0等截面工字形简支梁 B b 计算: 受压翼缘无支撑长度:I i =6000mm 受压翼缘宽度:b i =300mm 受压翼缘厚度:t i =t f =12mmE =(l i *t i )/(b i *h)=(6000 X 12)/(300 X 750)=0.32跨中无侧向支承,集中荷载作用在上翼缘E <=2.0 ,B b =0.73+0.18 X 0.32=0.7876o b =B b *(4320/ 入 y A2)*(A*h/W x )*{[1+(入 y *t i )A2/件4*h) "f + nb}*(235/fy)A2=0.7876 X (4320/98.13 ) X (1.446e+004 X 750/3.465e+006) X A2A2 A0 5{[1+(98.1 3X 12) /(4.4 X 750) ] .+0} X (235/235)=1.1740 b >0.6 :o b A '=1.07- 0.282/ 0 b =1.07-0.282/1.174=0.8298A'取 0 b = 0 b =0.8298不须验算疲劳强度,取工字形截面塑性发展系数:丫 y=1.2整体稳定强度比:E =(M vn /W x / 0 b +M hm / 丫 y /W<)/fA3A3=(250/3465/0.8298 X 10+6.546/1.2 /360.4) X 10 /215=0.4749=250/ 1.226e+005X 376.7 X 10 A2 =76.79 N/mmA2"2-/六. 吊车梁变形计算:1竖向挠度计算竖向挠度限值:[S ]=l/1000=6 mm人2S =M Vk *l /(El x )人6A2人4=117.4 X 10 X 6000 /(2.06e+005 X 1.299e+005X 10)=1.58 mm(1/3798)2水平挠度计算依《钢规》附录 A.1.2条,无须验算吊车梁及其制动结构的水平变形!七. 翼缘与腹板的连接焊缝验算1上翼缘与腹板连接焊缝验算:上翼缘与腹板采用焊透的 T 形对接与角接组合焊缝,强度满足要求2下翼缘与腹板连接焊缝验算:上翼缘与腹板采用部分焊透的 T 形对接与角接组合焊缝按梁端最大剪力计算:下翼缘焊脚计算高度:h e =S d -3=1 mm 融合线处焊缝截面边长接近于坡口深度 s ,焊缝强度设计值乘以0.9折减下翼缘焊缝强度E =(V d *S dd /l d )*0.5/h e /(0.9*f w )人2=(211 X 1328/1.299e+005)*0.5/1 X 10/(0.9 X 160)=0.7491八. 吊车梁腹板局部稳定验算:1吊车梁腹板加劲肋布置简图(参图区):圉区帯卑壊膛櫃加勒肋席魁简国吊车梁腹板局部稳定由区格川控制 区格川腹板仅设置横向加劲肋2吊车梁局稳验算内力影响线输出: 单位力作用于 X 处时,X L 到X R 区间的平均剪力为:1Z-/当X<=X 时:V mea=-X/L当X L<X<X时:V mean=((L-X L-X R)*X-L*X L)/L/(X R-X L)当X>=R 时:V mea=1-X/L单位力作用于X处时,X L到X R区间的平均弯矩为:当X<=X时:Mn ean=0.5*X*(2*L-X L-X R)/L当X L<X<>R 时:A2 A2Mn ean=0.5*((L-X)*(X -X L )+X*(2*L-X-X R)*(X R-X))/L/(X R-X L)当X>=>R时:Mn ean=0.5*(L-X)*(XL+X R)/L3吊车梁区格川局稳验算内力计算(参图川):崔2站口] 120D 屮1S90 I 1650 I 2220图X吊车梁区格III局稳验算内力计算简图区格川左端坐标:X L=2340 mm区格川右端坐标:X^=3540 mm吊车一考虑动力系数后最大轮压标准值:P=74X 1.05=77.7 kN吊车一下为轻、中级工作制吊车梁,依《钢规》吊车梁区格川最大集中力设计值计算:吊车轮压力仅有P作用于川内F=1.4 X 77.7 X 0.9=97.9 kN吊车梁区格川平均剪力设计值计算:V mean=1.4 X 1.03 X {( -77.7 X 1890/5880)+A 377 .7 X (5880 - 3540)/5880} X 10 -=8.575 kN吊车梁区格川平均弯矩设计值计算:M mear=1 .4 X 1.03 X{77.7 X 1890X (2 X 5880 -2340- 3540)/5880 X 0.5+77.7 X (5880 - 3540) X (2340+3540)/5880 X 0.5} X 10 =237 kN •m4吊车梁区格川局部稳定验算吊车梁腹板区格川的横向加劲肋间距为:a=1200 mm区格川腹板计算高度:h o=H-T f1 -T f2 =726 mm区格m截面中和轴咼度:C y m =375 mm区格川截面对X轴关系矩:I x m =1.299e+005 cm区格川腹板计算高度边缘到中和轴距离:h c m =H-T f1-C y m =363 mm区格m腹板计算高度边缘应力计算:4.3.1取折减系数: =0.9-/A2 A2d =Mn ean*h c/I x m =237X 363/1.299e+005 X 10 =68.39 N/mmT =V mear/h o/T w=8.575/726/1O X 10 A3=1.181 N/mm A2A3 A2d c=F/L z/T w=97.9/390/10 X 10 =25.1 N/mm正应力单独作用下的临界应力计算:腹板区格川受压区高度:h c=H-C y-T fi =363 mm入b=2*h c/T w/177/C f=2X 363/10/177/1=0.4102入b< 0.85,取d cr=f w=215 N/mm"剪应力单独作用下的临界应力计算:a/h 。
吊车梁计算书同济大学 3D3S 软件*****吊车梁计算书*****工程名:设计单位:计算人:计算时间:Thu Jun 16 11:23:23 2016工程负责人:检查:审核:[设计资料]吊车数:1台吊车工作级别:A1-A3吊车的轮数2吊车轮子间间距a1=0.25m, a2=3m, a3=0m最大轮压标准值42.3KN横向荷载标准值1.5KN竖向轮压动力系数1.05钢材类型:Q235支座形式:突缘式吊车梁长度6m轨道高度120mm建筑允许高度10m控制挠度值1/800欠载系数0受拉翼缘与腹板连接处焊缝及附近的主体金属疲劳应力幅0N/mm^2 横向加劲肋端点处手工焊缝附近的主体金属疲劳应力幅0N/mm^2 无制动结构支撑数:0(1)截面特征计算吊车梁高度h=400 mm腹板厚度tw=6 mm上翼缘宽度bs=250 mm上翼缘厚度ts=10 mm下翼缘宽度bx=200 mm下翼缘厚度tx=10 mm吊车梁截面面积A=6780 mm^2吊车梁X轴惯性矩Ix=1.97184e+008 mm^4吊车梁X轴抵抗矩Wx1=1.0623e+006 mm^3吊车梁X轴抵抗矩Wx2=919785 mm^3吊车梁Y轴抵抗矩Wy=157555 mm^3吊车梁上翼缘截面对Y轴抵抗矩Wy1=104167 mm^3(2)内力计算荷载增大系数η1 =1.05吊车竖向荷载标准值 P=1.05x42.3=44.415KN吊车竖向荷载设计值 P=1.4x1.05x1.05x42.3=65.29KN吊车横向荷载标准值 T=1.5KN吊车横向荷载设计值 T=1.4x1.5=2.1KN吊车梁的最大设计弯矩 Mmax=110.177 kN*m吊车梁的最大设计弯矩处相应的设计剪力 Vc=48.968 kN梁端支座处的最大设计剪力 Vcmax=97.935 kN吊车梁在水平荷载作用下的最大设计弯矩 MTmax=3.544 kN*m 局部承压验算的集中荷载设计值 F=62.181 kN(3)承载力验算1)强度验算上翼缘:最大正应力σ=Mmax/Wx1 + MTmax/Wy1=137.74N/mm2<="" p="">下翼缘:最大正应力σ=Mmax/Wx2 =119.79 N/mm^2<="" p="">腹板:最大剪应力τ=1.2Vcmax/h0/tw =51.54 N/mm^2<="" p="">ψ=1,lz=50+2x120+5x10=340 mm局部压应力σc=ψF/tw/lz =30.48 N/mm^2<="" p="">2)整体稳定验算因 6000/250=24>13 ,所以需要验算吊车梁的整体稳定梁的整体稳定系数Фb = 0.808整体稳定应力σ=Mmax/Фb/Wx1 + MTmax/Wy1=162.43N/mm^2<="" p="">3)刚度验算吊车梁的竖向挠度验算按一台吊车荷载标准值作用下产生的最大弯矩 Mkx=74.95 kN*m 挠度 v=Mkx*l*l/10/E/Ix=6.64mm < [v]=7.5mm,满足4)疲劳验算本吊车为A1-A3工作级别吊车,不必进行疲劳验算。
钢结构设计计算一、屋架类型由于车间内部设有二台t 5锻锤,厂房内桥式吊车为二台150/30t(中级工作制),又具有加热设备炉。
拟采用钢筋混凝土柱,梯形钢屋架,柱的混凝土强度等级为30C ,屋面坡度L L i ;10/=为屋架跨度。
二、钢材及焊条根据该地区的冬季计算温度和荷载性质,钢材钢材采用345Q ,屋架连接方法采用焊接,焊条选用50E 型,手工焊。
三、屋架形式及几何尺寸1、屋架计算跨度 mm l l 207003002100015020=-=⨯-=屋架端部高度 mm H 19900=屋架中部高度 mm i H H 30402210001.01990210=⨯+=+= 屋架的高跨比 9.6/121000/3040/==l H屋架沿水平投影面积分布的自重,按公式P=(0.12+0.011跨度)计算跨度(m ),即p=0.12+0.011×21=0.351kN/㎡,则 P=2/351.0m kN2、支撑布置根据车间长度90m ,屋架跨度21l m =荷载情况,以及吊车、锻锤设置情况,布置三道上、下弦横向水平支撑,两道纵向水平支撑,垂直支撑和系杆,屋脊节点及屋架支座处沿厂房通长布置刚性系杆,屋架下弦沿跨中通长设一道柔性系杆。
凡与支撑连接的屋架编号为2GWJ -,其余编号均为1GWJ -,其中屋架间距取15m ,两端和中间共6榀屋架。
四、荷载和内力计算 4.1荷载计算永久荷载标准值:三毡四油(上铺绿豆砂)防水层 2/4.0m kN水泥沙浆找平层 2/4.0m kN 保温层 20.65/kN m 一毡二油隔气层 2/05.0m kN 水泥沙浆找平层 2/30.0m kN 预应力砼屋面板 2/45.1m kN 屋架及支撑自重 2/351.021011.012.0m kN =⨯+合计 23.60/kN m可变荷载标准值:屋面活荷载 20.7/kN m 积灰荷载 2/0.1m kN 合计 21.7/kN m永久荷载设计值:21.2 3.60 4.132/kN m ⨯= 可变荷载设计值:21.4 1.7 2.38/kN m ⨯=4.2荷载组合4.2.1全跨永久荷载 +全跨可变荷载屋架上弦节点荷载:2(4.32 2.38) 1.5660.3/P kN m =+⨯⨯=支座反力: 260.3(1/227)482.4/A R kN m =⨯⨯+=4.2.2全跨永久荷载 +半跨可变荷载屋架上弦节点荷载: P (全)24.32 1.5638.88/kN m =⨯⨯=P (半)22.38 1.5621.42/kN m =⨯⨯=4.2.3全跨屋架与支撑+半跨屋面板+半跨屋面荷载全跨屋架和支撑自重产生 的节点荷载:P (全)21.20.35 1.56 3.78/kN m =⨯⨯⨯=P (半)2(1.2 1.45 1.40.7) 1.5624.48/kN m=⨯+⨯⨯⨯=21米跨屋架几何尺寸21米跨屋架半跨单位荷载作用下各杆件的内力值Aa cegg'e'c'a'+3.0100.000-5.310-7.339-6.861-5.319-3.923-2.1620.00-5.641-2.633-0.047+1.913+1.367+1.570+1.848+3.960+1.222-1.039-1.200-1.525-1.776-2.043-1.0-1.0-1.00.000.000.00-0.5+6.663+7.326+5.884+4.636+3.081+1.090BCD EF GHG 'F 'E 'D 'C 'B 'A '0.5 1.01.0 1.01.01.0 1.0 1.0 21米跨屋架半跨单位荷载作用下各杆件的内力值 4.3杆件内力计算杆件名称杆内力系数(P=1)组合一组合二组合三计算内力全垮①左半跨②右半跨③P ①N(左)=P(全)×①+P(半)×②N(右)=P(全)×①+P(半)×③N(左)=P(全)×①+P(半)×②N(右)=P(全)×①+P(半)×③上弦杆AB 0.0 0.0 0.0 0.0 0.0 0.0 0.0BD -7.472 -5.301 -2.162 -483.532 -392.222-324.791-158.233-81.170-483.532 DF -11.262 -7.399 -3.923 -660.967 -576.936-503.765-222.229-138.605-660.967FH -12.18 -6.861 -5.319 -734.454 -600.911-567.882-213.998-176.250-734.454下弦杆ac 4.100 3.010 1.090 240.629 217.281176.15589.18342.181240.629ce 9.744 6.633 3.081 571.875 505.880429.154199.943112.255571.875 eg 11.962 7.326 4.636 702.050 602.747545.127224.557158.706702.050 gh 11.768 5.884 5.884 709.61 564.629564.629188.523188.523709.61斜腹杆aB-7.684 -5.641 -2.043 -463.345 -407.213-330.144-167.137-79.058-463.345 Bc5.808 3.960 1.848 350.22 301.287256.048118.89567.193350.22 cD-4.409 -2.633 -1.776 -265.86 -220.722-202.365-81.122-60.143-265.86 De2.792 1.222 1.570 168.357 130.233137.68740.46848.987168.357 eF-1.572 0.047 -1.525 -94.792 -59.595-91.2547.093-43.274-94.7927.093 Fg0.328 -1.039 1.367 19.78 34.48043.26-26.67534.70443.26-26.675 gH0.713 1.913 -1.200 41.84 63.909-52.27849.525-32.07163.909-52.278竖杆aA-0.5 -0.5 0 -29.345 -29.345-14.673-14.13-1.89-29.345 cC-1.0 -1.0 0 -60.03 -60.03 -28.26-3.78-60.03 eE-1.0 -1.0 0 -60.03 -60.03 -28.26-3.78-60.03 gG -1.0 -1.0 0 -60.3 60.03 -28.26 -60.03-3.78五、截面杆件设计 5.1 上弦杆腹杆最大内力463.345N kN =-,节点板厚度选用mm 10,支座节点板厚度选用mm 12。
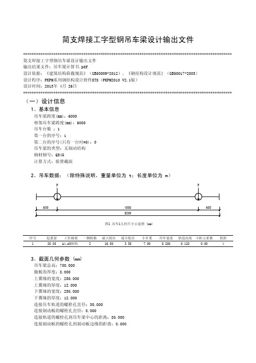
简支焊接工字型钢吊车梁设计输出文件************************************************************************************************* 简支焊接工字型钢吊车梁设计输出文件输出结果文件:吊车梁计算书.pdf设计依据:《建筑结构荷载规范》(GB50009-2012)、《钢结构设计规范》(GB50017-2003)设计程序:PKPM系列钢结构设计软件STS(PKPM2010 V2.1版)设计时间:2013年 4月 26日************************************************************************************************* (一)设计信息1、基本信息吊车梁跨度(mm):6000相邻吊车梁跨度(mm):6000吊车台数 :1第一台的序号:1第二台的序号(只有一台时=0):0吊车梁的类型:无制动结构钢材钢号:Q345计算方式:验算截面2、吊车数据:(除特殊说明,重量单位为 t;长度单位为 m)P P60040006005200图1 吊车1几何尺寸示意图 (mm)序号起重量工作级别一侧轮数最大轮压最小轮压小车重吊车宽度轨道高度卡轨力系数轮距120.05A4,A5软钩 216.50 3.557.00 5.2000.1200.0043、截面几何参数 (mm)吊车梁总高:700.000腹板的厚度:8.000上翼缘的宽度:230.000上翼缘的厚度:12.000下翼缘的宽度:230.000下翼缘的厚度:12.000连接吊车轨道的螺栓孔直径:30.000连接制动板的螺栓孔直径:0.000连接轨道的螺栓孔到吊车梁中心的距离:80.000连接制动板的螺栓孔到制动板边缘的距离:0.0004、吊车梁、制动梁的净截面截面特性:吊车梁重心位置(相对于下翼缘下表面)(m):0.325737吊车梁对于x轴的惯性矩(m4): 0.000767947吊车梁对于x轴的抵抗矩(m3): 0.00205189制动梁对于y轴的惯性矩(m4): 7.505e-006制动梁对于y轴的抵抗矩(m3): 6.52609e-005(二)计算结果1、吊车梁截面内力计算:(1)梁绝对最大竖向、水平弯矩(标准值)计算:P P300030006000图2 梁绝对最大竖向、水平弯矩(标准值)计算简图 (mm)最大弯矩对应梁上的轮子序号(从左到右):1最大弯矩对应梁上有几个轮:1最大弯矩对应轮相对梁中点的距离(轮在中点左为正):0.000吊车最大轮压(标准值)产生的最大竖向弯矩:242.723吊车横向水平荷载(标准值)产生的最大水平弯矩:9.930吊车最大轮压(kN),按每台吊车一侧的轮数排列:161.816 161.816吊车横向水平荷载(kN),按每台吊车一侧的轮数排列:6.620 6.620吊车轮距,按每台吊车一侧的轮数排列:4.000(2)梁绝对最大竖向、水平弯矩(设计值)计算:绝对最大竖向弯矩:363.939绝对最大水平弯矩(由横向水平制动力产生):13.901考虑其他荷载作用时绝对最大竖向弯矩设计值增大:0.000考虑其他荷载作用时绝对最大水平弯矩设计值增大:0.000(3)梁绝对最大剪力(设计值)计算:P P400020006000图3 梁绝对最大剪力(设计值)计算简图 (mm)绝对最大剪力(标准值):215.754绝对最大剪力(设计值):323.502计算最大剪力对应的轮子序号(从左往右):1考虑其他荷载作用时绝对最大剪力设计值增大:0.0002、吊车梁上翼缘宽厚比计算:吊车梁上翼缘自由外伸宽度与其厚度的比值B f/T f = 9.250 ≤ [B f/T f] = 12.3803、吊车梁截面强度验算:(1)梁截面应力、局部挤压应力计算:上翼缘最大应力σu = 390.381 > [σu] = 310下翼缘最大应力σd = 154.370 ≤ [σd] = 310平板支座时的剪应力τ = 66.195 ≤ [τ] = 180突缘支座时的剪应力τ1 = 71.783 ≤ [τ1] = 180吊车最大轮压作用下的局部挤压应力σc = 84.953 ≤ [σc] = 310吊车横向荷载作用下的制动梁(或桁架)边梁的应力σ = 0.000 ≤ [σ] = 310(2)无制动结构的吊车梁整体稳定计算:吊车梁对于x轴的毛截面抵抗矩(m3): 0.00245474吊车梁对于y轴的毛截面抵抗矩(m3): 0.0001058整体稳定系数:0.488整体稳定应力σstab = 435.475 > [σstab] = 3104、吊车梁疲劳计算:注:a.吊车荷载按起重量最大的一台吊车确定,采用标准值b.采用循环次数为2000000次的容许应力幅(N/mm2)c.欠载效应的等效系数取αf=0.5用于疲劳计算的绝对最大竖向弯矩:242.723用于疲劳计算的绝对最大竖向剪力:215.754上翼缘与腹板连接处腹板的疲劳应力(连接类别2)αΔσ=47.745 ≤ [Δσ]=144下翼缘与腹板连接处腹板的疲劳应力(正应力 连接类别4)αΔσ=47.745 ≤ [Δσ]=103 下翼缘与腹板连接处角焊缝的疲劳应力(剪应力 连接类别8)αΔτ=14.192 ≤ [Δτ]=59 下翼缘往上50mm处腹板的疲劳应力(连接类别4)αΔσ=40.682 ≤ [Δσ]=103计算满足。
吊车梁牛腿计算书一、设计资料砼:C35f c=16.7N/mm2 f ck=23.40N/mm2f t=1.57N/mm2 f tk=2.2N/mm2主筋:HRB335, f y=300N/mm2箍筋:HPB235, f y=210N/mm2弯筋:HRB335, f y=300N/mm2裂缝控制系数:β=0.65竖向力作用点至下柱边缘水平距离:a=1200+550-1600+20=170mm 下柱边缘到牛腿外边缘水平长度:C=550mm牛腿宽度b=700mm,上柱宽1200mm,下柱宽1600mm钢筋外形系数:δ=0.16牛腿至下柱交接处的垂直界面高度:h=1600mm牛腿外缘高度h1=1000mm钢筋保护层厚度a s=35mm竖向压力标准值:F vk=1450KN水平压力标准值:F hk=145KN竖向压力设计值:F v=1450×1.2=1740KN水平压力设计值:F h=145×1.2=174KN二、牛腿的计算:1.牛腿裂缝控制反算根据牛腿裂缝控制计算公式: F v k ≤β(1-0.5vkhk F F )a5.0f 0h tkbh +β——系数,重级工作制吊车取0.6 a ——取170mm F hk ———145000Nf tk ————C35砼抗拉强度标准值取2.2Nmm 2 b ——牛腿的宽度取700mm h 0————16000-50=15950mm 代入上式得 F v k ≤0.6×(1-0.5×vkF 145000)×159501705.0159507002.2+⨯⨯F vk 2-28860394.12F v +2.1×1012≤0 F vk ≤28787445.5N=2878吨说明:上述垂直荷载标准值满足上述条件,牛腿即不开裂。
2.根据牛腿的配筋(反算)垂直荷载标准值根据力学公式: As ≥0.F h yR av f +0000r F h yr a h h f s )(+规范取r 0=0.85, 0000r r h a h s+=1+0r h a s ≌1.2上述公式又表述为:As ≥085.0F yh v f a+1.2y f h F上式:As ——5Φ32=41×3.14×322×5=4019.2mm 2Fv ——145000Na ——a 为170mm <0.3h 0时取0.3h 0=4785mm f y ——Ⅱ级钢取300N/mm2h 0——15950mmF h =145000×1.2=174000N 代入上式得: 4019.2≥159503000.85F 4785V⨯⨯+1.2×300174000F V ≤2824720N=282吨根据上述计算荷载设计值小于282吨可以满足要求,按1.4 分项系数考虑标准值F VK ≤201吨即满足要求. 4、局部承压:AF VK ≤0.75f cF VK ≤0.75×2.2×500×500=412500N=412.5吨 根据上述计算荷载标准值小于412吨可满足要求 5、其它构造配筋符合裂缝控制要求(上述反算是建立在F hk =145000N 基础上的)。
第二部分 钢混吊车梁设计部分一、吊车梁截面型式此电站单机容量为3.5万KW ,电站的吊车梁为两跨连续梁,跨长为7米,梁的截面形式为T 型,其截面尺寸如图所示。
吊车跨度m L K 14=,根据最大起重重量3G =23t ,选用30t 单小车桥式起重机。
吊车其他数据为:吊车轮距K=0m ,吊车主钩极限位置m l 1.11=,吊车重1G =26.1t ,单个小车重t G 5.92=,吊车两边轮数m=1,吊车轨道及埋件600N/m 。
1、高度:根据T 型梁截面混凝土梁的截面一般为跨度的1/5~1/8,即为7000/5~7000/8,即1400~875,取h=900mm 。
2、梁肋宽:梁肋宽为梁高的1/2~1/3,即450~300,取b=400mm 。
3、翼板厚度:翼板厚度常为梁的1/7~1/10,但不小于100mm ,故取为150mm 。
4、翼板宽度除考虑受力要求外,还应有足够尺寸以布置钢轨及埋件钢轨附件,一般不小于350mm ,在梁端部,肋宽宜适当加大,以利于主筋的锚固。
5、设计原则及混凝土标号、钢筋型号按《混凝土结构设计规范(GBJ-8为9)》。
吊车梁混凝土标号为C40,纵筋Ⅱ级,箍筋为Ⅰ级。
二、吊车梁荷载计算2.1、均布恒荷载q (取单位长度为1m 计算) (1)、吊车梁自重:N/m 109360.1024)6.015.04.075.0(q 431⨯=⨯⨯⨯+⨯=(2)、砂浆抹平层(3cm 容量为34/102m N ⨯)及埋件重(m N /600) N /m 10960.010)06.06.003.02(q 442⨯=⨯+⨯⨯= (3)、均布荷载: N /m 1003.110)096.0936.0(q 44⨯=⨯+= 2、垂直最大轮压:N t p 4104.224.22⨯== 3、横向水平制动力:T 0=1.633N 410⨯三、吊车梁内力计算3.1、在垂直作用下(1)、弯矩计算:从《水工钢筋混凝土结构学》附录表中应得n a 和n k 值。
吊吊车车梁梁计计算算书书一. 设计资料吊车情况:1台吊车;编号:3 工作制:轻级, 吊钩形式: 硬钩;起重量:Q=20吨,小车重:g=1吨;最大轮压:P max =100千牛最小轮压:P min =20千牛吊车一侧的轮数:n=2个吊车轮子间间距:a 1=3m钢材类型:Q235B支座类型:平板式;吊车梁跨度:L=6m吊车梁计算长度:L y =6m轨道高度:0.14允许挠度比:1/600=0.001667二. 设计荷载和内力考虑轨道重量及吊车梁自重的增大系数:1.02动力系数:1.05;max 1P P Q γα=竖向荷载标准值:P=1.02×1.05×100=107.1千牛竖向荷载设计值:P=1.4×107.1=149.94千牛 10201⨯+=n Q Q T η 横向荷载标准值:T=0.1×(200+10)/2=10.5千牛横向荷载设计值:T=1.4×10.5=14.7千牛吊车梁的最大竖向设计弯矩: ()L a L P M 420-∑= M max =253.024千牛·米吊车梁的最大竖向设计弯矩处相应的设计剪力:V=112.455千牛 吊车梁端支座处的最大设计剪力: ⎪⎭⎫ ⎝⎛-+=L a P P V 1211 V max =224.91千牛吊车梁的最大水平设计弯矩:M t =24.806千牛·米三. 截面特性吊车梁高度h=56cm腹板厚度t=1.2cm上翼缘宽度b f =32cm上翼缘厚度t f =1.4cm下翼缘宽度b f1=32cm下翼缘厚度t f1=1.4cm吊车梁面积A=153.44cm 2;吊车梁X 轴惯性矩I x =81849.495cm 4;吊车梁Y 轴惯性矩I y =7653.527cm 4;吊车梁X 轴抵抗矩W x =2923.196cm 3;吊车梁Y 轴抵抗矩W y =478.345cm 3;吊车梁X 轴转动惯量r x =23.096cm;吊车梁Y 轴转动惯量r y =7.063cm;吊车梁最大面积矩S max =1647.576cm 3;四. 验算1 强度验算: f W M W M nyy nx x ≤+=max σ 上翼缘正应力σ=253.024×106/2923196.251+24.806×106/238933.329=190.378N/mm2≤215N/mm 2,合格。
计算:(1).行车基本数据计算:G1,k=448.46KN , G2,k=165.54KN, G3,k=500KN, P max,k=437KN说明G1,k为大车重量,G2,k为小车重量,G3,k为额定起吊重量,P max,k为最大轮压标准值P min,k=( G1,k+ G2,k+ G3,k)/2- P max,k=(448.46+165.54+500)/2-437.1=120KN利用如图所示的简支吊车梁支座反力影响线计算D max,k ,D min,k(按两台车考虑)D max,k=βP max,k∑y i=1X437(1+0.286)=1X437X1.286=562KND min,k=βP min,k∑y i =1X120X1.286=154.32KN纵向水平荷载:T纵向水平,k =α,∑P max,k=0.1X437=43.7KN横向水平荷载:T总横向水平,k =α(G2,k + G3,k)=0.1X(165.54+500)=66.55KNT横向水平,k =α(G2,k + G3,k)/4=66.55/4=16.64KNT max横向水平,k =βT横向水平,k∑y i =1.0X16.54X1.286=21.27KN由上部数据可知行车牛腿最大荷载为竖向荷载D max,k=562KN,水平荷载T max横向=21.27KN水平,k(2).吊车梁基本数据计算:A.吊车的计算跨度7000mm,梁上部荷载按P max,k=437KN(按一台车考虑)a. 跨中截面C 的最大弯矩,临界荷载为437KNMc max =437X1.75=764.75KN.mb. 绝对最大弯矩合力为437KNR 至临界荷载(437KN )的距离a 由合力矩定理求得:a=0mM max = Mc max =764.75KN.m所以可知吊车梁的绝对最大弯矩为764.75KN.M (标准值) 对应的水平最大水平推力产生弯矩M 水(吊车梁)= M max X T 横向水平,k / P max,k =764.75X 21.27/437=37.22KN.M由剪力包络图可知:V max = P max,k ∑y i =437X (1+0.286)=437X1.286=5627KN (标准值)由上可得出吊车梁计算的基本数据:(标准值)M max =764.75KN.M M 水(吊车梁)=37.22KN.M V max =562KN吊车梁自重:(0.6X0.2+0.8X0.35)X25=10KN/M轨道自重:0.64KN/M∑=10+0.64=10.64KN/M恒载:M=1/8ql 2=1/8X10.64X72=65.17KN.MV=1/2ql=1/2X10.64X7=37.24KN一.吊车梁计算: 1. 承载力极限状态 承载力计算(按一台车考虑) M=1.2X65.17+1.4X1.05X764.75=78.21+1124.2=1202.41KN.MV=1.2X37.24+1.4X1.05X562=44.69+826.14=870.83KN判断T 形梁截面类型Mu=α1f c b f ’ h f ’(h 0- h f ’/2)=1.0X16.7X600X200(1000-25-200/2)=1753.5KN.M>M=1202.41KN.M所以为第一种类型a s =M/α1f c bh 02=1202.41KN.M/1.0X16.7X350X(1000-25)2=0.269112s ξα=--=1120.269--⨯=0.320(112)/20.5(1120.320)0.8=+-=⨯+-⨯=S S γα()62S 0A /1202.4110/3000.81000255138.5==⨯⨯⨯-=y s M f h mm γ选配11二级25(A S =5401mm 2)0/5401/[350(100025)] 1.58%==⨯-=S A bh ρ00.2%/0.2%1000/9750.205%>=⨯=h h满足最小配筋条件2.正常使用极限状态正常使用极限状态验算(按一台车考虑)标准组合:M 标=65.17+764.75=829.92KN.M准永久组合:M 准=65.17+0.5X764.75=446.545KN.MNo. b h bfu bfd hfu hfd dfu dfd as as` lo Lxo Lyo 1 350.1000. 600. 350. 200. 0. 0. 0. 35. 25. 7000. 4000. 4000. --------------------------------No. C fy fyv N Mk Mq VX VY T Asb Asw kzdj Kzzh 1 35. 300. 210. 0. 830. 447. 0. 200. 0. 0. 0. 5 0 编号 No: 1.** 裂缝宽度验算 **受拉钢筋面积 As (mm2): 5401.001受拉钢筋等效直径 deq(mm): 25.000构件受力特征系数αcr: 2.100有效受拉钢筋配筋率ρte: 0.024标准组合荷载下受拉钢筋的应力σsk: 183.027纵向受拉钢筋应变不均匀系数ψ: 0.774最大裂缝宽度Wmax(mm): 0.195** 刚度挠度计算 **纵向受拉钢筋配筋率ρte: 0.031考虑荷载长期效应对挠度增大系数θ: 2.000受弯构件的短期刚度Bs(kN.m2 /E12): 636021.875受弯构件长期刚度Bl(kN.m2 /E12): 413522.719受弯构件挠度值(mm): 10.244受弯构件相对挠度的倒数(lo/f): 683.335综上可知梁配筋为11二级25(A S =5401 mm 2)0/5401/[350(100025)] 1.583%==⨯-=S A bh ρ3.箍筋计算:V=562KNa.验算截面尺寸:h w =h 0- h f ’=1000-25-200=775mmh w /b=775/350=2.214截面符合要求b.验算是否需要计算配置箍筋验算是否需要计算配置箍筋00.70.7 1.573501000384.65=⨯⨯⨯=t f bh KN < V=562KN 故需进行配箍计算c.只配箍筋而不用弯起钢筋t 0yv SV10V 0.7f bh 1.25f .(n.A /s).h <+562000=0.7X1.57X350X1000+1.25X210Xn.A S /SX1000 n.A S /S=(562000-384650)/(1.25X210X1000)n.A S /S=0.6752X78.5/150=1.05>0.675(满足) 配箍率 ρsv = n.A S /bS=2X78.5/350X150=0.299%最小配箍率ρsvmin =0.24f t / f yv =0.24X1.57/210=0.179%满足配箍条件4.水平刹车力对应的翼缘配筋 A S =M/0.9f y h 0=1.4X1.05X37220000/[0.9X300X(650-25)]=324.23选配2二级16 A S =402.2。
混凝土吊车梁计算书设计:____________校核:____________审核___________日期________一、基本数据(一)、吊车及吊车梁基本数据吊车数据:1、吊车起重量Q= 16 t2、吊车跨度= 16.5 m3、吊车总重G=15 t4、小车重量g= 1.37 t5、最大轮压Pmax= 12.5 kN6、吊车总宽B= 2.8 m7、吊车轮距W= 2.5 m8、吊车数量n= 两台吊车梁数据:1、吊车梁宽b= 200 mm2、上翼缘宽bf= 200 mm3、吊车梁高h= 500 mm4、上翼缘高hf= 0 mm5、吊车梁跨度L= 6000 mm(二)、材料信息混凝土材料:C30 f c=14.3 N/mm2f t=1.43 N/mm2f tk=2.01 N/mm2钢筋:纵筋:HRB 335 f y=300 N/mm2箍筋:HRB 335 f yv=300 N/mm2(三)、其他信息吊车工作级别:A4 中级动力系数μ:1.05钢筋混凝土保护层厚度:25 mm裂缝宽度限制:0.2 mm挠度计算限制:1/600 Lo二、正截面设计(一)计算吊车梁的绝对最大弯矩位置计算长度取为:L0= 5.8 m由结构力学可判断,吊车轮按上述作用时才能产生绝对最大弯矩计算可得:合力R = 3×μ×Pmax = 52.5 kNa0 = B-W2= 0.15 m(二)正截面配筋计算1、内力计算吊车梁自重:q1 = 25×[b×h+(b f-b)×h f] = 2.5 kN/m轨道联结重:q2 = 1.5 kN/m自重总和:q = q1 + q2 = 4 kN/m由自重在k点产生的弯矩:Mqk = qx2(Lo-x) = 16.81 kN・m由吊车荷载在k点产生的弯矩:Mpk = R(L0-a0)24L0= 39.43 kN・m总弯矩:M maxk = M qk + M pk= 56.24 kN・m2、按T型梁计算配筋按照混凝土规范7.2.2条a s = 35 mmh0 = h-2a s = 430 mmM = f c b f h f(h0-h f/2) = 0 < M maxk = 56.24 属于II类T型截面3验算垂直截面的双向受弯强度每个轮子产生的刹车力:T = 0.25×α(Q+g)×9.8 = 4.26 kN为简化计算,假设每个轮子都作用在吊车梁跨中,由水平力产生的弯矩为:M H =nT4Lo = 24.708 kN ・m 可见,水平方向产生的弯矩很小,双向受弯强度验算可以忽略 三、斜截面设计(一)复核截面条件吊车梁自重荷载作用下产生的剪力: V 1 = 0.5×q×Lo = 11.6 kN 吊车荷载按下图作用时产生最大剪力:由结构力学可知:V 2 = μP max (4-2B+WLo ) = 28.51 kN 最大总剪力:V = V 1 + V 2 = 40.11 kN 由混凝土规范7.5.1条:0.25βc f c bh 0 = 307.45 kN > V 截面满足要求 (二)计算所需箍筋1、确定计算方法y a = ΣI y y iΣI y = 112 h f b f 3×12 h f +112 (h-h f )b 3×(h/2+h f /2)112 h f b f 3+112 (h-h f )b 3= 250 mm 每个吊车轮产生的扭矩: m t = 0.7[μP max ×0.02+T(y a +0.2)] = 1.53 kN ・m则支座截面产生的最大扭矩为:T = 1.4×m t ×(4-2B+2WLo ) = 4.65 kN ・m 构件截面信息腹板: W tw = b 2(3h-b)/6 = 8666666.66666667mm 3 翼缘: W tf = h f 2(b f '-b)/2 = 0mm 3W t = W tw + W tf = 8666666.66666667 mm 3 由混凝土规范7.6.1V bh 0 + T0.8W t= 1.1371 < 0.25βc f c = 3.575截面尺寸满足按弯剪扭共同作用的构件计算腹板受扭矩: T w = W twW t ×T = 4.650 kN ・m翼缘受扭矩: T f ' = W tfW t×T = 0.000 kN ・m2、腹板配筋计算A cor = b cor h cor = 67500 mm 2 u cor = 2×(b cor + h cor ) = 1200 mma.腹板受扭箍筋计算,按混凝土规范7.6.8:T = 0.35f t βt W t + 1.2ζ f yv A st1A cor sβt =1.51+0.5 VW tTbh 0= 0.93 A st1s = T w -0.35βt f t W tw1.2ζ f yv A cor= 0.032136 mm 2/mm b.腹板受剪箍筋计算,按混凝土规范7.6.8:A sv1s = V -0.7(1.5-βt )f t bh 01.25f yv h 0= 0.045301 mm 2/mm腹板所需单肢箍筋总面积为:A st1s + A sv1s= 0.0547865 mm 2/mm实际配置:8@100 满足c.腹板抗扭纵筋计算,按混凝土规范7.6.4-2:A stl = ζf yv A st1u corf y s= 23.14 mm 2 构造配置钢筋3、翼缘配筋计算b 'cor = b f - b - 50 = -50 mm h 'cor = h f - 50 = -50 mmA 'cor = b 'cor ×h 'cor = 2500 mm 2 U 'cor = 2(b 'cor + h 'cor ) = -200 mm a.翼缘抗扭箍筋计算,按混凝土规范7.6.8:A st1s = T f -0.35βt f t W tf1.2ζ f yv A cor= 0.000 mm 2/mm 实际配置:8@100 满足b.翼缘抗扭纵筋计算,按混凝土规范7.6.4-2:A stl = ζf yv A st1u corf y s= 0.00 mm 2 构造配置钢筋四、验算吊车梁疲劳强度(一)验算正截面疲劳强度1、验算受压区混凝土边缘纤维的应力 一台吊车产生的最大弯矩:由结构力学可判断,吊车轮按上述作用时才能产生绝对最大弯矩计算可得:合力R = 2×μ×Pmax = 26.25 kNa0 = B-W2= 0.15 m由自重在k点产生的弯矩:Mqk = qx2(Lo-x) = 16.82 kN・m由吊车荷载在k点产生的弯矩:Mpk = μP max(L0-a0)22L0= 38.06 kN・m总弯矩:M maxk = M qk + M pk= 54.88 kN・mαf E= E sE f c= 13.33先假定中和轴通过翼缘,换算截面的受压区高度:b2x02 - αfE A s(h0 - x0) = 0 公式见《钢筋混凝土结构计算手册》P624简化:Ax02 + Bx0 + C = 0 其中:A = 100B = 20593.2504C = -9266962.68解方程得:x0 = 218.39mm >h f = 0 mm 所以须按下列公式重新计算:b f2x02 - αfE A s(h0 - x0)-(b f - b)(x0 - h f)22= 0简化:Ax02 + Bx0 + C = 0 其中:A = 100B = 20593.2504C = -9266962.68 解方程得:x0 = 218.39mmI fo=h f x033-(b f - b)(x0 - h f)33+αfE A s(h0 - x0)2 = 1799083328.02ρfc=ρfcminρfcmax=MqkMqk+Mpk= 0.317589268845645查混凝土规范表4.1.6得: γρ = 0.86σf cmax = M f max x 0I fo = 6.662 < f fc = γρf c = 12.298满足要求 2、验算受拉钢筋的应力σf simin = αf E M f min (h 0-x 0)I f o = 30.342 N/mm 2σf simax = αf E M fmax (h 0-x 0)I f o = 65.196 N/mm 2Δσf si = σf simax - σfsimin = 34.854 N/mm 2 ρf s= σfsiminσfsimax = 0.465根据混凝土规范表4.2.5-1,可查得:Δf f y = 135 > Δσfsi = 34.854 满足要求(二)验算斜截面疲劳强度 1、验算中和轴处的主应力 计算从略2、验算弯起钢筋所需面积 计算从略五、验算吊车梁裂缝宽度σρsk = M maxk0.87h 0A s= 92.9862630983486 N/mm 2A te = 0.5bh = 50000 mm 2 ρte = A s /A te = 0.0308976d eq = Σn i d i 2Σn i νd i= 18.2222222222222 mmψ=1.1-0.65f tkρte σρsk= 0.645257156827881由混凝土规范8.1.2得: αcr = 2.1 c=20 ψ=1.0ωmax = αcr ψσρsk E s 1.9c+0.08d eqρte= 0.0536640377934194 < 0.2 满足规范要求六、验算吊车梁挠度由混凝土规范8.2.3:B s = E s A s h 021.15ψ+0.2+6αE ρ1+3.5γf'其中: ψ=1.0 αE = 13.33 E s = 200000 A s = 1544.88 h 0 = 430 γf ' = 0ρ= A sbh 0= 0.0171653333333333代入公式可得:B s = 27027886193474.9 由混凝土规范8.2.2:B = M kM q (θ-1)+M k B s其中: θ=1.6 M k = 38.06 M q = 16.82 代入公式可得:B = 21128148926726.3f=5qlo 4384B= 2.78964728702648f/Lo=1/1981 < 1/600 满足要求七、验算吊车梁配筋率计算从略。
吊车梁设计
(1)设计资料
车。
距
(2max 1max Q F P αβγ==1..05×1.03×1.4×38=57.54KN
57.54237545.556000
45.55 2.375108.18.57.5445.5511.99B C C C R KN M KN m V V KN
⨯=
==⨯==-=-=左右
2)求max T M
()max 57.54 3.5691.116V KN ⨯+=
= 4)求max T V
max 2.191.11 3.3357.54
T V KN =⨯= (3)截面估算
1)梁高
①按经济条件确定:
6
3
1.2108.181060379521573007300292sh W mm h mm
⨯⨯=====
②按允许挠度值确定:
66min 0.6100.6215600050010387l h fh mm v -⎡⎤=⨯=⨯⨯⨯⨯=⎢⎥⎣⎦
③建筑净空无要求
故取h=500mm 。
2)腹板厚度
①经验公式:
73730.58.5mm w t h =+=+⨯=
②按抗剪要求: 3max min 1.2 1.291.1110 1.75.500125
w V t mm h f ⨯⨯===⨯ ③按局部挤压要求:
52505102134368z y R l a h h mm =++=+⨯+⨯= 3min 1.057.54100.73.368215w z F
t mm l f ψ⨯⨯===⨯ 故取8w t mm =
④局部要求
50062.5808=<= 3)翼缘尺寸
为使截面经济合理,选用上、下翼缘不对称工字形截面,所要翼缘板面积按下列公式近似计算。
16037951.850054165006
w w W A t h mm h =-=-⨯⨯= 取上翼缘A=250×10=25002mm
下翼缘A=200×10=20002mm
即初选上翼缘板-250×10,下翼缘板-200×10
翼缘外伸宽度151510150100
a mm mm
==⨯=>
(4)验算
1)截面特性:
2
1
2
250102001048088340
250105480825020010495
235.3
8340
500235.3264.7
A mm
y mm
y mm
=⨯+⨯+⨯=
⨯⨯+⨯⨯+⨯⨯
==
=-=
()()() 3
222 8480
8480250235.325010235.3520010264.75 12
x
I
⨯
=+⨯⨯-+⨯⨯-+⨯⨯-
=3420411914
mm
3
1
1
342041191
1453639
235.3
x
x
I
W mm
y
===
3
2
2
342041191
1292184
264.7
x
x
I
W mm
y
===
33
4
1025010200
19687500
1212
y
I mm
⨯⨯
=+=
3
1
1
19687500
196875
100
y
y
I
W mm
x
===
3
2
2
19687500
157500
125
y
y
I
W mm
x
===
48.59
y
i mm
===
[]
6000
123.5150
48.59
y
λλ
==<=
吊车梁上翼缘:
2250102500A mm =⨯=上
34102501302083312
y I mm ⨯==上 313020833104167125
y W mm ==上 2)强度验算:
①正应力
上翼缘正应力: 66
max 1108.1810 3.95101453639104167
T x y M M W W σ⨯⨯=+=+上上 2274.437.9112.3/215/N mm f N mm =+=<=
下翼缘正应力: 6
21108.181074.4/1426498
x x M N mm W ⨯==<2215/f N mm = ②剪应力
突缘支座处剪应力:3
max 01.2 1.291.1110.4808
w V h t τ⨯⨯==⨯
2228.5/125/v N mm f N mm =<=
③腹板局部稳定
52505102134368z y R l a h h mm =++=+⨯+⨯= 3
22v 1.057.541019.5/<f =125N/mm 8368c w z F
N mm t l ψσ⨯⨯===⨯ 3)稳定性验算:
①整体稳定性
11116000100.482250500
l t b h ξ⨯===<⨯ 0.730.180.730.180.480.816b βξ=+=+⨯=
3
41102501302083312
I mm ⨯== 3
4210200666666712
I mm ⨯== 112130208330.661130208336666667
b I I I α===++ ()0.8(21)0.820.66110.258b b ηα=-=⨯⨯-=
24320235..b b b y x y Ah W f ϕβηλ⎤⎥=⨯⎥⎦
2432083405002350.8160.258123.514536392350.9310.6
⎤⨯⎥=⨯⨯⨯⨯⎥⎦
=> '0.282
0.2821.07 1.070.767 1.00.931
b b ϕϕ=-=-=< '0.767b ϕ∴=
66
'108.1810 3.951097.020.9.0.7671453639 1.2157500
x Y b y y M M W ϕγ⨯⨯+=+=+⨯⨯ 22117.9/<f=215N/mm N mm = 故满足整体稳定性要求。
②局部稳定性 翼缘:1125412.1<1510
b t -== 腹板:
048060808w h t ==< 4)加劲肋计算:
①横向加劲肋的外伸宽度为:
04804040563030
s h b mm ≥+=+=,取100s b mm = 横向加劲肋的厚度为:
100 6.71515
s s b t mm ≥==,取8s t mm = ∴横向加劲肋的尺寸为8100-⨯。
②支座加劲肋
支座加劲肋尺寸采用10100-⨯
20101001000A mm =⨯=
2015100015881960w w A A t t mm =+=+⨯⨯=
3411010083333312
z I mm =⨯⨯=
20.6z i mm =
== 048023.320.6
z z h i λ=== 强度验算:3
22max 091.111091.11/<f=215N/mm 1000
V N mm A σ⨯== 整体稳定验算:3
22max 91.111048.5/<f=215N/mm 0.959960
V N mm A σϕ⨯===⨯ 5)疲劳计算
本吊车为中级工作制吊车,不必进行疲劳验算。
6)刚度验算
6225108.18106000l 1.05 1.4
3.7<121010 2.0610342216763500Ml mm mm EI ω⨯⨯⎡⎤⨯====⎢⎥⨯⨯⨯⎣⎦
7)焊缝连接计算:
①上翼缘与腹板连接焊缝
上翼缘对中和轴面积矩:3125010239.9599750S mm =⨯⨯= 取6f h mm =
52505102134368z y R l a h h mm =++=+⨯+⨯=
32191.111059975019.0/20.720.76342216763
f f x VS N mm h I τ⨯⨯===⨯⨯⨯⨯ 3
21.057.541018.6/20.720.76368f f z F
N mm h l ψσ⨯⨯===⨯⨯⨯⨯
2226.6/160/w f N mm f N mm ==<= ②下翼缘与腹板连接焊缝
下翼缘对中和轴面积矩:3220010260.1520200S mm =⨯⨯=
322291.111052020016.5/160/20.720.76342216763
w f f f x VS N mm f N mm h I τ⨯⨯===<=⨯⨯⨯⨯ ③支座加劲肋与腹板连接焊缝
()3
22max 1.2 1.291.111027.6/<160/20.720.764808w f f f w V N mm f N mm h l τ⨯⨯====⨯⨯⨯⨯-。