数据选择器及其应用解读
- 格式:doc
- 大小:200.00 KB
- 文档页数:4
数据选择器的电路原理与功能数据选择器是一种常见的数字电路,用于选择多个输入信号中的一个或几个输出信号。
在现代电子设备中广泛使用的数据选择器通常实现在集成电路中,能够高效地选择信号,并将其传递给后续电路进行处理。
本文将详细介绍数据选择器的电路原理和功能。
一、数据选择器的电路原理数据选择器的基本电路原理是利用控制信号来控制多个开关的状态。
这些开关将输入信号连接到输出信号线上。
具体来说,当控制信号S0和S1的状态为00时,开关连接到A输入信号,输出为A;当控制信号状态为01时,开关连接到B输入信号,输出为B;当控制信号状态为10时,开关连接到C输入信号,输出为C;当控制信号状态为11时,开关连接到D输入信号,输出为D。
在基本电路中,选择开关采用逻辑门的形式实现。
具体来说,当控制信号S0和S1的状态发生改变时,选择开关将信号切换到不同的输入信号线上,从而改变输出信号。
二、数据选择器的功能1.多路选择:数据选择器可以选择多个输入信号中的一个或几个输出信号。
通过控制信号的不同状态,可以选择不同的输入信号作为输出信号。
这种多路选择的功能在数字电子设备中经常遇到,例如在计算机的数据通路中,根据控制信号选择不同的寄存器、缓冲器或处理器。
2.数据交换:数据选择器可以用于数据交换的应用。
例如,在计算机系统中,数据选择器可用于选择来自不同源的数据的输出,以便将数据传递给正确的目的地。
数据选择器还可以用于实现多路复用器和分配器等电路,使得多个信号可以通过一个信道进行传输。
3.逻辑运算:数据选择器可以通过逻辑运算来实现更复杂的功能。
例如,可以使用与门和非门实现与非逻辑功能,进一步扩展数据选择器的功能。
通过适当选择和操作输入信号,可以实现逻辑运算和条件控制,以满足不同的应用需求。
4.减少电路复杂度:数据选择器可以减少电路的复杂度和成本。
通过使用数据选择器,可以将多个输入信号连接到一个输出信号上,而不需要为每个输入信号都提供一个独立的电路。
数据选择器及其应用
数据选择器是一种工具,用于帮助用户从数据库中选择特定的数据。
它可以使用简单的查询技术,对数据库中存储的数据进行分类、搜索、排序、过滤和编辑。
数据选择器的应用主要在互联网领域,在电子商务网站、社交网络、游戏等网站上,都会使用数据选择器来管理数据库。
它可以帮助网站开发者从海量数据中快速获取所需的信息,并将其显示在网页上,方便用户查询和浏览。
同时,数据选择器也可以帮助用户根据自己的需求,从数据库中选择相应的内容,从而实现功能的定制化。
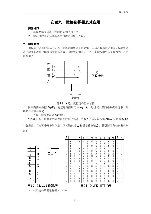
实验九数据选择器及其应用一、实验目的1.掌握数据选择器的逻辑功能和使用方法。
2.学习用数据选择器构成组合逻辑电路的方法。
二、实验原理数据选择是指经过选择,把多个通道的数据传送到唯一的公共数据通道上去。
实现数据选择功能的逻辑电路称为数据选择器。
它的功能相当于一个多个输入的单刀多掷开关,其示意图如下:图9-1 4选1数据选择器示意图图中有四路数据D0~D3,通过选择控制信号A1、A0(地址码)从四路数据中选中一路数据送至输出端Q。
1.八选一数据选择器74LS15174LS151是一种典型的集成电路数据选择器,它有3个地址输入端CBA,可选择I0~I78个数据源,具有两个互补输入端,同相输出端Z和反相输出端Z。
其引脚图和功能表分别如下:2.双四选一数据选择器74LS153所谓双四选一数据选择器就是在一块集成芯片上有两个完全独立的4选1数据选择器,每个数据选择器有4个数据输入端I0~I3,2个地址输入端S0、S1,1个使能控制端E和一个输出端Z,它们的功能表如表9-2,引脚逻辑图如图9-3所示。
图9-3 74LS153引脚逻辑图表9-2 74LS153的真值表其中,EA、EB(1、15脚)分别为A路和B路的选通信号,I0、I1、I2、I3为四个数据输入端,ZA(7脚)、ZB(9脚)分别为两路的输出端。
S0(14脚)、S1(2脚)为地址信号,8脚为GND,16脚为VCC。
3.用74LS151组成16选1数据选择器用低三位A2A1A0作每片74LS151的片内地址码, 用高位A3作两片74LS151的片选信号。
当A3=0时,选中74LS151(1)工作, 74LS151(2)禁止;当A3=1时,选中74LS151(2)工作, 74LS151(1)禁止,如下图所示。
图9-4 用74LS151组成16选1数据选择器4. 数据选择器的应用①用74LS151实现逻辑函数BC A AC C B A Y ++=。
先将函数表达式写成最小项逻辑加的形式:BC A C B A ABC C B A Y +++= =m o +m 3+m 5+m 7显然,输入数据D 0=D 3=D 5=D 7=0,D 1=D 2=D 4=D 6=1,电路图如下:图9-5 用74LS151实现逻辑函数②用74LS153实现逻辑函数ABC C AB C B A BC A Y +++=函数Y 有三个输入变量A 、B 、C,而数据选择器有两个地址输入端S 1、S 0少于3个。
数据选择器及其应用解读实验五数据选择器及其应用[实验目的]1、掌握中规模集成数据选择器的逻辑功能及使用方法。
2、学习用数据选择器构成组合逻辑电路的方法。
[实验原理]数据选择器又叫“多路开关”。
数据选择器在地址码(或叫选择控制)电位的控制下,从几个数据输入中选择一个并将其送到一个公共的输出端。
数据选择器的功能类似一个多掷开关,如图4-5-1所示,图中有四路数据D0~D3,通过选择控制信号A1、A0(地址码)从四路数据中选中某一路数据送至输出端Q。
数据选择器为目前逻辑设计中应用十分广泛的逻辑部件,它有2选1、4选1、8选1、16选1等类别。
数据选择器的电路结构一般由与或门阵列组成,也有用传输门开关和门电路混合而成的。
图4-5-1 4选1数据选择器示意图图4-5-2 74LS151引脚排列表4-5-11、8选1数据选择器74LS15174LS151为互补输出的8选1数据选择器,引脚排列如图4-5-2,功能如表4-5-1。
选择控制端(地址端)为A2~A0,按二进制译码,从8个输入数据D0~D7中,选择1个需要的数据送到输出端Q,S为使能端,低电平有效。
(1)使能端S——=1时,不论A2~A0状态如何,均无输出(Q=0,Q——=1),多路开关被禁止。
(2)使能端S——=0时,多路开关正常工作,根据地址码A2、A1、A0的状态选择D0~D7中某一个通道的数据输送到输出端Q 。
如:A 2A 1A 0=000,则选择D 0数据到输出端,即Q=0。
如:A 2A 1A 0=001,则选择D 1数据到输出端,即Q=D 1,其余类推。
2、双四选一数据选择器74LS153所谓双4选1数据选择器就是在一块集成芯片上有两个4选1数据选择器。
74LS153的引脚排列如图4-5-3,功能如表4-5-2。
表4-5-2图4-5-3 74LS153引脚功能1S ——、2S ——为两个独立的使能端,A 1、A 0为公用的地址输入端;1D 0~1D 3和2D 0~2D 3分别为两个4选1数据选择器的数据输入端;Q 1、Q 2为两个输出端。
数据选择器及应用一、实验目的1、掌握中规模集成数据选择器的逻辑功能及使用方法2、学习用数据选择器构成组合逻辑电路的法二、原理说明数据选择器又叫“多路开关”,在地址码(或叫选择控制)电位的控制下,从几个数据输入中选择一个并将其送到一个公共的输出端,其功能类似一个多掷开关,如图8-2-3-1所示。
图中有四路数据D0~D3,通过选择控制信号A1、A0(地址码)从四路数据中选中某一路数据送至输出端Q。
数据选择器是目前逻辑设计中应用较为广泛的组合逻辑部件,常见电路有2选1、4选1、8选1、16选1等。
1、八选一数据选择器74LS15174LS151为互补输出的8选1数据选择器,引脚排列如图8-2-3-2,功能如表8-2-3-1。
选择控制端(地址端)为A2~A0,按二进制译码,从8个输入数据D0~D7中,选择一个需要的数据送到输出端Q,为使能端,低电平有效。
图8-2-3-1 4选1数据选择器示意图图8-2-3-2 74LS151引脚排列表8-2-31 74LS151功能表输入输出A2 A1 A0 Q1 × × × 0 10 0 0 0 D00 0 0 1 D10 0 1 0 D20 0 1 1 D30 1 0 0 D40 1 0 1 D50 1 1 0 D60 1 1 1 D71.使能端=1时,不论A2~A0状态如何,均无输出(Q=0,=1)多路开关被禁止。
1.使能端=0时,多路开关正常工作,根据地址码A2、A1、A0的状态选择D0~D7中某一个通道的数据输送到输出端Q。
如:A2A1A0=000,则选择D0数据到输出端,即Q=D0。
如:A2A1A0=001,则选择D1数据到输出端,即Q=D1,其余类推。
2、双四选一数据选择器74LS153所谓双4选1数据选择器就是在一块集成芯片上有两个4选1数据选择器。
引脚排列如图8-2-3-3,功能如表8-2-3-2。
、为两个独立的使能端;A1、A0为公用的地址输入端;1D0~1D3和2D0~2D3分别为两个4选1数据选择器的数据输入端;Q1、Q2为两个输出端。
实验二数据选择器及其应用一、实验目的(1)通过实验的方法学习数据选择器的电路结构和特点。
(2)掌握数据选择器的逻辑功能及基本应用。
二、实验设备74LS00,74LS153 ,数字电路实验箱。
三、实验原理双四选一数据选择器为TTL双极型数字集成逻辑电路74LS153,它有两个4个选1,其中D0,D1,D2,D3为数据输入端,Q为输出端,A0,A1为控制端,同时控制两个选择器的数据输出,S为工作状态控制端。
四、实验内容1.导弹发射问题导弹发射实验需要两名指挥员和至少一名操作员确认发射,否则不能发射。
将两名指挥员和两名操作员分别记为A、B、C、D信号输入。
输出结果用小灯显示。
(1)用74LS153和必要门电路实现函数F(A,B,C,D)=ABCD+ABC’D+ABCD’(2 ) 列出真值表通过卡诺图化简真值表,可得:F=AB(C+D)。
(3)门电路实现C+D通过74LS00门实现,将(C+D)输出端接到数据选择器的输入端,将AB分别接到74LS153电路的A0、A1上。
其他三门接地。
2、用74LS153实现全加器功能(1)列出真值表(S、CO与CI的关系。
其中S与CI的四组关系为:同、反、反、同而CO与CI的四组关系为:0、同、同、1同表示和CI的取值相同,反则表示取值相反,0或1分别表示无论CI取何值,都取0 或1。
(3)电路连接与非门只用一组,主要用于产生CI的非信号。
将上排四选一数据选择器用于输出S下排用于输出CO。
1A2,1A3的CI信号经过74LS00的非逻辑后输入。
2A1,2A4则分别输入低电平和高电平。
其他门直接和CI连接。
实验七数据选择器及应用一、实验目的1.熟悉集成据选择器的逻辑功能和扩展。
2.学习利用数据选择器产生逻辑函数。
二、实验原理数据选择器又称多路选择器、多路开关。
它是一个多输入、单输出电路。
数据选择器在地址码(或叫选择控制)电平的控制下,从几个数据输入中选择一个,并将其送到输出端。
常见的数据选择器有2选1、4选1、8选1和16选1等数据选择器。
图7–1是74LS153集成块中一个4选1数据选择器的逻辑图,真值表为表3-2。
其中C0~C3为数据输入端,Y为输出端,A、B称为地址输入端。
A、B的状态起着从4路输入数据中选择哪1路输出的作用。
E为使能端,低电平有效,E=0时,数据选择器工作;E=1时,电路被禁止,输出0,输出状态与输入数据无关。
注意A、B地址在集成块中由2个4选1共用,高位为B,低位为A,BA=01时,Y=C1,BA=10时,Y=C2。
由图7-1可写出逻辑表达式:∙∙+∙EY∙+∙∙∙∙B∙=+(C12A)3ABBCACCAB表7-1 4选1数据选择器真值表数据选择器常用来选择信号输入或输出,根据数据选择器的原理,在4选1选择器中,∙+∙∙EY∙+∙∙=∙∙+B∙(CAB1)32CABCACBA我们可以利用它实现逻辑函数:如A B A B A B A B A B A B Y ∙+∙=∙∙+∙∙+∙∙+∙∙∙=)1001(0 通过在E 、C0~C3处输入相应的值,A 、B 和Y 之间构成了同或门逻辑。
三、实验内容1. 测试74LS153的逻辑功能:按照表3-2的真值表测试4选1译码器,数据输入端C0~C3可接电平开关,也可分别接频率不同的脉冲源。
说明选择输入和数据输入的区别,使能端E 的作用。
2. 数据选择器的扩展:将双4选1数据选择器74LS153加上门电路,扩展为8选1数据选择器。
1. 数据选择器应用:作为函数发生器,用来实现组合逻辑电路。
● 利用74153选择器实现异或门电路。
● 利用74153选择器实现多数表决器,要求3个输入A 、B 、C 中有2个和3个为1时,输出Y 为高电平,否则Y 为低电平。
实验二 数据选择器及应用一、实验目的1、掌握数据选择器的工作原理及逻辑功能。
2、熟悉74LS153和74LS151的引脚排列和测试方法。
3、学习用数据选择器构成组合逻辑电路的方法。
二、预习要求1、复习组合逻辑电路的分析方法及设计方法。
2、了解数据选择器的原理及功能。
3、阅读本实验的实验原理和测试方法。
三、实验内容1、中规模集成芯片74LS153、74LS151逻辑功能的验证。
2、用双四选一数据选择器74LS153实现八选一数据选择器。
3、用八选一数据选择器74LS151实现函数电路。
4、自行设计题目。
四、实验原理与测试方法数据选择器又称多路转换器或多路开关,其功能是把多个通道的数据传送到唯一的公共数据通道上去。
类似一个多掷开关,如图2.1所示。
图中有四路数据D 0 ~ D 3通过选择控制信号A 1、A 0(地址码)从四路数据中选中某一路数据送至输出端Y 。
一个n 个地址端的数据选择器,具有2n 个数据选择 功能。
例如:数据选择器(74LS153),n = 2,可完成四选一的功能;数据选择器(74LS151),n = 3,可完成八选一的功能。
1、实验原理(1)双四选一数据选择器74LS153的功能。
双4选1数据选择器就是在一片集成芯片上有两个4选1数据选择器。
集成芯片引脚排S 1、S 2为两个独立的使能端;A 1、A 0为公用的地址输入端;1D 0~1D 3和2D 0~2D 3分别为两个4选1数据选择器的数据输入端; 1Y 、2Y 为两个输出端。
(1)当使能端S 1(S 2)=1时,多路开关被禁止,无输出,Y = 0。
(2)当使能端S 1(S 2)=0时,多路开关正常工作,根据地址码A 1、A 0的状态,将相应的数据D 0~D 3送到输出端1Y 、或2Y 。
其逻辑函数式为: )()()()(013012011010A A D A A D A A D A A D Y +++= 例如:A 1A 0=00 则选择D O 数据到输出端,即Y = D 0。
数电实验四数据选择器及其应用实验报告一、实验目的1. 了解数据选择器的原理和设计方法;2. 学会使用74LS138和74LS151等多位数据选择器;3. 掌握数据选择器在逻辑电路中的应用。
二、实验器材和器件1. 万用表2. 示波器3. 计算机、PSpice、Multisim4. 实验电路板、电路图5. TTL集成电路:74LS138、74LS151三、实验原理数据选择器(Data Selector)是用于在多个数据中选择一个或者少数几个数据的组合逻辑电路,也叫做多路选择器(Multiplexer)。
数据选择器可用于控制信号的选择,实现对信号进行分时复用、多路数据选通等功能。
常见的数据选择器有8选1、16选1等。
常用的数据选择器有两种类型:1.位选型数据选择器2.数据选型数据选择器1. 位选型数据选择器位选型数据选择器是指选中或分配单元的控制时使用二进制码,用来控制选通信号的输入。
2. 数据选型数据选择器数据选型数据选择器是由一个或多个数据信号为输入,它们与二进制控制信号一起给出n个数据信号的任意线性组合输出,通过对选择信号的控制,能够把其中的一路信号送到输出端。
例如,74LS151是一种8选1数据选择器(DMUX),它有8个输入端和1个输出端,还有3个控制端。
其中,控制端包括1个使能端(ENABLE)和2个选择端(A、B)。
输入端用来输入8个数据信号,而输出端则输出选择信号。
控制端用来输入控制信号,用来选择哪个输入端的数据信号送到输出端。
对于74LS151,控制信号的值决定了从哪个输入信号读取数据。
A B EN Y0 0 1 I00 1 1 I11 0 1 I21 1 1 I30 0 0 Z对于74LS138,3个控制信号的值决定了哪个输入信号将被传输到输出端口。
当输出选通(ENABLE=1)时,选通输出的某一输入的高电平(或低电平)基本上与输入选通指定的控制端台,关心。
实验4.2:8位数字式LED显示器应用通过构建逻辑电路,使用74LS151实现8位数码管的控制。
数据选择器(MUX)4.4.3 数据选择器(MUX)数据选择器原理集成数据选择器数据选择器扩展数据选择器应用(MUX-Multiplexer)11. 数据选择器原理数据选择器功能: 将多路输入数据中由n位通道选择信号确定的其中一路数据传送到输出端。
又称为“多路选择器”或“多路(数字)开关”。
数据输入D0 D1 DN-1n位通道选择信号(N=2n)同相或 Y 反相输出数据选择器功能示意图2…数据选择器原理例: 一种4-1MUX的功能表逻辑符号: S1 S0 0 0 1 1 0 1 0 1 F D0 D1 D2 D3S1 S0 F 4-1MUX D0 D1 D2 D3输出表达式: F = S 1 S 0 D 0 + S 1 S 0 D1 + S 1 S 0 D 2 + S 1 S 0 D 3= m0 D0 + m1 D1 + m2 D2 + m3 D3= ∑ mi Dii =03(其中mi是由通道选择信号S1,S0构成的最小项)3MUX的输出信号一般表达式2n -1 MUX的输出信号一般表达式:F = m 0 D 0 + m1 D1 + ? ? ? + m 2 n ? 1 D 2 n ? 1 =2 n ?1 i=0∑m Dii(其中mi 是n 位通道选择信号构成的最小项)42. 集成数据选择器例:8-1 MUX 74151S2X功能表使能 E 1 0 0 0 0 0 0 0 0 输出 Y 0 D0 D1 D2 D3 D4 D5 D6 D7 Y 1 D0 D1 D2 D3 D4 D5 D6 D7通道选择 S1 S0X X输出表达式为:Y = E (∑ mi Di )i =07(mi 是S2,S1,S0构成的最小项)0 0 0 0 1 1 1 10 0 1 1 0 0 1 10 1 0 1 0 1 0 1574151逻辑符号与引脚排列D0 D1 D2 D3 D4 D5 D6 D7 E S2 S1 S0Y8YD3 D2 D1 D0 Y Y G GND11674HC151Vcc D4 D5 D6 D7 S0 S1 S274LS151 74HC1516具有三态输出的集成数据选择器例:8-1 MUX 74251 功能表S2X通道选择 S1 S0X X0 0 0 0 1 1 1 10 0 1 1 0 0 1 10 1 0 1 0 1 0 1使能 E 1 0 0 0 0 0 0 0 0输出 Y Z D0 D1 D2 D3 D4 D5 D6 D7 Y Z D0 D1 D2 D3 D4 D5 D6 D7(Z:高阻态)73. 数据选择器扩展例:用2片74151扩展成16-1MUXY ≥1 Y &- 通道扩展YY 74151(2)YG A 2 A1 S00 E S2 S 1 AD7 D6 D 5 D4 D 3 D2 D1 D0 1E A2 A 0 G S2 S11SA 0D7 D 6 D5 D4 D3 D2 D 1 D0D15 D14 D13 D12 D11 D10 D 9D8S A A A A33 S2 2 S11 S00D7 D6 D 5 D4 D3 D2 D1 D08数据选择器扩展 - 位扩展例:两位数的8-1 数据选择电路 S2 S1 S0 0 0 0 0 0 1 0 1 0 0 1 1 1 0 0 1 0 1 1 1 0 1 1 1 Y1 Y0 I10 I00 I11 I01 I12 I02 I13 I03 I14 I04 I15 I05 I16 I06 I17 I07 I17 I10 I11D0 D1I00 I01D0 D18-1 MUXY0I07D7 S ~S E 2 08-1 MUXY1D7 S ~S E 2 03S2~ S0 E94. 数据选择器应用-多通道数据传输例:I 0 8-1 I 1 MUX I2 I3 Y I4 I5 I6 I 7 S2 S1 S0S2 S1 S0公共数据线Y0 Y1 Y2 Y3 D Y4 Y5 Y6 A2 A1A0 Y71-8 DEMUXA2 A1 A0利用数据选择器与数据分配器实现多路数据的分时传输10数据选择器应用-实现逻辑函数任何逻辑函数都可表示成最小项之和形式:F =∑ m (此 m 是由F的输入变量构成的最小项)i iiMUX的输出表达式: Y =∑2 n ?1i =0mi Di(此mi是由通道选择信号构成的最小项)一般,当用具有n个通道选择端的MUX实现n变量的逻辑函数时,只需将逻辑函数的输入变量与MUX的通道选择端一一对应,并令逻辑函数中mi所对应MUX输出表达式中的Di=1,其余项对应的Di=0,即可实现。
实验2实验报告数据选择器及其应用一、实验目的1.了解组合逻辑电路的设计步骤、分析方法和测试方法;2.掌握数据选择器的工作原理与逻辑功能;3.掌握双四选一数据选择器74LS153的应用。
二、实验设备1.数字电路实验箱2 、数字双踪示波器3.集成电路: 74LS004、集成电路: 74LS153三、实验内容1.测试双四选一数据选择器74LS153的逻辑功能;2、设某一导弹发射控制机构有两名司令员A.B和两名操作员C.D, 只有当两名司令员均同意发射导弹攻击目标且有操作员操作, 则发射导弹F;3.用74LS00与74LS153设计一位全加器。
四、实验结果1、测试双四选一数据选择器74LS153的逻辑功能。
如图S5和S6分别接A和B, 负责输入地址;S1.S2.S3.S4为上面选择器的四个输入;S7、S8、S9、S10为下面选择器的四个输入。
举例说明:如图所示, 当S5和S6都输入高电平时, 选择输出1C3和2C3的内容, 即S4和S10的输入均为高电平, 小灯亮。
设某一导弹发射控制机构有两名司令员A.B和两名操作员C.D, 只有当两名司令员均同意发射导弹攻击目标且有操作员操作, 则发射导弹F。
由题意可得出逻辑表达式如下:F=AB(C+D)分析: 由于只有A.B都为高电平时F才有可能输出高电平, 所以让A和B作为地址输入端。
而当A.B均为高电平时, C和D任意一个为高电平则F为高电平。
所以用74LS00实现C和电路图如下:S1、S2接地址选择端, S3、S4先做或运算再接1C3端。
2、用74LS00和可以通B S CI过降维将输入位A和B作为地址选择位,进位位和以及0和1作为被选择数据输入,表示S和CO。
真值表如下:A0 0 CI 低0 1 CI非CI1 0 CI非CI1 1 CI 高五、故障排除在做第二个实验内容的时候, 发现A.B值不是高电平的时候小灯也会亮。
经过检查电路发现1C0, 1C1, 1C2悬空了, 相当于接了高电平。
数据选择器及其应用实验报告一、引言。
数据选择器是一种用于从数据集中选择特定数据的工具,它可以帮助用户快速、准确地筛选出需要的数据,提高工作效率。
在本实验中,我们将通过对数据选择器的应用实验,来探讨其在数据处理中的作用和应用。
二、实验目的。
1. 了解数据选择器的基本原理和功能;2. 掌握数据选择器的使用方法;3. 分析数据选择器在实际工作中的应用效果。
三、实验内容。
1. 数据选择器的基本原理和功能。
数据选择器是一种数据处理工具,它可以根据用户设定的条件,从数据集中筛选出符合条件的数据。
用户可以通过设置条件语句、逻辑运算符等方式,对数据进行筛选和过滤。
数据选择器可以大大简化数据处理的流程,提高工作效率。
2. 数据选择器的使用方法。
在实验中,我们将使用一个实际的数据集来演示数据选择器的使用方法。
首先,我们需要导入数据集,并打开数据选择器工具。
然后,我们可以设置筛选条件,如大于、小于、等于等条件,并选择需要筛选的数据字段。
最后,我们点击“筛选”按钮,即可得到符合条件的数据集。
3. 数据选择器在实际工作中的应用效果。
通过实际操作,我们可以观察到数据选择器在数据处理中的应用效果。
它可以帮助我们快速准确地筛选出需要的数据,避免了手动筛选数据的繁琐过程。
同时,数据选择器还可以通过保存筛选条件、批量处理数据等功能,进一步提高工作效率。
四、实验结果分析。
通过本次实验,我们深刻认识到数据选择器在数据处理中的重要作用。
它不仅可以帮助我们快速准确地筛选数据,还可以简化数据处理流程,提高工作效率。
在实际工作中,合理使用数据选择器,可以大大提高数据处理的效率和准确性。
五、结论。
数据选择器是一种强大的数据处理工具,它在数据筛选、过滤和处理中发挥着重要作用。
通过本次实验,我们深入了解了数据选择器的原理和功能,并掌握了其使用方法。
我们相信,在今后的工作中,数据选择器将会成为我们数据处理的得力助手,为我们的工作带来更多便利和效率。
六、参考文献。
组合电路数据选择器及应用组合电路数据选择器是一种常见的数字逻辑电路,它可以根据输入信号的状态选择特定的输出信号。
在这个电路中,输入端有多个选择线,根据不同的组合输入,选定对应的输出线进行输出,实现数据的选择功能。
数据选择器通常由多个输入端(选择线)、一个输出端和若干控制线组成。
输入端的个数取决于选择器需要选择的不同数据源的数量。
输出端输出的是被选择的数据源对应的信号。
而控制线用于控制数据选择器对应输出的选取。
数据选择器的工作原理是根据控制线的状态选择对应的输入端,将这个输入端上的信号通过输出端输出。
具体地说,数据选择器的输入端信号通过与门与控制线做与运算,来决定哪个输入端的信号能够通过。
这样,无论有多少个数据源,只要有足够多的选择线和控制线,数据选择器就能够根据控制线的状态选择对应的数据源进行输出。
数据选择器广泛应用于数字系统中。
它可以用于多路开关、多路选择器等场景。
比如,可以使用数据选择器实现多个输入信号的选择输出,实现多路开关的功能。
当需要从多个信号源中选择一个信号进行输出时,可以使用数据选择器进行选择,输出选定的信号。
此外,数据选择器还可以用于多种逻辑运算电路的设计,比如多路复用、多位选择器等。
在数字系统中,数据选择器也有重要的组合逻辑电路的角色。
它通过控制线的状态实现了数据的选择和输出,将多个输入信号中的一个或多个传输到输出端,实现了在不同输入条件下的不同输出结果。
数据选择器的设计和使用方便快捷,可以大大简化数字系统的设计和实现过程。
总的来说,组合电路数据选择器是一种在数字系统中常见且重要的电路,它通过根据输入信号的状态选择对应的输出信号,实现了数据的选择功能。
数据选择器在数字系统中有着广泛的应用,如多路开关、多路选择器、多路复用等。
它的设计和使用方便快捷,能够简化数字系统的设计和实现过程,提高系统的可控性和灵活性。
实训四数据选择器及其应用一、实训目的1、熟悉中规模集成电路数据选择器的逻辑功能。
2、熟悉数据选择器的扩展应用。
3、了解用中规模集成电路设计逻辑电路的技巧。
二、实训说明和原理数据选择器是从多路输入信号中选择一路输出的电路。
通常在地址输入信号控制下,从几个数据输入中选择一路输出。
如一个4选1的数据选择器,应有两个地址输入端,它共有=4种不同的组合,每一种组合可选择对应的一路输入数据输出。
同理,对一个8选1的数据选择器,应有3个地址输入端。
所用逻辑门的引脚分布图及逻辑功能表如下。
双4选1数据选择器/多路选择器74LS153引脚分布图A、B为地址端,B为高位。
G为控制端。
输出表达式Y=双4选1数据选择器/多路选择器74LS153逻辑功能表三、实训所用器件、工具和仪器设备1、数字电路实验箱2、万用表3、元件:双四选一数据选择器74LS153 1片四重二输入或门74LS32 1片六重反相器74LS04 1片4、平口镊子四、实训内容和步骤1、数据选择器逻辑功能测试⑴绘制测试74LS153逻辑关系的接线图⑵将74LS153正确插入实验箱的插座上,根据芯片的引脚分布正确接线。
⑶改变输入状态的高低电平,观察输出信号所对应发光管的状态,进行功能测试,并将测试结果汇总制成如下表格。
74LS153功能测试结果2、数据选择器的扩展应用--用双4选1数据选择器完成8选1数据选择器的功能8选1数据选择器共有8路输入、1路输出,需要有三个地址输入端控制,将一个控制端变为地址端。
⑴绘制用双4选1数据选择器构成8选1数据选择器的接线图。
⑵将74LS153正确插入实验箱的插座上,根据连线图正确接线。
注意控制输入端的连接方法。
⑶C、B、A作为地址输入端接高低电平,改变C0~C7的输入状态,观察输出信号所对⑷结论:3、数据选择器的扩展应用用双4选1数据选择器实现函数:。
⑴确定用双4选1数据选择器实现函数的变量取值。
对照函数表达式和双4选1数据选择器74LS153输出表达式Y= 发现:函数F有三个输入变量A、B、C,而数据选择器有两个地址端B、A,少于函数输入变量个数,在设计时可选变量A接地址端B,变量B接地址端A;D0=0, D1=D2=C, D3=1⑵绘制用用双4选1数据选择器实现函数的接线图。
实验四数据选择器及其应用一、实验目的1.掌握中规模集成数据选择器的逻辑功能及使用方法2.学习用数据选择器构成组合逻辑电路的方法二、实验设备与器件1.+5V直流电源2.逻辑电平开关3.逻辑电平显示器4.74LS151三、实验原理数据选择器又叫“多路开关”。
数据选择器在地址码(或叫选择控制)电位的控制下,从几个数据输入中选择一个并将其送到一个公共的输出端。
数据选择器的功能类似一个多掷开关,如图7-1所示,图中有四路数据D0~D3,通过选择控制信号A1、A0(地址码)从四路数据中选中某一路数据送至输出端Q。
数据选择器为目前逻辑设计中应用十分广泛的逻辑部件,它有2选1、4选1、8选1、16选1等类别。
数据选择器的电路结构一般由与或门阵列组成,也有用传输们开关和门电路混合而成的。
八选一数据选择器74LS15174LS151为互补输出的8选1数据选择器,引脚排列如图4-2,功能如表4-1。
选择控制端(地址端)为A2~A0,按二进制姨妈,从8个输入数据D0~D7中,选择一个需要的数据送到输出端A,⎺S为使能端,低电平有效。
1)使能端⎺S=1时,无论A2~A0状态如何,均无输出(Q=0,⎺Q=1),多路开关被禁止。
2)使能端S=0时,多路开关正常工作。
根据地址码A1、A2、A3的状态选择D0~D7中某一个通道的数据输送到输出端Q。
此处以A2A1A0=010为例,则选择D2数据到输出端,即Q=D2。
D2为0,⎺Q亮。
D2为1,Q亮。
使能端为1,D2为1,⎺Q亮。
使能端为1,D2变为0,⎺Q仍然亮。
74LS151功能测试结果表4-1输入输出⎺S A2 A1 A0 Q ⎺Q1 x x x 0 10 0 0 0 D0 ⎺D00 0 0 1 D1 ⎺D10 0 1 0 D2 ⎺D20 0 1 1 D3 ⎺D30 1 0 0 D4 ⎺D4实现逻辑函数F(AB)=A⎺B+⎺AB+A B 设计过程:逻辑表F(AB)=A⎺B+⎺AB+A B接线图逻辑功能验证A1 A0 Q 0 0 0/D0A1 A0 Q 0 1 1/D1A1 A0 Q 1 0 1/D2A1 A0 Q 1 1 1/D3。
实验五数据选择器及其应用
[实验目的]
1、掌握中规模集成数据选择器的逻辑功能及使用方法。
2、学习用数据选择器构成组合逻辑电路的方法。
[实验原理]
数据选择器又叫“多路开关”。
数据选择器在地址码(或叫选择控制)电位的控制下,从几个数据输入中选择一个并将其送到一个公共的输出端。
数据选择器的功能类似一个多掷开关,如图4-5-1所示,图中有四路数据D0~D3,通过选择控制信号A1、A0(地址码)从四路数据中选中某一路数据送至输出端Q。
数据选择器为目前逻辑设计中应用十分广泛的逻辑部件,它有2选1、4选1、8选1、16选1等类别。
数据选择器的电路结构一般由与或门阵列组成,也有用传输门开关和门电路混合而成的。
图4-5-1 4选1数据选择器示意图图4-5-2 74LS151引脚排列
表4-5-1
1、8选1数据选择器74LS151
74LS151为互补输出的8选1数据选择器,引脚排列如图4-5-2,功能如表4-5-1。
选择控制端(地址端)为A2~A0,按二进制译码,从8个输入数据D0~D7中,选择1个需要的数据送到输出端Q,S为使能端,低电平有效。
(1)使能端S——=1时,不论A2~A0状态如何,均无输出(Q=0,Q——=1),多路开关被禁止。
(2)使能端S——=0时,多路开关正常工作,根据地址码A2、A1、A0的状态选择D0~D7中
某一个通道的数据输送到输出端Q 。
如:A 2A 1A 0=000,则选择D 0数据到输出端,即Q=0。
如:A 2A 1A 0=001,则选择D 1数据到输出端,即Q=D 1,其余类推。
2、双四选一数据选择器74LS153
所谓双4选1数据选择器就是在一块集成芯片上有两个4选1数据选择器。
74LS153的引脚排列如图4-5-3,功能如表4-5-2。
表4-5-2
图4-5-3 74LS153引脚功能
1S ——
、2S ——
为两个独立的使能端,A 1、A 0为公用的地址输入端;1D 0~1D 3和2D 0~2D 3
分别为两个4选1数据选择器的数据输入端;Q 1、Q 2为两个输出端。
(1)当使能端1S ——
(2S ——
)=1时,多路开关被禁止,无输出,Q=0.
(2)当使能端1S ——
(2S ——
)=0时,多路开关正常工作,根据地址码A 1、A 0的状态,将相应的数据D 0~D 3送到输出端Q 。
如:A 1A 0=00,则选择D 0数据到输出端,即Q=D 0。
A 1A 0=01,则选择D 1数据到输出端,即Q=D 1,其余类推。
数据选择器的用途很多,例如多通道传输、数码比较、并行码变串行码以及实现逻辑函数等。
3、数据选择器的应用-实现逻辑函数
例1:用8选1数据选择器74LS151实现函数F=AB —
+A —
B (1)列出函数F 的功能表如表4-5-4所示。
(2)将A 、B 加到地址端A 1、A 0,而A 2接地,由表4-5-3可见,将D 1、D 2接“1”及D 0、D 3接地,其余数据输入端D 4~D 7都接地,则8选1数据选择器的输出Q ,便实现了函数 F=AB —
+A —
B
接线图如图4-5-4所示。
表4-5-3
图4-5-4 8选1数据选择器实现F=AB —
+A —
B 的接线图
显然,当函数输入变量数小于数据选择器的地址端(A)时,应将不用的地址端及不用的数据输入端(D)都接地。
例2:用双4选1数据选择器74LS153实现函数F= A —
BC + AB —
C +ABC —
+ABC 函数F 的功能如表4-5-4所示。
表4-5-4 表4-5-5
函数F 有三个输入变量A 、B 、C ,而
数据选择器有两个地址端A 1、A 0少于函数输入变
量个数,在设计时可任选A 接A 1,B 接A 0。
将函数功能表改画成4-5-5形式,由表4-5-5不难看出:
D 0=0, D 1=D 2=C , D 3=1
则4选1数据选择器的输出,便实现了函数F= A —
BC + AB —
C +ABC —
+ABC ,接线图如图4-5-5所示。
当函数输入变量大于数据选择器地址端数时,可能随着选用函数输入变量作地址的方案不同,而使其设计结果不同,需对几种方案比较,以获得最佳方案。
[实验设备与器件]
1、+5V 直流电源;
2、逻辑电平开关;
3、逻辑电平显示器;
4、74LS151(或CC4512) 74LS153(或
CC4539)
图
4-5-5 用4选1数据选择器实现 图4-5-6 74LS151逻辑功能测试
F= A —
BC + AB —
C +ABC —
+ABC
[实验内容与步骤]
1、测试数据选择器74LS151的逻辑功能
按图4-5-6接线,地址端A 2、A 1、A 2数据端D 0~ D 7、使能端S —
接逻辑开关,输出端Q 接逻辑电平显示器,按74LS151功能表逐项进行测试,记录测试结果。
2、测试74LS153的逻辑功能 测试方法及步骤同上,记录之。
3、用8选1数据选择器74LS151设计三输入多数表决电路 (1)写出设计过程。
(2)画出接线图,并在实验室连接电路进行测试。
(3)验证逻辑功能。
4、用8选1数据选择器74LS151实现逻辑函数F = AB—+A—C+BC—
(1)写出设计过程。
(2)画出接线图,并在实验室连接电路进行测试。
(3)验证逻辑功能。
5、用双4选1数据选择器74LS153实现全加器
(1)写出设计过程。
(2)画出接线图,并在实验室连接电路进行测试。
(3)验证逻辑功能。
[实验报告要求]
1、用数据选择器对实验内容进行设计、写出设计全过程、画出接线图。
2、判断实际测试结果与设计预期目标是否相符。
3、总结实验收获、体会。
[预习内容]
1、复习数据选择器的工作原理。
2、用数据选择器对实验内容中各函数式进行预设计。