数据选择器及其应用
- 格式:doc
- 大小:580.50 KB
- 文档页数:3
数据选择器及其应用
数据选择器是一种工具,用于帮助用户从数据库中选择特定的数据。
它可以使用简单的查询技术,对数据库中存储的数据进行分类、搜索、排序、过滤和编辑。
数据选择器的应用主要在互联网领域,在电子商务网站、社交网络、游戏等网站上,都会使用数据选择器来管理数据库。
它可以帮助网站开发者从海量数据中快速获取所需的信息,并将其显示在网页上,方便用户查询和浏览。
同时,数据选择器也可以帮助用户根据自己的需求,从数据库中选择相应的内容,从而实现功能的定制化。
实验六 数据选择器及应用一、实验目的1、掌握数据选择器的工作原理及逻辑功能。
2、熟悉74LS153和74LS151的管脚排列和测试方法。
3、学习用数据选择器构成组合逻辑电路的方法。
二、实验任务1、用双四选一数据选择器74LS153实现一位全减器。
2、用双四选一数据选择器74LS153设计一个四位奇偶校验器。
3、用八选一数据选择器74LS151设计一个多数表决电路。
4、用Multisim8进行仿真,并在实验仪器上实现。
三、实验原理数据选择器又称多路转换器或多路开关,其功能是在地址码(或叫选择控制)电位的控制下,从几个数据输入中选择一个并将其送到一个公共输出端。
数据选择器的功能类似一个多掷开关,如图3.6.1所示,图中有四路数据D 0 ~ D 3通过选择控制信号A 1、A 0(地址码)从四路数据中选中某一路数据送至输出端Y 。
一个n 个地址端的数据选择器,具有2n 个数据选择功能。
例如:数据选择器(74LS153),n = 2,可完成四选一的功能;数据选择器(74LS151),n = 3,可完成八选一的功能。
1、双四选一数据选择器74LS153所谓双4选1数据选择器就是在一块集成芯片上有两个4选1数据选择器。
集成芯片引脚排列如图3.6.2,功能如表3.6.1所示。
表3.6.1 74LS153功能表图3.6.2 74LS153引脚排列1 0地址码 D D D D数据输入 Y输出 图3.6.1 四选一数据选择器示意图S1、S2为两个独立的使能端;A1、A0为公用的地址输入端;1D0~1D3和2D0~2D3分别为两个4选1数据选择器的数据输入端;Q1、Q2为两个输出端。
(1)当使能端S1(S2)=1时,多路开关被禁止,无输出,Q=0。
(2)当使能端S1(S2)=0时,多路开关正常工作,根据地址码A1、A0的状态,将相应的数据D0~D3送到输出端Q。
如:A1A0=00 则选择D O数据到输出端,即Q =D0。
数据选择器及其应用解读实验五数据选择器及其应用[实验目的]1、掌握中规模集成数据选择器的逻辑功能及使用方法。
2、学习用数据选择器构成组合逻辑电路的方法。
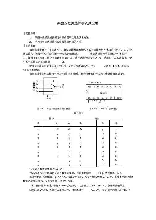
[实验原理]数据选择器又叫“多路开关”。
数据选择器在地址码(或叫选择控制)电位的控制下,从几个数据输入中选择一个并将其送到一个公共的输出端。
数据选择器的功能类似一个多掷开关,如图4-5-1所示,图中有四路数据D0~D3,通过选择控制信号A1、A0(地址码)从四路数据中选中某一路数据送至输出端Q。
数据选择器为目前逻辑设计中应用十分广泛的逻辑部件,它有2选1、4选1、8选1、16选1等类别。
数据选择器的电路结构一般由与或门阵列组成,也有用传输门开关和门电路混合而成的。
图4-5-1 4选1数据选择器示意图图4-5-2 74LS151引脚排列表4-5-11、8选1数据选择器74LS15174LS151为互补输出的8选1数据选择器,引脚排列如图4-5-2,功能如表4-5-1。
选择控制端(地址端)为A2~A0,按二进制译码,从8个输入数据D0~D7中,选择1个需要的数据送到输出端Q,S为使能端,低电平有效。
(1)使能端S——=1时,不论A2~A0状态如何,均无输出(Q=0,Q——=1),多路开关被禁止。
(2)使能端S——=0时,多路开关正常工作,根据地址码A2、A1、A0的状态选择D0~D7中某一个通道的数据输送到输出端Q 。
如:A 2A 1A 0=000,则选择D 0数据到输出端,即Q=0。
如:A 2A 1A 0=001,则选择D 1数据到输出端,即Q=D 1,其余类推。
2、双四选一数据选择器74LS153所谓双4选1数据选择器就是在一块集成芯片上有两个4选1数据选择器。
74LS153的引脚排列如图4-5-3,功能如表4-5-2。
表4-5-2图4-5-3 74LS153引脚功能1S ——、2S ——为两个独立的使能端,A 1、A 0为公用的地址输入端;1D 0~1D 3和2D 0~2D 3分别为两个4选1数据选择器的数据输入端;Q 1、Q 2为两个输出端。
数据选择器及应用一、实验目的1、掌握中规模集成数据选择器的逻辑功能及使用方法2、学习用数据选择器构成组合逻辑电路的法二、原理说明数据选择器又叫“多路开关”,在地址码(或叫选择控制)电位的控制下,从几个数据输入中选择一个并将其送到一个公共的输出端,其功能类似一个多掷开关,如图8-2-3-1所示。
图中有四路数据D0~D3,通过选择控制信号A1、A0(地址码)从四路数据中选中某一路数据送至输出端Q。
数据选择器是目前逻辑设计中应用较为广泛的组合逻辑部件,常见电路有2选1、4选1、8选1、16选1等。
1、八选一数据选择器74LS15174LS151为互补输出的8选1数据选择器,引脚排列如图8-2-3-2,功能如表8-2-3-1。
选择控制端(地址端)为A2~A0,按二进制译码,从8个输入数据D0~D7中,选择一个需要的数据送到输出端Q,为使能端,低电平有效。
图8-2-3-1 4选1数据选择器示意图图8-2-3-2 74LS151引脚排列表8-2-31 74LS151功能表输入输出A2 A1 A0 Q1 × × × 0 10 0 0 0 D00 0 0 1 D10 0 1 0 D20 0 1 1 D30 1 0 0 D40 1 0 1 D50 1 1 0 D60 1 1 1 D71.使能端=1时,不论A2~A0状态如何,均无输出(Q=0,=1)多路开关被禁止。
1.使能端=0时,多路开关正常工作,根据地址码A2、A1、A0的状态选择D0~D7中某一个通道的数据输送到输出端Q。
如:A2A1A0=000,则选择D0数据到输出端,即Q=D0。
如:A2A1A0=001,则选择D1数据到输出端,即Q=D1,其余类推。
2、双四选一数据选择器74LS153所谓双4选1数据选择器就是在一块集成芯片上有两个4选1数据选择器。
引脚排列如图8-2-3-3,功能如表8-2-3-2。
、为两个独立的使能端;A1、A0为公用的地址输入端;1D0~1D3和2D0~2D3分别为两个4选1数据选择器的数据输入端;Q1、Q2为两个输出端。
实验报告---数据选择器及其应用一、 实验目的1.学习数据选择器逻辑功能测试方法。
2. 了解中规模集成数据选择器的逻辑报告。
3. 熟悉利用数据选择器构成任意逻辑函数的方法。
4. 了解数据选择器的扩展方法。
二、 实验设备和器件1、数字逻辑电路实验板 1 块2、74HC(LS)00(四二输入与非门) 1 片3、74HC(LS)153(双四选一数据选择器) 1 片三、 实验原理1、双四选一数据选择器74HC153所谓双4选1数据选择器就是在一块集成芯片上有两个4选1数据选择器。
引脚排列如图所示1S -、2S -为两个独立的使能端;A 1、A 0为公用的地址输入端;1D 0~1D 3和2D 0~2D 3分别为两个4选1数据选择器的数据输入端;Q 1、Q 2为两个输入端。
(1)当使能端1S -(2S -)=1时,多路开关被禁止,无输出,Q=0.(2)当使能端1S -(2S -)=0时,多路开关正常工作,根据地址码A 1、A 0的状态,将相应的数据D 0~D 3送到输出端Q 。
该电路的表达式:Y=A -1A -0D 0+A -1A 0D 1+A 1A -0D 2+A 1A 0D 3 2、数据选择器的应用用数据选择器实现逻辑函数,方法和译码器相似,只是将出现的最小项对应的数据端接入高电平,未出现的接低电平,将地址端作为自变量的输入端,则可以实现。
3、实验用器件管脚介绍1、74HC(LS)00(四二输入与非门)管脚如下图所示。
2、74HC(LS)153(双四选一数据选择器)管脚如下图所示。
四、 实验内容与步骤1、测试双四选一数据选择器的逻辑功能(基本命题)在试验箱上接线,地址端A 1、A 0、数据端D 0~D 3、使能端1S -接逻辑开关,在数据端D 0~D 3分别输入不同的信号:高电平、低电平、频率为1hz 的方波和频率为10hz 的方波。
其中输出端Y 接逻辑电平显示器,按74HC153功能表逐项进行测试,将测试结果填入下表中3、用双四选一数据选择器74HC153构成八选一数据选择器 参照下图搭接电路,并观察电路的功能。
实验2实验报告数据选择器及其应用一、实验目的1.了解组合逻辑电路的设计步骤、分析方法和测试方法;2.掌握数据选择器的工作原理与逻辑功能;3.掌握双四选一数据选择器74LS153的应用。
二、实验设备1.数字电路实验箱2 、数字双踪示波器3.集成电路: 74LS004、集成电路: 74LS153三、实验内容1.测试双四选一数据选择器74LS153的逻辑功能;2、设某一导弹发射控制机构有两名司令员A.B和两名操作员C.D, 只有当两名司令员均同意发射导弹攻击目标且有操作员操作, 则发射导弹F;3.用74LS00与74LS153设计一位全加器。
四、实验结果1、测试双四选一数据选择器74LS153的逻辑功能。
如图S5和S6分别接A和B, 负责输入地址;S1.S2.S3.S4为上面选择器的四个输入;S7、S8、S9、S10为下面选择器的四个输入。
举例说明:如图所示, 当S5和S6都输入高电平时, 选择输出1C3和2C3的内容, 即S4和S10的输入均为高电平, 小灯亮。
设某一导弹发射控制机构有两名司令员A.B和两名操作员C.D, 只有当两名司令员均同意发射导弹攻击目标且有操作员操作, 则发射导弹F。
由题意可得出逻辑表达式如下:F=AB(C+D)分析: 由于只有A.B都为高电平时F才有可能输出高电平, 所以让A和B作为地址输入端。
而当A.B均为高电平时, C和D任意一个为高电平则F为高电平。
所以用74LS00实现C和电路图如下:S1、S2接地址选择端, S3、S4先做或运算再接1C3端。
2、用74LS00和可以通B S CI过降维将输入位A和B作为地址选择位,进位位和以及0和1作为被选择数据输入,表示S和CO。
真值表如下:A0 0 CI 低0 1 CI非CI1 0 CI非CI1 1 CI 高五、故障排除在做第二个实验内容的时候, 发现A.B值不是高电平的时候小灯也会亮。
经过检查电路发现1C0, 1C1, 1C2悬空了, 相当于接了高电平。
实验三数据选择器及其应用一、实验目的1.通过试验的方法学习数据选择器的电路结构和特点;2.掌握数据选择器的逻辑功能及其基本应用。
二、实验设备1.数字电路试验箱2.数字万用表3.74LS00、74LS153以及基本门电路三、实验原理数据选择器(multiplexer)又称为多路开关, 是一种重要的组合逻辑部件, 它可以实现从多路数据中选择任何一路数据输出, 选择的控制由专门的端口编码决定, 称为地址码, 数据选择器可以完成很多的逻辑功能, 例如函数发生器、桶形移位器、并串转换器、波形产生器等。
1.双四选一数据选择器常见的双四选一数据选择器为TTL双极型数字集成逻辑电路74LS153, 它有两个4选1, 外形为双列直插, 引脚排列如图所示, 逻辑符号如图所示。
其中D0、D1.D2.D3为数据输入端, A0、A1为数据选择器的控制端(地址码), 同时控制两个选择器的数据输出, 为工作状态控制端(使能端), 74LS153的功能表见表。
图74LS000的引脚排列, 其功能表见表为。
其中:74LS153引脚图 74LS153逻辑符号74LS153功能表输入输出A1 A0 1Q 2Q0 X X 0 00 0 0 1D0 2D00 0 1 1D1 2D10 1 0 1D2 2D20 1 1 1D3 2D3四、实验内容1.测试数据选择器74LS153(双四选一数据选择器)的逻辑功能;2.设计实验3.某导弹发射场有正、副指挥各一名, 操作员两名。
当正副指挥员同时发出命令时, 只要两名操作员中有一人按下发射按钮, 即可产生一个点火信号, 将导弹发射出去, 根据此设计一个组合逻辑电路, 完成点火信号的控制。
4.实现一位全加器五、用一块74SL153及74SL00完成连接, 输入用3个开关分别代表A.B.CI,输出用2个指示灯分别代表CO、S1。
六、实验过程1.设计实验—点火信号控制器(1)列出半加半减器的真值表(2)画出卡诺图(3)降维①②A0 1B0 0 01 0 D+C(4)转化为与非门2.全加器的实现(1)列出全加全减器的真值表输入输出A B C(i-1) S CI0 0 0 0 00 0 1 1 00 1 0 1 00 1 1 0 11 0 0 1 01 0 1 0 11 1 0 0 11 1 1 1 1(2)画出卡诺图S=AB00 01 11 10C0 0 1 0 11 1 0 1 0CI=AB00 01 11 10C0 0 0 1 01 0 1 1 1 (3)降维S=A0 1B0 C1 CCI=A0 1B0 0 C1 C 13.逻辑电路设计(1)点火信号控制器5V BFACD (2)全加器&& &5V B CIS AC&。
实训四数据选择器及其应用一、实训目的1、熟悉中规模集成电路数据选择器的逻辑功能。
2、熟悉数据选择器的扩展应用。
3、了解用中规模集成电路设计逻辑电路的技巧。
二、实训说明和原理数据选择器是从多路输入信号中选择一路输出的电路。
通常在地址输入信号控制下,从几个数据输入中选择一路输出。
如一个4选1的数据选择器,应有两个地址输入端,它共有=4种不同的组合,每一种组合可选择对应的一路输入数据输出。
同理,对一个8选1的数据选择器,应有3个地址输入端。
所用逻辑门的引脚分布图及逻辑功能表如下。
双4选1数据选择器/多路选择器74LS153引脚分布图A、B为地址端,B为高位。
G为控制端。
输出表达式Y=双4选1数据选择器/多路选择器74LS153逻辑功能表三、实训所用器件、工具和仪器设备1、数字电路实验箱2、万用表3、元件:双四选一数据选择器74LS153 1片四重二输入或门74LS32 1片六重反相器74LS04 1片4、平口镊子四、实训内容和步骤1、数据选择器逻辑功能测试⑴绘制测试74LS153逻辑关系的接线图⑵将74LS153正确插入实验箱的插座上,根据芯片的引脚分布正确接线。
⑶改变输入状态的高低电平,观察输出信号所对应发光管的状态,进行功能测试,并将测试结果汇总制成如下表格。
74LS153功能测试结果2、数据选择器的扩展应用--用双4选1数据选择器完成8选1数据选择器的功能8选1数据选择器共有8路输入、1路输出,需要有三个地址输入端控制,将一个控制端变为地址端。
⑴绘制用双4选1数据选择器构成8选1数据选择器的接线图。
⑵将74LS153正确插入实验箱的插座上,根据连线图正确接线。
注意控制输入端的连接方法。
⑶C、B、A作为地址输入端接高低电平,改变C0~C7的输入状态,观察输出信号所对⑷结论:3、数据选择器的扩展应用用双4选1数据选择器实现函数:。
⑴确定用双4选1数据选择器实现函数的变量取值。
对照函数表达式和双4选1数据选择器74LS153输出表达式Y= 发现:函数F有三个输入变量A、B、C,而数据选择器有两个地址端B、A,少于函数输入变量个数,在设计时可选变量A接地址端B,变量B接地址端A;D0=0, D1=D2=C, D3=1⑵绘制用用双4选1数据选择器实现函数的接线图。
图4-5-2 74LS151引脚排列实验五数据选择器及其应用[实验目的]1、 掌握中规模集成数据选择器的逻辑功能及使用方法。
2、 学习用数据选择器构成组合逻辑电路的方法。
[实验原理]数据选择器又叫“多路开关”。
数据选择器在地址码(或叫选择控制)电位的控制下,从 几个数据输入中选择一个并将其送到一个公共的输出端。
数据选择器的功能类似一个多掷开关,如图4-5-1所示,图中有四路数据 D o ~D 3,通过选择控制信号 A" A o (地址码)从四路数 据中选中某一路数据送至输出端 Q 。
数据选择器为目前逻辑设计中应用十分广泛的逻辑部件,它有2选1、4选1、8选1、16选1等类别。
数据选择器的电路结构一般由与或门阵列组成,也有用传输门开关和门电路混合而成 的。
图4-5-1 4选1数据选择器示意图表 4-5-1输 入输出S A 2A 1A 0Q Q 1 XXX0 1 0 0 0 0 D 0 D 0 0 0 0 1 D 1 D 1 0 0 1 0 D 2 D 2 0 0 1 1 D 3 D 3 0 1 0 0 D 4 D 4 0 1 0 1 D 5 D 5 0 1 1 0 D 6 D 6 0111D 7D 71、8选1数据选择器74LS15174LS151为互补输出的8选1数据选择器,引脚排列如图 4-5-2,功能如表4-5-1。
选择控制端(地址端)为A ?〜A o ,按二进制译码,从8个输入数据D O ~D 7中,选择1个需 要的数据送到输出端 Q ,S 为使能端,低电平有效。
(1)使能端S=1时,不论A 2~A o 状态如何,均无输出(Q=0,Q=1),多路开关被禁止。
⑵使能端S=0时,多路开关正常工作,根据地址码A 2、A 1、A o 的状态选择 D o 〜D 7中W岀Ao Ajl l 2 3* 5 M 7 sI isl lil id 12 llAB F 0 0 0 0 1 1 10 1 ii某一个通道的数据输送到输出端 Q 。
实验二数据选择器及其应用一、实验原理数据选择器又叫“多路开关”。
数据选择器在地址码(或叫选择控制)电位控制下,从几个数据输入中选择一个并将其送到一个公共的输出端。
数据选择器又叫“多路开关”。
数据选择器在地址码(或叫选择控制)电位的控制下,从几个数据输入中选择一个并将其送到一个公共的输出端。
数据选择器的功能类似一个多掷开关,如图4-1所示,图中有四路数据D0~D3,通过选择控制信号A1、A0(地址码)从四路数据中选中某一路数据送至输出端Q。
图4-1 4选1数据选择器示意图图4-2 74LS151引脚排列数据选择器为目前逻辑设计中应用十分广泛的逻辑部件,它有2选1、4选1、8选1、16选1等类别。
数据选择器的电路结构一般由与或门阵列组成,也有用传输门开关和门电路混合而成的。
二、实验目的1、掌握中规模集成数据选择器的逻辑功能及使用方法;2、学习用数据选择器构成组合逻辑电路的方法。
三、实验设备与器件1、+5V直流电源2、逻辑电平开关3、逻辑电平显示器4、74LS151(或CC4512)74LS153(或CC4539)四、实验内容1、测试数据选择器74LS151的逻辑功能。
接图4-7接线,地址端A2、A1、A0、数据端D0~D7、使能端S接逻辑开关,输出端Q接逻辑电平显示器,按74LS151功能表逐项进行测试,记录测试结果。
图4-7 74LS151逻辑功能测试2、测试74LS153的逻辑功能。
测试方法及步骤同上,记录之。
逻辑功能见下表:3、用8选1数据选择器74LS151设计三输入多数表决电路。
1)写出设计过程有三个人进行表决,当其中任意两个人赞同时,输出为真,否则输出为假。
真值表如下:2)画出接线图4、用8选1数据选择器实现逻辑函数。
用8选1数据选择器74LS151实现函数 B A B A F += (1)列出函数F 的功能表如表4-4所示。
(2)将A 、B 加到地址端A1、A0,而A2接地,由表5-4可见,将D1、D2接“1”及D0、D3接地,其余数据输入端D4~D7都接地,则8选1数据选择器的输出Q ,便实现了函数 A B B A F +=显然,当函数输入变量数小于数据选择器的地址端(A )时,应将不用的地址端及不用的数据输入端(D )都接地。
数字电路实验报告姓名:班级:学号:同组人员:实验二数据选择器及其应用一、实验目的1.了解74LS00、74LS153芯片的内部结构和功能;2.掌握数据选择器的逻辑功能及其基本应用。
二、实验设备1、数字电路试验箱2、74LS00、74LS153三、实验原理数据选择器可以实现从多路数据中选择任何一路数据输出,选择的控制由专门的端口编码决定,称为地址码,数据选择器可以完成很多逻辑功能。
具体原理见课本四、实验内容1、用数据选择器完成导弹发射导弹发射的时候,A、B是指挥官,只有当A、B都同意才能发射,C、D是操作员,听到A、B都同意的指令C、D才发射导弹,C、D任何一个发射都算完成任务。
同意指令为“1”,不同意为“0”,发射为“1”,不发射为“0”。
真值表如下:发射导弹的情况如下:实验中只有74LS00、74LS153,利用这两个器件设计电路如下:开关从左到右依次为A 、B 、C 、D ,AB 接C 1、C 2、C 3 ,C 0=0,C 、D 接地址端,即可完成导弹发射功能。
2、 用数据选择器设计全加器电路实验电路如下:如图所示:开关从左至右依次为Ai、Bi、Ci-1,A、B位地址输入端,1C1、1C2接Ci-1’,1C0、1C3接Ci-1;2C0=0,2C3=1,2C1、2C2接Ci-1,即可完成全加器功能。
五、实验结果12、全加器实验结果A i=1,B i=0,C i-1=1时的实验结果以上两个实验结果均符合设计要求。
六、实验心得通过这三次实验,对数字电路的有了进一步的了解。
学会用数据选择器设计简单的功能电路。
对数据选择器的掌握程度有了进一步的加深。
实验三数据选择器及应用一、实验目的1.熟悉中规模集成数据选择器的逻辑功能及测试方法。
2.学习用集成数据选择器进行逻辑设计。
二、实验仪器及材料a) TDS-4数电实验箱、双踪示波器、数字万用表。
b) 参考元件:数据选择器74LS153一片。
三、实验预习要求及思考题1.预习要求:1)熟悉74LS153的工作原理及使用方法。
2)根据实验内容要求,写出设计的全过程,画出实验电路图。
3)用multisim软件对实验进行仿真并分析实验是否成功。
2.思考题1) 用双四选一数据选择器74LS153怎样连接成八选一数据选择器?2) 数据选择器74LS153的使能端有什么有好处?四、实验原理1.74LS153的引脚功能图见附录。
2.数据选择器数据选择器(multiplexer)又称为多路开关,是一种重要的组合逻辑部件,它可以实现从多路数据传输中选择任何一路信号输出,选择的控制由专列的端口编码决定,称为地址码,数据选择器可以完成很多的逻辑功能,例如函数发生器、并串转换器、波形产生器等。
用数据选择器实现组合逻辑函数1)选择器输出为标准与或式,含地址变量的全部最小项。
例如四选一数据选择器输出如下:而任何组合逻辑函数都可以表示成为最小项之和的形式,故可用数据选择器实现。
N 个地址变量的数据选择器,不需要增加门电路最多可实现N+1个变量的逻辑函数。
2)步骤:①写出函数的表准与或式,和数据选择器输出信号表达式。
②对照比较确定选择器各输入变量的表达式。
③根据采用的数据选择器和求出的表达式画出连线图。
五、实验内容1.验证74LS153的逻辑功能将双四选一多路数据选择器74LS153 接成的电路如图3-1所示,将A1、A0接逻辑开关,数据输入端D0~D3接逻辑开关,输出端Y接发光二极管。
观察输出状态并填表3-1。
表3-1图 3-12.用4选1数据选择器74LS153设计三输入多数表决电路1)写出设计过程。
2)画出接线图并在74LS153上连接好电路。
实验三数据选择器及其应用一、实验目的1、掌握中规模集成数据选择器的逻辑功能及使用方法2、学习用数据选择器构成组合逻辑电路的方法二、实验原理数据选择器又叫“多路开关”。
数据选择器在地址码(或叫选择控制)电位的控制下,从几个数据输入中选择一个并将其送到一个公共的输出端。
数据选择器的功能类似一个多掷开关,如图3-1所示,图中有四路数据D0~D3,通过选择控制信号 A1、A(地址码)从四路数据中选中某一路数据送至输出端Q。
数据选择器为目前逻辑设计中应用十分广泛的逻辑部件,它有2选1、4选1、8选1、16选1等类别。
数据选择器的电路结构一般由与或门阵列组成,也有用传输门开关和门电路混合而成的。
1、八选一数据选择器74LS15174LS151为互补输出的8选1数据选择器,引脚排列如图3-2,功能如表3-1。
选择控制端(地址端)为A2~A,按二进制译码,从8个输入数据D~D7中,选择一个需要的数据送到输出端Q,S为使能端,低电平有效。
图3-1 4选1数据选择器示意图图 3-2 74LS151引脚排列表3-1使能端S=1时,不论A2~A状态如何,均无输出(Q=0,Q=1),多路开关被禁止。
1)使能端S=0时,多路开关正常工作,根据地址码A2、A1、A的状态选择D0~D7中某一个通道的数据输送到输出端Q。
如:A2A1A=000,则选择D数据到输出端,即Q=D。
如:A2A1A=001,则选择D1数据到输出端,即Q=D1,其余类推。
2、双四选一数据选择器 74LS153所谓双4选1数据选择器就是在一块集成芯片上有两个4选1数据选择器。
引脚排列如图3-3,功能如表3-2。
图3-3 74LS153引脚功能S1、S2为两个独立的使能端;A1、A为公用的地址输入端;1D~1D3和2D~2D3分别为两个4选1数据选择器的数据输入端;Q1、Q2为两个输出端。
1)当使能端S1(2)=1时,多路开关被禁止,无输出,Q=0。
2)当使能端S1(S2)=0时,多路开关正常工作,根据地址码A1、A的状态,将相应的数据D0~D3送到输出端Q。
电工电子实验报告数据选择器及应用一、 实验目的1.熟悉中规模集成电路数据选择器的工作原理与逻辑功能2.掌握数据选择器的应用二、 主要仪器设备及软件硬件:74LS153,74LS151,电工电子综合实验箱,导线,笔记本电脑软件:NI Multisim 14三、 实验原理(或设计过程)1. 逻辑功能数据选择器又称多路选择器或多路开关,常以MUX 表示。
它是单输出多输入的组合逻辑电路。
在选择信号的控制下,能从多路输入数据中选择一路输出,其作用相当于单刀多掷开关。
常用的MUX 有2选1、4选1、8选1和16选1,它们又分别称为2路、4路、8路和16 路选择器。
从输出来说,有原码输出和反码输出,有的还能同时输出互补信号。
此外,还有OC 输出与三态输出。
74LS153的每块组件内封装了两个完全相同的4选1选择器,它们各有一个使能控制端G ,输入低电平有效。
由于二者测辑结构相同,因此逻辑函数式同为:G BAC C A B AC B C A B Y )(3210+++=式中,B 、A 为数据选择信号(也称为地址), C 0~C 3为数据输入端。
当G ="1"时,IY 和2Y 均为低电平,与输入数据无关,即数据选择器不工作。
当G ="0"时,则3210BAC C A B AC B C A B Y +++=。
74LS153功能表:74LSI51的内部电路结构与74LSI13类似,但多一条反相输出端(W̅)。
2. 容量扩展目前生产的MUX,最多的路数为16。
在地址输入变量超过4个时,就要对MUX 进行扩展使用。
另外,在手头没有所需大容量MUX 的情况下,也需要利用小容量MUX 来扩展。
1. 利用选通端2. 附加SSI 门电路3. 用MUX 的级联①如图7.42通过选通端控制两个四路MUX 实现八选一。
70~D D 为被选择器,C,B,A 为地址输入端,地址最高位用来控制选通端。