译码器和数据选择器实验报告
- 格式:doc
- 大小:208.00 KB
- 文档页数:11
触发器数据选择器和译码器实验报告3
实验三使用了触发器、数据选择器和译码器,即用关系表来定义触发节点,并设计分配数据不同选择器及译码器来进行数据传输处理。
触发机是非常重要的组成部分,它可以动态地触发数据传递--当触发器接收到触发信号时,就会向相关的数据选择器发出控制信号,以激活后续的数据处理流程。
数据选择器的作用是根据触发信号和关系表转换出下一个活动的触发层,决定存储器输出的字并决定译码器要处理的数据。
最后一部分是译码器,它根据数据选择器识别出的触发字,并将其转换为需要的操作命令和参数,例如设定计算机寄存器状态或者启动某种操作的中央处理器程序。
实验中又涉及到两个概念:触发字和控制信号,触发字是一例多样的,它作为指令数据的引导,决定下一步所要执行的数据处理过程;控制信号则是指在执行不同操作时下发的,让其他操作件,如二极管,电磁线圈,及对应存储设备,如某类存储器,执行相应功能,以支持其他处理过程,控制完成最终任务。
通过本次实验,我们收获了知识充实的体会。
我们深刻了解了触发器、数据选择器和译码器的功能及分工,以及它们在数据传输处理中的重要性,同时也了解了控制信号和触发字的概念和用途。
实验三组合逻辑电路应用——译码器、数据选择器
译码器和数据选择器是现代数字电子学中常用的两种组合逻辑电路。
它们可以将输入
的二进制信号转换为对应的输出信号,并且在数字电路中具有广泛的应用。
一、译码器
译码器是一种将输入的二进制信号转换成对应输出信号的数字电路。
译码器的作用是
将输入的地址码转换成溢出电路所能识别的控制信号,通常用来将不同的地址码映射到不
同的设备或功能上。
比如在存储器系统中,根据不同地址码,从RAM或者ROM中取出相应
的数据或指令。
除此之外,译码器还可以用于数据压缩、解码、解密等领域。
在一些数字电路中,译
码器还可以充当多路复用器、选择器等电路的功能。
译码器的分类按照其输入和输出的码制不同,可以分为译码器、BCD译码器、灰码译
码器等。
其中,最常见的是2-4译码器、3-8译码器、4-16译码器等。
二、数据选择器
数据选择器是一种多路选择器,根据控制信号选择输入端中的一个数据输出到输出端。
选择器的控制信号通常由一个二进制码输入到它的控制端,二进制码的大小由选择器的通
道数决定。
数据选择器广泛用于控制、多媒体处理、信号处理等方面。
数据选择器与译码器相比,最主要的区别在于其输出可以不仅限于数字信号。
数据选
择器可以处理模拟信号、复合信号等多种形式的信号,因为它可以作用于信号的幅度、相位、频率等方面。
数据选择器按照输入和输出的端口取数的不同,可以分为单路选择器和多路选择器。
常见的有2-1选择器、4-1选择器、8-1选择器、16-1选择器等。
实验十六__译码器及数据选择器
译码器是一种数字电子器件,它将输入的数字信号转换为一组相关的输出信号,通常用于从数字信号控制各种设备。
译码器通常用于数字系统中,例如计算机、通信设备和数字电路中。
译码器的主要功能是将二进制代码转换为具有特定功能的输出信号。
译码器的功能通常与编码器相反,编码器将输入的信息转换为二进制代码。
译码器的输入信号通常为二进制代码,输出信号为与输入信号相对应的控制信号或数据信号。
数据选择器是另一种与译码器紧密相关的数字电路。
它具有多个输入和一个输出,它根据控制信号从输入中选择一个输出。
数据选择器在数字电路中的应用非常广泛,例如在多路复用器和时序电路中,常常使用数据选择器。
在数字电路中,常常需要将输入信号转换为特定的控制信号或数据信号,以控制整个系统的运作。
这时,译码器及数据选择器就发挥了重要的作用。
例如,在计算机的微处理器中,译码器将指令代码转换为控制信号,用于控制CPU的内部工作。
数据选择器则用于选择CPU中的寄存器或缓存,用于操作数据通路。
另外,在通信设备中,译码器用于将数字信号转换为模拟信号,用于音频和视频的传输和接收。
数据选择器用于多路复用器和解码器中,用于选择传输路径和解码所需的数据。
译码器及数据选择器的实现方法有很多种,常见的有硬件实现和软件实现。
硬件实现是指使用数字逻辑门和触发器等硬件器件来实现译码器和数据选择器电路。
软件实现是指使用高级编程语言编写的程序来实现译码器和数据选择器的功能。
总之,译码器及数据选择器是数字电路中非常重要的电子器件,它们在数字电路、计算机、通信设备和各种数字系统中发挥着重要作用。
实验五:译码器和数据选择器的使用1.实验目的1) 熟悉数据分配器和译码器的工作原理与逻辑功能。
2) 掌握数据分配器和译码器的使用2.理论准备1) 具有译码功能的逻辑电路称为译码器。
译码即编码的逆过程,将具有特定意义的二进制码进行辨别,并转换成控制信号。
按用途来分,译码器大体上有以下3类:(1)变量译码器;(2)码制变换译码器;(3)显示译码器。
2) 数据选择器又称多路开关,它是以“与或非”门或以“与或”门为主体的组合电路。
它在选择控制信号的作用下,能从多个输入数据中选择某一个数据作为输出。
常见的数据选择器有以下5种:(4)4位2通道选1数据选择器;(5)4通道选1数据选择器;(6)无“使能”端双4通道选1数据选择器;(7)具有“使能”端的互补输出地单8选1数据选择器。
3.实验内容1) 3线-8线译码器(74138)的功能测试2) 用3-8译码器设计一位全减器3) 用双4选1数据选择器(74153)设计一位全减器提示说明:①用译码器设计组合逻辑电路设计原理;②利用译码器产生输入变量的所有最小项,再利用输出端附加门实现最小项之和;③双4选1数据选择器:在控制信号的作用下,从多通道数据输入端中选择某一通道的数据输出Y=[D0(A1’A0’)+D1(A1’A0)+D2(A1A0’)+D3(A1A0)].S。
4.设计过程1)用3-8译码器设计一位全减器。
(1)分析设计要求,列出真值表。
如表一。
表一3-8译码器设计一位全减器真值表(2)根据真值表,写出逻辑函数表达式。
Y0’=(C’B’A’)’ Y4’=(CB’A’)’Y1’=(C’B’A)’ Y5’=(CB’A)’Y2’=(C’BA’)’ Y6’=(CBA’)’Y3’=(C’BA)’Y7’=(CBA)’表二3-8译码器设计一位全减器逻辑抽象真值表(4)根据真值表得到逻辑表达式。
r=a’b’c+a’bc’+ab’c’+abcs=a’b’c+a’bc’+a’bc+abc(5)根据38线译码器的逻辑表达式和4式所得结果进行分析,最后确定实现电路。
实验十译码器和数据选择器一、实验目的1、熟悉集成译码器。
2、了解集成译码器应用。
二、实验原理译码器是将给定代码译成相应状态的电路。
双2-4线集成变量译码器74LS139如图10-1所示。
每个2-4线译码器有两个输入端(A、B)和四个输出端(Y0、Y1、Y2、Y3)。
两个输入端可以输入四种数码,即00、01、10、11,对应的四种输出状态是0111、1011、1101、1110。
G为使能端,当G=0时,译码器能正常工作,当G=1时,不能工作,输出端全部为高电平(即“1”)。
数据选择器有多个输入,一个输出。
其功能类似单刀多掷开关,故又称多路开关(MUX)。
在控制端的作用下可从多路并行数据中选择一路送输出端。
双4选1数据选择器74LS153如图10-2所示。
以其中的一个数据选择器为例,C0、C1、C2、C3为输入端,可同时输入四种不同的数据(信号),Y为被选中的数据的输出端,G为使能端(低电平时工作),A、B为选择控制端。
设四个输入端的输入信号分别为C0、C1、C2、C3则其功能如表10-1所示。
三、实验仪器及材料1、双踪示波器2、器件74LS139 双2—4线译码器 1片74LS153 双4选1数据器 1片74LS00 二输入端四与非门 1片四、实验预习要求1、复习有关译码器和数据选择器的原理。
2、根据实验任务,画出所需的实验线路及记录表格。
五、实验内容及步骤1、译码器功能测试将74LS139译码器按图10-1,接线,按表10-2输入电平分别置位,填写输出状态表图10-1 74LS139译码器表10-22、译码器转换将双2—4线译码器转换为3—8线译码器。
(1)画出转换电路图。
(2)在实验仪上接线并验证设计是否正确。
(3)设计并填写该3—8线译码器功能表,画出输入、输出波形。
3、数据选择器的测试及应用将双4选1数据选择器74LS153参照图10-2接线,测试其功能并填写功能表。
(1)将选择端1(G)、2(B)、14(A)脚接逻辑电平开关;(2)将实验仪脉冲信号源中固定连续脉冲4个不同频率的信号接到数据选择器4个输入端:3(250KHz)、4(100KHz)、5(10KHz)、6(1KHz);将选择端置位,使输出端7(1Y)接示波器,可分别观察到4种不同频率脉冲信号。
竭诚为您提供优质文档/双击可除数据选择器和译码器实验报告篇一:实验二译码器与数据选择器的功能测试及应用(实验报告)实验2译码器与数据选择器的功能测试及应用一.实验目的与要求(5分)1.掌握中规模集成译码器与数据选择器的逻辑功能和使用方法;2.学习用集成译码器与数据选择器构成组合逻辑电路的方法。
三、实验原理与内容(20分)1.译码器(1)译码与译码器的概念译码是编码的反过程,是将给定的二进制代码翻译成编码时赋予的原意,实现译码功能的电路称为译码器。
(2)译码器分类译码器分为通用译码器(包括二进制、二─十进制译码器)与显示译码器(包括TTL共阴显示译码器、TTL共阳显示译码器等)两大类。
(3)利用译码器实现组合逻辑函数二进制、二─十进制译码器的输出端的逻辑式是以输入变量最小项(取反)的形式,故这种译码器也叫最小项译码器,利用最小项译码器可以实现简单的组合逻辑电路。
2.数据选择器(1)数据选择器概念与功能数据选择器可以实现从多路数据传输中选择任何一路信号输出,选择的控制由地址码决定。
数据选择器可以完成很多的逻辑功能,例如函数发生器、并串转换器、波形产生器等。
(2)用数据选择器实现组合逻辑函数选择器输出为标准与或式,含地址变量的全部最小项。
例如四选一数据选择器输出如下:Y=A1A0D3+A1A0D2+A1A0D1+A1A0D0而任何组合逻辑函数都可以表示成为以上的表示形式,故可用数据选择器实现。
四.实验步骤与记录(30分)1.译码器74Ls139功能测试测试译码器74Ls139中任意一组2-4线译码器的功能,其中译码器的输入端s、A1、A0接拨码开关输出口,输出Y0~Y3接发光管。
改变拨码开关开关的状态,观察输出,写出Y0~Y3的输出。
实验电路图如下:(请同学们完善,要求用铅笔做图)2.用译码器实现逻辑函数F=Abc+Abc。
用拨码开关开关输入信号A、b、c,发光二极管观察输出F。
实验电路图如下:(请同学们完善,要求用铅笔做图)3.用8选1数据选择器74Ls151实现函数F=Abc+Abc+Abc+Abc,用拨码开关开关输入信号A、b、c,发光二极管观察输出F。
译码器和数据选择器实验总结译码器和数据选择器实验总结本实验主要内容为熟悉译码器和数据选择器的原理和操作,大致内容如下:一、简介译码器是一种将二进制输入信号转换成更加易读的输出信号的电路,其中包括多路译码器、十位译码器、编码器等。
数据选择器通常出现在计算机系统中,该器件的作用是将多种输入信号转换成一种指定的输出信号。
二、原理1.译码器原理译码器是一种将二进制、十六进制等格式的数字信号转换成常见的按键输入信号信号的电路,它由一组控制端、一组输出端以及一个多位的数据输入端所组成。
当某一组特定的输入条件出现时,译码器会将这组特定输入条件转换成一组不同的输出信号,而其他的输入条件则不会产生任何的输出信号。
2.数据选择器原理数据选择器是一种将输入信号的取值从多种多样的可能范围内取出其中的一种,然后将输出信号的取值传送到输出端的一种电路,它具有输入、输出和控制三端。
在数据选择器的运行过程中,当控制端取得特定的值时,数据选择器会从多个输入端中提取出对应的输入值输出到输出端,而当控制端取得不同的值时,数据选择器会从多个输入端中提取出不同的输入值输出到输出端。
三、实验1.译码器实验本实验采用74LS138作为译码器,实验目的是通过对其输入端和输出端的测试,得出译码器的功能特性和工作原理。
经过实验,发现,译码器将输入信号x、y、z的二进制信号转换成由8个输出信号(A、B、C、D、E、F、G、H)组成的更加易读的信号,当某一组特定的输入信号出现时,该特定的输入条件转换成一组不同的输出信号,而其他的输入条件则不会产生任何的输出信号。
2.数据选择器实验本实验采用CD4567作为数据选择器,实验目的是通过使用数据选择器,观察输入信号和输出信号,实现指定的信号的转换。
经过实验,发现,当控制端取得特定的值时,数据选择器会从多个输入端中提取出对应的输入值输出到输出端,而当控制端取得不同的值时,数据选择器会从多个输入端中提取出不同的输入值输出到输出端,这样的控制能够实现输入信号和输出信号之间的转换。
实验四 译码器及其应用一、实验目的1.掌握中规模集成译码器的逻辑功能和使用方法2.熟悉数码管的使用二、实验原理译码器是一个多输入、多输出的组合逻辑电路。
它的作用是把给定的代码进行“翻译”,变成相应的状态,使输出通道中相应的一路有信号输出。
译码器可分为通用译码器和显示译码器两类。
前者又分为变量译码器和代码变换译码器。
1.变量译码器(又称二进制译码器),用以表示输入变量的状态,如2线-4线、3线-8线和4线-16线译码器。
若有n 个输入变量,则有2n 个不同的组合状态,就有2n 个输出端供其使用。
而每一个输出所代表的函数对应于n 个输入变量的最小项。
以3线-8线译码器74LS138为例进行分析,图4-1(a)、(b)分别为其逻辑图及引脚罗列。
其中 A 2 、A 1 、A 0为地址输入端,0Y ~7Y 为译码输出端,S 1、2S 、3S 为使能端。
(a) (b)图4-1 3-8线译码器74LS138逻辑图及引脚罗列表4-1为74LS138功能表当S 1=1,2S +3S =0时,器件使能,地址码所指定的输出端有信号(为0)输出,其它所有输出端均无信号(全为1)输出。
当S 1=0,2S +3S =X 时,或者 S 1=X,2S +3S=1时,译码器被禁止,所有输出同时为1。
表4-1输 入输 出S 1 2S +3S A 2A 1 A 0 0Y1Y2Y3Y 4Y5Y6Y 7Y1 0 0 0 0 0 1 1 1 1 1 1 1 1 0 0 0 1 1 0 1 1 1 1 1 1 1 0 0 1 0 1 1 0 1 1 1 1 1 1 0 0 1 1 1 1 1 0 1 1 1 1 1 0 1 0 0 1 1 1 1 0 1 1 1 1 0 1 0 1 1 1 1 1 1 0 1 1 1 0 1 1 0 1 1 1 1 1 1 0 1 1 0 1 1 1 1 1 1 1 1 1 1 0 0 × × × × 1 1 1 1 1 1 1 1 × 1×××11111111二进制译码器实际上也是负脉冲输出的脉冲分配器。
数电实验实验报告四译码器和数据选择器引言:本实验旨在了解和掌握四译码器和数据选择器的原理和应用。
四译码器是数字电子电路中常见的器件,它将一个四位的二进制输入信号转换为一个十六位的输出信号。
数据选择器是另外一种常见的数字电路设备,它根据一个控制信号选择多个输入信号中的其中一个输出。
通过本实验,我们将深入学习和理解这些器件的工作原理和应用。
一、实验内容1.实验仪器和器件的使用本实验使用了以下工具和器材:数字万用表、集成电路74LS138、74LS151和74LS1532.实验步骤(1)将74LS138、74LS151和74LS153集成电路插入实验台的插座中。
(2)根据实验电路图连接电路。
(3)使用数字万用表检查电路连接的正确性。
(4)接通电源,观察四译码器和数据选择器的工作情况。
(5)根据实验要求,进行不同的输入输出组合测试。
(6)记录实验结果并分析。
二、实验原理1.四译码器四译码器是一种数字电路器件,它将一个四位的二进制输入信号转换为一个十六位的输出信号。
常见的四译码器有74LS138、74LS138采用电平译码的方式实现,当满足选择条件时,一个指定的输出信号会变为低电平,其他输出信号为高电平。
具体的工作原理如下:输入信号A、B、C用于选择要输出的信号。
当输入信号满足以下条件时,对应的输出Y变为低电平,其他输出Y为高电平:Y0=ABCY1=ABCY2=ABCY3=ABCY4=ABCY5=ABCY6=ABCY7=ABC数据选择器是另外一种常见的数字电路设备,它根据一个控制信号选择多个输入信号中的其中一个输出。
常见的数据选择器有74LS151和74LS153、74LS151是一个8位数据选择器,它有三个2位选择信号,根据选择信号选择要输出的数据。
74LS153是一个4位数据选择器,它有两个2位选择信号。
具体的工作原理如下:选择信号A、B用于选择要输出的数据。
当选择信号满足以下条件时,对应的数据输出:对于74LS151:Y0=D0Y1=D1Y2=D2Y3=D3Y4=D4Y5=D5Y6=D6Y7=D7对于74LS153:Y0=S0Y1=S1Y2=S1Y3=S1三、实验结果和分析在本次实验中,我们连接了74LS138、74LS151和74LS153三个集成电路,并根据实验要求进行了不同的输入输出组合测试。
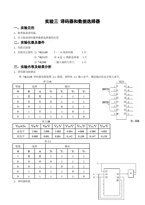
实验三译码器和数据选择器一、实验目的1、熟悉集成译码器。
2、学习集成译码器和数据选择器的应用。
二、实验仪器及器件1、双踪示波器2、实验用元器件①74LS139 2 —4 线译码器1片②74LS153 双4选1 数据选择器1片③74LS00 二输入端四与非门1片三、实验内容及结果分析1、译码器功能测试将74LS139 译码器电路按图2.1 接线,参照表2.1 输入电平,测试输出状态并填入表中。
表2.1A使能选择输出G B A Y0Y1Y2Y31 X X 1 1 1 10 0 0 0 1 1 10 0 1 1 0 1 10 1 0 1 1 0 10 1 1 1 1 1 0表2.1BV CC=5v V G/V V B/V V A/V V Y0/V V Y1/V V Y2/V V Y3/V高电平 5.001 5.000 5.003 4.084 4.086 4.390 4.083低电平0.000 0.001 0.001 0.142 0.139 0.147 0.138表2.1使能选择输出G B A Y0Y1Y2Y31 X X 1 1 1 10 0 0 0 1 1 10 0 1 1 0 1 10 1 0 1 1 0 10 1 1 1 1 1 02、译码器转换将双2-4线译码器转换为3-8线译码器。
⑴ 画出转换电路图;⑵ 在实验箱上接线并验证设计是否正确; ⑶ 填写该3-8 线译码器功能表 2.2。
表2.2A表2.2BV CC =5v输入输出 V 1G /v V 1B /v V 1A /v V 2G /v V 2B /v V 2A /vV 1Y0/v V 1Y1/v V 1Y2/v V 1Y3/v V 2Y0/v V 2Y1/v V 2Y2/v V 2Y3/v 高电平 4.994 4.997 4.996 4.997 4.997 4.997 4.137 4.140 4.134 4.137 4.137 4.134 4.130 4.134 低电平 0.0000.0010.0020.2200.0010.0110.140 0.1370.1460.1370.1440.1390.1450.137表2.2输入输出 1G 1B 1A 2G 2B 2A 1Y 0 1Y 1 1Y 2 1Y 3 2Y 0 2Y 1 2Y 2 2Y 3 0 0 0 1 X X 0 1 1 1 1 1 1 1 0 0 1 1 X X 1 0 1 1 1 1 1 1 0 1 0 1 X X 1 1 0 1 1 1 1 1 0 1 1 1 X X 1 1 1 0 1 1 1 1 1 X X 0 0 0 1 1 1 1 0 1 1 1 1 X X 0 0 1 1 1 1 1 1 0 1 1 1 X X 0 1 0 1 1 1 1 1 1 0 1 1XX1111111113、数据选择器的测试及应用⑴ 将双 4选 1数据选择器 74LS153 参照图2.3.2 接线,输入输出 1G 1B 1A 2G 2B 2A 1Y 0 1Y 1 1Y 2 1Y 3 2Y 0 2Y 1 2Y 2 2Y 3 0 0 0 1 X X 0 1 1 1 1 1 1 1 0 0 1 1 X X 1 0 1 1 1 1 1 1 0 1 0 1 X X 1 1 0 1 1 1 1 1 0 1 1 1 X X 1 1 1 0 1 1 1 1 1 X X 0 0 0 1 1 1 1 0 1 1 1 1 X X 0 0 1 1 1 1 1 1 0 1 1 1 X X 0 1 0 1 1 1 1 1 1 0 1 1XX111111111测试其功能并填写表2.3。
福建农林大学计算机与信息学院信息工程类实验报告系:计算机系专业:计算机科学与技术年级: 07级姓名:学号:实验课程:数字电子技术基础实验室号:__ 实验设备号: 9 实验时间: 2008-12-9指导教师签字:成绩:实验二译码器和数据选择器一、实验目的和要求1、掌握3 -8线译码器逻辑功能和使用方法。
2、掌握数据选择器的逻辑功能和使用方法。
二、实验原理译码的功能是将具有特定含义的二进制码进行辨别,并转换成控制信号,具有译码功能的逻辑电路称为译码器。
译码器在数字系统中有广泛的应用,不仅用于代码的转换、终端的数字显示,还用于数据分配,存贮器寻址和组合控制信号等。
不同的功能可选用不同种类的译码器。
下图表示二进制译码器的一般原理图:它具有n个输入端,2n个输出端和一个使能输入端。
在使能输入端为有效电平时,对应每一组输入代码,只有其中一个输出端为有效电平,其余输出端则为非有效电平。
每一个输出所代表的函数对应于n个输入变量的最小项。
二进制译码器实际上也是负脉冲输出的脉冲分配器,若利用使能端中的一个输入端输入数据信息,器件就成为一个数据分配器(又称为多路数据分配器)。
1、3-8线译码器74LS138它有三个地址输入端A、B、C,它们共有8种状态的组合,即可译出8个输出信号Y0~Y7。
另外它还有三个使能输入端E1、E2、E3。
它的功能表见表2-1,引脚排列见图2-2。
表2-1 74LS138的功能表注:‘H’表示逻辑高电平;‘L’表示逻辑低电平;‘×’表示逻辑高电平或低电平。
2、数据选择是指经过选择,把多个通道的数据传送到唯一的公共数据通道上去。
实现数据选择功能的逻辑电路称为数据选择器。
它的功能相当于一个多个输入的单刀多掷开关,其示意图如下:3、数据选择器74LS15174LS151是一种典型的集成电路数据选择器,它有3个地址输入端CBA,可选择D0~D7这8个数据源,具有两个互补输出端,同相输出端Y和反相输出端WN。
译码器和数据选择器实验报告实验目的:1.了解译码器和数据选择器的原理和功能2.掌握译码器和数据选择器的使用方法3.探究译码器和数据选择器在数字电路中的应用实验仪器和材料:1.实验板2.译码器芯片(74LS138)3.数据选择器芯片(74LS151)4.电源线5.逻辑开关6.连接线实验原理:译码器是数字电路中的一种组合逻辑电路,用于将输入的代码转换为对应的输出信号。
它根据输入代码的不同,从多个输出端口中选择一个端口输出高电平信号。
数据选择器是一种多路选择器,根据输入的数据选择信号选择其中一个输入端口的数据进行输出。
数据选择器的功能是根据数据选择信号选择其中一个输入端口的数据,输出到输出端口。
实验步骤:1.将译码器芯片(74LS138)插入到实验板的芯片插座上。
2.连接三个逻辑开关到译码器芯片的输入端(A0、A1和A2)上,分别作为输入代码。
3.设计一个逻辑电路,将译码器芯片的八个输出端口(Y0至Y7)连接到八个发光二极管上,并通过跳线帽连接到正电源。
4.打开实验板的电源开关。
5.依次操作逻辑开关,观察发光二极管的亮灭情况,并记录每个二极管对应的输入代码。
6.将数据选择器芯片(74LS151)插入到实验板的芯片插座上。
7.连接三个逻辑开关到数据选择器芯片的输入端(S0、S1和S2)上,作为数据选择信号。
8.连接四个逻辑开关到数据选择器芯片的输入端(A0、A1、A2和A3)上,作为输入数据。
9.设计一个逻辑电路,将数据选择器芯片的四个输出端口(Y0至Y3)连接到四个发光二极管上,并通过跳线帽连接到正电源。
10.重复步骤5,观察发光二极管的亮灭情况,并记录每个二极管对应的数据选择信号和输入数据。
实验结果:译码器的输出结果与输入代码一一对应,示例如下:-输入代码000,输出Y0高电平,其余输出端口为低电平。
-输入代码001,输出Y1高电平,其余输出端口为低电平。
-...-输入代码111,输出Y7高电平,其余输出端口为低电平。
数据选择器、译码器、全加器实验
一、实验目的
1、熟悉数据选择器的功能。
2、熟悉译码器的工作原理和使用方法。
3、设计应用译码器,进一步加深对它的理解。
4、学习用中规模集成电路的设计方法。
二、实验所用仪器和芯片
1、双4选1数据选择器74LS153 1片
2、双2线-4线译码器74LS139 2片
3、四两输入与非门74LS00 1片
3、TEC-5(TDS-2)实验系统1台
三、实验内容
1、用Quartus II设计一个4选1的数据选择器
4个输入端输入4组周期不同的信号,改变数据选择引脚的电平和使能端(低电平有效)的电平,产生四种不同的组合,观察每种组合下数据选择器的的输出信号情况;
2、用2线-4线译码器设计一个3线-8线译码器,框图如下:
G
B A Y0
Y1
Y2
Y3
G
B
A
Y0
Y1
Y2
Y3
G
B
A
Y0
Y1
Y2
Y3
D
A2
A1
A0
3、用数据选择器(1片74LS153)设计实现一位全加器,实现电路并验证其正确性。
附74LS153和74LS139管脚图
输入输入输出
Vcc G2 A1 2D3 2D2 2D1 2D0 2Y 输出Vcc G2 A1 B22Y0 2Y1 2Y2 2Y3
G1 A0 1D3 1D2 1D1 1D0 1Y GND G1 A1 B11Y0 1Y1 1Y2 1Y3 GND 输入输出输入输出
74LS139。
数据选择器和译码器实验总结
数据选择器和译码器实验是一项重要实验,它主要涉及到数字电路的设计与实现。
在这个实验中,我们了解了数据选择器和译码器的基本概念,学会了通过这两个器件来操作二进制数据。
本次实验中,我们学习了如何使用逻辑门来实现数据选择器和译码器。
在数据选择器的设计中,根据需要选取输入的某一路数据输出,这可以通过设计一个实现了特定布尔表达式的电路来实现;而在译码器的设计中,通过输入二进制编码数据,实现输出特定的控制信号。
在实验过程中,我们还学习了如何使用集成电路进行设计与实现,并且了解了它们的功能和使用方法。
同时,在实验操作中,我们根据实验手册中的步骤来进行操作,因此需要具备良好的耐心和细心,防止因操作不当而导致实验失败。
通过实验,我们不仅提高了对数字电路的理论知识的理解,也加深了对数字电路的实际应用的理解,提高了我们的动手实践能力和解决问题的能力。
此外,我们还应该注意数据选择器和译码器的灵活性,以便在具体设计中根据需求进行适当的修改,以达到更好的效果。
总之,本次实验是一个非常实用的实验,它对于我们深入了解数字电路的原理和应用,提高我们的综合素质有着重要的作用。
实 验 报 告一、实验目的1、熟悉集成译码器、数据选择器逻辑功能和应用。
2、了解中规模数字集成电路的性能和使用方法。
二、实验基本原理组合逻辑电路的逻辑功能 三、实验设备及器件74LS139、74LS153、电阻若干、LED 灯若干 四、操作方法和实验步骤1、74LS139(双2-4线译码器)功能测试图4-1 74LS139引脚图图4-1中,G 端为使能端,低电平有效;A0A1地址选择端;Y0~Y3是输出端(低电平有效)将G 、A1、A0端接逻辑电平开关,改变电平输入,观察74LS139译码输出的状态并填入表4-1中。
使能端 地址选择端 输出端 G ’ A1 A0 Y0 Y1 Y2 Y3 0 0 0 0 1 1 1 0 0 1 1 1 0 1 0 1 0 1 0 1 1 0 1 1 1 1 1 0 1**1111实验课程名称 数字电子技术实验 实验项目名称 译码器和数据选择器专业、班级 电子信息类四班实验日期 2020-06-01姓名、学号 同 组 人 教师签名成 绩实验报告包含以下7项内容:一、实验目的 二、实验基本原理三、主要仪器及设备 四、操作方法和实验步骤五、实验原始数据记录 六、数据处理过程及结果、结论 七、问题和讨论A 2Y04B 3Y15Y26E 1Y37U2:A74LS139(注:G' 表示低电平有效,Y0' 表示输出低电平有效)A2Y04B3Y15Y26E1Y37U2:A74LS13911AB1ED1LED-GREEND2LED-GREEND3LED-GREEND4LED-GREENR2220R3220R4220R5220Y 输出低电平有效,Y端为低电平时,LED灯亮图4-1 74LS139译码器功能测试图(注:电阻的元件名称:res ,通过修改res属性来修改电阻值)2、译码器转换。
将74LS139(双2-4线译码器)转换为3-8线译码器(1)画出转换电路图。
实验三译码器和数据选择器(有数据)一. 实验目的1. 了解译码器和数据选择器的工作原理。
2. 学习译码器和数据选择器的基本使用方法。
二. 实验器材1. 7404 TTL集成电路 1片2. 7447 BCD-7 段译码器 1片3. 74138 3-8 译码器 1片4. 两个按钮开关5. 数字低电平信号发生器6. DSO 数字示波器7. 面包板8. 杜邦线三. 实验原理1. 译码器译码器是将码的形式转换为某个特定的输出形式。
常见的译码器有 BCD-7 段译码器及二进制-8 译码器等。
其中,BCD-7 段译码器是将 BCD 码转换为 7 段管的控制信号;而二进制-8 译码器是将二进制码转换为控制特定逻辑门输出的信号。
2. 数据选择器数据选择器是根据控制信号选取特定的输入数据,并输出到特定位置。
常见的数据选择器有 2-1 数据选择器和 4-1 数据选择器等。
其中,2-1 数据选择器是将两个输入信号中的某一个信号输出给下一级逻辑电路;而4-1 数据选择器则是将四个输入信号中的某一个信号输出给下一级逻辑电路。
1. 搭建 BCD-7 段译码实验电路(1)将 7447 BCD-7 段译码器、两个按钮开关、数字低电平信号发生器、DSO 数字示波器及面包板准备好。
(2)将杜邦线一端插入数字低电平信号发生器的 GND、CLK、DATA 和 LATCH 等接口中,另一端分别插入面包板上的 GND、K1、K2 和 L。
(5)将两个按钮开关用杜邦线与面包板连接起来。
(6)用杜邦线将 G、B、C、Q0-Q7、A、Y1、Y2、Y3、K1、K2、L 等 14 个端口连接在一起。
(7)将数字示波器的探头,接在 7447 BCD-7 段译码器的 A 端口和 GND 端口上。
电路示意图如下:(8)将面包柿子插入电源插头,并打开电源。
(9)按下 K1 或 K2 按钮,观察数字示波器上的输出信号。
按下按钮 K1,显示的是数字 0-5,按下按钮 K2,显示的是数字 6-9。
译码器和数据选择器实验
一、实验目的
1.熟悉集成译码器。
2.了解集成译码器应用。
二、实验仪器及材料
1.双踪示波器
2.器件 74LS139 2—4线译码器 1片
74LS153 双4选1数据选择器 1片
74LS00 二输入端四与非门 1片
三、实验内容
1.译码器功能测试
将74LS139译码器按图7.1接线,按表7.1输入电平分别置位,填输出状态表
2.译码器转换
将双2—4线译码器转换为3—8线译码器。
(1)画出转换电路图。
(2)在学习机上接线并验证设计是否正确。
(3)设计并填写该3—8线译码器功能表,画出输入、输出波形。
3.数据选择器的测试及应用
(1).将双4选1数据选择器74LS153参照图7.2接线,测试其功能并填写功能表。
(2).将学习机脉冲信号源中固定连续脉冲4个不同频率的信号接到数据选择器4个
输入端,将选择端置位,使输出端可以分别观察到4种不同频率脉冲信号。
(3)分析上述实验结果并总结数据选择器作用。
四、实验报告
1.画出实验要求的波形图。
2.画出实验内容2、3的接线图。
3.总结译码器和数据选择的使用体会。
译码器和数据选择器
12级电子信息工程20121060192 朱加熊
实验目的
1、熟悉集成译码器和数据选择器。
2、掌握集成译码器和数据选择器的应用。
3、学习组合逻辑电路的设计。
实验仪器及材料
1、双踪示波器
2、器件:
74LS00 二输入端四“与非”门1片
74LS20 四输入端双“与非”门1片
74LS139 双2-4先译码器1片
74LS153 双4选1数据选择器1片
实验内容
1、译码器逻辑功能测试
将74LS139译码器按图3.1接线,按表3.1分别置位输入电平,填输出状态表。
仿真结果Y0
Y1
Y2
Y3
2、译码器转换
将双2-4线译码器转换为3-8译码器。
(1)、画出转换电路图。
(2)、在试验箱上接线并验证设计是否正确。
(3)、设计并填写该3-8线译码器逻辑功能表,画出输入、输出波形。
电路图
逻辑功能表
注:表中Y=Yi 表示Yi=0,其余输
出值为1
3、数据选择器的测试及应
用
(1)、将双4选1数据选择器74LS153参照图3.2接线,测试其逻辑功能并填写功能表3.2.
A B C Y 0 0 0 Y0 0
1 Y1 0 1 0 Y
2 0 1 1 Y
3 1 0 0 Y
4 1 0 1 Y
5 1 1 0 Y
6 1
1
1
Y7
(2)、将试验箱上4个不同频率的脉冲信号接到数据选择器4个输入端,将选择端置位,使输入端分别观察到4种不同频率的脉冲信号。
(3)、分析上述实验结果并总结数据选择器的作用。
逻辑功能表
输出控制选择端数据输入端输出
E A1 A2 D3 D2 D1 D0Y
H X X X X X X L
L L L X X X L L
L L L X X X H H
L L H X X L X L
L L H X X H X H
L H L X L X X L
L H L X H X X H
4、应用设计
(1)、用2-4线译码器74LS139和少量逻辑门设计一个一位全减器。
列出真值表和卡诺图,画出原理图,在实验箱上接线并验证设计是否正确。
(2)、用4选1数据选择器74LS153和少量逻辑门设计一个1位全加器。
列出真值表和卡诺图,画出逻辑图,在实验箱上接线并验证设计是否正确。
全减器
逻辑功能表
1 1 1 1 1
原理图
仿真结果
Cn+1
Sn
全加器
逻辑功能表
Ai Bi Ci C i+1Si
0 0 0 0 0
0 0 1 0 1
0 1 0 0 1
0 1 1 1 0
1 0 0 0 1
1 0 1 1 0
1 1 0 1 0
1 1 1 1 1 原理图
仿真结果
Ci+1
.
. . . . .
a. .. .
组合逻辑电路的设计方法
1.进行逻辑抽象
1)确定输入变量和输出变量;
2)定义逻辑状态的含义;
3)列出逻辑真值表。
2.写出逻辑函数式。
3.选定器件的类型。
4.将逻辑函数化简成适当的形式。
5.根据化简后的逻辑函数式,画出逻辑图。
6.工艺设计。