配电变压器绝缘电阻测量评分参考标准
- 格式:doc
- 大小:45.00 KB
- 文档页数:2
国标变压器试验标准
一、绝缘电阻测量
使用额定电压为1000~2500V的兆欧表进行测量,其值不低于出厂值的70%。
(表B—1为换算系数)。
表B—1绝缘电阻换算系数
变压器绝缘电阻测量工作,应在气温5度以上的干燥天气(湿度不超过75%)进行,测量是短开其他设施,擦净套管,测量变压器的温度,绝缘电阻不应低于表B—2规定。
表B—2 变压器的绝缘电阻允许值
二、工频耐压试验
(1)绝缘电阻值低于允许值时,不得进行耐压试验。
(2)新产品和大修后的变压器按表B—3规定值试验合格。
(3)
表B—3 工频耐压试验值
三、直流电阻试验
(1)检查变压器分接头位置是否正常,回路的连接是否良好。
(2)三相线间直流电阻的不平衡度按下公式计算不大于2%。
不平衡度=(三相最大值-最小值)/平均值*100%
四、绝缘油简化试验
1.绝缘油的标准,见表B—4规定。
表B—4 绝缘油标准
2.为使试验值正确反映绝缘油状况,应注意做好以下几项工作:
(1)取油样的专用瓶必须用白土洗净,进行干燥后才可使用。
(2)取油样必须在干燥天气进行。
(3)取油样前应将变压器放油栓上的污秽擦净、取样后应将瓶盖严,保持干净,防止受潮。
变压器绝缘电阻测试标准及现场测量方法一、引言变压器作为电力系统中重要的设备之一,其绝缘电阻的测试是保障电力系统安全稳定运行的关键环节。
本文将介绍变压器绝缘电阻测试的标准及现场测量方法,以期为现场检测提供参考。
二、变压器绝缘电阻的测试标准1.测试标准概述根据我国电力行业标准,《电力设备绝缘电阻测量规程》对变压器绝缘电阻的测试方法、测试周期、测试标准值等进行了明确规定。
2.测试标准的具体要求(1)测试方法:采用直流电阻法进行测量,测量电压为2500V。
(2)测试周期:新投运的变压器应在投运后1周内进行测试;运行中的变压器应每6个月进行一次测试。
(3)测试标准值:对于新投运的变压器,绝缘电阻值应不低于1000MΩ;对于运行中的变压器,绝缘电阻值应不低于500MΩ。
3.测试标准的应用范围变压器绝缘电阻测试标准适用于各类电压等级的变压器,包括油浸式、干式、组合式等不同类型。
三、现场测量方法1.测量方法的概述现场测量方法主要包括以下几个方面:合理选用电压等级的测试设备、正确连接测量线路、控制测量环境温度和湿度等。
2.测量设备的选用根据被测变压器的电压等级,选择合适电压等级的绝缘电阻测试仪。
同时,确保测试设备的精度和可靠性。
3.测量步骤与注意事项(1)测量前,清理被测部位的油污、灰尘等,确保测量准确性。
(2)测量时,将绝缘电阻测试仪的高压端接至变压器绝缘子,低压端接至地面。
(3)测量过程中,注意观察测试仪的显示数据,确保测量过程的稳定性。
四、测量结果的分析与判断1.正常数据的范围根据测试标准,新投运的变压器绝缘电阻值应不低于1000MΩ,运行中的变压器绝缘电阻值应不低于500MΩ。
2.异常情况的判断若测量结果低于上述标准,可判断为绝缘电阻偏低,可能存在绝缘损伤、受潮等隐患。
3.数据分析的方法对历史测量数据进行对比分析,观察绝缘电阻的变化趋势,以便及时发现异常情况。
五、测量中的安全措施1.人员安全要求测量过程中,操作人员应穿戴绝缘鞋、绝缘手套等防护用品,并保持与高压端的距离。
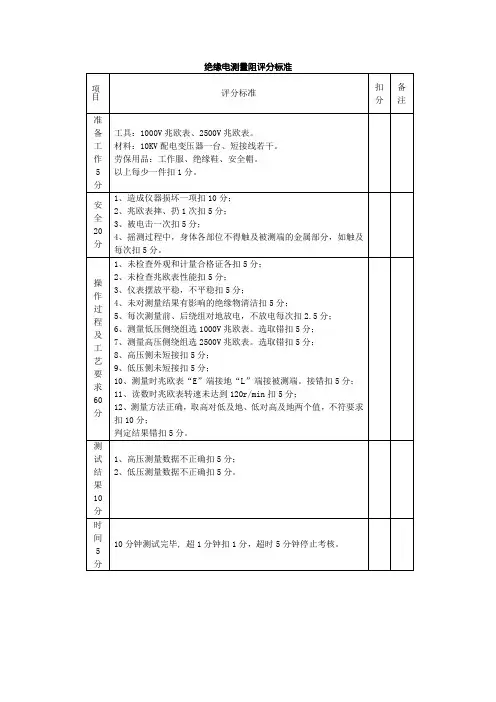
AA002 用兆欧表测量变压器的绝缘电阻、吸收比一、准备要求1、工具、材料、设备、考场准备3、工、量、刃、卡具准备4、考场准备1)65m2的教室一间。
2)照明良好、光线充足。
二、考核要求1、考试要求1)正确使用兆欧表。
2)测量绕组之间及对地的绝缘电阻、吸收比。
3)判断变压器绝缘情况。
4)清理现场;5)穿戴合格的劳保用品。
6)遵守国家或企业有关安全规定。
2、考试时间1)准备时间:5min。
2)正式操作时间:15min。
3)计时从正式操作开始至操作任务完成为止。
4)每超过时限1min,从总分中扣3分,超过5min停止操作。
5)违规一次从总分扣5分,严重违规停止操作。
1、穿戴劳保护品;2、办理检修许可证、停电作业票、两人或两人以上作业;3、准备常用电工工具;短接线、接地棒;准备高、低压兆欧表各一块;秒表一块;准备绝缘手套、绝缘靴;记录笔、纸等。
4、工作地点范围设置遮栏(围栏)、四周悬挂警示牌;5、将变压器与电源可靠断开、验明确无电压;6、将变压器外壳可靠接地,戴绝缘手套用接地棒对变压器高、低压绕组逐相进行充分放电(每相不少于2分钟),拆除变压器高、低压侧母线或电缆;7、用干净、柔软的布清理变压器套管表面脏污,必要时用清洗剂洗净;8、检查兆欧表外观是否完好;额定电压1KV以上者,使用2500V摇表;0.5KV以下者,使用500V摇表;测试线需绝缘良好,禁止使用双绞线或平行线,应用单股绝缘线分开连接,测试时测试线必须保持悬空;9、水平放置兆欧表,做开路试验:分开L、E两条测试线,摇动兆欧表使转速达到120r/min,表针应指到“∞”位置。
短路试验:低速轻带兆欧表手柄,瞬间将“L”和“E”两个接线柱短路,指针应指在“0”位置。
10、测高压对低压/地的绝缘电阻及吸收比,测量低压对高压/地的绝缘电阻:○1、把测试绕组的桩头用短接线连接牢固;○2、非测量绕组桩头用短接线连接并接地,用绝缘线接在兆欧表的“E”端;○3、为减少表面泄漏,用短接线在测试绕组瓷套管的瓷裙上缠绕几匝,用绝缘线接在兆欧表的“G”端;○4、手摇兆欧表转速由低到高,达到120r/min后,将“L”端测试引线搭接于测试桩头;○5、保持120r/min左右,待指针稳定后,读取、记录绝缘电阻值。
操作考核评分标准(考评员用)操作考核 (考评员评分用)姓名准考证号操作开始时间结束时间江苏省电力行业《农网配电营业工》职业技能鉴定操作考核任务书1.操作项目测量配电变压器绝缘电阻2.操作时间本项目作业时间20分钟3.操作说明(1)在指定的场地、设备上独立完成操作;(2)严格按测量要求和操作步骤进行测量操作;(3)严格遵守安全操作规程,正确摇测,准确读数;(4)时间到应立即停止操作,整理仪表和工器具离开操作场地。
(5)工作中发生严重违章操作,并造成后果,取消考核,该项目为零分。
配电变压器绝缘电阻测试记录高压对低压及地绝缘电阻值:Ω低压对高压及地绝缘电阻值:Ω高压对低压绝缘电阻值:Ω测试结果分析:测试、记录人:配电变压器绝缘电阻测试记录(整理)一、材料准备及工器具的检查1、准备材料:2500V兆欧表一只,红色、黑色引线各一条,接地线一条,接地棒一支,抹布一条,裸短路引线二根,绝缘手套两只。
2、工器具检查:外观检查兆欧表,晃动、外观无破损,在开路状态下额定转速(120转/秒)指针应指向“∞”,在“L”、“E”短路状态下轻摇,指针应向“0”;检查绝缘手套有无合格证,试验标签是否过期(六个月一次),有无漏气现象;检查接地棒有无合格证,试验标签是否过期(1年一次)。
二、询问老师:问老师现在变压器在什么状态下?老师说“现在变压器处在检查状态下”。
应对变压器的接地做进一步的检查。
三、测量1、放电:双手戴好绝缘手套,把接地棒一端先夹好,手持接地棒(注意手握接地棒时,应戴好手套,且手不得超过接地棒红色警戒线),然后站在变压器的高低压桩头正面,依次用接地棒的顶端(带接地电阻)和直接接地端钮,分别对高低压桩头放电。
2、清扫:用抹布清扫变压器表面瓷套管,注意要每相都要进行。
3、用裸露的铜线将高、低压桩头分别各自短路连接。
(一)、先测量高压对低压及地绝缘电阻。
取一根接地线,先夹在接地端,另一头夹在低压短路连接线上。
1、取2500V兆欧表,将“E”黑线夹在低压短路连接线上。
变压器绝缘电阻测试标准及现场测量方法变压器是电力系统中重要的电气设备之一,用于改变交流电压,使之适应不同的输配电要求。
在变压器运行过程中,绝缘电阻的测量是一项必要的检测工作。
本文将详细介绍变压器绝缘电阻测试的相关标准要求以及现场测量方法。
一、变压器绝缘电阻测试标准要求变压器绝缘电阻测试主要参考国际电工委员会(IEC)标准以及国家标准。
目前国际上广泛采用的标准为IEC 60076-1《电力变压器的结构、技术特性和试验》和IEC 60076-3《电力变压器试验》。
国内标准参考了国际标准,并根据国内实际情况做出了一些调整,包括GB/T 6451《电力变压器试验规程》和DL/T596《变压器绝缘电阻和介损测试技术导则》等。
根据标准的要求,变压器绝缘电阻测试主要包括以下几个方面:1. 绝缘电阻测量的测试电压与电流范围:测试电压一般分为工频电压和直流电压。
工频电压一般为500V或1000V;直流电压一般为1000V或5000V。
测试电流一般不超过1mA。
2. 测试时间:标准一般要求绝缘电阻测试时间为1分钟,也有要求为2分钟的。
3. 测试环境条件:测试环境要求相对湿度不超过80%,温度在20℃±5℃。
4. 测试方法:绝缘电阻测试一般采用万用电表或专用绝缘电阻仪进行。
测试电源应具备足够的稳定性和准确性。
二、变压器绝缘电阻现场测量方法变压器绝缘电阻的现场测量方法需要严格按照标准要求进行,具体步骤如下:1. 准备工作:检查测试仪器的状态,确保测试仪器处于良好工作状态,如电池电量充足,测试仪器存储空间足够等。
2. 测量前的准备:断开变压器的电源,确保变压器处于安全状态。
清除表面污垢,保证测量点的干净。
3. 连接测量仪器:将测试电极连接到变压器的高压绕组与地之间,低压绕组与地之间。
注意保持电极与测量点的良好接触,以减小接触电阻。
4. 开始测量:打开测试仪器,设置测试电压和测试时间等参数。
启动测量仪器,观察并记录测量结果。
变压器绝缘电阻及吸收比试验评定标准一、引言在变压器的运行过程中,绝缘电阻及吸收比试验是非常重要的评定标准。
通过这些试验,可以评估变压器绝缘系统的状态,及时发现潜在的故障,保障变压器的安全运行,延长设备的使用寿命。
本文将从变压器绝缘电阻及吸收比试验的定义、意义、评定标准和个人观点等方面展开论述。
二、变压器绝缘电阻及吸收比试验的定义变压器绝缘电阻试验是指在直流电压下,对变压器绝缘系统进行电阻测量,以评估绝缘状况的试验。
而吸收比试验则是通过施加交流电压,对绝缘系统的介损进行测量,来评估绝缘系统的损耗情况。
通过这两项试验,可以全面地了解变压器的绝缘状态和损耗情况,为设备的安全运行提供重要的依据。
三、变压器绝缘电阻及吸收比试验的意义1. 评估绝缘状态:通过电阻试验和吸收比试验,可以检测变压器绝缘系统的绝缘状态,及时发现绝缘系统存在的缺陷、污染、潮湿等问题,保障设备的安全运行。
2. 预测故障风险:绝缘电阻及吸收比试验可以帮助预测变压器绝缘系统的故障风险,指导设备的维护和保养工作,减少变压器故障的发生频率,提高设备的可靠性和稳定性。
3. 延长设备寿命:及时进行绝缘电阻及吸收比试验,可以有效地延长变压器的使用寿命,减少设备的维修成本,提高变压器的经济效益。
四、变压器绝缘电阻及吸收比试验评定标准在国际上,对于变压器绝缘电阻及吸收比试验的评定标准主要有IEC 60076-3等。
而国内也有国家标准GB 1094-96等相关标准。
这些标准制定了绝缘电阻试验和吸收比试验所需的设备、方法、操作规程和评定要求等内容,为变压器绝缘电阻及吸收比试验的实施提供了具体的指导和规范。
五、个人观点与理解在我的个人观点中,变压器绝缘电阻及吸收比试验是变压器运行维护管理中非常重要的一环。
通过定期进行绝缘电阻及吸收比试验,可以及时了解设备的绝缘状态,发现潜在的故障隐患,降低设备的运行风险。
我认为,只有将绝缘电阻及吸收比试验作为变压器维护管理的重要内容,才能有效地保障设备的安全运行,延长设备的寿命,实现设备管理的科学化和规范化。
绝缘电阻值多少为标准?绝缘电阻的允许值1.对于低压母线及配电盘母线等有关设备,检修工作结束后必须使用500V兆欧表测量绝缘电阻,其相间及相对地绝缘电阻值不小于10MΩ。
低压开关、接触器动静触头间绝缘电阻不得小于50MΩ。
高压开关动静触头间绝缘电阻应为无穷大。
2.对于低压电机停运备用达15天以上者,应按每半月进行一次备用电机绝缘电阻测试;对于解体检修后的电机或动力电缆变动接线后,工作终结前必须测试绝缘电阻合格。
测试绝缘电阻应用500V兆欧表测量绝缘电阻1min,其相对地绝缘值不小于0.5MΩ且吸收比应大于1.3,相间绝缘值应为零。
3.对于高压电机停运备用达15天以上者,应按每半月进行一次备用电机绝缘电阻测试;对于解体检修后的电机或动力电缆变动接线后,工作终结前必须测试绝缘电阻合格。
测试绝缘电阻应用2500V兆欧表测量绝缘电阻1min,其相对地绝缘值不小于7MΩ且吸收比应大于1.3,相间绝缘值应为零,本次测试结果比上次测试结果小于2/3时应分析原因。
对于停运备用且没有检修工作的高压电机,停运后必须投入电机电加热。
4.测量发电机的定子绝缘,在干燥状态接近工作温度时测量,不小于3MΩ(用2500V兆欧表测量),通水状态大于0.2 MΩ。
转子绕组用500V兆欧表测量,室温下(20℃)测量不小于1 MΩ。
5.变压器的绝缘电阻测试,应进行高对低及地:(一次绕组对二次绕组和外壳)高压绕组对低压绕组及外壳的绝缘电阻;低对高及地:(二次绕组对一次绕组和外壳)低压绕组对高压绕组及外壳的绝缘电阻;绝缘电阻合格值的标准是:(1)这次测得的绝缘电阻值与上次测得的数值换算到同一温度下相比较,这次数值比上次数值不得降低30%;(2)吸收比R60/R15(遥测中60秒与15秒时绝缘电阻的比值),在10~30℃时应为1.3被及以上。
二、绝缘电阻的测量规定1.在从事电机解体检修(包括电源线拆装)的任何工作(机械、电气、检查)结束后,都必须测量绝缘。
电气设备遥测绝缘标准
1、配电变压器绝缘电阻遥测:3-10KV:300兆;20-35KV:400
兆欧.
在运行前,用1000--2500v的摇表测量绕组绝缘电阻,测得的阻值与使用期间测得的电阻值比较,如绝缘电阻猛降至初始值的50%,应予更换大修.
2、高低压避雷器绝缘电阻遥测
1)遥测高压避雷器,用1000--2500V摇表,绝缘电阻不应小于1兆欧/kV
2)遥测低压380V避雷器,用500V摇表,绝缘电阻不应小于1兆欧3、绝缘子绝缘电阻遥测:高压绝缘子绝缘电阻不应小于1兆欧/kV;380V设备用500V摇表测量大于0.5兆欧.
4、电力电缆遥测:1-3KV:50兆欧6KV以上:100兆欧
5、电动机遥测:380V设备用500V摇表测量大于0.5兆欧
IKV以上设备,用1KV或2500V摇表测量:绝缘电阻不应小于1兆欧/kV.
备注:电器设备遥测绝缘值应和上次遥测绝缘值做比较,如没有太大变化,可按上面所列标准执行;如反差太大,应仔细查明原因,严禁盲目送电.。
变压器绝缘电阻测试标准及现场测量方法
变压器绝缘电阻测试是判断变压器绝缘状况的重要手段之一,其标准和现场测量方法如下:
1. 标准:
- 变压器的绝缘电阻测试一般参考国家标准GB1094.3和GB/T 50150的相关要求。
- 根据具体情况,也可以参考国际电工委员会(IEC)的标准,如IEC 60076-3。
2. 现场测量方法:
- 测量设备准备:绝缘电阻测试仪、电源、试验电极、连接线等。
- 断电准备:先要断开变压器的电源开关,确保安全。
- 连接测量电源:将测试电源的正极连接到变压器的一个绝缘连接点,负极接地。
- 连接试验电极:将试验电极分别与变压器的两个绕组的绝缘接头连接,形成一个闭合电路。
- 进行测量:根据测试仪的说明书操作,选择相应的测试模式和参数,启动绝缘电阻测量。
- 测量结果判读:根据测试仪显示的绝缘电阻值,判断变压器绝缘状况的好坏。
一般来说,
绝缘电阻值越大,表示绝缘状况越好。
需要注意的是,在进行绝缘电阻测试时,必须确保断电操作的安全,防止发生电击事故。
此外,测量时应排除外界电源或其他干扰因素,保证测量结果准确可靠。
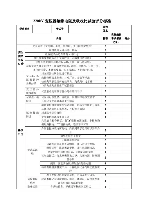
使用接地电阻测试仪测量变压器接地电阻评分参考标准行业:电力工程工种:配电线路等级:四编号行为领域 e 鉴定范围配电考核时间30min 题型 B 鉴定题分100试题名称使用接地电阻测试仪测试变压器接地电阻考核要点及其要求1、给定条件:现场使用ZC-8型接地电阻测试仪测试100kV A变压器接地电阻;2、现场操作场地及设备材料已完备;3、严格执行有关规程、规范;4、变压器已停电,正确开展试验;5、接地电阻合格性判断;6、试验完成后对现场处理;7、各项得分均扣完为止,但扣分标准超过本项目总分者,该项目记录零分现场设备、工具、材料1、工器具:①接地测量软线一组(BVR-2.5mm2导线5米线2根,20、40米各1根,分别一端安装接线端子,另一端安装鳄鱼夹);②φ16×700mm测量接地棒2根(配M12×30螺栓2套;③检修接地线1组;④安全遮拦若干;⑤警示牌(“从此出入”1块、“高压危险,严禁入内”4块);⑥绝缘手套1双;⑦电工常用工具1套;2、设备:①试验设备:ZC-8型接地电阻测试仪表;②现场设备(施):柱上配电变压器1个系统。
备注考生自备工作服,安全帽,线手套、绝缘手套、电工常用工具评分标准序号作业名称质量要求分值扣分标准扣分原因扣分得分1 着装正确佩戴安全帽,穿工作服,穿绝缘鞋 5 1)未穿戴工作服(鞋)、安全帽扣2分/项2)帽扣带不系紧、衣及袖扣沒扣、鞋带不系扣1分/项2 仪器、工具选用接地电阻测试仪、工器具检查与判断 51)漏、错选扣1分/件2)未检查、判断扣2分/件3 现场安全布置施工现场设置安全遮拦,出入口悬挂“从此出入”标示牌,在遮拦四周向外悬挂“高压危险,严禁入内”警示牌51)未设置遮拦不得分2)未挂标示牌扣2分3)未挂警示牌扣3分4)警示牌漏挂扣1分/块4 停电、接地(口述)停电先低压(先负荷、后总闸)、后高压(先中相,两边相观气象)101)未停电测试扣30分2)先高压、后低压程序错误扣10分3)高低侧中的停电程序错误扣5分/项5接地引线接地、拆除接地引线可靠接地后,拆除接地引线连接螺栓101)接地棒插入面下深度不够扣6分2)接地引线未接地扣30分3)未接地、线拆除扣30分6 仪表接线接地体E′、电位棒P′、电流棒C′在一直线上,彼此距离20m,测量棒与土壤接触良好,深度≮400mm101)不在直线上扣1分2)间距不妥扣2分3)测试棒深度不够扣5分/处4)仪表接线错误不得分7 测量、读数仪表清理干净,放置平稳,选择倍率,转速合适,并达到120r/min,指针稳定在零位后,直视读数,要求再次测量,两次读数基本一致,相差较大时要找原因,读数值乘以倍率计算出电阻值,来处检测结果251)仪表部平稳扣2分2)倍率选择不合适扣2分3)指针未调零扣2分4)少摇一次扣2分5)读数错误扣5分6)计算错误扣5分7)无判断结果扣5分8 拆除仪表、送电拆除仪表及连线;接地引线可靠连接后,拆除引线接地线;恢复送电,先高压、后低压(按停电反程序,送电口述)201)先拆除接地线扣30分2)接地引线恢复不可靠扣20分3)未送电扣20分4)送电顺序错误扣20分9 整理现场试验完成后,应收拾试验设备及工器具10 1)未收拾试验场地不得分2)收拾场地不充分扣2分3)超时扣2分/min考试开始时间考试结束时间合计考生栏编号:姓名:所在岗位:单位:考评员栏成绩:考评员:考评组长:日期:。
变压器绝缘电阻测试标准
变压器绝缘电阻测量是变压器运行状况诊断的重要指标之一,是变压器绕组及绝缘结构正常运行的保证。
变压器绝缘电阻测量标准主要分为两类:一是国家《变压器及其附属设备检验和鉴定规程》(GB/T 6451-1992)的测量要求;二是IEC60076-5的测量要求。
根据国家《变压器及其附属设备检验和鉴定规程》(GB/T 6451-1992)规定,变压器绝缘电阻测量属于普通检验项目,在变压器绝缘体开闭侧使用2kV或5kV直流电流测出电阻值,绝缘电阻可由此得到。
变压器绝缘电阻的正常值应大于4MΩ。
对于IEC60076-5标准的变压器,变压器绝缘电阻测试通常由全流量电阻、互连电阻和相间绝缘电阻三部分组成。
全流量电阻测量采用1kV/10kV的电压,有效阻值应大于5MΩ;互连电阻测量采用
2.5kV/5kV的电压,有效阻值应大于7.5MΩ;相间绝缘子测量采用
2kV/5kV的电压,有效对间阻值应大于4MΩ,对标称极性之间也应大于4MΩ。
按照以上标准和测试要求进行变压器绝缘电阻测试,主要是检查变压器绝缘体的完好性,检查变压器中的油、水和污垢,以及检验变压器中的绝缘结构是否正常。
通过变压器绝缘电阻测试也能确定变压器漏电流绝缘水平,辅助检测变压器是否存在漏电缺陷,从而有效地保障变压器的正常运行。
配电变压器绝缘电阻、吸收比、极化指数的测量及合格标准变压送电保安全,测量绝缘查隐患。
测量使用兆欧表,根据电压把表选,三五以上两千五,十千以下用一千。
仪表E端应接地,污染严重加G端。
未测绕组和元件,可靠接地保安全。
手摇转速一百二,测后放电再拆线。
若要计算吸收比,十五、六十记两点;极化指数时更长,一分、十分记两点。
绝缘电阻应多高,经验数值供参考。
电压不同标不同,温度下降标升高。
温度七十基值算,每减十度增一半。
十千伏级为四十,三五千伏五十算;电压更高标更高,前级数值翻一翻。
1. 测量绝缘电阻的作用为了电力变压器能正常安全地运行,要经常对其进行监视和维护。
其中一项主要的任务是测量绕组和相关电器元件(引接线和绝缘套管等)的绝缘电阻。
并根据测量结果判断它们的绝缘状态和运行情况,及时发现隐患并给与排除,以避免较大事故的发生。
2. 测量仪表的选用原则测量绝缘电阻的仪器叫绝缘电阻表,习惯称为兆欧表或高阻计,对用手摇发电的传统式兆欧表,又习惯称为“摇表”,兆欧表的规格是用其发出的额定电压值来规定的,例如1000V的兆欧表所发出的电压额定值即为1000V。
测量变压器的绝缘电阻时,应根据被测变压器的电压等级来选择兆欧表的规格。
对于10kV及以下的变压器,应使用规格为1000V的兆欧表;对于35kV及以上的变压器,应使用规格为2500V的兆欧表。
口诀“三五以上两千五,十千以下用一千”中的“三五”和“十千”指变压器的电压等级为“35kV及以上”和“10kV及以下”;“两千五”和“一千”即指应选用兆欧表的规格(电压等级)分别为2.5kV 和1kV。
3. 测量接线、读数和有关要求(见图1)图1 测量变压器绕组的绝缘电阻、吸收比和极化指数测量时,应停电并将各绕组与电网断开,兆欧表的L端接变压器的一侧绕组(例如低压绕组),E端接外壳,外壳应接地,其他绕组和有关器件与外壳连接,例如测量低压绕组时,高压绕组、中压绕组和油箱等应与外壳连接。
新安装或检修后及停运半个月以上的变压器,投入运行前,均应测定线圈的绝缘电阻。
测量变压器绝缘电阻时,对线圈运行电压在500 伏以上者应使用 1000 -- 2500 伏摇表,500 伏以下者应使用500 伏摇表。
变压器绝缘状况的好坏按以下要求判定:(1) 在变压器使用时所测得绝缘电阻值与变压器在安装或大修干燥后投入运行前测得的数值之比,不得低于 50%。
(2) 吸收比R60"/R15"不得小于 1.3 倍。
符合上述条件,则认为变压器绝缘合格。
测量变压器绝缘时应注意以下问题:(1) 必须在变压器停电时进行,各线圈出线都有明显断开点。
(2) 变压器周围清洁,无接地物,无作业人员。
(3) 测量前应对地放电,测量后也应对地放电。
(4) 测量使用的摇表应符合电压等级要求。
(5) 中性点接地的变压器,测量前应将中性点刀闸拉开,测量后应恢复原位。
摇表也称兆欧表,主要用于测量电气设备的绝缘电阻。
它是由交流发电机倍压整流电路、表头等部件组成。
摇表摇动时,产生直流电压。
当绝缘材料加上一定电压后,绝缘材料中就会流过极其微弱的电流,这个电流由三部分组成,即电容电流、吸收电流和泄漏电流。
摇表产生的直流电压与泄漏电流之比为绝缘电阻,用摇表检查绝缘材料是否合格的试验叫绝缘电阻试验,它能发现绝缘材料是否受潮、损伤、老化,从而发现设备缺陷。
常用的摇表有ZC-7、ZG-11、ZC-25等型号,兆欧表的额定电压有250、500、1000、2500V等几种,测量范围有500、1000、2000MΩ等几种。
配电变压器绝缘电阻的摇测配电变压器在安装或检修后投入运行前以及长期停用后,都要用电压为1000~2500V的摇表测量绕组绝缘电阻,测得的数值和测量时的油温应记入变压器档案内。
将测得的数值与配电变压器在使用期间测得的绝缘电阻值相比较,以判断变压器的绝缘状况。
如果配电变压器的绝缘电阻猛然降至初始值的50%,或更低时,应予更换大修。
220kV 变压器绝缘电阻及汲取比试验评分标准学员姓名考试号内容安全防备(安全帽、手套、绝缘鞋、工作服穿着齐整)获得裁判同意后进行试验安全检查被试品能否带电(爽口述)接受接好接地线对试品进行充足放电(正确使用放电棒)任务(止步,高压危险等 )设置适合的围栏并悬挂标示牌12 分试验前对外观进行检查(包含套管瓷瓶、油位、接地线、分接开关、本体洁净度、本体温度表、铁芯接地),并向裁判报告变压器、兆对变压器铭牌参数进行抄写选择适合的兆欧表,并对厂家、参数等抄写欧表铭牌检查兆欧表能否在有效期内,向裁判口述表示参数抄写口头向裁判索要出厂试验报告变压器外试验前将变压器套管外绝缘打扫洁净绝缘清擦记录温、湿试品邻近搁置温、湿度表,向裁判口述搁置要求度计正确记录变压器本体上层油温丈量前应将被测绕组短路接地,将全部绕组充足放电选择适合当程的兆欧表,并检查有效期试验接线对兆欧表进行自检状况变压器地线连结坚固优秀兆欧表自检合格后,将”E”端接被测绕组,非被测绕组短路接地,”L”端接地线,连结坚固靠谱操作升压前撤掉放电所封线,向裁判请示能否能够开始升压63 分调整灰度便于丈量正确使用兆欧表向裁判表示能否能够丈量,加压时进行呼唱带试品试丈量过程中注意表计变化,并注意四周状况丈量绝缘电阻值稳固后,正确记录丈量值验读取数据后,待兆欧表放电完成,封闭电源,断开测量导线倒线,丈量其余被试绕组的绝缘电阻待全部绕组丈量完成后,计算汲取比并与历史数据比较全部绝缘电阻丈量完成后,对试品充足放电试验数据应当正确记录试验时间、地址、环境温、湿度和变压整理器上层油温及试验数据整理试验将试验设施、障蔽线等整理恢还原状监考署名实质操作标准考试状况得分记录:22222222222222424223424242244现场恢复完成向裁判报告试验工作结束铭牌技术参数:设施名称、型式、额定电压、、额定容量、额定电流、空载消耗、空载电流、负载消耗、阻抗电压、生产厂家、生产日期、出厂编号拜托单位、试验日期、试验人员、、地址、温、湿度、变压器上层报告油温25 分丈量绝缘电阻值高压、低压侧的汲取比直流电阻试验丈量值与原始数据换算到同一温度下进行比较报告书写规范结论正确总计(分)23246622100变压器绝缘电阻、汲取比试验报告考号:姓名单位:环境温度相对湿度上层油温试验性质试验日期变压器铭牌参数型号额定容量KVA出厂编号额定电压高 / 低 kV高 /低额定电流制造厂家A试验数据测试部位丈量值( MΩ) R15/ R60要求值( MΩ)汲取比( K)高压绕组-低压绕组及地低压绕组-高压绕组及地计算结论试验人员引用标准试验设施备注。