金属材料-力学性能试验相关术语
- 格式:docx
- 大小:44.85 KB
- 文档页数:6
金属材料性能测试方法介绍一、金属材料性能测试方法概述金属材料性能测试方法是评估金属材料质量和性能的重要手段。
通过对金属材料进行性能测试,可以了解其力学性能、物理性能、化学性能等方面的表现,为金属材料的选材、加工和应用提供科学依据。
下面将介绍几种常用的金属材料性能测试方法。
二、金属材料力学性能测试1.拉伸试验:拉伸试验是评价金属材料抗拉强度、屈服强度、延伸率等力学性能的重要方法。
通过在拉伸试验机上施加拉力,可以得到金属材料的应力-应变曲线,进而分析金属材料的力学性能。
2.硬度测试:硬度测试是评价金属材料抗压、抗划伤等性能的方法。
常用的硬度测试方法有洛氏硬度测试、巴氏硬度测试、维氏硬度测试等,通过硬度测试可以了解金属材料的硬度大小及其均匀性。
三、金属材料物理性能测试1.热膨胀系数测试:热膨胀系数测试是评价金属材料热膨胀性能的方法。
通过在一定温度范围内对金属材料进行热膨胀系数测试,可以了解金属材料在温度变化下的膨胀情况。
2.电导率测试:电导率测试是评价金属材料导电性能的方法。
通过在一定条件下对金属材料进行电导率测试,可以了解金属材料的导电性能及其应用范围。
四、金属材料化学性能测试1.腐蚀试验:腐蚀试验是评价金属材料耐腐蚀性能的方法。
通过将金属材料置于不同腐蚀介质中,观察其腐蚀程度和速率,可以了解金属材料的耐腐蚀性能。
2.化学成分分析:化学成分分析是评价金属材料成分含量的方法。
通过对金属材料进行化学成分分析,可以了解其主要元素含量及杂质含量,为金属材料的质量控制提供依据。
五、结语金属材料性能测试方法是评价金属材料质量和性能的重要手段,对于保证金属材料的质量和安全具有重要意义。
通过了解和掌握金属材料性能测试方法,可以更好地选择和应用金属材料,提高金属材料的利用效率和经济效益。
希望本文介绍的金属材料性能测试方法对您有所帮助。
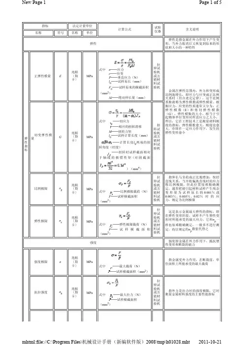
一.名词解释1,E,弹性模量,表征材料对弹性变形的抗力,2,δs:呈现屈服现象的金属拉伸时,试样在外力不增加仍能继续伸长的应力,表征材料对微量塑性变形的抗力。
3,σbb:是灰铸铁的重要力学性能指标,是灰铸铁试样弯曲至断裂前达到的最大弯曲里(按弹性弯曲应力公式计算的最大弯曲应力)4δ:延伸率,反应材料均匀变形的能力。
5,韧性:指金属材料断裂前吸收塑性变形功和断裂功的能力(或指材料抵抗裂纹扩展能力)6低温脆性:某些金属及中低强度钢,在实验的温度低于某一温度Tk时,会由韧性状态变为脆性状态,冲击吸收功明显下降,断裂机理由微孔集聚型变为穿晶解理型,断口特征由纤维状态变为结晶状,这就是低温脆性7 Kic:断裂韧度,为平面应变的断裂韧度,表示在平面应变条件下材料抵抗裂变失稳扩展的能力8 弹性比功(弹性比能):表示单位体积金属材料吸收变形功的能力9σ-1:疲劳极限,表明试样经无限次应力循环也不发生疲劳断裂所对应的能力10循环韧性(消振性):表示材料吸收不可逆变形功的能力(塑性加载)11Ψ:断面收缩率,缩经处横截面积的最大缩减量与原始横截面积的百分比,12Ak:冲击功、,冲击试样消耗的总能量或试样断裂过程中吸收的总能量13蠕变:材料在长时间的恒温应力作用下,(即使应力低于屈服强度)也会缓慢地产生塑性变形的现象。
14σtて:在规定温度(t)下,达到规定的持续时间(て)而不发生断裂的最大应力。
15:氢致延滞断裂:由于氢的作用而产生的延滞断裂现象。
17.δ0.2:屈服强度18.△K th:疲劳裂纹扩展门槛值,表征阻止裂纹开始扩展的能力19δbc:抗拉强度,式样压至破坏过程中的最大应力。
20.包申效应:金属材料经过预加载产生少量塑变,卸载后再同向加载,规定残余伸长应力增加,反向加载,规定残余应力减低的现象,称为包申效应。
21.NSR:缺口敏感度,缺口试样的抗拉强度δbn与等截面尺寸光滑试样的抗拉强度δb之比。
22.力学行为:材料在外加载荷,环境条件及综合作用下所表现出的行为特征。
金属材料力学性能测试规范一、金属材料力学性能测试的重要性金属材料的力学性能是指材料在受到外力作用时所表现出的特性,包括强度、硬度、韧性、塑性等。
这些性能直接影响着材料在实际应用中的可靠性和安全性。
例如,在建筑领域,钢材的强度决定了建筑物的承载能力;在机械制造中,零部件的硬度和韧性关系到其使用寿命和运行稳定性。
因此,通过科学、规范的测试方法获取准确的力学性能数据,对于材料的选择、设计和质量控制具有重要意义。
二、常见的金属材料力学性能测试项目1、拉伸试验拉伸试验是评估金属材料强度和塑性的最基本方法。
通过对标准试样施加逐渐增加的轴向拉力,测量试样在拉伸过程中的变形和断裂特性。
主要测试指标包括屈服强度、抗拉强度、延伸率和断面收缩率等。
2、硬度试验硬度是衡量金属材料抵抗局部变形能力的指标。
常见的硬度测试方法有布氏硬度、洛氏硬度、维氏硬度等。
硬度测试可以快速、简便地评估材料的硬度分布和加工硬化程度。
3、冲击试验冲击试验用于测定金属材料在冲击载荷下的韧性。
通过使标准试样承受一定能量的冲击,观察试样断裂的情况,计算冲击吸收功,以评估材料的抗冲击性能。
4、疲劳试验疲劳试验模拟材料在交变载荷作用下的失效行为。
通过对试样进行多次循环加载,记录试样发生疲劳破坏的循环次数,从而评估材料的疲劳强度和寿命。
三、测试设备和仪器1、万能材料试验机万能材料试验机是进行拉伸、压缩、弯曲等力学性能测试的主要设备。
它能够精确控制加载速率和测量试样的变形。
2、硬度计根据不同的硬度测试方法,选择相应的硬度计,如布氏硬度计、洛氏硬度计、维氏硬度计等。
3、冲击试验机冲击试验机用于进行冲击试验,常见的有摆锤式冲击试验机和落锤式冲击试验机。
4、疲劳试验机疲劳试验机专门用于进行疲劳性能测试,包括旋转弯曲疲劳试验机、轴向疲劳试验机等。
四、试样制备试样的制备是保证测试结果准确性的关键环节。
试样的尺寸、形状和加工精度应符合相关标准的要求。
1、拉伸试样通常采用圆形或矩形截面的试样,其标距长度、直径或宽度等尺寸应根据材料的种类和测试标准进行确定。
力学性能测试能力确认的技术构成冶金领域力学性能测试专业可分为11种试验技术,每种技术包含4个方面的内容:测试基础、仪器设备与操作技术、标准方法与应用、数据处理。
分别汇总如下:一. YJL-力学性能测试技术与方法1.YJL001金属拉伸和压缩试验2.YJL002钢绞线和钢丝绳力学性能3.YJL003力学弯曲和扭转试验4.YJL004金属延性试验5.YJL005金属硬度试验6.YJL006金属韧性试验7.YJL007金属高温拉伸(低温拉伸)、蠕变、持久强度和应力松弛试验8.YJL008金属断裂试验9.YJL009金属疲劳试验10.YJL010焊接力学性能试验11.YJL011金属磨损试验二. 每种测试技术的构成1.YJL001金属拉伸和压缩试验1)YJL001-1测试基础GB/T10623-1989 金属力学性能试验术语GB/T2975-1998 钢及钢产品力学性能试验取样位置及试样制备GB/T8170-1987 数值修约规则GB/T 2611-1992 试验机通用技术要求金属材料室温拉伸试验的基本原理金属材料压缩试验的基本原理2)YJL001-2仪器设备与操作技术万能拉压试验机的分类和基本构造a.液压式万能试验机b.机械式拉力试验机c.电液伺服万能试验机d.电子式万能试验机试验机的速度控制系统:a.应力速率控制b.应变速率控制试验机的测量操作系统a.手工控制测量系统b.采用微机控制的自动测量系统试验机的计量要求a.GB/T 16825.1-2002静力单轴试验机的检验第1部分:拉力和(或)压力试验机测力系统的检验与校准b.JJG 139-1999 拉力、压力和万能试验机检定规程c.GB/T 12160-2002 单轴试验用引伸计的检定d.JJG 762-1992 引伸计检定规程e.JJF 1103-2003 万能试验机计算机数据采集系统评定f.标点机(打点、划线机的自校准)试验机的使用与维护保养试验机的期间核查上机操作3)YJL001-3标准方法与应用GB/T228-2002 金属材料室温拉伸试验方法GB/T8653-1988 金属杨氏模量,弦线模量,切线模量,泊松比试验(静态法) GB/T17600.1-1998 钢的伸长率换算第一部分:碳钢和低合金钢GB/T17600.2-1998 钢的伸长率换算第二部分:奥氏体钢GB/T7314-2005 金属材料压缩试验方法4)YJL001-4数据处理与标准相关的数据处理金属拉伸性能测量不确定度评定(抗拉强度、屈服强度、规定非比例延伸强度、断后伸长率、断面收缩率)金属拉伸杨氏模量测量不确定度评定2.YJL002钢绞线和钢丝绳力学性能1)YJL002-1测试基础GB/T10623-1989 金属力学性能试验术语GB/T2975-1998 钢及钢产品力学性能试验取样位置及试样制备GB/T8170-1987 数值修约规则GB/T 2611-1992 试验机通用技术要求金属材料室温拉伸试验的基本原理钢绞线和钢丝绳力学性能试验基本原理2)YJL002-2仪器设备与操作技术万能试验机的分类和基本构造a.液压式万能试验机b.机械式拉力试验机c.电液伺服万能试验机d.电子式万能试验机试验机的速度控制系统:a.应力速率控制b.应变速率控制试验机的测量操作系统a.手工控制测量系统b.采用微机控制的自动测量系统试验机的计量要求a.GB/T 16825.1-2002静力单轴试验机的检验第1部分:拉力和(或)压力试验机测力系统的检验与校准b.JJG 139-1999 拉力、压力和万能试验机检定规程c.GB/T 12160-2002 单轴试验用引伸计的检定d.JJG 762-1992 引伸计检定规程e.JJF 1103-2003 万能试验机计算机数据采集系统评定f.标点机(打点、划线机的自校准)g.钢绞线松弛试验机的检验与校准试验机的使用与维护保养试验机的期间核查上机操作3)YJL002-3标准方法与应用GB/T228-2002 金属材料室温拉伸试验方法GB/T8653-1988 金属杨氏模量,弦线模量,切线模量,泊松比试验(静态法) GB/T8358-1987 钢丝绳破断拉伸试验方法钢绞线的应力松弛性能 [GB/T 5224-2003 预应力混凝土用钢绞线]钢绞线的弹性模量 [GB/T 5224-2003 预应力混凝土用钢绞线]GB/T12347-1996 钢丝绳弯曲疲劳试验方法4)YJL002-4数据处理与标准相关的数据处理钢绞线弹性模量测量不确定度评定钢绞线抗拉强度测量不确定度评定3.YJL003力学弯曲和扭转试验1)YJL003-1测试基础GB/T10623-1989 金属力学性能试验术语GB/T2975-1998 钢及钢产品力学性能试验取样位置及试样制备GB/T8170-1987 数值修约规则GB/T 2611-1992 试验机通用技术要求弯曲试验的基本原理扭转试验的基本原理2)YJL003-2仪器设备与操作技术万能试验机的分类和基本构造a.液压式万能试验机b.机械式拉力试验机c.电液伺服万能试验机d.电子式万能试验机试验机的速度控制系统a.应力速率控制b.应变速率控制试验机的测量操作系统a.手工控制测量系统b.采用微机控制的自动测量系统万能试验机及弯曲试验装置JB/T 9370-1999 扭转试验机技术条件扭转计的基本构造试验机的计量要求a.GB/T 16825.1-2002静力单轴试验机的检验第1部分:拉力和(或)压力试验机测力系统的检验与校准b.JJG 139-1999 拉力、压力和万能试验机检定规程c.GB/T 12160-2002 单轴试验用引伸计的检定d.JJG 762-1992 引伸计检定规程e.JJG 269-1981 扭转试验机试行检定规程试验机的使用与维护保养试验机的期间核查上机操作3)YJL003-3标准方法与应用GB/T10128-1988 金属室温扭转试验方法GB/T14452-1993 金属弯曲力学性能试验方法4)YJL003-4数据处理与标准相关的数据处理4.YJL004金属延性试验1)YJL004-1测试基础GB/T10623-1989 金属力学性能试验术语GB/T2975-1998 钢及钢产品力学性能试验取样位置及试样制备 GB/T8170-1987 数值修约规则GB/T 2611-1992 试验机通用技术要求金属材料延性试验的基本原理2)YJL004-2仪器设备与操作技术万能试验机的分类和基本构造a.液压式万能试验机b.机械式拉力试验机c.电液伺服万能试验机d.电子式万能试验机试验机的速度控制系统a.应力速率控制b.应变速率控制试验机的测量操作系统a.手工控制测量系统b.采用微机控制的自动测量系统杯突等延性试验用试验机的基本构造和工作原理试验机的计量要求a.GB/T 16825.1-2002静力单轴试验机的检验第1部分:拉力和(或)压力试验机测力系统的检验与校准b.JJG 139-1999 拉力、压力和万能试验机检定规程c.GB/T 12160-2002 单轴试验用引伸计的检定d.JJG 762-1992 引伸计检定规程e.JJG583-1988 杯突试验机检定规程试验机的使用与维护保养试验机的期间核查上机操作3)YJL004-3标准方法与应用GB/T 6400-1986 金属丝和铆钉高温剪切试验方法GB/T 232-1999 金属材料弯曲试验方法GB/T 235-1999 金属材料厚度等于或小于3mm薄板和薄带反复弯曲试验方法 YB/T 5126– 2003 钢筋混凝土用钢筋弯曲和反向弯曲试验方法GB/T244-1997 金属管弯曲试验方法GB/T10128-1988 金属材料线材扭转试验方法GB/T 2976– 2004 金属线材缠绕试验方法GB/T238-2002 金属材料线材反复弯曲试验方法GB/T233-2000 金属材料顶锻试验方法GB/T5027-1999 金属薄板和薄带塑性应变比(r值)试验方法GB/T5028-1999 金属薄板和薄带拉伸应变硬化指数(n值)试验方法GB/T246-1997 金属管压扁试验方法GB/T245-1997 金属管卷边试验方法GB/T242-1997 金属管扩口试验方法GB/T4156-1984 金属杯突试验方法(厚度0.2-2mm)4)YJL004-4数据处理与标准相关的数据处理金属薄板和薄带塑性应变比(r值)测量结果不确定度评定5.YJL005金属硬度试验1)YJL005-1测试基础GB/T10623-1989 金属力学性能试验术语GB/T2975-1998 钢及钢产品力学性能试验取样位置及试样制备GB/T8170-1987 数值修约规则GB/T 2611-1992 试验机通用技术要求金属材料硬度测试的基本原理a.维氏硬度b.洛氏硬度c.布氏硬度d.里氏硬度e.努氏硬度f.肖氏硬度2)YJL005-2仪器设备与操作技术硬度计的分类和基本构造、工作原理:硬度计的计量要求a.GB/T4340.2-1999 金属维氏硬度试验第2部分:硬度计的检验b.GB/T4340.3-1999 金属维氏硬度试验第3部分:标准硬度块的标定c.JJG151~1991 金属维氏硬度计检定规程d.JJG148~1991 标准维氏硬度块检定规程e.GB/T18449.2-2001 金属努氏硬度试验第2部分:硬度计的检验f.GB/T18449.3-2001 金属努氏硬度试验第3部分:标准硬度块的标定g.GB/T230.2-2002 金属洛氏硬度试验第2部分:硬度计的检验与校准(A,B,C,D,E,F,G,H,K,N,T标尺)h.GB/T230.3-2002 金属洛氏硬度试验第3部分:标准硬度块的标定(A,B,C,D,E,F,G,H,K,N,T标尺)i.JJG 112-2003 金属洛氏硬度计检定规程j.GB/T231.2-02 金属布氏硬度试验第2部分:硬度计的检验与校准k.GB/T231.3-02 金属布氏硬度试验第3部分:标准硬度块的标定l.JJG 150-2005 金属布氏硬度计检定规程m.JJG 147-1991 标准布氏硬度检定规程n.GB/T2849-1981 洛氏硬度压头o.JJG 747-1999 里氏硬度计检定规程p.JJG 2006-1996 肖氏硬度(D标尺)计量器具检定系统框图q.JJG 347-1991 标准肖氏硬度块检定规程硬度计的使用与维护保养硬度计的期间核查上机操作3)YJL005-3标准方法与应用GB/T231.1-2002 金属布氏硬度试验第一部分:试验方法GB/T230.1-2004 金属洛氏硬度试验第一部分:试验方法(A、B、C、D、E、F、G、H、.K,N,T标尺)GB/T4340.1-1999 金属维氏硬度试验第一部分:试验方法GB/T18449-2001 金属努氏硬度试验方法GB/T4341-2001 金属肖氏硬度试验方法GB/T17394-1998 金属里氏硬度试验方法GB/T1172-1999 黑色金属硬度及强度换算值GB/T3771-1983 铜合金硬度与强度换算值4)YJL005-4数据处理与标准相关的数据处理金属洛氏硬度测量不确定度评定(HRC)金属布氏硬度测量不确定度评定金属维氏硬度测量不确定度评定金属里氏硬度测量不确定度评定金属肖氏硬度测量不确定度评定6.YJL006金属韧性试验1)YJL006-1测试基础GB/T10623-1989 金属力学性能试验术语GB/T2975-1998 钢及钢产品力学性能试验取样位置及试样制备GB/T8170-1987 数值修约规则GB/T 2611-1992 试验机通用技术要求金属韧性试验的基本原理2)YJL006-2仪器设备与操作技术摆锤式冲击试验机的基本构造和工作原理摆锤式仪器化冲击试验机的基本构造和工作原理落锤试验机的基本构造和工作原理试验机的计量要求a.GB/T3808-2002 摆锤式冲击试验机的检验b.JJG145-1982 摆锤式冲击试验机检定规程c.GB/T18658-2002 摆锤式冲击试验机检验用夏比V型缺口标准试样试验机的使用与维护保养试验机的期间核查上机操作3)YJL006-3标准方法与应用GB/T4160-1904 钢的应变时效敏感性试验方法(夏比冲击法)GB/T12778-1991 金属夏比冲击断口测定方法GB/T229-1994 金属夏比缺口冲击试验方法GB/T 5482– 1993 金属材料动态撕裂试验方法GB/T6803-1986 铁素体钢无塑性转变温度落锤试验方法GB/T8363-1987 铁素体钢落锤撕裂试验方法GB/T 19748-2005 钢材夏比V型缺口摆锤冲击试验仪器化试验方法 GB/T4158-1984 金属艾氏冲击试验方法4)YJL006-4数据处理与标准相关的数据处理金属夏比冲击试验测量不确定度评定7.YJL007金属高温拉伸(低温拉伸)、蠕变、持久强度和应力松弛试验1)YJL007-1测试基础GB/T10623-1989 金属力学性能试验术语GB/T2975-1998 钢及钢产品力学性能试验取样位置及试样制备GB/T8170-1987 数值修约规则GB/T 2611-1992 试验机通用技术要求金属高温拉伸(低温拉伸)试验工作原理金属蠕变及持久强度试验工作原理金属应力松弛试验工作原理2)YJL007-2仪器设备与操作技术万能试验机的分类和基本构造a.液压式万能试验机b.机械式拉力试验机c.电液伺服万能试验机d.电子式万能试验机试验机的速度控制系统a.应力速率控制b.应变速率控制试验机的测量操作系统a.手工控制测量系统b.采用微机控制的自动测量系统蠕变试验机的基本构造和工作原理钢材应力松弛试验机的基本构造和工作原理试验机的使用与维护保养试验机的期间核查上机操作试验机的计量要求a.GB/T 16825.1-2002静力单轴试验机的检验第1部分:拉力和(或)压力试验机测力系统的检验与校准b.JJG 139-1999 拉力、压力和万能试验机检定规程c.GB/T 12160-2002 单轴试验用引伸计的检定d.JJG 762-1992 引伸计检定规程e.JJF 1103-2003 万能试验机计算机数据采集系统评定f.JJG276-1988 高温蠕变、持久强度试验机检定规程3)YJL007-3标准方法与应用a.GB/T2039-1997 金属拉伸蠕变及持久试验方法b.GB/T10120-1996 金属应力松弛试验方法c.GB/T4338-95 金属材料高温拉伸试验d.GB/T13239-91 金属低温拉伸试验方法4)YJL007-4数据处理与标准相关的数据处理持久外推方法8.YJL008金属断裂试验1)YJL008-1测试基础GB/T10623-1989 金属力学性能试验术语GB/T2975-1998 钢及钢产品力学性能试验取样位置及试样制备GB/T8170-1987 数值修约规则GB/T 2611-1992 试验机通用技术要求金属断裂试验的基本原理2)YJL008-2仪器设备与操作技术万能拉压试验机的分类和基本构造e.液压式万能试验机f.机械式拉力试验机g.电液伺服万能试验机h.电子式万能试验机试验机的速度控制系统:a.应力速率控制b.应变速率控制试验机的测量操作系统a.手工控制测量系统b.采用微机控制的自动测量系统轴向疲劳试验机基本构造和工作原理试验机的计量要求a.GB/T 16825.1-2002静力单轴试验机的检验第1部分:拉力和(或)压力试验机测力系统的检验与校准b.JJG 139-1999 拉力、压力和万能试验机检定规程c.GB/T 12160-2002 单轴试验用引伸计的检定d.JJG 762-1992 引伸计检定规程e.JJF 1103-2003 万能试验机计算机数据采集系统评定f.标点机(打点、划线机的自校准)试验机的使用与维护保养试验机的期间核查上机操作3)YJL008-3标准方法与应用疲劳裂纹预制GB/T 2038– 1991 金属材料延性断裂韧度C J1试验方法GB/T4161-1984 金属材料平面应变断裂韧度K1c试验方法GB/T 2358– 1994 金属材料裂纹尖端张开位移试验方法GB/T2358-1994 金属材料裂纹张开位移试验方法GB/T19744-2005 铁素体钢平面应变止裂韧度K1a试验方法GB/T228-2002 金属材料室温拉伸试验方法GB/T8653-1988 金属杨氏模量,弦线模量,切线模量,泊松比试验(静态法) GB/T17600.1-1998 钢的伸长率换算第一部分:碳钢和低合金钢GB/T17600.2-1998 钢的伸长率换算第二部分:奥氏体钢GB/T7314-2005 金属材料压缩试验方法4)YJL008-4数据处理与标准相关的数据处理9.YJL009金属疲劳试验1)YJL009-1测试基础GB/T10623-1989 金属力学性能试验术语GB/T8170-1987 数值修约规则GB/T 2611-1992 试验机通用技术要求金属疲劳试验的基本原理2)YJL009-2仪器设备与操作技术轴向疲劳试验机基本构造和工作原理旋转疲劳试验机基本构造和工作原理试验机的计量要求a.动态力的校验b.JJG 652~1990 旋转纯弯曲疲劳试验机检定规程3)YJL009-3标准方法与应用GB/T3075-1982 金属轴向疲劳试验方法GB/T15248-94 金属材料轴向等幅低循环疲劳试验GB/T4337-1984 金属旋转弯曲疲劳试验方法GB/T2107-1980 金属高温旋转弯曲疲劳试验方法GB/T6398-2000 金属材料疲劳裂纹扩展速率试验方法疲劳裂纹预制4)YJL009-4数据处理与标准相关的数据处理10.YJL010焊接力学性能试验1)YJL010-1测试基础GB/T10623-1989 金属力学性能试验术语GB/T2975-1998 钢及钢产品力学性能试验取样位置及试样制备 GB/T8170-1987 数值修约规则GB/T 2611-1992 试验机通用技术要求焊接材料力学性能试验的基本原理2)YJL010-2仪器设备与操作技术万能拉压试验机的分类和基本构造a.液压式万能试验机b.机械式拉力试验机c.电液伺服万能试验机d.电子式万能试验机试验机的速度控制系统:a.应力速率控制b.应变速率控制试验机的测量操作系统a.手工控制测量系统b.采用微机控制的自动测量系统试验机的计量要求a.GB/T 16825.1-2002静力单轴试验机的检验第1部分:拉力和(或)压力试验机测力系统的检验与校准b.JJG 139-1999 拉力、压力和万能试验机检定规程c.GB/T 12160-2002 单轴试验用引伸计的检定d.JJG 762-1992 引伸计检定规程e.JJF 1103-2003 万能试验机计算机数据采集系统评定f.标点机(打点、划线机的自校准)g.JJG 269-1981 扭转试验机试行检定规程试验机的使用与维护保养试验机的期间核查上机操作3)YJL010-3标准方法与应用GB/T228-2002 金属材料室温拉伸试验方法GB/T8653-1988 金属杨氏模量,弦线模量,切线模量,泊松比试验(静态法) GB/T17600.1-1998 钢的伸长率换算第一部分:碳钢和低合金钢GB/T17600.2-1998 钢的伸长率换算第二部分:奥氏体钢GB/T7314-2005 金属材料压缩试验方法GB/T 2649– 1989 焊接接头机械性能试验取样方法GB/T 2650– 1989 焊接接头冲击试验方法GB/T 2651– 1989 焊接接头拉伸试验方法GB/T 2652– 1989 焊缝及熔敷金属拉伸试验方法GB/T 2653– 1989 焊接接头弯曲及压扁试验方法GB/T 2654– 1989 焊缝及堆焊金属硬度试验方法GB/T 2655– 1989 焊接接头应变时效敏感性试验方法GB/T 2656– 1989 焊缝金属和焊接接头的疲劳试验法GB/T 13816– 1992 焊接接头脉动拉伸疲劳试验方法GB/T 15111– 1994 点焊接头拉伸疲劳试验方法GB/T 16957– 1997 复合钢板焊接接头力学性能试验方法GB/T 13311– 1991 锅炉受压元件焊接接头机械性能试验方法GB/T 13450– 1992 对接焊接头宽板拉伸试验方法GB/T 13816– 1992 焊接接头脉动拉伸疲劳试验方法GB/T 15111– 1994 点焊接头剪切拉伸疲劳试验方法GB/T 15747– 1995 正面角焊缝接头拉伸试验方法GB/T 7032– 1986 T型角焊缝弯曲试验方法GB/T 11363– 1989 钎焊接头强度试验方法GB/T 8619– 1988 钎缝强度试验方法GB/T 11363– 1989 钎焊接头强度试验方法GB/T 9447– 1988 焊接接头疲劳裂纹扩展速率`试验方法JB/T 4744 – 2000 钢制压力容器产品焊接试板的力学性能检验JB/T 4291 – 1999 焊接接头裂纹张开位移(COD)试验方法JB/T 5104 – 1991 焊接接头脆性破坏的评定JB/T 7716 – 1995 焊接接头四点弯曲疲劳试验方法JB/T 7717 – 1995 焊接接头ECO试验方法JB/T 6044 – 1992 焊接接头疲劳裂纹扩展速率侧槽试验方法GB/T 4675.1– 1984 焊接性试验斜Y型坡口焊接裂纹试验方法GB/T 4675.2– 1984 焊接性试验搭接接头(CTS)焊接裂纹试验方法GB/T 4675.3– 1984 焊接性试验 T型接头焊接裂纹试验方法GB/T 4675.4– 1984 焊接性试验压板对接(FISCO)焊接裂纹试验方法GB/T 4675.5– 1984 焊接性试验焊接热影响区最高硬度试验方法GB/T 9446– 1988 焊接用插销冷裂纹试验方法GB/T 13817– 1992 对接焊接头刚性拘束焊接裂纹试验方法4)YJL010-4数据处理与标准相关的数据处理金属拉伸性能测量不确定度评定(抗拉强度、屈服强度、规定非比例延伸强度、断后伸长率、断面收缩率)金属洛氏硬度测量不确定度评定(HRC)金属夏比冲击试验测量不确定度评定11.YJL011金属磨损试验1)YJL011-1测试基础GB/T10623-1989 金属力学性能试验术语GB/T8170-1987 数值修约规则GB/T 2611-1992 试验机通用技术要求金属磨损试验的基本原理2)YJL011-2仪器设备与操作技术磨损试验机的基本构造和工作原理试验机的计量要求a.磨损试验机的自校准规程试验机的使用与维护保养试验机的期间核查上机操作3)YJL011-3标准方法与应用GB/T 12444-2006金属材料磨损试验方法试环-试块滑动磨损试验4)YJL011-4数据处理与标准相关的数据处理。
本文详细介绍金属材料试验时几个常用的概念,以供参考学习。
一、抗拉强度抗拉强度,表征材料最大均匀塑性变形的抗力,拉伸试样在承受最大拉应力之前,变形是均匀一致的,但超出之后,金属开始出现缩颈现象,即产生集中变形;对于没有(或很小)均匀塑性变形的脆性材料,它反映了材料的断裂抗力。
符号为Rm,单位为MPa。
抗拉强度(tensile strength)试样拉断前承受的最大标称拉应力。
抗拉强度是金属由均匀塑性变形向局部集中塑性变形过渡的临界值,也是金属在静拉伸条件下的最大承载能力。
对于塑性材料,它表征材料最大均匀塑性变形的抗力,拉伸试样在承受最大拉应力之前,变形是均匀一致的,但超出之后,金属开始出现缩颈现象,即产生集中变形;对于没有(或很小)均匀塑性变形的脆性材料,它反映了材料的断裂抗力。
符号为Rm,单位为MPa。
试样在拉伸过程中,材料经过屈服阶段后进入强化阶段后随着横向截面尺寸明显缩小在拉断时所承受的最大力(Fb),除以试样原横截面积(So)所得的应力(σ),称为抗拉强度或者强度极限(σb),单位为N/mm2(MPa)。
它表示金属材料在拉力作用下抵抗破坏的最大能力。
计算公式为:σ=Fb/So式中:Fb--试样拉断时所承受的最大力,N(牛顿); So--试样原始横截面积,mm²。
抗拉强度( Rm)指材料在拉断前承受最大应力值。
万能材料试验机当钢材屈服到一定程度后,由于内部晶粒重新排列,其抵抗变形能力又重新提高,此时变形虽然发展很快,但却只能随着应力的提高而提高,直至应力达最大值。
此后,钢材抵抗变形的能力明显降低,并在最薄弱处发生较大的塑性变形,此处试件截面迅速缩小,出现颈缩现象,直至断裂破坏。
钢材受拉断裂前的最大应力值称为强度极限或抗拉强度。
单位:N/mm2(单位面积承受的公斤力)抗拉强度:Tensile strength.抗拉强度=Eh,其中E为杨氏模量,h为材料厚度目前国内测量抗拉强度比较普遍的方法是采用万能材料试验机等来进行材料抗拉/压强度的测定!二、屈服强度屈服强度:是金属材料发生屈服现象时的屈服极限,亦即抵抗微量塑性变形的应力。
金属材料名称常用基础术语1.基础术语:黑色金属:铁和铁的合金均称为黑色金属。
如钢、生铁、铁合金、铸铁等。
纯铁:纯度很高的铁,化学纯铁含碳量几乎为零,工业纯铁含碳量<%。
纯铁是很软的,一般不应用到实际中。
铁碳合金:以铁为基础,以碳为主要添加元素的合金,统称为铁碳合金。
如钢和生铁。
生铁:把铁矿石放到高炉中冶炼而成的,含碳量2%~%(也有资料称%—%、%%)的铁碳合金称为生铁。
生铁质硬而脆,缺乏韧性,几乎没有塑性变形能力,因此不能通过锻造、轧制、拉拔等方法加工成形,主要用来炼钢和制造铸件,如白口铁、灰口铁和球墨铸铁。
也有习惯上把炼钢生铁叫做生铁,把铸造生铁简称为铸铁。
白口铁:碳以Fe3C形态分布的生铁称为白口铁,其断口呈银白色,质硬而脆,不能进行机械加工,是炼钢的原料,故又称炼钢生铁。
灰口铁:碳以片状石墨形态分布的生铁称为灰口铁,其断口呈银灰色,由于石墨质软并有润滑作用,因而这种生铁具有良好的易切削、耐磨和铸造性能等优点。
但是,由于有片状石墨的存在,降低了它的抗拉强度,使它不能锻轧,只能用于制造各种铸件,如铸造机床床座、铁管等。
因此,通常把这种生铁叫做铸造生铁。
球墨铸铁:碳以球状石墨分布则称球墨铸铁,其机械性能、加工性能接近于钢。
钢:含碳量在%%之间(也有资料称%%)的铁碳合金称为钢。
为了保证其韧性和塑性,含碳量一般不超过%。
钢的主要元素除铁、碳外,还有硅、锰、硫、磷等。
有色金属:又称非铁金属,指除黑色金属外的金属和合金,如铜、锡、铅、锌、铝等。
第2章:钢的分类基础知识1.按品质进行分类①普通钢:P≤% S≤%(如普通碳素结构钢Q195、Q235等)②优质钢:P≤% S≤%(如优质碳素结构钢20号、45号钢等)③高级优质钢:P≤% S≤%(比优质钢更优质,一般在钢号后加A以示区别,如08A等)2.按化学成份进行分类1)碳素钢:①低碳钢:C≤%②中碳钢:C≤~%③高碳钢:C≥%2)合金钢:①低合金钢(合金元素总含量≤5%);②中合金钢(合金元素总含量>5~10%);③高合金钢(合金元素总含量>10%)。
金属材料的力学性能(总6页) -CAL-FENGHAI.-(YICAI)-Company One1-CAL-本页仅作为文档封面,使用请直接删除复习旧课1、材料的发展历史2、工程材料的分类讲授新课第一章金属材料的力学性能材料的性能有使用性能和工艺性能两类使用性能是保证工件的正常工作应具备的性能,主要包括力学性能、物理性能、化学性能等。
工艺性能是材料在被加工过程中适应各种冷热加工的性能,包括铸造性能、锻压性能、焊接性能、热处理性能、切削加工性能等。
力学性能是指金属在外力作用下所显示的性能能。
金属力学性能指标有:强度、刚度、塑性、硬度、韧性和疲劳强度等。
第一节刚度、强度与塑性一、拉伸试验及力—伸长曲线L 0——原始标距长度;L1——拉断后试样标距长度d 0——原始直径。
d1——拉断后试样断口直径国际上常用的是L0=5 d0(短试样),L0=10 d0(长试样)[拉伸曲线]:拉伸试验中记录的拉伸力F与伸长量ΔL(某一拉伸力时试样的长度与原始长度的差ΔL=Lu-L0)的F—ΔL曲线称为拉伸曲线图。
Oe段:为纯弹性变形阶段,卸去载荷时,试样能恢复原状Es段:屈服阶段Sb段:强化阶段,试样产生均匀的塑性变形,并出现了强化Bk段:局部塑性变形阶段二、刚度刚度:金属材料抵抗弹变的能力指标:弹性模量 E E= σ / ε (Gpa )弹性范围内. 应力与应变的比值(或线形关系,正比)E↑刚度↑一定应力作用下弹性变形↓三、强度指标σ= F/S o强度:强度是指材料抵抗塑性变形和断裂的能力。
强度表示:强度一般用拉伸曲线上所对应某点的应力来表示。
单位采用N/mm2(或MPa 兆帕)σ= F/Aoσ——应力(MPa);F——拉力(N);S o——截面积(mm2)。
常用的强度判据主要有屈服点、条件屈服强度(也称为规定残余伸长应力)和抗拉强度等。
1、屈服点与条件屈服强度[屈服强度]σs 产生屈服时的应力(屈服点),亦表示材料发生明显塑性变形时的最低应力值。
金属材料的力学性能金属材料在外力或能的作用下,所表现出来的一系列力学特性,如强度、刚度、塑性、韧性、弹性、硬度等,也包括在高低温、腐蚀、表面介质吸附、冲刷、磨损、空蚀(氧蚀)、粒子照射等力或机械能不同程度结合作用下的性能。
力学性能反映了金属材料在各种形式外力作用下抵抗变形或破坏的某些能力,是选用金属材料的重要依据。
充分了解、掌握金属材料的力学性能,对于合理地选择、使用材料,充分发挥材料的作用,制定合理的加工工艺,保证产品质量有着极其重要的意义。
一、强度强度是材料受外力而不被破坏或不改变本身形状的能力。
(一)屈服点金属试样在拉伸试验过程中,载荷不再增加而试样仍继续发生塑性变形而伸长,这一现象叫做“屈服”。
材料开始发生屈服时所对应的应力,称为“屈服点”,以σs表示。
有些材料没有明显的屈服点,这往往采用σ0.2作为屈服阶段的特征值,称为屈服强度。
(二)抗拉强度拉伸试验时,材料在拉断前所承受的最大标称应力,即拉伸过程中最大力所对应的应力,称为抗拉强度,以σb表示。
二、塑性塑性是金属材料在外力作用下(断裂前)发生永久变形的能力,常以金属断裂时的最大相对塑性变形来表示,如拉伸时的断后伸长率和断面收缩率。
(一)伸长率金属材料在拉伸试验时试样拉断后其标距部分所伸长的长度与原始标距长度的百分比,称为断后伸长率,也叫伸长率,用δ表示。
(二)断面收缩率金属试样在拉断后,其缩颈处横截面积的最大缩减量与原始横截面积的百分比,称为断面收缩率,以符号ψ表示。
三、硬度硬度是金属材料表面抵抗弹性变形、塑性变形或抵抗破裂的一种抗力,是衡量材料软硬的性能指标。
硬度不是一个单纯的、确定的物理量,而是一个由材料弹性、塑性、韧性等一系列不同性能组成的综合性能指标。
所以硬度不仅取决于材料本身,还取决于试验方法和条件。
(一)布氏硬度(二)洛氏硬度(三)维氏硬度四、韧性金属在断裂前吸收变形能量的能力,称为韧性。
衡量材料韧性的指标分为冲击韧性和断裂韧性。
金属材料行业材料力学性能测试技术手册一、引言金属材料的力学性能测试是评估材料质量和性能的重要手段。
本技术手册旨在介绍金属材料力学性能测试的基本原理、常用方法和操作流程,方便金属材料行业从业人员在工作中正确、准确地进行力学性能测试。
二、金属材料力学性能测试概述1. 测试目的金属材料力学性能测试旨在衡量材料在受载情况下的强度、刚度、韧性、延性等性能参数,以评估材料的可靠性和适用性。
2. 测试内容常见的金属材料力学性能测试内容包括拉伸试验、压缩试验、弯曲试验等,通过这些试验可以得到材料的应力-应变曲线、屈服强度、断裂强度、弹性模量等重要参数。
三、拉伸试验1. 试验设备和工具拉伸试验需要用到拉伸试验机、标准试样和相应的夹具。
拉伸试验机应具备精确控制试验速度、测量载荷和位移等功能。
2. 操作步骤(1)选择适当的试样尺寸和夹具。
(2)安装试样并调整夹具,确保试样正确固定。
(3)设置拉伸试验机的工作参数,如试验速度、载荷范围等。
(4)开始试验,记录载荷和位移数据。
(5)根据试验数据计算材料的应力-应变曲线和相关参数。
四、压缩试验1. 试验设备和工具压缩试验需要用到压缩试验机、标准试样和相应的夹具。
压缩试验机应具备精确控制试验速度、测量载荷和位移等功能。
2. 操作步骤(1)选择适当的试样尺寸和夹具。
(2)安装试样并调整夹具,确保试样正确固定。
(3)设置压缩试验机的工作参数,如试验速度、载荷范围等。
(4)开始试验,记录载荷和位移数据。
(5)根据试验数据计算材料的应力-应变曲线和相关参数。
五、弯曲试验1. 试验设备和工具弯曲试验需要用到弯曲试验机、标准试样和相应的夹具。
弯曲试验机应具备精确控制试验速度、测量载荷和位移等功能。
2. 操作步骤(1)选择适当的试样尺寸和夹具。
(2)安装试样并调整夹具,确保试样正确固定。
(3)设置弯曲试验机的工作参数,如试验速度、载荷范围等。
(4)开始试验,记录载荷和位移数据。
(5)根据试验数据计算材料的应力-应变曲线和相关参数。
金属材料力学性能试验相关术语
编制:
审核:
批准:
生效日期:
受控(1)
受控标识处:
分发号:
发布日期:2016年9月27日实施日期:2016年9月27日
制/修订记录
1.0 目的和范围
本文件定义了金属材料力学性能试验中使用的术语,并为本文件和一般使用时形成共同的称谓。
2.0 规范性应用文件
下列文件对于本文件的作用是必不可少的。
凡是注日期的应用文件,仅注日期的版本适用于本文件。
凡是不注日期的应用文件,其最新版本(包括所有的修改单)适用于本文件。
2.1 GB/T 228.1 金属材料 拉伸试验 第1部分:室温试验方法 2.2 GB/T 10623 金属材料 力学性能试验术语
3.0 一般术语 3.1 与试样有关的术语
3.1.1 试件/试样test piece/specimen
通常按照一定形状和尺寸加工制备的用于试验的材料或部分材料。
3.1.2标距gauge length
用于测量试样尺寸变化部分的长度。
3.1.3原始标距original gauge length
在施加试验力之前的标距长度。
3.1.4
断后标距final gauge length after fracture
试样断裂后的标距长度。
3.1.5参考长度reference length
用以计算伸长的基础长度。
3.1.6平行长度parallel length
试样两头部或加持部分(不带头试样)之间平行部分的长度。
3.1.7伸长elongation
在试验期间任一时刻的原始标距Lo 或参考长度Lr 的增量。
3.1.8伸长率percentage elongation
原始标距Lo (或参考长度Lr )的伸长与原始标距(或参考长度Lr )之比百分率。
3.1.9 断后伸长率 percentage elongation after fracture A
断后标距的残余伸长(Lu-Lo )与原始标距之比的百分率。
注:对于比例试样,若原始标距不为(So 为平行长度的原始横截面积),符号A 应附以下脚注说明所使用的比例系数,例如A 11.3表示原始标距为
对于非比例试样,符号A 应附以下脚注说明所使用的原始标距,以毫米(mm )表示。
例如,A 80mm 表示原始标距为80mm 的断后伸长率。
3.1.10断面收缩率percentage reduction of area
断裂后试样横截面积的最大缩减量(S 0-S u )与原始横截面积(S 0)之比的百分率。
0U
00
S -S =
100%Z X S。