家庭综合布线系统方案
- 格式:doc
- 大小:81.50 KB
- 文档页数:7
1.综合布线系统施工方案1.1. 系统安装工艺和调试(一)布线系统的安装布线系统安装定位按照深化设计方案、图纸进行。
主要为:工作区子系统的安装;水平子系统的安装;干线子系统的安装;管理子系统的安装;建筑物子系统的安装。
(二)布线测试缆线的弯曲半径应符合下列规定:1) 非屏蔽4对对绞电缆的弯曲半径应至少为电缆外径的4倍;2) 屏蔽4对对绞电缆的弯曲半径应至少为电缆外径的6-10倍;3) 主干对绞电缆的弯曲半径应至少为电缆外径的10倍;4) 光缆的弯曲半径应至少为光缆外径的15倍。
2. 电源线与综合布线系统缆线应分隔布放,缆线间的最小净距应符合设计要求,按GB50312中的规定检测。
3. 建筑物内电、光缆暗管敷设及与其他管线最小净距符合GB50312中的规定。
4. 对绞电缆芯线终接应符合下列要求:1) 终接时,每对对绞线应保持扭绞状态,扭绞松开长度对于6类线不应大于13mm;2) 对绞线在与8位模块式通用插座相连时,必须按色标和线对顺序进行卡接;在同一布线工程中两种连接方式不应混合使用;3) 卡入跳线架连接块内的单根线缆色标应和线缆的色标相一致,大对数电缆按标准色谱的组合规定进行排序;4) 端接于RJ45口的配线架的线序及排列方式按有关国际标准规定的两种端接标准之一(T568A或T568B)进行端接,但必须与信息插座模块的线序排列使用同一种标准;5) 屏蔽对绞电缆的屏蔽层与接插件终接处的屏蔽罩必须以可靠的360°圆周接触,接触长度不宜小于10mm。
5. 光纤连接损耗值,应符合下表的规定:光纤连接损耗连接类别多模单模平均值最大值平均值最大值熔接0.15dB 0.3dB 0.15dB 0.3dB 缆线一般应按下列要求敷设:1) 缆线的型号、规格应与设计规定相符;2) 缆线的布放应自然平直,不得产生扭绞、打圈接头等现象,不应受到外力的挤压和损伤;3) 缆线两端贴有标签,应标明编号,标签书写应清晰、端正和正确;标签应选用不易损坏的材料;4) 缆线终接后,应有余量。
三居室家庭装修综合布线设计方案一、设计功能需求针对一个三居室毛坯房屋进行综合布线设计,实现无线网络覆盖、有线电视、监控、电话、音响等功能,房屋平面示意图如下:具体需求如下:网络覆盖:书房、主客卧、客厅电话:主客卧、客厅监控:主客卧、客厅、书房有线电视:主客卧、客厅音响:主客卧、客厅、书房家庭综合布线设计流程图1、功能需求细化(1)实现主客卧、书房、客厅固定网络接口预留以及室内无线网络信号覆盖,满足电脑以及手机等移动终端同时访问网络;(2)实现数字高清IP化的监控系统,包括前端摄像头、主机、存储等;(3);2、弱电箱设计(1)弱电箱需预留光纤、电话线、有线电视天线等接线条件;(2)为满足所需功能,弱电箱内需放置一台无线路由器、带POE功能的24口交换机;(3)预留至少两个强电插座;(4)将电脑进出线头用专用工具做好RJ45头,将有线电视进出线缆头做好F 头,电话进出线缆头剥出线头RJ10头;(5)配备有线电视、电话分配模块。
3、设备确认设备汇总表:4.2扬声器(音箱)电缆:用柔软的超细鼓线扬声器(音箱)电缆,用无氧铜(OFC)制造。
透明PVC护套,有标识缆芯的标志,当连接到如RSAC-PDN 的连接器上时,扁平8字形可提供良好的夹击区。
4.3有线电视同轴电缆:选用符合BS2316标准的75Ω同轴电缆。
6、各子系统设计每个子系统模块的具体设计如下:1)数据(电脑)模块根据整个房屋装簧的平面布置,在书房电脑桌的下方/旁边设置数据插座(与电脑的电源插座并排),一般用2孔信息插座,留一孔余量为今后发展用。
因为目前所敷5类4对对绞线缆实际只用了2对线。
同样在有可能上网的客厅、主卧设置数据出口,为了能够在将来使用智能化电器,还应在餐厅和厨房各设置一个数据出口。
2)电话语音模块根据整个房屋装簧的平面布置,在须按电话的桌(几)的下方/旁边设置电话信息插座。
在客厅卧室等安装高度与强点面板相同,约30cm,卫生间安装高度为120cm,厨房安装高度为150cm。
家庭综合布线设计方案家庭综合布线设计方案随着科技的发展,如今家庭中已经不再是电视机、电话和电脑的组合那么简单。
家庭综合布线设计是指在家庭建设之初,通过合理规划,将各种通信设备、数据设备和音视频设备的接口布置到一个中央位置,然后采用统一的网络进行互联,从而实现家庭各种设备的联动和共享。
家庭综合布线设计方案的设计目标是既满足当前居住需求,又能适应未来的扩展需求。
以下是一个典型的家庭综合布线设计方案:1. 预留有线电视接口:在客厅、主卧、次卧和其他需要的房间预留有线电视接口,方便将有线电视信号传输到各个房间,使用者可以自由选择在哪个房间观看电视。
2. 预留电话接口:在客厅和主卧室预留电话接口,方便拨打和接听电话。
此外,还可以预留一些其他房间的电话接口,以便于日常生活中不同房间成员的通信需求。
3. 预留网络接口:在客厅和主卧室预留网络接口,提供高速的有线网络连接。
此外,还可以预留一些其他房间的网络接口,方便未来的扩展需求。
4. 预留音乐系统接口:在客厅和主卧室预留音响系统接口,方便使用者在家中任一角落欣赏高质量音乐。
5. 安装可视对讲系统:在门口安装可视对讲系统,方便使用者远程查看和控制家庭安全。
6. 安装安全监控系统:在家中的重要位置安装安全监控系统,提供家庭安全防护。
7. 智能家居控制:安装智能家居控制系统,通过智能手机或者其他设备远程控制家里的灯光、空调、窗帘等设备,提升居住舒适度。
8. 安装家庭娱乐系统:在客厅安装家庭娱乐系统,包括大屏幕电视、投影仪、家庭影院等设备,提供高清晰度的影音娱乐享受。
综合布线设计方案需要考虑的因素包括家庭的结构、预算、使用者需求以及未来的技术趋势等。
通过合理规划和布线,可以实现家庭各种设备的联动和共享,提升家庭生活的便利性和舒适性。
家庭综合布线实施方案
首先,我们需要对家庭的用电情况进行详细的了解。
根据家庭的用电需求,我
们可以确定不同区域的用电负荷,从而合理规划布线方案。
一般来说,客厅、卧室、厨房、卫生间等区域的用电需求是不同的,因此需要针对不同区域进行布线规划。
其次,我们需要选择合适的电线和插座。
在家庭综合布线中,我们需要考虑到
安全、稳定和美观等因素。
因此,在选择电线和插座时,我们需要选择质量可靠、外观美观的产品,以确保家庭用电的安全和美观。
接着,我们需要进行布线的具体设计。
根据家庭的结构和用电需求,我们可以
设计出合理的布线方案。
在布线设计中,我们需要考虑到电线的敷设路径、插座的位置、开关的设置等因素,以确保布线的合理性和美观性。
然后,我们需要进行布线的施工工作。
在施工过程中,我们需要严格按照设计
方案进行布线敷设、插座开关的安装等工作。
在施工过程中,我们需要注意安全,确保施工过程中不会对家庭的其他设施造成影响。
最后,我们需要进行布线的验收工作。
在布线施工完成后,我们需要对布线工
程进行验收。
验收工作主要包括对电线的质量、插座开关的安装情况、布线的美观性等方面进行检查,以确保布线工程的质量和安全。
综上所述,家庭综合布线实施方案是一个复杂而重要的工程。
通过合理的规划、选择合适的材料、精心的设计、严格的施工和细致的验收,我们可以确保家庭综合布线工程的质量和安全。
希望以上内容对大家有所帮助,谢谢!。
家庭楼的综合布线工程方案一、工程背景随着科技的不断发展,现代家庭对于电气设施的需求也越来越高。
在家庭楼的综合布线工程中,不仅要考虑到电力系统的安全稳定,还要考虑到通信网络、智能家居等多种设施的需求,因此在设计综合布线工程时,需要全面考虑各方面的因素,确保工程的品质和稳定性。
二、工程目标1. 建立一个安全稳定的电力系统,确保居民日常生活用电的需求;2. 构建健全的通信网络,满足居民对于宽带网络、有线电视等多种通信需求;3. 实现家庭楼的智能化管理,包括智能家居设备的布线和联动控制。
三、设计方案1. 电力系统设计电力系统是家庭楼综合布线工程中最为重要的部分,它关系到居民的用电安全和日常生活需求。
在设计电力系统时,需要考虑以下几个方面:(1)供电方式根据家庭楼的规模和用电需求,可以选择单相或三相供电方式。
同时,在供电方式的选择上也需要考虑到居民用电的稳定性和安全性。
(2)线路敷设电力线路敷设要符合相关规范和标准,确保线路的安全可靠。
在设计中,需要考虑到线路的走向、敷设方式、线径选择等因素。
(3)用电设备布置用电设备的布置要合理,确保各个区域的供电均衡和安全。
2. 通信网络设计在现代家庭楼中,居民对于宽带网络、有线电视等通信设施的需求越来越高,因此在综合布线工程中,需要考虑到以下几个方面:(1)宽带网络布线宽带网络是现代家庭的通信基础设施,因此在布线工程中需要充分考虑到宽带网络的覆盖范围和信号稳定性。
(2)有线电视布线有线电视是家庭的重要娱乐信息来源,因此在布线工程中需要考虑到有线电视信号的覆盖范围和接收质量。
(3)通信设备布置通信设备的布置要合理,确保各种通信设施的信号稳定和覆盖范围。
3. 智能家居设计在家庭楼的综合布线工程中,智能家居设备的布线和联动控制也是必不可少的一部分。
在智能家居设计中,需要考虑以下几个方面:(1)智能家居设备的布线智能家居设备包括智能灯具、智能门锁、智能窗帘等,这些设备的布线需要考虑到各个区域的布置和联动控制。
综合布线系统设计方案1000字
综合布线系统是指将所有需要的网络设备(如计算机、交换机、路
由器和打印机等)集中连接到一个中央控制设备上,并通过专用网
络设备互相通信的网络架构。
综合布线系统的设计方案需要考虑以
下几个方面:
一、网络需求分析
首先需要对网络实际需求进行调查和分析,确定需要进行连接的设
备及其数量、连接距离等。
此外还需要了解网络使用的环境和要求,如建筑结构、使用方式等。
二、布线系统设计
根据实际需求和现场环境设计合适的布线系统。
布线系统一般分为
水平布线和垂直布线,水平布线指的是连接不同楼层的设备,而垂
直布线指的是连接相同楼层内的设备。
1. 确定布线路径和线路走向
根据实际情况正确选择走向,并考虑线路所造成的影响和成本。
2. 选择和配置合适的设备和材料
选择和配置合适的设备和材料,确保其质量和稳定性。
3. 分配布线容量
根据需求和实际情况分配合适的布线容量,以满足未来扩展需求。
三、接口标准确定
确定综合布线系统接口标准,因为综合布线系统通常涉及多个厂商
提供的设备和配件,需要确定接口标准以确保组件之间的兼容性。
四、安全性控制
综合布线系统根据其特性需要追求一定的安全控制,如访问认证、
数据加密、防火墙、安全域等。
综合布线系统设计方案需要考虑各种因素,如网络流量、拓扑结构、布线的可靠性、功能性和可扩展性等。
通过综合考虑以上因素,选
择适当的设备和配置,可以有效地提高综合布线系统的性能和可靠性,以满足不断变化的网络通信需求。
综合布线系统1)系统施工步骤2)系统施工方法及工艺A.信息插座的端接➢信息插座应牢靠地安装在平坦的地方,外面有盖板。
安装在活动地板或地面上的信息插座应固定在接线盒内。
插座面板有直立和水平等形式,接线盒有开启口,应可防尘。
安装在墙体上的插座应高出地面30cm,若地面采用活动地板,应加上活动地板内的净高尺寸。
固定螺钉需拧紧,不应有松动现象。
信息插座应有标签,以颜色、图形、文字表示所接终端设备的类型。
➢信息插座坚固,有标签,以颜色、图形、文字表示终端设备的类型。
接线时注意接线方式,根据不同的终端设备接线有不同标准接线方式,接线要符合设计图纸要求。
B.信息模块的端接➢信息插座分为单孔和双孔,每孔都有一个8位/8路插针。
这种插座的高性能、小尺寸及模块化特点,为设计综合布线提供了便利。
它采用了标明多种不同颜色电缆所连接的终端,保证了快速、准确的安装。
信息模块的端接过程如下:(1)从信息插座底盒孔中将双绞电缆拉出约20~30cm;(2)用环切器或斜口钳从双绞电缆剥除10cm的外护套;(3)取出信息模块,根据模块的色标分别把双绞线的4对线缆压到合适的插槽中;(4)使用打线工具把线缆压入插槽中,并切断伸出的余缆;(5)将制作好的信息模块扣入信息面板,注意模块的上下方向;(6)将装有信息模块的面板放到墙上,用螺钉固定在底盒上;(7)为信息插座标上标签,标明所接终端的类型和序号。
信息插座的端接方法如下页图所示:C.双绞线线缆布放线缆布放的一般要求如下:➢线缆布放前应核对其规格、程式、路由及位置是否与设计规定相符合;➢布放的线缆应平直,不得产生扭绞、打圈等现象,不应受到外力挤压和损伤;➢在布放前,线缆两端应贴有标签,标明起始和终端位置以及信息点的标号,标签书写应清晰、端正和正确;➢信号电缆、电源线、双绞线缆、光缆及建筑物内其他弱电线缆应分离布放。
➢布放线缆应有冗余。
在二级交接间、设备间,双绞电缆预留长度一般为3~6m,工作区为0.3~0.6m,有特殊要求的应按设计要求预留。
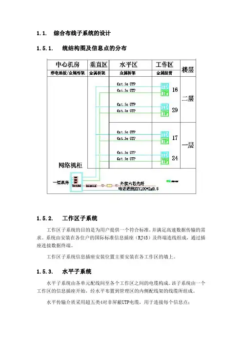
1.1.综合布线子系统的设计1.5.1.统结构图及信息点的分布1.5.2.工作区子系统工作区子系统的目的是为用户提供一个符合标准,并满足高速数据传输的需求。
系统由安装在各住户的国际标准信息插座(RJ45)及终端连线组成,通过插座连接数据终端。
工作区子系统信息插座安装位置主要安装在各工作区的墙上。
1.5.3.水平子系统水平子系统由各单元配线间至各个工作区之间的电缆构成。
该子系统由一个工作区的信息插座开始,经水平布置到管理区的内侧配线架的线缆所组成。
水平传输介质采用超五类4对非屏蔽UTP电缆,用于连接每个信息点;根据实际情况,水平线可从配线架经水平桥架、预埋穿管走线至各工作区。
配线架与信息插座之间均为点到点端接,任何改变系统的操作(如增减用户,用户地址改变等)都不影响整个系统的工作,为系统线路故障检修提供极大方便。
1.5.4.干线子系统垂直干线子系统由连接设备间与各层管理间的干线构成。
其任务是将各楼层管理间的信息,传递到设备间并送至最终接口。
垂直干线子系统的作用是将数据语音信号从设备室子系统传输到各楼子配线架。
系统由垂直干线及相关支撑硬件组成,提供了设备间总配线架与各楼子配线架之间的干线路由。
1.5.5.管理/设备间子系统管理子系统由各子配线间构成,主要用于交接水平子系统和垂直子系统。
管理设备的选型和配置管理子系统连接水平电缆和垂直干线。
是综合布线系统中关键的一环,常用设备包括快接式配线架、跳线和必要的网络设备。
系统管理中心设置在网络中心,连接到所有子配线间的电缆、光缆汇集到机柜的模块化配线架及光纤配线架中。
➢网络机柜选用19“标准机柜1台;➢电缆配线架选用24口模块式配线架;➢跳线使用双绞线同品牌的原厂模块化跳线;➢跳线配置数量=信息端口数*21.5.6.布线管理及标识方案本布线系统管理及标识遵循ANSI/TIA/EIA-606(CAS T528)《商业楼宇通信基础设施管理标准》。
主要有线缆标签,终端硬件标识和终端位置标识。
综合布线系统技术方案综合布线系统技术方案是一种灵活、可扩展的网络布线解决方案,它提供可靠的网络连接和通信服务。
综合布线系统技术方案可以精确地为多种信息网络应用提供宽带、高速、高可用性、可管理性的网络数据传输环境,包括以太网、电话、音视频和安全等应用。
一、技术方案概述综合布线系统技术方案包括通用布线和专用布线。
通用布线系统可以承载以太网、电话、音视频和安全等应用,在综合布线系统架构中,各种应用所需的网络通道、布线、盘与配线架、接口等都由同一套系统提供。
专用布线系统可以根据特定应用需求,提供定制化的布线设计和服务,如监控、安防、无线移动等应用。
综合布线系统技术方案的特点是:可扩展性强,可适应未来网络技术的发展;通用性好,可以应用于各种信息网络应用;可管理性高,可以通过中央控制系统或软件进行设备管理和网络优化;可靠性高,提供可靠的网络传输和服务。
二、技术方案设计1. 网络分类在综合布线系统技术方案中,网络主要分为传输网络和管理网络。
传输网络是各应用的传输通道,可以承载以太网、电话、音视频等应用;管理网络是综合布线系统的管控网络,可以对系统设备进行管理和监测。
2. 布线设计综合布线系统技术方案的布线设计一般采用星形拓扑结构,即将综合布线系统主干线路与各应用设备相连,以实现设备的互联互通。
在布线时应考虑各应用设备的位置、网络流量、电力供应以及布线管道的防火、防水、通风等因素。
3. 管理系统综合布线系统的管理系统是保障系统可靠性和运行稳定性的关键。
管理系统应包括硬件和软件两个部分。
硬件部分主要包括管理服务器、网络交换机、监控器等设备;软件部分主要包括管理软件、监控软件和维护软件。
4. 安全系统安全系统是综合布线系统技术方案中的重要组成部分。
安全系统应包括网络安全和系统安全。
网络安全主要包括数据加密、身份认证、访问控制等技术措施;系统安全主要包括视频监控、安全报警、消防报警、紧急停放等措施。
三、技术方案优势1. 网络集成-综合布线系统可以统一管理各类信息设备,实现跨平台、跨界面、跨应用的集成。
智能家居综合布线系统组成及解决方案随着物联网的兴起,越来越多的人开始关注智能家居系统。
智能家居系统可以使家庭更加舒适、便捷、安全等,同时还可以提高家庭的能源利用效率、减少浪费,达到节能的目的。
智能家居系统实现的关键之一,是智能家居综合布线系统。
本文将从系统组成和解决方案两个方面探讨智能家居综合布线系统。
一、系统组成智能家居综合布线系统包括六个基本组成部分:中央控制设备、智能终端设备、传输介质、光纤光源、布线系统和配套软件。
1.中央控制设备:这是智能家居系统的“大脑”,主要是负责处理来自各个智能终端设备的信号,实现智能家居的功能。
中央控制设备一般采用微型电脑、控制器等高性能处理器件,可以对家庭各处的智能终端设备进行统一控制。
2.智能终端设备:智能家居系统中的所有智能设备都称为智能终端设备,主要包括灯具、窗帘、空调、电视等各种家居设备。
这些家庭设备都需要配备智能化电子控制器,用于与中央控制设备进行通信。
通过与中央控制设备的通信,智能终端设备可以接收信号下达控制指令,从而实现家庭智能化控制。
3.传输介质:信息传输是智能家居综合布线系统的重要组成部分,传输介质主要是指网络传输介质。
以太网、蓝牙、WIFI等技术都可以作为智能家居系统的传输介质。
传输介质的选择应根据实际家庭需求和通信距离来进行评估和选择。
4.光纤光源:在智能家居综合布线系统中,光纤光源是一个重要的组成部分。
光纤光源可以为家庭带来更快、更高效、更稳定的数据传输和通讯,保证了智能家居系统的稳定性和可靠性。
5.布线系统:智能家居系统中的布线系统主要用于智能家居综合布线,通过连接各种智能设备,实现家庭智能化控制。
布线系统应该根据不同的家庭需求进行设计和方案选择。
6.配套软件:智能家居系统配套软件是智能家居系统的重要组成部分,主要用于中央控制设备的操作和管理。
这个配套软件可以与智能家居终端设备进行通信,实现家庭智能化控制。
二、解决方案智能家居综合布线系统解决方案,应基于实际家庭需求进行设计和选择。
家居装修布线先行详解家庭综合布线系统方案现在的家居装修布线可是一个大的工程项目,除了要布设电线、电视有线电缆和电话线、音响线、视频线等,越来越多的电脑玩家家中的网络布线则是少不了的。
如果不是专业的技术人员,这 么多的线缆要理顺一个头序就不是一件简单的事情了, 况且在以后的居室使用过程中还要考虑使用的方便、安全和美观。
笔者估计数年后,没有家庭网络综合布线系统的房子,就如同现在水电没有 认真规划的房子一样过时,到处是线缆缠绕在一起,真是“剪不断、理还乱”。
如何在装修的时候 就将这些在专业上被称为“弱电”的各种线缆(也要包括电源线一起)统一规划在一个有序的状态 下,日益成为现代家居装修的一件大事。
通常装修工程一旦行动起来就事务繁杂,以至我们对这综合布线这方面不能(或者说没有)给 予足够的重视。
施工方就更不用说了,现在的装修市场上仅有极少数的施工队伍能有专业电工为您 提供正规的电气施工。
如果这些隐蔽工程上处理不当,而您又没有监查到位的话,就会给将来入住 后的使用带来不少的烦恼和遗憾,甚至是不可挽回的损失。
所以我们有必要了解和掌握一些家居网 络综合布线方面的知识,以免以后吃亏后悔。
我相信每个人都不想因为忘记在关键位置安装一个插 座或连接一段电缆,而在自己刚刚装修的新家中开墙凿壁,劳神费力吧。
、家庭网络综合布线系统家庭综合布线系统是指将电视、电话、电脑网络、多媒体影音中心、自动报警装置等设计进行集中控制的电子系统,即家庭中由这些线缆连接的设备都可由一个设备集中控制了,以前它们可是“各自为政”的。
因为与提供电能的系统不同(如电源线),由于它们传输电压不高(一般在 12V 左右),故像这类线缆组成的系统被称为弱电布线系统。
一般的综合布线系统主要由信息接入箱、 信号线和信号端口组成,如果将综合布线系统比作家居的神经系统,信息接入箱就是大脑,而信号 线和信号端口就是神经和神经末梢。
信息配线箱的作用是控制输入和输出的电子信号。
综合布线系统解决方案
《综合布线系统解决方案》
现今的办公环境和家庭环境中,越来越多的设备需要联网和互联,如电脑、电话、摄像头、打印机等。
为了满足这些设备的网络连接需求,综合布线系统成为了解决方案的首选。
综合布线系统是一种将各种声音、数据和视频信号通过统一的电缆系统进行传输的技术。
它能够将各种不同类型的设备统一联接在同一系统下,实现设备间的互联和数据传输。
而且,综合布线系统还具有灵活性强、安装维护成本低等优势,受到了越来越多企业和家庭用户的青睐。
在企业环境中,综合布线系统解决方案能够为办公室提供高效的通信和联网设施。
不论是小型办公室还是大型企业,都可以通过综合布线系统来连接各种设备,提高办公效率和工作质量。
而且,综合布线系统还能够随着企业的发展而灵活扩展,为企业节省了更多的成本和资源。
在家庭环境中,综合布线系统解决方案同样能够为家庭提供便捷的网络连接和娱乐设施。
家庭网络、智能家居、监控系统等都可以通过综合布线系统来实现联接和控制,提高家庭生活的品质和便利程度。
总之,综合布线系统解决方案已经成为了现代化办公和家庭环境中不可或缺的一部分。
它能够满足各种不同的设备连接需求,提高网络通信的效率和质量,为用户带来便捷和舒适的使用体
验。
随着科技的不断发展,综合布线系统解决方案还会不断完善和创新,为人们的生活带来更多的便利和惊喜。
家庭综合布线设计方案引言家庭综合布线设计方案是为了满足家庭网络、电视、电话等各种通信和娱乐需求而制定的一套规范。
本文将从家庭网络、电视接口、电话线路三个方面介绍具体的设计方案。
1. 家庭网络在如今的信息时代,稳定和高速的家庭网络已经成为了家庭生活的重要组成部分。
为了实现一个高效的家庭网络,我们采用了以下策略:1.1 有线网络有线网络是保证网络速度和稳定性的重要手段。
在家庭综合布线设计中,我们将在每个主要房间和办公室区域预留至少两个有线网络接口,例如RJ45接口。
这些接口将通过墙壁底部的管道连接到一个中央网络交换机,从而形成一个统一且可管理的网络。
1.2 无线网络无线网络可以允许用户在家庭中的任何地方使用移动设备进行上网。
为了实现全覆盖的无线网络,我们将在各个房间之间设置无线接入点,以确保无线信号的强度和稳定性。
同时,我们将合理选择无线路由器,并采用多台路由器组成一个网状网络,以增强信号覆盖范围和减少信号死角。
2. 电视接口电视是家庭娱乐的重要组成部分之一,因此在家庭综合布线设计中,我们采用以下策略来满足电视接口的需求:2.1 电视信号输入为了方便接收电视信号,我们将在各个主要房间设置分布式的电视信号源接口。
具体地,在客厅、主卧室和次卧室等位置将设有电视信号源插座,并通过电缆、卫星或其他数字信号源输入。
这样可以方便家庭成员在不同的房间观看电视节目。
2.2 电视信号连接为了保证电视信号的质量和稳定性,我们将使用高质量的同轴电缆来连接电视信号源和电视机。
在综合布线设计中,会在墙壁后方留有相应的槽口或线管用于电缆敷设。
这样可以避免电缆的凌乱和暴露,从而提高整体装修的美观性。
3. 电话线路尽管如今手机的普及率越来越高,但在某些情况下,家庭电话仍然是不可或缺的。
为了设计一个方便可靠的电话线路系统,我们采用以下策略:3.1 固定电话线路在家庭综合布线设计中,我们会在每个主要的房间预留一个固定电话插座,以方便固定电话的使用。
家庭综合布线工程施工方案第一章综述一、项目概况家庭综合布线工程是指在家庭建筑内进行的有线网络、电话、电视、音频、视频等信息传输线路的安装和布线工程。
本方案旨在对家庭综合布线工程施工进行规范化和系统化管理,确保施工质量,满足用户需求。
二、项目背景随着信息化时代的到来,家庭信息网络设备的普及和多样化,家庭综合布线工程越来越成为家庭建设的重要组成部分。
而由于家庭综合布线工程具有空间广泛、设备复杂、工程施工周期短等特点,因此对施工方案的规范和施工质量的控制也就显得尤为重要。
三、工程内容本项目的主要工程内容包括室内网络布线、电话线路布线、电视线路布线、音频线路布线、视频线路布线等内容。
其中室内网络布线是家庭综合布线工程的核心,其施工质量对家庭网络的稳定运行有着至关重要的影响。
四、工程目标本次家庭综合布线工程的主要目标是通过合理的布线设计和规范的施工操作,确保家庭网络和通信设备的良好使用效果,满足用户对于信息传输、通信和娱乐的需求。
第二章施工前准备一、技术准备1. 确保施工技术人员持有相关证书并具有一定的施工经验;2. 对施工人员进行相关技术培训,提高施工人员的专业水平;3. 了解并熟悉家庭综合布线工程的相关技术标准和规范。
二、物资准备1. 准备好质量合格的网络线、电话线、电视线、音频线、视频线等布线材料;2. 确保备齐必要的施工工具和设备,如电工工具、布线工具、安全防护用品等。
三、施工条件准备1. 安排好施工进度和人员分工,确保施工队伍的协调配合和施工进度的合理安排;2. 设计合理的施工方案和工程施工图纸,确保施工过程中的施工质量和效率;3. 合理安排施工组织和人员管理,确保施工安全和文明施工。
第三章施工流程一、施工前的准备工作1. 开展施工前的交底工作,明确各项施工内容和施工要求;2. 对施工现场进行勘察,了解施工环境和施工条件;3. 安排好施工队伍和施工人员的分工和岗位职责。
二、室内网络布线工程1. 进行室内网络布线前的准备工作,包括准确计算和确定需布线房间的布线点位和线缆使用长度等;2. 按照布线方案的设计要求进行墙槽开凿、线管敷设、插座安装等施工作业;3. 对布线的网络线缆进行测试和标识,确保网络线路的通畅和稳定。
家庭综合布线系统工程方案随着家庭科技的发展,越来越多的家庭需要部署综合布线系统来满足各种数字化设备和智能家居设备的需求。
综合布线系统是一种集成了数据、语音、视频等多种传输功能的系统,它可以为家庭提供网络连接、智能设备控制、家庭影院等多种功能。
本文将介绍一种针对家庭综合布线系统的工程方案,旨在为家庭提供更便捷、高效的数字生活体验。
二、系统设计1. 系统结构家庭综合布线系统由主控制器、网络设备、数据线路、多媒体设备和智能控制设备等组成。
主控制器作为系统的核心,负责整体设备的调度和控制,网络设备提供网络连接,数据线路为各种设备提供数据传输通道,多媒体设备为家庭提供音视频娱乐功能,智能控制设备用于实现家居自动化控制。
2. 系统功能家庭综合布线系统的功能包括网络连接、多媒体娱乐、智能控制等多种功能。
网络连接功能可以为家庭提供稳定可靠的网络连接,满足各种智能设备的联网需求;多媒体娱乐功能可以实现家庭影院、音乐播放等娱乐功能;智能控制功能可以实现家居照明、空调、安防等设备的远程控制。
三、系统实现1. 网络连接网络连接是家庭综合布线系统的基础功能,它可以通过有线网络和无线网络两种方式实现。
有线网络采用高品质的光纤和网线进行布线连接,以满足大数据传输和网络稳定性要求;无线网络可以采用Wi-Fi技术进行覆盖,以满足家庭各个角落的网络需求。
2. 多媒体设备多媒体设备是家庭综合布线系统的重要组成部分,它可以实现高清影院、音乐播放等多种娱乐功能。
多媒体设备一般包括家庭影院设备、音响设备、投影仪等,其中家庭影院设备可以实现高清影视播放、舒适的观影体验;音响设备可以实现音乐播放、舒缓的音乐氛围。
3. 智能控制设备智能控制设备可以实现家居设备的远程控制和自动化控制,它一般包括智能灯具、智能空调、智能安防设备等。
智能控制设备可以通过手机App或语音控制实现智能化操作,提高家庭的舒适性和便利性。
四、系统布线1. 网络布线家庭综合布线系统的网络布线是整个系统的基础,它需采用高品质的光纤和网线进行布线连接,以满足大数据传输和网络稳定性要求。
XX小区家居布线系统方案家居布线系统是指将电力、通信、安防等功能的线路布置在住宅或办公室的墙壁、地板、天花板中,以满足家庭各种用电、通信和安防等需求的系统。
XX小区作为一个现代化住宅小区,需要一个高效、安全、便捷的家居布线系统方案来满足居民的需求。
首先,家居布线系统中最重要的一项是电力系统。
为了满足居民的用电需求,我们建议在每个住宅中设立一个主电箱,并根据居民的用电设备数量和功率需求,设置相应的分电箱。
在电线布线方面,可以使用铜质导线来保证电力的传输效率,并且采用明线制布线,以便于维修和检修。
其次,通信系统在现代社会是必不可少的一项功能。
我们建议在每个住宅中设置一个宽带接入点,以便于居民接入互联网。
同时,可以在每个房间中设置网线接口和电视线接口,便于居民在各个房间内接入网络和电视信号。
此外,可以在小区中设置无线信号增强器,以确保整个小区的无线网络信号覆盖。
另外,安防系统也是家居布线系统中的重要部分。
我们建议在小区入口处安装监控摄像头,以确保小区的安全。
在每个住宅中,可以设置门磁报警器、烟感报警器等安防设备,确保居民的安全。
同时,可以在小区中设立一个安防监控中心,对小区内的安全情况进行监控和处理。
此外,还可以考虑在家居布线系统中加入智能家居系统。
智能家居系统可以通过手机或其他智能设备控制家中的灯光、电器、窗帘等设备,提供更加智能、便捷的家居体验。
可以通过布线连接各个设备,或者采用无线方式连接。
对于XX小区这样一个大型住宅小区,我们建议按照楼宇进行分组,每栋楼按照层数进行楼层分组。
每个楼层的电力系统、通信系统和安防系统可以独立设置,并与楼栋的主电箱进行连接。
每个楼栋的主电箱可以连接到小区的总电源线路上,确保整个小区的电力供应稳定可靠。
在家居布线系统的实施过程中,需要充分考虑到住宅的使用需求和居民的生活习惯。
可以在住宅的不同区域设置不同的功能区域,例如客厅、卧室、厨房等,以便于居民的使用。
同时,还应该考虑到未来可能的扩建和改建,留有足够的余量和预留接口,以便于后续的维护和升级。
现在的家居装修布线可是一个大的工程项目,除了要布设电线、电视有线电缆和电话线、音响线、视频线等,越来越多的电脑玩家家中的网络布线则是少不了的。
如果不是专业的技术人员,这么多的线缆要理顺一个头序就不是一件简单的事情了,况且在以后的居室使用过程中还要考虑使用的方便、安全和美观。
笔者估计数年后,没有家庭网络综合布线系统的房子,就如同现在水电没有认真规划的房子一样过时,到处是线缆缠绕在一起,真是“剪不断、理还乱”。
如何在装修的时候就将这些在专业上被称为“弱电”的各种线缆(也要包括电源线一起)统一规划在一个有序的状态下,日益成为现代家居装修的一件大事。
通常装修工程一旦行动起来就事务繁杂,以至我们对这综合布线这方面不能(或者说没有)给予足够的重视。
施工方就更不用说了,现在的装修市场上仅有极少数的施工队伍能有专业电工为您提供正规的电气施工。
如果这些隐蔽工程上处理不当,而您又没有监查到位的话,就会给将来入住后的使用带来不少的烦恼和遗憾,甚至是不可挽回的损失。
所以我们有必要了解和掌握一些家居网络综合布线方面的知识,以免以后吃亏后悔。
我相信每个人都不想因为忘记在关键位置安装一个插座或连接一段电缆,而在自己刚刚装修的新家中开墙凿壁,劳神费力吧。
一、家庭网络综合布线系统家庭综合布线系统是指将电视、电话、电脑网络、多媒体影音中心、自动报警装置等设计进行集中控制的电子系统,即家庭中由这些线缆连接的设备都可由一个设备集中控制了,以前它们可是“各自为政”的。
因为与提供电能的系统不同(如电源线),由于它们传输电压不高(一般在12V左右),故像这类线缆组成的系统被称为弱电布线系统。
一般的综合布线系统主要由信息接入箱、信号线和信号端口组成,如果将综合布线系统比作家居的神经系统,信息接入箱就是大脑,而信号线和信号端口就是神经和神经末梢。
信息配线箱的作用是控制输入和输出的电子信号。
信号线传输电子信号。
信号端口接驳终端设备。
如:电视机、电话、电脑等。
一般比较初级的信息接入箱至少能控制有线电视信号(当然包括卫星电视)、电话语音信号和网络数字信号这三种电子信号(不然要它干什么用);而较高级的配线箱则能控制视频、音频(或AV)信号,如果您所在的社区提供相应的服务,还可实现电子监控、自动报警、远程抄水电煤气表等一系列功能。
一个典型的家用综合布线系统的组成示意图如下图一所示:图1:家用综合布线系统示意图该系统是一个包括有分布装置以及各种线缆以及各个信息出口的标准接插件的集成,各部件采用模块化设计和分层星形拓朴结构,各个功能模块和线路相对独立,单个家电设备或线路出现故障,不会影响其它家电的使用。
家用综合布线管理系统的分布装置主要由监控模块、电脑模块、电话模块、电视模块、影音模块及扩展接口等组成,功能上主要有接入、分配、转接和维护管理。
根据用户的实际需求,可以灵活组合、使用,从而支持电话/传真、上网、有线电视、家庭影院、音乐欣赏、视频点播、消防报警、安全防盗、空调自控、照明控制、煤气泄露报警和水/电/煤气三表自动抄送(后两项功能需要社区能提供相应的服务)等各种应用。
打个比方说,家用综合布线系统就是一个智能家居住宅的“神经系统”,住宅中的所有电器设备都可通过它来统一控制。
简单来说就是一个统一管理及使用电话、电脑、电视机、影碟机、安全设备、防盗设备、水/电/气自动抄表设备和未来其他信息家电的综合弱电布线系统。
二、综合布线是家庭装修的发展趋势现在有许多地方都在建立社区宽带网或城域宽带网,将使有线电视网、计算机网、电话网三网合一,为大众提供集成的服务。
而随着生活水平的不断提高,现代家庭娱乐、通信、安全防护的需求不断增长和提出更高的要求,笔记本的逐步普及,人们在家中的各个房间都要能上网,可在家办公,自动化控制各种家用电器设备,这都需要有统一的家庭网络。
家庭综合布线就成为迫切的需求,所以使用规范的家用布线系统逐渐成为继水、电、气之后第四种必不可少的家庭基础设施。
随着人们生活水平的进一步提高,在不久的将来,估计没有使用家庭综合布线的房屋就会象没有通水、通电、通气一样不可思议了,家庭布线会变得和水、电、气一样必不可少。
在现代家庭中,弱电线缆越来越多:如果家中拥有几台电脑的话,互连的网络线更是不少。
这些往往给家庭带来线太多、太乱的烦恼,如果使用家用综合布线管理系统预先暗埋全部弱电线缆,则可省去了以后拉明线的麻烦,又能保证了家庭装修的美观和一致。
随着宽带网络的迅速发展和普及,如今在国内许多城市开通的宽带IP城域网或宽带信息化社区已开始走进普通家庭中了。
不过现在的像这样的宽带应用仅仅是提供“宽带到户”的选择,而只有解决了家庭的弱电布线,才能算是真正彻底解决了“宽带到桌面”的问题,随着计算机技术、通讯技术、自动化技术等多学科的发展和相互融合,家庭将在不远的将来真正实现智能化,利用住户家庭内的电话、电视、计算机等工具通过家用综合布线管理系统将电、水、气等设备连成一体,并与互联网相连,从而达到自主控制、管理并实现如家庭防盗、防灾、报警,通过互联网遥控家电等强大的功能,并且随着网络综合业务的发展,将会实现如VOD视频点播,网上购物,SOHO家庭办公,远程教育,远程医疗等,使家庭能真正高享受的工作、学习和娱乐,因此,以家用综合布线管理系统为基础所构建的家庭网络应该包括宽带互联网,家庭互联网和家庭控制网络等几方面,三者之间的关系是:宽带互联网是家庭对外的桥梁,实现与外界的沟通和互动,家庭互联网则是信息家电的网络基础并与互联网能很好的连接,控制网络则对各种家电设备进行控制,起到前两个网络的补充作用。
家庭在进行综合布线时,要有一定的超前意识,将家庭的三个网络预先建立,以迎接即将到来的家庭智能化。
总体来说,与传统的布线方式比较,采用家用综合布线系统进行家居布线起码具有如下的几点优势:1、规范施工,能确保质量和性能;2、采用统一控制和管理,在以后的日常生活中,使用、管理和维修十分方便;3、系统兼容性很好,无论选择哪家的网络布线设备,都可提供支持;4、扩展性强,能灵活组合,所有的“信息点”都是通用的,增加新的设备或家电,可以马上接通使用。
采用家用综合布线管理系统一方面满足了当前的需求,另外也完全能适应未来智能化家居生活的需要。
三、综合布线工程实例以一套四房两厅两卫的户型为例,在规划方案中整个居室中信息点有35个,信息面板28个,各种规格线缆若干。
具体分布如下图二所示。
图2:各信息点与面板的分布这套方案可实现的功能如下:1、客厅、主卧、书房、儿童房均安装有线电视接口,可以单独观看有线电视节目。
2、凡有AV出口的地方可以同时共享一台影碟机(录像机/VCD/DVD)和一台卫星电视接收机。
这样就可减少影碟机的购置费用,从而降低影碟机更新换代的成本;可减少影碟机的放置空间,也不用频繁移动影碟机;还有一个优点是家长还可控制节目源,防止未成年儿童在房内看不健康内容,其播发内容受父母控制;另外可通过该音视频系统向所有房间播发卫星电视节目。
3、可以通过主卧、书房、儿童房的遥控接收装置控制客厅内的音响、影碟机、电动窗帘等可遥控设备。
如:您可在主卧室内用遥控器控制客厅影碟机的播放菜单。
4、客厅、主卧、书房、儿童房、厨房等均有五类网络线到达,可选择在不同的位置上网;也为网络家电的接入使用预留了接口。
通过网络交换机,可组成家庭局域网,从而实现资源共享,网络游戏等功能,当然我们还可设定为多个应用设备同时上网(假如您有能上网的冰箱的话)。
书房中留有有线插孔,不但可以使用电脑来看电视,以后还说不定要使用Cable Modem呢。
5、客厅、主卧、书房、儿童房、厨房、公卫均接入电话。
通过程控电话交换机,各分机之间可实现内部通话、转接、代接;可设置电脑话务员功能;主话机可对其他分机进行功能限制等许多功能。
我们甚至可以做到有人打电话来的时候听到的是“您好,这里是※※※※的家,客厅请按1,厕所请按2,……查号请拨0……”的效果,保证主人在房间的任何位置,两步之内都可以接到电话。
6、用户可随时按需对每条线路进行调整及管理。
例如:家长可以随时切断任何一条线路的输出,以确保学童在学习时间内不能使用电话、电视、计算机等;可将某条线路由电话改为数据,从而改变了使用功能等等。
不过,这样的综合布线管理系统可没有控制传统冰箱、洗衣机的能耐,布线方案里涉及到的家电只有:电脑、投影仪(或电视机)、电话、电动屏幕、电视天线、电动窗帘、影碟机等。
如果选择成型的信息家电与智能家庭系统连接,包括网络家电(如海尔的网络冰箱、网络微波炉等)则可实现整个居室的集中控制。
1、工程前期准备工程前期的准备对整个工程来说至关重要。
从电器的摆放设计到布线的设计及施工,一点马虎不得,所以,我们首先需要做的就是画一个居室的平面图,然后将所有计划好的信息点标识在图上,之后将需要连通的线画到图中,并粗略计算出各种线缆的长度(有个原则是宁可长不可短)。
物料的购买以PVC管材和各种线材为主,线材的要求:结实、质量好。
网线,这个当然不用说,不管以后是否需要1000M的速度,最好购买超5类双绞线,电话线就直接用双绞线代替了。
因为各种线缆要预埋在地下或墙体内长期使用,无法随意更换,因此,线缆的质量就显得尤为重要,切勿贪图一时省钱,而应从正规渠道购买线缆,以避免后患。
如果家装预算不够宽裕,在采购家居综合布线管理系统时,可以先安一个标准型“智能家居分线箱”,并规划、铺好足够的线路,组建起基础的智能家居布线系统,这样既可以马上使用,将来还可以方便地更换、配置功能更强大的智能分线箱。
各家量力而行,家庭智能化建设应本着“实用为主,适当超前”的原则,根据实际需求和消费能力,选择解决方案。
2、开始工程施工按照我们的预想,将所有需要准备的线材购置回来进行分类,然后在线材的两端贴上相应的标签(这很重要)。
之后我们将走在一个路线上的线材进行分类,之后你就会得到简简单单的几捆线,并按照你的计划将它们安排好就行了。
至于把综合布线管理系统放置在家中哪个位置,那就随大家的方便了,安置在书房中也可以,或者隐蔽在客厅的角落中也行。
在这里特意提醒大家,布线的时候难免要在墙上、地上打孔凿槽,但是为了您和他人的安全,这项工作最好按照物业部门的规定进行。
要注意,卫生间里的电话线出口一定要靠近马桶,不然就没有意义了(厕所安电话还不是为了在解决内急的时候不用急着出去接电话呀)。
穿线前一定要检查线材的连通状况,穿进去才发现不通就麻烦了。
另外还有一点需要注意,最好所有的接头都在最后制作,很多特种接头,在穿线之前最多只能做出一个头,如果两个都做出来就穿不过去了。
像计算机的网络线等专业线材的接头制作,最好请专业人士帮忙。
在装修工程完成后,那么可以进行各种设备的连接了。
我们需要准备的工具除了钳子改锥之外还要有安装电话线水晶头的专业线钳、安装网线水晶头的专业线钳。