001-DQ2.3.3 建筑照明通电试运行记录1
- 格式:xls
- 大小:20.00 KB
- 文档页数:48
建筑物照明通电试运行记录日期:20XX年XX月XX日地点:XXXX建筑物参与人员:工程师、技术人员、施工人员1.灯具接线检查在照明灯具安装完成后,首先进行了灯具接线检查。
工程师和技术人员对每个灯具的电线进行了仔细检查,确保接线正确,没有漏接或者接反的情况。
2.供电系统检查接线检查完毕后,我们对供电系统进行了检查。
技术人员检查了配电箱的接线情况,确保电源的正常供电。
同时,还检查了电源线的接地,以确保安全。
3.开关检查我们对每个照明灯具的开关进行了检查。
工程师和技术人员确保开关的正常工作,能够灵活控制灯具的开关状态。
4.灯具通电试运行接下来,我们进行了灯具的通电试运行。
在确保安全的情况下,工程师和技术人员一起操作开关,将灯具逐一通电。
同时,观察灯具的亮度、照明范围等参数,确保每个灯具的正常工作。
5.调整灯具角度和光线方向在灯具通电试运行的过程中,我们注意到有些灯具的照明范围不够广,有些灯具的光线方向不够准确。
因此,我们对这些问题进行了调整。
技术人员使用调节工具,调整了灯具的角度和光线方向,以确保照明效果达到最佳状态。
6.整体照明效果评估试运行完成后,我们对整个建筑物的照明效果进行了评估。
工程师和技术人员巡视了整个建筑物,观察了灯具的亮度、照明范围、光线均匀度等参数。
同时,也听取了施工人员和其它参与人员的意见和建议。
7.问题记录和整改在试运行过程中,我们发现了一些问题,例如灯具亮度不够、光线方向不准确、照明范围不够广等。
我们将这些问题记录下来,并制定了整改方案。
工程师和技术人员与施工人员进行了沟通,确保问题能够及时得到解决。
8.试运行总结最后,我们进行了试运行的总结。
工程师和技术人员对照明系统的安装和试运行过程进行了回顾,总结了一些经验和教训。
同时,也对整个团队的工作进行了肯定和表扬。
以上是建筑物照明通电试运行的记录。
通过这次试运行,我们确保了灯具的正常工作,同时也发现了一些问题并进行了整改。
这将为建筑物的正式使用提供有力的保证。
建筑物照明通电试运行记录1. 试运行概述本文档记录了建筑物照明系统的通电试运行过程和结果。
通电试运行是为了检查建筑物照明系统的功能是否正常,以及确保照明设备的安全和有效运行。
通过试运行,可以发现和解决照明系统中可能存在的问题,并为正式投入使用做好准备。
2. 试运行过程2.1 准备工作在试运行之前,应确保以下准备工作已完成:•安装好所有照明设备,包括灯具、开关等。
•连接好所有的电源线路,并确保其与照明设备相匹配。
•检查所有的电源线路是否符合电气安全标准,并做好绝缘保护。
2.2 试运行步骤2.2.1 逐级通电按照从低电压到高电压的顺序,逐级通电试运行。
首先通电低压设备,再通电中压电设备,最后通电高压设备。
每一级通电后,检查照明设备是否正常运行,是否存在明显故障。
2.2.2 检查照明强度和均匀度在试运行过程中,使用光度计和照度计等测量设备,对照明强度和均匀度进行测试和记录。
通过测量结果,可以评估照明系统的性能是否达到设计要求。
2.2.3 检查开关和控制系统在试运行过程中,测试和检查所有的开关和控制系统,包括手动开关、自动感应开关、远程控制系统等。
确保开关和控制系统的正常操作,并记录任何异常或故障现象。
2.2.4 检查安全保护措施试运行过程中,检查建筑物照明系统的安全保护措施是否齐全有效。
包括过载保护、短路保护、漏电保护等。
确保系统可以及时发现和切断故障电路,保证用电安全。
3. 试运行结果经过试运行,建筑物照明系统运行良好,各项指标符合设计要求。
照明强度和均匀度符合规范要求,开关和控制系统正常工作,安全保护措施有效。
4. 问题和改进意见在试运行过程中存在以下问题和改进意见:•部分灯具亮度不均匀,可能与安装位置有关,建议重新调整灯具位置,确保照明均匀度。
•部分开关操作有卡顿现象,可能与开关质量有关,建议更换开关。
•部分照明设备在长时间运行后发热较大,可能存在散热问题,建议增加散热措施。
以上问题和改进意见将在后续工作中进行处理和改进。
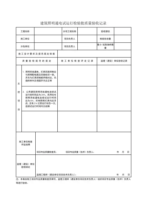
DQ2.13建筑照明通电试运行记录建设单位苏州久阳房地产开发有限公司工程名称田林湖景二期工程116#楼系统名称照明通电试运行施工单位上海安德坊建筑设计有限公司序号试运行要求部位检查情况应急回路普通回路1配电箱内各分路开关应有明显标志,熔丝及过流装置符合设计要求正常正常2开关灵活接点接触可靠,控制相线切断位置一致正常正常3各分路及灯具数答合图纸要求漏电开关试跳、复位动作可靠正常正常4 各照明电路应测量电流,三相供电的三相电流应基本平衡,连续试运行时间内应无故障。
正常正常5单相插座应逐个用试验插座检查符合要求正常正常6试亮后不应出现接触不良、灯光闪烁等异常情况正常正常7通风排风扇、吊扇声音正常,无不平衡晃动等情况试运行系统方框图:试运行情况:配电箱内开关动作正常,照明开关控制相线,切断位置一致,照明灯具工作正常无闪烁。
插座接线正确,通电试运行时间8小时,每2小时记录一次,共4次连续试运行时间内无故障。
施工技术负责人:质检员:试验人:年月日验收意见:专业监理工程师:(建设单位项目负责人) 年月日通电试运行前检查分回路试通电故障检查整改系统通电连续试运建设单位苏州久阳房地产开发有限公司工程名称田林湖景二期工程115#楼系统名称照明通电试运行施工单位上海萧视设计装饰有限公司序号试运行要求部位检查情况应急回路普通回路1配电箱内各分路开关应有明显标志,熔丝及过流装置符合设计要求正常正常2开关灵活接点接触可靠,控制相线切断位置一致正常正常3各分路及灯具数答合图纸要求漏电开关试跳、复位动作可靠正常正常4 各照明电路应测量电流,三相供电的三相电流应基本平衡,连续试运行时间内应无故障。
正常正常5单相插座应逐个用试验插座检查符合要求正常正常6试亮后不应出现接触不良、灯光闪烁等异常情况正常正常7通风排风扇、吊扇声音正常,无不平衡晃动等情况试运行系统方框图:试运行情况:配电箱内开关动作正常,照明开关控制相线,切断位置一致,照明灯具工作正常无闪烁。
建筑物照明通电试运行记录
建筑物照明通电试运行记录
建筑物照明通电试运行记录
建筑物照明通电试运行记录
建筑物照明通电试运行记录
建筑物照明通电试运行记录
建筑物照明通电试运行记录
建筑物照明通电试运行记录
建筑物照明通电试运行记录
建筑物照明通电试运行记录
建筑物照明通电试运行记录
建筑物照明通电试运行记录
建筑物照明通电试运行记录
建筑物照明通电试运行记录
建筑物照明通电试运行记录
建筑物照明通电试运行记录
建筑物照明通电试运行记录
建筑物照明通电试运行记录
建筑物照明通电试运行记录
建筑物照明通电试运行记录
GD2302034□□
建筑物照明通电试运行记录
建筑物照明通电试运行记录
建筑物照明通电试运行记录
建筑物照明通电试运行记录
建筑物照明通电试运行记录
建筑物照明通电试运行记录
建筑物照明通电试运行记录
建筑物照明通电试运行记录
建筑物照明通电试运行记录
建筑物照明通电试运行记录
建筑物照明通电试运行记录
建筑物照明通电试运行记录
建筑物照明通电试运行记录
建筑物照明通电试运行记录
建筑物照明通电试运行记录
建筑物照明通电试运行记录
建筑物照明通电试运行记录
建筑物照明通电试运行记录
建筑物照明通电试运行记录
建筑物照明通电试运行记录
建筑物照明通电试运行记录
GD2302034□□
建筑物照明通电试运行记录
建筑物照明通电试运行记录
建筑物照明通电试运行记录
建筑物照明通电试运行记录。
(建筑工程管理)建筑物照明通电试运行记录(综合楼)建筑物照明通电试运行记录GD2302034□□建筑物照明通电试运行记录GD2302034□□建筑物照明通电试运行记录GD2302034□□建筑物照明通电试运行记录GD2302034□□建筑物照明通电试运行记录GD2302034□□建筑物照明通电试运行记录GD2302034□□建筑物照明通电试运行记录GD2302034□□建筑物照明通电试运行记录GD2302034□□建筑物照明通电试运行记录GD2302034□□建筑物照明通电试运行记录GD2302034□□建筑物照明通电试运行记录GD2302034□□建筑物照明通电试运行记录GD2302034□□建筑物照明通电试运行记录GD2302034□□建筑物照明通电试运行记录GD2302034□□建筑物照明通电试运行记录GD2302034□□建筑物照明通电试运行记录GD2302034□□建筑物照明通电试运行记录GD2302034□□建筑物照明通电试运行记录GD2302034□□建筑物照明通电试运行记录GD2302034□□建筑物照明通电试运行记录GD2302034□□建筑物照明通电试运行记录GD2302034□□建筑物照明通电试运行记录GD2302034□□建筑物照明通电试运行记录GD2302034□□建筑物照明通电试运行记录GD2302034□□建筑物照明通电试运行记录GD2302034□□建筑物照明通电试运行记录GD2302034□□建筑物照明通电试运行记录GD2302034□□建筑物照明通电试运行记录GD2302034□□建筑物照明通电试运行记录GD2302034□□建筑物照明通电试运行记录GD2302034□□建筑物照明通电试运行记录GD2302034□□建筑物照明通电试运行记录GD2302034□□建筑物照明通电试运行记录GD2302034□□。