化学锚栓计算
- 格式:docx
- 大小:82.15 KB
- 文档页数:16
航天三院三十三所导航楼幕墙及钢结构雨棚工程化学锚栓拉拔力确认北京建磊国际装饰工程股份有限公司2015年8月1一、荷载计算1、风荷载标准值计算Wk : 作用在幕墙上的风荷载标准值(kN/m 2) z : 计算高度25mμz : 25m 高处风压高度变化系数(按B 类区计算): (GB50009-2012 条文说明8.2.1) μz =1×(z 10)0.3=1.31638I10: 10米高名义湍流度,对应A 、B 、C 、D 类地面粗糙度,分别取0.12、0.14、0.23、0.39。
(GB50009-2012 条文说明8.4.6)βgz : 阵风系数 : (GB50009-2012 8.1.1-2) β gz = 1 + 2×g ×I 10×(z 10)(-α) (GB50009-2012 条文说明8.6.1)= 1 + 2×2.5×0.14×(2510)(-0.15)= 1.61011 μ sp1:局部正风压体型系数μ sn1:局部负风压体型系数,通过计算确定μ sz :建筑物表面正压区体型系数,按照(GB50009-2012 8.3.3)取1 μsf :建筑物表面负压区体型系数,按照(GB50009-2012 8.3.3-2)取-1对于封闭式建筑物,考虑内表面压力,按照(GB50009-2012 8.3.5)取-0.2或0.2 Av :立柱构件从属面积取6m 2Ah :横梁构件从属面积取1m 2μ sa :维护构件面板的局部体型系数 μs1z =μsz +0.2 =1.2 μs1f =μsf -0.2 =-1.2维护构件从属面积大于或等于25m 2的体型系数计算μs25z =μsz ×0.8+0.2 (GB50009-2012 8.3.4) =1μs25f =μsf ×0.8-0.2 (GB50009-2012 8.3.4) =-1对于直接承受荷载的面板而言,不需折减有 μ saz =1.2 μ saf =-1.2同样,取立柱面积对数线性插值计算得到 μ savz =μ sz +(μ sz ×0.8-μ sz )×log(Av )1.4+0.2=1+(0.8-1)×0.7781511.4+0.2=1.08884μ savf =μ sf +(μ sf ×0.8-μ sf )×log(A v )1.4-0.2=-1+((-0.8)-(-1))×0.7781511.4-0.2=-1.08884 按照以上计算得到 对于面板有: μsp1=1.2 μ sn1=-1.2 对于立柱有: μ svp1=1.08884 μ svn1=-1.08884 对于横梁有: μ shp1=1.2 μ shn1=-1.2面板正风压风荷载标准值计算如下Wkp =βgz ×μsp1×μz ×W0 (GB50009-2012 8.1.1-2)=1.61011×1.2×1.31638×0.45=1.14454 kN/m 2面板负风压风荷载标准值计算如下W kn =β gz ×μ sn1×μ z ×W0 (GB50009-2012 8.1.1-2) =1.61011×(-1.2)×1.31638×0.45=-1.14454 kN/m 2同样,立柱正风压风荷载标准值计算如下W kvp =β gz ×μ svp1×μ z ×W0 (GB50009-2012 8.1.1-2) =1.61011×1.08884×1.31638×0.45=1.03851 kN/m 2立柱负风压风荷载标准值计算如下W kvn =β gz ×μ svn1×μ z ×W0 (GB50009-2012 8.1.1-2) =-1.03851 kN/m 2同样,横梁正风压风荷载标准值计算如下W khp =β gz ×μ shp1×μ z ×W0 (GB50009-2012 8.1.1-2) =1.14454 kN/m 2横梁负风压风荷载标准值计算如下W khn =β gz ×μ shn1×μ z ×W0 (GB50009-2012 8.1.1-2) =-1.14454 kN/m 22、风荷载设计值计算W: 风荷载设计值: kN/m 2γw : 风荷载作用效应的分项系数:1.4按《玻璃幕墙工程技术规范》JGJ 102-2003 5.4.2条规定采用 面板风荷载作用计算Wp=γw ×Wkp=1.4×1.14454=1.60236kN/m 2Wn=γw ×Wkn=1.4×(-1.14454)=-1.60236kN/m 2立柱风荷载作用计算Wvp=γw ×Wkvp=1.4×1.03851=1.45392kN/m 2Wvn=γw ×Wkvn=1.4×(-1.03851)=-1.45392kN/m 2横梁风荷载作用计算Whp=γw ×Wkhp=1.4×1.14454=1.60236kN/m 2Whn=γw ×Wkhn=1.4×(-1.14454)=-1.60236kN/m 23、水平地震作用计算GAK: 面板平米重量取0.7kN/m 2αmax: 水平地震影响系数最大值:0.16qEk: 分布水平地震作用标准值(kN/m 2)qEk=βE×αmax×GAK (JGJ102-2003 5.3.4)=5×0.16×0.7=0.56kN/m2rE: 地震作用分项系数: 1.3qEA: 分布水平地震作用设计值(kN/m2)qEA=rE×qEk=1.3×0.56=0.728kN/m24、荷载组合计算幕墙承受的荷载作用组合计算,按照规范,考虑正风压、地震荷载组合: Szkp=Wkp=1.14454kN/m2Szp=Wkp×γw+qEk×γE×ψE=1.14454×1.4+0.56×1.3×0.5=1.96636kN/m2考虑负风压、地震荷载组合:Szkn=Wkn=-1.14454kN/m2Szn=Wkn×γw-qEk×γE×ψE=-1.14454×1.4-0.56×1.3×0.5=-1.96636kN/m2综合以上计算,取绝对值最大的荷载进行强度演算采用面板荷载组合标准值为1.14454kN/m2面板荷载组合设计值为1.96636kN/m2立柱承受风荷载标准值为1.03851kN/m2横梁承受风荷载标准值为1.14454kN/m2二、化学锚栓计算1、锚栓计算信息描述V: 剪力设计值:V=4290N水平剪力设计值Vh = 0NN: 法向力设计值:N=732.586Ne2: 锚栓中心与锚板平面距离: 215mmMy: 弯矩设计值(N.mm):My=V×e2=4290×215=922350N.mmT: 扭矩设计值(N.mm): 0N.mm锚栓直径: 12mm锚栓底板孔径: 13mm锚栓处混凝土开孔直径: 14mm 锚栓有效锚固深度: 120mm锚栓底部混凝土级别: 混凝土-C35 底部混凝土为开裂混凝土 底部混凝土基材厚度: 400mm 混凝土开裂及边缘配筋情况: 1锚栓锚固区混凝土配筋描述: 其它情况2、锚栓承受拉力计算锚栓布置示意图如下:1234705010050705505020050550300200化学锚栓布置示意图d :锚栓直径12mm df:锚栓底板孔径13mm在拉力和弯矩共同作用下,锚栓群有两种可能的受力形式。
m20化学螺栓锚固深度摘要:1.化学螺栓概述2.锚固深度的定义和作用3.M20化学螺栓的锚固深度计算4.影响锚固深度因素的分析5.提高锚固深度的方法6.总结正文:【化学螺栓概述】化学螺栓,又称化学锚栓,是一种通过化学粘接剂将螺栓与混凝土或其他建筑材料牢固固定的锚栓。
在建筑、桥梁等工程结构中,化学螺栓被广泛应用于幕墙、悬挂结构、预埋件等的固定。
【锚固深度的定义和作用】锚固深度是指化学螺栓在混凝土中的嵌入长度。
它是影响化学螺栓锚固性能的关键参数,直接关系到整个结构的稳定性和安全性。
锚固深度越大,承载力越高,抗拉拔性能越好。
【M20化学螺栓的锚固深度计算】M20化学螺栓的锚固深度计算公式为:D = (0.6-0.7)d,其中D为锚固深度,d为螺栓直径。
例如,当螺栓直径为20mm时,锚固深度D约为12-14mm。
【影响锚固深度因素的分析】1.混凝土强度:混凝土强度越高,锚固深度要求越大。
2.螺栓直径:螺栓直径越大,锚固深度也应相应增加。
3.安装环境:在振动、高温、潮湿等恶劣环境下,需要增加锚固深度以保证螺栓的稳定性。
4.设计要求:根据结构设计要求,合理选择锚固深度。
【提高锚固深度的方法】1.增加化学螺栓的数量:在保证结构稳定的前提下,增加螺栓数量可以提高锚固性能。
2.选用高性能粘接剂:优质粘接剂可以提高锚固深度和抗拉拔性能。
3.优化设计:根据实际工程需求,合理选择螺栓直径、长度和布置方式,以提高锚固深度。
4.加强施工质量控制:严格把控施工工艺,确保锚固深度符合设计要求。
【总结】M20化学螺栓的锚固深度在保证结构稳定和安全的前提下,应根据混凝土强度、螺栓直径、安装环境和设计要求等因素综合考虑。
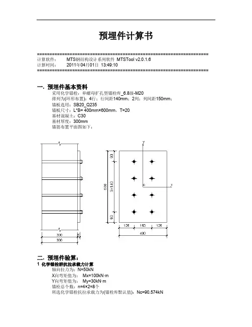
预埋件计算书==================================================================== 计算软件:MTS钢结构设计系列软件MTSTool v2.0.1.6计算时间:2011年04月01日13:49:10====================================================================一. 预埋件基本资料采用化学锚栓:单螺母扩孔型锚栓库_6.8级-M20排列为(环形布置):4行;行间距140mm;2列;列间距150mm;锚板选用:SB20_Q235锚板尺寸:L*B= 400mm×600mm,T=20基材混凝土:C30基材厚度:300mm锚筋布置平面图如下:二. 预埋件验算:1 化学锚栓群抗拉承载力计算轴向拉力为:N=50kNX向弯矩值为:Mx=100kN·mY向弯矩值为:My=30kN·m锚栓总个数:n=4×2=8个所选化学锚栓抗拉承载力为(锚栓库默认值):Nc=90.574kN承载力降低系数为:0.7实际抗拉承载力取为:Nc=90.574×0.7=63.402这里要考虑抗震组合工况:γRE=0.85故有允许抗拉承载力值为:Nc=63.402/γRE=74.59kN故有:0 < 74.59kN,满足2 化学锚栓群抗剪承载力计算X方向剪力:Vx=60kNY方向剪力:Vy=190kN扭矩:T=30kN·mX方向受剪锚栓个数:n x=8个Y方向受剪锚栓个数:n y=8个剪切荷载通过受剪化学锚栓群形心时,受剪化学锚栓的受力应按下式确定:V ix V=V x/n x=60000/8=7500×10-3=7.5kNV iy V=V y/n y=190000/8=23750×10-3=23.75kN化学锚栓群在扭矩T作用下,各受剪化学锚栓的受力应按下列公式确定:V ix T=T*y i/(Σx i2+Σy i2)V iy T=T*x i/(Σx i2+Σy i2)化学锚栓群在剪力和扭矩的共同作用下,各受剪化学锚栓的受力应按下式确定:V iδ=[(V ix V+V ix T)2+(V iy V+V iy T)2]0.5结合上面已经求出的剪力作用下的单个化学锚栓剪力值及上面在扭矩作用下的单个锚栓剪力值公式分别对化学锚栓群中(边角)锚栓进行合成后的剪力进行计算(边角锚栓存在最大合成剪力):取4个边角化学锚栓中合剪力最大者为:V iδ=[(7500+3663.43)2+(23750+1308.368)2]0.5=27.433kN所选化学锚栓抗剪承载力为(锚栓库默认值):Vc=53.855kN承载力降低系数为:0.7实际抗剪承载力取为:Vc=53.855×0.7=37.698这里要考虑抗震组合工况:γRE=0.85故有允许抗剪承载力值为:Vc=37698.272/0.85=44.351kN故有:V iδ=27.433kN < 44.351kN,满足3 化学锚栓群在拉剪共同作用下计算当化学锚栓连接承受拉力和剪力复合作用时,混凝土承载力应符合下列公式:(βN)2+(βV)2≤1式中:βN=N h/Nc=0/106.557=0βV=V iδ/Vc=39.189/63.358=0.6185故有:(βN)2+(βV)2=02+0.61852=0.3826 ≤1 ,满足三. 预埋件构造验算:锚固长度限值计算:锚固长度为300,最小限值为160,满足!锚板厚度限值计算:按《混凝土结构设计规范2002版》10.9.6规定,锚板厚度宜大于锚筋直径的0.6倍,故取锚板厚度限值:T=0.6×d=0.6×20=12mm锚筋间距b取为列间距,b=150 mm锚筋的间距:b=150mm,按规范且有受拉和受弯预埋件的锚板厚度尚宜大于b/8=18.75mm, 故取锚板厚度限值:T=150/8=18.75mm锚板厚度为20,最小限值为18.75,满足!行间距为140,最小限值为120,满足!列边距为150,最小限值为60,满足!行边距为90,最小限值为40,满足!列边距为125,最小限值为40,满足!。
化学锚栓计算书一、拉弯作用下,单根锚栓最大拉力设计值12iMy N n y -≥∑0 (5.2.2-1) 形心点取锚栓中心y1=0.240m V=45kNM=45×0.25=11.25kN ▪m N=44kN224411.250.24840.0840.24⨯-=⨯+⨯ 5.5-17.6<0 12h sd i My N N n y =+∑(5.2.2-2) 不满足公式5.2.2-1()/1/2hsd iNL M y N y +=∑(5.2.2-3) =()()2224424011.251000480248023202160⨯+⨯⨯=⨯+⨯+⨯14.6kN 二、部分锚栓受拉,群锚受拉区总拉力设计值(按6根锚栓受拉,2根锚栓受剪)g sd si N N =∑ (5.2.3-1)//1/h si sd i N N y y = (5.2.3-2)2s N =14.6×320/480=9.73kN 3s N =14.6×160/480=4.86kNg sd N =14.6×2+9.73×2+4.86×2=58.38kN三、混凝土锥体破坏受拉承载力设计值,,Rc,/Rd c Rk c N N N =γ (6.1.3-1)根据表4.3.10 按非结构构件考虑 Rc,N γ=1.8对于开裂混凝土,混凝土标号C60,hef=180mm0 1.5,Rk c ef N = (6.1.3-3) =127.6kN,0,,,,,0,c N Rk c Rk c s N re N ec N c N A N N A ψψψ= (6.1.3-2)0,c N A =2,cr N s (6.1.4)0,c N A =660×660=435600mm 2,c N A =()()11,22,0.50.5cr N cr N C S S C S S ++++ (6.1.5-4)1S =220mm,2S =320mm1C =,cr N C =330, 1.5cr N C hef ==1.5×220=330mm=(330+220+330)(330+320+330)=880×980=862400 mm 2,0,c Nc N A A =1.98,s N ψ=0.7+0.3,cr N C C (6.1.6) ,s N ψ=1 C =,cr N C,re N ψ=0.5+200efh (6.1.7) ,re N ψ=0.5+220/200>1, ,re N ψ=1,ec N ψ=,112/N cr N e s + (6.1.8)N e =53.33mm ,ec N ψ=11253.33/660+⨯=0.86 ,Rk c N =127.6×1.98×0.86=217.3kN重要性系数 0γ=1.1 (4.3.3) ,Rd c N =217.3/1.8=120.7kN>1.1×58.38kN=64.2kN四、混凝土边缘破坏受剪承载力(4锚栓受剪) ,,,/Rd c Rk c Rc V V V γ= (6.1.18-1),0,,,,,,,0,c v Rd c Rk c s v h v v re v ec v c v A V V A αψψψψψ= (6.1.18-2)对于开裂混凝土0 1.5,11.35Rk c efV d h αβ= (6.1.19-1) C60,hef=180mm ,1c =270α=0.1()0.51/ef h c (6.1.19-3) β=0.1()0.21/d c (6.1.19-4) α=0.1()0.5180/270=0.082 β=0.1()0.220/270=0.059 0,Rk c V =1.35×0.082 1.520180=78.53kN 0,c v A =4.521c =328050,c v A =(1.51c +2s +2c )h h=300>1.5×180=270 取h=270 2c =1.51c =405 2s =220 ,c v A =270×(405+220+405)=278100,0,c vc v A A =278100/328050=0.85,s v ψ=0.7+0.3211.5c c (6.1.19) ,s v ψ=1,h v ψ=()0.511.5/c h ,h v ψ=1,v αψ=1,re v ψ=1.2,ec v ψ=1112/3v e c + v e =0 ,Rd c V =78.53×1.2×0.85=80.1kN 非结构构件,Rc V γ=1.5重要性系数 0γ=1.1 (4.3.3) ,Rd c V =80.1/1.5=53.4>1.1×45=49.5kN。
化学锚栓设计值与拉拔值化学锚栓是一种用于固定和连接建筑物结构的设备,常用于混凝土结构中。
化学锚栓设计值和拉拔值是两个重要的参数,用于评估锚栓的强度和抗拉性能。
本文将重点介绍化学锚栓设计值和拉拔值的概念、计算方法以及其在实际工程中的应用。
一、化学锚栓设计值的概念和计算方法化学锚栓设计值是指根据建筑结构和锚栓的材料特性,经过力学计算和工程经验确定的最大允许荷载。
它是保证锚栓在正常使用条件下不发生破坏的重要依据。
化学锚栓设计值的计算方法通常包括以下几个步骤:1. 确定锚栓的材料特性,包括抗拉强度、抗剪强度、抗剪变形能力等。
这些参数通常由锚栓的制造商提供。
2. 根据锚栓的使用条件和受力情况,确定适当的安全系数。
常见的安全系数为4-6倍。
3. 根据力学原理和公式,计算出化学锚栓的设计值。
计算中需要考虑各种受力情况,如拉力、剪力、弯曲力等。
二、化学锚栓拉拔值的概念和计算方法化学锚栓拉拔值是指锚栓在抗拉性能方面的最大承载力。
它是评估锚栓抗拉能力的重要指标。
化学锚栓拉拔值的计算方法通常包括以下几个步骤:1. 根据化学锚栓的材料特性和尺寸,确定其抗拉强度。
抗拉强度是指锚栓在受拉力作用下的最大承载能力。
2. 根据工程实际需要和安全要求,确定化学锚栓的安全系数。
安全系数一般为4-6倍。
3. 根据拉拔载荷的大小和锚栓的尺寸,计算出化学锚栓的拉拔值。
计算中需要考虑锚栓的几何形状、材料特性以及受力情况。
三、化学锚栓设计值和拉拔值的应用化学锚栓设计值和拉拔值在实际工程中具有重要的应用价值。
它们可以用于以下几个方面:1. 设计和选择化学锚栓:通过计算和比较不同材料和尺寸的化学锚栓的设计值和拉拔值,可以选择合适的锚栓类型和规格,以满足工程的要求。
2. 评估化学锚栓的可靠性:通过比较化学锚栓的设计值和拉拔值与实际荷载的大小,可以评估锚栓的可靠性和安全性,避免发生锚栓失效的风险。
3. 检测和维护化学锚栓:通过对化学锚栓进行定期检测和维护,可以及时发现和修复可能存在的问题,确保锚栓的正常使用和安全运行。
化学锚栓计算:采用四个5.6级斯泰NG-M12×110粘接型(化学)锚栓后锚固,h ef =110mm ,A S =58mm 2,f u =500N/mm 2,f y =300N/mm 2。
荷载大小:N=5.544KNV=2.074KN锚栓钢材受拉破坏承载力标准值:,5850029000Rk s s stk N A f ==⨯=N锚栓钢材破坏受拉承载力分项系数:锚栓钢材破坏时受拉承载力设计值:,,,29000145002.0Rk sRd s RS N N N γ===N >hSd N =2216N锚栓钢材受拉承载力满足规范要求!2、混凝土锥体受拉破坏承载力锚固区基材为开裂混凝土。
单根锚栓理想混凝土锥体破坏时的受拉承载力标准值:,,12/120ec N N cr N e s ++⨯0N e =开裂混凝土, 1.0ucr N ψ=单根锚栓受拉,混凝土理想化破坏锥体投影面面积:s 1=100mm <,取,180cr Ns mm =s 1=100mm s 2=200mm >,180cr N s mm =,取s 2=180mmc 1=150mm >,90mm cr N c =,取c 1=90mm ,c 2=90mm 群锚受拉,混凝土破坏锥体投影面面积,c N A :=100800mm 2混凝土锥体破坏时的受拉承载力分项系数,, 2.15Rc N γ=群锚混凝土锥体受拉破坏时的受拉承载力标准值:单根锚栓理想混凝土锥体破坏时的受拉承载力标准值:=8248.64N群锚混凝土锥体受拉破坏时的受拉承载力标准值:=17138.84N混凝土劈裂破坏受拉承载力标准值:,,, 1.517138.8425708.26Rk sp h sp Rk c N N ψ==⨯=N,,/25708.26/2.1511957.33Rd sp Rk sp Rsp N N γ===N >N=5544N混凝土劈裂破坏承载力满足规范要求!4、锚栓钢材受剪破坏承载力锚栓钢材破坏时的受剪承载力标准值:,0.50.55850014500Rk s s stk V A f ==⨯⨯=N荷载偏心对群锚受剪承载力的降低影响系数,ec v ψ:未开裂混凝土及锚固区配筋对受剪承载力的提高系数,ucr v ψ: 单根锚栓受剪,混凝土破坏楔形体在侧面的投影面面积:022,14.5 4.59036450c V A c ==⨯=mm 2群锚受剪,混凝土破坏楔形体在侧面的投影面积:,122(1.5)(1.59020090)250106250c V A c s c h =++=⨯++⨯=mm 2群锚混凝土楔形体破坏时的受剪承载力标准值:=16901.79N混凝土楔形体受剪承载能力分项系数:群锚混凝土楔形体破坏时的受剪承载力设计值:,,,/16901.79/1.89389.88Rd c Rk c Rc V V V γ===混凝土破坏:1.5 1.5 1.5 1.5,,55442074((((0.5469548.819389.88h h Sd Sd Rd s Rd s N V N V +=+=<1.0 综上所述,后置埋件的承载力满足规范要求!>>As=58f_stk=500N_RKs=As*f_stkf_yk=300N_RdS=N_RKs/gamma_RSNh_ef=110h_ef1=h_ef-30f_cuk=35N_RKc0=(3.0*(h_ef-30)^1.5)*sqrt(f_cuk)S_crN=3*h_ef1C_crN=1.5*h_ef1C_crsp=2*h_ef1C=120psi_sN=0.7+(0.3*c)/C_crNpsi_reN=0.5+h_ef1/200N_RKc=(N_RKc0*A_cN*psi_sN*psi_reN*psi_ecN*psi_ucrN)/A_cN0N_RKsp=psi_hsp*N_RKcgamma_Rsp=2.15N_Rdsp=N_RKsp/gamma_Rspgamma_Rsv=(1.2*f_stk)/f_ykV_Rds=N_RdS/gamma_Rsvc_1=C_crNc_2=C_crNl_f=90d_nom=12V_RKc0=0.45*sqrt(d_nom)*(90/60)^(0.2)*sqrt(f_cuk)*c_1^(1.5)psi_hv=((1.5*c_1)/h)^(1/3)psi_alphav=1.0e_v=225psi_ecv=1/(1+(2*e_v)/(3*c_1))psi_ucrv=1A_cV0=4.5*(c_1^2)A_cV=(1.5*c_1+s_2+c_2)*hV_RKc=(V_RKc0*A_cV*psi_sv*psi_hv*psi_ecv*psi_ucrv)/A_cV0gamma_Rev=1.8V_Rdc=V_RKc/gamma_Revh_ef=110f_cuk=35N_RKc0=1.2700e+04S_crN=240C_crN=120C_crsp=160C=psi_sN= 0.9750 psi_reN= 0.9000 e_N=s_crN=180 psi_ecN=1psi_ucrN=160s_crsp=320s_1=120s_2=120A_cN0= 102400 A_cN= 160000500psi_hsp=1.7286N_RKc0= 1.2700e+04N_RKc= 1.7412e+04 N_RKsp= 3.0099e+04 gamma_Rsp=2.1500psi_ecv=0.4444 psi_ucrv=1A_cV0=64800A_cV=210000V_RKc= 1.2124e+04 gamma_Rev=V_Rdc=6.7353e+03>V_sdh=5.9934e+03(混凝土碶形体受剪破坏承载力)h_ef=110K=2V_RKcp=3.4825e+04>V_sdh=5.9934e+03(混凝土剪撬破坏承载力标准值)gamma_Rcp=1.8000V_Rdcp=。
化学锚栓计算:采用四个级斯泰NG-M12 X 110粘接型(化学)锚栓后锚固,h ef=110mm , A s=58mm2, 2f u=500N/mm ,f y=300N/mm 2。
荷载大小:N= KNV= KNM=X = KN •、锚栓内力分析1、受力最大锚栓的拉力设计值因为 N如5.544 1 030.166 1 06 50=556 N>0n y ;42 2 500故,群锚中受力最大锚栓的拉力设计值:N My !— 2 n y i 5.544 1 03 0.166 1 06504 2 2 502=2216 N2、承受剪力最大锚栓的剪力设计值化学锚栓有效锚固深度:h ef = h ef -30=60 mm锚栓与混凝土基材边缘的距离 c=150 mm v 10 £ =10X 60=600 mm,因此四个锚栓中只有部分锚栓承受剪切荷载。
承受剪力最大锚栓的剪力设计值:V Sd V =2074/2=1037 N2二、锚固承载力计算1、锚栓钢材受拉破坏承载力锚栓钢材受拉破坏承载力标准值:N R " A s f stk 58 500 29000 N锚栓钢材破坏受拉承载力分项系数:锚栓钢材受拉承载力满足规范要求!2、混凝土锥体受拉破坏承载力锚固区基材为开裂混凝土。
单根锚栓理想混凝土锥体破坏时的受拉承载力标准值:h Sd锚栓钢材破坏时受拉承载力设计值:NRd,sN Rk,s29000 RS,N2.01450°N> N Sd =2216 N混凝土锥体破坏情况下,确保每根锚栓受拉承载力标准值的临界间距:混凝土锥体破坏情况下,确保每根锚栓受拉承载力标准值的临界边距:c cr ,N 1.5h ef 1.5 (90 30) 90mm基材混凝土劈裂破坏的临界边距:C cr,sp 2 (90 30) 120mm则,o=150 mm> c cr ,N 90 mm 取 c 1=90 mm 边距c 对受拉承载力降低影响系数:c0.7 0.3 ——ccr ,N900.7 0.3 ——90 =表层混凝土因密集配筋的剥离作用对受拉承载力降低影响系数:荷载偏心对受拉承载力的降低影响系数:开裂混凝土U cr,N1.0单根锚栓受拉,混凝土理想化破坏锥体投影面面积:A 0,NS ;N 180232400mm 2N 03.0(h ef 30)1-\'f cu,kRk,c ec,N12e N /S cr,N1 2 01.0其中,e N 0Scr ,N3hef3 (90 30) 180mms,Nh efre- °5莎0590 30 200S 1=100 mm< ,取 s cr ,N 180mm s 1=!00 mmS 2=200 mm> s cr ,N180mm ,取 S 2=180 mmC 1=150 mm> C cr, N90mm,取 C 1=90 mm, C 2=90 mm群锚受拉,混凝土破坏锥体投影面面积A c , N :(90 100 0.5 180)(90 180 0.5 180)=100800 mm 2混凝土锥体破坏时的受拉承载力分项系数,Rc,N2.15群锚混凝土锥体受拉破坏时的受拉承载力标准值:群锚混凝土锥体受拉破坏时的受拉承载力设计值:混凝土锥体受拉承载力满足规范要求!3、混凝土劈裂破坏承载力基材混凝土劈裂破坏的临界边距:c cr,sp 2h ef2 (90 30) 120mm则,C 1=150 mm>C cr ,s p120mm ,取 C 1=120 mm, C 2=120 mmNRd,CNRk,CRc,N20529.95 2.159548.85> N =5544 NA c,N(C1°・5Scr,N)(C2S 2 °・5Scr,N )NRk,cNRk,c A c,NA 0,Ns,N re,N ec,N ucr ,N8248.64100800 324001.0 0.8 1.0 1.0S cr,sp 2C cr,sp 2 120 240mmS 1=100 mm< s cr,sp240mm,取 S 1=100 mmS 2=200 mm>S cr ,sp 240mm ,取 S 2=200 mmA 0,N s ;,sp 240257600mm 2A c,N(c1s i 0.5s^r ,sp)(c 2s2(120 100 0.5 240) (120 200 0.5 240)2=149600 mm构件厚度h 对劈裂承载力的影响系数:2 2sp此…鶴L ,取h,sp1.5单根锚栓理想混凝土锥体破坏时的受拉承载力标准值:混凝土劈裂破坏受拉承载力设计值:N Rd,sp N Rk,sp / Rsp 25708.26/2.15 11957.330.5S cr, sp )N :,c 3.0(^30)1.53.0 (90 30)1.5「35群锚混凝土锥体受拉破坏时的受拉承载力标准值:N N 0Rk,cRk,c 0 s,N re,N ec,NAc,N1496008248.641.0 0.8 1.0 1.057600ucr, N混凝土劈裂破坏受拉承载力标准值:N Rk,sph,sp N Rk,c1.5 1713 25708.26cu ,k,v -边距与构件厚度比C i /h 对受剪承载力的提高影响系数:h,v(¥)1/3(兽)1/3 0.814V 1, 取 h ,v 1.0剪力与垂直于构件自由边方向轴线之夹角a 对受剪承载力的影响系数 因为a =0°,因此,v1.0。
化学锚栓计算化学锚栓是一种用于固定建筑物或结构的螺栓,其材料通常由钢或其他合金制成。
由于其在工程中的重要性,设计和计算化学锚栓很关键,以确保建筑物或结构的稳定性和安全性。
化学锚栓的计算涉及许多因素,包括材料的强度和刚度、锚栓的几何形状和尺寸、被固定物的特性等。
以下是一些常用的化学锚栓计算方法和注意事项:1.材料强度计算:化学锚栓的强度是设计中的一个重要参数。
通常使用建筑材料的抗拉强度和抗剪强度来计算化学锚栓的承载能力。
根据锚栓的几何形状和尺寸,可以使用不同的公式来计算其强度。
2.锚栓几何形状和尺寸计算:化学锚栓的几何形状和尺寸也是计算中的关键因素。
常见的几何形状包括螺纹型、耳型和钩型。
根据被固定物的特性和工程要求,可以选择适当的锚栓几何形状和尺寸。
3.锚栓连接强度计算:在计算化学锚栓时,需要考虑连接的强度。
这包括锚栓与被固定物的接触面积、接触面的摩擦系数和锚栓的刚度等。
这些参数可以通过实验或经验公式来确定。
4.考虑动静载荷:在计算化学锚栓时,需要考虑锚栓在静态和动态载荷下的承载能力。
这可以通过分析锚栓在不同荷载下的应力和变形来实现。
在实际工程中,通常采用剪力试验和拉伸试验来评估化学锚栓的静态和动态承载能力。
5.考虑安装的影响:在设计化学锚栓时,需要考虑安装的影响。
安装过程中的错误或不当操作可能会导致化学锚栓的弱点和缺陷。
因此,在计算化学锚栓时,需要考虑锚栓的安装方式和过程。
化学锚栓的计算和设计是一个复杂的过程,需要综合考虑材料、几何形状、连接强度、荷载条件和安装等因素。
准确计算和设计化学锚栓可以确保建筑物或结构的稳定性和安全性,避免潜在的风险和事故。
因此,在进行化学锚栓计算时,需要充分了解这些因素,并根据实际情况进行合理的计算和设计。
化学锚栓计算WEIHUA system office room 【WEIHUA 16H-WEIHUA WEIHUA8Q8-化学锚栓计算:采用四个级斯泰NG-M12×110粘接型(化学)锚栓后锚固,h ef=110mm,A S=58mm2,f u=500N/mm2 ,f y=300N/mm2。
荷载大小:N= KNV= KNM=×= KN·m一、锚栓内力分析1、受力最大锚栓的拉力设计值因为361221 5.544100.166105042250My N n y ⨯⨯⨯-=-⨯⨯∑=556 N >0 故,群锚中受力最大锚栓的拉力设计值:12ih Sd My NN n y =+∑ 3625.544100.166105042250⨯⨯⨯=+⨯⨯ =2216 N2、承受剪力最大锚栓的剪力设计值化学锚栓有效锚固深度:ef h '=ef h -30=60 mm锚栓与混凝土基材边缘的距离c=150 mm <10ef h '=10×60=600 mm ,因此四个锚栓中只有部分锚栓承受剪切荷载。
承受剪力最大锚栓的剪力设计值:2hSd VV ==2074/2=1037 N 二、锚固承载力计算1、锚栓钢材受拉破坏承载力 锚栓钢材受拉破坏承载力标准值: ,5850029000Rk s s stk N A f ==⨯=N锚栓钢材破坏受拉承载力分项系数:锚栓钢材破坏时受拉承载力设计值:,,,29000145002.0Rk sRd sRS NN N γ===N >h SdN=2216 N锚栓钢材受拉承载力满足规范要求! 2、混凝土锥体受拉破坏承载力 锚固区基材为开裂混凝土。
单根锚栓理想混凝土锥体破坏时的受拉承载力标准值:= N混凝土锥体破坏情况下,确保每根锚栓受拉承载力标准值的临界间距: ,33(9030)180mm cr Nef s h '==⨯-=混凝土锥体破坏情况下,确保每根锚栓受拉承载力标准值的临界边距: , 1.5 1.5(9030)90mm cr N ef c h '==⨯-= 基材混凝土劈裂破坏的临界边距: ,22(9030)120mm cr spef c h '==⨯-=则,c 1=150 mm >,90cr N c =mm ,取c 1=90 mm 边距c 对受拉承载力降低影响系数:,,900.70.30.70.390s N cr Nc c ψ=+=+⨯=表层混凝土因密集配筋的剥离作用对受拉承载力降低影响系数:,90300.50.5200200efre Nh ψ-=+=+=荷载偏心对受拉承载力的降低影响系数:,,11 1.012/120ec N N cr Ne s ψ===++⨯其中,0Ne =开裂混凝土, 1.0ucr N ψ=单根锚栓受拉,混凝土理想化破坏锥体投影面面积:0222,,18032400mm c N cr NA s === s 1=100 mm <,取,180cr N smm =s 1=100 mms 2=200 mm >,180cr Ns mm =,取s 2=180 mmc 1=150 mm >,90mm cr Nc=,取c 1=90 mm ,c 2=90 mm群锚受拉,混凝土破坏锥体投影面面积,c N A :,11,22,(c 0.5)(0.5)c N cr N cr N A s s c s s =++++(901000.5180)(901800.5180)=++⨯++⨯=100800 mm 2混凝土锥体破坏时的受拉承载力分项系数,, 2.15Rc N γ=群锚混凝土锥体受拉破坏时的受拉承载力标准值:,0,,,,,,0,c N Rk c Rk cs N re N ec N ucr N c NA N NAψψψψ=1008008248.64 1.00.8 1.0 1.032400=⨯⨯⨯⨯⨯ = N群锚混凝土锥体受拉破坏时的受拉承载力设计值:,,,20529.959548.812.15Rk cRd c Rc NN N γ===N >N=5544 N混凝土锥体受拉承载力满足规范要求! 3、混凝土劈裂破坏承载力基材混凝土劈裂破坏的临界边距: ,22(9030)120mm cr spef c h '==⨯-=则,c 1=150 mm >,120mm cr sp c =,取c 1=120 mm ,c 2=120 mm,,22120240mm cr sp cr sp s c ==⨯=s 1=100 mm <,240cr sp smm =,取s 1=100 mms 2=200 mm >,240cr sps mm =,取s 2=200 mm0222,,24057600mm c N cr spA s === ,11,22,(c 0.5)(0.5)c N cr sp cr sp A s s c s s =++++(1201000.5240)(1202000.5240)=++⨯⨯++⨯=149600 mm 2构件厚度h 对劈裂承载力的影响系数:2233h,250()()2260spef h h ψ==⨯=>,取h, 1.5sp ψ= 单根锚栓理想混凝土锥体破坏时的受拉承载力标准值:,0 3.0(30)Rk c efN h =-1.53.0(9030)=⨯- = N群锚混凝土锥体受拉破坏时的受拉承载力标准值:,0,,,,,,0,c N Rk c Rk cs N re N ec N ucr N c NA N NAψψψψ=1496008248.64 1.00.8 1.0 1.057600=⨯⨯⨯⨯⨯ = N混凝土劈裂破坏受拉承载力标准值:,,, 1.517138.8425708.26Rk sp h sp Rk c N N ψ==⨯=N混凝土劈裂破坏受拉承载力设计值:,,/25708.26/2.1511957.33Rd sp Rk sp Rsp N N γ===N >N=5544 N混凝土劈裂破坏承载力满足规范要求! 4、锚栓钢材受剪破坏承载力锚栓钢材破坏时的受剪承载力标准值:,0.50.55850014500Rk s s stk V A f ==⨯⨯=N锚栓钢材受剪承载力分项系数:,5001.2/ 1.22.0300Rv s stkyk f f γ==⨯=锚栓钢材破坏时的受剪承载力设计值:,,,/14500/27250Rd s Rk s Rs v V V N γ===>V=2074 N锚栓钢材受剪承载力满足规范要求! 5、混凝土楔形体受剪破坏承载力取c 1=c 2=,90cr Nc =mm混凝土楔形体破坏时的受剪承载力标准值:,00.2 1.51/)Rk cf nom V l d =0.2 1.50.45(60/10)90== N边距比c 2/c 1对受剪承载力的降低影响系数:2s,1900.70.30.70.30.91.5 1.590vc c ψ=+=+⨯=⨯边距与构件厚度比c 1/h 对受剪承载力的提高影响系数:1/31/31, 1.5 1.590()()0.814250h v c h ψ⨯===<1,取, 1.0h v ψ= 剪力与垂直于构件自由边方向轴线之夹角α对受剪承载力的影响系数,v αψ: 因为α=00,因此, 1.0v αψ=。
化学锚栓埋件的计算化学锚栓是一种通过化学反应,将树脂或膨胀物注入预先钻孔的孔洞中,从而在材料内部形成强大的固定点的连接材料。
它们通常由树脂胶或混凝土中的膨胀物制成。
埋件是通过化学锚栓连接到建筑结构上的固定件。
埋件可以是金属材料,如钢筋或螺栓,也可以是混凝土中的膨胀物。
在计算化学锚栓埋件时,有几个重要的因素需要考虑:1.孔洞尺寸:化学锚栓的尺寸应与孔洞的尺寸匹配,以确保有效的固定。
通常,孔洞的直径应大于锚栓的直径,留出一定的空间以容纳注入的树脂或膨胀物。
2.材料性能:化学锚栓和埋件的材料性能对连接的强度和稳定性有很大影响。
材料的选择应根据具体的应用需求进行。
在计算过程中需要考虑的材料性能包括强度、刚度和耐腐蚀性。
3.荷载要求:根据使用环境和结构要求,计算所需的化学锚栓埋件的承载能力。
这包括静态和动态荷载、水平和垂直荷载等。
4.安装方式:化学锚栓的安装方式也会影响其承载能力。
一般来说,注入树脂的化学锚栓需要更精确和规范的孔洞预处理,以确保树脂能够充分渗透材料并形成强固的固定。
而膨胀物则较容易安装,但通常具有较低的承载能力。
计算化学锚栓埋件的承载能力的方法有很多,常用的方法包括实验测试和理论计算。
实验测试通常通过在实际应用中进行加载试验来确定锚固力,并将测试结果用于设计。
理论计算则是基于力学原理和材料性能,推导出锚固力和承载能力之间的关系。
常用的理论计算方法包括板根、锥头、末端抗拔等方法。
然而,在进行化学锚栓埋件计算时需要格外注意以下几个问题:1.精确的材料性能数据:根据实际应用环境,选择合适的材料性能数据进行计算,以确保计算结果能够反映实际情况。
2.约束条件分析:化学锚栓埋件的承载能力受到约束条件的限制,如侧向约束、边缘距离等,因此需要对这些约束条件进行充分的分析。
3.锚栓布置:在设计化学锚栓埋件时,布置的位置和数量也会对承载能力产生影响。
因此,需要对布置进行合理的设计和计算。
4.安全系数:为了确保结构的安全性和稳定性,在计算化学锚栓埋件的承载能力时,通常需要引入安全系数。
化学锚栓计算文档编制序号:[KKIDT-LLE0828-LLETD298-POI08]化学锚栓计算:采用四个级斯泰NG-M12×110粘接型(化学)锚栓后锚固,h ef =110mm ,A S =58mm 2, f u =500N/mm 2,f y =300N/mm 2。
荷载大小: N= KN V= KN M=×= KN ·m一、锚栓内力分析1、受力最大锚栓的拉力设计值因为361221 5.544100.166105042250My N n y ⨯⨯⨯-=-⨯⨯∑=556 N >0 故,群锚中受力最大锚栓的拉力设计值:=2216 N2、承受剪力最大锚栓的剪力设计值化学锚栓有效锚固深度:ef h '=ef h -30=60 mm锚栓与混凝土基材边缘的距离c=150 mm <10ef h '=10×60=600 mm ,因此四个锚栓中只有部分锚栓承受剪切荷载。
承受剪力最大锚栓的剪力设计值:2hSd VV ==2074/2=1037 N 二、锚固承载力计算1、锚栓钢材受拉破坏承载力 锚栓钢材受拉破坏承载力标准值: ,5850029000Rk s s stk N A f ==⨯=N锚栓钢材破坏受拉承载力分项系数:锚栓钢材破坏时受拉承载力设计值:,,,29000145002.0Rk sRd sRS NN N γ===N >h SdN=2216 N锚栓钢材受拉承载力满足规范要求! 2、混凝土锥体受拉破坏承载力 锚固区基材为开裂混凝土。
单根锚栓理想混凝土锥体破坏时的受拉承载力标准值:= N混凝土锥体破坏情况下,确保每根锚栓受拉承载力标准值的临界间距:混凝土锥体破坏情况下,确保每根锚栓受拉承载力标准值的临界边距: 基材混凝土劈裂破坏的临界边距:则,c 1=150 mm >,90cr N c =mm ,取c 1=90 mm 边距c 对受拉承载力降低影响系数:,,900.70.30.70.390s N cr Nc c ψ=+=+⨯=表层混凝土因密集配筋的剥离作用对受拉承载力降低影响系数:,90300.50.5200200efre Nh ψ-=+=+=荷载偏心对受拉承载力的降低影响系数:,,111.012/120ec N N cr Ne s ψ===++⨯其中,0Ne =开裂混凝土, 1.0ucr N ψ=单根锚栓受拉,混凝土理想化破坏锥体投影面面积:s 1=100 mm <,取,180cr N smm =s 1=100 mms 2=200 mm >,180cr Ns mm =,取s 2=180 mmc 1=150 mm >,90mm cr Nc=,取c 1=90 mm ,c 2=90 mm群锚受拉,混凝土破坏锥体投影面面积,c N A :=100800 mm 2混凝土锥体破坏时的受拉承载力分项系数,, 2.15Rc N γ=群锚混凝土锥体受拉破坏时的受拉承载力标准值:= N群锚混凝土锥体受拉破坏时的受拉承载力设计值:,,,20529.959548.812.15Rk cRd c Rc NN N γ===N >N=5544 N 混凝土锥体受拉承载力满足规范要求! 3、混凝土劈裂破坏承载力 基材混凝土劈裂破坏的临界边距:则,c 1=150 mm >,120mm cr sp c =,取c 1=120 mm ,c 2=120 mms 1=100 mm <,240cr sp smm =,取s 1=100 mms 2=200 mm >,240cr sps mm =,取s 2=200 mm=149600 mm 2构件厚度h 对劈裂承载力的影响系数:2233h,250()()2260spef h h ψ==⨯=>,取h, 1.5sp ψ= 单根锚栓理想混凝土锥体破坏时的受拉承载力标准值: = N群锚混凝土锥体受拉破坏时的受拉承载力标准值:= N混凝土劈裂破坏受拉承载力标准值:,,, 1.517138.8425708.26Rk sp h sp Rk c N N ψ==⨯=N混凝土劈裂破坏受拉承载力设计值:,,/25708.26/2.1511957.33Rd sp Rk sp Rsp N N γ===N >N=5544 N混凝土劈裂破坏承载力满足规范要求! 4、锚栓钢材受剪破坏承载力锚栓钢材破坏时的受剪承载力标准值:,0.50.55850014500Rk s s stk V A f ==⨯⨯=N锚栓钢材受剪承载力分项系数: 锚栓钢材破坏时的受剪承载力设计值:,,,/14500/27250Rd s Rk s Rs v V V N γ===>V=2074 N锚栓钢材受剪承载力满足规范要求!5、混凝土楔形体受剪破坏承载力取c 1=c 2=,90cr Nc =mm混凝土楔形体破坏时的受剪承载力标准值:= N边距比c 2/c 1对受剪承载力的降低影响系数:边距与构件厚度比c 1/h 对受剪承载力的提高影响系数:1/31/31, 1.5 1.590()()0.814250h v c h ψ⨯===<1,取, 1.0h v ψ= 剪力与垂直于构件自由边方向轴线之夹角α对受剪承载力的影响系数,v αψ: 因为α=00,因此, 1.0v αψ=。
化学锚栓计算:采用四个5.6级斯泰NG-M12×110粘接型(化学)锚栓后锚固,h ef =110mm ,A S =58mm 2, f u =500N/mm 2,f y =300N/mm 2。
荷载大小: N=5.544 KN V=2.074 KNM=2.074×0.08=0.166 KN ·m 一、锚栓内力分析1、受力最大锚栓的拉力设计值因为361221 5.544100.166105042250My N n y ⨯⨯⨯-=-⨯⨯∑=556 N >0 故,群锚中受力最大锚栓的拉力设计值:=2216 N2、承受剪力最大锚栓的剪力设计值化学锚栓有效锚固深度:ef h '=ef h -30=60 mm锚栓与混凝土基材边缘的距离c=150 mm <10ef h '=10×60=600 mm ,因此四个锚栓中只有部分锚栓承受剪切荷载。
承受剪力最大锚栓的剪力设计值:2hSd VV ==2074/2=1037 N 二、锚固承载力计算 1、锚栓钢材受拉破坏承载力锚栓钢材受拉破坏承载力标准值:,5850029000Rk s s stk N A f ==⨯=N锚栓钢材破坏受拉承载力分项系数:锚栓钢材破坏时受拉承载力设计值: ,,,29000145002.0Rk sRd sRS NN N γ===N >h SdN=2216 N锚栓钢材受拉承载力满足规范要求! 2、混凝土锥体受拉破坏承载力 锚固区基材为开裂混凝土。
单根锚栓理想混凝土锥体破坏时的受拉承载力标准值:=8248.64 N混凝土锥体破坏情况下,确保每根锚栓受拉承载力标准值的临界间距:混凝土锥体破坏情况下,确保每根锚栓受拉承载力标准值的临界边距: 基材混凝土劈裂破坏的临界边距:则,c 1=150 mm >,90cr N c =mm ,取c 1=90 mm 边距c 对受拉承载力降低影响系数:,,900.70.30.70.390s N cr Nc c ψ=+=+⨯=1.0表层混凝土因密集配筋的剥离作用对受拉承载力降低影响系数:,90300.50.5200200efre Nh ψ-=+=+=0.8荷载偏心对受拉承载力的降低影响系数:,,111.012/120ec N N cr Ne s ψ===++⨯其中,0Ne =开裂混凝土, 1.0ucr N ψ=单根锚栓受拉,混凝土理想化破坏锥体投影面面积: s 1=100 mm <,取,180cr N s mm =s 1=100 mms 2=200 mm >,180cr Ns mm =,取s 2=180 mmc 1=150 mm >,90mm cr N c =,取c 1=90 mm ,c 2=90 mm群锚受拉,混凝土破坏锥体投影面面积,c N A :=100800 mm 2混凝土锥体破坏时的受拉承载力分项系数,, 2.15Rc N γ=群锚混凝土锥体受拉破坏时的受拉承载力标准值:=20529.95 N群锚混凝土锥体受拉破坏时的受拉承载力设计值:,,,20529.959548.812.15Rk cRd c Rc NN N γ===N >N=5544 N 混凝土锥体受拉承载力满足规范要求! 3、混凝土劈裂破坏承载力基材混凝土劈裂破坏的临界边距:则,c 1=150 mm >,120mm cr sp c =,取c 1=120 mm ,c 2=120 mms 1=100 mm <,240cr sp smm =,取s 1=100 mms 2=200 mm >,240cr sps mm =,取s 2=200 mm=149600 mm 2构件厚度h 对劈裂承载力的影响系数:2233h,250()()2260spef h h ψ==⨯=1.631>1.5,取h, 1.5sp ψ= 单根锚栓理想混凝土锥体破坏时的受拉承载力标准值: =8248.64 N群锚混凝土锥体受拉破坏时的受拉承载力标准值:=17138.84 N混凝土劈裂破坏受拉承载力标准值:,,, 1.517138.8425708.26Rk sp h sp Rk c N N ψ==⨯=N混凝土劈裂破坏受拉承载力设计值:,,/25708.26/2.1511957.33Rd sp Rk sp Rsp N N γ===N >N=5544 N混凝土劈裂破坏承载力满足规范要求! 4、锚栓钢材受剪破坏承载力锚栓钢材破坏时的受剪承载力标准值:,0.50.55850014500Rk s s stk V A f ==⨯⨯=N锚栓钢材受剪承载力分项系数: 锚栓钢材破坏时的受剪承载力设计值:,,,/14500/27250Rd s Rk s Rs v V V N γ===>V=2074 N锚栓钢材受剪承载力满足规范要求! 5、混凝土楔形体受剪破坏承载力取c 1=c 2=,90cr Nc =mm混凝土楔形体破坏时的受剪承载力标准值:=10285.86 N边距比c 2/c 1对受剪承载力的降低影响系数:边距与构件厚度比c 1/h 对受剪承载力的提高影响系数:1/31/31, 1.5 1.590()()0.814250h v c h ψ⨯===<1,取, 1.0h v ψ= 剪力与垂直于构件自由边方向轴线之夹角α对受剪承载力的影响系数,v αψ: 因为α=00,因此, 1.0v αψ=。
荷载偏心对群锚受剪承载力的降低影响系数,ec v ψ: 未开裂混凝土及锚固区配筋对受剪承载力的提高系数,ucr v ψ:单根锚栓受剪,混凝土破坏楔形体在侧面的投影面面积:022,14.5 4.59036450c V A c ==⨯=mm2群锚受剪,混凝土破坏楔形体在侧面的投影面积:,122(1.5)(1.59020090)250106250c V A c s c h =++=⨯++⨯=mm 2群锚混凝土楔形体破坏时的受剪承载力标准值:=16901.79 N混凝土楔形体受剪承载能力分项系数: 群锚混凝土楔形体破坏时的受剪承载力设计值:,,,/16901.79/1.89389.88Rd c Rk c Rc V V V γ===N >V=2074 N混凝土楔形体受剪承载力满足规范要求! 6、混凝土剪撬破坏承载能力因为903060mm efh =-=≥60 mm ,故取K=2.0。
混凝土剪撬破坏承载能力标准值:R ,, 2.017138.8434277.68k cp Rk c V kN ==⨯=N混凝土剪撬破坏承载能力分项系数: 混凝土剪撬破坏承载能力设计值:R ,,/34277.68/1.819043.16d cp Rk cp Rcp V V γ===N >V=2074 N混凝土剪撬破坏承载力满足规范要求! 7、拉剪复合受力承载力植筋钢材破坏:2222,,22161037()()()()0.044145007250h h Sd Sd Rd s Rd s N V N V +=+=<1.0 混凝土破坏:1.5 1.5 1.5 1.5,,55442074()()()()0.5469548.819389.88h h Sd Sd Rd s Rd s N V N V +=+=<1.0 综上所述,后置埋件的承载力满足规范要求!f_stk=500N_RKs=As*f_stkf_yk=300gamma_RSN=(1.2*f_stk)/f_ykN_RdS=N_RKs/gamma_RSNh_ef=110h_ef1=h_ef-30f_cuk=35N_RKc0=(3.0*(h_ef-30)^1.5)*sqrt(f_cuk) S_crN=3*h_ef1C_crN=1.5*h_ef1C_crsp=2*h_ef1C=120psi_sN=0.7+(0.3*c)/C_crNpsi_reN=0.5+h_ef1/200e_N=0s_crN=180psi_ecN=1/(1+(2*e_N)/s_crN)psi_ucrN=1S_crN=150A_cN0=S_crN^2s_2=120s_2=120c_1=120c_2=120A_cN=(c_1+s_1+0.5*S_crN)*(c_2+s_2+0.5*S_crN)gamma_RcN=2.15N_RKc=(N_RKc0*A_cN*psi_sN*psi_reN*psi_ecN*psi_ucrN)/A_cN0 N_Rdc=N_RKc/gamma_RcNc_crsp=2*h_ef1s_crsp=2*c_crsps_1=120s_2=120A_cN0=s_crsp^2A_cN=(c_1+s_1+0.5*s_crsp)*(c_2+s_2+0.5*s_crsp)h=500psi_hsp=(h/(2*h_ef))^(2/3)N_RKc0=(3.0*(h_ef-30)^1.5)*sqrt(f_cuk)N_RKc=(N_RKc0*A_cN*psi_sN*psi_reN*psi_ecN*psi_ucrN)/A_cN0 N_RKsp=psi_hsp*N_RKcgamma_Rsp=2.15N_Rdsp=N_RKsp/gamma_Rspgamma_Rsv=(1.2*f_stk)/f_ykV_Rds=N_RdS/gamma_Rsvc_1=C_crNc_2=C_crNl_f=90d_nom=12V_RKc0=0.45*sqrt(d_nom)*(90/60)^(0.2)*sqrt(f_cuk)*c_1^(1.5) psi_sv=0.7+(0.3*c_2)/(1.5*c_1)psi_hv=((1.5*c_1)/h)^(1/3)psi_alphav=1.0e_v=225psi_ecv=1/(1+(2*e_v)/(3*c_1))psi_ucrv=1A_cV0=4.5*(c_1^2)A_cV=(1.5*c_1+s_2+c_2)*hV_RKc=(V_RKc0*A_cV*psi_sv*psi_hv*psi_ecv*psi_ucrv)/A_cV0 gamma_Rev=1.8V_Rdc=V_RKc/gamma_Revh_ef=110K=2V_RKcp=K*N_RKcgamma_Rcp=1.8V_Rdcp=V_RKcp/gamma_RcpN_Sdh=444.83V_Sdh=4846beta=((N_Sdh/N_RdS)^2)+((V_Sdh/V_Rds)^2)beta_1=((N_Sdh/N_RdS)^(3/2))+((V_Sdh/V_Rds)^(3/2))As =58f_stk =500N_RKs =29000f_yk =300gamma_RSN =2N_RdS =14500 >N_ Sdh = 1.2376e+03 (锚栓钢材受拉破坏承载力)h_ef =110h_ef1 =80f_cuk =N_RKc0 =1.2700e+04 S_crN =240C_crN =120C_crsp =160C =120psi_sN =0.9750 psi_reN =0.9000e_N =s_crN =180psi_ecN =1psi_ucrN =S_crN =150A_cN0 =22500 s_1 =120s_2 =120s_2 =120c_1 =120c_2 =120A_cN =99225 gamma_RcN = 2.1500N_RKc =4.9145e+04 N_Rdc =2.2858e+04 >N_ Sdh = 1.2376e+03 (混凝土锥体受拉破坏承载力)c_crsp =160s_crsp =320s_1 =120s_2 =120A_cN0 =102400A_cN =160000h =500psi_hsp =1.7286N_RKc0 =1.2700e+04N_RKc =1.7412e+04N_RKsp =3.0099e+04gamma_Rsp =2.1500N_Rdsp =1.4000e+04 >N_ Sdh = 1.2376e+03 (混凝土劈裂破坏承载力)gamma_Rsv =2V_Rds =7250> V_sdh = 5.9934e+03 (锚栓钢材受剪破坏承载力)c_1 =120c_2 =120l_f =90d_nom =12V_RKc0 =1.3147e+04psi_sv =0.9000psi_hv =0.7114psi_alphav =1e_v =225psi_ecv =0.4444psi_ucrv =1A_cV0 =64800A_cV =210000V_RKc =1.2124e+04gamma_Rev =1.8000V_Rdc =6.7353e+03> V_sdh = 5.9934e+03 (混凝土碶形体受剪破坏承载力)h_ef =110K =2V_RKcp =3.4825e+04> V_sdh = 5.9934e+03 (混凝土剪撬破坏承载力标准值)gamma_Rcp =1.8000V_Rdcp =1.9347e+04N_Sdh =444.8300V_Sdh =4846beta =0.4477<1 (拉剪复合承载力:植筋破坏)beta_1 =0.5518<1 (拉剪复合承载力:混凝土破坏)综上所述,后置埋件的承载力满足规范要求。